Next Article in Journal
A Bibliometric Review of the Knowledge Base on Mentoring for the Professional Development of School Administrators
Next Article in Special Issue
Analysis and Experimental Validation of Single-Phase Cascaded Boost AC–AC Converter with High Voltage Gain
Previous Article in Journal
Geographical Distribution and Influencing Factors of Intangible Cultural Heritage in the Three Gorges Reservoir Area
Previous Article in Special Issue
A Robust Control Scheme for Dynamic Voltage Restorer with Current Limiting Capability
 
 
Font Type:
Arial Georgia Verdana
Font Size:
Aa Aa Aa
Line Spacing:
Column Width:
Background:
Article

Multiport DC-DC Converter with Differential Power Processing for Fast EV Charging Stations

by
Mohamed A. Elkeiy
1,2,
Yousef N. Abdelaziz
2,3,
Mostafa S. Hamad
4,
Ayman S. Abdel-Khalik
2 and
Mohamed Abdelrahem
1,5,*
1
Institute of High Power Converters, Technical University of Munich (TUM), 80333 Munich, Germany
2
Electrical Engineering Département, Faculty of Engineering, Alexandria University, Alexandria 21526, Egypt
3
Department of Electronic and Electrical Engineering, University of Strathclyde, Glasgow G1 1XQ, UK
4
Research and Development Center, Arab Academy for Science, Technology and Maritime Transport, Al Alamein 5060305, Egypt
5
Electrical Engineering Département, Faculty of Engineering, Assiut University, Assiut 71516, Egypt
*
Author to whom correspondence should be addressed.
Sustainability 2023, 15(4), 3026; https://doi.org/10.3390/su15043026
Submission received: 11 December 2022 / Revised: 31 January 2023 / Accepted: 2 February 2023 / Published: 7 February 2023

Abstract

:
With the growing interest in owning electric vehicles due to increased environmental awareness and uncertain energy security together with the development of Li-ion batteries, quietness, and trouble-free operation, it is urgent to develop charging stations that are fast enough to supply the vehicles with energy conveniently, as in case of conventional petrol stations. The main reason that hinders the spread of fast charging stations is the installation cost, comprising the infrastructure and converter costs. In this article, a multiport DC-DC converter with differential power processing stages is proposed for Electric Vehicle (EV) fast charging stations, which results in a considerable reduction in the cost of using converters while achieving high efficiency. The proposed topology consists of two paths for the power flow (outer and inner loops) for EV battery charging with main and auxiliary DC-DC converters in the outer loop; all the ports are connected in series with the main supply, where the bulk power is being transferred. The main DC-DC converter injects a series voltage to control the power in the outer loop. The auxiliary DC-DC converters are rated at a fractional power that controls the partial power supplied to each port through the inner loops. Thanks to the fractional power processed by the auxiliary converter with the remaining power fed to the battery through the main converter, the proposed architecture enables simultaneous charging of multiple electric vehicles with better efficiency, lower cost, and the capability of providing a fault tolerance feature. A PWM control scheme for the converters to achieve bi-directional power flow in the partially rated DC-DC converters is discussed for the proposed system. Moreover, a practical down-scaled hardware prototype is designed to validate the functionality, control scheme, and effectiveness of the proposed topology in different case studies being investigated. The efficiency of the proposed converter is compared to the conventional configuration.

1. Introduction

Climate change and air pollution are of significant concern to our modern society. The increasing environmental awareness along with the penetration of electric vehicles in terms of market share has the potential to bring about a significant reduction of CO2 emissions. The CO2 footprint of the transportation sector alone contributes almost 25% of the total CO2 resulting from fossil fuels [1]. Vehicles equipped with the internal combustion engine (ICE) have been in existence for a long time. Their progressive substitution by electric vehicles can reduce CO2 emissions drastically, improving air quality and reducing air pollution. Furthermore, the efficiency and performance of the electric motor are higher than those of the ICE. Energy utilization of electric vehicles reaches up to 80–85% compared to 12.3% for the ICE [2].
A current obstacle that hinders the widespread adoption of electric vehicle ownership is the lack of proper EV charging infrastructure that can replace and compete with existing petrol stations, especially on highways where long-distance driving is required. Electric vehicle battery charging is categorized into three categories based on maximum charging power: slow, medium, and fast chargers. Slow and medium chargers are typically mounted on board owing to lower ratings; components are traditionally smaller and lighter in weight. On the other hand, fast chargers can only be off-board due to high-power components and special infrastructure that cannot be included in car space. On-board battery chargers typically consist of two consecutive stages, an AC-DC stage followed by an isolated DC-DC converter for regulating the charging current. Ref. [3] describes a 3.3   kW two-stage plug-in hybrid electric vehicle (PHEV) charger based on an interleaved AC-DC boost PF corrector followed by an isolated DC-DC converter. The DC-DC converter at the second stage is implemented using a full-bridge topology based on [4]. A drawback of such a topology is the bulky capacitor. In order to overcome this problem, a full-bridge LLC resonant converter with boost PF corrector is developed in [5] and a high-frequency resonant converter with a boost converter for regulating the charging of EV is discussed in [6]. On-board chargers can directly be connected to single- or three-phase mains, which eases usage and reduces infrastructure cost. However, the on-board charger has a long charging time that reaches up to several hours; additionally, the mounted charger weight impacts the car weight and thus performance.
On the other hand, off-board chargers are installed in dedicated charging stations, which are designed to offer higher charging power capabilities, yet at higher installation and operational cost. DC fast charging has been extensively discussed in the literature due to its advantages over existing conventional gas stations. There exist many off-board charger topologies. Typically, off-board chargers constitute two consecutive stages for isolation; the first is an AC-DC stage, followed by a DC-DC conversion stage to regulate and control the charging. The charging station can either share a common AC link (after the first stage) or a common DC link (after the second stage) [7]. DC link charging stations are more common, since DC-connected chargers are of higher efficiency due to the reduced number of power conversion stages, absence of reactive power, which simplifies control, and reduced installation cost [8]. Another prominent advantage of DC distribution systems is the opportunity to use partial power converters to process only a portion of the power processed to the vehicle, reducing the converter ratings and thus the cost. Partial power processing has addressed the common cost issue of fast charging stations as well as improving the overall station efficiency. Furthermore, these converters have less impact on the grid since the current withdrawn from the grid has less distortion as will be proved in this paper. Converters designed at partial power have been proposed in [9] based on a cascaded H-bridge interfaced to an AC medium voltage grid with dual active bridge (DAB) to control the DC link followed by a full bridge to control the charging operation. In this topology, the charging power flows through the DAB followed by the full bridge, while the medium voltage cascaded bridge is designed at the rated power of the charging station. In [10], a multi-port AC-DC converter with DC-DC differential power converters were investigated for PV systems integrated with batteries and connected to the grid. In this topology, the DC-DC converter is used to control the active power flow through the battery. The DC-DC converter is connected to a DC-AC port to interface between the battery and the AC grid. This topology, however, has cascaded conversion, which, in return, impacts efficiency. Furthermore, a ring-connected dual active bridges-based multiport converter is reported in [11], where it offers high redundancy and availability due to existence of two power paths for each port. Another ring topology has been proposed in [12] with PV system integration at each port. This topology illustrates how the integration of DC charging station with PV panels can be implemented, yet the power transfer capability from the PV side is limited. An AC source must be considered as the fast charging system unless a large storage is built which results in reduced overall system efficiency due to multi conversion stages. Additionally, due to multi-winding transformer usage, unbalanced winding requires a special winding design to minimize current circulation between windings. Moreover, another topology composed of a three-level neutral point clamped converter has been presented in [13]. All the previous power DC-DC converters in the literature for off-board chargers have cascaded power processing stages resulting in reduced efficiency and increased system complexity. Nevertheless, partial power-rated DC-DC converters are used to control the charge over each EV battery by processing only a fraction of the total battery demand as discussed in the literature; partial power processing has been integrated in PV applications as discussed in [14,15], in data center power distribution schemes [16,17,18], and in electric vehicle off-board chargers as discussed in [19]. In [19], the partial power converter used is a unidirectional LLC converter which shares the same DC link capacitor. This topology is unidirectional and it requires passive components of L and C to be with very low tolerance. Furthermore, differential power processing architecture is illustrated in [20] with multiport half bridge unidirectional DC-DC conversion stages that share a common DC link. This topology suffers high stress on the power switches used in the half-bridge auxiliary converters.
Another approach is proposed in [21], with a combination of dual active bridges (DAB) with triple active bridge (TAB) DC-DC converters. This topology has cascaded conversion stages with a multi-winding transformer intermediate AC stage. Due to this converter cascading, losses inside the system increase along with the system investment cost.
In this paper, a novel power delivery scheme has been proposed based on differential power processing DC-DC converters to control the charging/discharging of the batteries connected. The proposed system consists of two converters (main and auxiliary converter). The auxiliary converter selected is dual active bridge (DAB) sized at partial power rating of the charger. The main converter is a bidirectional buck converter designed at full power of the charger and will change its output voltage depending on the occupied ports to meet different kinds of series states, while maintaining the main DC source in the system constant. The buck converter output voltage is automatically adjusted. The topology is expandable and can accommodate as many charging slots as desired. This approach eliminates the cascaded converter approach in the aforementioned systems; it can also considerably off-load the infrastructure and operation costs and simultaneously improves the overall system efficiency. The specific contributions of this paper can be listed as follows:
  • A novel bi-directional, series-type scheme that regulates the charging process by controlling only a fraction of the charging power, while the remaining power is delivered to the battery via an external loop.
  • The proposed topology offers high efficiency, lower cost, and the capability of providing fault tolerance.
  • A scaled-down prototype is designed, and experimental results are discussed from the prototype to validate the better performance of the proposed system

2. Proposed System Overview

In this section, the concept of partial power processing has been investigated in order to process the load power with the minimum converter rating possible.
1. 
Charger architectures
State-of-the-art DC fast chargers convert the three-phase AC voltage into the desired DC voltage in two stages: an AC/DC rectification stage that converts the three-phase mains into intermediate DC voltage followed by a DC/DC stage which converts the intermediate DC voltage into a controlled DC voltage fed to the EV battery as portrayed in Figure 1.
The AC-DC stage is not in the scope of this work. It will be assumed to be a conventional three-phase medium voltage passive rectifier with AC isolation transformer at power line frequency providing the DC voltage source suitable for the station, where the DC-DC charging stage is responsible for power control. Thus DC-DC converters are the main focus of this work. Conventionally, an offboard charger with multi-port charging slots is constructed in a way that shares either a common AC link or a common DC link as shown in Figure 2.
The proposed architecture relies on the concept of partial power processing, where a part of the load power is supplied via converters designed at a partial power rating. In the proposed system, the load power flows in two loops: outer and inner loops. The outer loop is responsible for transferring the bulk power to the battery, while the inner loop is controlling the auxiliary power. Since the proposed system provides charging to more than one battery simultaneously, each battery is interfaced to an auxiliary converter responsible for the partial power flow thus the number of auxiliary DC-DC converters is equal to the number of charging ports, while all the ports share the same outer loop. In the outer loop, all ports are connected in series where they share the same outer loop current (string current).
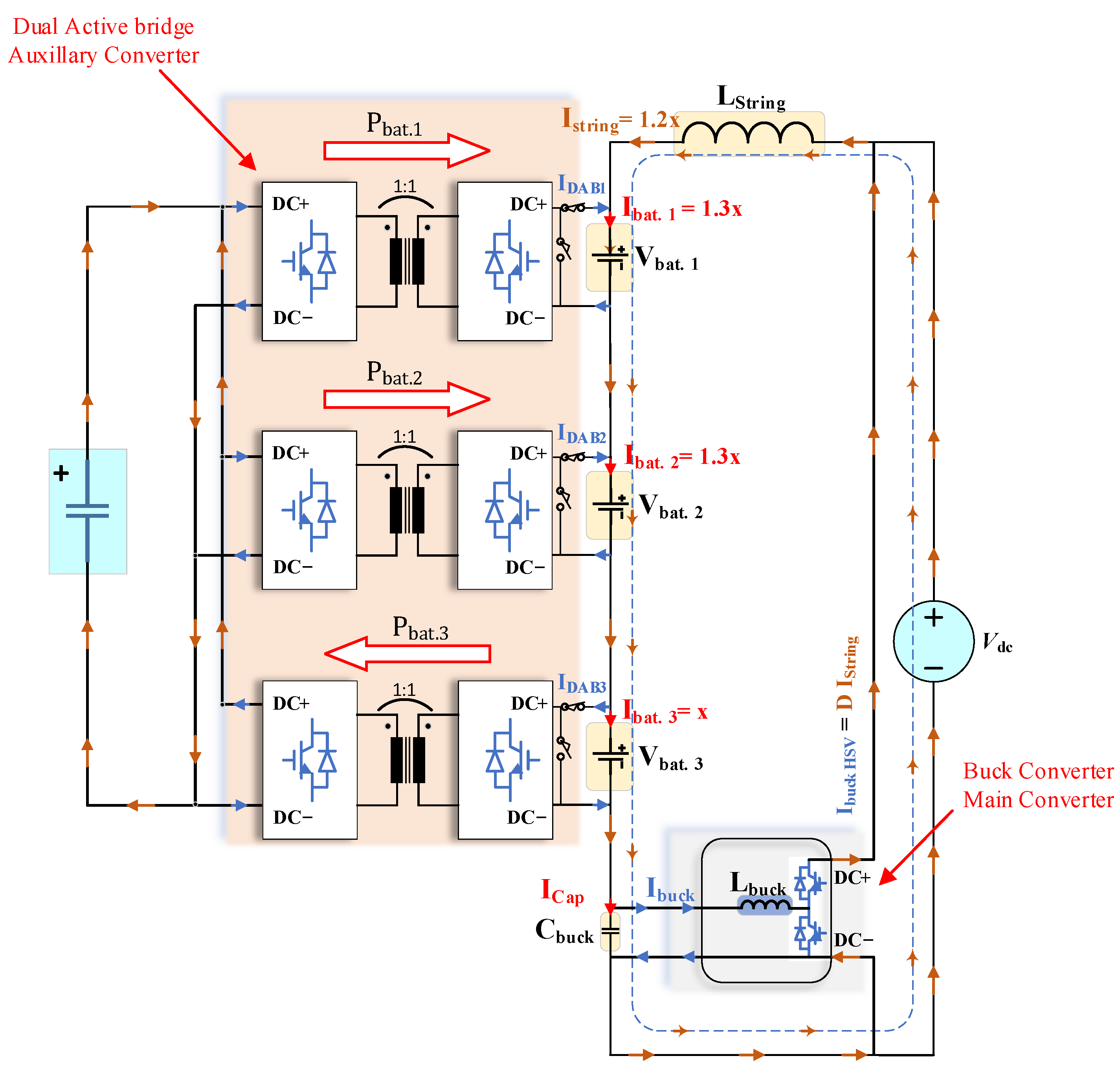
The key component of the DC charging stage is the DC-DC converter itself. A dual active bridge (DAB), as shown in Figure 3 has been selected as the auxiliary DC-DC converter because it exhibits the advantages of soft-switching, which has been widely investigated in [22,23].
2. 
Converters in the Proposed Topology
Moreover, DABs normally operate at high switching frequencies resulting in the use of high-frequency transformers that are mainly characterized by low volume, lightweight and lower cost. Choosing these converters as the constituent modules of the charging stage can ensure high efficiency, in addition to achieving bi-directional power flow, making it an ideal candidate in the experimental set-up discussed later in Section 5. As illustrated in Figure 4, the architecture consists of two types of DC converters: the main converter in the outer loop and the auxiliary converters interfaced to the batteries. It should be pointed out that the proposed topology can be practically realized using any two-port DC/DC converter for processing differential power; however, in this work, DABs have been selected for the aforementioned features.
The left side of the DABs are connected in parallel to a virtual bus capacitor, which is regulated at the nominal voltage value by one of the DABs. The voltage must be kept regulated at the virtual bus capacitor to ensure that the voltage ratio between the DAB two ports match the transformer turns ratio to prevent circulating current and increase DAB efficiency; i.e., k = 1 [22].
DABs can be controlled by several strategies according to [22]. In this paper, a single phase-shift (SPS) control technique for the DABs is adopted which can realize, according to [22], flexible power and voltage regulation by adjusting the phase shift angle δ between the bridges’ output voltage on the transformer primary and secondary sides. Furthermore, a bi-directional buck converter is selected as the main converter to carry the bulk power since it has minimum switching components and has a wide range of voltage gain while maintaining a high efficiency operation, both main and auxiliary.
3. 
Differential power processing concept
Figure 5 illustrates how the proposed architecture differs in the charging concept from the conventional topology in terms of power transfer.
Converters provide charging power for multiple output ports with minimum RMS input current due to the series connection; consequently, converters are rated to handle a small portion of the required power, which potentially optimizes system efficiency as well as installation and operational costs.
The bi-directional buck converter controls the outer loop (string) current by handling the voltage change in the series stack depending on how many slots are in service. The auxiliary DC/DC converters are designed at the voltage level of the EV battery while the bi-directional buck converter is to be designed at the rated voltage of the DC bus, V d c . Note that the scheme introduces a charging solution for three batteries being charged simultaneously, but that does not necessarily mean that such topology cannot be further expanded. The external loop supply voltage V d c must have a high voltage rating based on (1). Where n is the number of charging ports and V b a t is the typical commercial EV battery voltage,
V d c = n   V b a t + V m a i n   c o n v e r t e r
Consequently, it can be assumed that the system is expandable as long as a voltage source Vdc is sufficient for (1) to be satisfied. However, other limitations will arise during implementation; including:
  • Cost and size limitations of increasing the number of ports.
  • The available AC grid voltage that has been used to obtain the DC source, V d c , (LV, MV, …etc).
  • Current limitation on the grid side in case of stepping up the voltage to a higher level to accommodate more charging ports.
4. 
Brief Comparison between Proposed and Conventional Topologies
In conventional charging stations, a specific DC/DC converter is dedicated for each port with full power charging ratings as demonstrated in Figure 6. Consequently, the installation and running cost of such a topology is dramatic. On the other hand, the proposed topology offers delivery of the same power with only a fraction of this power being processed by the auxiliary DC-DC converters, while the bulk power is being fed to the battery via the buck converter which has significantly lower total RMS current that results in lower conduction losses as will be clarified in Section 4. With proper design, converters can be built to handle only 30 40 % of the rated power, which, in return, improves installation and running cost, size of components being used as well as overall system efficiency.

3. Mathematical Analysis and Components Sizing

In this section, design equations are investigated and design parameters for the DC/DC converters are be specified.
A. 
Auxiliary DC-DC converter (Dual Active Bridge)
Based on [22], the transmitted power in DAB is given in (2).
P = n   V 1 V 2 2   π 2   f s   L   . δ   π δ
The converter rated power is designed based on the rated voltages of the ports and a 30% of the rated power of the port, where n is the transformer turns ratio, V 1   and V 2   are the voltages at the two ports of the DAB, f s is the switching frequency, L is the AC link inductance and δ is the phase shift between the AC voltages generated by the two H—bridges of the DAB. The phase shift angle can take a positive or negative value according to power flow. From (2), it can be concluded that the controlled parameter is the phase shift angle δ , where all the remaining parameters are kept constant.
B. 
Bi-directional buck converter
The buck converter, responsible for string current regulation, is designed with ripple current of ± 5 % of rated current and voltage ripple is kept at ± 10 % . The buck converter is the main converter in the proposed architecture. Additionally, it must be designed at the rated voltage of the system as it is directly connected to the main DC as illustrated in Figure 7. Based on [24], L b u c k is sized as explained in (3). The maximum duty reachable by the buck without shutting down the system is obtained in (4), where D m a x   is the maximum duty cycle, V i n is the rated input voltage, I r i p p l e is the ripple current and f s w is the switching frequency.
L b u c k = D   1 D I r i p p l e   f s w     V i n
D max = V b u c k   m i n V i n
The converter input voltage, as shown in Figure 7 and Figure 8, is V d c which depends on the battery stacked in series based on (1). The maximum duty cycle is calculated according to a condition when all but one battery is connected. The system needs at least one battery to be connected to operate, otherwise, the system is offline. Therefore, the minimum buck voltage ( V b u c k   m i n ) should be designed as given:
D min = V d c n   V b a t V d c  
C. 
Virtual DC link Capacitor
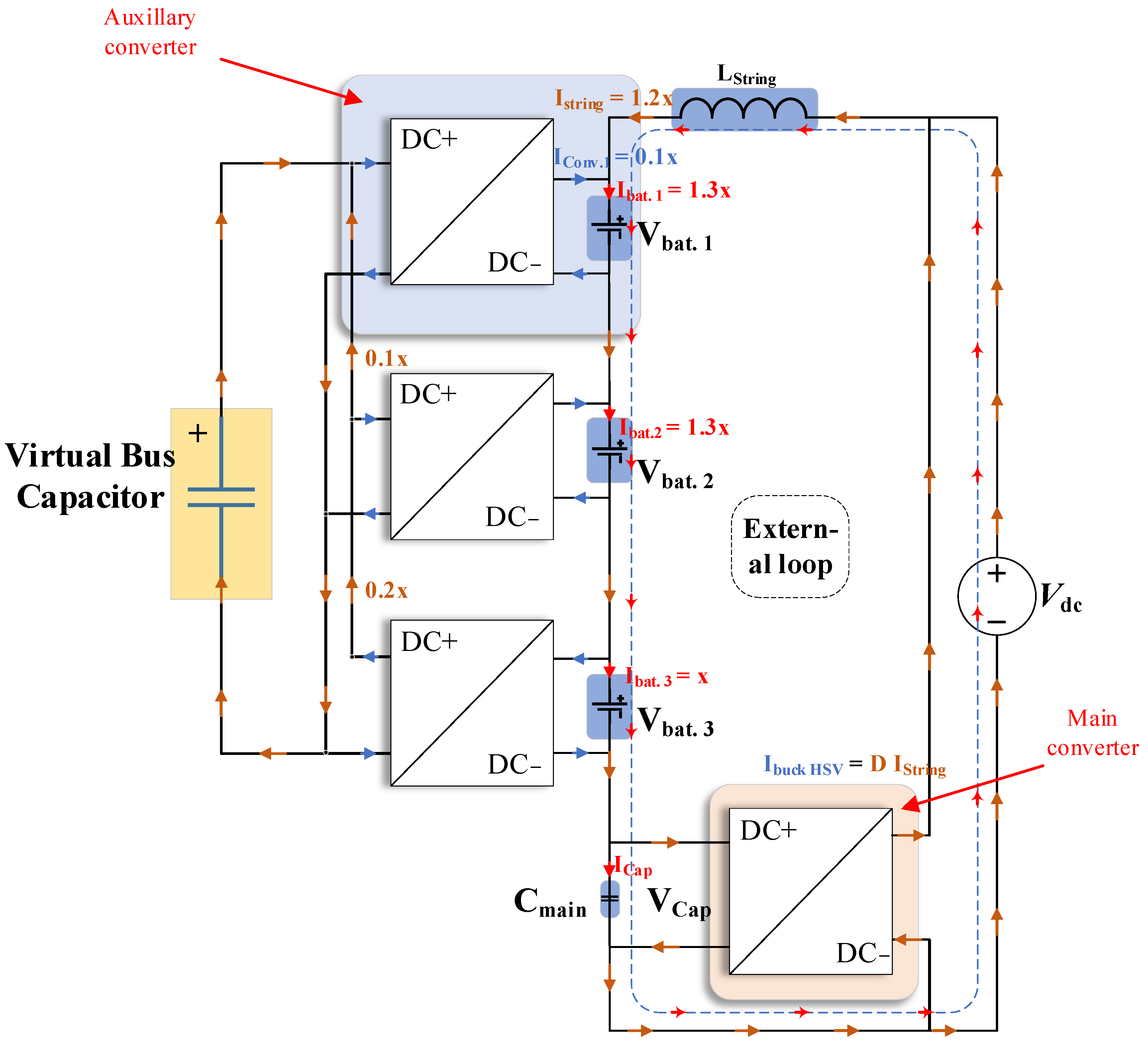
The virtual bus capacitor is connected to the primary side of all DABs which is connected in parallel. Independent voltage regulation is done by one of the DABs to ensure a fixed virtual bus voltage to achieve the voltage ratio of the DABs near unity as aforementioned in the control section. Applying KCL at the virtual capacitor +ve terminal node A in Figure 8, then
i = 1 n I D A B i + I C = 0
In a steady state, virtual bus capacitor current
I C = 0
thus,
i = 1 n I D A B i = 0
where I C is the current in the virtual bus capacitor. The sum of the DAB currents should be equal to zero which assures that total power is balanced and processed at the DAB inlet ports, where the virtual bus capacitor is only to maintain the voltage at the ports. Applying KCL at the nodes B, C and D in Figure 8 results in:
I D A B 1 = I b a t 1 I s t r i n g  
I D A B 2 = I b a t 2 I s t r i n g  
I D A B 3 = I b a t 3 I s t r i n g  
As a result, adding (9)–(11) and for a general number of ports n leads to:
i = 1 n I D A B i d c = i = 1 n I b a t i n   I s t r i n g  
Therefore, to ensure that all the battery reference currents are maintained at the desired values especially at the DAB that is responsible for the virtual bus voltage control, the reference string current ( I s t r i n g ) should be controlled at a value that satisfies
I s t r i n g * = i = 1 n I b a t i * n
The input current on the other hand is slightly less than the string current and calculated as given in (14) by applying KCL at node A.
I i n p u t = I s t r i n g   1 D
The sizing of the virtual bus capacitor should ensure a small voltage ripple. Applying KCL at the virtual bus capacitor depicted in Figure 7, then
I C = C V B d V d t = i = 1 n I D A B i a c
where I c is the output current of the virtual bus capacitor. Based on the power equation given in (2).
I D A B i = P i V b a t i = V V B   δ i   π δ i 2   π   f s w   L l
I c =   i = 1 n V V B   δ i π δ i 2   π 2   f s w   L l = C V B Δ V V B Δ T
where Δ V V B is the virtual bus voltage ripples and Δ T is the time difference, which can be substituted by the periodic time 1 f s w . Thus, from (17), the value of the capacitor can be found according to
C V B = V V B   i = 1 n δ i   π δ i 2   π 2   f s w 2   L l   Δ V V B
To correctly select the capacitance value, the phase shift δ i must be known. Therefore, the sizing is selected at the maximum δ i possible at all the DABs; i.e., at δ i = π 2 . In that case, the final capacitance formula is given by
C V B = n   V V B 8   f s w 2   L l   Δ V V B
D. 
String Inductance sizing
The string inductance here is designed as a current filter and to limit any sudden changes in the current during transients. Based on that, the string inductance is designed by studying the system during the transient instant.
V d c = V p o r t + V o b u c k + V L S t r i n g
Assuming a steady state condition with 2 ports running and applying KVL at the external loop
V d c = k   V p o r t + V B u c k + V L S t r i n g
V L S t r i n g = 0
Assume that the current in one of the two running ports is equal to the rated current, ex: I b a t 1 = 10   A . Hence, the string current is equal to the average current of the two ports as proved in the manuscript.
In that case, the second port with less current is unplugged. Thus, new I S t r i n g = 10   A , yet still the buck voltage is at V B u c k = 24   V .
Thus, the objective here is to limit the current transient to be in range of 5 % of the rated current. This is designed at I S t r i n g = 10   A .
Applying KVL from (21) leads to:
V d c = V p o r t + V B u c k + V L S t r i n g
Thus, the V L S t r i n g is no longer equal to zero.
V d c = V p o r t + V B u c k + L S t r i n g d i d t
V L S t r i n g = L S t r i n g I S t r i n g r a t e d I S t r i n g a v e r a g e d e s i r e d   r i p p l e T s
In our case, assume that I b a t 1 = 10   A and I b a t 2 = 4   A . Then, I S t r i n g a v e r a g e = 7   A .
Unplugging the second port, the new string current is equal to the rated current. Applying (6), the string inductance required to limit the current in the desired range will be:
L S t r i n g = 24 T S ( I S t r i n g r a t e d I S t r i n g a v e r a g e ) d e s i r e d   r i p p l e   r a t i o
where T S = 10   μ S , I S t r i n g r a t e d = 10   A , I S t r i n g a v e r a g e = 7   A , desired ripple ratio is 5%.
Thus,
L S t r i n g = 16   mH
Sizing the inductance here was due to the fact that, we needed to establish an extreme case.
E. 
Power Losses Analysis
Since DAB currents are reduced in the proposed topology, it can be proven that the efficiency is greatly increased in the case of differential power processing. Assuming that both the conventional and proposed topologies are considered from the same hardware components, the power loss in the conventional case can be obtained from:
i = 1 n P l o s s = i = 1 n I b a t i 2 ·     4   R o n + P s w l o s s i
where R o n is the MOSFET channel resistance. However, the switching losses in DAB can be neglected due to zero-voltage switching. Therefore, (27) leads to
i = 1 n P l o s s   D A B i = i = 1 n I D A B i 2   ·   4   R o n  
P l o s s   b u c k = I s t r i n g 2     R o n + P s w   l o s s   b u c k = i = 1 n I b a t i n   2 R o n + P s w   l o s s   b u c k  
A numerical example of the charging currents is provided to get a rough idea about the loss analysis in case of the proposed system in Figure 4 and compare it to the conventional architecture set forth in Figure 6. Assume a scenario where,
I b a t 1 = I b a t 2 = 1.3 I b a t 3  
As depicted in Figure 7, it can be deduced in Equation (13) that the string current desired will be the average current and equals 1.2   I b a t 3 . In this case, the auxiliary converter on the first and second battery will process 0.1   I b a t 3 to be supplied to each battery, while the auxiliary converter connected to the third battery will process 0.2   I b a t 3 to be processed by the converter and delivered to the converters connected to the first and second battery via the virtual bus capacitor. Additionally, the auxiliary converters used in the proposed system are DABs as portrayed in Figure 7. In order for DAB to work properly at high efficiency, the voltage ratio must be equal to the transformer turns ratio; i.e:
k = voltage   ratio transformer   turns   ratio = 1
Since DAB currents are reduced in the proposed topology, it can be proven that the efficiency is greatly increased in the case of differential power processing. Assuming that both the conventional and proposed topologies are considered from the same hardware components, the power loss in the conventional case can be calculated from Equation (28) for the system to be 3 × 4 × R o n × x 2 × 2 × 1.3 2 + 1 = 52.56   R o n x 2   W . On the other hand, from Equations (27)–(29) and since I D A B I b a t it can be concluded that power losses are reduced in case of the proposed topology leading to over all system loss of 3 × 4 × R o n × x 2 × 2 × 0.1 2 + 0.2 + P s w b u c k   c o n v e r t e r + R o n × x 2 × 1.1 2 = 3.85   R o n x 2 + P s w b u c k   c o n v e r t e r   W , which emphasizes the effective reduction in power losses in case of the proposed topology.

4. The Proposed Topology Control Technique

In this section, control strategies of each converter module are further investigated. According to what has been stated earlier in Section 3, the adopted control strategy utilized with DABs is SPS control, where the power flow magnitude and direction are regulated based on (2) [25].
If a DAB converter is not connected to an external car, all the gating to the DAB MOSFETS are inhibited and the output terminals will be shorted by a mechanical limit switch that is interlocked with the EV connector to ensure continuation of current in the external loop by bypassing the open port. The buck converter should compensate the voltage of the outer loop, resulting in an uninterruptible operation in the system as depicted in Figure 8. Additionally, in case of an open circuit fault in one of the auxiliary converters, the limit switch will ensure continuation of service at the remaining port in the same fashion. The bi-directional buck converter in Figure 7 and Figure 8 is used to regulate the string current and keeps it constant at the average current value of the batteries being charged as proven in (13). This is realized by regulating the buck voltage according to the duty cycle in such a manner that, if the string current should be increased, the output voltage and, hence, the duty D decreases and vice versa. The relation between the buck duty cycle and the system parameters can simply be explained using KVL as explained in Equation (32).
V B u c k = D   V d c = V d c i = 1 # batteries V b a t , i
From Equation (32), it can be concluded that should any battery be disconnected, the buck converter will compensate the voltage by increasing the duty cycle and maintain the string current to the new average value of the connected batteries. The remaining converters are responsible for the charging current regulation. Consequently, the controlled parameter at each DAB is the battery charging current based on Equation (33).
I b a t . * = I s t r i n g + I D A B  
According to Equation (33), the DC converter processes only a fraction of the current; depending on the battery charging demand, the I D A B will be + v e (supplying power) or v e (receiving power). Assume a scenario where I b a t 1 = I b a t 2 = 1.3   I b t a 3 , as represented in Figure 8. It can be deduced in (13) that the string current desired will be the average current and equals to 1.2   I b a t 3 . In this case, the DAB converter on the converter on the first and second battery will process 0.1   I b a t 3 to be supplied to each battery, while the DAB connected to the third battery will process 0.2   I b a t 3 to be processed by the converter and delivered to the DABs connected to first and second battery via the virtual bus capacitor. Furthermore, as aforementioned, for DAB to work properly at high efficiency, the voltage ratio must be equal to the transformer turns ratio. For that reason, the virtual bus capacitor voltage must be maintained constant, and this is realized by one of the DABs. The controller of the DABs regulates the phase-shift angle between the two bridges according to the I D A B flowing in the converter. The control block diagram is depicted in Figure 8, where the first DAB is responsible for the virtual bus voltage control, while the rest of the DABs are controlled to achieve the desired current value of their corresponding batteries. The control parameter in case of the DABs is the phase shift angle between the two bridges, δ , ranging from 90   to   90 . Finally, the buck is used to control the string current to the average values of the desired battery currents. It is worth noting that the first battery current is not controlled by the corresponding DAB, because the corresponding DAB is responsible for the virtual bus voltage control.

5. Experimental Hardware Validation

In this section, Figure 9 shows a scaled-down laboratory experimental setup that is used to experimentally validate the proposed architecture under different test conditions. We compare the proposed system to the conventional architecture, which is composed of the same types of converters, highlighting the advantages of the proposed system over the conventional one.
The objective in this section is to compare the proposed architecture and conventional topology under different testing conditions.
A. 
A look into the set-up
The experimental set-up has been designed as a proof of concept with most of the parameters being scalable for real-life design. The PSoC Arm-based controller has been utilized as the main controller for the prototype. Modular control has been realized in which each power converter module is separately controlled with a dedicated PSoC controller, which enhances system reliability.
In order to guarantee highly efficient DAB performance, soft switching for the converter must be ensured; additionally, converter bridges constituted of highly efficient MOSFETS with low R d s o n and high switching frequeny should be considered. In our set-up, SiC switches with high switching frequency capability are provided. Moreover, the gate driver modules that have been used operate efficiently at high switching frequencies with hardware dead bands that optimize the bridge output signals with the least disturbance possible at high switching frequency operation. DABs have been designed to handle only 30% of the battery power providing a high efficiency improvement. In the set-up, the DAB rated power is designed at P r a t e d = 400   W at max phase shift of π 2 with a switching frequency of 100   KHz . The isolation transformer is designed individually with turns ratio n = 1 , voltage rating of 100   V and leakage inductance almost equal to zero. Substituting in (3), the required inductance is 1.8   μ H . The buck converter is designed at a switching frequency f s w of 20   KHz and I r i p p l e designed at ± 5 % . The buck converter inductance is designed at the maximum reachable duty cycle based on (4) which is found to be 0.75. Hence, the buck inductance is calculated from (3) with current ripples 0.5 A (10%) to be 1.8 μ H .
Selection of the DC virtual bus capacitor, based on (19), depends on the desired voltage ripple. In our case, the voltage ripple is designed at 5 % of the voltage resulting in a virtual bus capacitance of C V B = 416.67   μ F . In the set-up, C V B = 1000   μ F is chosen.
The power supply used to charge the batteries is rated V s = 96   V and I r a t e d = 10   A . The system has been investigated with power supplies connected to resistive loads in parallel that model battery behavior during charging with constant current.
B. 
System parameters
The system parameters as well as controller parameters applied to the system are summarized in Table 1. DAB design parameters are shown in Table 2.
C. 
Normal operation
To validate the efficiency benefits, the proposed topology is compared to the conventional architecture at three operating events: normal operating condition when batteries are charging at a desired reference current, at online load dynamic changing and at voltage build-up of the battery.
Case I Normal operation with three ports in service:
In this scenario, the normal operation of both topologies is investigated, and system currents and efficiencies are compared. In this case, three different charging ratings are selected; I b a t .1 = 5   A ,   I b a t .2 = 4   A ,   I b a t .3 = 3   A , as depicted in Figure 10. In order to regulate the string current at the average current of the connected ports (13), the buck converter is required to regulate the voltage at the series capacitor. It can be noticed that both I b a t .1 , and I b a t .3 are imposed with ripples, while I b a t .2 has less ripples. This is because the reference current at the second port is equal to the string current, I b a t .2 = I S t r i n g , which means that the current supplied by the auxiliary converter connected to port 2, I D A B 2 = 0 . On the other hand, currents processed by DAB1 and DAB3 are non-zero which imposes ripples at the port current, from (9)–(11).
Based on (32), the buck voltage output will be maintained around 24   V in that case. Figure 11 highlights buck output voltage and current. It can be noticed that the buck converter succeeds in controlling the string current to the batteries at an average value of 4   A . Voltage and current ripples are kept within the design range for both at 5 % . The current withdrawn from the supply in case of the proposed configuration is much lower as compared to the conventional topology. Figure 12 depicts the major difference between the input current in both cases. In the case of conventional configuration, the input current is ideally the summation of the all the battery currents connected. But since the system is non-ideal, the system input current is expected to be higher. On the other hand, the input current of the proposed topology is expected to be less than the string current.
System efficiencies are compared and illustrated in Figure 13.
Based on the readings illustrated in Figure 12 and Figure 13, the proposed architecture has better system efficiency for same charging power. The power charging unit has been rated to handle only about 30% of the battery power providing an efficiency improvement of about 7% as compared to the conventional scheme that must be rated to handle the full charging power.
Case II Dynamic change of charging power:
In this case, the system dynamics are further investigated via online change of the power delivered to the batteries. This is achieved by changing the set point of battery currents I b a t s . It can be noticed in Figure 14 that for battery 1 and 3, the current has been changed; I b a t .1 reference value has been changed from 6   A to   3   A and I b a t .3 reference value has been changed from 3.5   A to 4. 5   A .
The buck converter output characteristics are as illustrated in Figure 15 noting that the buck voltage exhibits a transient behavior at the instant of the step change to control the string current to the new average value.
Input current is compared in both cases as shown in Figure 16. In the case of the conventional configuration, the input current is the summation of battery currents, which accounts for the high current level. On the other hand, in the case of the proposed architecture, the reference has changed to the new average current with minimum change in the input current. This highlights the system stability with load variation unlike the conventional system which undergoes significant variation in the input current. Hence, the input current in case of the proposed system is more stable and does not show much change.
Case III Simulating battery performance:
In this case, battery charging is simulated to investigate system behavior with load voltage rise. Figure 17 shows the charging currents of the batteries where the currents at port 2 and port 3 are successfully maintained at their desired value. On the other hand, the current flow at the first port is changing because the corresponding DAB is to control the virtual bus capacitor voltage (refer to Figure 7). Hence, the output current at port 1 has increased to maintain the virtual bus voltage constant. When the battery is being charged, the battery voltage increases. The buck converter output voltage reduces concurrently to maintain the current in the outer loop (string current) constant as shown in Figure 18. Input currents in the case of the proposed and conventional system are presented in Figure 19.
D. 
Fault tolerance
In this section, the system is studied under a fault case where a short circuit occurs at one of the batteries without power interruption to the remaining batteries. The fault can be detected by means of monitoring the voltage level to prevent operation of the faulted port; however, this is not implemented in the software in order to investigate the fault tolerance of the system. A fault scenario is implemented on port 2 as shown in Figure 20. At the instant of the fault, the current at the faulted port reaches zero, while the output current of the DAB ports increases instantenously. Due to the current control in the string as well as the remaining ports, the DAB current at the faulted port output will reach zero, yet the current at the port node (where the DAB and the string current meet) will be equal to the string current based on Equation (33), as can be depicted in Figure 21, which implies steady system operation and fault tolerance capability of the converter. The reason behind the current stability at the faulted port is that the buck converter output voltage has increased from 24   V   t o   48   V to compensate for the voltage reduction due to the faulted port and to maintain the string current at the new average value based on Equation (13). As a result, the string current which is the buck current is regulated at the reference value as shown in Figure 22 because the average current of the remaining ports is kept unchanged after port II termination.
Comparison between the two systems based on the system efficiency is illustrated in Figure 23. It can be brought out that, with the proposed topology, efficiency is kept at the maximum attainable value. Moreover, since such a topology is expandable, with more batteries being plugged in or increasing the number of charging ports, the efficiency remains almost unchanged. Thus, the efficiency comparison has been made emphasizing that the system has better performance in case of proposed architecture.

6. Discussive Comparison

In this section, a comparison is made between the conventional and the proposed topology summarizing the advantages of the proposed system in Table 3.
Comparing the proposed topology to the conventional one, the proposed topology has n + 1 converters, as an additional buck converter is used, unlike the case of conventional system where n converters are used. However, since n converters in the proposed topology are designed at a reduced rating, the system overall cost is significantly reduced. As aforementioned in Section 6 that the rated power of the n converters are about 30 % of the rated power of the station which means lower cost per converter. Efficiency is improved provided that the power losses are reduced in in the case of the proposed system as investigated in Section 3. Additionally, the proposed configuration offers high stability of operation and maintains high efficiency regardless of the number of ports connected unlike the conventional configuration as highlighted in Section 4. Availability of high DC voltage is essential for the new system unlike the conventional one; on the other hand, the input current of the system is dramatically reduced in case of the new topology as discussed in Section 2 and Section 3.

7. Conclusions

An approach toward a power delivery architecture for a fast charging station that makes use of partial power processing using fractional power converters is proposed in this article. Conventionally, a fast charging station would have power converters designed at rated power at each port increasing the investment and maintenance cost. The operational concept of the proposed system depends on partial sharing of power between auxiliary converters. The topology has the benefits of using low-rating power converters. This contributes to lower capital investment in addition to higher system efficiency resulting in a lower operational cost. System requirements, control scheme and fault tolerance capability are discussed. Although the proposed architecture utilizes an extra DC converter in order to regulate the string current in the outer loop, the system’s overall efficiency has improved considerably.
The experimental results of a down-scaled set-up designed to handle only a power rating of 400   W shows an efficiency improvement of about 7 % over the conventional architecture at the same charging power. The system has been tested under different working conditions and in each case, efficiency comparisons were made to what has been considered as a typical system.
The charging scheme still needs to overcome some technical challenges such as galvanic isolation between the individual charging ports.

Author Contributions

Conceptualization, M.A.E., Y.N.A. and A.S.A.-K.; methodology, M.A.E.; A.S.A.-K. and M.A.; software, M.A.E. and Y.N.A.; validation, M.A.E., Y.N.A. and M.A.; formal analysis, M.S.H. and M.A.; investigation, M.A.E., A.S.A.-K. and M.A.; resources, M.A.E., Y.N.A. and A.S.A.-K.; data curation, M.A.E. and M.A.; writing—original draft, M.A.E., A.S.A.-K. and M.A.; writing—review and editing, M.S.H., A.S.A.-K. and M.A.; visualization, M.A.E. and Y.N.A.; supervision, A.S.A.-K. and M.A.; project administration, M.S.H., A.S.A.-K. and M.A. All authors have read and agreed to the published version of the manuscript.

Funding

This research was financially supported by the funding of advanced research projects (ARP) grant ARP2020.R29.7.

Institutional Review Board Statement

Not applicable.

Informed Consent Statement

Not applicable.

Data Availability Statement

Not applicable.

Acknowledgments

The authors would like to acknowledge the financial support from the ITIDAs. ITAC collaborative funded project under the category type of advanced research projects (ARP) and grant number ARP2020.R29.7.

Conflicts of Interest

The authors declare no conflict of interest.

References

  1. Umar, M.; Ji, X.; Kirikkaleli, D.; Alola, A.A. The imperativeness of environmental quality in the United States transportation sector amidst biomass-fossil energy consumption and growth. J. Clean. Prod. 2021, 285, 124863. [Google Scholar] [CrossRef]
  2. Ehsani, M.; Gao, Y.; Longo, S.; Ebrahimi, K.M. Modern Electric, Hybrid Electric, and Fuel Cell Vehicles; CRC Press: Boca Raton, FL, USA, 2018. [Google Scholar]
  3. Gautam, D.; Musavi, F.; Edington, M.; Eberle, W.; Dunford, W.G. An automotive on-board 3.3 kW battery charger for PHEV application. In Proceedings of the 2011 IEEE Vehicle Power and Propulsion Conference, Chicago, IL, USA, 6–9 September 2011; pp. 1–6. [Google Scholar] [CrossRef]
  4. Bottion, A.J.B.; Barbi, I. Full bridge zero-voltage-switching PWM dc-dc converter with output capacitive filter. In Proceedings of the 2015 IEEE 13th Brazilian Power Electronics Conference and 1st Southern Power Electronics Conference (COBEP/SPEC), Fortaleza, Brazil, 29 November–2 December 2015; pp. 1–6. [Google Scholar] [CrossRef]
  5. Chae, H.J.; Moon, H.T.; Lee, J.Y. On-board battery charger for PHEV without high-voltage electrolytic capacitor. Electron. Lett. 2011, 46, 1691–1692. [Google Scholar] [CrossRef]
  6. Chae, H.J.; Kim, W.Y.; Yun, S.Y.; Jeong, Y.S.; Lee, J.Y.; Moon, H.T. 3.3 kW on board charger for electric vehicle. In Proceedings of the 8th International Conference on Power Electronics—ECCE Asia, Jeju, Republic of Korea, 30 May–3 June 2011; pp. 2717–2719. [Google Scholar] [CrossRef]
  7. Khalid, M.R.; Khan, I.A.; Hameed, S.; Asghar, M.S.J.; Ro, J.S. A Comprehensive Review on Structural Topologies, Power Levels, Energy Storage Systems, and Standards for Electric Vehicle Charging Stations and Their Impacts on Grid. IEEE Access 2021, 9, 128069–128094. [Google Scholar] [CrossRef]
  8. Yu, W.; Lai, J.S.; Ma, H.; Zheng, C. High-Efficiency DC–DC Converter with Twin Bus for Dimmable LED Lighting. IEEE Trans. Power Electron. 2011, 26, 2095–2100. [Google Scholar] [CrossRef]
  9. Iyer, V.M.; Gulur, S.; Gohil, G.; Bhattacharya, S. An Approach towards Extreme Fast Charging Station Power Delivery for Electric Vehicles with Partial Power Processing. IEEE Trans. Ind. Electron. 2020, 67, 8076–8087. [Google Scholar] [CrossRef]
  10. Wang, J.; Sun, K.; Xue, C.; Liu, T.; Li, Y. Multi-Port DC-AC Converter with Differential Power Processing DC-DC Converter and Flexible Power Control for Battery ESS Integrated PV Systems. IEEE Trans. Ind. Electron. 2022, 69, 4879–4889. [Google Scholar] [CrossRef]
  11. Nazih, Y.; Abdel-Moneim, M.G.; Aboushady, A.A.; Abdel-Khalik, A.S.; Hamad, M.S. A Ring-Connected Dual Active Bridge Based DC-DC Multiport Converter for EV Fast-Charging Stations. IEEE Access 2022, 10, 52052–52066. [Google Scholar] [CrossRef]
  12. Mouli, G.R.C.; Bauer, P.; Zeman, M. Comparison of system architecture and converter topology for a solar powered electric vehicle charging station. In Proceedings of the 2015 9th International Conference on Power Electronics and ECCE Asia (ICPE-ECCE Asia), Seoul, Republic of Korea, 1–5 June 2015; pp. 1908–1915. [Google Scholar] [CrossRef]
  13. Du, Y.; Zhou, X.; Bai, S.; Lukic, S.; Huang, A. Review of non-isolated bi-directional DC-DC converters for plug-in hybrid electric vehicle charge station application at municipal parking decks. In Proceedings of the 2010 Twenty-Fifth Annual IEEE Applied Power Electronics Conference and Exposition (APEC), Palm Springs, CA, USA, 21–25 February 2010; pp. 1145–1151. [Google Scholar] [CrossRef]
  14. Agamy, M.S.; Harfman-Todorovic, M.; Elasser, A.; Chi, S.; Steigerwald, R.L.; Sabate, J.A.; McCann, A.J.; Zhang, L.; Mueller, F.J. An Efficient Partial Power Processing DC/DC Converter for Distributed PV Architectures. IEEE Trans. Power Electron. 2014, 29, 674–686. [Google Scholar] [CrossRef]
  15. Kasper, M.; Bortis, D.; Kolar, J.W. Classification and Comparative Evaluation of PV Panel-Integrated DC–DC Converter Concepts. IEEE Trans. Power Electron. 2014, 29, 2511–2526. [Google Scholar] [CrossRef]
  16. Candan, E.; Shenoy, P.S.; Pilawa-Podgurski, R.C.N. A series-stacked power delivery architecture with isolated differential power conversion for data centers. In Proceedings of the 2014 IEEE 36th International Telecommunications Energy Conference (INTELEC), Vancouver, BC, Canada, 28 September–2 October 2014; pp. 1–8. [Google Scholar] [CrossRef]
  17. Candan, E.; Shenoy, P.S.; Pilawa-Podgurski, R.C.N. A Series-Stacked Power Delivery Architecture with Isolated Differential Power Conversion for Data Centers. IEEE Trans. Power Electron. 2016, 31, 3690–3703. [Google Scholar] [CrossRef]
  18. Nazih, Y.; Ismail, A.; Faiad, A.A.; Hamdan, E.; Hamad, M.S.; Abdel-Khalik, A.S. Performance evaluation of PI controlled series stacked power delivery architectures for high-efficiency data centers. Alex. Eng. J. 2020, 59, 4821–4842. [Google Scholar] [CrossRef]
  19. Iyer, V.M.; Gulur, S.; Gohil, G.; Bhattacharya, S. Extreme fast charging station architecture for electric vehicles with partial power processing. In Proceedings of the 2018 IEEE Applied Power Electronics Conference and Exposition (APEC), San Antonio, TX, USA, 4–8 March 2018; pp. 659–665. [Google Scholar] [CrossRef]
  20. Atkar, D.; Chaturvedi, P.; Suryawanshi, H.M.; Nachankar, P.; Yadeo, D.; Krishna, S. Solid State Transformer for Electric Vehicle Charging Infrastructure. In Proceedings of the 2020 IEEE International Conference on Power Electronics, Smart Grid and Renewable Energy (PESGRE2020), Cochin, India, 2–4 January 2020; pp. 1–6. [Google Scholar]
  21. Khan, S.A.; Islam, M.R.; Guo, Y.; Zhu, J. A New Isolated Multi-Port Converter with Multi-Directional Power Flow Capabilities for Smart Electric Vehicle Charging Stations. IEEE Trans. Appl. Supercond. 2019, 29, 0602504. [Google Scholar] [CrossRef]
  22. Kheraluwala, M.N.; Gascoigne, R.W.; Divan, D.M.; Baumann, E.D. Performance characterization of a high-power dual active bridge DC-to-DC converter. IEEE Trans. Ind. Appl. 1992, 28, 1294–1301. [Google Scholar] [CrossRef]
  23. Li, X.; Bhat, A.K.S. Analysis and Design of High-Frequency Isolated Dual-Bridge Series Resonant DC/DC Converter. IEEE Trans. Power Electron. 2010, 25, 850–862. [Google Scholar] [CrossRef]
  24. Rahman, M.S. Buck Converter Design Issues. Master’s Thesis, Institutionen för Systemteknik, Linköping, Sweden, 2007. [Google Scholar]
  25. Zhao, B.; Song, Q.; Liu, W.; Sun, Y. Overview of Dual-Active-Bridge Isolated Bidirectional DC–DC Converter for High-Frequency-Link Power-Conversion System. IEEE Trans. Power Electron. 2014, 29, 4091–4106. [Google Scholar] [CrossRef]
Figure 1. Offboard charger architecture with a high frequency isolated DC/DC converters.
Figure 1. Offboard charger architecture with a high frequency isolated DC/DC converters.
Sustainability 15 03026 g001
Figure 2. Conventional offboard charger architectures. (a)—common ac link; (b)—common dc link.
Figure 2. Conventional offboard charger architectures. (a)—common ac link; (b)—common dc link.
Sustainability 15 03026 g002
Figure 3. Dual active bridge.
Figure 3. Dual active bridge.
Sustainability 15 03026 g003
Figure 4. Proposed partial power processing DC charger scheme.
Figure 4. Proposed partial power processing DC charger scheme.
Sustainability 15 03026 g004
Figure 5. Conventional full power charging unit and partial power charging unit.
Figure 5. Conventional full power charging unit and partial power charging unit.
Sustainability 15 03026 g005
Figure 6. Conventional DC charging stage.
Figure 6. Conventional DC charging stage.
Sustainability 15 03026 g006
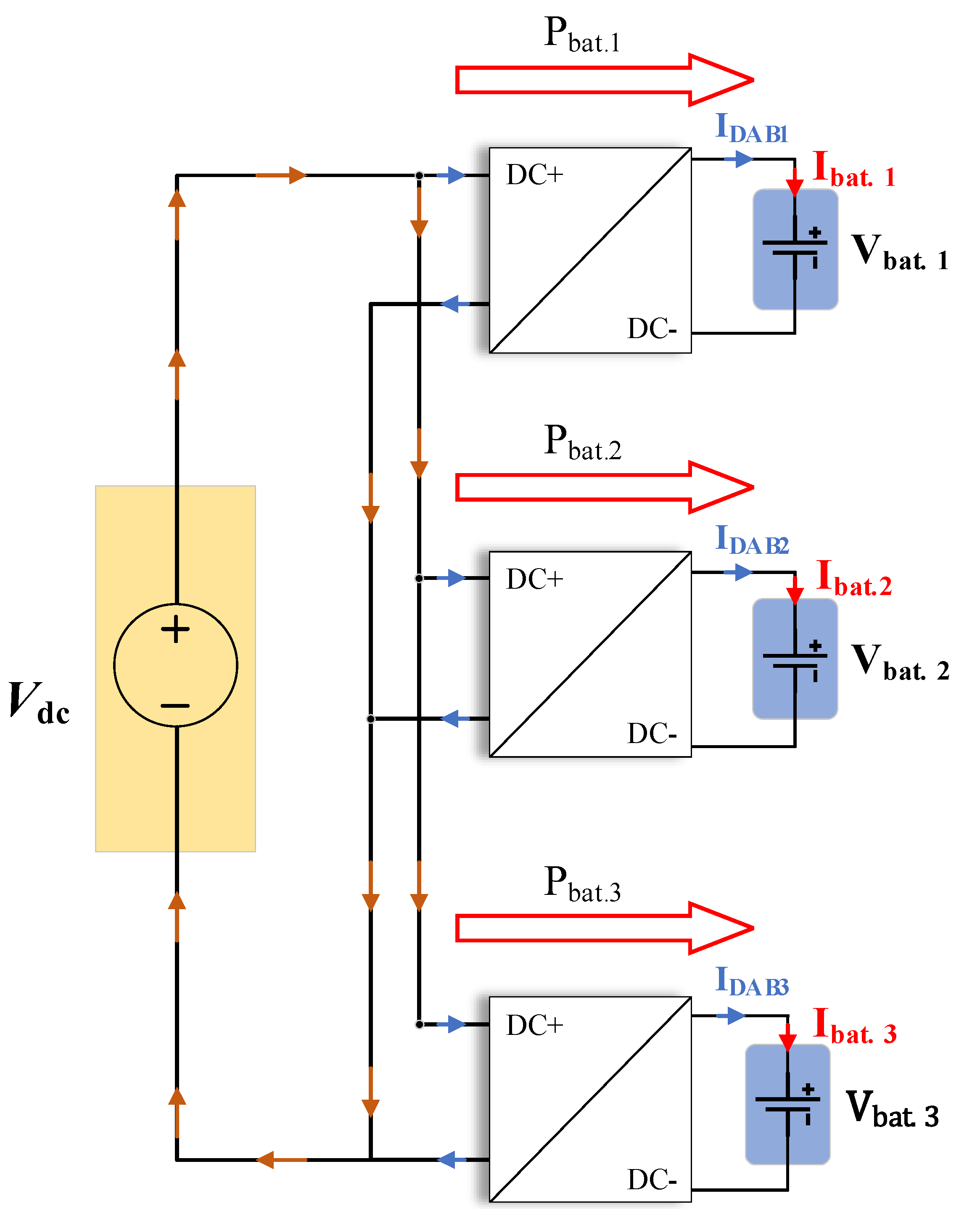
Figure 7. Power flow in the proposed topology.
Figure 7. Power flow in the proposed topology.
Sustainability 15 03026 g007
Figure 8. The proposed topology with its control diagram.
Figure 8. The proposed topology with its control diagram.
Sustainability 15 03026 g008
Figure 9. Experimental set-up.
Figure 9. Experimental set-up.
Sustainability 15 03026 g009
Figure 10. Input currents in normal operation.
Figure 10. Input currents in normal operation.
Sustainability 15 03026 g010
Figure 11. Buck output voltage and current in normal operation.
Figure 11. Buck output voltage and current in normal operation.
Sustainability 15 03026 g011
Figure 12. Input currents in normal operation.
Figure 12. Input currents in normal operation.
Sustainability 15 03026 g012
Figure 13. Efficiency comparison between the two models.
Figure 13. Efficiency comparison between the two models.
Sustainability 15 03026 g013
Figure 14. Battery currents in case of set-point change.
Figure 14. Battery currents in case of set-point change.
Sustainability 15 03026 g014
Figure 15. Buck output voltage and current in case II.
Figure 15. Buck output voltage and current in case II.
Sustainability 15 03026 g015
Figure 16. Input currents in case II.
Figure 16. Input currents in case II.
Sustainability 15 03026 g016
Figure 17. Battery currents in case III.
Figure 17. Battery currents in case III.
Sustainability 15 03026 g017
Figure 18. Buck output voltage and current in case III.
Figure 18. Buck output voltage and current in case III.
Sustainability 15 03026 g018
Figure 19. Input currents in case III.
Figure 19. Input currents in case III.
Sustainability 15 03026 g019
Figure 20. Bbattery currents during fault at port 2.
Figure 20. Bbattery currents during fault at port 2.
Sustainability 15 03026 g020
Figure 21. Output currents in case of fault occurring on port connected to battery 2.
Figure 21. Output currents in case of fault occurring on port connected to battery 2.
Sustainability 15 03026 g021
Figure 22. Buck output voltage and current when fault occurred.
Figure 22. Buck output voltage and current when fault occurred.
Sustainability 15 03026 g022
Figure 23. Efficiency comparison between both systems in case of faulted port.
Figure 23. Efficiency comparison between both systems in case of faulted port.
Sustainability 15 03026 g023
Table 1. Hardware setup parameters and controller gains.
Table 1. Hardware setup parameters and controller gains.
ParameterValueParameterValue
P r a t e d 400   W DAB Transformer ratio1:1
DAB  V i n 24   V DAB Transformer core 400   W
DAB  I i n 10   A DAB Transformer L m 507.64   μ H
V d c 96   V DAB Transformer I r a t e d 34   A
n 1:1 L B 5   mH
C B 300   μ F f s w b u c k 20   KHz
f s w 100   KHz Proportional gain:   K P D A B 1 0.175
V 1 a 24   V Proportional gain:   K P D A B 2 , 3 0.1
V 2 24   V Proportional gain:   K P B u c k 0.001
L s t r i n g 0.7   mH Integral gain: K I D A B 1 1.25
L A 1.8   µ H Integral gain: K I D A B 2 , 3 0.5
C V B 1000   μ F Integral gai: K I B u c k 0.008
Table 2. DAB hardware components.
Table 2. DAB hardware components.
Component UsedSpecificaions and Discriptions
DAB Power transistorsSiC MOSFET devices C S D 19534 K C S
V D S 100   V
Q G 16.4   n C
R D S o n 13.7   m Ω at V G S = 10   V
I D 38   A @ 100   ° C
DAB Gate driverDual channel gate drivers (4 for each DAB board)
Isolation transformer: B82559A3152A016
Operating frequency at 100   KHz
Duty cycle50% square wave form
Leakage inductance 1.8   H
Saturation current 33   A @ 100   ° C
R D C 1.5   m Ω
Transformer primaryAWG10–2 turns with parallel paths
Transformer secondaryAWG15–11 turns with single path
Measurement sensors
Voltage sensorAMC1311 high impedance, low error offset sensor
Quantity2 voltage sensors at each DAB for primary and secondary voltage measurements
Sensing rangeAdjustable, set to 100   V
Current sensorAMC1302 high impedance, low error offset sensor
Quantity2 current sensors at each DAB for primary and secondary current measurements
Sensing rangeAdjustable, set to 10   A
Table 3. Comparison between proposed and conventional fast charging architecture.
Table 3. Comparison between proposed and conventional fast charging architecture.
Points of ComparisonConventional SchemeProposed Scheme
Types of converters usedFull power rated DAB convertersPartial power rated DAB converters
A single buck converter rated at full power
Input voltage Rated   charging   voltage   V b a t High   DC   voltage   n + 1 V b a t
Input current Very   large   current   I b a t A   fractional   current   I b a t n
System efficiency at same charging currents88%93%
Dependence on loading conditionHighly dependent on loading conditionStable performance at maximum attainable efficiency
CostMore cost due to full rated power convertersLess cost due to partial power designed converters
Fault toleranceFault tolerantFault tolerant
Disclaimer/Publisher’s Note: The statements, opinions and data contained in all publications are solely those of the individual author(s) and contributor(s) and not of MDPI and/or the editor(s). MDPI and/or the editor(s) disclaim responsibility for any injury to people or property resulting from any ideas, methods, instructions or products referred to in the content.

Share and Cite

MDPI and ACS Style

Elkeiy, M.A.; Abdelaziz, Y.N.; Hamad, M.S.; Abdel-Khalik, A.S.; Abdelrahem, M. Multiport DC-DC Converter with Differential Power Processing for Fast EV Charging Stations. Sustainability 2023, 15, 3026. https://doi.org/10.3390/su15043026

AMA Style

Elkeiy MA, Abdelaziz YN, Hamad MS, Abdel-Khalik AS, Abdelrahem M. Multiport DC-DC Converter with Differential Power Processing for Fast EV Charging Stations. Sustainability. 2023; 15(4):3026. https://doi.org/10.3390/su15043026

Chicago/Turabian Style

Elkeiy, Mohamed A., Yousef N. Abdelaziz, Mostafa S. Hamad, Ayman S. Abdel-Khalik, and Mohamed Abdelrahem. 2023. "Multiport DC-DC Converter with Differential Power Processing for Fast EV Charging Stations" Sustainability 15, no. 4: 3026. https://doi.org/10.3390/su15043026

APA Style

Elkeiy, M. A., Abdelaziz, Y. N., Hamad, M. S., Abdel-Khalik, A. S., & Abdelrahem, M. (2023). Multiport DC-DC Converter with Differential Power Processing for Fast EV Charging Stations. Sustainability, 15(4), 3026. https://doi.org/10.3390/su15043026

Note that from the first issue of 2016, this journal uses article numbers instead of page numbers. See further details here.

Article Metrics

Back to TopTop