A Novel Multiport Hybrid Wave Energy System for Grid-Connected and Off-Grid Applications
Abstract
1. Introduction
2. System Configuration and Operation Principle
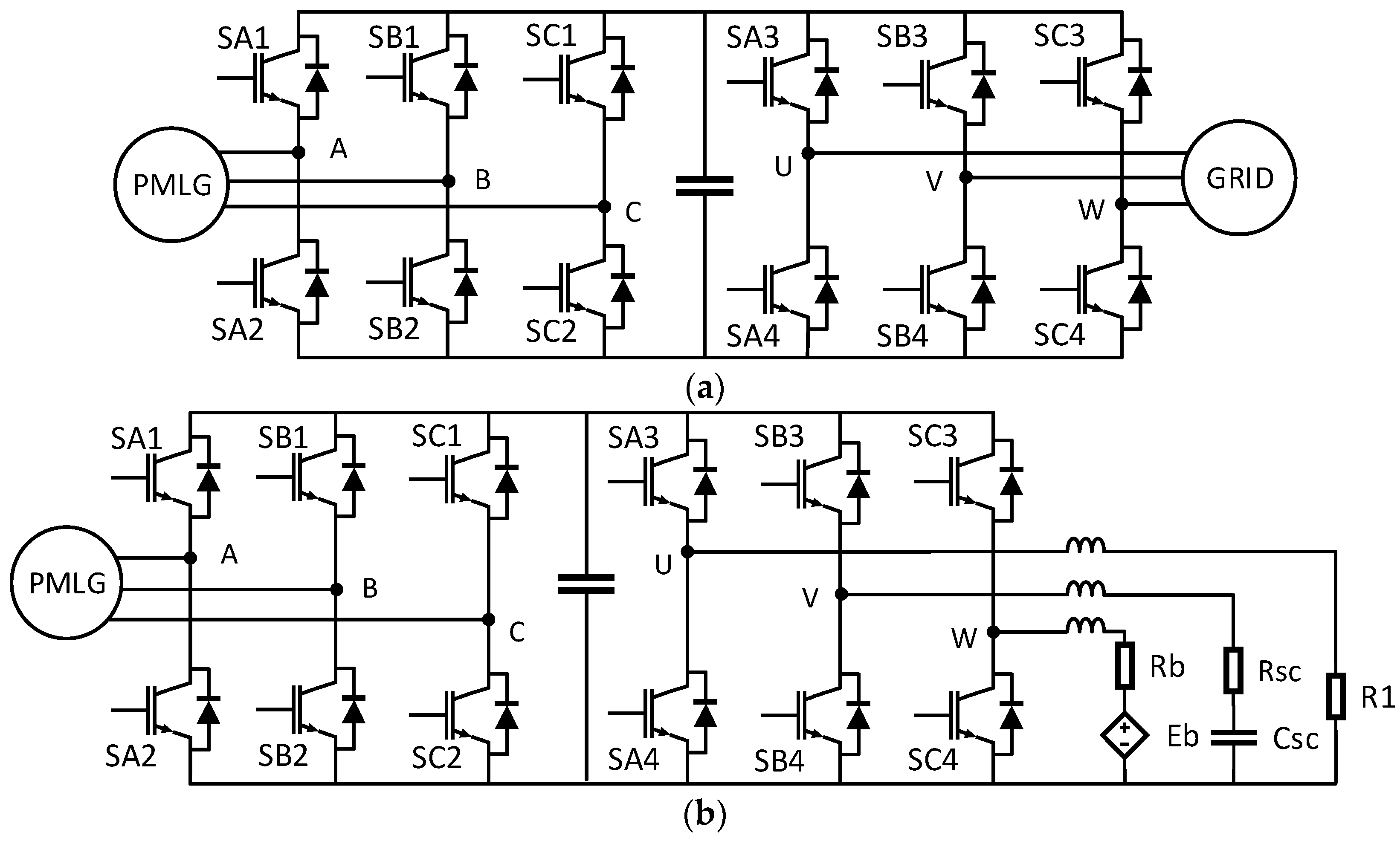
2.1. Conventional Hybrid Wave Energy System
2.2. Multiport Hybrid Wave Energy System
2.3. Modulation Principle of Nine-Switch Converter
3. Modeling and Control Strategy
3.1. dq Model of a PMLG
3.2. Power Grid Model
3.3. Energy Storage Model
3.3.1. Supercapacitor Model
3.3.2. Battery Model
3.4. Control Strategy
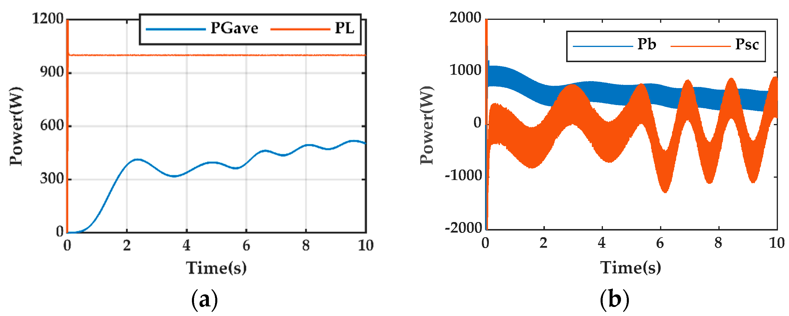
4. Simulation Analysis
5. Experimental Verification
6. Discussion
7. Conclusions
Author Contributions
Funding
Institutional Review Board Statement
Informed Consent Statement
Data Availability Statement
Conflicts of Interest
References
- Sheng, W. Wave energy conversion and hydrodynamics modelling technologies: A review. Renew. Sustain. Energy Rev. 2019, 109, 482–498. [Google Scholar] [CrossRef]
- Farrok, O.; Ahmed, K.; Tahlil, A.D.; Farah, M.M.; Kiran, M.R.; Islam, M.R. Electrical Power Generation from the Oceanic Wave for Sustainable Advancement in Renewable Energy Technologies. Sustainability 2020, 12, 2178. [Google Scholar] [CrossRef]
- Mwasilu, F.; Jung, J. Potential for power generation from ocean wave renewable energy source: A comprehensive review on state-of-the-art technology and future prospects. IET Renew Power Gener. 2019, 13, 363–375. [Google Scholar] [CrossRef]
- Aderinto, T.; Li, H. Review on Power Performance and Efficiency of Wave Energy Converters. Energies 2019, 12, 4329. [Google Scholar] [CrossRef]
- Faiz, J.; Nematsaberi, A. Linear electrical generator topologies for direct-drive marine wave energy conversion—An overview. IET Renew. Power Gener. 2017, 11, 1163–1176. [Google Scholar] [CrossRef]
- Khatri, P.; Wang, X. Comprehensive review of a linear electrical generator for ocean wave energy conversion. IET Renew. Power Gener. 2020, 14, 949–958. [Google Scholar] [CrossRef]
- Wu, F.; Zhang, X.; Ju, P.; Sterling, M. Modeling and Control of AWS-Based Wave Energy Conversion System Integrated Into Power Grid. IEEE Trans. Power Syst. 2008, 23, 1196–1204. [Google Scholar] [CrossRef]
- Fang, H.; Zhang, X. Improvement of Low-Voltage Ride-Through Capability for Wave Energy Conversion System. IEEE Trans. Ind Electron. 2022, 69, 8123–8133. [Google Scholar] [CrossRef]
- Xiao, X.; Huang, X.; Kang, Q. A Hill-Climbing-Method-Based Maximum-Power-Point-Tracking Strategy for Direct-Drive Wave Energy Converters. IEEE Trans. Ind Electron. 2016, 63, 257–267. [Google Scholar] [CrossRef]
- Sousounis, M.C.; Gan, L.K.; Kiprakis, A.E.; Shek, J.K.H. Direct drive wave energy array with offshore energy storage supplying off-grid residential load. IET Renew. Power Gener. 2017, 11, 1081–1088. [Google Scholar] [CrossRef]
- Rasool, S.; Islam, M.R.; Muttaqi, K.M.; Sutanto, D. Coupled Modeling and Advanced Control for Smooth Operation of a Grid-Connected Linear Electric Generator Based Wave-to-Wire System. IEEE Trans. Ind. Appl. 2020, 56, 5575–5584. [Google Scholar] [CrossRef]
- Parwal, A.; Fregelius, M.; Temiz, I.; Göteman, M.; Oliveira, J.G.D.; Boström, C.; Leijon, M. Energy management for a grid-connected wave energy park through a hybrid energy storage system. Appl. Energy 2018, 231, 399–411. [Google Scholar] [CrossRef]
- Rasool, S.; Muttaqi, K.M.; Sutanto, D. A Multi-Filter Based Dynamic Power Sharing Control for a Hybrid Energy Storage System Integrated to a Wave Energy Converter for Output Power Smoothing. IEEE Trans. Sustain. Energy 2022, 13, 1693–1706. [Google Scholar] [CrossRef]
- Zhang, X.; Huang, L.; Wei, L.; Zhao, Y.; Liu, H.; Li, Y. Research on adaptive segmented control strategy used in direct-drive wave power generation systems. Energy Rep. 2022, 8, 8140–8150. [Google Scholar] [CrossRef]
- Nunez Forestieri, J.; Farasat, M. Integrative Sizing/Real-Time Energy Management of a Hybrid Supercapacitor/Undersea Energy Storage System for Grid Integration of Wave Energy Conversion Systems. IEEE J. Emerg. Sel. Top. Power Electron. 2020, 8, 3798–3810. [Google Scholar] [CrossRef]
- Nie, Z.; Xiao, X.; Kang, Q.; Aggarwal, R.; Zhang, H.; Yuan, W. SMES-Battery Energy Storage System for Conditioning Outputs From Direct Drive Linear Wave Energy Converters. IEEE Trans. Appl. Supercond. 2013, 23, 5000705. [Google Scholar] [CrossRef]
- Rasool, S.; Muttaqi, K.M.; Sutanto, D. A Novel Configuration of a Hybrid Offshore Wind-Wave Energy Conversion System and its Controls for a Remote Area Power Supply. IEEE Trans. Ind. Appl. 2022, 58, 7805–7817. [Google Scholar] [CrossRef]
- Rahman, M.A.; Islam, M.R.; Muttaqi, K.M.; Sutanto, D. Modeling and Design of a Multiport Magnetic Bus-Based Novel Wind-Wave Hybrid Ocean Energy Technology. IEEE Trans. Ind. Appl. 2021, 57, 5400–5410. [Google Scholar] [CrossRef]
- Rauf, A.M.; Khadkikar, V. Integrated Photovoltaic and Dynamic Voltage Restorer System Configuration. IEEE Trans. Sustain. Energy 2015, 6, 400–410. [Google Scholar] [CrossRef]
- Wang, K.; Zhang, J.; Pang, Y.; Xu, D.; Pan, L. Modeling of Nine-Switch-Converter Based on Virtual Leg and Its Application in DFIG Wind Generation System. IEEE Trans. Power Electron. 2020, 35, 7674–7688. [Google Scholar] [CrossRef]
- Bizhani, H.; Noroozian, R.; Muyeen, S.M.; Blaabjerg, F. Wind Farm Grid Integration Architecture using Unified Expandable Power Converter. IEEE Trans. Power Electron. 2019, 34, 3407–3417. [Google Scholar] [CrossRef]
- Zhang, Z.; Jin, C.; Tang, Y.; Dong, C.; Lin, P.; Mi, Y.; Wang, P. A Modulized Three-Port Interlinking Converter for Hybrid AC/DC/DS Microgrids Featured with a Decentralized Power Management Strategy. IEEE Trans. Ind. Electron. 2021, 68, 12430–12440. [Google Scholar] [CrossRef]
- Gao, F.; Zhang, L.; Li, D.; Loh, P.C.; Tang, Y.; Gao, H. Optimal Pulsewidth Modulation of Nine-Switch Converter. IEEE Trans. Power Electron. 2010, 25, 2331–2343. [Google Scholar] [CrossRef]
- Şahin, M.; Recep, T.E.U. Modelling of Supercapacitors Based on Simplified Equivalent Circuit. CPSS Trans. Power Electron. Appl. 2021, 6, 31–39. [Google Scholar] [CrossRef]
- Tremblay, O.; Dessaint, L.A.; Dekkiche, A.I. A Generic Battery Model for the Dynamic Simulation of Hybrid Electric Vehicles. In Proceedings of the 2007 IEEE Vehicle Power and Propulsion Conference (VPPC), Arlington, TX, USA, 9–12 September 2007; pp. 284–289. [Google Scholar] [CrossRef]
- Kang, Q.; Xiao, X.; Nie, Z.; Huang, L.; Sun, K. Design of Grid-connected Directly Driven Wave Power Generation System with Optimal Control of Output Power. In Proceedings of the 2013 15th European Conference on Power Electronics and Applications (EPE), Lille, France, 2–6 September 2013; pp. 1–8. [Google Scholar] [CrossRef]















| State | SA1 | SA2 | SA3 | VA | VU |
|---|---|---|---|---|---|
| 1 | ON | OFF | OFF | Udc | Udc |
| 2 | ON | OFF | ON | Udc | 0 |
| 3 | OFF | ON | ON | 0 | 0 |
| PMLG Side |
|---|
| PM linkage: , Pole pitch: , Stator resistance: , Stator inductance: , Diffraction force: peak = 600 N, frequency = 5 Hz (during 0–5 s); peak = 1000 N, frequency = 3 Hz (during 5–10 s). |
| Grid side |
| Amplitude of phase-to-ground voltage: , Frequency of voltage: , Grid filter: , . |
| HESS and load side |
| Battery voltage: 250 V, Battery capacitance: 100 Ah, Supercapacitor voltage: 200 V, Supercapacitor capacitance: 80 F, Filter inductance: 5 mH, Load power: 1000 W. |
| Nine-switch converter |
| DC bus voltage: , DC-link capacitance: 1 mF, Power device: IGBT/Diode. |
| Parameter | Value | Parameter | Value |
|---|---|---|---|
| dc bus voltage | 100 V | Battery rated voltage | 25 V |
| Stator resistance | 3.8 Ω | Battery capacitance | 65 Ah |
| Permanent magnetic linkage | 0.265 Wb | Supercapacitor rated voltage | 25 V |
| Polar distance | 0.016 m | Supercapacitor capacitance | 80 F |
| d-axis/q-axis inductance | 0.02 H | Load power | 32 W |
| Comparison | Ref. [11] | Ref. [13] | Ref. [14] | Proposed |
|---|---|---|---|---|
| Number of switches | 20 | 16 | 11 | 9 |
| Number of diodes | 26 | 16 | 11 | 9 |
| Control structure | Separated | Separated | Separated | Centralized |
| Control decoupling | Yes | Yes | Yes | Yes |
| dc bus voltage | Medium | Medium | Low | High |
| Energy storage | Single | Hybrid | Hybrid | Hybrid |
| MPPT | Yes | Yes | No | Yes |
Disclaimer/Publisher’s Note: The statements, opinions and data contained in all publications are solely those of the individual author(s) and contributor(s) and not of MDPI and/or the editor(s). MDPI and/or the editor(s) disclaim responsibility for any injury to people or property resulting from any ideas, methods, instructions or products referred to in the content. |
© 2023 by the authors. Licensee MDPI, Basel, Switzerland. This article is an open access article distributed under the terms and conditions of the Creative Commons Attribution (CC BY) license (https://creativecommons.org/licenses/by/4.0/).
Share and Cite
Yu, W.; Ma, R.; Xu, D.; Huang, L.; Wang, S. A Novel Multiport Hybrid Wave Energy System for Grid-Connected and Off-Grid Applications. Sustainability 2023, 15, 2175. https://doi.org/10.3390/su15032175
Yu W, Ma R, Xu D, Huang L, Wang S. A Novel Multiport Hybrid Wave Energy System for Grid-Connected and Off-Grid Applications. Sustainability. 2023; 15(3):2175. https://doi.org/10.3390/su15032175
Chicago/Turabian StyleYu, Wei, Ruiyang Ma, Darui Xu, Lei Huang, and Shixiang Wang. 2023. "A Novel Multiport Hybrid Wave Energy System for Grid-Connected and Off-Grid Applications" Sustainability 15, no. 3: 2175. https://doi.org/10.3390/su15032175
APA StyleYu, W., Ma, R., Xu, D., Huang, L., & Wang, S. (2023). A Novel Multiport Hybrid Wave Energy System for Grid-Connected and Off-Grid Applications. Sustainability, 15(3), 2175. https://doi.org/10.3390/su15032175

