Optimal Grid Flexibility Assessment for Integration of Variable Renewable-Based Electricity Generation
Abstract
:1. Introduction
Motivation and Contribution
2. Renewable Energy Potential in Afghanistan
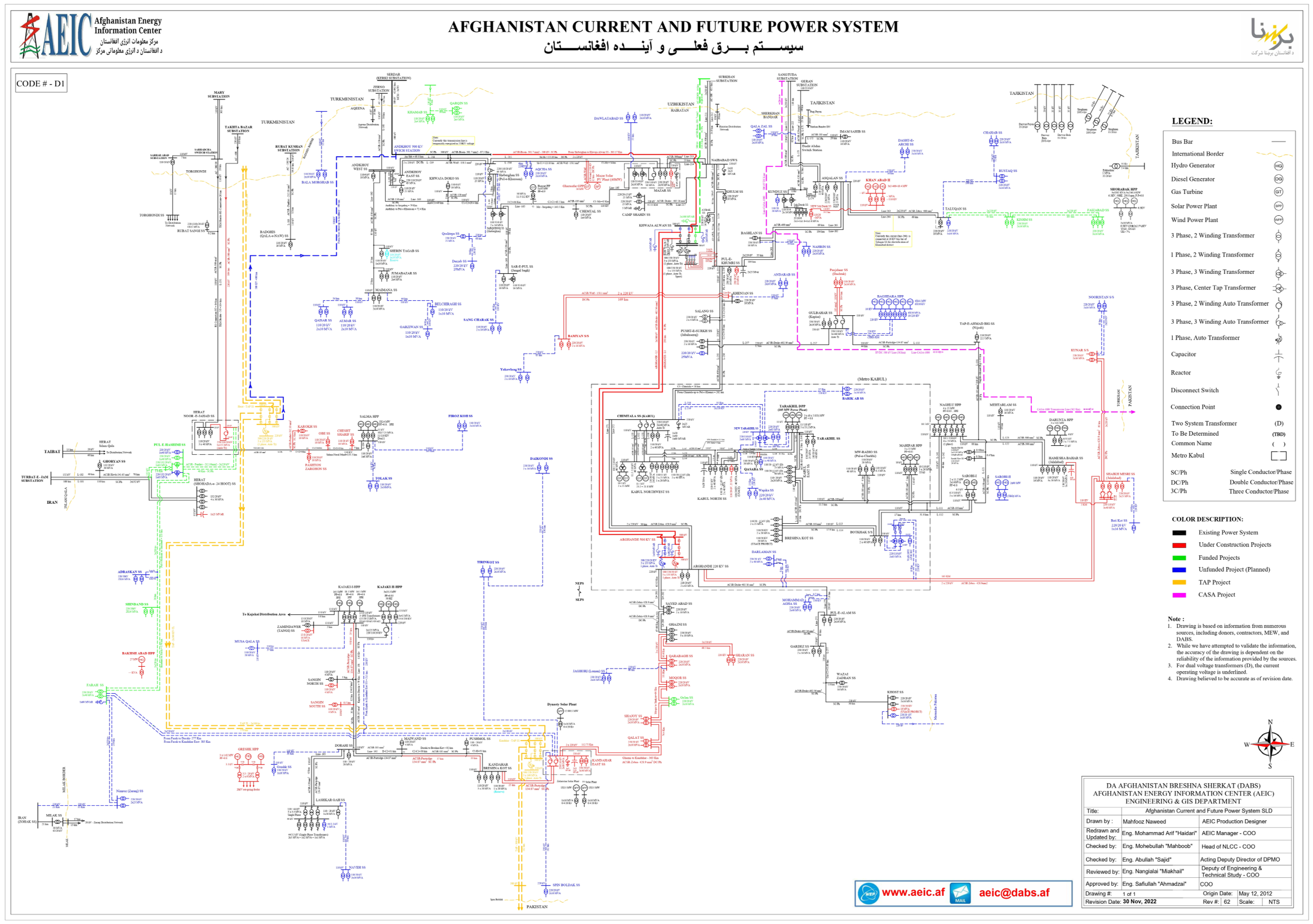
3. Afghanistan’s Power System Overview
4. Materials and Methods
- A maximum of 80% share of non-synchronous generation.
- A maximum of 1% of hourly demand as reserves in each node.
- A maximum of 1% hourly demand of all nodes as power system reserve.
- The absence of a capacity margin allocation for each node and the entire power system due to the shortage of generation.
- The absence of an inertia limit due to higher demand than supply.
- 50 min reserves availability time.
- At least 20% of the generation is from non-renewable sources.
- An allocation of 1% of PV generation as dynamic reserves.
5. Results and Analysis
5.1. Base Scenario: Current State of the Power System
Flexibility Issues Identification
5.2. Investment Scenario: Optimal Flexibility Option
5.3. Discussion on Implications
5.4. Limitations
5.5. Future Direction
6. Conclusions
Author Contributions
Funding
Institutional Review Board Statement
Informed Consent Statement
Data Availability Statement
Acknowledgments
Conflicts of Interest
Appendix A




References
- Robertson, B.; Bekker, J.; Buckham, B. Renewable integration for remote communities: Comparative allowable cost analyses for hydro, solar and wave energy. Appl. Energy 2020, 264, 114677. [Google Scholar] [CrossRef]
- Talaat, M.; Farahat, M.A.; Elkholy, M.H. Renewable power integration: Experimental and simulation study to investigate the ability of integrating wave, solar and wind energies. Energy 2019, 170, 668–682. [Google Scholar] [CrossRef]
- Dong, M.; Li, Y.; Song, D.; Yang, J.; Su, M.; Deng, X.; Huang, L.; Elkholy, M.; Joo, Y.H. Uncertainty and global sensitivity analysis of levelized cost of energy in wind power generation. Energy Convers. Manag. 2021, 229, 113781. [Google Scholar] [CrossRef]
- Sterl, S. A Grid for all Seasons: Enhancing the Integration of Variable Solar and Wind Power in Electricity Systems across Africa. Curr. Sustain. Energy Rep. 2021, 8, 274–281. [Google Scholar] [CrossRef]
- Ahmadi, M.; Lotfy, M.E.; Shigenobu, R.; Yona, A.; Senjyu, T. Optimal sizing and placement of rooftop solar photovoltaic at Kabul city real distribution network. IET Gener. Transm. Distrib. 2018, 12, 303–309. [Google Scholar] [CrossRef]
- Ahmadi, M.; Adewuyi, O.B.; Danish, M.S.S.; Mandal, P.; Yona, A.; Senjyu, T. Optimum coordination of centralized and distributed renewable power generation incorporating battery storage system into the electric distribution network. Int. J. Electr. Power Energy Syst. 2021, 125, 106458. [Google Scholar] [CrossRef]
- Reikard, G.; Robertson, B.; Bidlot, J.R. Combining wave energy with wind and solar: Short-term forecasting. Renew. Energy 2015, 81, 442–456. [Google Scholar] [CrossRef]
- Yasuda, Y.; Carlini, E.M.; Estanqueiro, A.; Eriksen, P.B.; Flynn, D.; Herre, L.F.; Hodge, B.-M.; Holttinen, H.; Koivisto, M.J.; Gómez-Lózaro, E.; et al. Flexibility chart 2.0: An accessible visual tool to evaluate flexibility resources in power systems. Renew. Sustain. Energy Rev. 2023, 174, 113116. [Google Scholar] [CrossRef]
- Iweh, C.D.; Gyamfi, S.; Tanyi, E.; Donyina, E.E. Distributed Generation and Renewable Energy Integration into the Grid: Prerequisites, Push Factors, Practical Options, Issues and Merits. Energies 2021, 14, 5375. [Google Scholar] [CrossRef]
- Heider, A.; Reibsch, R.; Blechinger, P.; Linke, A.; Hug, G. Flexibility options and their representation in open energy modelling tools. Energy Strat. Rev. 2021, 38, 100737. [Google Scholar] [CrossRef]
- Cai, T.; Dong, M.; Chen, K.; Gong, T. Methods of participating power spot market bidding and settlement for renewable energy systems. Energy Rep. 2022, 8, 7764–7772. [Google Scholar] [CrossRef]
- Talaat, M.; Elkholy, M.H.; Farahat, M.A. Operating reserve investigation for the integration of wave, solar and wind energies. Energy 2020, 197, 117207. [Google Scholar] [CrossRef]
- Denholm, P.; Hand, M. Grid flexibility and storage required to achieve very high penetration of variable renewable electricity. Energy Policy 2011, 39, 1817–1830. [Google Scholar] [CrossRef]
- Kroposki, B. Integrating high levels of variable renewable energy into electric power systems. J. Mod. Power Syst. Clean Energy 2017, 5, 831–837. [Google Scholar] [CrossRef]
- Huber, M.; Dimkova, D.; Hamacher, T. Integration of wind and solar power in Europe: Assessment of flexibility requirements. Energy 2014, 69, 236–246. [Google Scholar] [CrossRef]
- Kiljander, J.; Gabrijelcic, D.; Werner-Kytola, O.; Krpic, A.; Savanovic, A.; Stepancic, Z.; Palacka, V.; Takalo-Mattila, J.; Taumberger, M. Residential Flexibility Management: A Case Study in Distribution Networks. IEEE Access 2019, 7, 80902–80915. [Google Scholar] [CrossRef]
- Denholm, P.; Nunemaker, J.; Gagnon, P.; Cole, W. The potential for battery energy storage to provide peaking capacity in the United States. Renew. Energy 2020, 151, 1269–1277. [Google Scholar] [CrossRef]
- Bird, L.; Lew, D.; Milligan, M.; Carlini, E.M.; Estanqueiro, A.; Flynn, D.; Gomez-Lazaro, E.; Holttinen, H.; Menemenlis, N.; Orths, A.; et al. Wind and solar energy curtailment: A review of international experience. Renew. Sustain. Energy Rev. 2016, 65, 577–586. [Google Scholar] [CrossRef]
- Zaheb, H.; Amiry, H.; Ahmadi, M.; Fedayi, H.; Amiry, S.; Yona, A. Maximizing Annual Energy Yield in a Grid-Connected PV Solar Power Plant: Analysis of Seasonal Tilt Angle and Solar Tracking Strategies. Sustainability 2023, 15, 11053. [Google Scholar] [CrossRef]
- Kiptoo, M.K.; Adewuyi, O.B.; Lotfy, M.E.; Senjyu, T.; Mandal, P.; Abdel-Akher, M. Multi-objective optimal capacity planning for 100% renewable energy-based microgrid incorporating cost of demand-side flexibility management. Appl. Sci. 2019, 9, 3855. [Google Scholar] [CrossRef]
- Dong, J.; Chen, Z.; Dou, X. The Influence of Multiple Types of Flexible Resources on the Flexibility of Power System in Northwest China. Sustainability 2022, 14, 11617. [Google Scholar] [CrossRef]
- Fahimi, A.; Upham, P. The renewable energy sector in Afghanistan: Policy and potential. Wiley Interdiscip. Rev. Energy Environ. 2018, 7, e280. [Google Scholar] [CrossRef]
- Ludin, G.A.; Nakadomari, A.; Yona, A.; Mikkili, S.; Rangarajan, S.S.; Collins, E.R.; Senjyu, T. Technical and Economic Analysis of an HVDC Transmission System for Renewable Energy Connection in Afghanistan. Sustainability 2022, 14, 1468. [Google Scholar] [CrossRef]
- Foster, R.; Woods, T.; Hoffbeck, I. Bamiyan 1 MWp solar mini-grid (Afghanistan). In Proceedings of the ISES Solar World Congress 2015, Daegu, Republic of Korea, 8–12 November 2015; pp. 427–438. [Google Scholar] [CrossRef]
- Foster, R.E.; Cota, A.D. Afghanistan Photovoltaic Power Applications for Rural Development; IEEE PVSC: Austin, TX, USA, 2012; pp. 2–8. [Google Scholar]
- Ershad, A.M.; Brecha, R.J.; Hallinan, K. Analysis of solar photovoltaic and wind power potential in Afghanistan. Renew. Energy 2016, 85, 445–453. [Google Scholar] [CrossRef]
- Ershad, A.M. Institutional and Policy Assessment of Renewable Energy Sector in Afghanistan. J. Renew. Energy 2017, 2017, 5723152. [Google Scholar] [CrossRef]
- Talaat, M.; Elgarhy, A.; Elkholy, M.H.; Farahat, M.A. Integration of fuel cells into an off-grid hybrid system using wave and solar energy. Int. J. Electr. Power Energy Syst. 2021, 130, 106939. [Google Scholar] [CrossRef]
- Richardson, D.B. Electric vehicles and the electric grid: A review of modeling approaches, impacts, and renewable energy integration. Renew. Sustain. Energy Rev. 2013, 19, 247–254. [Google Scholar] [CrossRef]
- Hodge, B.M.; Martinez-Anido, C.B.; Wang, Q.; Chartan, E.; Florita, A.; Kiviluoma, J. The combined value of wind and solar power forecasting improvements and electricity storage. Appl. Energy 2018, 214, 1–15. [Google Scholar] [CrossRef]
- Kumar, G.V.B.; Sarojini, R.K.; Palanisamy, K.; Padmanaban, S.; Holm-Nielsen, J.B. Large scale renewable energy integration: Issues and solutions. Energies 2019, 12, 1996. [Google Scholar] [CrossRef]
- Imcharoenkul, V.; Chaitusaney, S. The Impact of Variable Renewable Energy Integration on Total System Costs and Electricity Generation Revenue. IEEE Access 2022, 10, 50167–50182. [Google Scholar] [CrossRef]
- Husin, H.; Zaki, M. A critical review of the integration of renewable energy sources with various technologies. Prot. Control Mod. Power Syst. 2021, 6, 3. [Google Scholar] [CrossRef]
- Slimankhil, A.K.; Anwarzai, M.A.; Sabory, N.R.; Danish, M.S.S.; Ahmadi, M.; Ahadi, M.H. Renewable energy potential for sustainable development in Afghanistan. J. Sustain. Energy Revolut. 2020, 1, 8–15. [Google Scholar] [CrossRef]
- Jahangiri, M.; Haghani, A.; Mostafaeipour, A.; Khosravi, A.; Raeisi, H.A. Assessment of solar-wind power plants in Afghanistan: A review. Renew. Sustain. Energy Rev. 2018, 99, 169–190. [Google Scholar] [CrossRef]
- Renné, D.S.; Kelly, M.; Elliott, D.; George, R.; Scott, G.; Haymes, S.; Heimiller, D.; Milbrandt, A.; Cowlin, S.; Gilman, P.; et al. Solar and wind resource assessments for Afghanistan and Pakistan. In Proceedings of the ISES World Congress 2007, Beijing, China, 18–21 September 2007; Volume 1, pp. 134–140. [Google Scholar] [CrossRef]
- Ahmadi, M.H.; Dehshiri, S.S.H.; Dehshiri, S.J.H.; Mostafaeipour, A.; Almutairi, K.; Ao, H.X.; Rezaei, M.; Techato, K. A Thorough Economic Evaluation by Implementing Solar/Wind Energies for Hydrogen Production: A Case Study. Sustainability 2022, 14, 1177. [Google Scholar] [CrossRef]
- Ahmadzai, S.; McKinna, A. Afghanistan electrical energy and trans-boundary water systems analyses: Challenges and opportunities. Energy Rep. 2018, 4, 435–469. [Google Scholar] [CrossRef]
- Amarkhail, S.S. Potential and utilization of renewable energy sources in Afghanistan. J. Eng. Res. Appl. Sci. 2022, 11, 2032–2038. [Google Scholar]
- Sediqi, M.M.; Nakadomari, A.; Mikhaylov, A.; Krishnan, N.; Lotfy, M.E.; Yona, A.; Senjyu, T. Impact of Time-of-Use Demand Response Program on Optimal Operation of Afghanistan Real Power System. Energies 2022, 15, 296. [Google Scholar] [CrossRef]
- Deguenon, L.; Yamegueu, D.; Moussa, S.; Gomna, A. Overcoming the challenges of integrating variable renewable energy to the grid: A comprehensive review of electrochemical battery storage systems. J. Power Sources 2023, 580, 233343. [Google Scholar] [CrossRef]
- Babatunde, O.M.; Munda, J.L.; Hamam, Y. Power system flexibility: A review. Energy Rep. 2020, 6, 101–106. [Google Scholar] [CrossRef]
- Taibi, E. Power System Flexibility for the Energy Transition: Power Sector Transformation Strategies; IRENA: New York, NY, USA, 2019. [Google Scholar]
- Yang, C.; Sun, W.; Han, D.; Yin, X. Research on power system flexibility considering uncertainties. Front. Energy Res. 2022, 10, 967220. [Google Scholar] [CrossRef]
- Zaheb, H.; Danish, M.S.S.; Senjyu, T.; Ahmadi, M.; Nazari, A.M.; Wali, M.; Khosravy, M.; Mandal, P. A contemporary novel classification of voltage stability indices. Appl. Sci. 2020, 10, 1639. [Google Scholar] [CrossRef]
- Salman, U.T.; Shafiq, S.; Al-Ismail, F.S.; Khalid, M. A Review of Improvements in Power System Flexibility: Implementation, Operation and Economics. Electronics 2022, 11, 581. [Google Scholar] [CrossRef]
- Wang, H.; Wang, B.; Luo, P.; Ma, F.; Zhou, Y.; Mohamed, M.A. State Evaluation Based on Feature Identification of Measurement Data: For Resilient Power System. CSEE J. Power Energy Syst. 2021, 8, 983–992. [Google Scholar] [CrossRef]
- Akrami, A.; Doostizadeh, M.; Aminifar, F. Power system flexibility: An overview of emergence to evolution. J. Mod. Power Syst. Clean Energy 2019, 7, 987–1007. [Google Scholar] [CrossRef]
- Hadi, M.B.; Moeini-Aghtaie, M.; Khoshjahan, M.; Dehghanian, P. A Comprehensive Review on Power System Flexibility: Concept, Services, and Products. IEEE Access 2022, 10, 99257–99267. [Google Scholar] [CrossRef]
- Mararakanye, N.; Bekker, B. Renewable energy integration impacts within the context of generator type, penetration level and grid characteristics. Renew. Sustain. Energy Rev. 2019, 108, 441–451. [Google Scholar] [CrossRef]
- Jiang, J.; Zhang, L.; Wen, X.; Valipour, E.; Nojavan, S. Risk-based performance of power-to-gas storage technology integrated with energy hub system regarding downside risk constrained approach. Int. J. Hydrogen Energy 2022, 47, 39429–39442. [Google Scholar] [CrossRef]
- Marbun, M.P.; Salile, A.Y.; Surya, A.S. Grid impact study of variable renewable energy integration to java-bali system. In Proceedings of the 2018 8th International Conference on Power and Energy Systems (ICPES), Colombo, Sri Lanka, 21–22 December 2018; pp. 182–189. [Google Scholar] [CrossRef]
- Huang, N.; He, Q.; Qi, J.; Hu, Q.; Wang, R.; Cai, G.; Yang, D. Multinodes interval electric vehicle day-ahead charging load forecasting based on joint adversarial generation. Int. J. Electr. Power Energy Syst. 2022, 143, 108404. [Google Scholar] [CrossRef]












| Type of Power Plant | Installed Capacity (MW) | Location |
|---|---|---|
| Hydro Reservoir | 100 | NEPS |
| Hydro Run-of-River | 127.4 | NEPS |
| TPP | 240 | NEPS |
| DG Set | 15.25 | NEPS |
| PV | 1.27 | NEPS |
| Hydro Reservoir | 151.4 | SEPS |
| Hydro Run-of-River | 0.32 | SEPS |
| DG Set | 28 | SEPS |
| PV | 40 | SEPS |
| Hydro Reservoir | 42 | WPS |
| DG Set | 7.7 | WPS |
| PV | 2 | WPS |
| Generation Unit | Quantity (MW) | % of Total Installed Capacity | % of Demand |
|---|---|---|---|
| Hydro Power | 421 | 55.7 | 9.8 |
| TPP | 240 | 31.8 | 5.6 |
| DG Set | 51 | 6.8 | 1.2 |
| PV | 43.3 | 5.7 | 1 |
| Generation Unit | Utilization Rate (%) |
|---|---|
| TPP | 100 |
| DG Set | 97.8 |
| Hydro Reservoir | 88.3 |
| Hydro Run-of-River | 59 |
| PV | 17 |
| Type of Power Plant | Invested Capacity (MW) | Utilization Rate (%) | Actual Generation Capacity (MW) |
|---|---|---|---|
| Hydro Reservoir | 975 | 36 | 351 |
| Hydro Run-of-River | 127.4 | 59.6 | 76 |
| TPP | 240 | 67 | 161 |
| DG Set | 51 | 0 | 0 |
| PV | 1831 | 17 | 312 |
| Wind | 6000 | 26.2 | 1570 |
| CCGPP | 1339 | 91.71 | 1228 |
Disclaimer/Publisher’s Note: The statements, opinions and data contained in all publications are solely those of the individual author(s) and contributor(s) and not of MDPI and/or the editor(s). MDPI and/or the editor(s) disclaim responsibility for any injury to people or property resulting from any ideas, methods, instructions or products referred to in the content. |
© 2023 by the authors. Licensee MDPI, Basel, Switzerland. This article is an open access article distributed under the terms and conditions of the Creative Commons Attribution (CC BY) license (https://creativecommons.org/licenses/by/4.0/).
Share and Cite
Zaheb, H.; Ahmadi, M.; Rahmany, N.A.; Danish, M.S.S.; Fedayi, H.; Yona, A. Optimal Grid Flexibility Assessment for Integration of Variable Renewable-Based Electricity Generation. Sustainability 2023, 15, 15032. https://doi.org/10.3390/su152015032
Zaheb H, Ahmadi M, Rahmany NA, Danish MSS, Fedayi H, Yona A. Optimal Grid Flexibility Assessment for Integration of Variable Renewable-Based Electricity Generation. Sustainability. 2023; 15(20):15032. https://doi.org/10.3390/su152015032
Chicago/Turabian StyleZaheb, Hameedullah, Mikaeel Ahmadi, Nisar Ahmad Rahmany, Mir Sayed Shah Danish, Habibullah Fedayi, and Atsushi Yona. 2023. "Optimal Grid Flexibility Assessment for Integration of Variable Renewable-Based Electricity Generation" Sustainability 15, no. 20: 15032. https://doi.org/10.3390/su152015032
APA StyleZaheb, H., Ahmadi, M., Rahmany, N. A., Danish, M. S. S., Fedayi, H., & Yona, A. (2023). Optimal Grid Flexibility Assessment for Integration of Variable Renewable-Based Electricity Generation. Sustainability, 15(20), 15032. https://doi.org/10.3390/su152015032

