Abstract
River bank protection is a vital component of sustainable development. This study investigates and compares the scour and flow features around two different types of groynes, an unsubmerged I-head groyne (IHG) and T-head groyne (THG), to provide insights into their performance and efficiency in river reaches. Experiments were conducted to examine the scouring pattern, mean and turbulent flow characteristics including 3D mean flow velocity distribution, Reynolds stresses, turbulent kinetic energy, and bed shear stress near the bed region around the groynes under similar flow conditions. The results indicated that THG had a maximum equilibrium scour depth over three-fold greater than IHG. For both the IHG and THG cases, it was observed that there is a direct correlation between the location of maximum negative vertical velocity and its magnitude to the region of maximum local scour and its depth. All the stresses of high magnitude are found along the propagation of the detached shear layer profile, which turns back sharply downstream towards the bank containing the IHG while remaining mostly away from the bank in the case of THG. The effective bank protection length was estimated to be two-fold the groyne length in the case of IHG and three-fold the groyne transverse length in the case of THG. Cost–benefit analysis of the two groyne types shows IHG as the more cost-efficient groyne with respect to bank protection lengths. This study provides valuable insights for developing design methodologies aimed at promoting the wider utilization of different head-shape groynes in river reaches and aids in selecting appropriate groyne head configurations that align with specific field requirements.
1. Introduction
Groynes have been used as river training structures for several centuries. They are typically constructed perpendicular to the river banks into the main stream, often in series, to keep the flow away from the erodible banks. Groynes have also proved their effectiveness in improving the navigability of channels by constricting the effective width of river flow and thereby increasing the depth and velocity of flow. Additionally, groynes gradually shift the thalweg in a bend of a channel away from the outer bank and towards the centerline, which is the more desired location. On the other hand, a reduction in velocity fields and thus sediment deposition in the groyne fields combine for a favorable habitat for the growth of fishes and other aquatic biotas [1,2,3,4]. Traditional methods for protecting stream banks, such as riprap, concrete paving, or gabion walls, stifle the growth of vegetation on stream banks. On the other hand, hydraulic structures such as groynes, which redirect the flow, are a more eco-friendly alternative for protecting stream banks [5]. Groynes of various head shapes, for example straight (I-head), T-head, and L-head, have been built globally based on various river conditions.
Groynes serve as barriers to the incoming flow and confine a certain portion of the river cross section while significantly affecting the flow in its surrounding area. The restriction of the flow results in an increased mean velocity and specific discharge.
When an otherwise unidirectional flow in an open channel meets an obstructive barrier, it transitions into a three-dimensional flow. The flow field around a groyne, placed in a mobile bed, is intricate and becomes even more complex when a scour hole is formed, subsequently leading to three-dimensional flow separation and development of vortex flow [6]. The static vertical pressure gradient causes strong down flow just upstream of the groyne [7]. The combination of factors such as the downward flow, the incoming boundary layer and the bow wave results into the development of a periodically oscillating horseshoe vortex system (HSV system) near the groyne’s base [8]. Another important flow feature around such groynes include detached shear layer (DSL), which is characterized by high velocity gradients and turbulent fluctuations and it starts within the wake zone, near the upstream from the groyne and extends to the main channel further downstream [9,10].
The acceleration of flow near the tip of the groyne, the downward flow, the HSV system, and the vortex shedding along the propagation of the DSL profile generate substantial bed shear stresses and turbulent fluctuation in the groyne’s vicinity [7,9,11]. The combined effect of these flow features results in erosion of the riverbed sediment in an alluvial river and causes local scour hole near the groyne tip [12,13,14,15]. Sometimes the development of scour hole can cause failure of the groyne itself [16,17,18,19]. Materials eroded from the river bed gets deposited downstream in areas of low velocity of flow and increase the roughness of the channel itself [20].
The previous experimental and numerical studies have concentrated mostly on estimating the equilibrium scour depth around I-head groynes [10,14,17,21,22,23,24,25,26,27,28]. Some have observed the mean flow and turbulence around the I-head groynes [5,8,29,30,31,32,33,34,35,36,37,38]. There are limited studies available on how the head shape of the groyne influences the flow. Safarzadeh et al. [20] experimentally studied the effect of head shapes on 3D mean and turbulent flow field around a single I-head groyne and T-head groynes (one with wing length equal to web length and other with half wing length) under smooth flat-bed conditions. The study found that a more compact HSV is formed near the base of the IHG having intense rotational momentum which persists a longer distance towards downstream while it becomes weaker with increasing web length of the THG.
Kumar and Ojha [39] performed laboratory experiment to investigate the scour and three-dimensional mean and turbulent flow features near the bed region around a L-head groyne on a mobile bed channel under unsubmerged clear water scour conditions and found that the turbulent flow characteristics are significantly affected by the head shape of the groyne. They also indicated the relation between the scour and turbulent flow characteristics.
Vaghefi et al. [40] conducted a study to examine how various geometrical parameters such as the length of groyne, wing length and the location of groyne in the bend impacted scouring in the vicinity of a THG situated in a curved channel with a 90° bend. The study observed a decrease in the dimensions of scour hole with the increase in wing length of the THG. Additionally, the study formulated a new equation to calculate the scour parameters around a THG.
In a 60° bend mobile bed channel, Zhang et al. [41] conducted experiments comparing the scouring and flow characteristics of an upstream wing submerged T-head groyne (ST) with a conventional T-head groyne (THG). Their study revealed significant differences between the two groyne types. The depth-averaged velocity near the groyne head decreased by 14% in the case of ST, and the length of the back-flow zone behind ST was shortened by approximately 36% compared to THG. Additionally, the presence of a submerged upstream wing in ST increased scour depth in front of the groyne. These results provide insights into the hydraulic effects of submerging the upstream wing in T-head groynes and its impact on flow patterns and scour in bend channels.
Tripathi and Pandey [42] studied the local scour around a THG installed at different locations along the outer bank of a meandering channel through experimental investigations. Empirical equations for temporal and equilibrium scour depth were also developed as a function of the Froude number of incoming flow and the location of the groyne. The findings revealed that the local scour around the groyne increased as both the Froude number and the groyne’s placement further into the meandering section increased.
Dutta and Kalita [43] numerically simulated the flow field around series of IHG and THG in a channel bend using MIKE 21C modeling tool and concluded that T-head groynes are better for stability of the outer bank.
In this context, prior research has highlighted the advantages of different head-shaped groynes over the traditional IHG. However, the existing body of experimental studies on THG remains somewhat limited in scope. Previous investigations have primarily focused either on aspects such as local scour depth evaluation [40,42,44,45,46,47] or on flow characteristics around these groynes [20,48,49,50]. Comprehensive research that delves into the 3D mean and turbulent flow characteristics and their correlation with scouring around THG is notably sparse [46,51]. Moreover, there is a notable absence of comparative studies between straight-head and T-head groynes [43]. Additionally, the majority of THG investigations have been conducted in channel bend configurations, with limited exploration in straight channels featuring a mobile bed. This paper aims to address these gaps by presenting experimental results and comparing scour patterns, mean and turbulent flow characteristics around a single IHG and THG, particularly under unsubmerged clear-water conditions over a straight mobile bed channel. Additionally, to optimize the dimensions of the groyne and further enhance their cost-effectiveness, a comprehensive cost–benefit optimization analysis was performed for both IHG and THG. The insights garnered from this investigation hold the potential to inform future design approaches, potentially expanding the utilization of different head-shape groynes.
2. Materials and Methods
2.1. Experimental Setup
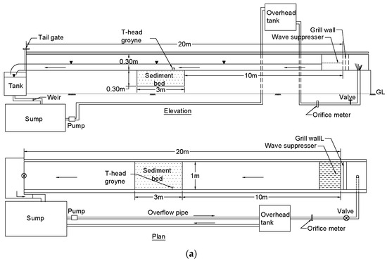
The experiments were conducted in a fixed-bed masonry flume, with a length of 20 m, a width of 1 m, and a depth of 0.3 m with a longitudinal slope of the bed of 0.0006. Figure 1 illustrates the schematic diagram and a close view of the experimental setup. A test section with a thickness of 0.3 m, which starts 10 m downstream of the inlet of the flume and ends at 13 m, was loaded with sediments with a uniform mean diameter 1.05 mm and a geometric standard deviation = 1.39. Two experiments were conducted, one with I-head groyne (IHG) and the other with T-head groyne (THG). For each experiment, a groyne model made of a transparent Perspex sheet (I-head for experiment 1 [Figure 1b] and T-head shaped for experiment 2 [Figure 1c]) was placed at a distance of 11 m from the inlet of the flow in the test section to ensure a fully developed flow condition [52]. Table 1 provides the groyne dimensions and flow parameters for both the experiments.

Figure 1.
(a) Schematic elevation and plan view of the experimental setup, (b) coherent turbulent structures around unsubmerged IHG and (c) a close view of flow around unsubmerged THG.
Table 1.
Summary of the flow parameters for various experiments.
The experiments were performed in clear water scour conditions at . Here, denotes the average velocity and is the critical velocity for the sediment particle movement. The value of is computed from the equation for semi-logarithmic mean velocity proposed by Lauchlan and Melville [53], which is given as:
where is flow depth, refers to the height of equivalent roughness and to calculate the from Equation (1), the value of is taken as two-fold the mean diameter of the sediment particles () as suggested by Dey and Barbhuiya [12]. is the critical shear velocity for sediment particles and is calculated using the equation proposed by Melville [54] as:
The experiments were performed for a duration of 48 h for achieving equilibrium bathymetry. Having achieved an equilibrium bathymetry [6,12], the discharge supply to the flume was gradually stopped. To preserve the equilibrium bathymetry for taking turbulent velocity measurement with Vectrino+, the water remaining in the flume was carefully drained without disturbing the bathymetry. To stabilize the bathymetry, a mixture of synthetic resin and water (in a 1:3 volume ratio) was evenly applied on the scoured bed under dry state. Following the impregnation of the sand with resin for 48 h, the scoured bed developed into a solid surface [6]. The 3D velocity data were gathered at various data points within the horizontal plane by creating a suitable grid, which is described in further detail later.
2.2. Collection and Validation of Vectrino+ Velocity Data
Velocity measurements were taken at 23 sections ( upstream to downstream from the groyne), each containing 8 points in the transverse direction in the plane at vertical location , where is the location in a vertical plane over the scoured bed at equilibrium conditions, as shown in Figure 2.
Figure 2.
(a) IHG and THG with dimensions; (b) location of the velocity data collection points (positive x-axis denotes the downstream direction from the groyne; positive y-axis indicates the direction away from the channel side wall having the groyne).
A Vernier point gauge was used to measure the equilibrium scour depths at various locations in both the downstream and lateral flow directions. The equilibrium scour depths were measured with a spacing of 0.01 m close to the groyne, and 0.02 m at greater distances.
The Vectrino+ is designed to collect data in close proximity of the bed with a spacing of 0.001 m. However, the data quality degrades and becomes unreliable within a distance of 0.001–0.005 m near the bed [55]. In order to ensure reliable readings and avoid inaccuracy caused by the signal-to-noise ratio (SNR), measurements were taken at a height of = 0.008 m () over the scoured bed, where the SNR and correlation values were ensured to be above 18 and 80%, respectively, which fall within satisfactory ranges [56]. The velocity measurements were taken at each grid point for 3 min with a sampling frequency of 50 Hz, and thus collecting 9000 instantaneous velocity samples at each point. The phase-space thresholding method proposed by Goring and Nikora [57] was used to filter the collected velocity data samples.
The power spectral density () for the velocity components at () of the THG data has been plotted using Tukey’s method and is presented in Figure 3. The streamwise, transverse, and vertical components of velocity are depicted in blue, green, and red, respectively. Analyzing the frequency spectra of the measured velocity fluctuations, there is a clear trend of the data following Kolmogorov’s law with a spectral exponent of in the inertial subrange. It is to be noted that the highest frequency presented on the horizontal axis, the Nyquist frequency (25 Hz), is equal to half of the sampling frequency (50 Hz) [58]. The Nyquist frequency represents the highest frequency that can be accurately represented or captured in a digital signal or system. As the majority of kinetic energy is concentrated within the frequency range of 0.1–1 Hz, and it rapidly decreases beyond this range, becoming negligible beyond 10 Hz, this implies the adequacy of the sampling frequency.
Figure 3.
Power spectral density plot of the velocity data collected at () in the case of THG. Note: Blue—Streamwise velocity; Green—Transverse velocity; Red—Verticle velocity component; Right triangle- it is showing slope (5/3).
The instantaneous velocity data collected through Vectrino+ were used to determine the average velocity and their root mean square (RMS) fluctuations.
Table 2 represents the uncertainty statistics of the component of turbulent velocity fluctuations at ().
Table 2.
Experimental uncertainty statistics of the turbulent velocity fluctuations at ().
2.3. Cost–Benefit Analysis (CBA)
Cost–benefit analysis serves as a fundamental financial tool to assess the profitability of investment projects by meticulously scrutinizing the relationship between incurred expenses and anticipated benefits. To evaluate the cost-effectiveness of constructing individual IHG and THG, cost expressions were formulated taking into account the variables of transverse length (), depth of flow (), and groyne thickness (), as detailed in Appendix A and Appendix B. These variables play a pivotal role in determining the overall construction cost of these hydraulic structures.
The benefits associated with each groyne type were quantified based on the effective bank protection lengths provided by these groynes. The observations drawn from the extensive experimental study presented herein were employed to estimate the effective bank protection length for both IHG and THG under similar flow conditions. These experiments were performed for a fixed constriction ratio of 0.85. It is important to note that the choice of constriction ratio can significantly impact scouring depth and flow patterns [17,22,24,25]. Kumar and Ojha [59] conducted several experiments on L-head groynes and found out that an increase in constriction ratio was associated with higher equilibrium scour depths and altered flow patterns. The findings from the presented cost–benefit analysis serve as a valuable framework in the decision-making approach for selecting groyne configuration and dimensions.
3. Results and Discussion
3.1. Scour and Deposition
The turbulence characteristics are primarily associated with the local scour taking place in the vicinity of the structure. Hence, it is crucial to comprehend the scouring pattern near the structures before investigating distribution of the turbulent characteristics. Contour maps of the equilibrium scoured bed profiles for the experiments around the IHG and THG are compared in Figure 4. Here, represents scour depth and represents the flow depth. The scouring region in the case of IHG begins parallel to the groyne length (L1) on the upstream, follows the propagation of the DSL profile, and forms a maximum depth of scour in front of the groyne tip. On the other hand, in the case of THG, the extent of the scouring region starts upstream of upstream tip of L2 face of the groyne, follows the the curved DSL profile and forms the maximum depth of equilibrium scour near the junction of the two faces of the THG within the bounded region. The areas in red near the groyne’s tip and the blue areas within the wake region indicate scouring and deposition, respectively. Figure 1b illustrates the presence of key scouring agents, including the down flow, the HSV system, the DSL profile, and the wake zone vortices. The combination of the down flow and the HSV system has been identified as the primary contributing factor in the development of local scour at the groyne’s upstream region [12,60]. The maximum depth of scour in the case of THG was found to be more than three-fold greater than that in the case of IHG. The extent of region of scouring and deposition is also greater in the case of THG. While an increase in the depth of a river channel is a favorable outcome, the local scouring around the groyne head and the subsequent deposition in the main channel can be detrimental to both the stability of the groyne structures and the available width for effective navigation [61].
Figure 4.
Close view of equilibrium scour bed around an (a) IHG and (b) THG; contour plots of the equilibrium scour bed profile around an (c) IHG and (d) THG.
3.2. Time-Averaged Velocity Distribution
Figure 5a–f shows the variation in the normalized time averaged (i) streamwise () [Figure 5a,b], (ii) transverse () [Figure 5c,d] and (iii) vertical () velocity components [Figure 5e,f] at a vertical location over the scoured bed at equilibrium conditions, where , and denotes the time averaged velocity component in , and -directions, respectively, for both IHG [Figure 5a,c,e] and THG [Figure 5b,d,f]. In Figure 5a–f, streamwise () and transverse () lengths are normalized with respect to the length of the groyne in transverse direction to the flow (L1) and width of the flume (B), respectively. It is to be noted that the sections located at the center of the flume, tip of groyne, and very close to the side wall having groyne are represented by lateral sections , and , respectively.

Figure 5.
Variation in the normalized time-averaged (a,b) streamwise (), (c,d) transverse (); and (e,f) vertical () velocity component for IHG (a,c,e) and THG (b,d,f) at a vertical location over the scoured bed at equilibrium conditions.
Figure 5a,b show that the streamwise flow experiences significant deceleration as it approaches the groyne, particularly for lateral sections , , and in the case of both IHG and THG. The development of the HSV system is responsible for the deceleration observed at these sections at the upstream portion of both the groynes. A significantly increased streamwise velocity just in the front portion of the groynes () indicates the flow separation, which is followed by flow drifting along the propagation of the highly dynamic DSL profile [62]. While this increased streamwise flow velocity is observed only for section in IHG, for THG it is observed for the sections , and . This indicates a stronger HSV system in the case of THG. The maximum positive streamwise velocity in the case of IHG occurs at (), is observed to be 1.05-fold the mean velocity of the flow, while in the case of THG occurs at () is 1.08-fold the mean velocity of the flow.
Furthermore, a noticeable decrease in the streamwise flow velocity is observed for both groyne cases in the downstream section near the wall of the channel with the groyne and within the bounded region of the groyne, indicating the effectiveness in protecting the stream bank. The zone of the substantial deceleration downstream spans the range of for sections , and for both groyne types. The velocity curve exhibits the highest fluctuations in the range of in the case of IHG and in in the case of THG due to the intricacy of the flow in the wake zone. In the case of IHG, the coordinate () exhibits the maximum negative streamwise velocity equal to 0.20-fold the mean velocity of the flow. In the case of THG, the coordinate () shows the maximum negative streamwise flow velocity, which is equal to 0.30-fold the mean velocity of the flow. The streamwise velocities, for both groyne types, approach their initial values at the location , for all lateral sections.
From Figure 5c,d, a magnified negative transverse velocity region near the tip of the IHG and near the upstream tip of the THG can be observed as a result of combination of factors such as flow separation and the presence of the strong HSV system. In the case of IHG, the maximum negative transverse velocity of 0.68-fold the mean flow velocity is observed at (), while in the case of THG, the maximum negative transverse velocity of 0.36-fold the mean flow velocity is observed at (). The negative velocity zone of amplified magnitude upstream of the groyne is noticeable for sections ; on the other hand, the transverse velocity magnitude reduces as the section moves away from the groyne towards the center of the channel and beyond for both groyne types. A noticeable positive transverse velocity zone is observed for section , downstream of the tip of IHG and downstream of in the case of THG, which corresponds to the area surrounding the downstream tip of the L2 face of the groyne. The transverse flow velocity at this section continues to fluctuate significantly till , for IHG and till , for THG, before approaching their initial magnitude. The maximum positive transverse flow velocity observed at this section is about 0.3-fold the mean velocity of the flow for both groyne types. The presence of the positive transverse velocity region indicates the development of significant secondary flow caused by the entrainment of flow by eddy recirculation.
In Figure 5e,f, a region of negative vertical flow velocity is observed at for section in the case of IHG and for section in the case of THG. The presence of the negative vertical velocity in these regions can be attributed primarily to the strong down flow upstream of the groynes and the effect of the HSV system. Hence, for practical applications in the field, both IHG and THG require improved protection of their upstream foundations. In the case of IHG, the maximum negative vertical velocity of 0.08-fold the mean velocity of the flow is observed at (), whereas in the case of THG, it is observed at () with a magnitude of 0.14-fold the mean velocity of the flow. These are also the region of maximum scour for respective cases of the groynes (Figure 4). The maximum magnitude of positive vertical flow velocity observed at section , located at approximately , is 0.18-fold the mean velocity of the flow for both IHG and THG cases. The line of propagation of the DSL profile encounters a region of alternating positive and negative vertical flow velocity, implying the development of a secondary flow (see sections for each groyne).
3.3. Reynolds Stresses
Figure 6a–f shows comparison of contour plots of the normalized turbulent normal stresses [Figure 6a,b], [Figure 6c,d] and [Figure 6e,f] for IHG and THG, at vertical location over the scoured bed at equilibrium conditions, where , and are the fluctuating part of the velocity in the streamwise, transverse, and vertical directions, respectively.
Figure 6.
Contour plots of the normalized turbulent normal stresses (a,b), (c,d) and (e,f) at vertical location over the scoured bed at equilibrium conditions.
The magnitude of normal stresses show an increasing trend upstream of the groyne for all the lateral sections in the range of . The normal stresses near the groyne, in the bounded region downstream, decrease considerably, while exhibiting an alternate rise and fall in the region . The distribution of turbulent flow characteristics in the vicinity of a vertical-wall abutment was studied by by Dey and Barbhuiya [6], who observed a rapid increase in turbulence intensity as the flow approaches the abutment. Separation of the flow upon encountering the abutment produced an intensified region of turbulence in the wake zone. In the current study, there is a significant increase in observed at () in the case of IHG and at () in the case of THG along the DSL profile. While in the case of IHG, the maximum turbulent normal stresses is observed to be occurring inside the groyne field, for THG, it is observed away from the groyne field, towards the main flow.
Furthermore, the turbulent instabilities and the periodically oscillating HSV system influence the increase in both and just downstream of the IHG tip and near the upstream tip of THG. However, for the lateral sections away from the groyne, the normal stresses decrease. On the other hand, there is an alternating increase and decrease in both and along the profile DSL, reflecting the flow’s sensitivity to high shear instability along the profile. The point of separation of the approach boundary layer can be clearly seen to have moved upstream in the case of THG. Additionally, it can be observed that the DSL profile in the case of IHG bends sharply towards the bank containing the groyne near , whereas, in the case of THG, the DSL profile moves almost parallel to the T-section of the groyne downstream and comes near the bank at approximately .
Figure 7a–f shows contour plots of the normalized Reynolds stresses [Figure 7a,b)], [Figure 7c,d] and [Figure 7e,f] for IHG and THG, at vertical location over the scoured bed at equilibrium conditions. The term represents the momentum flux resulting from transverse turbulence mixing.

Figure 7.
Contour plots of the normalized Reynolds stresses (a,b) , (c,d), and (e,f) at vertical location over the scoured bed at equilibrium conditions.
Figure 7a, b illustrates that the stresses in majority of the region both upstream and downstream of the IHG groyne is predominantly negative while in the case of THG most of the region is dominated by positive stresses. However, becomes positive as the flow approaches the IHG, which directly indicates the change in the sign of . Further downstream increases within the bounded region, towards the channel bank and decreases alternating along the DSL profile. While in the case of THG, attains maximum positive value in front of the downstream tip of THG, but away from the groyne towards the mid channel. The larger value of observed along the DSL profile indicates a more intense horizontal turbulent mixing caused by high shear instability.
Figure 7c,d illustrates the distribution of , which represents the turbulent shear stress resulting due to the gradient of streamwise velocity in the vertical direction (). Most of the region is dominated by negative stresses for both groyne types, but a visible contrast in behavior is observed near the groynes. In the case of IHG, the increases and decreases alternatively along the DSL profile. While in the case of THG, for the lateral sections in , the increases to its maximum positive value just upstream of the groyne, which suggests that there may be a region of high-velocity core near the bed, causing the near-bed streamwise velocity to potentially exceed the velocity at upper planes [34]. This is also the same region where the maximum scour is observed (Refer Figure 4b). The becomes negative near the downstream tip of the T-section along the DSL profile, which is also the section where sediment deposition is observed. Figure 7e,f illustrates that the variation in is quite similar to that of .
It can be observed from Figure 7 that has a higher magnitude compared to and , suggesting that the horizontal turbulent mixing on the plane is considerably more intense than the vertical turbulent mixing on the and planes. The higher magnitudes of and observed along the DSL profile and in the wake zone indicate the existence of strong three-dimensional flow and amplified bed shear stress [34].
3.4. Turbulent Kinetic Energy (TKE)
Figure 8 shows the distribution of the normalized turbulent kinetic energy per unit mass at vertical location over the scoured bed at equilibrium conditions for IHG and THG, where is given by [39].
Figure 8.
Contour plot of the normalized TKE per unit mass at vertical location over the scoured bed at equilibrium conditions for IHG (a) & THG (b) sections respectively.
From Figure 8, it can be observed that the variation in exhibits a similar trend to the distribution of the normal stresses as illustrated in Figure 6 [30]. The magnitude of increases as the incoming flow encounters the groyne, but then decreases significantly in the bounded area of the groyne within the wake region in the case of both the IHG and THG. Furthermore, the increases in magnitude along the DSL profile in , which comes back sharply towards the bank containing the groyne at approximately , in the case of IHG. In the case of THG, the high magnitude of along the DSL profile is observed in , which moves reasonably parallel to the bank and comes near the bank containing the groyne at approximately . The observed increase in magnitude along the DSL profile suggests the existence of a high shear layer and an abrupt change in velocity attributed to the effect of obstruction to the incoming flow. The largest value of is approximately 42 at () for IHG, and approximately 35 at () for THG. Additionally, TKE decreases much faster further downstream in the case of THG compared to IHG.
3.5. Bed Shear Stress
The distribution of bed shear stress in a highly turbulent flow in the vicinity of a groyne can be complex to estimate, and this complexity increases as the shape of the groyne is altered [27,63]. The normalized bed shear stress , in the current experimental study is computed using the Reynolds shear stress [64]. While Kuhnle et al. [64] calculated the bed shear stress using only the vertical Reynolds stresses, in this investigation, all three components of 3D Reynolds stresses have been used to calculate the same [39]. Here, is given by
where . The approach bed shear stress, represented by , is computed using the relationship .
Figure 9 shows the contour plots that illustrates the variation in around the IHG and THG obtained from this method.
Figure 9.
Contour plot of normalized bed shear stress around the IHG (a) and THG (b) respectively.
A substantially higher bed shear stress is observed immediately downstream of the tip of IHG and near the upstream tip of THG, and it increases and decreases alternatively in both cases along the DSL profile. As the DSL profile bends sharply towards the bank containing the groyne, the higher magnitude of bed shear stress is observed closer to the bank in the case of IHG, while it remains mostly away from the bank in the case of THG. The maximum values of at () in the case of IHG and at () in the case of THG are approximately 24 and 20, respectively. Bed shear stresses with lower magnitudes are observed in the bounded region of both groynes for (shown for ).
The intense down flow and the strong periodically oscillating HSV system are responsible for the higher magnitude of bed shear stresses observed near the groyne tips [9]. Bed shear stresses with higher magnitudes are observed along the DSL profile which after getting deflecting away from the channel bank returns sharply towards the channel wall near in the case of IHG. In the case of THG, the high magnitude of bed shear stresses is observed along the DSL propagating line that moves almost parallel to the channel wall and then comes close to it near . Thus, the effective bank protection length in the case of IHG can be observed to be approximately two-fold the groyne length and three-fold the groyne transverse length in the case of THG. Figure 9 also provides insight for the desired spacing between groynes in series for both head types for the protection of river bank.
3.6. Cost–Benefit Analysis
Based on the experimental observations on IHG and THG, it was established that IHG effectively protects a length of two-fold its transverse length (), while THG extends its protective reach to three-fold the transverse length (). This observation laid the foundation for quantifying the benefits associated with each groyne type in terms of effective bank protection length. To refine the cost–benefit analysis, cost coefficients (, , and ) were introduced which are derived in Appendix A and Appendix B, intricately linked to prevailing material and labor costs, as well as the economic value of structures and properties along river banks that can be protected by these hydraulic structures. The cost–benefit ratio for IHG and THG is presented below.
To facilitate the graphical representation of the cost–benefit functions, estimated values for the cost coefficients are introduced. These estimations are derived from the prevailing material and labor cost in India at the time of analysis. It is crucial to emphasize that these estimated coefficients do not fundamentally change the nature of the CBA curves. Instead, they act as provisional values, serving as placeholders for the actual coefficients that would be determined using real-world cost data. This approach allows us to visualize and interpret the CBA effectively.
Taking into account that, the thickness of the groyne is typically less than both the groyne length and the depth of flow, we investigated three primary scenarios as follows:
- (i).
- Fixed Depth and Thickness with Variable Length ( and are fixed with variable )
In this case, we maintained constant values of and while varying the groyne length (Figure 10a). From Figure 10a, it can be clearly observed that the cost benefit function () for IHG is independent of the groyne length (). The cost–benefit function is negative when the length of the groyne () is less than thickness of the groyne (), which is an impractical scenario. The two curves of these functions intersect when the length of the groynes equals the thickness of the groynes. For all practical scenarios as the cost–benefit ratio of THG is higher than that of IHG, it means that the cost is higher relative to the benefits for THG. The cost benefit function is observed to be least when the length of the groyne is equal to the thickness of the groyne. At the intersection, the ratio of total costs and total benefits are equal for IHG and THG. The function exhibits a gradual increase as the length of THG increases from , until it becomes equal to the depth of flow (). Beyond this point, the function remains constant.
Figure 10.
Graphical visualization of cost–benefit functions (blue) and (red) in various scenarios: (a) fixed and with variable ; (b) fixed and with variable ; (c) fixed and with variable (); and (d) fixed and with variable ().
- (ii).
- Fixed Length and Thickness with Variable Depth ( and are fixed with variable )
In this case, we kept and constant while varying the depth of flow () (Figure 10b). For a fixed length and thickness of groyne, as an increment in the depth of flow is considered, both functions and exhibit linear increases and remain positive throughout. It can be observed that the rate of increase in is significantly steeper compared to that of with increasing depth of flow signifying cost effectiveness of the IHG over THG as the depth of flow () increases.
- (iii).
- Fixed length and depth with variable thickness ( and are fixed with variable )
In the third case, when is taken as the variable (), two further cases were considered:
- (a)
- When
For a fixed length of the groynes () and depth of flow (), where , as an increment in the thickness of groynes is considered, both functions and exhibit linear increment and remain positive throughout (Figure 10c). The exibits a higher value of cost–benefit function at all thickness of groynes considered which indicates that the costs outweigh the benefits. The slope of the curve is also visibly steeper than the curve, signifying better cost effectiveness of IHG over THG in river bank protection with increasing groyne thickness, .
- (b)
- When
In the scenario where the length of the groyne () is less than the depth of flow (), and the cost–benefit functions are plotted for a range of groyne thickness (3) as shown in Figure 10d, some interesting observations can be made. Firstly, exhibits a linear relationship with increasing groyne thickness, indicating a consistent increase in cost as the thickness of the groyne increases. On the other hand, displays a non-linear relationship with . When t is less than , demonstrates an increasing cost–benefit ratio. However, as the thickness () become greater than the length () of the THG groyne, which can be considered as impractical scenario, the curve of curve illustrates a reduction in the cost–benefit ratio, suggesting enhanced cost-effectiveness in contrast to IHG. However, in practical scenarios, IHG consistently demonstrates superior cost-effectiveness in terms of effective bank protection length.
From all the cases considered, the IHG can be seen as more cost effective groyne in comparison to THG, when the cost of constructions is compared along with the effective bank protection lengths.
4. Conclusions
Experimental investigations were carried out to examine and compare the scour as well as the mean and turbulent flow features near the bed region around an unsubmerged IHG and THG. The turbulent flow characteristics were found to be closely related to the scouring pattern around the groynes in both cases.
In the case of THG, the maximum equilibrium scour depth was found to be over three-fold greater than that of IHG under similar flow conditions. However, there are several indications suggesting that the effective bank protection length in the case of THG could be more than 1.5-fold higher than in the case of IHG. Based on the cost–benefit analysis, it was evident that the IHG proved to be the more cost-effective option compared to the THG. This conclusion was drawn by considering the construction costs of both types of groynes in conjunction with their respective effective bank protection lengths.
The experimental results presented in this study could provide valuable insights for developing design methodologies aimed at promoting the wider utilization of THG in river reaches. Furthermore, they could aid in selecting appropriate groyne head configurations that align with specific field requirements, thereby improving the performance and efficiency of these structures.
Important conclusions drawn from this study are as follows:
- The maximum depth of scour in the case of THG was found to be more than three-fold greater than that in the case of IHG. The extent of region of scouring and deposition is also greater in the case of THG. While an increase in the depth of a river channel is a favorable outcome, the local scouring around the groyne head and the subsequent deposition in the main channel can be detrimental to both the stability of the groyne structures and the available width for effective navigation.
- The downstream section close to the channel wall with the groyne, as well as the bounded area of the groyne, exhibit a significant reduction in streamwise velocity for both groyne types, indicating improved effectiveness for protecting the stream bank.
- Direct relation between the location of maximum negative vertical velocity and its magnitude to the region of maximum local scour and its depth was observed for both groyne types.
- In both cases of IHG and THG, the normal stresses start to increase in magnitude near the upstream of the groyne and decreases considerably within the groyne’s bounded region downstream. increases significantly along the DSL profile whereas and both fluctuates highly due to high shear instability. Additionally, the turbulent fluctuations along with the periodically oscillating HSV system cause an increase in both and around the tip of the groyne.
- The region of maximum turbulent normal stresses is observed to be inside the groyne field in the case of IHG, while for THG, it is observed away from the groyne field, towards the main flow.
- The higher value of relative to and implies that there is more intense horizontal turbulent mixing than vertical turbulent mixing in their corresponding planes. Additionally, the existence of a strong three-dimensional flow and increased bed shear stress is indicated by amplified magnitudes of and observed along the DSL profile and in the wake region.
- In the case of IHG, the majority of the region upstream and downstream of the groyne is characterized by negative stresses. On the other hand, in the case of a THG, the majority of the region exhibits low-magnitude positive stresses.
- In both cases of IHG and THG, the TKE increases as the flow encounters the groyne and decreases significantly within the bounded region of the groyne in the wake zone. The TKE of high magnitude is observed to follow the DSL profile and accordingly comes back towards the bank containing the groyne in the case of IHG, while remaining mostly away from the bank in the case of THG. The increase in the magnitude of TKE along the propagation of the DSL profile suggests the existence of a high shear layer and abrupt velocity change caused by the obstruction to the incoming flow.
- The magnitude of bed shear stress increases considerably just downstream of the tip of IHG and near the upstream tip of THG, and it increases and decreases alternatively in both cases along the DSL profile. The greater magnitude of bed shear stresses must be considered while providing a series of groynes for effective protection of river bank.
- Additionally, it can be observed that the DSL profile, after getting deflected away from the bank near the groyne tip, bends sharply towards the bank containing the groyne downstream near , whereas, in the case of THG, the DSL profile moves almost parallel to the T-section of the groyne and then approaches the bank downstream near . In conclusion, it was established that for IHG, the effective bank protection length equated to approximately twice the groyne length, whereas in the case of THG, it was observed to be three-fold the groyne’s transverse length.
- The cost–benefit analysis reveals that when considering both the cost of construction and effective bank protection lengths, IHG is the more cost-efficient groyne compared to THG.
Furthermore, the experimental data generated herein will serve as valuable input for the calibration and validation of numerical models in this domain. Future research should emphasize experimental investigations into the scouring and 3D turbulent flow characteristics around series of different head-shape groynes, aiming to enhance design methodologies and optimization of groyne configuration.
Author Contributions
Conceptualization, M.M., P., K.S.H.P. and C.S.P.O.; methodology, M.M.; software, M.M. and P.; validation, M.M.; formal analysis, M.M. and P.; investigation, M.M. and P.; resources, M.M.; data curation, M.M.; writing—original draft preparation, M.M.; writing—review and editing, K.S.H.P. and C.S.P.O.; visualization, M.M., K.S.H.P. and C.S.P.O.; supervision, K.S.H.P. and C.S.P.O. All authors have read and agreed to the published version of the manuscript.
Funding
This research received no external funding.
Institutional Review Board Statement
Not applicable.
Informed Consent Statement
Not applicable.
Data Availability Statement
Data are contained within this article.
Conflicts of Interest
The authors declare no conflict of interest.
List of Abbreviations and Notations
The following Abbreviations and Notations are used in this paper:
| IHG | I-head groyne; |
| THG | T-head groyne; |
| DSL | Detached shear layer; |
| HSV | Horseshoe vortex; |
| ST | Upstream wing submerged T-head groyne; |
| SNR | Signal-to-noise ratio; |
| RMS | Root mean square; |
| TKE | Turbulent kinetic energy; |
| CBA | Cost–benefit analysis; |
| Mean sediment grain size (mm); | |
| Sediment diameters that are finer than 16% of bed material (mm); | |
| Sediment diameters that are finer than 84% of bed materia; (mm); | |
| Standard deviation; | |
| Transeverse length of groyne; | |
| Longitudinal length of groyne; | |
| Depth of flow (m); | |
| Width of channel; | |
| Average velocity (m/s); | |
| Froude number; | |
| Reynolds number; | |
| Equilibrium scour depth; | |
| Critical velocity for the sediment particle movement; | |
| Height of equivalent roughness; | |
| Critical shear velocity for sediment particles; | |
| , and | Longitudinal, lateral and vertical components in Cartesian coordinate; |
| Power spectral density; | |
| , and | Normalized time averaged streamwise, transverse and vertical volocity, respectively; |
| , and | Time averaged velocity component in , and direction, respectively; |
| , and | Fluctuating part of the velocity in streamwise, transverse and vertical directions, respectively; |
| , and | Normalized turbulent normal stresses; |
| , and | Normalized Reynolds stresses; |
| Normalized turbulent kinetic energy; | |
| Normalized bed shear stress; | |
| Bed shear stress; | |
| Approach bed shear stress; | |
| Cost–benefit ratio for IHG; | |
| Cost–benefit ratio for THG; | |
| , , and | Cost coefficients intricately linked to material and labor costs, as well as the economic value of structures and properties along river banks; |
| Groyne thickness. |
Appendix A. Cost Estimation for I-Head Groynes (IHG)
Appendix A.1. Parameter Definitions
Let the following parameters be defined for IHG:
- Depth of flow = ;
- Width of river = ;
- Transverse length of groyne = ;
- Thickness of groyne = ;
- Free board = .
Depth of scour below bed level (equilibrium scour depth in the case of IHG, Figure 4c) = .
Depth of foundation= , where is a dimensionless factor to determine the depth of foundation below bed level in relation to maximum scour depth.
Appendix A.2. Cost Estimation
Appendix A.2.1. Concreting Cost
The total volume of concreting required for IHG are calculated as follows:
Assuming concreting cost per cubic meter as , the total cost of concreting in IHG can be calculated as:
Appendix A.2.2. Reinforcement Cost
Assuming the nominal reinforcement for the concrete hydraulic structure is of the concrete volume, the total volume of reinforcement .
If the unit weight of reinforcement bars is represented by , the total weight of reinforcement required can be computed as:
Assuming the cost of reinforcement bars per unit weight is represented by , the total cost for reinforcement comes out as:
where represents a cost coefficient dependent on the cost of reinforcement bars per unit weight and the unit weight of reinforcement bars.
Appendix A.2.3. Excavation Cost
The excavation required for foundation works of IHG, in terms of volume can be computed as:
Assuming cost of excavation = , the total cost for excavation can be determined as:
represents a cost coefficient dependent on the cost of excavation.
Appendix A.3. Total Cost for Construction of IHG
The total cost for the construction of a single I-head groyne can be determined by adding the costs of concreting, reinforcement, and excavation.
where , and are cost coefficients dependent on the cost of concrete material, reinforcement, and excavation.
Appendix B. Cost Estimation for T-Head Groynes (THG)
For T-head groynes (THG), the notations are same as those defined for IHG, with the additional longitudinal length of the groyne being equal to transverse length ().
Depth of scour below bed level (Equilibrium scour depth in the case of THG, Figure 4d) = .
Appendix B.1. Cost Estimation
Appendix B.1.1. Concreting Cost
The total volume of concreting needed for THG are calculated as follows:
The cost of concrete per cubic meter () can be used to calculate the total cost of concreting in THG as:
Appendix B.1.2. Reinforcement Cost
Assuming the nominal reinforcement for the concrete hydraulic structure is of the concrete volume, the total volume of reinforcement .
If the unit weight of reinforcement bars is represented by , the total weight of reinforcement required can be computed as:
Assuming the cost of reinforcement bars per unit weight is represented by , the total cost for reinforcement comes out as:
where , is a cost coefficient dependent on cost of reinforcement bars per unit weight and unit weight of reinforcement bars.
Appendix B.1.3. Excavation Cost
The excavation required for foundation works of THG in terms of volume can be computed as:
Assuming cost of excavation = , the total cost for excavation can be determined as:
where represents a cost coefficient dependent on cost of excavation.
Appendix B.2. Total Cost for Construction of THG
The total cost for the construction of a single T-head groyne can be determined by adding the costs of concreting, reinforcement, and excavation.
where , and are cost coefficients dependent on the cost of concrete material, reinforcement, and excavation.
References
- Buczyńska, E.; Szlauer-Łukaszewska, A.; Czachorowski, S.; Buczyński, P. Human Impact on Large Rivers: The Influence of Groynes of the River Oder on Larval Assemblages of Caddisflies (Trichoptera). Hydrobiologia 2018, 819, 177–195. [Google Scholar] [CrossRef]
- Chardon, V.; Schmitt, L.; Piégay, H.; Beisel, J.-N.; Staentzel, C.; Barillier, A.; Clutier, A. Effects of Transverse Groynes on Meso-Habitat Suitability for Native Fish Species on a Regulated By-Passed Large River: A Case Study along the Rhine River. Water 2020, 12, 987. [Google Scholar] [CrossRef]
- Bischoff, A.; Wolter, C. Groyne-Heads as Potential Summer Habitats for Juvenile Rheophilic Fishes in the Lower Oder, Germany. Limnologica 2001, 31, 17–26. [Google Scholar] [CrossRef]
- Ding, C.; Li, C.; Song, L.; Chen, S. Numerical Investigation on Flow Characteristics in a Mildly Meandering Channel with a Series of Groynes. Sustainability 2023, 15, 4124. [Google Scholar] [CrossRef]
- Jamieson, E.C.; Rennie, C.D.; Townsend, R.D. 3D Flow and Sediment Dynamics in a Laboratory Channel Bend with and without Stream Barbs. J. Hydraul. Eng. 2013, 139, 154–166. [Google Scholar] [CrossRef]
- Dey, S.; Barbhuiya, A.K. Velocity and Turbulence in a Scour Hole at a Vertical-Wall Abutment. Flow Meas. Instrum. 2006, 17, 13–21. [Google Scholar] [CrossRef]
- Kwan, R.T.F.; Melville, B.W. Local Scour and Flow Measurements at Bridge Abutments. J. Hydraul. Res. 1994, 32, 661–673. [Google Scholar] [CrossRef]
- Koken, M.; Constantinescu, G. An Investigation of the Dynamics of Coherent Structures in a Turbulent Channel Flow with a Vertical Sidewall Obstruction. Phys. Fluids 2009, 21, 085104. [Google Scholar] [CrossRef]
- Ettema, R.; Muste, M. Scale Effects in Flume Experiments on Flow around a Spur Dike in Flatbed Channel. J. Hydraul. Eng. 2004, 130, 635–646. [Google Scholar] [CrossRef]
- Koken, M.; Constantinescu, G. An Investigation of the Flow and Scour Mechanisms around Isolated Spur Dikes in a Shallow Open Channel: 2. Conditions Corresponding to the Final Stages of the Erosion and Deposition Process: Flow and Scour Mechanisms, 2. Water Resour. Res. 2008, 44, W08406. [Google Scholar] [CrossRef]
- Teruzzi, A.; Ballio, F.; Armenio, V. Turbulent Stresses at the Bottom Surface near an Abutment: Laboratory-Scale Numerical Experiment. J. Hydraul. Eng. 2009, 135, 106–117. [Google Scholar] [CrossRef]
- Dey, S.; Barbhuiya, A.K. Flow Field at a Vertical-Wall Abutment. J. Hydraul. Eng. 2005, 131, 1126–1135. [Google Scholar] [CrossRef]
- Klingeman, P.C.; Kehe, S.M. Streambank Erosion Protection and Channel Scour Manipulation Using Rockfill Dikes and Gabions; Water Resources Research Institute: Corvallis, OR, USA, 1984. [Google Scholar]
- Kuhnle, R.A.; Alonso, C.V.; Shields, F.D. Geometry of Scour Holes Associated with 90° Spur Dikes. J. Hydraul. Eng. 1999, 125, 972–978. [Google Scholar] [CrossRef]
- Li, H.; Kuhnle, R.; Barkdoll, B.D. Spur Dikes as an Abutment Scour Countermeasure. In Proceedings of the Impacts of Global Climate Change, Anchorage, Alaska, 15–19 May 2005; American Society of Civil Engineers: Reston, VA, USA; pp. 1–12. [Google Scholar]
- Chiew, Y.-M. Mechanics of Riprap Failure at Bridge Piers. J. Hydraul. Eng. 1995, 121, 635–643. [Google Scholar] [CrossRef]
- Garde, R.J.; Subramanya, K.; Nambudripad, K.D. Study of Scour Around Spur-Dikes. J. Hydraul. Div. 1961, 87, 23–37. [Google Scholar] [CrossRef]
- Koken, M.; Gogus, M. Effect of Spur Dike Length on the Horseshoe Vortex System and the Bed Shear Stress Distribution. J. Hydraul. Res. 2015, 53, 196–206. [Google Scholar] [CrossRef]
- Zhang, H.; Nakagawa, H. Scour around Spur Dyke: Recent Advances and Future Researches. Disaster Prev. Res. Inst. Annu. 2008, 51, 633–652. [Google Scholar]
- Safarzadeh, A.; Salehi Neyshabouri, S.A.A.; Zarrati, A.R. Experimental Investigation on 3D Turbulent Flow around Straight and T-Shaped Groynes in a Flat Bed Channel. J. Hydraul. Eng. 2016, 142, 04016021. [Google Scholar] [CrossRef]
- Huang, W.; Creed, M.; Chen, F.; Liu, H.; Ma, A. Scour around Submerged Spur Dikes with Flexible Mattress Protection. J. Waterw. Port Coast. Ocean Eng. 2018, 144, 04018013. [Google Scholar] [CrossRef]
- Kothyari, U.C.; Ranga Raju, K.G. Scour around Spur Dikes and Bridge Abutments. J. Hydraul. Res. 2001, 39, 367–374. [Google Scholar] [CrossRef]
- Kuhnle, R.A.; Alonso, C.V.; Shields, F.D. Local Scour Associated with Angled Spur Dikes. J. Hydraul. Eng. 2002, 128, 1087–1093. [Google Scholar] [CrossRef]
- Melville, B. Local Scour at Bridge Abutments. J. Hydraul. Eng. 1992, 118, 615–631. [Google Scholar] [CrossRef]
- Pandey, M.; Ahmad, Z.; Sharma, P.K. Estimation of Maximum Scour Depth near a Spur Dike. Can. J. Civ. Eng. 2016, 43, 270–278. [Google Scholar] [CrossRef]
- Pourshahbaz, H.; Abbasi, S.; Pandey, M.; Pu, J.H.; Taghvaei, P.; Tofangdar, N. Morphology and Hydrodynamics Numerical Simulation around Groynes. ISH J. Hydraul. Eng. 2022, 28, 53–61. [Google Scholar] [CrossRef]
- Rajaratnam, N.; Nwachukwu, B.A. Erosion Near Groyne-Like Structures. J. Hydraul. Res. 1983, 21, 277–287. [Google Scholar] [CrossRef]
- Rashedipoor, A.; Masjedi, A.; Shojaenjad, R. Investigation on Scour Hole Around Spur Dike in a 180 Degree Flume Bend. World Appl. Sci. J. 2012, 19, 24–28. [Google Scholar]
- Acharya, A.; Duan, J.G. Three Dimensional Simulation of Flow Field around Series of Spur Dikes. In Proceedings of the World Environmental and Water Resources Congress 2011, Palm Springs, CA, USA, 22–26 May 2011; American Society of Civil Engineers: Reston, VA, USA; pp. 2085–2094. [Google Scholar]
- Duan, J.G. Mean Flow and Turbulence around a Laboratory Spur Dike. J. Hydraul. Eng. 2009, 135, 803–811. [Google Scholar] [CrossRef]
- Fang, H.; Bai, J.; He, G.; Zhao, H. Calculations of Nonsubmerged Groin Flow in a Shallow Open Channel by Large-Eddy Simulation. J. Eng. Mech. 2014, 140, 04014016. [Google Scholar] [CrossRef]
- Higham, J.E.; Brevis, W.; Keylock, C.J.; Safarzadeh, A. Using Modal Decompositions to Explain the Sudden Expansion of the Mixing Layer in the Wake of a Groyne in a Shallow Flow. Adv. Water Resour. 2017, 107, 451–459. [Google Scholar] [CrossRef]
- Indulekha, K.P.; Jayasree, P.K.; Balan, K. Laboratory Investigation of Flow and Turbulent Characteristics around Permeable and Impermeable Groynes in a Strongly Curved Meandering Channel. ISH J. Hydraul. Eng. 2022, 1–11. [Google Scholar] [CrossRef]
- Jeon, J.; Lee, J.Y.; Kang, S. Experimental Investigation of Three-Dimensional Flow Structure and Turbulent Flow Mechanisms Around a Nonsubmerged Spur Dike with a Low Length-to-Depth Ratio. Water Resour. Res. 2018, 54, 3530–3556. [Google Scholar] [CrossRef]
- Koken, M. Coherent Structures around Isolated Spur Dikes at Various Approach Flow Angles. J. Hydraul. Res. 2011, 49, 736–743. [Google Scholar] [CrossRef]
- Koutrouveli, T.I.; Dimas, A.A.; Fourniotis, N.T.; Demetracopoulos, A.C. Groyne Spacing Role on the Effective Control of Wall Shear Stress in Open-Channel Flow. J. Hydraul. Res. 2019, 57, 167–182. [Google Scholar] [CrossRef]
- McCoy, A.; Constantinescu, G.; Weber, L.J. Numerical Investigation of Flow Hydrodynamics in a Channel with a Series of Groynes. J. Hydraul. Eng. 2008, 134, 157–172. [Google Scholar] [CrossRef]
- Paik, J.; Sotiropoulos, F. Coherent Structure Dynamics Upstream of a Long Rectangular Block at the Side of a Large Aspect Ratio Channel. Phys. Fluids 2005, 17, 115104. [Google Scholar] [CrossRef]
- Kumar, A.; Ojha, C.S.P. Near-Bed Turbulence around an Unsubmerged L-Head Groyne. ISH J. Hydraul. Eng. 2021, 27, 182–189. [Google Scholar] [CrossRef]
- Vaghefi, M.; Ghodsian, M.; Neyshabouri, S.A.A.S. Experimental Study on Scour around a T-Shaped Spur Dike in a Channel Bend. J. Hydraul. Eng. 2012, 138, 471–474. [Google Scholar] [CrossRef]
- Zhang, L.; Xu, J.; Zhang, F.; Cai, A.; Song, Z. Numerical Simulation of Hydraulic Characteristics of an Upstream Wing Submerged T-Shaped Groyne. Can. J. Civ. Eng. 2022, 49, 1655–1668. [Google Scholar] [CrossRef]
- Tripathi, R.P.; Pandey, K.K. Experimental Study of Local Scour around T-Shaped Spur Dike in a Meandering Channel. Water Supply 2021, 21, 542–552. [Google Scholar] [CrossRef]
- Dutta, D.; Kalita, H.M. Performances of Straight Head and T-Head Groynes as River Training Structures. IOP Conf. Ser. Mater. Sci. Eng. 2019, 491, 012013. [Google Scholar] [CrossRef]
- Kadota, A.; Suzuki, K. Local Scour and Development of Sand Wave around T-Type and L-Type Groynes. In Proceedings of the Scour and Erosion, San Francisco, CA, USA, 7–10 October 2010; American Society of Civil Engineers: Reston, VA, USA; pp. 707–714. [Google Scholar]
- Masjedi, A.; Bejestan, M.S.; Rahnavard, P. Reduction of Local Scour at Single T-Shape Spur Dike with Wing Shape in a 180 Degree Flume Bend. World Appl. Sci. J. 2010, 8, 1122–1128. [Google Scholar]
- Vaghefi, M.; Ghodsian, M. Experimental Study on the Effect of a T-Shaped Spur Dike Length on Scour in a 90° Channel Bend. Arab. J. Sci. Eng. 2009, 34, 337. [Google Scholar]
- Dehghani, A.A.; Azamathulla, H.M.; Hashemi Najafi, S.A.; Ayyoubzadeh, S.A. Local Scouring around L-Head Groynes. J. Hydrol. 2013, 504, 125–131. [Google Scholar] [CrossRef]
- Kadota, A.; Suzuki, K.; Kojima, E. Flow Visualization of Mean and Coherent Flow Structures around T-Type and L-Type Groynes. River Flow. 2010. Available online: https://core.ac.uk/download/pdf/326240339.pdf (accessed on 1 August 2023).
- Vaghefi, M.; Ghodsian, M.; Akbari, M. Experimental Investigation on 3D Flow around a Single T-Shaped Spur Dike in a Bend. Period. Polytech. Civ. Eng. 2017, 61, 462–470. [Google Scholar] [CrossRef]
- Safarzadeh, A.; Zarrati, A.R. Experimental Study of Head Shape Effects on Shear Stress Distribution around a Single Groyne. River Flow. 2010. Available online: https://izw.baw.de/e-medien/river-flow-2010/PDF/A5/A5_02.pdf (accessed on 1 August 2023).
- Mehraein, M.; Ghodsian, M.; Khosravi Mashizi, M.; Vaghefi, M. Experimental Study on Flow Pattern and Scour Hole Dimensions Around a T-Shaped Spur Dike in a Channel Bend Under Emerged and Submerged Conditions. Int. J. Civ. Eng. 2017, 15, 1019–1034. [Google Scholar] [CrossRef]
- Kirkgöz, M.S.; Ardiçlioğlu, M. Velocity Profiles of Developing and Developed Open Channel Flow. J. Hydraul. Eng. 1997, 123, 1099–1105. [Google Scholar] [CrossRef]
- Lauchlan, C.S.; Melville, B.W. Riprap Protection at Bridge Piers. J. Hydraul. Eng. 2001, 127, 412–418. [Google Scholar] [CrossRef]
- Melville, B.W. Pier and Abutment Scour: Integrated Approach. J. Hydraul. Eng. 1997, 123, 125–136. [Google Scholar] [CrossRef]
- Koca, K.; Noss, C.; Anlanger, C.; Brand, A.; Lorke, A. Performance of the Vectrino Profiler at the Sediment–Water Interface. J. Hydraul. Res. 2017, 55, 573–581. [Google Scholar] [CrossRef]
- Keshavarzi, A.; Melville, B.; Ball, J. Three-Dimensional Analysis of Coherent Turbulent Flow Structure around a Single Circular Bridge Pier. Environ. Fluid Mech. 2014, 14, 821–847. [Google Scholar] [CrossRef]
- Goring, D.G.; Nikora, V.I. Despiking Acoustic Doppler Velocimeter Data. J. Hydraul. Eng. 2002, 128, 117–126. [Google Scholar] [CrossRef]
- Adrian, R.J.; Yao, C.S. Power Spectra of Fluid Velocities Measured by Laser Doppler Velocimetry. Exp. Fluids 1986, 5, 17–28. [Google Scholar] [CrossRef]
- Kumar, A.; Ojha, C.S.P. Effect of Different Compositions in Unsubmerged L-Head Groynes to Mean and Turbulent Flow Characteristics. KSCE J. Civ. Eng. 2019, 23, 4327–4338. [Google Scholar] [CrossRef]
- Ansari, S.A.; Kothyari, U.C.; Ranga Raju, K.G. Influence of Cohesion on Scour around Bridge Piers. J. Hydraul. Res. 2002, 40, 717–729. [Google Scholar] [CrossRef]
- Uijttewaal, W.S. Effects of Groyne Layout on the Flow in Groyne Fields: Laboratory Experiments. J. Hydraul. Eng. 2005, 131, 782–791. [Google Scholar] [CrossRef]
- Duan, J.G.; He, L.; Fu, X.; Wang, Q. Mean Flow and Turbulence around Experimental Spur Dike. Adv. Water Resour. 2009, 32, 1717–1725. [Google Scholar] [CrossRef]
- Barbhuiya, A.K.; Dey, S. Local Scour at Abutments: A Review. Sadhana 2004, 29, 449–476. [Google Scholar] [CrossRef]
- Kuhnle, R.A.; Jia, Y.; Alonso, C.V. Measured and Simulated Flow near a Submerged Spur Dike. J. Hydraul. Eng. 2008, 134, 916–924. [Google Scholar] [CrossRef]
Disclaimer/Publisher’s Note: The statements, opinions and data contained in all publications are solely those of the individual author(s) and contributor(s) and not of MDPI and/or the editor(s). MDPI and/or the editor(s) disclaim responsibility for any injury to people or property resulting from any ideas, methods, instructions or products referred to in the content. |
© 2023 by the authors. Licensee MDPI, Basel, Switzerland. This article is an open access article distributed under the terms and conditions of the Creative Commons Attribution (CC BY) license (https://creativecommons.org/licenses/by/4.0/).