Distributed Energy Resource Exploitation through Co-Optimization of Power System and Data Centers with Uncertainties during Demand Response
Abstract
1. Introduction
- This paper proposes a two-layer robust optimization model to promote the active participation of IDCs in demand response, leveraging spatial migration with time-varying workloads among IDCs to optimize resource allocations and benefit both domains. Our cooperative mode between power systems and IDCs considers uncertainties on both sides, ensuring robustness.
- Data-based price–amount curves are constructed to bridge the communication between power systems and IDCs, which facilitates effective co-optimization and also protects the privacy of IDCs’ information. The constructed curves can largely improve computational efficiency and avoid unwilling data exchange, which could be crucial in the near future as the number of IDCs continues to rise.
- Gaussian process regression is employed to construct price–amount curves by capturing IDC’s behaviors following the change in price in the DR scheme with uncertainties. The GPR-constructed curves thus have explicit function forms with high accuracy, which can simplify the original two-layer problem while still allowing for desired adjustments in DR amount and enabling foresight regarding the uncertain availability of IDCs in the co-optimization.
2. Robust Co-Optimization Model of Power Systems and IDCs for Demand Response
2.1. Interaction between Power Systems and IDCs
2.2. Power System Operation Model
2.3. Data Center Operation Model with Adjustable Loads
3. Solving the Co-Optimization Problem with a GPR-Based DR Price–Amount Curve
3.1. Gaussian Process Regression
- (1)
- An analytic expression instead of a black box is used to describe the function, which means that the regressed function can be directly used on the power system side;
- (2)
- As a non-parametric method and does not require certain forms of the regressed function;
- (3)
- As a Bayesian method, GPR can calculate the varying range of the estimated function;
- (4)
- Despite the limited number of samples, an accurate estimation can still be achieved with proper kernel selection.
3.2. Procedures of DR Price–Amount Curve Construction with GPR
- Generate sample set. Randomly sample control variable ; calculate the related dependent variable .
- Record the data. Repeat the above steps until we obtain a set of data for DR price and demand and .
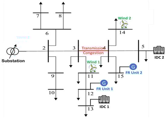
4. Case Studies
4.1. Optimal Operation of Microgrids with Fast Response Units and IDCs
4.2. Transmission Line Congestion and Virtual Power Line
4.3. Influence of IDC Operation Uncertainties on DR Resource Purchase
4.4. Price–Amount Curve Construction and Analysis
4.5. Accuracy and Computational Efficiency Comparison
5. Conclusions
Author Contributions
Funding
Conflicts of Interest
Nomenclature
| Indices and Sets | |
| Index of nodes | |
| Index of IDCs | |
| Index of workloads in IDCs | |
| Index of periods | |
| Set of all nodes | |
| Set of IDC nodes | |
| Parameters | |
| Power System Operation | |
| Power demand | |
| Nominal power demand | |
| Power generation, renewable units (uncertain) | |
| Scheduled power generation, predicted value for renewable units | |
| , | Minimum and maximum power generation |
| Minimum and maximum allowed voltage angle | |
| Power line transmission capacity | |
| B | Susceptance between two nodes |
| Unit upward ramping rate | |
| Unit downward ramping rate | |
| Generation operational cost coefficient | |
| Generation reserve operational cost coefficient | |
| Internet Data Center Operation | |
| Price of workload | |
| Release time and deadline of workloads | |
| Workload location indicator (binary, 1 = located in the IDC, 0 = otherwise) | |
| Required server resource amount of workloads | |
| Required server resource amount of incoming interactive computing tasks (uncertain) | |
| Maximum allowed uploaded workload number | |
| IDC Server resource capacity | |
| IDC Power Usage Effectiveness | |
| IDC power consumption efficiency | |
| IDC power generation (uncertain) | |
| IDC ESS initial energy level | |
| IDC ESS maximum energy level | |
| Electricity price predicted by IDCs (uncertain) | |
| M | A very large number |
| m | A small large number |
| Variables | |
| Power System Operation | |
| Power generation operational cost | |
| Demand response purchase cost | |
| Generation reserve operational cost | |
| Power generation, conventional units (controllable) | |
| Scheduled power generation, determined for conventional units | |
| Actual power demand | |
| Demand response amount | |
| Voltage angle | |
| Upward generation reserve | |
| Downward generation reserve | |
| Price of Demand Response | |
| Internet Data Center Operation | |
| Workload termination indicator (binary, 1 = terminated, 0 = otherwise) | |
| Workload completion indicator (binary, 1 = completed in certain IDC, 0 = otherwise) | |
| Workload upload indicator (binary, 1 = uploaded to cloud, 0 = otherwise) | |
| S | Server resource allocated to workloads |
| Total server resource usage amount | |
| IDC Power demand | |
| Demand response provided by IDC | |
| Power demand of IT equipment in IDCs | |
| ESS charging/discharging power in IDCs (positive if charging, negative if discharging) | |
| ESS energy level in IDCs | |
| Functions | |
| Cost of generation | |
References
- IEA. Data Centres and Data Transmission Networks. IEEE Trans. Power Syst. 2020, 8, 420–438. [Google Scholar]
- Weng, Y.; Nguyen, H.D. Interdependence Analysis and Co-optimization of Scattered Data Centers and Power Systems. In Proceedings of the 2022 IEEE 42nd International Conference on Distributed Computing Systems (ICDCS), Bologna, Italy, 10–13 July 2022; IEEE: Piscataway, NJ, USA; pp. 1272–1273. [Google Scholar]
- Weng, Y.; Ly, S.; Wang, P.; Nguyen, H.D. Hypothesis Testing for Mitigation of Operational Infeasibility on Distribution System under Rising Renewable Penetration. IEEE Trans. Sustain. Energy 2022, 14, 876–891. [Google Scholar] [CrossRef]
- Chen, T.; Marques, A.G.; Giannakis, G.B. DGLB: Distributed stochastic geographical load balancing over cloud networks. IEEE Trans. Parallel Distrib. Syst. 2016, 28, 1866–1880. [Google Scholar] [CrossRef]
- Zhang, Y.; Deng, L.; Chen, M.; Wang, P. Joint bidding and geographical load balancing for datacenters: Is uncertainty a blessing or a curse? IEEE/ACM Trans. Netw. 2018, 26, 1049–1062. [Google Scholar] [CrossRef]
- Guo, Y.; Li, H.; Pan, M. Colocation data center demand response using Nash bargaining theory. IEEE Trans. Smart Grid 2017, 9, 4017–4026. [Google Scholar] [CrossRef]
- Jawad, M.; Qureshi, M.B.; Khan, U.; Ali, S.M.; Mehmood, A.; Khan, B.; Wang, X.; Khan, S.U. A robust optimization technique for energy cost minimization of cloud data centers. IEEE Trans. Cloud Comput. 2018, 9, 447–460. [Google Scholar] [CrossRef]
- Wierman, A.; Liu, Z.; Liu, I.; Mohsenian-Rad, H. Opportunities and challenges for data center demand response. In Proceedings of the International Green Computing Conference, Dallas, TX, USA, 3–5 November 2014; IEEE: Piscataway, NJ, USA; pp. 1–10. [Google Scholar]
- Liu, Z.; Liu, I.; Low, S.; Wierman, A. Pricing data center demand response. ACM Sigmetrics Perform. Eval. Rev. 2014, 42, 111–123. [Google Scholar] [CrossRef]
- Cupelli, L.; Schütz, T.; Jahangiri, P.; Fuchs, M.; Monti, A.; Müller, D. Data center control strategy for participation in demand response programs. IEEE Trans. Ind. Inform. 2018, 14, 5087–5099. [Google Scholar] [CrossRef]
- Tran, N.H.; Tran, D.H.; Ren, S.; Han, Z.; Huh, E.N.; Hong, C.S. How geo-distributed data centers do demand response: A game-theoretic approach. IEEE Trans. Smart Grid 2015, 7, 937–947. [Google Scholar] [CrossRef]
- Liu, Z.; Wierman, A.; Chen, Y.; Razon, B.; Chen, N. Data center demand response: Avoiding the coincident peak via workload shifting and local generation. Perform. Eval. 2013, 70, 770–791. [Google Scholar] [CrossRef]
- Yang, T.; Zhao, Y.; Pen, H.; Wang, Z. Data center holistic demand response algorithm to smooth microgrid tie-line power fluctuation. Appl. Energy 2018, 231, 277–287. [Google Scholar] [CrossRef]
- Bajracharyay, L.; Awasthi, S.; Chalise, S.; Hansen, T.M.; Tonkoski, R. Economic analysis of a data center virtual power plant participating in demand response. In Proceedings of the 2016 IEEE Power and Energy Society General Meeting (PESGM), Boston, MA, USA, 17–21 July 2016; IEEE: Piscataway, NJ, USA; pp. 1–5. [Google Scholar]
- Chen, S.; Gong, F.; Zhang, M.; Yuan, J.; Liao, S.; Chen, H.; Li, D.; Tian, S.; Hu, X. Planning and Scheduling for Industrial Demand-Side Management: State of the Art, Opportunities and Challenges under Integration of Energy Internet and Industrial Internet. Sustainability 2021, 13, 7753. [Google Scholar] [CrossRef]
- Li, J.; Qi, W. Toward optimal operation of internet data center microgrid. IEEE Trans. Smart Grid 2016, 9, 971–979. [Google Scholar] [CrossRef]
- Yuventi, J.; Mehdizadeh, R. A critical analysis of power usage effectiveness and its use in communicating data center energy consumption. Energy Build. 2013, 64, 90–94. [Google Scholar] [CrossRef]
- Wang, P.; Zhang, Y.; Deng, L.; Chen, M.; Liu, X. Second chance works out better: Saving more for data center operator in open energy market. In Proceedings of the 2016 Annual Conference on Information Science and Systems (CISS), Princeton, NJ, USA, 16–18 March 2016; IEEE: Piscataway, NJ, USA; pp. 378–383. [Google Scholar]
- Liu, Y.; Weng, Y.; Yang, R.; Tran, Q.T.; Nguyen, H.D. Gaussian Process-based bilevel optimization with critical load restoration for system resilience improvement through data centers-to-grid scheme. Sustain. Energy Grids Netw. 2023, 34, 101007. [Google Scholar] [CrossRef]
- Wang, Y.; Lin, X.; Pedram, M. A Stackelberg Game-Based Optimization Framework of the Smart Grid With Distributed PV Power Generations and Data Centers. IEEE Trans. Energy Convers. 2014, 29, 978–987. [Google Scholar] [CrossRef]
- Huang, Y.; Lin, Z.; Liu, X.; Yang, L.; Dan, Y.; Zhu, Y.; Ding, Y.; Wang, Q. Bi-level Coordinated Planning of Active Distribution Network Considering Demand Response Resources and Severely Restricted Scenarios. J. Mod. Power Syst. Clean Energy 2021, 9, 1088–1100. [Google Scholar] [CrossRef]
- Pareek, P.; Yu, W.; Nguyen, H. Optimal Steady-state Voltage Control using Gaussian Process Learning. IEEE Trans. Ind. Inform. 2020, 17, 7017–7027. [Google Scholar] [CrossRef]
- Vardakas, J.S.; Zorba, N.; Verikoukis, C.V. A survey on demand response programs in smart grids: Pricing methods and optimization algorithms. IEEE Commun. Surv. Tutor. 2014, 17, 152–178. [Google Scholar] [CrossRef]
- Chen, N.; Ren, X.; Ren, S.; Wierman, A. Greening multi-tenant data center demand response. Perform. Eval. 2015, 91, 229–254. [Google Scholar] [CrossRef]
- Marzband, M.; Parhizi, N.; Savaghebi, M.; Guerrero, J.M. Distributed Smart Decision-Making for a Multimicrogrid System Based on a Hierarchical Interactive Architecture. IEEE Trans. Energy Convers. 2016, 31, 637–648. [Google Scholar] [CrossRef]
- Geng, H. Data Center Handbook; John Wiley & Sons: Hoboken, NJ, USA, 2014. [Google Scholar]













| Fast Response Unit | Reserve Price ($) | Wind Unit | Predicted Output (MW) | Worst Scenario Output (MW) |
|---|---|---|---|---|
| FR Unit 1 | 150 | Wind 1 | 200 | 50 |
| FR Unit 2 | 200 | Wind 2 | 150 | 0 |
| IDC | Nominal Demand (MW) | Workload Number | Local PV Predicted Output (MW) | Local PV Standard Deivation |
| IDC 1 | 100 | 60 | 20 | 7 |
| IDC 2 | 100 | 60 | 20 | 7 |
| DR Cost ($) | Reserve Cost ($) | IDC1 DR Price ($) | IDC2 DR Price ($) | |
|---|---|---|---|---|
| Proposed Method | 6.89k | 21.67k | 33.6 | 44.5 |
| Global Optimal | 6.65k | 22.63k | 35 | 43 |
| Method | Error | Consumed | Method | Error | Consumed | ||
|---|---|---|---|---|---|---|---|
| Kernel Function | Within Sample | Out of Sample | Time | Kernel Function | Within Sample | Out of Sample | Time |
| SE | 3.7% | 4.5% | <1 s | Matern 3/2 | 3.7% | 4.5% | <1 s |
| Exponential | 3.8% | 4.6% | <1 s | Matern 5/2 | 3.7% | 4.5% | <1 s |
| Linear | 13.6% | 15.8% | <1 s | Rational Quadratic | 3.7% | 4.6% | <1 s |
| Regression Tree | 3.7% | 4.5% | 2 s | Neural Network | 0% | 6.8% | 10 s |
Disclaimer/Publisher’s Note: The statements, opinions and data contained in all publications are solely those of the individual author(s) and contributor(s) and not of MDPI and/or the editor(s). MDPI and/or the editor(s) disclaim responsibility for any injury to people or property resulting from any ideas, methods, instructions or products referred to in the content. |
© 2023 by the authors. Licensee MDPI, Basel, Switzerland. This article is an open access article distributed under the terms and conditions of the Creative Commons Attribution (CC BY) license (https://creativecommons.org/licenses/by/4.0/).
Share and Cite
Weng, Y.; Liu, Y.; Lim, R.L.T.; Nguyen, H.D. Distributed Energy Resource Exploitation through Co-Optimization of Power System and Data Centers with Uncertainties during Demand Response. Sustainability 2023, 15, 10995. https://doi.org/10.3390/su151410995
Weng Y, Liu Y, Lim RLT, Nguyen HD. Distributed Energy Resource Exploitation through Co-Optimization of Power System and Data Centers with Uncertainties during Demand Response. Sustainability. 2023; 15(14):10995. https://doi.org/10.3390/su151410995
Chicago/Turabian StyleWeng, Yu, Yang Liu, Rachel Li Ting Lim, and Hung D. Nguyen. 2023. "Distributed Energy Resource Exploitation through Co-Optimization of Power System and Data Centers with Uncertainties during Demand Response" Sustainability 15, no. 14: 10995. https://doi.org/10.3390/su151410995
APA StyleWeng, Y., Liu, Y., Lim, R. L. T., & Nguyen, H. D. (2023). Distributed Energy Resource Exploitation through Co-Optimization of Power System and Data Centers with Uncertainties during Demand Response. Sustainability, 15(14), 10995. https://doi.org/10.3390/su151410995

