Next Article in Journal
Wolf (Canis lupus) Predation in Pastoral Livestock Systems: Case Study in Croatia
Previous Article in Journal
The Rise and Evolution of Wind Tower Designs in Egypt and the Middle East
 
 
Font Type:
Arial Georgia Verdana
Font Size:
Aa Aa Aa
Line Spacing:
Column Width:
Background:
Article

New Hybrid MPPT Technique Including Artificial Intelligence and Traditional Techniques for Extracting the Global Maximum Power from Partially Shaded PV Systems

1
Department of Electronics and Communication Engineering, Faculty of Engineering at Helwan, Helwan University, Cairo 11722, Egypt
2
Department of Electrical Engineering, Faculty of Engineering at Helwan, Helwan University, Cairo 11722, Egypt
*
Author to whom correspondence should be addressed.
Sustainability 2023, 15(14), 10884; https://doi.org/10.3390/su151410884
Submission received: 6 May 2023 / Revised: 30 June 2023 / Accepted: 6 July 2023 / Published: 11 July 2023

Abstract

This research aimed to increase the power captured from photovoltaic (PV) systems by continuously adjusting the PV systems to work at the maximum power point under climate changes such as solar irradiance change and temperature change and by tracking the global maximum power under partial shading conditions (PSCs). Under the effect of partial shading (PS), the PV curve has many local maximum peaks (LMPs) and one global maximum peak (GMP) which is dynamic because it changes with time when the shading pattern (SP) changes. The traditional maximum power point tracking (MPPT) methods are unable to track the Dynamic GMP and may fall into one of the LMPs. Many modern MPPT methods have been introduced that can track the Dynamic GMP, but their effectiveness can be improved. In this respect, this work introduces a new optimal MPPT technique to enhance the performance of the maximum power point tracking of solar cells under environmental changes and partial shading conditions. The proposed technique combines three well-known and important MPPT techniques, which are the Artificial Neural Network (ANN), Variable Step Perturb and Observe (VSP&O), and Fuzzy Logic Controller (FLC). Artificial Neural Network gives a voltage near the optimum voltage, Variable Step Perturb and Observe updates the voltage to get close to the optimum voltage, and Fuzzy Logic Controller updates the step size of the (P&O) technique. The proposed hybrid ANN-VSP&O-FLC technique showed its ability to track the Dynamic GMP accurately and quickly under the variation in the shading patterns with time and its ability to follow maximum power efficiently and quickly under climate changes. The proposed hybrid ANN-VSP&O-FLC technique also showed very low distortions in waveforms and very low oscillations around the steady state. The proposed hybrid ANN-VSP&O-FLC technique was compared to the most recent and effective MPPT techniques in terms of steady-state behavior, tracking speed, tracking efficiency, and distortions in waveforms, and the comparison showed that it is superior to them, with lower distortions in waveforms, a faster tracking speed (less than 0.1 s), higher tracking efficiency (greater than 99.65%), and lower oscillations around the steady state (less than 2 Watts).

1. Introduction

Living standards and the quality of life are steadily rising with society’s ongoing advancement, but an impending energy deficit is also present. In this context, creating and utilizing sources of renewable energy will be effective to meet the energy demand and to help to accomplish the great progress of human society, due to the characteristics of clean energy, high efficiency, and low production costs [1,2]. The most significant source of renewable energy is photovoltaic (PV) energy because of its availability, cost-effectiveness, accessibility, capacity, and efficiency compared to other renewable energy sources [3]. According to the International Energy Agency [4], the solar power capacity worldwide will be about 3.5 trillion kWh by the end of 2030, and it will be about 10 trillion kWh by the end of 2050. An efficient tracker of the optimal power point is important for the photovoltaic system to maximize the energy captured and its efficiency. The tracking of the maximum power point (MPP) of the PV system mainly depends on adjusting the duty cycle of the DC-DC boost converter during changes in irradiance, temperature, and PSCs by using a suitable MPPT technique. Many conventional MPPT techniques are used, such as the Perturb and Observe (P&O) technique [5,6], the Variable Step P&O technique [7], the Incremental Conductance (INC) technique, the Modified Incremental Conductance (Modified INC) technique [8], and the Hill Climbing technique [9], which are widely used because they are simple, easy to implement, and low in cost. These conventional techniques are efficient in tracking the maximum power point under uniform radiation, but they are unable to track the GMP and may fall into one of the LMPs under PSCs, which causes a dramatic decrease in energy captured (efficiency). Thus, many modern MPPT techniques have been introduced to solve this problem, mainly classified into two types: (I) bio-inspired MPPT techniques and (II) MPPT techniques based on artificial intelligence (AI).
Particle swarm optimization (PSO) is the most widely used bio-inspired MPPT technique for solar photovoltaic systems because of its simple construction, its independence from the system, and its few parameters to be adjusted. In PSO, particles are moved in random directions and the best local and global values are calculated (Pbest and Gbest) to be used by the particles to update their positions toward the best solution; this process is very suitable in maximum power point tracking of solar PV systems [10,11,12]. Studies have checked the variation in the photovoltaic output voltage and output current to detect the radiation and shading pattern changes, but these variations do not guarantee that the shading pattern has changed because the PV voltage and current may change due to normal radiation change, load change, or both, without changes in the shading pattern.
So, this study introduces two new methods to initialize the particles of PSO in the search space to track the Dynamic GMP under varying shading patterns that are initialized based on the detection of a change in the shading pattern and based on a predefined time [13]. Modified PSO techniques are introduced to improve tracking speed, reduce the oscillations around MPP, and improve efficiency [14,15,16]. Other effective bio-inspired MPPT techniques are used as well, such as the Cuckoo Search (CS) algorithm [17], the Ant Bee Colony (ACO) algorithm [18], the Flower Pollination (FPA) Algorithm [19], and the Firefly algorithm (FA) [20]. Bio-inspired MPPT techniques are also hybridized with conventional techniques, showing remarkable improvements. In [21,22], PSO is hybridized with P&O, and in [23], ACO is hybridized with P&O. AI-based MPPT techniques such as FLC and ANN techniques are widely used in tracking MPP in solar PV systems [24,25,26].
A hybrid PSO-FLC algorithm is introduced, which shows remarkable improvements and better performance than traditional PSO [27,28]. A hybrid FLC-FA algorithm [29] and a hybrid GA-FLC algorithm are used as well [30]. ANN is widely used in MPPT of solar PV systems because of its accuracy and fast response [31,32,33]. A hybrid ANN-PSO algorithm is introduced, which decreases error and increases efficiency [34]. A hybrid GA/PSO-FLC is introduced, which shows better performance than GA-FLC and PSO-FLC [35]. An RBFC-based fuzzy algorithm is introduced and compared with other algorithms and proved to be superior over the others in terms of tracking speed and efficiency [36]. In this study, a new hybrid ANN-VSP&O-FLC technique is proposed, proving its superiority over others in terms of tracking speed, efficiency, distortions in the waveforms of the PV response, and oscillations around MPP.
The structure of the paper is as follows. Section 2 describes the model of the PV array, the I-V and P-V characteristics of the solar PV system, and the behavior of the PV system under PSCs. Section 3 illustrates the DC-DC boost converter. Section 4 demonstrates the proposed photovoltaic system under PSCs. Section 5 introduces the proposed hybrid ANN-VSP&O-FLC technique. Section 6 discusses the simulations. Section 7 discusses the comparative study between the proposed technique and the most recent and effective MPPT techniques. Section 8 provides the conclusion.

2. PV System

2.1. Modeling of PV Array

The equivalent circuit for a photovoltaic cell is shown in Figure 1, and it consists of a diode, a parallel resistor, and a series resistor.
The following equations represent the I-V characteristics of the PV cell [37,38]:
I pv = I ph I D V p v + I p v R s R p
I D = I s   ( e V D V T 1 )
V D = V pv + I p v R s
V T = A K T q
Substituting Equations (2)–(4) into Equation (1), we obtain the following:
I pv = I ph I s   ( e q ( V p v + I p v R s ) A K T 1 ) V p v + I p v R s R p
where Ipv is the current of the photovoltaic cell, Vpv is the voltage of the photovoltaic cell, Rs is the series resistor, Rp is the parallel resistor, T is the temperature, A is the value of the diode ideality constant, Is is the reverse saturation current, ID is the current of the internal diode, and Iph is the photocurrent from the photovoltaic cell.
The simulated PV module is the 1Soltech 1STH-215-P and Table 1 shows its specifications. The simulated PV array consists of 64 parallel strings and each string consists of two series PV modules.

2.2. Current–Voltage and Power–Voltage Characteristics of Solar PV System

The maximum power point in the I-V and P-V curves changes when the solar irradiance changes, so we need an accurate MPPT technique to track the maximum power point. ISC, VOC, and maximum power increase as the solar irradiance increases, and vice versa when the irradiance decreases, as shown in Figure 2.
On the other hand, when the temperature changes, there is a major change in PV voltage, but a minor change in PV current occurs, as shown in Figure 3.

2.3. PV System under Partial Shading Conditions

PV modules suffer from partial or total shading resulting from objects that block sunlight [39]. Shading may also result from surrounding plants, dust, and dirt. Under PSCs, the PV array has many local peaks but only one global peak, so an accurate MPPT technique is needed to track the global peak accurately to obtain the maximum power from the PV array and to avoid falling into one of the local peaks, which causes power loss. The P-V curve of the PV array under PSCs is shown in Figure 4.

3. DC-DC Boost Converter

Boost converter is implemented in PV systems to provide a link between the PV-generating system and the loads. PV panels are controlled to operate at an optimal point by controlling the duty cycle of the boost converter by changing the activation/deactivation of the Mosfet transistor of the boost converter. Equation (6) describes the output–input voltage relationship of the DC-DC boost converter:
V o u t V i n = 1 1 D
where D is the duty cycle, which varies between 0 and 1. The converter is used as a step-up converter when the voltage ratio is greater than 1. The circuit diagram of the boost converter is presented in Figure 5.

4. Description of the Proposed Photovoltaic System under Partial Shading Conditions

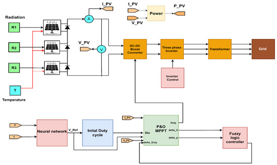
Figure 6 presents the schematic diagram of the proposed PV energy system, which consists of three PV arrays that are connected to the utility grid, a three-phase inverter, and a DC-DC boost converter. The control includes the hybrid ANN–Variable Step P&O–Fuzzy Logic Controller (ANN-VSP&O-FLC) and the controller of the three-phase inverter. The temperature and the irradiance are the inputs to each PV array; to illustrate the time-variant PSCs, three different irradiances are applied to the three PV arrays. Two LMPs and one GMP are generated for each shading pattern. The position of the GMP changes on the P-V curve when the shading pattern changes. Time-variant irradiances are used to change the shading pattern to show the response of the ANN-VSP&O-FLC technique to track the Dynamic GMP under time-variant PSCs.

5. Dynamic Global Power Extraction Using the Hybrid ANN-VSP&O-FLC Technique

The ANN structure used in this method is a Feedforward Neural Network (FFNN), which provides faster convergence, a smaller mean square error, and a higher regression coefficient than other neural networks [24], and in addition to that, it shows the lowest computational complexity among all the other neural networks [40]. The proposed Feedforward Neural Network consists of three hidden layers, four inputs, and one output. The inputs are the three irradiances (Ir1, Ir2, Ir3) and the temperature (T). The output is the reference voltage (Vref), which is near the voltage of the maximum power point. Each of the first and the second hidden layers consists of 20 neurons, and the activation function of these neurons is the tansig function; the third hidden layer consists of 10 neurons and their activation function is the tansig function; the output layer consists of 1 neuron and its activation function is the purelin function. Figure 7 shows the block diagram of the proposed Feedforward Neural Network.
The following equations represent the proposed Feedforward Neural Network:
a i 2 t = n = 1 4 W n i 2   X n 1 ; i = 1,2 , ,   20
  X i 2 t = f   a i 2 t    
      X i 2 t = 2 1 + e 2 a i 2 t 1 ;      
where X i 2 t represents the outputs of the neurons in the first hidden layer. W n i 2 represents the connecting weights of the neurons from the input layer to the first hidden layer.
            a i 3 t = n = 1 20 W n i ( 3 )   X n ( 2 ) ; i = 1,2 , ,   20
            X i 3 t = f   a i 3 t
      X i 3 t = 2 1 + e 2 a i 3 t 1 ;  
where X i 3 t represents the outputs of the neurons in the second hidden layer. W n i 3 represents the connecting weights of the neurons from the first hidden layer to the second hidden layer.
                      a i 4 t = n = 1 20 W n i ( 4 )   X n ( 3 ) ; i = 1,2 , ,   10
        X i 4 t = f   a i 4 t              
  X i 4 t = 2 1 + e 2 a i 4 t 1  
where X i 4 t represents the outputs of the neurons in the third hidden layer. W n i 4 represents the connecting weights of the neurons from the second hidden layer to the third hidden layer.
                      H 5 t = n = 1 10 W n ( 5 )   X n ( 4 )
Y 5 t = f   H 5 t            
  Y 5 t = H 5 t
where W n 5 represents the connecting weights of the neurons from the third hidden layer to the output layer. Y 5 t represents the final output of the feedforward neural network. The biases in all the hidden layers and the output layer are set to zero.
A dataset of 27,000 samples was collected and used to train the proposed Feedforward Neural Network. Each sample consisted of the four inputs (Ir1, Ir2, Ir3, T) and the target output (Vref). The training dataset was 70% of the collected dataset, the validation dataset was 15% of the collected dataset, and the testing dataset was 15% of the collected dataset. The dataset was collected using a simulation file that uses a variable voltage source connected to the terminal of the photovoltaic system to obtain the PV power corresponding to each PV voltage; then, the maximum PV power and its corresponding PV voltage are selected (Vmpp). Figure 8 presents the block diagram of the simulation file used to obtain the dataset.
The Levenberg–Marquardt (LM) Back-Propagation algorithm was used to train the proposed Feedforward Neural Network by updating the weights to minimize the mean square error (MSE) and obtain the best value for the regression coefficient (R). The Levenberg–Marquardt (LM) algorithm proved its superiority over the other training algorithms such as the Bayesian Regularization (BR) algorithm and the Gradient Descent (GD) algorithm [24].
The Levenberg–Marquardt (LM) Back-Propagation algorithm uses the following equations to update the weights [41]:
                  Δ w i j = w i j n J k T   J k + µ I 1   J k e k
w i j   n + 1 =   w i j n + Δ w i j
where
w i j n + 1 : n e w   w e i g h t , w i j n : c u r r e n t   w e i g h t , J k : J a c o b i a n   m a t r i x
e k   :   e r r o r   , µ :   c o m b i n a t i o n   c o e f f i c i e n t
Figure 9 shows the results of training, testing, and validation, and their comparison with target data trained using the Levenberg–Marquardt (LM) Back-Propagation algorithm.
The logic sequence of the hybrid ANN–Variable Step P&O–Fuzzy Logic Controller (ANN-VSP&O-FLC) algorithm is as follows:
  • Step 1: Initialize the reference voltage (Vrefprev), the PV system power (Pprev), and the PV system voltage (Vprev) with zero.
  • Step 2: The reference voltage (Vref) is sensed from the output of the Feedforward Neural Network corresponding to its inputs (Ir1, Ir2, Ir3, T).
  • Step 3: Calculate the change in reference voltage (deltaV) from the following equation:
deltaV = V r e f V r e f p r e v V r e f
  • Step 4: Calculate the input duty cycle (Din) from the following equation:
Din = V r e f V d c
where Vdc is the output DC voltage of the DC-DC boost converter.
  • Step 5: Send the input duty cycle (Din) to the DC-DC boost converter and assign it to the previous duty cycle (Dprev).
  • Step 6: Sense the PV system power (P) and the PV system voltage (V).
  • Step 7: Calculate the change in power (deltapow) of the PV system from the following equations:
deltapow = P P p r e v P  
  • Step 8: The Fuzzy Logic Controller (FLC) is used to calculate the change in duty cycle (deltaD) to be used in the P&O algorithm to update the duty cycle of the boost converter. The inputs of the Fuzzy Logic Controller are the deltaV and the deltapow, calculated in the previous step, and the output is deltaD. The rules of the proposed FLC are presented in Table 2, and Figure 10 shows the membership functions of the Fuzzy Logic Controller inputs (deltaV, deltapow) and output (deltaD).
  • Step 9: The P&O algorithm calculates the updated duty cycle of the boost converter (D) by checking the value of PV system power (P), the PV system’s previous power (Pprev), PV system voltage (V), and the PV system’s previous voltage (Vprev), and then carries out the following actions:
  • If (P > Pprev) and (V > Vprev), then decrease the duty cycle by deltaD.
  • If (P > Pprev) and (V < Vprev), then increase the duty cycle by deltaD.
  • If (P < Pprev) and (V > Vprev), then increase the duty cycle by deltaD.
  • If (P < Pprev) and (V < Vprev), then decrease the duty cycle by deltaD.
Then, assign the value of the Vref to the Vrefprev, assign the value of the V to the Vprev, and assign the value of the P to the Pprev, then send the duty cycle (D) to the DC-DC boost converter and assign it to the previous duty cycle (Dprev).
  • Step 10: Sense the reference voltage (Vref) from the output of the Feedforward Neural Network corresponding to its inputs (Ir1, Ir2, Ir3, T).
  • Step 11: Recalculate the change in reference voltage (deltaV) from Equation (21) to check if the shading pattern (SP) changed or not by performing the following actions:
  • If the deltaV is greater than the tolerance (1%), then the shading pattern has changed; go back to Step 4.
  • If the deltaV is less than the tolerance (1%), then the shading pattern has not changed; go back to Step 6.
The flowchart of the hybrid ANN–Variable Step P&O–Fuzzy Logic Controller (ANN-VSP&O-FLC) algorithm is presented in Figure 11.

6. Simulation Results and Discussion

The effective performance of the hybrid ANN-VSP&O-FLC technique to follow the Dynamic GMP of the photovoltaic system under PSCs was proved by applying twelve different shading patterns to the photovoltaic system. Each shading pattern (SP) consisted of three different radiations which were applied to the three PV arrays in order to represent partial shading because the same radiation was applied to the three PV arrays under no partial shading. Each shading pattern was applied for 10 s, so the total simulation time was 120 s. The output photovoltaic response is discussed in the following intervals:
  • First interval (0–10 s): The shading pattern (SP1) (Ir1 = 400 W/m2, Ir2 = 600 W/m2, Ir3 = 300 W/m2) is applied to the PV system at (T = 25 °C), causing the GMP to be (Pactual = 27.293 Kw) at position (Vact = 185.856 V). As shown in Figure 12a, the hybrid ANN-VSP&O-FLC technique succeeded in tracking the GMP accurately (Ppv = 27.291 kW, Vpv = 186.4 V, duty cycle = 0.63), with very low oscillations around the steady state (less than 2 Watts) and with very high tracking efficiency (99.993%) and tracking speed (0.08 s), as shown in Figure 13 and Figure 14a.
  • Second interval (10–20 s): SP1 is changed to SP2 (Ir1 = 200 W/m2, Ir2 = 400 W/m2, Ir3 = 600 W/m2) at (T = 25 °C); the value of the GMP and its position are changed (Pactual = 23.466 kW, Vact = 120.97 V). As shown in Figure 12b, the hybrid ANN-VSP&O-FLC technique succeeded in tracking the GMP accurately and quickly (Ppv = 23.447 kW, Vpv = 121 V, duty cycle = 0.76, tracking efficiency = 99.92%, tracking speed = 0.04 s), with very low oscillations around the steady state (less than 1 Watt), as shown in Figure 13 and Figure 14b.
  • Third interval (20–30 s): SP2 is changed to SP3 (Ir1 = 200 W/m2, Ir2 = 100 W/m2, Ir3 = 500 W/m2) at (T = 25 °C); the value of the GMP and its position are changed (Pactual = 13.417 kW, Vact = 56.991 V). As shown in Figure 12c, the hybrid ANN-VSP&O-FLC technique succeeded in tracking the GMP accurately and quickly (Ppv = 13.37 kW, Vpv = 56.84 V, duty cycle = 0.89, tracking efficiency = 99.65%, tracking speed = 0.05 s), with very low oscillations around the steady state (less than 1 Watt), as shown in Figure 13 and Figure 14c.
  • Fourth interval (30–40 s) = SP3 is changed to SP4 (Ir1 = 800 W/m2, Ir2 = 400 W/m2, Ir3 = 900 W/m2) at (T = 25 °C); the value of the GMP and its position are changed (Pactual = 45.217 kW, Vact = 117.552 V). As shown in Figure 15a, the hybrid ANN-VSP&O-FLC technique succeeded in tracking the GMP accurately and quickly (Ppv = 45.18 kW, Vpv = 117.42 V, duty cycle = 0.77, tracking efficiency = 99.918%, tracking speed = 0.06 s), with very low oscillations around the steady state (less than 1 Watt), as shown in Figure 16 and Figure 17a.
  • Fifth interval (40–50 s) = SP4 is changed to SP5 (Ir1 = 930 W/m2, Ir2= 350 W/m2, Ir3 = 220 W/m2) at (T = 25 °C); the value of the GMP and its position are changed (Pactual = 24.562 kW, Vact = 56.31 V). As shown in Figure 15b, the hybrid ANN-VSP&O-FLC technique succeeded in tracking the GMP accurately and quickly (Ppv = 24.476 kW, Vpv = 56.05 V, duty cycle = 0.89, tracking efficiency = 99.65%, tracking speed = 0.08 s), with very low oscillations around the steady state (less than 1 Watt), as shown in Figure 16 and Figure 17b.
  • Sixth interval (50–60 s): SP5 is changed to SP6 (Ir1 = 820 W/m2, Ir2 = 410 W/m2, Ir3 = 900 W/m2) at (T = 25 °C); the value of the GMP and its position are changed (Pactual = 46.08 kW, Vact = 117.05 V). As shown in Figure 15c, the hybrid ANN-VSP&O-FLC technique succeeded in tracking the GMP accurately and quickly (Ppv = 46.045 kW, Vpv = 116.9 V, duty cycle = 0.77, tracking efficiency = 99.924%, tracking speed = 0.06 s), with very low oscillations around the steady state (less than 1 Watt), as shown in Figure 16 and Figure 17c.
  • Seventh interval (60–70 s): SP6 is changed to SP7 (Ir1 = 990 W/m2, Ir2 = 770 W/m2, Ir3 = 910 W/m2) at (T = 25 °C); the value of the GMP and its position are changed (Pactual = 68.068 kW, Vact = 181.5 V). As shown in Figure 18a, the hybrid ANN-VSP&O-FLC technique succeeded in tracking the GMP accurately and quickly (Ppv = 68.02 kW, Vpv = 181.67 V, duty cycle = 0.642, tracking efficiency = 99.93%, tracking speed = 0.06 s), with very low oscillations around the steady state (less than 1 Watt), as shown in Figure 19 and Figure 20a.
  • Eighth interval (70–80 s): SP7 is changed to SP8 (Ir1 = 950 W/m2, Ir2 = 880 W/m2, Ir3 = 250 W/m2) at (T = 25 °C); the value of the GMP and its position are changed (Pactual = 49.1 kW, Vact = 116.52 V). As shown in Figure 18b, the hybrid ANN-VSP&O-FLC technique succeeded in tracking the GMP accurately and quickly (Ppv = 49.06 kW, Vpv = 116.22 V, duty cycle = 0.77, tracking efficiency = 99.918%, tracking speed = 0.05 s), with very low oscillations around the steady state (less than 1 Watt), as shown in Figure 19 and Figure 20b.
  • Ninth interval (80–90 s): SP8 is changed to SP9 (Ir1 = 440 W/m2, Ir2 = 620 W/m2, Ir3 = 670 W/m2) at (T = 25 °C); the value of the GMP and its position are changed (Pactual = 39.939 kW, Vact = 185.85 V). As shown in Figure 18c, the hybrid ANN-VSP&O-FLC technique succeeded in tracking the GMP accurately and quickly (Ppv = 39.937 kW, Vpv = 186.16 V, duty cycle = 0.631, tracking efficiency = 99.995%, tracking speed = 0.08 s), with very low oscillations around the steady state (less than 2 Watts), as shown in Figure 19 and Figure 20c.
  • Tenth interval (90–100 s): SP9 is changed to SP10 (r1 = 1000 W/m2, Ir2 = 100 W/m2, Ir3 = 900 W/m2) at (T = 25 °C); the value of the GMP and its position are changed (Pactual = 50.457 kW, Vact = 116.866 V). As shown in Figure 21a, the hybrid ANN-VSP&O-FLC technique succeeded in tracking the GMP accurately and quickly (Ppv = 50.413 kW, Vpv = 116.53 V, duty cycle = 0.772, tracking efficiency = 99.913%, tracking speed = 0.07 s), with very low oscillations around the steady state (less than 1 Watt), as shown in Figure 22 and Figure 23a.
  • Eleventh interval (100–110 s): SP10 is changed to SP11 (Ir1 = 400 W/m2, Ir2 = 300 W/m2, Ir3 = 800 W/m2) at (T = 25 °C); the value of the GMP and its position are changed (Pactual = 27.517 kW, Vact = 187.67 V). As shown in Figure 21b, the hybrid ANN-VSP&O-FLC technique succeeded in tracking the GMP accurately and quickly (Ppv = 27.5155 kW, Vpv = 187.83 V, duty cycle = 0.626, tracking efficiency = 99.995%, tracking speed = 0.07 s), with very low oscillations around the steady state (less than 2 Watts), as shown in Figure 22 and Figure 23b.
  • Twelfth interval (110–120 s): SP11 is changed to SP12 (Ir1 = 800 W/m2, Ir2 = 200 W/m2, Ir3 = 500 W/m2) at (T = 25 °C); the value of the GMP and its position are changed (Pactual = 29.483 kW, Vact = 121.968 V). As shown in Figure 21c, the hybrid ANN-VSP&O-FLC technique succeeded in tracking the GMP accurately and quickly (Ppv = 29.46 kW, Vpv = 121.34 V, duty cycle = 0.76, tracking efficiency = 99.92%, tracking speed = 0.07 s), with very low oscillations around the steady state (less than 1 Watt), as shown in Figure 22 and Figure 23c.
Table 3 concludes the simulation results of the first six intervals and Table 4 concludes the simulation results of the last six intervals. They show the ability of the hybrid ANN-VSP&O-FLC technique to track the Dynamic GMP accurately with efficiency ranging from 99.65% to 99.995% and quickly with tracking speed ranging from 0.04 s to 0.08 s. Table 3 and Table 4 show also that there are very low distortions and very low oscillations around the steady state (less than 2 Watts) in the PV system response under different SPs based on the hybrid ANN-VSP&O-FLC technique.
The performance of the hybrid ANN-VSP&O-FLC technique to follow the maximum power under normal irradiance change or temperature change without partial shading was tested as well by applying nine different patterns to the photovoltaic system; each pattern consisted of the irradiance (Ir) and the temperature (T) and was applied for (10 s), so the total simulation time was 90 s. The output photovoltaic response is discussed in the following intervals:
  • First interval (0–10 s): Pattern 1 is applied to the photovoltaic system (Ir = 1000 W/m2, T = 25 °C), causing the maximum power to be at (Pactual = 81.772 kW), as shown in Figure 24a. The hybrid ANN-VSP&O-FLC technique succeeded in following the maximum power (Ppv = 81.77 kW) accurately (with tracking efficiency = 99.998%) and quickly (with tracking speed = 0.08 s); also, there are very low distortions in waveforms and very low oscillations around the steady state (less than 2 Watts), as shown in Figure 25 and Figure 26a.
  • Second interval (10–20 s): Pattern 2 is applied to the PV system (Ir = 500 W/m2, T =25 °C), causing the maximum power to be at (Pactual = 41.47 kW), as shown in Figure 24b. The hybrid ANN-VSP&O-FLC technique succeeded in following the maximum power (Ppv = 41.465 kW) accurately (with tracking efficiency= 99.99%) and quickly (with tracking speed = 0.08 s); also, there are very low distortions in waveforms and very low oscillations around the steady state (less than 2 Watt), as shown in Figure 25 and Figure 26b.
  • Third interval (20–30 s): Pattern 3 is applied to the PV system (Ir = 300 W/m2, T = 25 °C), causing the maximum power to be at (Pactual = 24.726 kW), as shown in Figure 24c. The hybrid ANN-VSP&O-FLC technique succeeded in following the maximum power (Ppv = 24.723 kW) accurately (with tracking efficiency = 99.99%) and quickly (with tracking speed = 0.05 s); also, there are very low distortions in waveforms and very low oscillations around the steady state (less than 1 Watt), as shown in Figure 25 and Figure 26c.
  • Fourth interval (30–40 s): Pattern 4 is applied to the PV system (Ir = 1000 W/m2, T = 30 °C), causing the maximum power to be at (Pactual = 80.11 kW), as shown in Figure 27a. The hybrid ANN-VSP&O-FLC technique succeeded in following the maximum power (Ppv = 80.1095 kW) accurately (with tracking efficiency = 99.999%) and quickly (with tracking speed = 0.06 s); also, there are very low distortions in waveforms and very low oscillations around the steady state (less than 1 Watt), as shown in Figure 28 and Figure 29a.
  • Fifth interval (40–50 s): Pattern 5 is applied to the PV system (Ir = 500 W/m2, T = 30 °C), causing the maximum power to be at (Pactual = 40.622 kW), as shown in Figure 27b. The hybrid ANN-VSP&O-FLC technique succeeded in following the maximum power (Ppv = 40.613 kW) accurately (with tracking efficiency = 99.98%) and quickly (with tracking speed = 0.08 s); also, there are very low distortions in waveforms and very low oscillations around the steady state (less than 1 Watt), as shown in Figure 28 and Figure 29b.
  • Sixth interval (50–60 s): Pattern 6 is applied to the PV system (Ir = 300 W/m2, T = 30 °C), causing the maximum power to be at (Pactual = 24.21 kW), as shown in Figure 27c. The hybrid ANN-VSP&O-FLC technique succeeded in following the maximum power (Ppv = 24.204 kW) accurately (with tracking efficiency = 99.975%) and quickly (with tracking speed = 0.09 s); also, there are very low distortions in waveforms and very low oscillations around the steady state (less than 2 Watts), as shown in Figure 28 and Figure 29c.
  • Seventh interval (60–70 s): Pattern 7 is applied to the PV system (Ir = 1000 W/m2, T = 35 °C), causing the maximum power to be at (Pactual = 78.434 kW), as shown in Figure 30a. The hybrid ANN-VSP&O-FLC technique succeeded in following the maximum power (Ppv = 78.432 kW) accurately (with tracking efficiency = 99.997%) and quickly (with tracking speed = 0.08 s); also, there are very low distortions in waveforms and very low oscillations around the steady state (less than 1 Watt), as shown in Figure 31 and Figure 32a.
  • Eighth interval (70–80 s): Pattern 8 is applied to the PV system (Ir = 500 W/m2, T = 35 °C), causing the maximum power to be at (Pactual = 39.765 kW), as shown in Figure 30b. The hybrid ANN-VSP&O-FLC technique succeeded in following the maximum power (Ppv = 39.756 kW) accurately (with tracking efficiency = 99.977%) and quickly (with tracking speed = 0.07 s); also, there are very low distortions in waveforms and very low oscillations around the steady state (less than 1 Watt), as shown in Figure 31 and Figure 32b.
  • Ninth interval (80–90 s): Pattern 9 is applied to the PV system (Ir = 300 W/m2, T = 35 °C), causing the maximum power to be at (Pactual = 23.685 kW), as shown in Figure 30c. The hybrid ANN-VSP&O-FLC technique succeeded in following the maximum power (Ppv = 23.68 kW) accurately (with tracking efficiency = 99.98%) and quickly (with tracking speed = 0.05 s); also, there are very low distortions in waveforms and very low oscillations around the steady state (less than 2 Watts), as shown in Figure 31 and Figure 32c.
Table 5 concludes the simulation results of the first six intervals and Table 6 concludes the simulation results of the last three intervals, and they show the ability of the hybrid ANN-VSP&O-FLC technique to track the maximum power accurately with efficiency ranging from 99.975% to 99.999% and quickly with tracking speed ranging from 0.05 s to 0.09 s under variant irradiances and temperatures. Table 5 and Table 6 show also that there are very low distortions and very low oscillations around the steady state (less than 2 watts) in the PV output power under variant irradiances and temperatures based on the hybrid ANN-VSP&O-FLC technique.

7. Comparative Study between the Proposed ANN-VSP& the Meaning Is Retained O-FLC Technique and the Most Recent and Effective MPPT Techniques

A new study [42] introduced a new MPPT technique called HSFLA-PS-ANFIS-INC and compared it with other important MPPT techniques such as P&O, INC, FLC, HC, BAT-ANFIS-INC, and ICA-ANFIS-INC in terms of tracking speed, tracking efficiency, and oscillations around the steady state. The comparison showed a preference for the HSFLA-PS-ANFIS-INC technique over the others with lower oscillations around the steady state (4.89 Watts), a faster tracking speed equal to 0.14 s, and higher tracking efficiency equal to 99.38%. Another new study [43] introduced a new MPPT technique called θ-MKH-SMC and compared it with other important MPPT techniques such as P&O, INC, FLC, HC, and the θ method in terms of tracking speed, tracking efficiency, and oscillations around the steady state. The comparison showed a preference for the θ-MKH-SMC technique over the others with lower oscillations around the steady state (4.36 Watts), a faster tracking speed equal to 0.16 s, and higher tracking efficiency equal to 99.42%. Comparing the simulation results of the proposed hybrid ANN-VSP&O-FLC technique with the simulation results of the HSFLA-PS-ANFIS-INC and θ-MKH-SMC techniques, the proposed hybrid ANN-VSP&O-FLC technique has a faster tracking speed (less than 0.1 s), higher tracking efficiency (more than 99.65%), and lower oscillations around the steady state (less than 2 Watts) than HSFLA-PS-ANFIS-INC and θ-MKH-SMC techniques, as presented in Table 7. The computational complexity of the HSFLA-PS-ANFIS-INC technique is higher than the proposed ANN-VSP&O-FLC technique because it consists of the Adaptive Neuro-Fuzzy Inference System (ANFIS) and the Incremental Conductance (INC) technique, and the ANFIS is trained by the hybrid Shuffled Frog-leaping and Pattern Search Algorithm (HSFLA-PS). The computational complexity of the proposed ANN-VSP&O-FLC technique is higher than that of the θ-MKH-SMC technique. Moreover, in [42,43], the authors studied the performance of the techniques under environmental changes (irradiance and temperature changes) only and did not study the performance of the techniques under partial shading conditions. In this work, the proposed ANN-VSP&O-FLC technique was studied and proved its superiority under environmental changes (irradiance and temperature changes) and partial shading conditions.
A new study [36] introduced a new MPPT technique called RBFC-based Fuzzy and compared it with other important MPPT techniques such as Adaptive P&O, Adaptive FFNNC, and ANN-based HC in terms of tracking speed, tracking efficiency, and distortions in waveforms. The comparison showed a preference for the RBFC-based Fuzzy technique over the others with lower distortions in waveforms, a faster tracking speed equal to 0.206 s, and higher tracking efficiency equal to 98.15%. Comparing the simulation results of the proposed hybrid ANN-VSP&O-FLC technique with the simulation results of the RBFC-based Fuzzy technique, the proposed hybrid ANN-VSP&O-FLC technique has a faster tracking speed (less than 0.1 s), higher tracking efficiency (more than 99.65%) and lower distortions in waveforms than the RBFC-based Fuzzy technique, as presented in Table 8. Both techniques have high computational complexity and no clear preference is indicated for any of them.

8. Conclusions

In this work, the proposed hybrid ANN-VSP&O-FLC technique was introduced to enhance the performance of the maximum power point tracking of a photovoltaic system under partial shading conditions and climate changes. The proposed technique provides a very high tracking speed (less than 0.1 s), very high tracking efficiency (more than 99.65%), very low distortions in waveforms, and very low oscillations around the steady state (less than 2 Watts). It also proved its ability to track the maximum power of the photovoltaic system quickly and efficiently under climate changes and partial shading conditions. The proposed technique was demonstrated by using the environment of MATLAB/Simulink and was compared with other effective and modern techniques and proved its superiority over the others in terms of tracking speed, efficiency, distortions in the waveforms of the PV response, and oscillations around the steady state. In future works, MPPT with the hybrid ANN-VSP&O-FLC technique will be evaluated on an experimental hardware platform.

Author Contributions

Conceptualization, M.Z.-E.M. and F.A.; methodology, M.Z.-E.M., R.M. and F.A.; software, M.Z.-E.M. and A.M.; validation, M.Z.-E.M. and A.M.; formal analysis, R.M. and F.A.; writing—review and editing, M.Z.-E.M., R.M. and A.M. All authors have read and agreed to the published version of the manuscript.

Funding

This research received no external funding.

Institutional Review Board Statement

Not applicable.

Informed Consent Statement

Not applicable.

Data Availability Statement

The data presented in this study are available from the corresponding author upon reasonable request.

Conflicts of Interest

The authors declare no conflict of interest.

List of Abbreviations

PVPhotovoltaic
ANNArtificial Neural Network
VSP&OVariable Step Perturbation and Observation
FLCFuzzy Logic Controller
GMPGlobal maximum peak
LMPLocal maximum peak
SPShading pattern
PSCPartial shading condition
MPPTMaximum power point tracking
MPPMaximum power point

References

  1. Liu, L.; Wu, D.; Pan, A.; Huang, X. Study on optimization method of rural integrated energy system including renewable energy. J. Phys. Conf. Ser. 2022, 2358, 12003. [Google Scholar] [CrossRef]
  2. Afsharzade, N.; Papzan, A.; Ashjaee, M.; Delangizan, S.; Van Passel, S.; Azadi, H. Renewable energy development in rural areas of Iran. Renew. Sustain. Energy Rev. 2016, 65, 743–755. [Google Scholar] [CrossRef]
  3. Kannan, N.; Vakeesan, D. Solar energy for future world: A review. Renew. Sustain. Energy Rev. 2016, 62, 1092–1105. [Google Scholar] [CrossRef]
  4. International Energy Outlook; U.S. Energy Information Administration, Department of Energy: Washington, DC, USA, 2021.
  5. Sabri, K.; El Maguiri, O.; Farchi, A. Comparative Study of Different MPPT Algorithms for Photovoltaic Systems under Partial Shading Conditions. In Proceedings of the 2021 9th International Renewable and Sustainable Energy Conference (IRSEC), Tetouan, Morocco, 23–27 November 2021. [Google Scholar]
  6. Chen, H.; Cui, Y.; Zhao, Y.; Wang, Z. Comparison of P&O and INC Methods in Maximum Power Point Tracker for PV Systems. IOP Conf. Ser. Mater. Sci. Eng. 2018, 322, 72029. [Google Scholar]
  7. Jiang, P.; Luan, Y.; Zhang, W. MPPT tracking control based on variable step perturbation and observation method. In Proceedings of the 2019 Chinese Automation Congress (CAC), Hangzhou, China, 22–24 November 2019. [Google Scholar]
  8. WeiFeng, Y.; Yan, C. Maximum power point tracking of PV systems based on a novel adaptive variable step size INC MPPT method. J. Phys. Conf. Ser. 2019, 1213, 42001. [Google Scholar] [CrossRef]
  9. Ulinuha, A.; Zulfikri, A. Enhancement of solar photovoltaic using maximum power point tracking based on hill climbing optimization algorithm. J. Phys. Conf. Ser. 2020, 1517, 12096. [Google Scholar] [CrossRef]
  10. Wei, T.; Liu, D.; Zhang, C. An Improved Particle Swarm Optimization (PSO)-Based MPPT Strategy for PV System. MATEC Web Conf. 2017, 139, 52. [Google Scholar] [CrossRef]
  11. Ram, J.P.; Rajasekar, N. A new robust, mutated and fast tracking LPSO method for solar PV maximum power point tracking under partial shaded conditions. Appl. Energy 2017, 201, 45–59. [Google Scholar]
  12. Babu, T.S.; Rajasekar, N.; Sangeetha, K. Modified particle swarm optimization technique based maximum power point tracking for uniform and under partial shading condition. Appl. Soft Comput. 2015, 34, 613–624. [Google Scholar] [CrossRef]
  13. Eltamaly, A.M.; MH Farh, H.; Al Saud, M.S. Impact of PSO reinitialization on the accuracy of dynamic global maximum power detection of variant partially shaded PV systems. Sustainability 2019, 11, 2091. [Google Scholar] [CrossRef]
  14. Eltamaly, A.M.; Al-Saud, M.S.; Abo-Khalil, A.G. Performance improvement of PV systems’ maximum power point tracker based on a scanning PSO particle strategy. Sustainability 2020, 12, 1185. [Google Scholar] [CrossRef]
  15. Eltamaly, A.M.; Al-Saud, M.S.; Abokhalil, A.G.; Farh, H.M. Simulation and experimental validation of fast adaptive particle swarm optimization strategy for photovoltaic global peak tracker under dynamic partial shading. Renew. Sustain. Energy Rev. 2020, 124, 109719. [Google Scholar] [CrossRef]
  16. Shaqarin, T. Particle Swarm Optimization with Targeted Position-Mutated Elitism (PSO-TPME) for Partially Shaded PV Systems. Sustainability 2023, 15, 3993. [Google Scholar] [CrossRef]
  17. Liao, C.Y.; Subroto, R.K.; Millah, I.S.; Lian, K.L.; Huang, W.T. An improved bat algorithm for more efficient and faster maximum power point tracking for a photovoltaic system under partial shading conditions. IEEE Access 2020, 8, 96378–96390. [Google Scholar] [CrossRef]
  18. Shah, H.; Ghazali, R.; Nawi, N.M. Hybrid ant bee colony algorithm for volcano temperature prediction. In Proceedings of the Emerging Trends and Applications in Information Communication Technologies: Second International Multi Topic Conference, Jamshoro, Pakistan, 28–30 March 2012. [Google Scholar]
  19. Ram, J.P.; Rajasekar, N. A new global maximum power point tracking technique for solar photovoltaic (PV) system under partial shading conditions (PSC). Energy 2016, 118, 512–525. [Google Scholar]
  20. Palupi, L.N.; Winarno, T.; Pracoyo, A.; Ardhenta, L. Adaptive voltage control for MPPT-firefly algorithm output in PV system. IOP Conf. Ser. Mater. Sci. Eng. 2020, 732, 12048. [Google Scholar] [CrossRef]
  21. Ram, J.P.; Pillai, D.S.; Rajasekar, N.; Strachan, S.M. Detection and identification of global maximum power point operation in solar PV applications using a hybrid ELPSO-P&O tracking technique. IEEE J. Emerg. Sel. Top. Power Electron. 2019, 8, 1361–1374. [Google Scholar]
  22. Sundareswaran, K.; Palani, S. Application of a combined particle swarm optimization and perturb and observe method for MPPT in PV systems under partial shading conditions. Renew. Energy 2015, 75, 308–317. [Google Scholar] [CrossRef]
  23. Pilakkat, D.; Kanthalakshmi, S. An improved P&O algorithm integrated with artificial bee colony for photovoltaic systems under partial shading conditions. Sol. Energy 2019, 178, 37–47. [Google Scholar]
  24. Salim, J.A.; Alwan, M.S.; Albaker, B.M. A conceptual framework and a Review of AI-Based MPPT Techniques for Photovoltaic Systems. J. Phys. Conf. Ser. 2021, 1963, 12168. [Google Scholar] [CrossRef]
  25. Viswambaran, V.; Bati, A.; Zhou, E. Review of AI based maximum power point tracking techniques & performance evaluation of artificial neural network based MPPT controller for photovoltaic systems. Int. J. Adv. Sci. Technol. 2020, 29, 8159–8171. [Google Scholar]
  26. Abdellatif, W.S.; Mohamed, M.S.; Barakat, S.; Brisha, A. A Fuzzy Logic Controller Based MPPT Technique for Photovoltaic Generation System. Int. J. Electr. Eng. Inform. 2021, 13, 394–417. [Google Scholar]
  27. Ballaji, A.; Dash, R.; Subburaj, V.; Kalvakurthi, J.R.; Swain, D.; Swain, S.C. Design & development of MPPT using PSO with predefined search space based on fuzzy fokker planck solution. IEEE Access 2022, 10, 80764–80783. [Google Scholar]
  28. Malarvili, S.; Mageshwari, S. Artificial Intelligent Parameter based PSO for Maximum Power Point Tracking of PV Systems under PSC. In Proceedings of the 2021 IEEE 17th International Colloquium on Signal Processing & Its Applications (CSPA), Langkawi, Malaysia, 5–6 March 2021. [Google Scholar]
  29. Ajiatmo, D.; Robandi, I. A hybrid Fuzzy Logic Controller-Firefly Algorithm (FLC-FA) based for MPPT Photovoltaic (PV) system in solar car. In Proceedings of the 2016 IEEE International Conference on Power and Renewable Energy (ICPRE), Shanghai, China, 21–23 October 2016. [Google Scholar]
  30. Ibrahim, A.E.; Nor, N.M.; Romlie, M.F.; Hasan, K.N.M. New Technique for Tracking the Global Peaks of PV System under Partial Shaded Conditions. In Proceedings of the 2020 8th International Conference on Intelligent and Advanced Systems (ICIAS), Kuching, Malaysia, 13–15 July 2021. [Google Scholar]
  31. Liu, Y.H.; Liu, C.L.; Huang, J.W.; Chen, J.H. Neural-network-based maximum power point tracking methods for photovoltaic systems operating under fast changing environments. Sol. Energy 2013, 89, 42–53. [Google Scholar] [CrossRef]
  32. Rizzo, S.A.; Scelba, G. ANN based MPPT method for rapidly variable shading conditions. Appl. Energy 2015, 145, 124–132. [Google Scholar] [CrossRef]
  33. Farh, H.M.; Eltamaly, A.M.; Ibrahim, A.B.; Othman, M.F.; Al-Saud, M.S. Dynamic global power extraction from partially shaded photovoltaic using deep recurrent neural network and improved PSO techniques. Int. Trans. Electr. Energy Syst. 2019, 29, e12061. [Google Scholar] [CrossRef]
  34. Ibnelouad, A.; El Kari, A.; Ayad, H.; Mjahed, M. Improved cooperative artificial neural network-particle swarm optimization approach for solar photovoltaic systems using maximum power point tracking. Int. Trans. Electr. Energy Syst. 2020, 30, e12439. [Google Scholar] [CrossRef]
  35. Ali, M.N.; Mahmoud, K.; Lehtonen, M.; Darwish, M.M. Promising MPPT methods combining metaheuristic, fuzzy-logic and ANN techniques for grid-connected photovoltaic. Sensors 2021, 21, 1244. [Google Scholar] [CrossRef]
  36. Kiran, S.R.; Basha, C.H.; Singh, V.P.; Dhanamjayulu, C.; Prusty, B.R.; Khan, B. Reduced simulative performance analysis of variable step size ANN based MPPT techniques for partially shaded solar PV systems. IEEE Access 2022, 10, 48875–48889. [Google Scholar] [CrossRef]
  37. Femia, N.; Petrone, G.; Spagnuolo, G.; Vitelli, M. Power Electronics and Control Techniques for Maximum Energy Harvesting in Photovoltaic Systems; CRC Press: Boca Raton, FL, USA, 2017. [Google Scholar]
  38. Hou, W.; Jin, Y.; Zhu, C.; Li, G. A novel maximum power point tracking algorithm based on glowworm swarm optimization for photovoltaic systems. Int. J. Photoenergy 2016, 2016, 4910862. [Google Scholar] [CrossRef]
  39. Rusiana, I.H.; Bakti, Z.Y.; Sambasri, S. Study and Analysis of Shading Effects on Photovoltaic Application System. MATEC Web Conf. 2018, 218, 2004. [Google Scholar] [CrossRef]
  40. Xu, Z.; Sun, C.; Ji, T.; Manton, J.H.; Shieh, W. Computational complexity comparison of feedforward/radial basis function/recurrent neural network-based equalizer for a 50-Gb/s PAM4 direct-detection optical link. Opt. Express 2019, 27, 36953–36964. [Google Scholar] [CrossRef] [PubMed]
  41. Sitharthan, R.; Devabalaji, K.R.; Jees, A. An Levenberg–Marquardt trained feed-forward back-propagation based intelligent pitch angle controller for wind generation system. Renew. Energy Focus 2017, 22, 24–32. [Google Scholar] [CrossRef]
  42. Guo, S.; Abbassi, R.; Jerbi, H.; Rezvani, A.; Suzuki, K. Efficient maximum power point tracking for a photovoltaic using hybrid shuffled frog-leaping and pattern search algorithm under changing environmental conditions. J. Clean. Prod. 2021, 297, 126573. [Google Scholar] [CrossRef]
  43. Latifi, M.; Abbassi, R.; Jerbi, H.; Ohshima, K. Improved krill herd algorithm based sliding mode MPPT controller for variable step size P&O method in PV system under simultaneous change of irradiance and temperature. J. Frankl. Inst. 2021, 358, 3491–3511. [Google Scholar]
Figure 1. Single-diode model of a PV cell.
Figure 1. Single-diode model of a PV cell.
Sustainability 15 10884 g001
Figure 2. Current–voltage characteristics and power–voltage characteristics of the PV module with variations in solar irradiance at T = 25 °C. (a) Current–voltage curve; (b) power–voltage curve.
Figure 2. Current–voltage characteristics and power–voltage characteristics of the PV module with variations in solar irradiance at T = 25 °C. (a) Current–voltage curve; (b) power–voltage curve.
Sustainability 15 10884 g002
Figure 3. Current–voltage characteristics and power–voltage characteristics of the PV module with variations in temperature at irradiance (G) = 1000 W/m2. (a) Current–voltage curve; (b) power–voltage curve.
Figure 3. Current–voltage characteristics and power–voltage characteristics of the PV module with variations in temperature at irradiance (G) = 1000 W/m2. (a) Current–voltage curve; (b) power–voltage curve.
Sustainability 15 10884 g003
Figure 4. P-V curve of the PV array under PSCs.
Figure 4. P-V curve of the PV array under PSCs.
Sustainability 15 10884 g004
Figure 5. Circuit diagram of boost converter.
Figure 5. Circuit diagram of boost converter.
Sustainability 15 10884 g005
Figure 6. Schematic diagram of the proposed PV grid-connected system.
Figure 6. Schematic diagram of the proposed PV grid-connected system.
Sustainability 15 10884 g006
Figure 7. Block diagram of the proposed Feedforward Neural Network.
Figure 7. Block diagram of the proposed Feedforward Neural Network.
Sustainability 15 10884 g007
Figure 8. Block diagram of the simulation file used to obtain the dataset.
Figure 8. Block diagram of the simulation file used to obtain the dataset.
Sustainability 15 10884 g008
Figure 9. The results of training, testing, and validation of the proposed Feedforward Neural Network and their comparison with target data. (a) Training results; (b) validation results; (c) test results; (d) all results.
Figure 9. The results of training, testing, and validation of the proposed Feedforward Neural Network and their comparison with target data. (a) Training results; (b) validation results; (c) test results; (d) all results.
Sustainability 15 10884 g009
Figure 10. The membership functions of the Fuzzy Logic Controller inputs (deltapow, deltav) and output (deltaD): (a) deltapow; (b) deltav; (c) deltaD.
Figure 10. The membership functions of the Fuzzy Logic Controller inputs (deltapow, deltav) and output (deltaD): (a) deltapow; (b) deltav; (c) deltaD.
Sustainability 15 10884 g010
Figure 11. Flowchart of the hybrid ANN–Variable Step P&O–Fuzzy Logic Controller (ANN-VSP&O-FLC) algorithm.
Figure 11. Flowchart of the hybrid ANN–Variable Step P&O–Fuzzy Logic Controller (ANN-VSP&O-FLC) algorithm.
Sustainability 15 10884 g011
Figure 12. The power–voltage curves of the PV system under different SPs for the first three intervals: (a) first interval; (b) second interval; (c) third interval.
Figure 12. The power–voltage curves of the PV system under different SPs for the first three intervals: (a) first interval; (b) second interval; (c) third interval.
Sustainability 15 10884 g012
Figure 13. The PV system response under variant SPs for the first three intervals based on the hybrid ANN-VSP&O-FLC technique.
Figure 13. The PV system response under variant SPs for the first three intervals based on the hybrid ANN-VSP&O-FLC technique.
Sustainability 15 10884 g013
Figure 14. Zoomed-in view of the first second at each interval in the PV system output power under variant SPs for the first three intervals based on the hybrid ANN-VSP&O-FLC technique: (a) first interval; (b) second interval; (c) third interval.
Figure 14. Zoomed-in view of the first second at each interval in the PV system output power under variant SPs for the first three intervals based on the hybrid ANN-VSP&O-FLC technique: (a) first interval; (b) second interval; (c) third interval.
Sustainability 15 10884 g014
Figure 15. The power–voltage curves of the PV system under different SPs for the second three intervals: (a) fourth interval; (b) fifth interval; (c) sixth interval.
Figure 15. The power–voltage curves of the PV system under different SPs for the second three intervals: (a) fourth interval; (b) fifth interval; (c) sixth interval.
Sustainability 15 10884 g015
Figure 16. The PV system response under variant SPs for the second three intervals based on the hybrid ANN-VSP&O-FLC technique.
Figure 16. The PV system response under variant SPs for the second three intervals based on the hybrid ANN-VSP&O-FLC technique.
Sustainability 15 10884 g016
Figure 17. Zoomed-in view of the first second at each interval in the PV system output power under variant SPs for the second three intervals based on the hybrid ANN-VSP&O-FLC technique: (a) fourth interval; (b) fifth interval; (c) sixth interval.
Figure 17. Zoomed-in view of the first second at each interval in the PV system output power under variant SPs for the second three intervals based on the hybrid ANN-VSP&O-FLC technique: (a) fourth interval; (b) fifth interval; (c) sixth interval.
Sustainability 15 10884 g017
Figure 18. The power–voltage curves of the PV system under different SPs for the third three intervals: (a) seventh interval; (b) eighth interval; (c) ninth interval.
Figure 18. The power–voltage curves of the PV system under different SPs for the third three intervals: (a) seventh interval; (b) eighth interval; (c) ninth interval.
Sustainability 15 10884 g018
Figure 19. The PV system response under variant SPs for the third three intervals based on the hybrid ANN-VSP&O-FLC technique.
Figure 19. The PV system response under variant SPs for the third three intervals based on the hybrid ANN-VSP&O-FLC technique.
Sustainability 15 10884 g019
Figure 20. Zoomed-in view of the first second at each interval in the PV system output power under variant SPs for the third three intervals based on the hybrid ANN-VSP&O-FLC technique: (a) seventh interval; (b) eighth interval; (c) ninth interval.
Figure 20. Zoomed-in view of the first second at each interval in the PV system output power under variant SPs for the third three intervals based on the hybrid ANN-VSP&O-FLC technique: (a) seventh interval; (b) eighth interval; (c) ninth interval.
Sustainability 15 10884 g020
Figure 21. The power–voltage curves of the PV system under different SPs for the last three intervals: (a) tenth interval; (b) eleventh interval; (c) twelfth interval.
Figure 21. The power–voltage curves of the PV system under different SPs for the last three intervals: (a) tenth interval; (b) eleventh interval; (c) twelfth interval.
Sustainability 15 10884 g021
Figure 22. The PV system response under variant SPs for the last three intervals based on the hybrid ANN-VSP&O-FLC technique.
Figure 22. The PV system response under variant SPs for the last three intervals based on the hybrid ANN-VSP&O-FLC technique.
Sustainability 15 10884 g022
Figure 23. Zoomed-in view of the first second at each interval in the PV system output power under variant SPs for the last three intervals based on the hybrid ANN-VSP&O-FLC technique: (a) ninth interval; (b) eleventh interval; (c) twelfth interval.
Figure 23. Zoomed-in view of the first second at each interval in the PV system output power under variant SPs for the last three intervals based on the hybrid ANN-VSP&O-FLC technique: (a) ninth interval; (b) eleventh interval; (c) twelfth interval.
Sustainability 15 10884 g023
Figure 24. The power–voltage curves of the PV system under variant irradiances and T = 25 °C: (a) first interval; (b) second interval; (c) third interval.
Figure 24. The power–voltage curves of the PV system under variant irradiances and T = 25 °C: (a) first interval; (b) second interval; (c) third interval.
Sustainability 15 10884 g024
Figure 25. The PV system output power under variant irradiances and T = 25 °C for the first three intervals based on the hybrid ANN-VSP&O-FLC technique.
Figure 25. The PV system output power under variant irradiances and T = 25 °C for the first three intervals based on the hybrid ANN-VSP&O-FLC technique.
Sustainability 15 10884 g025
Figure 26. Zoomed-in view of the first second at each interval in the PV system output power under variant irradiances and T = 25 °C for the first three intervals based on the hybrid ANN-VSP&O-FLC technique: (a) first interval; (b) second interval; (c) third interval.
Figure 26. Zoomed-in view of the first second at each interval in the PV system output power under variant irradiances and T = 25 °C for the first three intervals based on the hybrid ANN-VSP&O-FLC technique: (a) first interval; (b) second interval; (c) third interval.
Sustainability 15 10884 g026aSustainability 15 10884 g026b
Figure 27. The power–voltage curves of the photovoltaic system under variant irradiances and T = 30 °C: (a) fourth interval; (b) fifth interval; (c) sixth interval.
Figure 27. The power–voltage curves of the photovoltaic system under variant irradiances and T = 30 °C: (a) fourth interval; (b) fifth interval; (c) sixth interval.
Sustainability 15 10884 g027
Figure 28. The PV system output power under variant irradiances and T = 30 °C for the second three intervals based on the hybrid ANN-VSP&O-FLC technique.
Figure 28. The PV system output power under variant irradiances and T = 30 °C for the second three intervals based on the hybrid ANN-VSP&O-FLC technique.
Sustainability 15 10884 g028
Figure 29. Zoomed-in view of the first second at each interval in the PV system output power under variant irradiances and T = 30 °C for the second three intervals based on the hybrid ANN-VSP&O-FLC technique: (a) fourth interval; (b) fifth interval; (c) sixth interval.
Figure 29. Zoomed-in view of the first second at each interval in the PV system output power under variant irradiances and T = 30 °C for the second three intervals based on the hybrid ANN-VSP&O-FLC technique: (a) fourth interval; (b) fifth interval; (c) sixth interval.
Sustainability 15 10884 g029
Figure 30. The power–voltage curves of the photovoltaic system under variant irradiances and T = 35 °C: (a) seventh interval; (b) eighth interval; (c) ninth interval.
Figure 30. The power–voltage curves of the photovoltaic system under variant irradiances and T = 35 °C: (a) seventh interval; (b) eighth interval; (c) ninth interval.
Sustainability 15 10884 g030
Figure 31. The PV system output power under variant irradiances and T = 35 °C for the last three intervals based on the hybrid ANN-VSP&O-FLC technique.
Figure 31. The PV system output power under variant irradiances and T = 35 °C for the last three intervals based on the hybrid ANN-VSP&O-FLC technique.
Sustainability 15 10884 g031
Figure 32. Zoomed-in view of the first second at each interval in the PV system output power under variant irradiances and T = 35 °C for the last three intervals based on the hybrid ANN-VSP&O-FLC technique: (a) seventh interval; (b) eighth interval; (c) ninth interval.
Figure 32. Zoomed-in view of the first second at each interval in the PV system output power under variant irradiances and T = 35 °C for the last three intervals based on the hybrid ANN-VSP&O-FLC technique: (a) seventh interval; (b) eighth interval; (c) ninth interval.
Sustainability 15 10884 g032
Table 1. PV module (1Soltech 1STH-215-P) specifications.
Table 1. PV module (1Soltech 1STH-215-P) specifications.
ParameterValue
Open circuit voltage (Voc)36.3 V
Short circuit current (Isc) 7.84 A
Voltage at maximum power (Vmp)29 V
Current at maximum power (Imp)7.35 A
Maximum power213.15 W
Number of cells in one module (Ncell)60
Parallel resistance Rp (ohms)313.3991
Series resistance Rs (ohms)0.39383
Diode ideality factor0.98117
Table 2. The rules of the proposed FLC with inputs (deltaV, deltapow) and output (deltaD).
Table 2. The rules of the proposed FLC with inputs (deltaV, deltapow) and output (deltaD).
deltapowdeltaVSmallMediumBig
SmallSmallSmallMedium
MediumSmallSmallMedium
BigMediumMediumBig
Table 3. Simulative analysis of the hybrid ANN-VSP&O-FLC technique under different SPs for the first six intervals.
Table 3. Simulative analysis of the hybrid ANN-VSP&O-FLC technique under different SPs for the first six intervals.
Parameter SPsSP1SP2SP3SP4SP5SP6
Irradiance (W/m2)(400,600,300) (200,400,600) (200,100,500) (800,400,900) (930,350,220) (820,410,900)
PV power (kW)27.29123.44713.3745.1824.47646.045
Global power (kW)27.29323.46613.41745.21724.56246.08
Tracking efficiency (%)99.99399.9299.6599.91899.6599.924
Tracking speed (sec)0.080.040.050.060.080.06
Distortions in waveformsquite lowquite lowquite lowquite lowquite lowquite low
Oscillations around steady stateless than 2 Wattsless than 1 Wattless than 1 Wattless than 1 Wattless than 1 Wattless than 1 Watt
Table 4. Simulative analysis of the hybrid ANN-VSP&O-FLC technique under different SPs for the last six intervals.
Table 4. Simulative analysis of the hybrid ANN-VSP&O-FLC technique under different SPs for the last six intervals.
Parameter SPsSP7SP8SP9SP10SP11SP12
Irradiance (W/m2)(990,770,910) (950,880,250) (440,620,670) (1000,100,900) (400,300,800) (800,200,500)
PV power (kW)68.0249.0639.93750.41327.515529.46
Global power (kW)68.06849.139.93950.45727.51729.483
Tracking efficiency (%)99.9399.91899.99599.91399.99599.92
Tracking speed (sec)0.060.050.080.070.070.07
Distortions in waveformsquite lowquite lowquite lowquite lowquite lowquite low
Oscillations around steady stateless than 1 Wattless than 1 Wattless than 1 Wattless than 1 Wattless than 2 Wattless than 1 Watt
Table 5. Simulative analysis of the hybrid ANN-VSP&O-FLC technique under variant irradiances and temperatures for the first six patterns.
Table 5. Simulative analysis of the hybrid ANN-VSP&O-FLC technique under variant irradiances and temperatures for the first six patterns.
Parameter Patternsp1P2P3P4P5P6
Irradiance (W/m2)1000500300 1000500300
Temperature (Celsius)252525303030
PV power (kW)81.7741.46524.72380.109540.61324.204
Global power (kW)81.77241.4724.72680.1140.62224.21
Tracking efficiency (%)99.99899.9999.9999.99999.9899.975
Tracking speed (sec)0.080.080.050.060.080.09
Distortions in waveformsquite lowquite lowquite lowquite lowquite lowquite low
Oscillations around steady stateless than 2 Wattsless than 2 Wattsless than 1 Wattless than 1 Wattless than 1 Wattless than 2 Watts
Table 6. Simulative analysis of the hybrid ANN-VSP&O-FLC technique under variant irradiances and temperatures for the last three patterns.
Table 6. Simulative analysis of the hybrid ANN-VSP&O-FLC technique under variant irradiances and temperatures for the last three patterns.
P7P8P9
Irradiance (W/m2)1000500300
Temperature (Celsius)353535
PV power (kW)78.43239.75623.68
Global power (kW)78.43439.76523.685
Tracking efficiency (%)99.99799.97799.98
Tracking speed (sec)0.080.070.05
Distortions in waveformsquite lowquite lowquite low
Oscillations around steady stateless than 1 Wattless than 1 Wattless than 2 Watts
Table 7. Simulative analysis of the proposed ANN-VSP&O-FLC, HSFLA-PS-ANFIS-INC, and θ-MKH-SMC techniques.
Table 7. Simulative analysis of the proposed ANN-VSP&O-FLC, HSFLA-PS-ANFIS-INC, and θ-MKH-SMC techniques.
ParametersHSFLA-PS-ANFIS-INCθ-MKH-SMCANN-VSP&O-FLC
Tracking efficiency (%)99.3899.42more than 99.65
Tracking speed (sec)0.140.16less than 0.1
Oscillations around steady state (Watts)4.894.36less than 2
Computational complexityvery highmoderatehigh
Table 8. Simulative analysis of the proposed ANN-VSP&O-FLC and the RBFC-based Fuzzy techniques.
Table 8. Simulative analysis of the proposed ANN-VSP&O-FLC and the RBFC-based Fuzzy techniques.
ParametersRBFC-Based FuzzyANN-VSP&O-FLC
Tracking efficiency (%)98.15more than 99.65
Tracking speed (sec)0.206less than 0.1
Distortions in waveformslowvery low
Computational complexityhighhigh
Disclaimer/Publisher’s Note: The statements, opinions and data contained in all publications are solely those of the individual author(s) and contributor(s) and not of MDPI and/or the editor(s). MDPI and/or the editor(s) disclaim responsibility for any injury to people or property resulting from any ideas, methods, instructions or products referred to in the content.

Share and Cite

MDPI and ACS Style

Masry, M.Z.-E.; Mohammed, A.; Amer, F.; Mubarak, R. New Hybrid MPPT Technique Including Artificial Intelligence and Traditional Techniques for Extracting the Global Maximum Power from Partially Shaded PV Systems. Sustainability 2023, 15, 10884. https://doi.org/10.3390/su151410884

AMA Style

Masry MZ-E, Mohammed A, Amer F, Mubarak R. New Hybrid MPPT Technique Including Artificial Intelligence and Traditional Techniques for Extracting the Global Maximum Power from Partially Shaded PV Systems. Sustainability. 2023; 15(14):10884. https://doi.org/10.3390/su151410884

Chicago/Turabian Style

Masry, Mohamed Zaghloul-El, Abdallah Mohammed, Fathy Amer, and Roaa Mubarak. 2023. "New Hybrid MPPT Technique Including Artificial Intelligence and Traditional Techniques for Extracting the Global Maximum Power from Partially Shaded PV Systems" Sustainability 15, no. 14: 10884. https://doi.org/10.3390/su151410884

APA Style

Masry, M. Z.-E., Mohammed, A., Amer, F., & Mubarak, R. (2023). New Hybrid MPPT Technique Including Artificial Intelligence and Traditional Techniques for Extracting the Global Maximum Power from Partially Shaded PV Systems. Sustainability, 15(14), 10884. https://doi.org/10.3390/su151410884

Note that from the first issue of 2016, this journal uses article numbers instead of page numbers. See further details here.

Article Metrics

Back to TopTop