Grid-Connected Renewable Energy Sources: A New Approach for Phase-Locked Loop with DC-Offset Removal
Abstract
1. Introduction
2. Methodology
- Description of the suggested method’s block diagram and real-time mathematical model analysis;
- Mathematically determining the structure of the proposed method’s small-signal model;
- Designing and building a small-signal model’s closed-loop transfer function;
- Utilizing a closed-loop transfer function to calculate the PI controller’s gain;
- Checking the accuracy of the small-signal model;
- Compare the proposed method with other robust methods to evaluate the proposed PLL through several scenarios.
3. Development
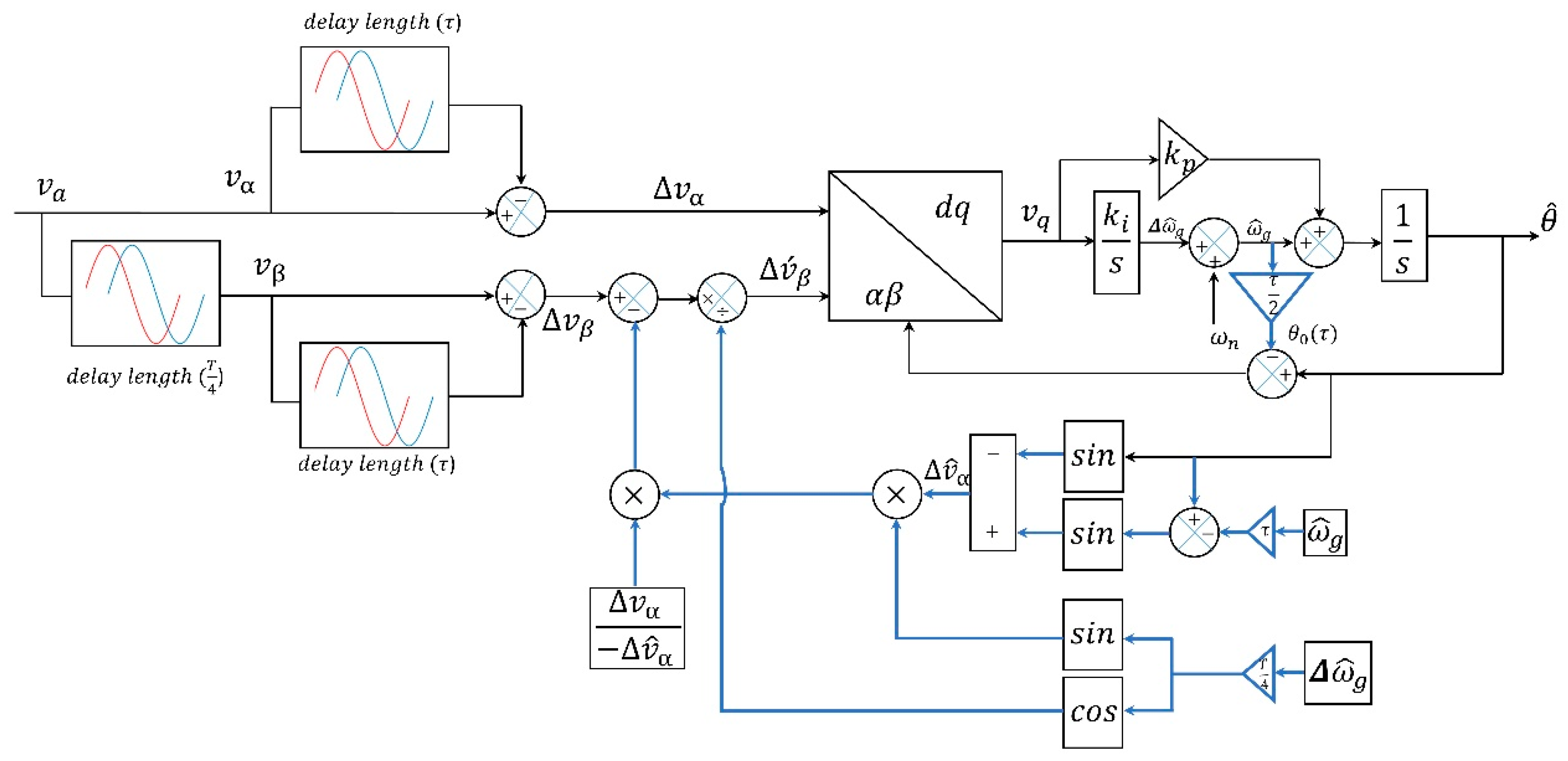
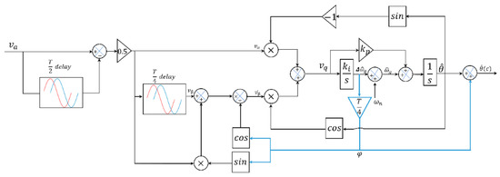
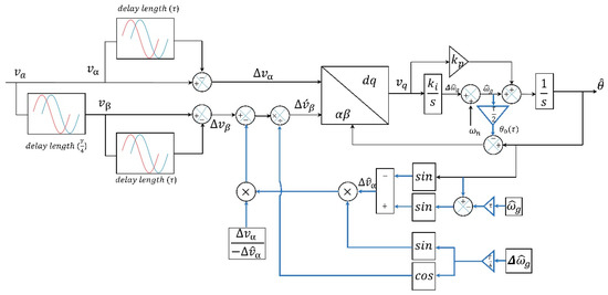
3.1. Proposed PLL
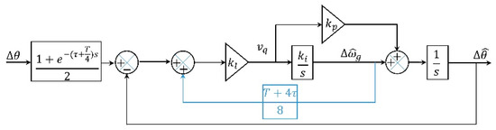
3.2. Small-Signal Model
3.3. PI Gains Design
4. Results and Discussions
- Case 1.
- A phase jump of 30 degrees is applied at 0.02 s (see Figure 7a).
- Case 2.
- A jump in the grid frequency is applied from 50 to 55 Hz at 0.02 s (see Figure 8a).
- Case 3.
- A DC-offset is applied at 0.02 s to the grid voltage with a value of 0.1 pu (see Figure 9a).
- Case 4.
- A phase jump of 30 degree and a DC-offset of 0.15 Pu are applied to the grid voltage at 0.02 (see Figure 10a).
- Case 5.
- A jump in the amplitude of the grid voltage from 1 to 1.2 Pu at 0.02 s with a DC-offset applied at the same time as in case 3 (see Figure 11a).
- Case 6.
- A jump in the amplitude of the grid voltage from 1 to 1.1 Pu and a DC-offset with a value 0.2 Pu applied at 0.02 s (see Figure 12a).
5. Conclusions
Author Contributions
Funding
Institutional Review Board Statement
Informed Consent Statement
Data Availability Statement
Conflicts of Interest
References
- Ray, P. Renewable energy and sustainability. Clean Technol. Environ. Policy 2019, 21, 1517–1533. [Google Scholar] [CrossRef]
- IEA. Global Energy Review 2020; IEA: Paris, France, 2020; Available online: https://www.iea.org/reports/global-energy-review-2020 (accessed on 30 April 2023).
- Can, E. The design and experimentation of the new cascaded DC-DC boost converter for renewable energy. Int. J. Electron. 2019, 106, 1374–1393. [Google Scholar] [CrossRef]
- Smadi, I.A.; Issa, M.B. Phase locked loop with DC-offset removal for grid synchronization. In Proceedings of the IECON 2019-45th Annual Conference of the IEEE Industrial Electronics Society 1, Lisbon, Portugal, 14–17 October 2019; IEEE: Piscataway, NJ, USA, 2019; pp. 4669–4673. [Google Scholar]
- Sahoo, A.; Ravishankar, J.; Jones, C. Phase-locked loop independent second-order generalized integrator for single-phase grid synchronization. IEEE Trans. Instrum. Meas. 2021, 70, 9004409. [Google Scholar] [CrossRef]
- Hamood, M.A.; Marjanovic, O.; Carrasco, J. Adaptive impedance-conditioned phase-locked loop for the VSC converter connected to weak grid. Energies 2021, 14, 6040. [Google Scholar] [CrossRef]
- Herrejón-Pintor, G.A.; Melgoza-Vázquez, E.; Chávez, J.D.J. A Modified SOGI-PLL with Adjustable Refiltering for Improved Stability and Reduced Response Time. Energies 2022, 15, 4253. [Google Scholar] [CrossRef]
- Kathiresan, A.C.; PandiaRajan, J.; Sivaprakash, A.; Sudhakar Babu, T.; Islam, M.R. An adaptive feed-forward phase locked loop for grid synchronization of renewable energy systems under wide frequency deviations. Sustainability 2020, 12, 7048. [Google Scholar] [CrossRef]
- Cao, Y.; Yu, J.; Xu, Y.; Li, Y.; Yu, J. An efficient phase-locked loop for distorted three-phase systems. Energies 2017, 10, 280. [Google Scholar] [CrossRef]
- Stojic, D.; Tarczewski, T.; Niewiara, L.J.; Grzesiak, L.M. Improved fixed-frequency sogi based single-phase PLL. Energies 2022, 15, 7297. [Google Scholar] [CrossRef]
- Du, H.; Sun, Q.; Cheng, Q.; Ma, D.; Wang, X. An adaptive frequency phase-locked loop based on a third order generalized integrator. Energies 2019, 12, 309. [Google Scholar] [CrossRef]
- Golestan, S.; Guerrero, J.M.; Gharehpetian, G.B. Five approaches to deal with problem of DC offset in phase-locked loop algorithms: Design considerations and performance evaluations. IEEE Trans. Power Electron. 2015, 31, 648–661. [Google Scholar] [CrossRef]
- Ahmed, H.; Ushirobira, R.; Efimov, D. Arbitrarily Fast Delayed Signal Cancellation PLL for Grid-Integration of Renewable Energy Sources. IET Renew. Power Gener. 2022. [Google Scholar] [CrossRef]
- Hui, N.; Wang, D.; Li, Y. A novel hybrid filter-based PLL to eliminate effect of input harmonics and DC offset. IEEE Access 2018, 6, 19762–19773. [Google Scholar] [CrossRef]
- Xu, J.; Qian, H.; Bian, S.; Hu, Y.; Xie, S. Comparative study of single-phase phase-locked loops for grid-connected inverters under non-ideal grid conditions. CSEE J. Power Energy Syst. 2020, 8, 155–164. [Google Scholar]
- Gautam, S.; Hassan, W.; Bhatta, A.; Lu, D.D.C.; Xiao, W. A comprehensive study of orthogonal signal generation schemes for single phase systems. In Proceedings of the 2021 1st International Conference on Power Electronics and Energy (ICPEE), Bhubaneswar, India, 2–3 January 2021; pp. 1–8. [Google Scholar]
- Golestan, S.; Guerrero, J.M.; Vasquez, J.C. Single-phase PLLs: A review of recent advances. IEEE Trans. Power Electron. 2017, 32, 9013–9030. [Google Scholar] [CrossRef]
- Xia, T.; Zhang, X.; Tan, G.; Liu, Y. All-pass-filter-based PLL for single-phase grid-connected converters under distorted grid conditions. IEEE Access 2020, 8, 106226–106233. [Google Scholar] [CrossRef]
- Ikken, N.; Bouknadel, A.; Haddou, A.; Tariba, N.E. PLL synchronization method based on second-order generalized integrator for single phase grid connected inverters systems during grid abnormalities. In Proceedings of the 2019 International Conference on Wireless Technologies, Embedded and Intelligent Systems (WITS), Fez, Morocco, 3–4 April 2019; pp. 1–5. [Google Scholar]
- Xia, T.; Zhang, X.; Tan, G.; Liu, Y. Synchronous reference frame single-phase phase-locked loop (PLL) algorithm based on half-cycle DFT. IET Power Electron. 2020, 13, 1893–1900. [Google Scholar] [CrossRef]
- Smadi, I.A.; Atawi, I.E.; Ibrahim, A.A. An Improved Delayed Signal Cancelation for Three-Phase Grid Synchronization with DC Offset Immunity. Energies 2023, 16, 2873. [Google Scholar] [CrossRef]
- Golestan, S.; Guerrero, J.M.; Vasquez, J.C.; Abusorrah, A.M.; Al-Turki, Y. Advanced single-phase DSC-based plls. IEEE Trans. Power Electron. 2019, 34, 3226–3238. [Google Scholar] [CrossRef]
- Lubura, S.; Šoja, M.; Lale, S.A.; Ikić, M. Single-phase phase locked loop with DC offset and noise rejection for photovoltaic inverters. IET Power Electron. 2014, 7, 2288–2299. [Google Scholar] [CrossRef]
- Kulkarni, A.; John, V. Design of a fast response time single-phase PLL with DC offset rejection capability. Electr. Power Syst. Res. 2017, 145, 35–43. [Google Scholar] [CrossRef]












| Case Study | Proposed PLL | Non-Adaptive DSC-PLL | Adaptive DSC-PLL | |
|---|---|---|---|---|
| Case | Peak estimated frequency (Hz) | 54.73 | 53.53 | 53.54 |
| 1 | Synchronization time (ms) | 47 | 52.9 | 54.9 |
| Case | Peak estimated frequency (Hz) | 55.16 | 55.20 | 55.24 |
| 2 | Synchronization time (ms) | 39.1 | 64.7 | 70 |
| Case | Peak estimated frequency (Hz) | 50.06 | 49.60 | 49.67 |
| 3 | Synchronization time (ms) | 18.9 | 52.8 | 49.4 |
| Case | Peak estimated frequency (Hz) | 54.69 | 53.53 | 53.50 |
| 4 | Synchronization time (ms) | 45.6 | 53 | 56.4 |
| Case | Peak estimated frequency (Hz) | 49.66 | 50.41 | 50.37 |
| 5 | Synchronization time (ms) | 39.2 | 42.1 | 42.9 |
| Case | Peak estimated frequency (Hz) | 49.82 | 49.26 | 49.41 |
| 6 | Synchronization time (ms) | 38.1 | 59.2 | 55.9 |
Disclaimer/Publisher’s Note: The statements, opinions and data contained in all publications are solely those of the individual author(s) and contributor(s) and not of MDPI and/or the editor(s). MDPI and/or the editor(s) disclaim responsibility for any injury to people or property resulting from any ideas, methods, instructions or products referred to in the content. |
© 2023 by the authors. Licensee MDPI, Basel, Switzerland. This article is an open access article distributed under the terms and conditions of the Creative Commons Attribution (CC BY) license (https://creativecommons.org/licenses/by/4.0/).
Share and Cite
Bany Issa, M.A.; Al Muala, Z.A.; Bello Bugallo, P.M. Grid-Connected Renewable Energy Sources: A New Approach for Phase-Locked Loop with DC-Offset Removal. Sustainability 2023, 15, 9550. https://doi.org/10.3390/su15129550
Bany Issa MA, Al Muala ZA, Bello Bugallo PM. Grid-Connected Renewable Energy Sources: A New Approach for Phase-Locked Loop with DC-Offset Removal. Sustainability. 2023; 15(12):9550. https://doi.org/10.3390/su15129550
Chicago/Turabian StyleBany Issa, Mohammad A., Zaid A. Al Muala, and Pastora M. Bello Bugallo. 2023. "Grid-Connected Renewable Energy Sources: A New Approach for Phase-Locked Loop with DC-Offset Removal" Sustainability 15, no. 12: 9550. https://doi.org/10.3390/su15129550
APA StyleBany Issa, M. A., Al Muala, Z. A., & Bello Bugallo, P. M. (2023). Grid-Connected Renewable Energy Sources: A New Approach for Phase-Locked Loop with DC-Offset Removal. Sustainability, 15(12), 9550. https://doi.org/10.3390/su15129550
