Effect of Hydrogen-Rich Syngas Direct Injection on Combustion and Emissions in a Combined Fuel Injection—Spark-Ignition Engine
Abstract
1. Introduction
2. Materials and Methods
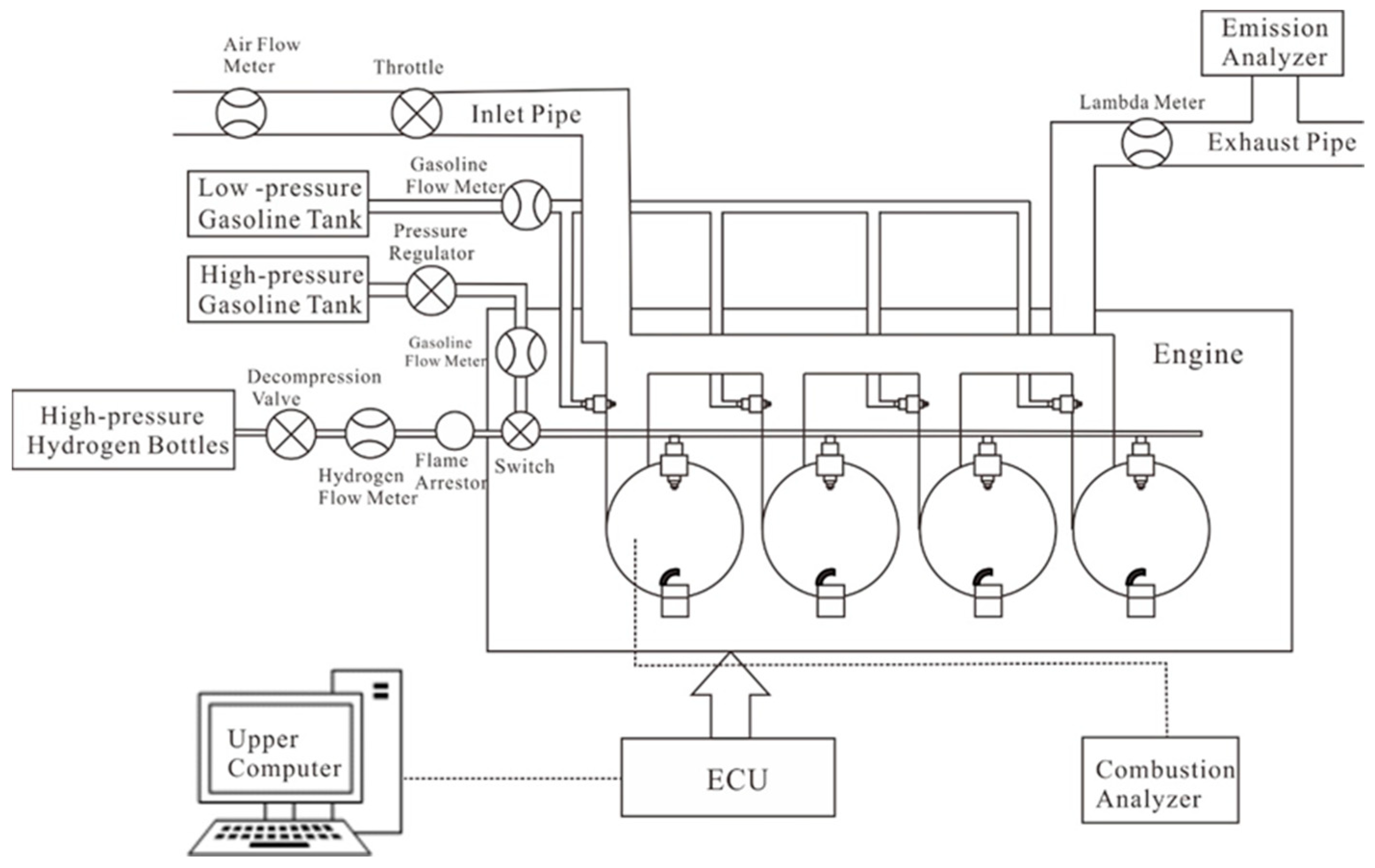
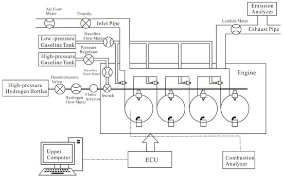
2.1. Experimental Setup
2.2. Experimental Procedures
3. Results and Discussion
3.1. Cylinder Pressure and Brake Thermal Efficiency
3.2. Combustion Analysis
3.3. Gaseous Emissions and PN Emissions
4. Conclusions
- When the spark timing was fixed at the MBT for the three injection modes, PSDI gained the highest maximum BTE, while the maximum BTE of GDI was only 94% of PSDI’s. In addition, the BTE of PSDI was much more sensitive than that of the other two modes due to the high burning rate of syngas.
- PSDI performed the shortest durations, and GDI showed the longest duration for both CA0–10 and CA 10–90. The CoVIMEP of GDI was dramatically higher than that of the other two modes, and the variations were very sensitive to spark timings in GDI. The minimum CoVIMEP of PSDI decreased by 22% from the minimum value of GDI.
- CO emissions were reduced by approximately 78% from GDI to PSDI among the whole range of spark timings, and HC emissions were reduced by approximately 60% from GDI to PSDI. However, PSDI showed the highest NOX emissions, and GDI showed the lowest value. Specifically, the NOX emissions from GDI were 44% and 32% of that from PGDI and PSDI, respectively. Retarding ignition linearly reduced NOX emissions for the three injection modes.
- PSDI generally emitted the highest nucleation PN while GDI emitted the lowest. The nucleation-mode PN for GDI was only 45% of that for PSDI at a 20 CAD BTDC spark timing. Improving the exhaust conditions and eliminating temperature differences will dramatically reduce the nucleation-mode PN.
- GDI showed the highest accumulation-mode PN and PSDI indicated the lowest. The accumulation-mode PN for PSDI was approximately 52% of that for PGDI and only 5% of that for GDI. The small amount of accumulation-mode particles certifies the effect of hydrogen-rich syngas on reducing particles. Thus, PSDI is a feasible method to solve the high particulate emission issue in DISI engines and also improve engine performance.
Author Contributions
Funding
Institutional Review Board Statement
Informed Consent Statement
Data Availability Statement
Conflicts of Interest
Abbreviations
References
- Mon Oo, H.; Karin, P.; Charoenphonphanich, C.; Chollacoop, N.; Hanamura, K. Physicochemical characterization of direct injection Engines’s soot using TEM, EDS, X-ray diffraction and TGA. J. Energy Inst. 2021, 96, 181–191. [Google Scholar]
- Bao, J.; Qu, P.; Wang, H.; Zhou, C.; Zhang, L.; Shi, C. Implementation of various bowl designs in an HPDI natural gas engine focused on performance and pollutant emissions. Chemosphere 2022, 303, 135275. [Google Scholar] [CrossRef] [PubMed]
- Wang, X.; Chen, W.; Huang, Y.; Wang, L.; Zhao, Y.; Gao, J. Advances in soot particles from gasoline direct injection engines: A focus on physical and chemical characterization. Chemosphere 2023, 311, 137181. [Google Scholar] [CrossRef] [PubMed]
- Catapano, F.; Di Iorio, S.; Magno, A.; Vaglieco, B.M. Effect of fuel quality on combustion evolution and particle emissions from PFI and GDI engines fueled with gasoline, ethanol and blend, with focus on 10–23 nm particles. Energy 2022, 239, 122198. [Google Scholar] [CrossRef]
- Akasha, H.; Ghaffarpasand, O.; Pope, F. Climate change, air pollution and the associated burden of disease in the Arabian peninsula and neighbouring regions: A critical review of the literature. Sustainability 2023, 15, 3766. [Google Scholar] [CrossRef]
- Huang, Y.; Hong, G.; Huang, R. Effect of injection timing on mixture formation and combustion in an ethanol direct injection plus gasoline port injection (EDI + GPI) engine. Energy 2016, 111, 92–103. [Google Scholar] [CrossRef]
- Melaika, M.; Herbillon, G.; Dahlander, P. Spark ignition engine performance, standard emissions and particulates using GDI, PFI-CNG and DI-CNG systems. Fuel 2021, 293, 120454. [Google Scholar] [CrossRef]
- Yin, X.; Xu, L.; Duan, H.; Wang, Y.; Wang, X.; Zeng, K.; Wang, Y. In-depth comparison of methanol port and direct injection strategies in a methanol/diesel dual fuel engine. Fuel Process. Technol. 2023, 241, 107607. [Google Scholar] [CrossRef]
- Purayil, S.T.P.; Hamdan, M.O.; Al-Omari, S.A.B.; Selim, M.Y.E.; Elnajjar, E. Review of hydrogen–gasoline SI dual fuel engines: Engine performance and emission. Energy Rep. 2023, 9, 4547–4573. [Google Scholar] [CrossRef]
- Sun, P.; Feng, J.; Yang, S.; Wang, C.; Cui, K.; Dong, W.; Du, Y.; Yu, X.; Zhou, J. Particulate number and size distribution of dimethyl ether/gasoline combined injection spark ignition engines at medium engine speed and load. Fuel 2022, 313, 122645. [Google Scholar] [CrossRef]
- Zhang, B.; Wang, H.; Wang, S. Computational investigation of combustion, performance, and emissions of a diesel-hydrogen dual-fuel engine. Sustainability 2023, 15, 3610. [Google Scholar] [CrossRef]
- Ghulamullah, M.; Imran, A.; Kashif, H.M.; Safdar, A.; Hubdar, A.M.; Imran, N.U.; Abdul, M.P. Thermochemical conversion of biomass for syngas production: Current status and future trends. Sustainability 2022, 14, 2596. [Google Scholar]
- Kravos, A.; Seljak, T.; Opresnik, S.; Katrasnik, T. Operational stability of a spark ignition engine fuelled by low H2 content synthesis gas: Thermodynamic analysis of combustion and pollutants formation. Fuel 2020, 261, 116457. [Google Scholar] [CrossRef]
- Tartakovsky, L.; Sheintuch, M. Fuel reforming in internal combustion engines. Prog. Energy Combust. Sci. 2018, 67, 88–114. [Google Scholar] [CrossRef]
- Paykani, A.; Chehrmonavari, H.; Tsolakis, A.; Alger, T.; Northrop, W.F.; Reitz, R.D. Synthesis gas as a fuel for internal combustion engines in transportation. Prog. Energy Combust. Sci. 2022, 90, 100995. [Google Scholar] [CrossRef]
- Ji, M.; Wang, J. Review and comparison of various hydrogen production methods based on costs and life cycle impact assessment indicators. Int. J. Hydrog. Energy 2021, 46, 38612–38635. [Google Scholar] [CrossRef]
- Harun, Y.; Ilker, Y. Combustion and emission characteristics of premixed CNG/H2/CO/CO2 blending synthetic gas flames in a combustor with variable geometric swirl number. Energy 2019, 172, 117–133. [Google Scholar]
- Praveen, K.G.; Amit, K.S.; Arun, J.; Gopinath, K.P. Hydrogen-rich syngas production from the lignocellulosic biomass by catalytic gasification: A state of art review on advance technologies, economic challenges, and future prospectus. Fuel 2023, 342, 127800. [Google Scholar]
- Matamba, T.; Lglauer, S.; Keshavarz, A. A progress insight of the formation of hydrogen rich syngas from coal gasification. J. Energy Inst. 2022, 105, 81–102. [Google Scholar] [CrossRef]
- Alexandru, C.; Constantin, P.; Niculae, N.; Gheorghe, L.; Cristian, N.; Dinu, F. Hydrogen—An alternative fuel for automotive diesel engines used in transportation. Sustainability 2020, 12, 9321. [Google Scholar]
- Huang, D.; Jang, J.; Lin, P.; Chen, B. Effect of ignition timing on the emission of internal combustion engine with syngas containing hydrogen using a spark plug reformer system. Energy Procedia 2017, 105, 1570–1575. [Google Scholar] [CrossRef]
- Huang, D.; Lin, B.; Jang, J. Emission of internal combustion with low temperature plasma reformer. Energy Procedia 2015, 75, 3036–3041. [Google Scholar] [CrossRef]
- Grzegorz, P.; Willian, C.N. Emissions and efficiency of pure CO and H2-rich simulated gases combustion with peach and rice biomasses syngas characteristics: A renewable energy pathway for the agroindustrial sector in Rio Grande do Sul, Brazil. Energy Convers. Manag. 2023, 282, 116375. [Google Scholar]
- Harun, Y.; Omer, C.; Ilker, Y. A comparison study on combustion and emission characteristics of actual synthetic gas mixtures. Fuel 2020, 263, 116712. [Google Scholar]
- Ouimette, P.; Seers, P. NOx emission characteristics of partially premixed laminar flames of H2/CO/CO2 mixtures. Int. J. Hydrog. Energy 2009, 34, 9603–9610. [Google Scholar] [CrossRef]
- Singh, A.P.; Pal, A.; Agarwal, A.K. Comparative particulate characteristics of hydrogen, CNG, HCNG, gasoline and diesel fueled engines. Fuel 2016, 185, 491–499. [Google Scholar] [CrossRef]
- Zhao, H.; Stone, R.; Zhou, L. Analysis of the particulate emissions and combustion performance of a direct injection spark ignition engine using hydrogen and gasoline mixtures. Int. J. Hydrog. Energy 2010, 35, 4676–4686. [Google Scholar] [CrossRef]
- Shang, Z.; Yu, X.; Ren, L. Comparative study on effects of injection mode on combustion and emission characteristics of a combined injection n-butanol/gasoline SI engine with hydrogen direct injection. Energy 2020, 213, 118903. [Google Scholar] [CrossRef]
- Sun, Y.; Yu, X.; Jiang, L. Effects of direct hydrogen injection on particle number emissions from a lean burn gasoline engine. Int. J. Hydrog. Energy 2016, 41, 18631–18640. [Google Scholar] [CrossRef]
- He, F.; Li, S.; Yu, X. Comparison study and synthetic evaluation of combined injection in a spark ignition engine with hydrogen-blended at lean burn condition. Energy 2018, 157, 1053–1062. [Google Scholar] [CrossRef]
- Zhang, G.; Li, G.; Li, H.; Lv, J. Effect of diluent gas on propagation and explosion characteristics of hydrogen-rich syngas laminar premixed flame. Energy 2022, 246, 123370. [Google Scholar] [CrossRef]
- Kim, S.; Kim, J. Feasibility assessment of hydrogen-rich syngas spark-ignition engine for heavy-duty long-distance vehicle application. Energy Convers. Manag. 2022, 252, 115048. [Google Scholar] [CrossRef]
- Chacartegui, R.; Sanchez, D.; Escalona, J.M.; Sanchez, A.M.T. Gas and steam combined cycles for low calorific syngas fuels utilisation. Appl. Energy 2013, 101, 81–92. [Google Scholar] [CrossRef]
- Zareei, J.; Ghadamkheir, K.; Farkhondeh, S.; Abed, A.M.; Opulencia, M.; Alvarez, J. Numerical investigation of hydrogen enriched natural gas effects on different characteristics of a SI engine with modified injection mechanism from port to direct injection. Energy 2022, 255, 124445. [Google Scholar] [CrossRef]
- Yu, X.; Du, Y.; Sun, P.; Liu, L.; Wu, H.; Zuo, X. Effects of hydrogen direct injection strategy on characteristics of lean-burn hydrogen–gasoline engines. Fuel 2017, 208, 602–611. [Google Scholar] [CrossRef]
- Hong, B.; Lius, A.; Mahendar, S.; Mihaescu, M.; Cronhjort, A. Energy and exergy characteristics of an ethanol-fueled heavy-duty SI engine at high-load operation using lean-burn combustion. Appl. Therm. Eng. 2023, 224, 120063. [Google Scholar] [CrossRef]
- Chaurasiya, R.; Krishnasamy, A. A single fuel port and direct injected low temperature combustion strategy to reduce regulated pollutants from a light-duty diesel engine. Fuel 2023, 335, 127114. [Google Scholar] [CrossRef]
- Shi, C.; Chai, S.; Di, L.M.; Ji, C.; Ge, Y.; Wang, H. Combined experimental-numerical analysis of hydrogen as a combustion enhancer applied to Wankel engine. Energy 2023, 263, 125896. [Google Scholar] [CrossRef]
- Gong, C.; Yu, J.; Liu, F. Combined impact of excess air ratio and injection strategy on performances of a spark-ignition port- plus direct-injection dual-injection gasoline engine at half load. Fuel 2023, 340, 127605. [Google Scholar] [CrossRef]
- Zhang, B.; Ji, C.; Wang, S. Combustion analysis and emissions characteristics of a hydrogen-blended methanol engine at various spark timings. Int. J. Hydrog. Energy 2015, 40, 4707–4716. [Google Scholar] [CrossRef]
- Atelge, M.R. Experimental study of a blend of Diesel/Ethanol/n-Butanol with hydrogen additive on combustion and emission and exegetic. Fuel 2022, 325, 124903. [Google Scholar] [CrossRef]
- Liu, X.; Zhao, M.; Feng, M.; Zhu, Y. Study on mechanisms of methane/hydrogen blended combustion using reactive molecular dynamics simulation. Int. J. Hydrog. Energy 2023, 48, 1625–1635. [Google Scholar] [CrossRef]
- Li, J.; Zhang, R.; Pan, J.; Wei, H.; Shu, G.; Chen, L. Ammonia and hydrogen blending effects on combustion stabilities in optical SI engines. Energy Convers. Manag. 2023, 280, 116827. [Google Scholar] [CrossRef]
- Duan, X.; Deng, B.; Liu, Y.; Zou, S.; Liu, J.; Feng, R. An experimental study the impact of the hydrogen enrichment on cycle-to-cycle variations of the large bore and lean burn natural gas spark-ignition engine. Fuel 2020, 282, 118868. [Google Scholar] [CrossRef]
- Ji, C.; Wang, S.; Zhang, B. Effect of spark timing on the performance of a hybrid hydrogen-gasoline engine at lean conditions. Int. J. Hydrog. Energy 2010, 35, 2203–2212. [Google Scholar] [CrossRef]
- Sun, S.; Xu, D.; Liang, Y.; Jiang, G.; Diao, Y.; Gong, X.; Wang, B. Effect of temperature, oxygen concentration, and CaO addition on SO2 and NOx emissions during oxygen-fuel combustion of municipal sludge. J. Energy Inst. 2022, 105, 424–432. [Google Scholar] [CrossRef]
- Zhao, L.; Su, X.; Wang, X. Comparative study of exhaust gas recirculation (EGR) and hydrogen-enriched EGR employed in a SI engine fueled by biobutanol-gasoline. Fuel 2020, 268, 117194. [Google Scholar] [CrossRef]
- Wang, C.; Pei, Y.; Peng, Z.; Li, X. Insights into the effects of direct injection timing on the characteristics of deposited fuel film and Particulate Matter (PM) emissions from a Dual-Fuel Spark Ignition (DFSI) engine. Fuel Process. Technol. 2022, 238, 107515. [Google Scholar] [CrossRef]
- Thawko, A.; Tartakovsky, L. The mechanism of particle formation in non-premixed hydrogen combustion in a direct-injection internal combustion engine. Fuel 2022, 327, 125187. [Google Scholar] [CrossRef]
- Kurien, C.; Srivastava, A.K.; Lesbats, S. Experimental and computational study on the microwave energy based regeneration in diesel particulate filter for exhaust emission control. J. Energy Inst. 2020, 93, 2133–2147. [Google Scholar] [CrossRef]
- Su, Y.; Zhang, Y.; Xie, F.; Duan, J.; Li, X.; Liu, Y. Influence of ethanol blending ratios on in-cylinder soot processes and particulate matter emissions in an optical direct injection spark ignition engine. Fuel 2022, 308, 121944. [Google Scholar] [CrossRef]
- Anna, A.D.; Sirignano, M.; Kent, J. A model of particle nucleation in premixed ethylene flames. Combust. Flame 2010, 157, 2106–2115. [Google Scholar]













| Parameter | Unit | Value |
|---|---|---|
| Compression ratio | - | 9.6 |
| Total displacement | L | 1.984 |
| Stroke | mm | 92.8 |
| Bore | mm | 82.5 |
| Rated torque | Nm, rpm | 350, 1500–4500 |
| Rated power | kW, rpm | 160, 4500–6200 |
| Apparatus | Parameter | Manufacturer | Type | Uncertainty |
|---|---|---|---|---|
| Dynamometer | Engine speed | LY Nanfeng | CW160 | ≤±1 rpm |
| Torque | ≤±0.28 Nm | |||
| Pressure sensor | Cylinder pressure | AVL | GU 13Z-24 | ≤±0.3 bar |
| Lambda analyzer | Excess air ratio | ETAS | LAMBDA LA4 | ≤±0.1 |
| Gas flowmeter | Syngas quantity | Beijing SINCERITY | DMF-1-1 AB | ≤±0.01 g/s |
| Fuel flowmeter | Gasoline quantity | ONO SOKKI | DF-2420 | ≤±0.01 g/s |
| Emission analyzer | CO | AVL | DiCom 4000 | ≤±0.01% |
| HC | ≤±30 ppm | |||
| NOX | ≤±20 ppm | |||
| Fast particulate analyzer | Particulate emissions | CAMBUSTION | DMS500 | ≤±1% |
Disclaimer/Publisher’s Note: The statements, opinions and data contained in all publications are solely those of the individual author(s) and contributor(s) and not of MDPI and/or the editor(s). MDPI and/or the editor(s) disclaim responsibility for any injury to people or property resulting from any ideas, methods, instructions or products referred to in the content. |
© 2023 by the authors. Licensee MDPI, Basel, Switzerland. This article is an open access article distributed under the terms and conditions of the Creative Commons Attribution (CC BY) license (https://creativecommons.org/licenses/by/4.0/).
Share and Cite
Shang, Z.; Sun, Y.; Yu, X.; He, L.; Ren, L. Effect of Hydrogen-Rich Syngas Direct Injection on Combustion and Emissions in a Combined Fuel Injection—Spark-Ignition Engine. Sustainability 2023, 15, 8448. https://doi.org/10.3390/su15118448
Shang Z, Sun Y, Yu X, He L, Ren L. Effect of Hydrogen-Rich Syngas Direct Injection on Combustion and Emissions in a Combined Fuel Injection—Spark-Ignition Engine. Sustainability. 2023; 15(11):8448. https://doi.org/10.3390/su15118448
Chicago/Turabian StyleShang, Zhen, Yao Sun, Xiumin Yu, Ling He, and Luquan Ren. 2023. "Effect of Hydrogen-Rich Syngas Direct Injection on Combustion and Emissions in a Combined Fuel Injection—Spark-Ignition Engine" Sustainability 15, no. 11: 8448. https://doi.org/10.3390/su15118448
APA StyleShang, Z., Sun, Y., Yu, X., He, L., & Ren, L. (2023). Effect of Hydrogen-Rich Syngas Direct Injection on Combustion and Emissions in a Combined Fuel Injection—Spark-Ignition Engine. Sustainability, 15(11), 8448. https://doi.org/10.3390/su15118448
