Faulty Feeder Detection Based on Grey Correlation Degree of Adaptive Frequency Band in Resonant Grounding Distribution System
Abstract
1. Introduction
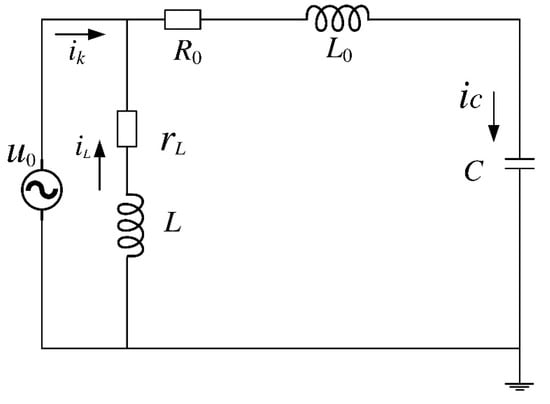
2. Fault Transient Characteristics of Resonant Grounding System
3. Faulty Feeder Detection Theory
3.1. Wavelet Transform
3.2. Grey Relational Analysis
4. Faulty Feeder Detection Method
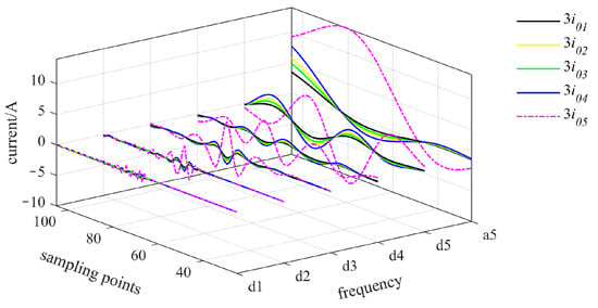
4.1. Faulty Feeder Detection Method Based on Wavelet Decomposition Waveform Area Matrix
4.2. Faulty Feeder Detection Method Based on GRA
4.3. Equal Weight Voting Faulty Feeder Detection
4.4. Faulty Feeder Detection Steps
- (1)
- If the zero-sequence voltage rise is detected to be 0.3 times the original, the faulty feeder detection starts.
- (2)
- The transient zero-sequence current of each feeder is collected and decomposed by the coif5 wavelet. Then, the lowest frequency band (a5) and the two high frequency bands (d1 and d2) are removed.
- (3)
- The remaining frequency band signals are constructed to the area matrix.
- (4)
- The primary faulty feeder detection characteristic scale dj1 is obtained by the principle of maximum area of reconstruction coefficient. When dj1 satisfies smax > smin1 + smin2 + smin3, dj1 is defined as the faulty feeder detection characteristic scale dj0. The feeder corresponding to smax of dj0 gets a vote.
- (5)
- If dj1 does not satisfy smax > smin1 + smin2 + smin3, the further faulty feeder detection characteristic scale dj2 is defined as the faulty feeder detection characteristic scale dj0. The feeder corresponding to smax of dj0 gets a vote.
- (6)
- The gray correlation matrix under dj1/dj1 and dj2 (if there exists dj1 and dj2) is constructed by GRA, and the average gray correlation degree of each feeder is calculated. Then, the second faulty feeder detection is completed according to the threshold formula.
- (7)
- The first faulty feeder detection result has one vote, and the second faulty feeder detection result has one vote/two votes (if there exists dj1 and dj2). The feeder with the largest number of votes is the faulty feeder.
5. Simulation Experiment and Analysis
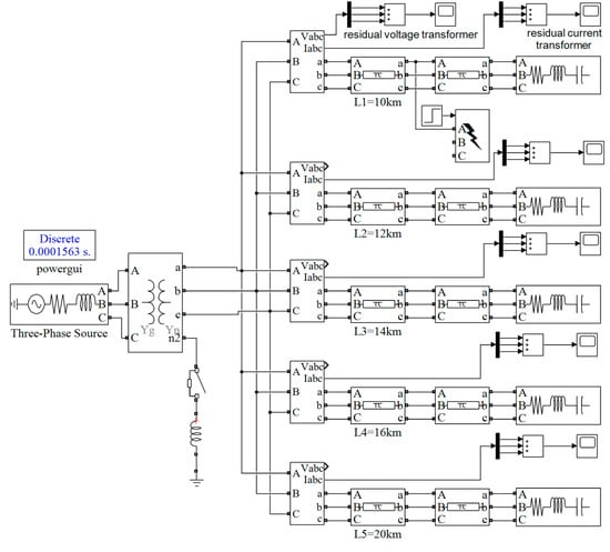
5.1. Simulation Model
5.2. Simulation Example
5.3. Applicability Analysis of Faulty Feeder Detection Method
6. Discussion of Faulty Feeder Detection Method
6.1. The Advantages and Disadvantages of Faulty Feeder Detection Method
6.2. The Possible Implementation of Faulty Feeder Detection Method
6.3. Contribution of Faulty Feeder Detection Method to Sustainability
7. Conclusions
- (1)
- The faulty feeder detection method based on wavelet decomposition waveform area matrix can avoid the influence of the detection of wavelet decomposition scale. Moreover, combined with the definition of the reconstruction coefficient area, it overcomes the disadvantage of poor anti-interference ability when selecting a single modulus maximum point as the criterion.
- (2)
- At the characteristic scale dj1 and dj2, obtained by the wavelet decomposition waveform area matrix, the transient waveform difference between the faulty feeder and the non-faulty feeder is obviously improved. On this basis, the GRA-based faulty feeder detection method is used to detect the faulty feeder according to waveform similarity, which effectively improves the reliability of the faulty feeder detection criterion.
- (3)
- The method of equal weight voting, which combines wavelet decomposition waveform area matrix and grey correlation analysis, overcomes the low reliability of the single faulty feeder detection method. The simulation results show that the faulty feeder detection method has good reliability and sensitivity.
Author Contributions
Funding
Institutional Review Board Statement
Informed Consent Statement
Data Availability Statement
Conflicts of Interest
References
- Hou, S.; Xu, Y.; Guo, W. Distribution Network Fault-Line Selection Method Based on MICEEMDAN–Recurrence Plot–Yolov5. Processes 2022, 10, 2127. [Google Scholar] [CrossRef]
- Wang, Y.; Chen, Q.; Zeng, X.; Huang, X.; Song, Q. Faulty feeder detection based on space relative distance for compensated distribution network with IIDG injections. IEEE Trans. Power Deliv. 2020, 36, 2459–2466. [Google Scholar] [CrossRef]
- Fan, M.; Xia, J.; Meng, X.; Zhang, K. Single-phase grounding fault types identification based on multi-feature transformation and fusion. Sensors 2022, 22, 3521. [Google Scholar] [CrossRef] [PubMed]
- Wang, B.; Geng, J.; Dong, X. High-impedance fault detection based on nonlinear voltage–current characteristic profile identification. IEEE Trans. Smart Grid 2016, 9, 3783–3791. [Google Scholar] [CrossRef]
- Muzzammel, R.; Arshad, R.; Raza, A.; Sobahi, N.; Alqasemi, U. Two Terminal Instantaneous Power-Based Fault Classification and Location Techniques for Transmission Lines. Sustainability 2023, 15, 809. [Google Scholar] [CrossRef]
- Wei, X.; Yang, D.; Wang, X.; Wang, B.; Gao, J.; Wei, K. Faulty feeder detection based on fundamental component shift and multiple-transient-feature fusion in distribution networks. IEEE Trans. Smart Grid 2020, 12, 1699–1711. [Google Scholar] [CrossRef]
- Cheng, W.N.; Xu, M.; Gao, J.F. Spatial domain image generation and fusion method of single-phase grounding fault line selection for small current grounding system. Electr. Power Autom. Equip. 2021, 41, 97–103. [Google Scholar]
- Liu, P.; Du, S.; Sun, K.; Zhu, J.; Xie, D.; Liu, Y. Single-line-to-ground fault feeder selection considering device polarity reverse installation in resonant grounding system. IEEE Trans. Power Deliv. 2020, 36, 2204–2212. [Google Scholar] [CrossRef]
- Pignati, M.; Zanni, L.; Romano, P.; Cherkaoui, R.; Paolone, M. Fault detection and faulted line identification in active distribution networks using synchrophasors-based real-time state estimation. IEEE Trans. Power Deliv. 2016, 32, 381–392. [Google Scholar] [CrossRef]
- Faiz, J.; Lotfi-fard, S.; Shahri, S.H. Prony-based optimal bayes fault classification of overcurrent protection. IEEE Trans. Power Deliv. 2007, 22, 1326–1334. [Google Scholar] [CrossRef]
- Wang, X.F.; Li, J.; Chen, P. Cable fault line selection based on comprehensive similarity comparison of traveling wave waveforms. Power Syst. Prot. Control 2022, 50, 51–59. [Google Scholar]
- Xue, Y.D.; Li, J.; Chen, X.R. Faulty Feeder Selection and Transition Resistance Identification of High Impedance Fault in a Resonant Grounding System Using Transient Signals. Proc. CSEE 2017, 37, 5037–5048, 5223. [Google Scholar]
- Shao, X.; Guo, M.F.; You, L.X. Faulty line selection method using mutual correlation cluster of grounding fault waveforms based on improved DTW method. Electr. Power Autom. Equip. 2018, 38, 63–71, 78. [Google Scholar]
- Shu, H.C.; Huang, H.Y.; Tian, X.C. Fault line selection Resonant Earthed System Based on Morphological Peak-Valley Detection. Autom. Electr. Power Syst. 2019, 43, 228–233. [Google Scholar]
- Tian, Y.; Xu, T.Q.; Li, Y. Fault line selection in a resonant earthed system based on reconstruction error and multi-scale cross-sample entropy. Power Syst. Prot. Control 2021, 49, 95–104. [Google Scholar]
- Yin, H.R.; Miao, S.H.; Guo, S.Y. A new method for single-phase-to-ground fault line selection in distribution network based on S-transform correlation and deep learning. Electr. Power Autom. Equip. 2021, 41, 88–96. [Google Scholar]
- Liu, M.H.; Fang, T.; Jiang, Y. Fault Line Selection Method Based on Correlation Analysis of High-frequency Components. Proc. CSU-EPSA 2017, 29, 101–106, 128. [Google Scholar]
- Dong, X.; Shi, S. Identifying single-phase-to-ground fault feeder in neutral noneffectively grounded distribution system using wavelet transform. IEEE Trans. Power Deliv. 2008, 23, 1829–1837. [Google Scholar] [CrossRef]
- Borghetti, A.; Bosetti, M.; Nucci, C.A.; Paolone, M.; Abur, A. Integrated use of time-frequency wavelet decompositions for fault location in distribution networks: Theory and experimental validation. IEEE Trans. Power Deliv. 2010, 25, 3139–3146. [Google Scholar] [CrossRef]
- Yue, X.; Zhang, X.H.; Wang, J.H. Line Selection of Resonance Grounding Fault Based on VMD and Grey Comprehensive Correlation Degree. Comput. Simul. 2022, 39, 76–79, 267. [Google Scholar]
- Tong, X.Y.; Zhang, S.X. Grey Relational Degree Based Fault Section Location and Type Recognition Method for Distribution Network. Autom. Electr. Power Syst. 2019, 43, 113–118, 145. [Google Scholar]




| Circuit Type | R1/Ω | L1/mH | C1/μF | R0/Ω | L0/mH | C0/μF |
|---|---|---|---|---|---|---|
| Overhead Feeder | 0.46 | 0.9337 | 0.07 | 0.75 | 0.2837 | 0.05 |
| Cable Feeder | 0.09 | 0.2837 | 0.26 | 0.14 | 0.8364 | 0.07 |
| Faulty Feeder | (°) | dj1 | dj2 | Sdj0 | Faulty Feeder Detection Result | Get the Number of Votes |
|---|---|---|---|---|---|---|
| L2 | 0 | 5 | \ | Sd5 = [2.17 13.56 3.06 4.86 4.36] | L2 | 1 |
| 45 | 4 | \ | Sd4 = [2.60 17.04 3.70 5.79 5.71] | L2 | 1 | |
| 90 | 5 | 4 | Sd4 = [3.24 21.41 4.62 7.21 7.19] | L2 | 1 | |
| Bus Bar | 0 | 5 | 4 | Sd4 = [0.61 1.03 0.87 1.37 1.27] | Bus Bar | 1 |
| 45 | 5 | 4 | Sd4 = [2.61 4.35 3.71 5.82 5.70] | Bus Bar | 1 | |
| 90 | 5 | 4 | Sd4 = [3.23 5.38 4.61 7.20 7.13] | Bus Bar | 1 |
| Faulty Feeder | (°) | Rdj1 Rdj2 | Faulty Feeder Detection Result | Get the Number of Votes | Aggregate Votes |
|---|---|---|---|---|---|
| L2 | 0 | Rd3 = [0.801 0.599 0.826 0.822 0.832] | L2 | 1 | 2 |
| \ | |||||
| 45 | Rd4 = [0.810 0.572 0.833 0.835 0.837] | L2 | 1 | 2 | |
| \ | |||||
| 90 | Rd5 = [0.775 0.581 0.808 0.803 0.817] | L2 | 2 | 3 | |
| Rd4 = [0.809 0.600 0.832 0.835 0.836] | |||||
| Bus Bar | 0 | Rd5 = [0.633 0.632 0.647 0.674 0.685] | Bus Bar | 2 | 3 |
| Rd4 = [0.606 0.594 0.618 0.661 0.685] | |||||
| 45 | Rd5 = [0.641 0.643 0.657 0.676 0.695] | Bus Bar | 2 | 3 | |
| Rd4 = [0.642 0.622 0.655 0.707 0.720] | |||||
| 90 | Rd5 = [0.642 0.635 0.653 0.677 0.690] | Bus Bar | 2 | 3 | |
| Rd4 = [0.642 0.622 0.644 0.710 0.715] |
| Faulty Feeder | Rf (Ω) | dj1 | dj2 | Sdj0 | Faulty Feeder Detection Result | Get the Number of Votes |
|---|---|---|---|---|---|---|
| L3 | 10 | 4 | \ | Sd4 = [101.62 167.44 702.07 225.53 228.99] | L3 | 1 |
| 100 | 5 | \ | Sd5 = [32.11 53.72 151.11 71.72 64.48] | L3 | 1 | |
| 1000 | 4 | \ | Sd4 = [2.60 4.32 17.77 5.80 5.83] | L3 | 1 | |
| Bus Bar | 10 | 3 | 5 | Sd5 = [46.22 78.13 65.14 104.28 94.05] | Bus Bar | 1 |
| 100 | 5 | 4 | Sd4 = [18.15 30.20 25.89 40.43 40.39] | Bus Bar | 1 | |
| 1000 | 5 | 4 | Sd4 = [2.61 4.35 3.71 5.82 5.70] | Bus Bar | 1 |
| Faulty Feeder | Rf (Ω) | Rdj1 Rdj2 | Faulty Feeder Detection Result | Get the Number of Votes | Aggregate Votes |
|---|---|---|---|---|---|
| L3 | 10 | Rd4 = [0.807 0.841 0.582 0.845 0.844] \ | L3 | 1 | 2 |
| 100 | Rd5 = [0.788 0.837 0.569 0.827 0.838] \ | L3 | 1 | 2 | |
| 1000 | Rd4 = [0.805 0.840 0.572 0.842 0.843] \ | L3 | 1 | 2 | |
| Bus Bar | 10 | Rd3 = [0.708 0.747 0.772 0.751 0.707] Rd5 = [0.660 0.649 0.665 0.691 0.703] | Bus Bar | 2 | 3 |
| 100 | Rd5 = [0.648 0.642 0.660 0.687 0.701] Rd4 = [0.621 0.613 0.630 0.706 0.708] | Bus Bar | 2 | 3 | |
| 1000 | Rd5 = [0.641 0.643 0.657 0.676 0.695] Rd4 = [0.642 0.622 0.655 0.707 0.720] | Bus Bar | 2 | 3 |
| Faulty Feeder | Xf (km) | dj1 | dj2 | Sdj0 | Faulty Feeder Detection Result | Get the Number of Votes |
|---|---|---|---|---|---|---|
| L4 | 1 | 5 | \ | Sd5 = [32.78 55.28 52.43 133.86 66.34] | L4 | 1 |
| 8 | 5 | \ | Sd5 = [32.26 54.35 52.63 132.93 66.00] | L4 | 1 | |
| 15 | 5 | \ | Sd5 = [32.10 53.88 51.57 131.35 65.40] | L4 | 1 |
| Faulty Feeder | Xf (km) | Rdj1 Rdj2 | Faulty Feeder Detection Result | Get the Number of Votes | Aggregate Votes |
|---|---|---|---|---|---|
| L4 | 1 | Rd5 = [0.80 0.84 0.84 0.55 0.82] | L4 | 1 | 2 |
| 8 | Rd5 = [0.80 0.84 0.84 0.57 0.82] | L4 | 1 | 2 | |
| 15 | Rd5 = [0.81 0.84 0.84 0.59 0.83] | L4 | 1 | 2 |
| Faulty Feeder | v(%) | dj1 | dj2 | Sdj0 | Faulty Feeder Detection Result | Get the Number of Votes |
|---|---|---|---|---|---|---|
| L5 | 5 | 5 | \ | Sd5 = [32.03 53.79 45.09 71.89 135.05] | L5 | 1 |
| 8 | 5 | \ | Sd5 = [32.22 54.12 45.36 72.33 133.96] | L5 | 1 | |
| 10 | 5 | \ | Sd5 = [32.33 54.29 45.51 72.56 133.12] | L5 | 1 | |
| Bus Bar | 5 | 5 | 4 | Sd4 = [18.12 30.14 25.85 40.36 40.32] | Bus Bar | 1 |
| 8 | 5 | 4 | Sd4 = [18.15 30.19 25.89 40.41 40.37] | Bus Bar | 1 | |
| 10 | 5 | 4 | Sd4 = [18.15 30.20 25.90 40.43 40.39] | Bus Bar | 1 |
| Faulty Feeder | v(%) | Rdj1 Rdj2 | Faulty Feeder Detection Result | Get the Number of Votes | Aggregate Votes |
|---|---|---|---|---|---|
| L5 | 5 | Rd5 = [0.801 0.833 0.831 0.809 0.577] \ | L5 | 1 | 2 |
| 8 | Rd5 = [0.800 0.833 0.831 0.808 0.575] \ | L5 | 1 | 2 | |
| 10 | Rd5 = [0.800 0.832 0.830 0.803 0.572] \ | L5 | 1 | 2 | |
| Bus Bar | 5 | Rd5 = [0.647 0.642 0.659 0.686 0.701] Rd4 = [0.621 0.613 0.630 0.706 0.708] | Bus Bar | 2 | 3 |
| 8 | Rd5 = [0.648 0.642 0.659 0.687 0.702] Rd4 = [0.621 0.613 0.630 0.706 0.708] | Bus Bar | 2 | 3 | |
| 10 | Rd5 = [0.648 0.642 0.660 0.687 0.702] Rd4 = [0.621 0.613 0.630 0.706 0.708] | Bus Bar | 2 | 3 |
Disclaimer/Publisher’s Note: The statements, opinions and data contained in all publications are solely those of the individual author(s) and contributor(s) and not of MDPI and/or the editor(s). MDPI and/or the editor(s) disclaim responsibility for any injury to people or property resulting from any ideas, methods, instructions or products referred to in the content. |
© 2023 by the authors. Licensee MDPI, Basel, Switzerland. This article is an open access article distributed under the terms and conditions of the Creative Commons Attribution (CC BY) license (https://creativecommons.org/licenses/by/4.0/).
Share and Cite
Wang, Y.; Cao, J.; Hu, Z.; Han, X.; Zhou, X. Faulty Feeder Detection Based on Grey Correlation Degree of Adaptive Frequency Band in Resonant Grounding Distribution System. Sustainability 2023, 15, 8116. https://doi.org/10.3390/su15108116
Wang Y, Cao J, Hu Z, Han X, Zhou X. Faulty Feeder Detection Based on Grey Correlation Degree of Adaptive Frequency Band in Resonant Grounding Distribution System. Sustainability. 2023; 15(10):8116. https://doi.org/10.3390/su15108116
Chicago/Turabian StyleWang, Yanwen, Jiyuan Cao, Zhiming Hu, Xueqian Han, and Xuan Zhou. 2023. "Faulty Feeder Detection Based on Grey Correlation Degree of Adaptive Frequency Band in Resonant Grounding Distribution System" Sustainability 15, no. 10: 8116. https://doi.org/10.3390/su15108116
APA StyleWang, Y., Cao, J., Hu, Z., Han, X., & Zhou, X. (2023). Faulty Feeder Detection Based on Grey Correlation Degree of Adaptive Frequency Band in Resonant Grounding Distribution System. Sustainability, 15(10), 8116. https://doi.org/10.3390/su15108116
