Zeta/Flyback Hybrid Converter for Solar Power Applications
Abstract
:1. Introduction
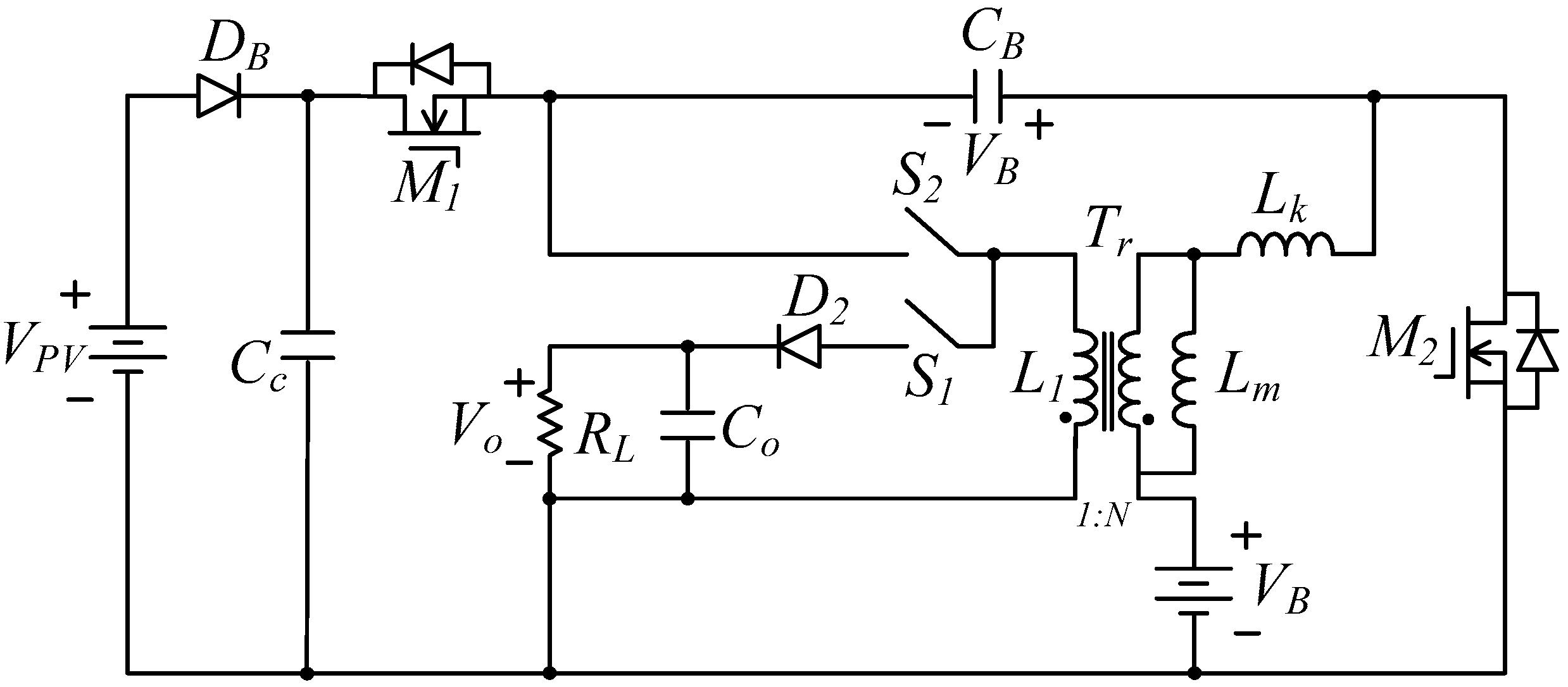
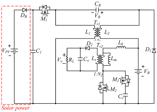
2. Derivation of the Proposed Hybrid Converter
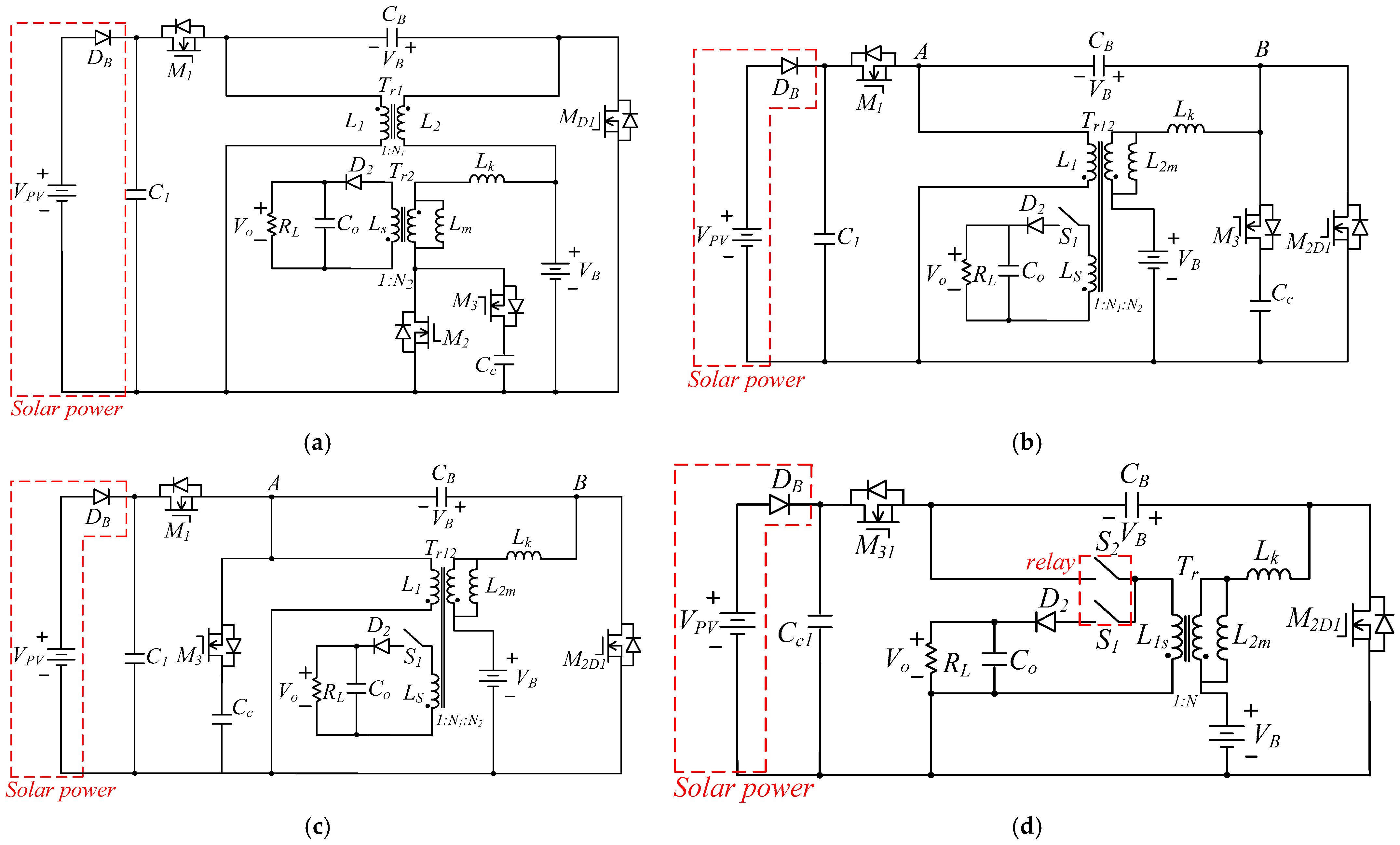
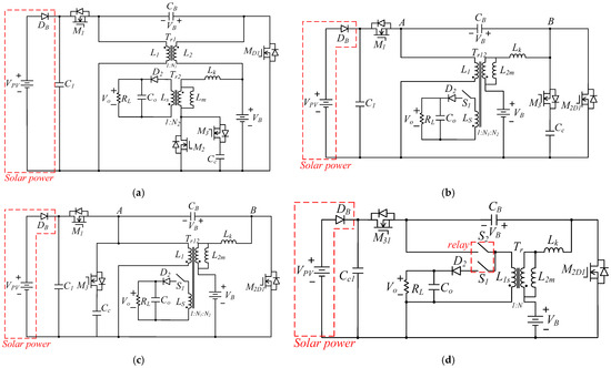
- Procedure 1: As shown Figure 6a, the bidirectional circuit structure for the zeta converter with the coupling inductor circuit and flyback converter with the active clamp circuit have been used to simplify the conventional converter for the proposed power system.
- Procedure 2: Since the switches M2 and MD1 in Figure 6a are operated synchronously, they can be merged to form switch M2D1 shown in Figure 6b. Simultaneously, a switch S1 with a low speed and a low cost is added to the zeta and flyback hybrid converters to control the operational condition of the proposed power system. Moreover, magnetizing the inductances of transformers Tr1 and Tr2 has been integrated into magnetizing inductance L2m.
- Procedure 3: Since voltage difference between nodes B and A is equal to VB, the branch of switch M3 and capacitor CC can be moved from node B to node A, except that voltage stresses of switch M3 and capacitor CC are simultaneously changed, as shown in Figure 6c.
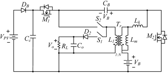
- Procedure 4: Since switches M2 and M3 are operated in complementary, and switches M1 and MD1 are also operated in complementary, switches M1 and M3 are operated synchronously due to the synchronous operations of switches M2 and MD1. Therefore, switches M3 and M1 are integrated into switch M31, and capacitors C1 and CC are connected in parallel to be merged as capacitor CC1. In addition, inductors L1 and LS can be integrated with inductor L1S. In order to keep the same operational principle of the proposed power system, a switch S2 with a low speed is adopted to control different operational conditions of the proposed one. When switches S1 and S2 are adopted in the proposed hybrid converter and operated in complementary, a relay with a normal close and a normal open contacts can be used to realize the proposed operational conditions, as shown in Figure 6d. In Figure 6d, symbols of component devices are complex expression. They have been renamed for easy use in further explanation of operational principles of the proposed converter, as shown in Figure 5.
3. Operational Principle of the Proposed Hybrid Converter
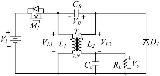
3.1. Battery Charger: Zeta Converter
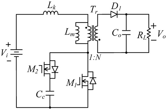
3.2. Battery Discharger: Flyback Converter
4. Design of the Proposed Hybrid Converter
4.1. Zeta Converter
4.1.1. Duty Cycle D11
4.1.2. Inductor L1 of Transformer Tr
4.2. Active Clamp Flyback Converter
4.2.1. Duty Ratio D12
4.2.2. Transformer Tr
4.2.3. Active Clamp Capacitor CC
4.2.4. Output Capacitor Co
4.2.5. Power Loss Analysis
- (1)
- Losses of switches
- (2)
- Loss of diode
- (3)
- Loss of core
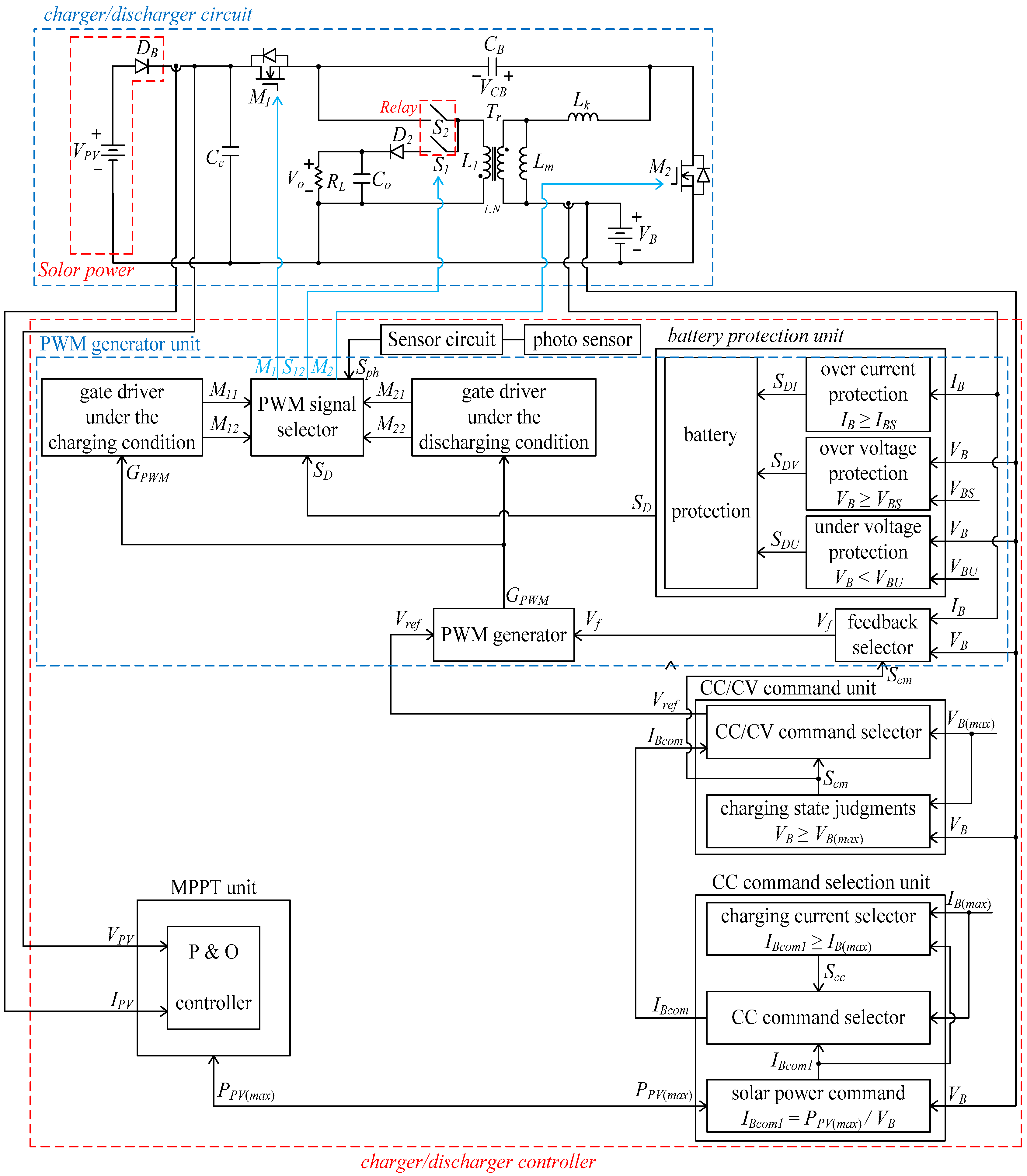
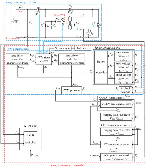
5. Circuit Control of the Proposed Hybrid Converter
5.1. MPPT Unit
5.2. CC Command Selection Unit
5.3. CC/CV Command Unit
5.4. PWM Generator Unit
5.5. Battery Protection Unit
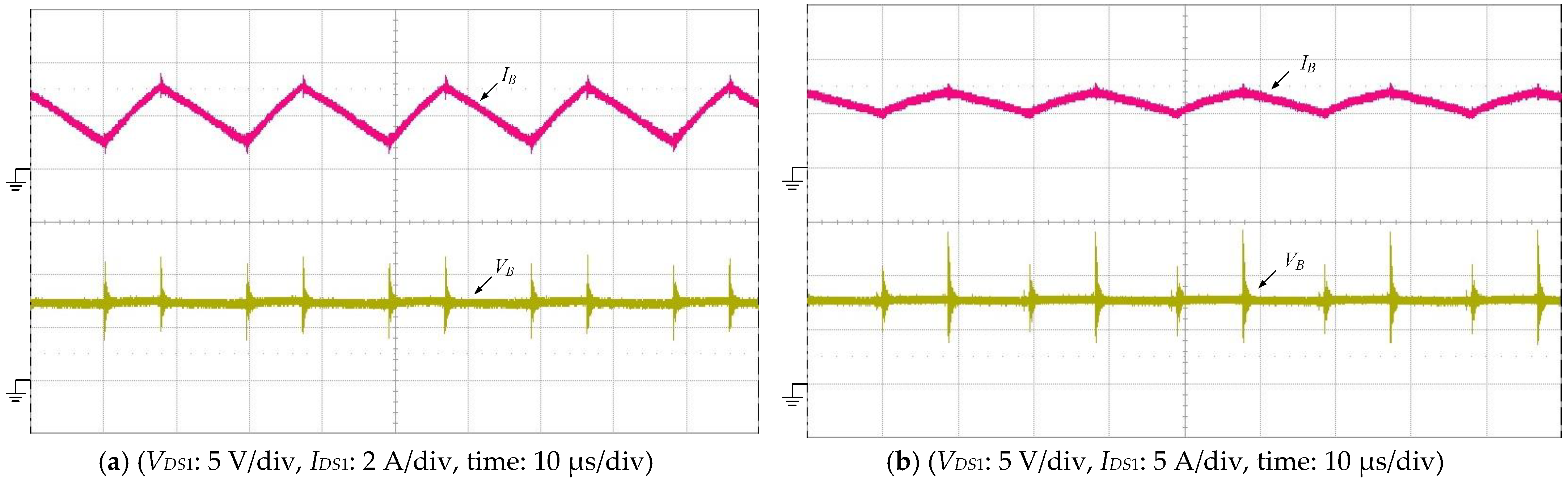
6. Experimental Results
- Charger: zeta converter:
- Input voltage VPV: DC13.5~22.5 V (PV array);
- Maximum input power PPV(max): 50 W;
- Operating frequency fs1: 50 kHz;
- Maximum charging current IBC(max): 6 A;
- Output voltage VB: DC5 V~8.4 V (lithium battery: 3.2 Ah).
- Discharger: flyback converter:
- Input voltage VB: DC5 V~8.4 V (lithium battery: 3.2 Ah);
- Maximum input current IBD(max): 6.8 A;
- Operating frequency fs2: 50 kHz;
- Maximum output current Io(max): 4.2 A;
- Output voltage Vo: 12 V.
- Switches M1 and M2: Aow2918;
- Capacitor CB: 10 µF/100 V;
- Transformer Tr core: EE-33;
- Transformer Tr: Lm = 48 µH (leakage inductance Lk = 7 µH);
- Trans ratio N: 1;
- Diode D2: STPS10L60D;
- Capacitor CC: 0.5 µF.
7. Conclusions
Author Contributions
Funding
Institutional Review Board Statement
Informed Consent Statement
Data Availability Statement
Conflicts of Interest
References
- Castro, I.; Vazquez, A.; Aller, D.G.; Arias, M.; Lamar, D.G.; Sebastian, J. On Supplying LEDs from Very Low DC Voltages with High-Frequency AC-LED Drivers. IEEE Trans. Power Electron. 2019, 34, 5711–5719. [Google Scholar] [CrossRef]
- Wang, Y.; Hu, X.; Guan, Y.; Xu, D. A Single-Stage LED Driver Based on Half-Bridge CLCL Resonant Converter and Buck–Boost Circuit. IEEE Trans. Power Electron. 2019, 7, 196–208. [Google Scholar] [CrossRef]
- Tsou, M.-C.; Kuo, M.-T. Optimal Combination Design of a Light Emitting Diode Matrix Applicable to a Single-Stage Flyback Driver. Energies 2020, 13, 5209. [Google Scholar] [CrossRef]
- Zhang, F.; Xie, Y.; Hu, Y.; Chen, G.; Wang, X. A Hybrid Boost–Flyback/Flyback Microinverter for Photovoltaic Applications. IEEE Trans. Ind. Electron. 2020, 67, 308–318. [Google Scholar] [CrossRef]
- Lodh, T.; Pragallapati, N.; Agarwal, V. Novel Control Scheme for an Interleaved Flyback Converter Based Solar PV Microinverter to Achieve High Efficiency. IEEE Trans. Ind. Appl. 2018, 54, 3473–3482. [Google Scholar] [CrossRef]
- Das, M.; Agarwal, V. Design and Analysis of a High-Efficiency DC–DC Converter with Soft Switching Capability for Renewable Energy Applications Requiring High Voltage Gain. IEEE Trans. Ind. Electron. 2016, 63, 2936–2944. [Google Scholar] [CrossRef]
- Khodabandeh, M.; Afshari, E.; Amirabadi, M. A Family of Ćuk, Zeta, and SEPIC Based Soft-Switching DC–DC Converters. IEEE Trans. Power Electron. 2019, 34, 9503–9519. [Google Scholar] [CrossRef]
- Tian, Q.; Zhou, G.; Liu, R.; Zhang, X.; Leng, M. Topology Synthesis of a Family of Integrated Three-Port Converters for Renewable Energy System Applications. IEEE Trans. Ind. Electron. 2021, 68, 5833–5846. [Google Scholar] [CrossRef]
- Banaei, M.R.; Sani, S.G. Analysis and Implementation of a New SEPIC-Based Single-Switch Buck–Boost DC–DC Converter with Continuous Input Current. IEEE Trans. Power Electron. 2018, 33, 10317–10325. [Google Scholar] [CrossRef]
- Liu, X.; Wan, Y.; Dong, Z.; He, M.; Zhou, Q.; Tse, C.K. Buck–Boost–Buck-Type Single-Switch Multistring Resonant LED Driver with High Power Factor and Passive Current Balancing. IEEE Trans. Power Electron. 2020, 35, 5132–5143. [Google Scholar] [CrossRef]
- Tseng, S.-Y.; Fan, J.-H. Buck-Boost/Flyback Hybrid Converter for Solar Power System Applications. Electronics 2021, 10, 414. [Google Scholar] [CrossRef]
- Cao, Y.; Li, K.; Lu, M. Balancing Method Based on Flyback Converter for Series-Connected Cells. IEEE Access 2021, 9, 52393–52403. [Google Scholar] [CrossRef]
- Guo, X.; Geng, J.; Liu, Z.; Xu, X.; Cao, W. A Flyback Converter-Based Hybrid Balancing Method for Series-Connected Battery Pack in Electric Vehicles. IEEE Trans. Veh. Technol. 2021, 70, 6626–6635. [Google Scholar] [CrossRef]
- Yuan, Y.; Lai, L.; Wu, Q.; Yi, C. An Integrated Boost-LC-Resonant-Flyback Multimode Converter for Battery Charger Applications. IEEE Trans. Ind. Electron. 2021, 68, 5686–5689. [Google Scholar] [CrossRef]
- Ravi, V.; Satpathy, S.; Lakshminarasamma, N. An Energy-Based Analysis for High Voltage Low Power Flyback Converter Feeding Capacitive Load. IEEE Trans. Power Electron. 2021, 35, 546–564. [Google Scholar] [CrossRef]
- Kumar, M.; Babu, Y.N.; Pullaguram, D.; Mishra, S. A high voltage gain non-isolated modified three-port DC/DC converter based on integrated Boost-Cuk topology. In Proceedings of the 2017 IEEE PES Asia-Pacific Power and Energy Engineering Conference (APPEEC), Bangalore, India, 8–10 November 2017; pp. 1–6. [Google Scholar]
- Wu, H.; Zhang, J.; Xing, Y. A Family of Multiport Buck–Boost Converters Based on DC-Link-Inductors (DLIs). IEEE Trans. Power Electron. 2015, 30, 735–746. [Google Scholar] [CrossRef]
- Wu, Y.-E.; Chiu, P.-N. A High-Efficiency Isolated-Type Three-Port Bidirectional DC/DC Converter for Photovoltaic Systems. Energies 2017, 10, 434. [Google Scholar] [CrossRef] [Green Version]
- Manoharan, P.; Subramaniam, U.; Babu, T.S.; Padmanaban, S.; Holm-Nielsen, J.B.; Mitolo, M.; Ravichandran, S. Improved Perturb and Observation Maximum Power Point Tracking Technique for Solar Photovoltaic Power Generation Systems. IEEE Syst. J. 2021, 15, 3024–3035. [Google Scholar] [CrossRef]


























| Three-Port Converter | Input Ports | Output Ports | Inductors | Transformers | Switches | Diodes | Capacitors | Extra Switches |
|---|---|---|---|---|---|---|---|---|
| M. Kumar, et al. [16] | 2 | 1 | 2 | 0 | 3 | 3 | 3 | 0 |
| H. Wu, et al. [17] | 2 | 1 | 3 | 0 | 3 | 3 | 1 | 0 |
| Y-E. Wu, et al. [18] | 2 | 1 | 1 | 1 | 4 | 2 | 3 | 0 |
| The proposed Hybrid converter (Figure 5) | 2 | 1 | 0 | 1 | 2 | 0 | 3 | 1 (relay) |
| Symbol | Definition | Symbol | Definition |
|---|---|---|---|
| VPV | output voltage of solar power | Vf | feedback signal of PWM generator |
| VB | battery voltage | GPWM | PWM signal of main switch |
| VB(max) | maximum battery voltage | SDI | protection signal of IB ≥ IBS |
| VBS | over voltage protection of battery | SDV | protection signal of VB ≥ VBS |
| VBU | under voltage protection of battery | SDU | protection signal of VB ≤ VBU |
| IB | battery current | SD | protection signal of battery |
| IB(max) | maximum charging/discharger current of battery | M11 | gate signal under the charging condition |
| IBS | over current protection of battery | M12 | gate signal under the charging condition |
| PPV(max) | maximum output power of solar power at present | M21 | gate signal under the discharging condition |
| IBcom1 | current command value under PPV(max) | M22 | gate signal under the discharging condition |
| IBcom | current command value with CC charging method | Sph | photo sensor signal |
| Scc | selecting signal of CC command | S12 | gate signal of switch S1 and S2 |
| Scm | selecting signal of CC/CV command | M1 | gate signal of switch M1 |
| Vref | command signal of PWM generator | M2 | gate signal of switch M2 |
| Controlling Unit | Selection/Judgement Condition | Operational Condition | ||
|---|---|---|---|---|
| Variable | State | |||
| CC command selection unit | solar power command | SPV | ||
| charging current selector | SCC | High | IBcom1 ≥ IB(max) | |
| Low | IBcom1 < IB(max) | |||
| CC command selection | IBcom | Scc = High | IBcom = IB(max) | |
| Scc = Low | IBcom = IBcom1 | |||
| CC/CV command selection unit | Charging state judgement | Scm | High | VB ≥ VB(max) |
| Low | VB < VB(max) | |||
| CC/CV command selector | Vref | Scm = High | Vref = VB(max) under CV operation | |
| Scm = Low | Vref = IBcom under CC operation | |||
| PWM generator unit | Feedback selector | Vf | Scm = High | Vf = VB under CV operation |
| Scm = Low | Vf = IB under CC operation | |||
| PWM generator | GPWM | Error value by Vref and Vf | ||
| Gate driver under the charging condition | M11 | M11 = SPWM | ||
| M12 | M12 = | |||
| Gate driver under the discharging condition | M21 | M21 = | ||
| M22 | M22 = SPWM | |||
| PWM signal selector | M1 | M1 = M11 Sph + M21 | ||
| M2 | M2 = M12 Sph + M22 | |||
| S12 | Sph = High | Under the charging condition | ||
| Sph = Low | Under the charging condition | |||
| SD | High | shutdown the proposed system | ||
| Low | normal operation | |||
| Battery protection unit | Over current protection | SDI | High | IB ≥ IBS: over current protection |
| Low | IB < IBS: normal operation | |||
| Over voltage protection | SDV | High | VB ≥ VBS: over voltage protection | |
| Low | VB < VBS: normal operation | |||
| Under voltage protection | SDU | High | VB ≤ VBU: under voltage protection | |
| Low | VB > VBU: normal operation | |||
| Battery protection | SD | High | shutdown the proposed system | |
| Low | normal operation | |||
| Parameters | Values |
|---|---|
| Maximum Power (PPV(max)) | 50 W |
| Maximum Power voltage (V PV(max)) | 17.96 V |
| Maximum Power current (IPV(max)) | 2.78 A |
| Open circuit voltage (VOC) | 22.5 A |
| Short circuit current (ISC) | 3.1 A |
| Parameters | Single Battery Cell Value | Battery Pack Values (2 Series*4 Parallel) |
|---|---|---|
| Capacity rating | 3.2 Ah | 25.6 Ah |
| Nominal voltage | 3.6 V | 7.2 V |
| Maximum charging voltage | 4.2 V | 8.4 V |
| Standard charging current | 1.625 A | 6.45 A |
| Minimum discharging voltage | 2.5 V | 5.0 V |
| Minimum discharging current | 6.4 A | 25.6 A |
Publisher’s Note: MDPI stays neutral with regard to jurisdictional claims in published maps and institutional affiliations. |
© 2022 by the authors. Licensee MDPI, Basel, Switzerland. This article is an open access article distributed under the terms and conditions of the Creative Commons Attribution (CC BY) license (https://creativecommons.org/licenses/by/4.0/).
Share and Cite
Tseng, S.-Y.; Fan, J.-H. Zeta/Flyback Hybrid Converter for Solar Power Applications. Sustainability 2022, 14, 2924. https://doi.org/10.3390/su14052924
Tseng S-Y, Fan J-H. Zeta/Flyback Hybrid Converter for Solar Power Applications. Sustainability. 2022; 14(5):2924. https://doi.org/10.3390/su14052924
Chicago/Turabian StyleTseng, Sheng-Yu, and Jun-Hao Fan. 2022. "Zeta/Flyback Hybrid Converter for Solar Power Applications" Sustainability 14, no. 5: 2924. https://doi.org/10.3390/su14052924
APA StyleTseng, S.-Y., & Fan, J.-H. (2022). Zeta/Flyback Hybrid Converter for Solar Power Applications. Sustainability, 14(5), 2924. https://doi.org/10.3390/su14052924

