On the Technology of Solid Oxide Fuel Cell (SOFC) Energy Systems for Stationary Power Generation: A Review
Abstract
1. Introduction
Contribution
2. Thermo-Electrochemistry
2.1. Influence of Operational Parameters on Performance
2.2. Efficiency
2.3. Thermo-Electrochemical Performance Evaluation
3. On the Constituent Material
3.1. Solid Electrolyte
3.2. Anode
3.3. Cathode
3.4. Interconnections
3.5. Sealants
4. SOFC Architecture
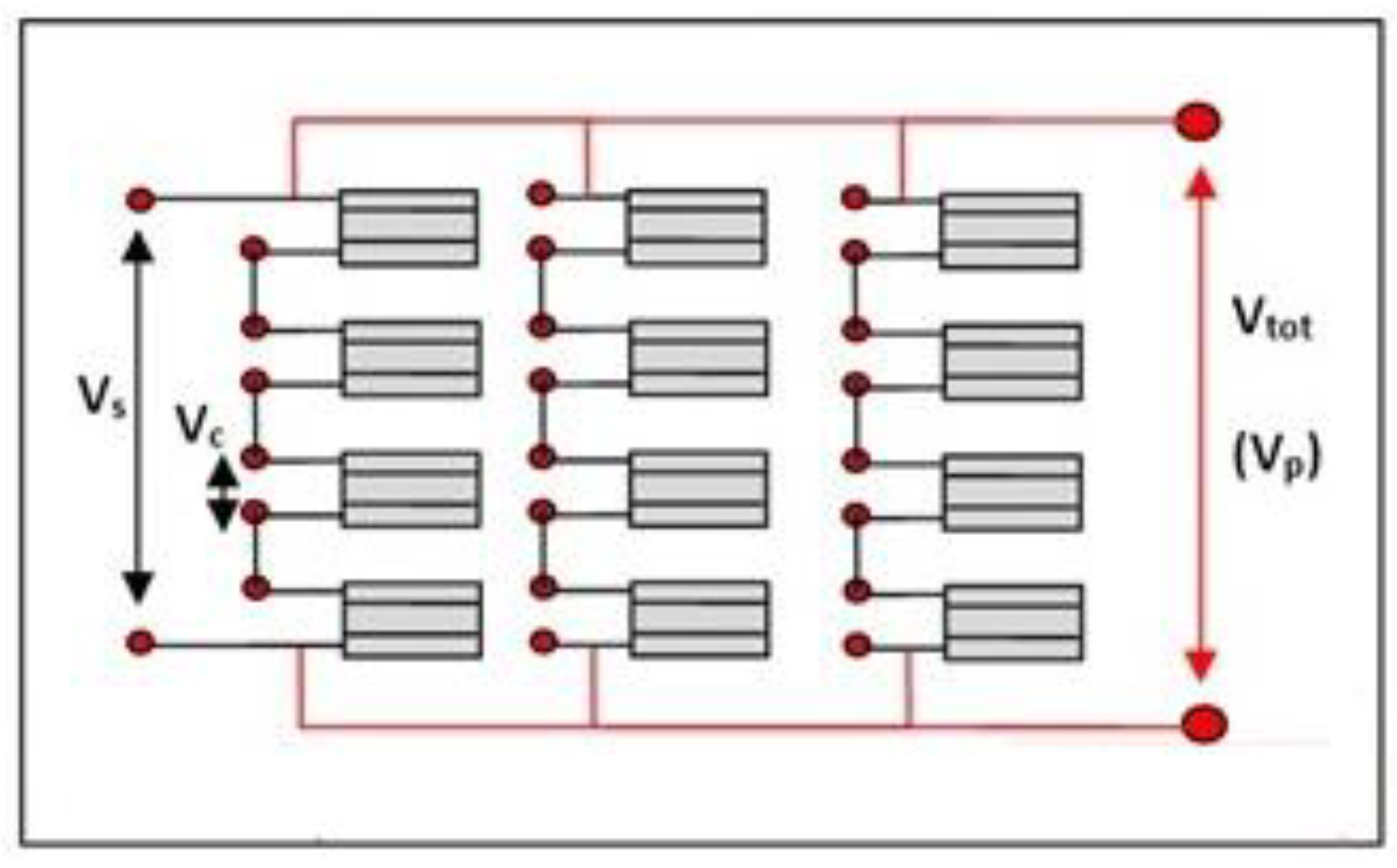
5. From Cell to Stack to Balance of Plant
6. Fuel Processing
6.1. Thermodynamic Briefs on Reforming Fuel Processing
6.2. Steam Methane Reforming Processing Assessment
7. Impurities in Fueling SOFC
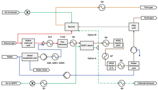
8. Fueling SOFC
9. Some Studies on Balance of Plant of SOFC
10. Hybrid SOFC–Turbine Systems
10.1. SOFC–Gas Turbine Hybrid Systems
10.2. SOFC–Steam Turbine Hybrid Systems
10.3. SOFC–Gas and Steam Turbine Hybrid Systems
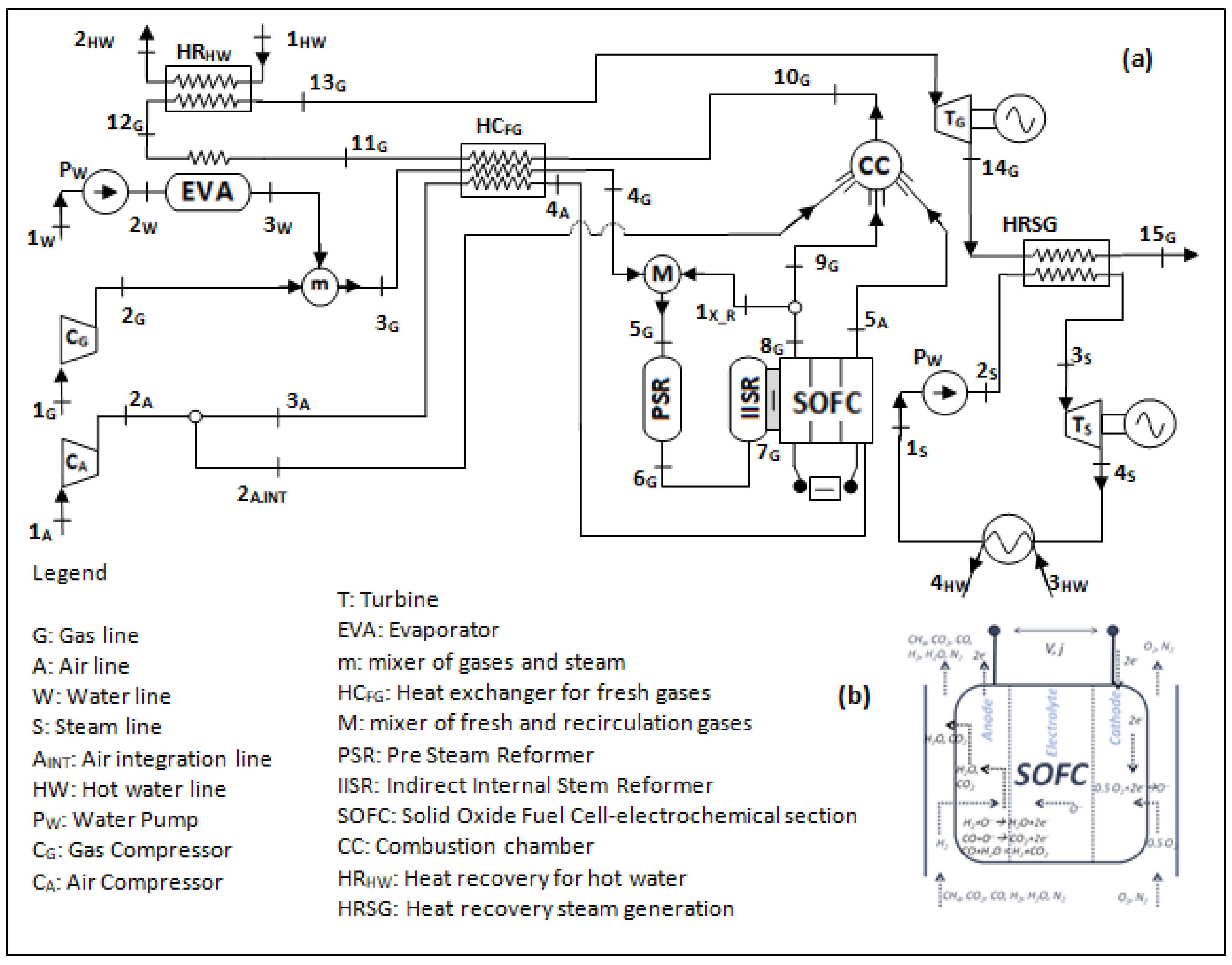
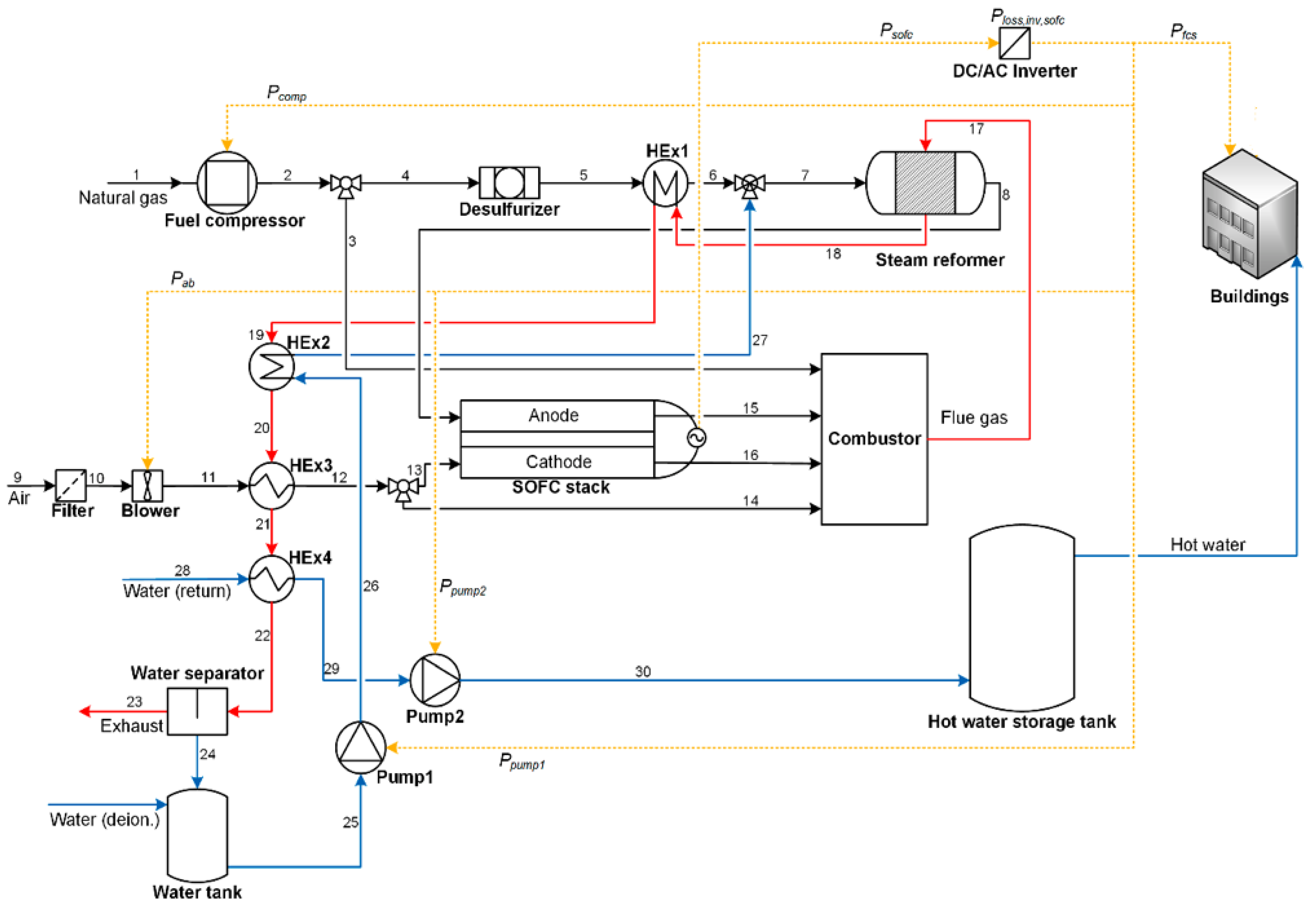
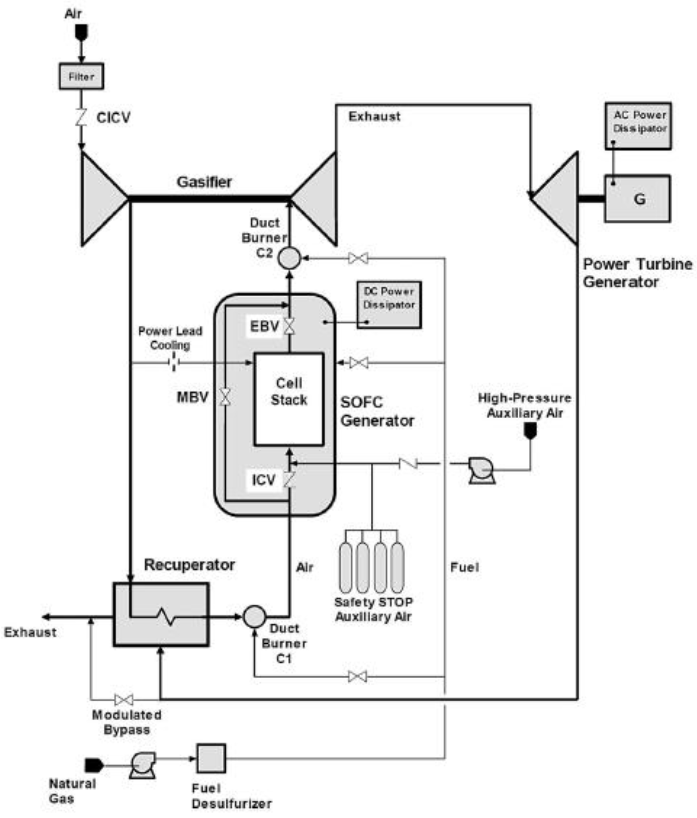
10.4. Hybrid Systems—Experimental Tests and Real Installations
11. Integrated System Biomass Gasifier/SOFC
- -
- Hydrolysis, the process in which organic molecules undergo splitting in simpler compounds such as monosaccharides, amino acids, and fatty acids.
- -
- Acidogenesis, the process in which further splitting takes place in even simpler molecules such as volatile fatty acids (for example, acetic, propionic, butyric, and valeric acid), with the production of ammonia, carbon dioxide, and hydrogen sulfide as sub-products.
- -
- Acetogenesis, the process in which the simple molecules produced in the previous stages are further digested, mainly producing carbon dioxide, hydrogen, and acetic acid.
- -
- Methanogenesis, by hydrogenotrophic bacteria that act in the anaerobic oxidation of hydrogen according to reaction (45) with production of methane, carbon dioxide, and water.
- -
- The dehydration process, occurring at around 100 °C. The resulting steam is then mixed into the gas flow and is involved in the subsequent chemical reactions such as the CO-shift reaction.
- -
- The pyrolysis process, occurring at around 200–300 °C. It is a process of the thermochemical decomposition of organic materials, obtained by the application of heat, and in the complete absence of an oxidizing agent, volatiles are released and char, which is a solid carbonaceous, very similar to coal, is produced. This subprocess implies a 70% weight loss for coal. The process is dependent on the properties of the carbonaceous material and determines the structure and composition of the char, which will then undergo subsequent gasification reactions.
- -
- The combustion process, occurring when volatile products and some of the char react with oxygen to primarily form carbon dioxide and small amounts of carbon monoxide, which provides heat for the subsequent gasification reactions (expression (48)).
- -
- The gasification process, which occurs as the char reacts with steam to produce carbon monoxide and hydrogen (expression (49)).
- -
- The CO-shift process involves carbon monoxide and steam to produce carbon dioxide and hydrogen. In fact, as can be seen from expression (50) and as discussed in the previous section on fuel processing, it is an exothermic process, therefore, at the high temperature of the gasification reactor, the equilibrium could be moved to the left side in favor of carbon monoxide.
12. SOFC Companies
13. SOFC Systems Roadmap in the Energy Transition
14. Conclusions
Author Contributions
Funding
Institutional Review Board Statement
Informed Consent Statement
Data Availability Statement
Acknowledgments
Conflicts of Interest
References
- Available online: https://treaties.un.org/Pages/ViewDetails.aspx?src=TREATY&mtdsg_no=XXVII-7-d&chapter=27&lang=_en&clang=_en (accessed on 16 September 2022).
- Vision 21 Program Plan-Clean Energy Plants for the 21st Century; U.S. Department of Energy: Washington, DC, USA, 1999.
- Institutional Plan-FY 2003–2007; U.S. Department of Energy, Office of Fossil Energy, National Energy Technology Laboratory: Morgantown, WV, USA, 2002.
- Available online: https://www.nationalgeographic.com/environment/global-warming/pollution/ (accessed on 16 September 2022).
- Available online: https://www.iea.org/reports/renewable-energy-market-update-2021/renewable-electricity (accessed on 16 September 2022).
- IRENA. Hydrogen from Renewable Power: Technology Outlook for the Energy Transition; International Renewable Energy Agency: Abu Dhabi, United Arab Emirates, 2018. [Google Scholar]
- Stern, A.G. A new sustainable hydrogen clean energy paradigm. Int. J. Hydrogen Energy 2018, 43, 4244–4255. [Google Scholar] [CrossRef]
- Viktorsson, L.; Heinonen, J.T.; Skulason, J.B.; Unnthorsson, R. A Step towards the Hydrogen Economy—A Life Cycle Cost Analysis of A Hydrogen Refueling Station. Energies 2017, 10, 763. [Google Scholar] [CrossRef]
- Dincer, I.; Acar, C. Smart energy solutions with hydrogen options. Int. J. Hydrogen Energy 2018, 43, 8579–8599. [Google Scholar] [CrossRef]
- Hanley, E.S.; Deane, J.P.; Gallachóir, B.P.Ó. The role of hydrogen in low carbon energy futures–A review of existing perspectives. Renew. Sustain. Energy Rev. 2018, 82, 3027–3045. [Google Scholar] [CrossRef]
- Uyar, T.S.; Beşikci, D. Integration of hydrogen energy systems into renewable energy systems for better design of 100% renewable energy communities. Int. J. Hydrogen Energy 2017, 42, 2453–2456. [Google Scholar] [CrossRef]
- Ruiz-Morales, J.C.; Marrero-López, D.; Gálvez-Sánchez, M.; Canales-Vázquez, J.; Savaniu, C.; Savvin, S.N. Engineering of Materials for Solid Oxide Fuel Cells and other Energy and Environmental Applications. Eng. Environ. Sci. 2010, 11, 1670–1681. [Google Scholar] [CrossRef]
- Corigliano, O.; Fragiacomo, P. Technical analysis of hydrogen-rich stream generation through CO2 reforming of biogas by using numerical modeling. Fuel 2015, 158, 538–548. [Google Scholar] [CrossRef]
- Corigliano, O.; Fragiacomo, P. Numerical modeling of an indirect internal CO2 reforming solid oxide fuel cell energy system fed by biogas. Fuel 2017, 196, 352–361. [Google Scholar] [CrossRef]
- Corigliano, O.; Fragiacomo, P. Numerical simulations for testing performances of an Indirect Internal CO2 Reforming Solid Oxide Fuel Cell System fed by biogas. Fuel 2017, 196, 378–390. [Google Scholar] [CrossRef]
- De Lorenzo, G.; Corigliano, O.; Lo Faro, M.; Frontera, P.; Antonucci, P.; Zignani, S.C.; Trocino, S.; Mirandola, F.A.; Aricò, A.S.; Fragiacomo, P. Thermoelectric characterization of an intermediate temperature solid oxide fuel cell system directly fed by dry biogas. Energy Convers. Manag. 2016, 127, 90–102. [Google Scholar] [CrossRef]
- Donazzi, A.; Rahmanipour, M.; Maestri, M.; Groppi, G.; Bardini, L.; Pappacena, A.; Boaro, M. Experimental and model analysis of the co-oxidative behavior of syngas feed in an Intermediate Temperature Solid Oxide Fuel Cell. J. Power Sources 2016, 306, 467–480. [Google Scholar] [CrossRef]
- Patel, H.C.; Tabish, A.N.; Comelli, F.; Aravind, P.V. Oxidation of H2, CO and syngas mixtures on ceria and nickel pattern anodes. Appl. Energy 2015, 154, 912–920. [Google Scholar] [CrossRef]
- Modjtahedi, A.; Hedayat, N.; Chuang, S.S.C. Diffusion-limited electrochemical oxidation of H2/CO on Ni-anode catalyst in a CH4/CO2-solid oxide fuel cell. Catal. Today 2016, 278, 227–236. [Google Scholar] [CrossRef]
- Costa, P.; Pinto, F.; André, R.N.; Marques, P. Integration of Gasification and Solid Oxide Fuel Cells (SOFCs) for Combined Heat and Power (CHP). Processes 2021, 9, 254. [Google Scholar] [CrossRef]
- Fragiacomo, P.; De Lorenzo, G.; Corigliano, O. Performance Analysis of a Solid Oxide Fuel Cell-Gasifier Integrated System in Co-Trigenerative Arrangement. J. Energy Resour. Technol. Trans. ASME 2018, 140, 092001. [Google Scholar] [CrossRef]
- Borji, M.; Atashkari, K.; Ghorbani, S.; Nariman-Zadeh, N. Parametric analysis and Pareto optimization of an integrated autothermal biomass gasification, solid oxide fuel cell and micro gas turbine CHP system. Int. J. Hydrog. Energy 2015, 40, 14202–14223. [Google Scholar] [CrossRef]
- Palomba, V.; Prestipino, M.; Galvagno, A. Tri-generation for industrial applications: Development of a simulation model for a gasification-SOFC based system. Int. J. Hydrogen Energy 2017, 42, 27866–27883. [Google Scholar] [CrossRef]
- Wang, Q.; Wei, H.-H.; Xu, Q. A Solid Oxide Fuel Cell (SOFC)-Based Biogas-from-Waste Generation System for Residential Buildings in China: A Feasibility Study. Sustainability 2018, 10, 2395. [Google Scholar] [CrossRef]
- Perna, A.; Minutillo, M.; Jannelli, E.; Cigolotti, V.; Nam, S.W.; Yoon, K.J. Performance assessment of a hybrid SOFC/MGT cogeneration power plant fed by syngas from a biomass down-draft gasifier. Appl. Energy 2018, 227, 80–91. [Google Scholar] [CrossRef]
- Toonssen, R.; Sollai, S.; Aravind, P.V.; Woudstra, N.; Verkooijen, A.H.M. Alternative system designs of biomass gasification SOFC/GT hybrid systems. Int. J. Hydrogen Energy 2011, 36, 10414–10425. [Google Scholar] [CrossRef]
- Reyhani, H.A.; Meratizaman, M.; Ebrahimi, A.; Pourali, O.; Amidpour, M. Thermodynamic and economic optimization of SOFC-GT and its cogeneration opportunities using generated syngas from heavy fuel oil gasification. Energy 2016, 107, 141–164. [Google Scholar] [CrossRef]
- Bellomare, F.; Rokni, M. Integration of a municipal solid waste gasification plant with solid oxide fuel cell and gas turbine. Renew. Energy 2013, 55, 490–500. [Google Scholar] [CrossRef]
- Jung, G.-B.; Chang, C.-T.; Yeh, C.-C.; Nguyen, X.-V.; Chan, S.-H.; Lin, C.-Y.; Yu, J.-W.; Lee, W.-T.; Chang, S.-W.; Kao, I.-C. Study of reversible solid oxide fuel cell with different oxygen electrode materials. Int. J. Hydrogen Energy 2016, 41, 21802–21811. [Google Scholar] [CrossRef]
- Yamamoto, O. Solid oxide fuel cells: Fundamental aspects and prospects. Electrochim. Acta 2000, 45, 2423–2435. [Google Scholar] [CrossRef]
- Skinner, S.J. Recent advances in Perovskite-type materials for solid oxide fuel cell cathodes. Int. J. Inorg. Mater. 2001, 3, 113–121. [Google Scholar] [CrossRef]
- Wang, S.F.; Hsu, Y.F.; Chang, J.H.; Cheng, S.; Lu, H.C. Characteristics of Cu and Mo-doped Ca3Co4O9-δ cathode materials for use in solid oxide fuel cells. Ceram. Int. 2016, 42, 11239–11247. [Google Scholar] [CrossRef]
- Wu, W.; Zhao, Z.; Zhang, X.; Liu, Z.; Cui, D.; Tu, B.; Ou, D.; Cheng, M. Structuredesigned gadolinia doped ceria interlayer for solid oxide fuel cell. Electrochem. Commun. 2016, 71, 43–47. [Google Scholar] [CrossRef]
- Irshad, M.; Khalid, M.; Rafique, M.; Tabish, A.N.; Shakeel, A.; Siraj, K.; Ghaffar, A.; Raza, R.; Ahsan, M.; Ain, Q.T.; et al. Electrochemical Investigations of BaCe0.7-xSmxZr0.2Y0.1O3-δ Sintered at a Low Sintering Temperature as a Perovskite Electrolyte for IT-SOFCs. Sustainability 2021, 13, 12595. [Google Scholar] [CrossRef]
- Kuramoto, K.; Hosokai, S.; Matsuoka, K.; Ishiyama, T.; Kishimoto, H.; Yamaji, K. Degradation behaviors of SOFC due to chemical interaction between Ni-YSZ anode and trace gaseous impurities in coal syngas. Fuel Process. Technol. 2017, 160, 8–18. [Google Scholar] [CrossRef]
- Li, T.S.; Xu, M.; Gao, C.; Wang, B.; Liu, X.; Li, B.; Wang, W.G. Investigation into the effects of sulfur on syngas reforming inside a solid oxide fuel cell. J. Power Sources 2014, 258, 1–4. [Google Scholar] [CrossRef]
- Boldrin, P.; Millan-Agorio, M.; Brandon, N.P. Effect of Sulfur- and Tar-Contaminated Syngas on Solid Oxide Fuel Cell Anode Materials. Energy Fuels 2015, 29, 442–446. [Google Scholar] [CrossRef]
- Pumiglia, D.; Vaccaro, S.; Masi, A.; McPhail, S.J.; Falconieri, M.; Gagliardi, S.; Della Seta, L.; Carlini, M. Aggravated test of Intermediate temperature solid oxide fuel cells fed with tar-contaminated syngas. J. Power Sources 2017, 340, 150–159. [Google Scholar] [CrossRef]
- Chen, T.; Wang, W.I.G.; Miao, H.; Li, T.; Xu, C. Evaluation of carbon deposition behavior on the nickel/yttrium-stabilized zirconia anode-supported fuel cell fueled with simulated syngas. J. Power Sources 2011, 196, 2461–2468. [Google Scholar] [CrossRef]
- Stoeckl, B.; Subotić, V.; Reichholf, D.; Schroettner, H.; Hochenaue, C. Extensive analysis of large planar SOFC: Operation with humidified methane and carbon monoxide to examine carbon deposition based degradation. Electrochim. Acta 2017, 256, 325–336. [Google Scholar] [CrossRef]
- Bian, L.Z.; Chen, Z.Y.; Wang, L.J.; Li, F.S.; Chou, K.C. Electrochemical performance and carbon deposition of anode-supported solid oxide fuel cell exposed to H2-CO fuels. Int. J. Hydrogen Energy 2017, 42, 14246–14252. [Google Scholar] [CrossRef]
- Stambouli, A.B.; Traversa, E. Solid oxide fuel cells (SOFCs): A review of an environmentally clean and efficient source of energy. Renew. Sustain. Energy Rev. 2002, 6, 433–455. [Google Scholar] [CrossRef]
- Laosiripojana, N.; Wiyaratn, W.; Kiatkittipong, W.; Arpornwichanop, A.; Soottitantawat, A.; Assabumrungrat, S. Reviews on solid oxide fuel cell technology. Eng. J. 2009, 13, 65–83. [Google Scholar] [CrossRef]
- Adams, T.A.; Nease, J.; Tucker, D.; Barton, P.I. Energy Conversion with Solid Oxide Fuel Cell Systems: A Review of Concepts and Outlooks for the Short- and Long-Term. Ind. Eng. Chem. Res. 2013, 52, 3089–3111. [Google Scholar] [CrossRef]
- Minh, N.; Mizusaki, J.; Singhal, S.C. Advances in Solid Oxide Fuel Cells: Review of Progress through Three Decades of the International Symposia on Solid Oxide Fuel Cells. ECS Trans. 2017, 78, 63–73. [Google Scholar] [CrossRef]
- Koteswararao, P.; Suresh, B.M.; Wani, B.N.; Rao, P.V.B. Review on Different Components of Solid Oxide Fuel Cells. J. Powder Metall. Min. 2017, 6, 1000181. [Google Scholar]
- Krishnan, V.V. Recent developments in metal-supported solid oxide fuel cells. WIREs Energy Environ. 2017, 6, e246. [Google Scholar] [CrossRef]
- Mahmud, L.S.; Muchtara, A.; Somalu, M.R. Challenges in fabricating planar solid oxide fuel cells: A review. Renew. Sustain. Energy 2017, 72, 105–116. [Google Scholar] [CrossRef]
- Sartori da Silva, F.; de Souza, T.M. Novel materials for solid oxide fuel cell technologies: A literature review. Int. J. Hydrogen Energy 2017, 42, 26020–26036. [Google Scholar] [CrossRef]
- White, D.J. Hybrid gas turbine and fuel cell systems in perspective review. In Proceedings of the International Gas Turbine & Aeroengine Congress & Exhibition, Indianapolis, Indiana, 7–10 June 1999. [Google Scholar]
- Cheddie, D.F. Integration of A Solid Oxide Fuel Cell into A 10 MW Gas Turbine Power Plant. Energies 2010, 3, 754–769. [Google Scholar] [CrossRef]
- Chiang, H.-W.D.; Hsu, C.-N.; Huang, W.-B.; Lee, C.-H.; Huang, W.-P.; Hong, W.-T. Design and Performance Study of a Solid Oxide Fuel Cell and Gas Turbine Hybrid System Applied in Combined Cooling, Heating, and Power System. J. Energy Eng. 2012, 138, 205–214. [Google Scholar] [CrossRef]
- Shi, Y.; Li, C.; Cai, N. Experimental characterization and mechanistic modeling of carbon monoxide fiele solid oxide fuel cell. J. Power Sources 2011, 196, 5526–5537. [Google Scholar] [CrossRef]
- Homer, M.; Gur, T.M.; Koh, J.H.; Virkar, A.V. Carbon monoxide-fueled solid oxide fuel cell. J. Power Sources 2010, 195, 6367–6372. [Google Scholar]
- Ye, X.-F.; Wang, S.R.; Zhou, J.; Zeng, F.R.; Nie, H.W.; Wen, T.L. Assessment of the performance of Ni-yttria-stabilized zirconia anodes in anode-supported solid oxide fuel cells operating on H2-CO syngas fuels. J. Power Sources 2010, 195, 7264–7267. [Google Scholar] [CrossRef]
- Corigliano, O.; Fragiacomo, P. Extensive analysis of SOFC fed by direct syngas at different anodic compositions by using two numerical approaches. Energy Convers. Manag. 2020, 209, 112664. [Google Scholar] [CrossRef]
- Xia, C. Electrolytes. In Solid Oxide Fuel Cells: Materials Properties and Performance; Fergus, J.W., Hui, R., Li, X., Wilkinson, D.P., Zhang, J., Eds.; CRC Press, Taylor & Francis Group: Boca Raton, FL, USA, 2009. [Google Scholar]
- Wang, M.; Wang, H.; Li, W.; Hu, X.; Sun, K.; Zang, Z. Defect passivation using ultrathin PTAA layers for efficient and stable perovskite solar cells with a high fill factor and eliminated hysteresis. J. Mater. Chem. A 2019, 7, 26421–26428. [Google Scholar] [CrossRef]
- Kharton, V.V.; Marques, F.M.B.; Atkinson, A. Transport properties of solid oxide electrolyte ceramics: A brief review. Solid State Ion. 2004, 174, 135–149. [Google Scholar] [CrossRef]
- Singhal, S.C.; Kendall, K. High Temperature Solid Oxide Fuel Cells Fundamentals, Design and Applications; Elsevier: Oxford, UK, 2003. [Google Scholar]
- Nikooyeh, K.; Clemmer, R.; Alzate-Restrepo, V.; Hill, J.M. Effect of hydrogen on carbon formation on Ni/YSZ composites exposed to methane. Appl. Catal. A Gen. 2008, 347, 106–111. [Google Scholar] [CrossRef]
- Kim, S.D.; Moon, H.; Hyun, S.H.; Moon, J.; Kim, J.; Lee, H.W. Performance and durability of Ni-coated YSZ anodes for intermediate temperature solid oxide fuel cells. Solid State Ion. 2006, 177, 931–938. [Google Scholar] [CrossRef]
- Waldbillig, D.; Wood, A.; Ivey, D.G. Thermal analysis of the cyclic reduction and oxidation behaviour of SOFC anodes. Solid State Ion. 2005, 176, 847–859. [Google Scholar] [CrossRef]
- Jiang, S.P. Development of lanthanum strontium manganite perovskite cathode materials of solid oxide fuel cells: A review. J. Mater. Sci. 2008, 43, 6799–6833. [Google Scholar] [CrossRef]
- Kuo, J.H.; Anderson, H.U.; Sparlin, D.M. Oxidation-reduction behavior of undoped and Sr-doped LaMnO3: Defect structure, electrical conductivity, and thermoelectric power. J. Solid State Chem. 1990, 87, 55–63. [Google Scholar] [CrossRef]
- Mims, C.A.; Joos, N.I.; Heide, P.; Jacobson, A.J.; Chen, C.; Chu, C.W.; Kim, B.I.; Perry, S.S. Oxygen Transport in Oxide Thin Film Structures Oriented La0.5Sr0.5CoO3−x on Single-Crystal Yttria-Stabilized Zirconia. Electrochem. Solid-State Lett. 2000, 3, 59. [Google Scholar] [CrossRef]
- Wu, J.; Liu, X. Recent development of SOFC metallic interconnect. J. Mater. Sci. Technol. 2010, 26, 293–305. [Google Scholar] [CrossRef]
- Mahato, N.; Banerjee, A.; Gupta, A.; Omar, S.; Balani, K. Progress in material selection for solid oxide fuel cell technology: A review. Prog. Mater. Sci. 2015, 72, 141–337. [Google Scholar] [CrossRef]
- Brown, M.; Primdahl, S.; Mogensen, M. Structure/Performance Relations for Ni/Yttria-Stabilized Zirconia Anodes for Solid Oxide Fuel Cells. J. Electrochem. Soc. 2000, 147, 475–485. [Google Scholar] [CrossRef]
- Tietz, F.; Buchkremer, H.-P.; Stöver, D. Components manufacturing for solid oxide fuel cells. Solid State Ion. 2002, 152–153, 373–381. [Google Scholar] [CrossRef]
- Zhu, H.; Key, R.J. The influence of current collection on the performance of tubular anode supported SOFC cells. J. Power Sources 2007, 169, 315–326. [Google Scholar] [CrossRef]
- Huang, K.; Singhal, S.C. Cathode-supported tubular solid oxide fuel cell technology: A critical review. J. Power Sources 2013, 237, 84–97. [Google Scholar] [CrossRef]
- Du, Y.; Sammes, N.M. Fabrication and properties of anode-supported tubular solid oxide fuel cells. J. Power Sources 2004, 136, 66–71. [Google Scholar] [CrossRef]
- Zeng, Y.K.; Fan, P.; Zhang, X.; Fu, C.; Li, J.; Li, G. Sensitivity analysis for a planar SOFC: Size effects of the porous gas diffusion layer underneath the channel rib. Fuel Cells 2014, 14, 123–134. [Google Scholar] [CrossRef]
- Timurkutluk, B.; Timurkutluk, C.; Mat, M.D.; Kaplan, Y. A review on cell/stack designs for high performance solid oxide fuel cells. Renew. Sustain. Energy Rev. 2016, 56, 1101–1121. [Google Scholar] [CrossRef]
- Bai, Y.; Wang, C.; Jin, C.; Liu, J. Anode current collecting efficiency of tubular anode-supported solid oxide fuel cells. Fuel Cells 2011, 11, 465–468. [Google Scholar] [CrossRef]
- Mahata, T.; Nair, S.R.; Lenka, R.K.; Sinha, P.K. Fabrication of Ni–YSZ anode supported tubular SOFC through iso-pressing and co-firing route. Int. J. Hydrogen Energy 2012, 37, 3874–3882. [Google Scholar] [CrossRef]
- Li, C.-J.; Li, C.-X.; Ning, X.-J. Performance of YSZ electrolyte layer deposited by atmospheric plasma spraying for cermet-supported tubular SOFC. Vacuum 2004, 73, 699–703. [Google Scholar] [CrossRef]
- Suzuki, T.; Yamaguchi, T.; Fujishiro, Y.; Awano, M. Fabrication and characterization of micro tubular SOFCs for operation in the intermediate temperature. J. Power Sources 2006, 160, 73–77. [Google Scholar] [CrossRef]
- Ding, J.; Liu, J.; Yuan, W.S.; Zhang, Y.H. Slip casting combined with colloidal spray coating in fabrication of tubular anode-supported solid oxide fuel cells. J. Eur. Ceram. Soc. 2008, 28, 3113–3117. [Google Scholar] [CrossRef]
- Chen, C.; Liu, M.; Bai, Y.; Yang, L.; Xie, E.; Liu, M. Anode-supported tubular SOFCs based on BaZr0.1Ce0.7Y0.1Yb0.1O3−δ electrolyte fabricated by dip coating. Electrochem. Community 2011, 13, 615–618. [Google Scholar] [CrossRef]
- Baharuddin, N.A.; Muchtar, A.; Sulong, A.B.; Abdullah, H. Fabrication methods for planar solid oxide fuel cells: A review. Adv. Mater. Res. 2013, 662, 396–401. [Google Scholar]
- Sumi, H.; Yamaguchi, T.; Hamamoto, K.; Suzuki, T.; Fujishiro, Y. Electrochemical analysis for anode-supported microtubular solid oxide fuel cells in partial reducing and oxidizing conditions. Solid State Ion. 2014, 262, 407–410. [Google Scholar] [CrossRef]
- Monzon, H.; Laguna-Bercero, M.A.; Larrea, A.; Arias, B.I.; Varez, A.; Levenfeld, B. Design of industrially scalable microtubular solid oxide fuel cells based on an extruded support. Int. J. Hydrogen Energy 2014, 39, 5470–5476. [Google Scholar] [CrossRef]
- Mendonça, C.; Ferreira, A.; Santos, D.M.F. Towards the Commercialization of Solid Oxide Fuel Cells: Recent Advances in Materials and Integration Strategies. Fuels 2021, 2, 393–419. [Google Scholar] [CrossRef]
- Sun, L.; Hua, Q.; Shen, J.; Xue, Y.; Li, D.; Lee, K.Y. A Combined Voltage Control Strategy for Fuel Cell. Sustainability 2017, 9, 1517. [Google Scholar] [CrossRef]
- Baldinelli, A.; Barelli, L.; Bidini, G.; Di Michele, A.; Vivani, R. SOFC direct fuelling with high-methane gases: Optimal strategies for fuel dilution and upgrade to avoid quick degradation. Energy Convers. Manag. 2016, 124, 492–503. [Google Scholar] [CrossRef]
- Song, C. Recent Advances in Catalysis for Hydrogen Production and Fuel Processing for Fuel Cells. Top Catal 2008, 49, 1–3. [Google Scholar] [CrossRef]
- Farrell, B.; Linic, S. Direct electrochemical oxidation of ethanol on SOFCs: Improved carbon tolerance of Ni anode by alloying. Appl. Catal. B Environ. 2016, 183, 386–393. [Google Scholar] [CrossRef]
- He, H.; Vohs, J.M.; Gorte, R.J. Carbonaceous deposits in direct utilization hydrocarbon SOFC anode. J. Power Sources 2005, 144, 135–140. [Google Scholar] [CrossRef]
- Kaklidis, N.; Pekridis, G.; Besikiotis, V.; Athanasiou, C.; Marnellos, G.E. Direct electro-oxidation of acetic acid in a solid oxide fuel cell. Solid State Ion. 2012, 225, 398–407. [Google Scholar] [CrossRef]
- Choi, Y.; Brown, E.C.; Haile, S.M.; Jung, W.C. Electrochemically modified, robust solid oxide fuel cell anode for direct-hydrocarbon utilization. Nano Energy 2016, 23, 161–171. [Google Scholar] [CrossRef]
- Jiang, S.P.; Ye, Y.; He, T.; Ho, S.B. Nanostructured palladium–La0.75Sr0.25Cr0.5Mn0.5O3/Y2O3–ZrO2 composite anodes for direct methane and ethanol solid oxide fuel cells. J. Power Sources 2008, 185, 179–182. [Google Scholar] [CrossRef]
- Bae, J.; Lee, S.; Kim, S.; Oh, J.; Choi, S.; Bae, M.; Kang, I.; Katikaneni, S.-P. Liquid fuel processing for hydrogen production: A review. Int. J. Hydrog. Energy 2016, 41, 19990–20022. [Google Scholar] [CrossRef]
- Xu, H.; Chen, B.; Zhang, H.; Kong, W.; Ni, M. The thermal effect in direct carbon solid oxide fuel cells. Appl. Therm. Eng. 2017, 118, 652–662. [Google Scholar] [CrossRef]
- Steil, M.C.; Nobrega, S.D.; Georges, S.; Gelin, P.; Uhlenbruck, S.; Fonseca, F.C. Durable direct ethanol anode-supported solid oxide fuel cell. Appl. Energy 2017, 199, 180–186. [Google Scholar] [CrossRef]
- Rosen, M.A.; Scott, D.S. Comparative efficiency assessments for a range of hydrogen production processes. Int. J. Hydrogen Energy 1998, 23, 653–659. [Google Scholar] [CrossRef]
- Koj, J.C.; Wulf, C.; Schreiber, A.; Zapp, P. Site-Dependent Environmental Impacts of Industrial Hydrogen Production by Alkaline Water Electrolysis. Energies 2017, 10, 860. [Google Scholar] [CrossRef]
- Li, Q.; Li, F.; Meng, A.; Tan, Z.; Zhang, Y. Thermolysis of scrap tire and rubber in sub/super-critical water. Waste Manag. 2018, 71, 311–319. [Google Scholar] [CrossRef]
- Luo, S.; Guo, J.; Feng, Y. Hydrogen-rich gas production from pyrolysis of wet sludge in situ steam agent. Int. J. Hydrogen Energy 2017, 42, 18309–18314. [Google Scholar] [CrossRef]
- Khetkorn, W.; Rastogi, R.P.; Incharoensakdi, A.; Lindblad, P.; Madamwar, D.; Pandey, A.; Larroche, C. Microalgal hydrogen production—A review. Bioresour. Technol. 2017, 243, 1194–1206. [Google Scholar] [CrossRef]
- Inayat, A.; Ahmad, M.M.; Yusup, S.; Mutalib, M.I.A. Biomass Steam Gasification with In-Situ CO2 Capture for Enriched Hydrogen Gas Production: A Reaction Kinetics Modelling Approach. Energies 2010, 3, 1472–1484. [Google Scholar] [CrossRef]
- Chaubey, R.; Sahu, S.; James, O.O.; Maity, S. A review on development of industrial processes and emerging techniques for production of hydrogen from renewable and sustainable sources. Renew. Sustain. Energy Rev. 2013, 23, 443–462. [Google Scholar] [CrossRef]
- Schmidt, O.; Gambhir, A.; Staffell, I.; Hawkes, A.; Few, S. Future cost and performance of water electrolysis: An expert elicitation study. Int. J. Hydrogen Energy 2017, 52, 30470–30492. [Google Scholar] [CrossRef]
- Barelli, L.; Bidini, G.; Cinti, G.; Ottaviano, A. Study of SOFC-SOE transition on a RSOFC stack. Int. J. Hydrogen Energy 2017, 42, 26037–26047. [Google Scholar] [CrossRef]
- Saba, S.M.; Müller, M.; Robinius, M.; Stolten, D. The investment costs of electrolysis—A comparison of cost studies from the past 30 years. Int. J. Hydrogen Energy 2017, 43, 1209–1223. [Google Scholar] [CrossRef]
- Vincent, I.; Bessarabov, D. Low cost hydrogen production by anion exchange membrane electrolysis: A review. Renew. Sustain. Energy Rev. 2018, 81, 1690–1704. [Google Scholar] [CrossRef]
- Hake, J.-F.; Koj, J.C.; Kuckshinrichs, W.; Schlör, H.; Ketelaer, T. Towards a Life Cycle Sustainability Assessment of Alkaline Water Electrolysis. Energy Procedia 2017, 105, 3403–3410. [Google Scholar] [CrossRef]
- Lee, B.; Chae, H.; Choi, N.H.; Moon, C.; Lim, H. Economic evaluation with sensitivity and profitability analysis for hydrogen production from water electrolysis in Korea. Int. J. Hydrogen Energy 2017, 42, 6462–6471. [Google Scholar] [CrossRef]
- Zhang, W.; Zheng, Y.; Yu, B.; Wang, J.; Chen, J. Electrochemical characterization and mechanism analysis of high temperature Co-electrolysis of CO2 and H2O in a solid oxide electrolysis cell. Int. J. Hydrogen Energy 2017, 42, 29911–29920. [Google Scholar] [CrossRef]
- Tran, A.; Aguirre, A.; Durand, H.; Crose, M.; Christofides, P.D. CFD modeling of a industrial-scale steam methane reforming furnace. Chem. Eng. Sci. 2017, 171, 576–598. [Google Scholar] [CrossRef]
- Ma, R.; Castro-Dominguez, B.; Mardilovich, I.P.; Dixon, A.G.; Ma, Y.H. Experimental and simulation studies of the production of renewable hydrogen through ethanol steamreforming in a large-scale catalytic membrane reactor. Chem. Eng. J. 2016, 303, 302–313. [Google Scholar] [CrossRef]
- Sisinni, M.; Di Carlo, A.; Bocci, E.; Micangeli, A.; Naso, V. Hydrogen-Rich Gas Production by Sorption Enhanced Steam Reforming of Woodgas Containing TAR over a Commercial Ni Catalyst and Calcined Dolomite as CO2 Sorbent. Energies 2013, 6, 3167–3181. [Google Scholar] [CrossRef]
- Kumar, A.; Edgar, T.F.; Baldea, M. Multi-resolution model of an industrial hydrogen plant for plantwide operational optimization with non-uniform steam-methane reformer temperature field. Comput. Chem. Eng. 2017, 107, 271–283. [Google Scholar] [CrossRef]
- Zamaniyan, A.; Behroozsarand, A.; Ebrahimi, H. Modeling and simulation of large scale hydrogen production. J. Nat. Gas Sci. Eng. 2010, 2, 293–301. [Google Scholar] [CrossRef]
- Rúa, D.; Hernández, L. Phenomenological evaluation of industrial reformers for glycerol steam reforming. Int. J. Hydrogen Energy 2016, 41, 13811–13819. [Google Scholar] [CrossRef]
- Dewa, M.; Yu, W.; Dale, N.; Hussain, A.-M.; Grant Norton, M.; Ha, S. Recent progress in integration of reforming catalyst on metal-supported SOFC for hydrocarbon and logistic fuels. Int. J. Hydrog. Energy 2021, 46, 33523–33540. [Google Scholar] [CrossRef]
- Cimenti, M.; Hill, J.M. Thermodynamic analysis of solid oxide fuel cells operated with methanol and ethanol under direct utilization, steam reforming, dry reforming or partial oxidation conditions. J. Power Sources 2009, 186, 377–384. [Google Scholar] [CrossRef]
- Cheekatamarla, P.K.; Finnerty, C.M. Reforming catalysts for hydrogen generation in fuel cell applications. J. Power Sources 2006, 160, 490–499. [Google Scholar] [CrossRef]
- Holladay, J.D.; Hu, J.; King, D.L.; Wang, Y. An overview of hydrogen production technologies. Catal. Today 2009, 139, 244–260. [Google Scholar] [CrossRef]
- Wei, Z.; Sun, J.; Li, Y.; Datye, A.K.; Wang, Y. Bimetallic catalysts for hydrogen generation. Chem. Soc. Rev. 2012, 41, 7994–8008. [Google Scholar] [CrossRef] [PubMed]
- Xuan, J.; Leung, M.K.H.; Leung, D.Y.C.; Ni, M. A review of biomass-derived fuel processors for fuel cell systems. Renew. Sustain. Energy Rev. 2009, 13, 1301–1313. [Google Scholar] [CrossRef]
- Adhikari, S.; Fernando, S.D.; Haryanto, A. Hydrogen production from glycerol: An update. Energy Convers. Manag. 2009, 50, 2600–2604. [Google Scholar] [CrossRef]
- Haryanto, A.; Fernando, S.; Murali, N.; Adhikari, S. Current status of hydrogen production techniques by steam reforming of ethanol: A review. Energy Fuels 2005, 19, 2098–2106. [Google Scholar] [CrossRef]
- Pakhare, D.; Spivey, J. A review of dry (CO2) reforming of methane over noble metal catalysts. Chem. Soc. Rev. 2014, 43, 7813–7837. [Google Scholar] [CrossRef]
- Enger, B.C.; Lodeng, R.; Holmen, A. A review of catalytic partial oxidation of methane to synthesis gas with emphasis on reaction mechanisms over transition metal catalysts. Appl. Catal. A Gen. 2008, 346, 1–27. [Google Scholar] [CrossRef]
- Rostrup-Nielsen, J.R.; Christiansen, L.J. Internal steam reforming in fuel cells and alkali poisoning. Appl. Catal. A Gen. 1995, 126, 381–390. [Google Scholar] [CrossRef]
- Finnerty, C.M.; Coe, N.J.; Cunningham, R.H.; Ormerod, R.M. Carbon formation on and deactivation of nickelbased/zirconia anodes in solid oxide fuel cells running on methane. Catal. Today 1998, 46, 137–145. [Google Scholar] [CrossRef]
- Liese, E.A.; Gemmen, R.S. Performance comparison of internal reforming against external reforming in a solid oxide fuel cell, gas turbine hybrid system. J. Eng. Gas Turbines Power 2005, 127, 86–90. [Google Scholar] [CrossRef]
- Zhan, Z.; Barnett, S.A. An octane-fueled solid oxide fuel cell. Science 2005, 308, 844–847. [Google Scholar] [CrossRef] [PubMed]
- Klein, J.-M.; Hénault, M.; Roux, C.; Bultel, Y.; Georges, S. Direct methane solid oxide fuel cell working by gradual internal steam reforming: Analysis of operation. J. Power Sources 2009, 193, 331–337. [Google Scholar] [CrossRef]
- Klein, J.-M.; Hénault, M.; Gélin, P.; Bultel, Y.; Georges, S. A solid oxide fuel cell operating in gradual internal reforming conditions under pure dry methane. Electrochem. Solid-State Lett. 2008, 11, B144–B147. [Google Scholar] [CrossRef]
- Wang, W.; Ran, R.; Shao, Z. Combustion-synthesized Ru–Al2O3 composites as anode catalyst layer of a solid oxide fuel cell operating on methane. Int. J. Hydrogen Energy 2011, 36, 755–764. [Google Scholar] [CrossRef]
- Wang, W.; Ran, R.; Shao, Z. Lithium and lanthanum promoted Ni-Al2O3 as an active and highly coking resistant catalyst layer for solid-oxide fuel cells operating on methane. J. Power Sources 2011, 196, 90–97. [Google Scholar] [CrossRef]
- Wang, W.; Su, C.; Ran, R.; Shao, Z. A new Gd-promoted nickel catalyst for methane conversion to syngas and as an anode functional layer in a solid oxide fuel cell. J. Power Sources 2011, 196, 3855–3862. [Google Scholar] [CrossRef]
- Wang, W.; Su, C.; Ran, R.; Park, H.J.; Kwak, C.; Shao, Z. Physically mixed LiLaNi–Al2O3 and copper as conductive anode catalysts in a solid oxide fuel cell for methane internal reforming and partial oxidation. Int. J. Hydrogen Energy 2011, 36, 5632–5643. [Google Scholar] [CrossRef]
- Yang, L.; Choi, Y.; Qin, W.; Chen, H.; Blinn, K.; Liu, M.; Liu, P.; Bai, J.; Tyson, T.A.; Liu, M. Promotion of water-mediated carbon removal by nanostructured barium oxide/nickel interfaces in solid oxide fuel cells. Nat. Commun. 2011, 2, 357. [Google Scholar] [CrossRef]
- Sengodan, S.; Lan, R.; Humphreys, J.; Du, D.; Xu, W.; Wang, H.; Tao, S. Advances in reforming and partial oxidation of hydrocarbons for hydrogen production and fuel cell applications. Renew. Sustain. Energy Rev. 2018, 82, 761–780. [Google Scholar] [CrossRef]
- Roy, P.S.; Park, N.-K.; Kim, K. Metal foam-supported Pd–Rh catalyst for steam methane reforming and its application to SOFC fuel processing. Int. J. Hydrogen Energy 2014, 39, 4299–4310. [Google Scholar] [CrossRef]
- Simakov, D.S.A.; Luo, H.Y.; Román-Leshkov, Y. Ultra-low loading Ru/γ-Al2O3: A highly active and stable catalyst for low temperature solar thermal reforming of methane. Appl. Catal. B Environ. 2015, 168–169, 540–549. [Google Scholar] [CrossRef]
- Ma, Y.; Wang, X.; You, X.; Liu, J.; Tian, J.; Xu, X.; Peng, H.; Liu, W.; Li, C.; Zhou, W.; et al. Nickel-supported on La2Sn2O7 and La2Zr2O7 pyrochlores for methane steam reforming: Insight into the difference between tin and zirconium in the B site of the compound. ChemCatChem 2014, 6, 3366–3376. [Google Scholar] [CrossRef]
- Zhou, L.; Guo, Y.; Kameyama, H.; Basset, J.-M. An anodic alumina supported Ni–Pt bimetallic plate-type catalysts for multi-reforming of methane, kerosene and ethanol. Int. J. Hydrogen Energy 2014, 39, 7291–7305. [Google Scholar] [CrossRef]
- Vita, A.; Cristiano, G.; Italiano, C.; Pino, L.; Specchia, S. Syngas production by methane oxy-steam reforming on Me/CeO2 (Me=Rh, Pt, Ni) catalyst lined on cordierite monoliths. Appl. Catal. B Environ. 2015, 162, 551–563. [Google Scholar] [CrossRef]
- Choi, S.O.; Moon, S.H. Performance of La1−xCexFe0.7Ni0.3O3 perovskite catalysts for methane steam reforming. Catal. Today 2009, 146, 148–153. [Google Scholar] [CrossRef]
- Rostrup-Nielsen, J.R. Production of synthesis gas. Catal. Today 1993, 18, 305–324. [Google Scholar] [CrossRef]
- Kaydouh, M.N.; El Hassan, N.; Davidson, A.; Casale, S.; El Zakhem, H.; Massiani, P. Highly active and stable Ni/SBA-15 catalysts prepared by a “two solvents” method for dry reforming of methane. Microporous Mesoporous Mater. 2016, 220, 99–109. [Google Scholar] [CrossRef]
- Foo, S.Y.; Cheng, C.K.; Nguyen, T.; Kennedy, E.M.; Dlugogorski, B.Z.; Adesina, A.A. Carbon deposition and gasification kinetics of used lanthanide-promoted Co–Ni/Al2O3 catalysts from CH4 dry reforming. Catal. Commun. 2012, 5, 183–188. [Google Scholar] [CrossRef]
- Nikoo, M.K.; Amin, N.A.S. Thermodynamic analysis of carbon dioxide reforming of methane in view of solid carbon formation. Fuel Process. Technol. 2011, 92, 678–691. [Google Scholar] [CrossRef]
- Sameshima, S.; Furukawa, N.; Hiratan, Y.; Shimonosono, T. Cell performance of SOFC using CH4–CO2 mixed gases. Ceram. Int. 2014, 40, 6279–6284. [Google Scholar] [CrossRef]
- Liu, M.; Lanzini, A.; Halliop, W.; Cobas, V.R.M.; Verkooijen, A.H.M.; Aravind, P.V. Anode recirculation behavior of a solid oxide fuel cell system: A safety analysis and a performance optimization. Int. J. Hydrogen Energy 2013, 38, 2868–2883. [Google Scholar] [CrossRef]
- Tsai, T.-I.; Troskialina, L.; Majewski, A.; Steinberger-Wilckens, R. Methane internal reforming in solid oxide fuel cells with anode off-gas recirculation. Int. J. Hydrogen Energy 2016, 41, 553–561. [Google Scholar] [CrossRef]
- Aslannejad, H.; Barelli, L.; Babaie, A.; Bozorgmehri, S. Effect of air addition to methane on performance stability and coking over NiO–YSZ anodes of SOFC. Appl. Energy 2016, 177, 179–186. [Google Scholar] [CrossRef]
- Adiya, Z.I.S.G.; Dupont, V.; Mahmud, T. Effect of hydrocarbon fractions, N2 and CO2 in feed gas on hydrogen production using sorption enhanced steam reforming: Thermodynamic analysis. Int. J. Hydrogen Energy 2017, 42, 21704–21718. [Google Scholar] [CrossRef]
- Kendall, K.; Finnerty, C.M.; Saunders, G.; Chung, J.T. Effects of dilution on methane entering an SOFC anode. J. Power Sources 2002, 106, 323–327. [Google Scholar] [CrossRef]
- Chen, Z.; Bian, L.; Wang, L.; Chen, N.; Zhao, H.; Li, F.; Chou, K.C. Effect of hydrogen and carbon dioxide on the performance of methane fueled solid oxide fuel cell. Int. J. Hydrogen Energy 2016, 41, 7453–7463. [Google Scholar] [CrossRef]
- Sasaki, K. Thermochemical stability of sulfur compounds in fuel cell gases related to fuel impurity poisoning. J. Fuel Cell Sci. Technol. 2008, 5, 031212. [Google Scholar] [CrossRef]
- Ryan, E.M.; Xu, W.; Sun, X.; Khaleel, M.A. A damage model for degradation in the electrodes of solid oxide fuel cells: Modeling the effects of sulfur and antimony in the anode. J. Power Sources 2012, 210, 233–242. [Google Scholar] [CrossRef]
- da Silva, A.L.; Heck, N.C. Thermodynamics of sulfur poisoning in solid oxide fuel cells revisited: The effect of H2S concentration, temperature, current density and fuel utilization. J. Power Sources 2015, 296, 92–101. [Google Scholar] [CrossRef]
- Hagen, A.; Rasmussen, J.F.B.; Thydén, K. Durability of solid oxide fuel cells using sulfur containing fuels. J. Power Sources 2011, 196, 7271–7276. [Google Scholar] [CrossRef]
- Rasmussen, J.B.; Hagen, A. The effect of H2S on the performance of Ni–YSZ anodes in solid oxide fuel cells. J. Power Surces 2009, 191, 534–541. [Google Scholar] [CrossRef]
- Goula, G.; Kiousis, V.; Nalbandian, L.; Yentekakis, I.V. Catalytic and electrocatalytic behavior of Ni-based cermet anodes under internal dry reforming of CH4 + CO2 mixtures in SOFCs. Solid State Ion. 2006, 177, 2119–2123. [Google Scholar] [CrossRef]
- Riegraf, M.; Zekri, A.; Knipper, M.; Costa, R.; Schiller, G.; Friedrich, K.A. Sulfur poisoning of Ni/Gadolinium-doped ceria anodes: A long-term study outlining stable solid oxide fuel cell operation. J. Power Sources 2018, 380, 26–36. [Google Scholar] [CrossRef]
- Nagel, F.P.; Schildhauer, T.J.; Sfeir, J.; Schuler, A.; Biollaz, S.M.A. The impact of sulfur on the performance of a solid oxide fuel cell (SOFC) system operated with hydrocarboneous fuel gas. J. Power Sources 2009, 189, 1127–1131. [Google Scholar] [CrossRef]
- Zhang, Y.; Shao, J.; Tao, Y.; Wang, S. Pentlandite-MoS2 as sulfur tolerant anode materials for solid oxide fuel cells. J. Alloy. Compd. 2018, 737, 477–483. [Google Scholar] [CrossRef]
- Hwang, B.; Kwon, H.; Ko, J.; Kim, B.-K.; Han, J.W. Density functional theory study for the enhanced sulfur tolerance of Ni catalysts by surface alloying. Appl. Surf. Sci. 2018, 429, 87–94. [Google Scholar] [CrossRef]
- Han, Z.; Wang, Y.; Yang, Y.; Li, L.; Yang, Z.; Han, M. High-performance SOFCs with impregnated Sr2Fe1.5Mo0.5O6-δ anodes toward sulfur resistance. J. Alloy. Compd. 2017, 703, 258–263. [Google Scholar] [CrossRef]
- Hong, J.; Anisur, M.R.; Heo, S.J.; Dubey, P.K.; Singh, P. Sulfur Poisoning and Performance Recovery of SOFC Air Electrodes. Front. Energy Res. 2021, 9, 643431. [Google Scholar] [CrossRef]
- Lohsoontorn, P.; Brett, D.J.L.; Brandon, N.P. The effect of fuel composition and temperature on the interaction of H2S with nickel–ceria anodes for Solid Oxide Fuel Cells. J. Power Sources 2008, 183, 232–239. [Google Scholar] [CrossRef]
- Cheng, Z.; Zha, S.; Liu, M. Influence of cell voltage and current on sulfur poisoning behavior of solid oxide fuel cells. J. Power Sources 2007, 172, 688–693. [Google Scholar] [CrossRef]
- Li, T.S.; Wang, W.G. Sulfur-poisoned Ni-based solid oxide fuel cell anode characterization by varying water content. J. Power Sources 2011, 196, 2066–2069. [Google Scholar] [CrossRef]
- Cayana, F.N.; Zhia, M.; Pakalapatia, S.R.; Celika, I.; Wu, N.; Gemmen, R. Effects of coal syngas impurities on anodes of solid oxide fuel cells. J. Power Sources 2008, 185, 595–602. [Google Scholar] [CrossRef]
- Haga, K.; Adachi, S.; Shiratori, Y.; Itoh, K.; Sasaki, K. Poisoning of SOFC anodes by various fuel impurities. Solid State Ion. 2008, 179, 1427–1431. [Google Scholar] [CrossRef]
- Trembly, J.P.; Gemmen, R.S.; Bayless, D.J. The effect of IGFC warm gas cleanup system conditions on the gas-solid partitioning and form of trace species in coal syngas and their interactions with SOFC anodes. J. Power Sources 2007, 163, 986–996. [Google Scholar] [CrossRef]
- Krishnan, G.N.; Jayaweera, P.; Lau, K.; Sanjurjo, A. Effect of Coal Contaminants on Solid Oxide Fuel System Performance and Service Life; Technical Progress Report 3; SRI International: Morgantown, WV, USA, 2006. [Google Scholar]
- Trembly, J.P.; Gemmen, R.S.; Bayless, D.J. The effect of coal syngas containing HCl on the performance of solid oxide fuel cells: Investigations into the effect of operational temperature and HCl concentration. J. Power Sources 2007, 169, 347–354. [Google Scholar] [CrossRef]
- Andersson, M.; Yuan, J.; Sundén, B. SOFC modeling considering hydrogen and carbon monoxide as electrochemical reactants. J. Power Sources 2013, 232, 42–54. [Google Scholar] [CrossRef]
- Penchini, D.; Cinti, G.; Discepoli, G.; Sisani, E.; Desideri, U. Characterization of a 100 W SOFC stack fed by carbon monoxide rich fuels. Int. J. Hydrogen Energy 2013, 38, 525–531. [Google Scholar] [CrossRef]
- Spallina, V.; Mastropasqua, L.; Iora, P.; Romano, M.C.; Campanari, S. Assessment of finite volume modeling approaches for intermediate temperature Solid Oxide Fuel Cells working with CO-rich syngas fuels. Int. J. Hydrogen Energy 2015, 40, 15012–15031. [Google Scholar] [CrossRef]
- Hartwell, A.R.; Wilhelm, C.A.; Welles, T.S.; Milcarek, R.J.; Ahn, J. Effects of Synthesis Gas Concentration, Composition, and Operational Time on Tubular Solid Oxide Fuel Cell Performance. Sustainability 2022, 14, 7983. [Google Scholar] [CrossRef]
- Yi, Y.; Rao, A.D.; Brouwer, J.; Samuelsen, G.S. Fuel flexibility study of an integrated 25kW SOFC reformer system. J. Power Sources 2005, 144, 67–76. [Google Scholar] [CrossRef]
- Gur, T.M. Comprehensive review of methane conversion in solid oxide fuel cells: Prospects for efficient electricity generation from natural gas. Prog. Energy Combust. Sci. 2016, 54, 1–64. [Google Scholar] [CrossRef]
- Farsi, A.; Mansouri, S.S. Influence of nanocatalyst on oxidative coupling, steam and dry reforming of methane: A short review. Arab. J. Chem. 2016, 9, S28–S34. [Google Scholar] [CrossRef]
- Kupecki, J.; Motylinski, K.; Milewski, J. Dynamic modelling of the direct internal reforming (DIR) of methane in 60-cell stack with electrolyte supported cells. Energy Procedia 2017, 105, 1700–1705. [Google Scholar] [CrossRef]
- Diglio, G.; Hanak, D.P.; Bareschino, P.; Mancusi, E.; Pepe, F.; Montagnaro, F.; Manovic, V. Techno-economic analysis of sorption-enhanced steam methane reforming in a fixed bed reactor network integrated with fuel cell. J. Power Sources 2017, 364, 41–51. [Google Scholar] [CrossRef]
- Souentie, S.; Athanasiou, M.; Niakolas, D.K.; Katsaounis, A.; Neophytides, S.G.; Vayenas, C.G. Mathematical modeling of Ni/GDC and Au–Ni/GDC SOFC anodes performance under internal methane steam reforming conditions. J. Catal. 2013, 306, 116–128. [Google Scholar] [CrossRef]
- Nobandegani, M.S.; Birjandi, M.R.S.; Darbandi, T.; Khalilipour, M.M.; Shahraki, F.; Mohebbi-Kalhori, D. An industrial Steam Methane Reformer optimization using response surface methodology. J. Nat. Gas Sci. Eng. 2016, 36, 540–549. [Google Scholar] [CrossRef]
- Latham, D.A.; McAuley, K.B.; Peppley, B.A.; Raybold, T.M. Mathematical modeling of an industrial steam-methane reformer for on-line deployment. Fuel Process. Technol. 2011, 92, 1574–1586. [Google Scholar] [CrossRef]
- Jin, M.-H.; Lee, C.-B.; Lee, D.-W.; Lee, S.-W.; Park, J.-W.; Oh, D.; Hwang, K.-R.; Lee, K.-Y.; Park, J.-S. Microchannel methane steam reformers with improved heat transfer efficiency and their long-term stability. Fuel 2016, 176, 86–92. [Google Scholar] [CrossRef]
- Yang, J.-I.; Kim, T.W.; Park, J.C.; Lim, T.-H.; Jung, H.; Chun, D.H. Development of a stand-alone steam methane reformer for on-site hydrogen production. Int. J. Hydrogen Energy 2016, 41, 8176–8183. [Google Scholar] [CrossRef]
- Kumar, A.; Baldea, M.; Edgar, T.F. Real-time optimization of an industrial steam-methane reformer under distributed sensing. Control. Eng. Pract. 2016, 54, 140–153. [Google Scholar] [CrossRef]
- Campanari, S.; Mastropasqua, L.; Gazzani, M.; Chiesa, P.; Romano, M.C. Predicting the ultimate potential of natural gas SOFC power cycles with CO2 capture—Part A: Methodology and reference cases. J. Power Sources 2016, 324, 598–614. [Google Scholar] [CrossRef]
- Ogden, J.; Myers Jaffe, A.; Scheitrum, D.; McDonald, Z.; Miller, M. Natural gas as a bridge to hydrogen transportation fuel: Insights from the literature. Energy Policy 2018, 115, 317–329. [Google Scholar] [CrossRef]
- Iora, P.; Taher, M.A.A.; Chiesa, P.; Brandon, N.P. A novel system for the production of pure hydrogen from natural gas based on solid oxide fuel cell–solid oxide electrolyzer. Int. J. Hydrogen Energy 2010, 35, 12680–12687. [Google Scholar] [CrossRef]
- Yen, T.-H.; Hong, W.-T.; Huang, W.-P.; Tsai, Y.-C.; Wang, H.-Y.; Huang, C.-N.; Lee, C.-H. Experimental investigation of 1 kW solid oxide fuel cell system with a natural gas reformer and an exhaust gas burner. J. Power Sources 2010, 195, 1454–1462. [Google Scholar] [CrossRef]
- Yang, X.; Panthi, D.; Hedayat, N.; He, T.; Chen, F.; Guand, W.; Du, Y. Molybdenum dioxide as an alternative catalyst for direct utilization of methane in tubular solid oxide fuel cells. Electrochem. Commun. 2018, 86, 126–129. [Google Scholar] [CrossRef]
- Ideris, A.; Croiset, E.; Pritzker, M.; Amin, A. Direct-methane solid oxide fuel cell (SOFC) with Ni-SDC anode-supported cell. Int. J. Hydrogen Energy 2017, 42, 23118–23129. [Google Scholar] [CrossRef]
- Qu, J.; Wang, W.; Chen, Y.; Deng, X.; Shao, Z. Stable direct-methane solid oxide fuel cells with calcium-oxide-modified nickel-based anodes operating at reduced temperatures. Appl. Energy 2016, 164, 563–571. [Google Scholar] [CrossRef]
- Xie, Y.; Ding, H.; Xue, X. Multi-physicochemical modeling of direct methane fueled solid oxide fuel cells. J. Power Sources 2013, 241, 718–727. [Google Scholar] [CrossRef]
- Huang, T.-J.; Wu, C.-Y.; Wang, C.-H. Fuel processing in direct propane solid oxide fuel cell and carbon dioxide reforming of propane over Ni–YSZ. Fuel Process. Technol. 2011, 92, 1611–1616. [Google Scholar] [CrossRef]
- Zhang, L.; Yang, C.; Frenkel, A.I.; Wang, S.; Xiao, G.; Brinkman, K.; Chen, F. Co-generation of electricity and chemicals from propane fuel in solid oxide fuel cells with anode containing nano-bimetallic catalyst. J. Power Sources 2014, 262, 421–428. [Google Scholar] [CrossRef]
- Antolini, E. Direct propane fuel cells. Fuel 2022, 315, 123152. [Google Scholar] [CrossRef]
- Gupta, G.K.; Dean, A.M.; Ahn, K.; Gorte, R.J. Comparison of conversion and deposit formation of ethanol and butane under SOFC conditions. J. Power Sources 2006, 158, 497–503. [Google Scholar] [CrossRef]
- Elizalde-Blancas, F.; Celik, I.B.; Rangel-Hernandez, V.; Hernandez-Guerrero, A.; Riesco-Avila, J.M. Numerical modeling of SOFCs operating on biogas from biodigesters. Int. J. Hydrogen Energy 2013, 38, 377–384. [Google Scholar] [CrossRef]
- Shiratori, Y.; Ijichi, T.; Oshima, T.; Sasaki, K. Internal reforming SOFC running on biogas. Int. J. Hydrogen Energy 2010, 35, 7905–7912. [Google Scholar] [CrossRef]
- Papurello, D.; Lanzini, A.; Tognana, L.; Silvestri, S.; Santarelli, M. Waste to energy: Exploitation of biogas from organic waste in a 500 Wel solid oxide fuel cell (SOFC) stack. Energy 2015, 85, 145–158. [Google Scholar] [CrossRef]
- Kupecki, J.; Skrzypkiewicz, M.; Wierzbicki, M.L.; Stepien, M. Experimental and numerical analysis of a serial connection of two SOFC stacks in a micro-CHP system fed by biogas. Int. J. Hydrogen Energy 2017, 42, 3487–3497. [Google Scholar] [CrossRef]
- Ramírez-Minguela, J.J.; Rangel-Hernández, V.H.; Alfaro-Ayala, J.A.; Uribe-Ramírez, A.R.; Mendoza-Miranda, J.M.; Belman-Flores, J.M.; Ruiz-Camacho, B. Energy and entropy study of a SOFC using biogas from different sources considering internal reforming of methane. Int. J. Heat Mass Transf. 2018, 120, 1044–1054. [Google Scholar] [CrossRef]
- Rios, M.; Kaltschmitt, M. Electricity generation potential from biogas produced from organic waste in Mexico. Renew. Sustain. Energy Rev. 2016, 54, 384–395. [Google Scholar] [CrossRef]
- Nahar, G.; Mote, D.; Dupont, V. Hydrogen production from reforming of biogas: Review of technological advances and an Indian perspective. Renew. Sustain. Energy Rev. 2017, 76, 1032–1052. [Google Scholar] [CrossRef]
- Cipitì, F.; Barbera, O.; Briguglio, N.; Giacoppo, G.; Italiano, C.; Vita, A. Design of a biogas steam reforming reactor: A modelling and experimental approach. Int. J. Hydrogen Energy 2016, 41, 11577–11583. [Google Scholar] [CrossRef]
- Staniforth, J.; Kendall, K. Biogas powering a small tubular solid oxide fuel cell. J. Power Sources 1998, 71, 275–277. [Google Scholar] [CrossRef]
- Van Herle, J.; Membrez, Y.; Bucheli, O. Biogas as a fuel source for SOFC co-generators. J. Power Sources 2004, 127, 300–312. [Google Scholar] [CrossRef]
- Mehr, A.S.; Mahmoudi, S.M.S.; Yari, M.; Chitsaz, A. Thermodynamic and exergoeconomic analysis of biogas fed solid oxide fuel cell power plants emphasizing on anode and cathode recycling: A comparative study. Energy Convers. Manag. 2015, 105, 596–606. [Google Scholar] [CrossRef]
- de Arespacochaga, N.; Valderrama, C.; Peregrina, C.; Mesa, C.; Bouchy, L.; Cortina, J.L. Evaluation of a pilot-scale sewage biogas powered 2.8 kWe Solid Oxide Fuel Cell: Assessment of heat-to-power ratio and influence of oxygen content. J. Power Sources 2015, 300, 325–335. [Google Scholar] [CrossRef]
- Kushi, T. Heat balance of dry reforming in solid oxide fuel cell systems. Int. J. Hydrogen Energy 2017, 42, 11779–11787. [Google Scholar] [CrossRef]
- Manenti, F.; Pelosato, R.; Vallevi, P.; Leon-Garzon, A.R.; Dotelli, G.; Vita, A.; Lo Faro, M.; Maggio, G.; Pino, L.; Aricò, A.S. Biogas-fed solid oxide fuel cell (SOFC) coupled to tri-reforming process: Modelling and simulation. Int. J. Hydrogen Energy 2015, 40, 14640–14650. [Google Scholar] [CrossRef]
- Yentekakis, I.V. Open-and closed-circuit study of an intermediate temperature SOFC directly fueled with simulated biogas misture. J. Power Sources 2006, 160, 422–425. [Google Scholar] [CrossRef]
- Shiratori, Y.; Oshima, T.; Sasaki, K. Feasibility of direct-biogas SOFC. Int. J. Hydrogen Energy 2008, 33, 6316–6321. [Google Scholar] [CrossRef]
- Alderucci, V.; Antonucci, P.L.; Maggio, G.; Giordano, N.; Antonucci, V. Thermodynamic analysis of SOFC fuelled by biomass-derived gas. Int. J. Hydrogen Energy 1994, 19, 369–376. [Google Scholar] [CrossRef]
- Baldinelli, A.; Barelli, L.; Bidini, G. Performance characterization and modelling of syngas-fed SOFCs (solid oxide fuel cells) varying fuel composition. Energy 2015, 90 Pt 2, 2070–2084. [Google Scholar] [CrossRef]
- Yang, W.; Zhao, Y.; Liso, V.; Brandon, N. Optimal design and operation of a syngas-fuelled SOFC micro-CHP system for residential applications in different climate zones in China. Energy Build. 2014, 80, 613–622. [Google Scholar] [CrossRef]
- Tabish, A.N.; Patel, H.C.; Aravind, P.V. Electrochemical Oxidation of Syngas on Nickel and Ceria Anodes. Electrochim. Acta 2017, 228, 575–585. [Google Scholar] [CrossRef]
- Wan, W. An innovative system by integrating the gasification unit with the supercritical water unit to produce clean syngas for solid oxide fuel cell (SOFC): System performance assessment. Int. J. Hydrogen Energy 2016, 48, 22698–22710. [Google Scholar] [CrossRef]
- De Lorenzo, G.; Fragiacomo, P. Energy analysis of an SOFC system fed by syngas. Energy Convers. Manag. 2015, 93, 175–186. [Google Scholar] [CrossRef]
- Murgi, N.; De Lorenzo, G.; Corigliano, O.; Mirandola, F.A.; Fragiacomo, P. Influence of Anodic Gas Mixture Composition on Solid Oxide Fuel Cell Performance: Part 1. Int. J. Heat Technol. 2016, 34, S303–S308. [Google Scholar] [CrossRef]
- Murgi, N.; De Lorenzo, G.; Corigliano, O.; Mirandola, F.A.; Fragiacomo, P. Influence of Anodic Gas Mixture Composition on Solid Oxide Fuel Cell Performance: Part 2. Int. J. Heat Technol. 2016, 34, S309–S314. [Google Scholar] [CrossRef]
- Fragiacomo, P.; Corigliano, O.; De Lorenzo, G.; Mirandola, F.A. Experimental Activity on a 100-W IT-SOFC Test Bench Fed by Simulated Syngas. J. Energy Eng. 2018, 144, 04018006. [Google Scholar] [CrossRef]
- Lo Faro, M.; Antonucci, V.; Antonucci, P.L.; Aricò, A.S. Fuel flexibility: A key challenge for SOFC technology. Fuel 2012, 102, 554–559. [Google Scholar] [CrossRef]
- Rokni, M. Addressing fuel recycling in solid oxide fuel cell systems fed by alternative fuels. Energy 2017, 137, 1013–1025. [Google Scholar] [CrossRef]
- Afif, A.; Radenahmad, N.; Cheok, Q.; Shams, S.; Kim, J.H.; Azad, A.K. Ammonia-fed fuel cells: A comprehensive review. Renew. Sustain. Energy Rev. 2016, 60, 822–835. [Google Scholar] [CrossRef]
- Fuerte, A.; Valenzuela, R.X.; Escudero, M.J.; Daza, L. Ammonia as efficient fuel for SOFC. J. Power Sources 2009, 192, 170–174. [Google Scholar] [CrossRef]
- Cinti, G.; Discepoli, G.; Sisani, E.; Desideri, U. SOFC operating with ammonia: Stack test and system analysis. Int. J. Hydrogen Energy 2016, 41, 13583–13590. [Google Scholar] [CrossRef]
- Miyazaki, K.; Okanishi, T.; Muroyama, H.; Matsui, T.; Eguchi, K. Development of Ni–Ba(Zr,Y)O3 cermet anodes for direct ammonia-fueled solid oxide fuel cells. J. Power Sources 2017, 365, 148–154. [Google Scholar] [CrossRef]
- Molouk, A.F.S.; Yang, J.; Okanishi, T.; Muroyama, H.; Matsui, T.; Eguchi, K. Comparative study on ammonia oxidation over Ni-based cermet anodes for solid oxide fuel cells. J. Power Sources 2016, 305, 72–79. [Google Scholar] [CrossRef]
- Cinti, G.; Desideri, U. SOFC fuelled with reformed urea. Appl. Energy 2015, 154, 242–253. [Google Scholar] [CrossRef]
- Chen, K.; Zhang, L.; Gholizadeh, M.; Ai, N.; Hasan, M.D.M.; Mourant, D.; Li, C.Z.; Jiang, S.P. Feasibility of tubular solid oxide fuel cells directly running on liquid biofuels. Chem. Eng. Sci. 2016, 154, 108–118. [Google Scholar] [CrossRef]
- Santin, M.; Traverso, A.; Magistri, L. Liquid fuel utilization in SOFC hybrid systems. Appl. Energy 2009, 86, 2204–2212. [Google Scholar] [CrossRef]
- Cocco, D.; Tola, V. Externally reformed solid oxide fuel cell–micro-gas turbine (SOFC–MGT) hybrid systems fueled by methanol and di-methyl-ether (DME). Energy 2009, 34, 2124–2130. [Google Scholar] [CrossRef]
- Douvartzides, S.L.; Coutelieris, F.A.; Demin, A.K.; Tsiakaras, P.E. Electricity from ethanol fed SOFCs: The expectations for sustainable development and technological benefits. Int. J. Hydrogen Energy 2004, 29, 375–379. [Google Scholar] [CrossRef]
- Liso, V.; Cinti, G.; Nielsen, M.P.; Desideri, U. Solid oxide fuel cell performance comparison fueled by methane, MeOH, EtOH and gasoline surrogate C8H18. Appl. Therm. Eng. 2016, 99, 1101–1109. [Google Scholar] [CrossRef]
- Lo Faro, M.; Reis, R.M.; Saglietti, G.G.A.; Oliveira, V.L.; Zignani, S.C.; Trocino, S.; Maisano, S.; Ticianelli, E.A.; Hodnik, N.; Ruiz-Zepeda, F.; et al. Solid oxide fuel cells fed with dry ethanol: The effect of a perovskite protective anodic layer containing dispersed Ni-alloy @ FeOx core-shell nanoparticles. Appl. Catal. B Environ. 2018, 220, 98–110. [Google Scholar] [CrossRef]
- Oliva, D.G.; Francesconi, J.A.; Mussati, M.C.; Aguirre, P.A. Ethanol and glycerin processor systems coupled to solid oxide fuel cells (SOFCs). Optimal operation and heat exchangersnetwork synthesis. Int. Hydrog. Energy 2013, 38, 7140–7158. [Google Scholar] [CrossRef]
- Burhan, H.; Arıkan, K.; Ozdemir, S.; Isik, I.; Şen, F. Direct alcohol-fed solid oxide fuel cells. Nanomaterials for Direct Alcohol Fuel Cells. In Micro and Nano Technologies; Elsevier: Amsterdam, The Netherlands, 2021; pp. 481–510. [Google Scholar]
- Wang, W.; Cao, Y. Hydrogen-rich gas production for solid oxide fuel cell (SOFC) via partial oxidation of butanol: Thermodynamic analysis. Int. J. Hydrogen Energy 2010, 35, 13280–13289. [Google Scholar] [CrossRef]
- Chen, H.-J.; Yang, S.-H.; Huang, S.-H.; Chyou, Y.P. A paraffin-fueled SOFC system design and integration. J. Chin. Inst. Chem. Eng. 2007, 38, 185–190. [Google Scholar] [CrossRef]
- Dhingra, H.; Peppley, B.A. Sensitivity analysis of a 1 kW diesel-fuelled SOFC generator: A single and paired-variable study, H. Dhingra, B.A. Peppley. J. Power Sources 2013, 239, 527–537. [Google Scholar] [CrossRef]
- Schluckner, C.; Subotić, V.; Lawlor, V.; Hochenauer, C. Three-dimensional numerical and experimental investigation of an industrial-sized SOFC fueled by dieselreformat—Part II: Detailed reforming chemistry and carbon deposition analysis. Int. J. Hydrogen Energy 2015, 40, 10943–10959. [Google Scholar] [CrossRef]
- Jeong, J.; Baek, S.-W.; Bae, J. A diesel-driven, metal-based solid oxide fuel cell. J. Power Sources 2014, 250, 98–104. [Google Scholar] [CrossRef]
- Zhao, K.; Hou, X.; Bkour, Q.; Norton, M.G.; Ha, S. NiMo-ceria-zirconia catalytic reforming layer for solid oxide fuel cells running on a gasoline surrogate. Appl. Catal. B Environ. 2018, 224, 500–507. [Google Scholar] [CrossRef]
- Hou, X.; Marin-Flores, O.; Kwon, B.W.; Kim, J. Gasoline-fueled solid oxide fuel cell using MoO2-Based Anode. J. Power Sources 2014, 268, 546–549. [Google Scholar] [CrossRef]
- Sasaki, K.; Takahashi, I.; Kuramoto, K.; Tomomichi, K.; Terai, T. Reactions on Ni-YSZ cermet anode of solid oxide fuel cells during internal steam reforming of n-octane. Electrochim. Acta 2018, 259, 94–99. [Google Scholar] [CrossRef]
- Al-Musa, A.; Kaklidis, N.; Al-Saleh, M.; Al-Zahrani, A.; Kyriakou, V.; Marnellos, G.E. Iso-octane internal reforming in a solid oxide cell reactor. Solid State Ion. 2016, 288, 135–139. [Google Scholar] [CrossRef]
- Kaklidis, N.; Pekridis, G.; Athanasiou, C.; Marnellos, G.E. Direct electro-oxidation of iso-octane in a solid electrolyte fuel cell. Solid State Ion. 2011, 192, 435–443. [Google Scholar] [CrossRef]
- Peters, R.; Deja, R.; Blum, L.; Pennanen, J.; Kiviaho, J.; Hakala, T. Analysis of Solid Oxide Fuel Cell System Concepts With Anode Recycling. Int. J. Hydrogen Energy 2013, 38, 6809–6820. [Google Scholar] [CrossRef]
- Liso, V.; Olesen, A.C.; Nielsen, M.P.; Kær, S.K. Performance Comparison Between Partial Oxidation and Methane Steam Reforming Processes for Solid Oxide Fuel Cell (SOFC) Micro Combined Heat and Power (CHP) System. Energy 2011, 36, 4216–4226. [Google Scholar] [CrossRef]
- Dietrich, R.-U.; Oelze, J.; Lindermeir, A.; Spitta, C.; Steffen, M.; Küster, T.; Chen, S.; Schlitzberger, C.; Leithner, R. Efficiency Gain of Solid Oxide Fuel Cell Systems by Using Anode Offgas Recycle—Results for a Small Scale Propane Driven Unit. J. Power Sources 2011, 196, 7152–7160. [Google Scholar] [CrossRef]
- Powell, M.; Meinhardt, K.; Sprenkle, V.; Chick, L.; McVay, G. Demonstration of a Highly Efficient Solid Oxide Fuel Cell Power System Using Adiabatic Steam Reforming and Anode Gas Recirculation. J. Power Sources 2012, 205, 377–384. [Google Scholar] [CrossRef]
- Arsalis, A.; Georghiou, G.E. Thermoeconomic Optimization of a Hybrid Photovoltaic-Solid Oxide Fuel Cell System for Decentralized Application. Appl. Sci. 2019, 9, 5450. [Google Scholar] [CrossRef]
- Ma, S.; Loreti, G.; Wang, L.; Marechal, F.; Van Herle, J.; Dong, C. Comparison and optimization of different fuel processing options for biogas-fed solid-oxide fuel cell plants. Int. J. Hydrogen Energy 2022, 47, 551–564. [Google Scholar] [CrossRef]
- Pérez-Fortes, M.; Mian, A.; Srikanth, S.; Wang, L.; Diethelm, S.; Varkaraki, E.; Mirabelli, I.; Makkus, R.; Schoon, R.; Maréchal, F.; et al. Design of a Pilot SOFC System for the Combined Production of Hydrogen and Electricity under Refueling Station Requirements. Fuel Cells 2019, 19, 389–407. [Google Scholar] [CrossRef]
- Pfeifer, T.; Nousch, L.; Lieftink, D.; Modena, S. System design and process layout for a SOFC micro-CHP unit with reduced operating temperatures. Int. J. Hydrogen Energy 2013, 38, 431–439. [Google Scholar] [CrossRef]
- Al Moussawi, H.; Fardoun, F.; Louahli, H. 4-E based optimal management of a SOFC-CCHP system model for residential applications. Energy Convers. Manag. 2017, 151, 607–629. [Google Scholar] [CrossRef]
- Mehr, A.S.; Gandiglio, M.; Mosayeb-Nezhad, M.; Lanzini, A.; Mahmoudi, S.M.S.; Yari, M.; Santarelli, M. Solar-assisted integrated biogas solid oxide fuel cell (SOFC) installation in wastewater treatment plant: Energy and economic analysis. Appl. Energy 2017, 191, 620–638. [Google Scholar] [CrossRef]
- Ledòn, Y.C.; Arteaga-Perez, L.E.; Toledo, J.; Dewulf, J. Exergoeconomic evaluation of an ethanol-fueled solid oxide fuel cell power plant. Energy 2015, 93, 1287–1295. [Google Scholar] [CrossRef]
- Arteaga-Perez, L.E.; Casas Ledòn, Y.; Peralta, L.M.; Kafarov, V.; Dewulf, J.; Giunta, P. An autosustainable solid oxide fuel cell system fueled by bio-ethanol. Process simulation and heat exchanger network synthesis. Chem. Eng. J. 2009, 150, 242–251. [Google Scholar] [CrossRef]
- Brouwer, J. Hybrid gas turbine fuel cell systems, Chapter 4. In The Gas Turbine Handbook; Dennis Richard, A., Ed.; U.S. Department of Energy: Washington, DC, USA, 2006; DOE/NETL-2006/1230. [Google Scholar]
- Winkler, W.; Nehter, P.; Williams, M.C.; Tucker, D.; Gemmen, R. General fuel cell hybrid synergies and hybrid system testing status. J. Power Sources 2006, 159, 656–666. [Google Scholar] [CrossRef]
- Chanh, S.H.; Ho, K.; Tian, Y. Multi-level modeling of SOFC–gas turbine hybrid system. Int. J. Hydrogen Energy 2003, 28, 889–900. [Google Scholar] [CrossRef]
- McPhail, S.J.; Aarva, A.; Devianto, H.; Bove, R.; Moreno, A. SOFC and MCFC: Commonalities and opportunities for integrated research. Int. J. Hydrogen Energy 2011, 36, 10337–10345. [Google Scholar] [CrossRef]
- Bakalis, D.P.; Stamatis, A.G. Optimization methodology of turbomachines for hybrid SOFC–GT applications. Energy 2014, 70, 86–94. [Google Scholar] [CrossRef]
- Chen, J.; Li, J.; Zhou, D.; Zhang, H.; Weng, S. Control strategy design for a SOFC-GT hybrid system equipped with anode and cathode recirculation ejectors. Appl. Therm. Eng. 2018, 132, 67–79. [Google Scholar] [CrossRef]
- Corigliano, O.; De Lorenzo, G.; Fragiacomo, P. Techno-energy-economic sensitivity analysis of hybrid system Solid Oxide Fuel Cell/Gas Turbine. AIMS Energy 2021, 9, 934–990. [Google Scholar] [CrossRef]
- Ali Azizi, M.; Brouwer, J. Progress in solid oxide fuel cell-gas turbine hybrid power systems: System design and analysis, transient operation, controls and optimization. Appl. Energy 2018, 215, 237–289. [Google Scholar] [CrossRef]
- Veyo, S.E.; Lundberg, W.L.; Vora, S.D.; Litzinger, K.P. Tubular SOFC Hybrid Power System Status. In Turbo Expo: Power for Land, Sea, and Air; ASME: New York, NY, USA, 2003; Volume 2, pp. 649–655. [Google Scholar]
- Buonomano, A.; Calise, F.; Dentice d’Accadia, M.; Palombo, A.; Vicidomini, M. Hybrid solid oxide fuel cells–gas turbine systems for combined heat and power: A review. Appl. Energy 2015, 156, 32–85. [Google Scholar] [CrossRef]
- Park, S.K.; Kim, T.S. Comparison between pressurized design and ambient pressure design of hybrid solid oxide fuel cell gas turbine systems. J. Power Sources 2006, 163, 490–499. [Google Scholar] [CrossRef]
- Milewski, J.; Miller, A.; Sałacinski, J. Off-design analysis of SOFC hybrid system. Int. J. Hydrogen Energy 2007, 32, 687–698. [Google Scholar] [CrossRef]
- Calise, F.; Dentice d’Accadia, M.; Vanoli, L.; von Spakovsky, M.R. Full load synthesis/design optimization of a hybrid SOFC GT power plant. Energy 2007, 32, 446–458. [Google Scholar] [CrossRef]
- Calise, F.; Dentice d’Accadia, M.; Vanoli, L.; von Spakovsky, M.R. Single-level optimization of a hybrid SOFC GT power plant. J. Power Sources 2006, 159, 1169–1185. [Google Scholar] [CrossRef]
- Song, T.W.; Sohn, J.L.; Kim, J.H.; Kim, T.S.; Ro, S.T.; Suzuki, K. Performance analysis of a tubular solid oxide fuel cell/micro gas turbine hybrid power system based on a quasi-two dimensional model. J. Power Sources 2005, 142, 30–42. [Google Scholar] [CrossRef]
- Yang, W.J.; Park, S.K.; Kim, T.S.; Kim, J.H.; Sohn, J.L.; Ro, S.T. Design performance analysis of pressurized solid oxide fuel cell/gas turbine hybrid systems considering temperature constraints. J. Power Sources 2006, 160, 462–473. [Google Scholar] [CrossRef]
- Granovskii, M.; Dincer, I.; Rosen, M.A. Performance comparison of two combined SOFC gas turbine systems. J. Power Sources 2007, 165, 307–314. [Google Scholar] [CrossRef]
- Chinda, P.; Brault, P. The hybrid solid oxide fuel cell (SOFC) and gas turbine (GT) systems steady state modeling. Int. J. Hydrogen Energy 2012, 37, 9237–9248. [Google Scholar] [CrossRef]
- Rokni, M. Thermodynamic analysis of an integrated solid oxide fuel cell cycle with a rankine cycle. Energy Convers. Manag. 2010, 51, 2724–2732. [Google Scholar] [CrossRef]
- Dunbar, W.R.; Lior, N.; Gaggioli, R.A. Combining fuel cells with fuel-fired power plants for improved exergy efficiency. Energy 1991, 16, 1259–1274. [Google Scholar] [CrossRef]
- Ugartemendia, J.; Ostolaza, J.X.; Zubia, I. Operating Point Optimization of a Hydrogen Fueled Hybrid Solid Oxide Fuel Cell-Steam Turbine (SOFC-ST) Plant. Energies 2013, 6, 5046–5068. [Google Scholar] [CrossRef]
- Pierobon, L.; Rokni, M.; Larsen, U.; Haglind, F. Thermodynamic analysis of an integrated gasification solid oxide fuel cell plant combined with an organic Rankine cycle. Renew. Energy 2013, 60, 226–234. [Google Scholar] [CrossRef]
- Yan, Z.; Zhao, P.; Wang, J.; Dai, Y. Thermodynamic analysis of an SOFC-GT-ORC integrated power system with liquefied natural gas as heat sink. Int. J. Hydrogen Energy 2013, 38, 3352–3363. [Google Scholar] [CrossRef]
- Ebrahimi, M.; Moradpoor, I. Combined solid oxide fuel cell, micro-gas turbine and organic Rankine cycle for power generation (SOFC–MGT–ORC). Energy Convers. Manag. 2016, 116, 120–133. [Google Scholar] [CrossRef]
- Choi, J.H.; Ahn, J.H.; Kim, T.S. Performance of a triple power generation cycle combining gas/steam turbine combined cycle and solid oxide fuel cell and the influence of carbon capture. Appl. Therm. Eng. 2014, 71, 301–309. [Google Scholar] [CrossRef]
- Eveloy, V.; Karunkeyoon, W.; Rodgers, P.; Alili, A.A. Energy, exergy and economic analysis of an integrated solid oxide fuel cell e gas turbine e organic Rankine power generation system. Int. J. Hydrogen Energy 2016, 41, 13843–13858. [Google Scholar] [CrossRef]
- Sarmah, P.; Gogoi, T.K. Performance comparison of SOFC integrated combined power systems with three different bottoming steam turbine cycles. Energy Convers. Manag. 2017, 132, 91–101. [Google Scholar] [CrossRef]
- Jia, J.; Abudula, A.; Wei, L.; Shi, Y. Performance comparison of three solid oxide fuel cell power systems. Int. J. Energy Resour. 2013, 37, 1821–1830. [Google Scholar] [CrossRef]
- Arsalis, A. Thermoeconomic modeling and parametric studyof hybrid SOFC-gas turbine-steam turbine power plants ranging from 1.5 to 10MWe. J. Power Sources 2008, 181, 313–326. [Google Scholar] [CrossRef]
- Gogoi, T.K.; Sarmah, P.; Nath, D.D. Energy and exergy based performance analyses of a solid oxide fuel cell integrated combined cycle power plant. Energy Convers. Manag. 2014, 86, 507–519. [Google Scholar] [CrossRef]
- Chacartegui, R.; Sanchez, D.; Munoz, J.M.; Sanchez, T. Alternative ORC bottoming cycles for combined cycle power plants. Appl. Energy 2009, 86, 2162–2170. [Google Scholar] [CrossRef]
- Roberts, R.A.; Brouwer, J. Dynamic Simulation of a Pressurized 220kW Solid Oxide Fuel-Cell–Gas-Turbine Hybrid System: Modeled Performance Compared to Measured Results. ASME J. Fuel Cell Sci. Technol. 2005, 3, 18–25. [Google Scholar] [CrossRef]
- Veyo, S.E.; Vora, S.D.; Litzinger, K.P.; Lundberg, W.L. Status of pressurized SOFC/gas turbine power system development at siemens Westinghouse. In Turbo Expo 2002: Power for Land, Sea, and Air; American Society of Mechanical Engineers: New York, NY, USA, 2002; pp. 823–829. [Google Scholar]
- Available online: http://www.nfcrc.uci.edu/3/research/researchsummaries/Hybrid_FC-GT_Systems/HYBRIDfuelCELL_Hybrid_220kwSOFC.pdf (accessed on 16 September 2022).
- Available online: http://www.nfcrc.uci.edu/3/research/researchsummaries/Hybrid_FC-GT_Systems/HYBRIDfuelCELL_GASturbineSystems-AnalysesHybridFuelCellGasTurbineSystems.pdf (accessed on 16 September 2022).
- George, R.A. Status of tubular SOFC field unit demonstrations. J. Power Sources 2000, 86, 134–139. [Google Scholar] [CrossRef]
- Veyo, S.E.; Shockling, L.A.; Dederer, J.T.; Gillett, J.E.; Lundberg, W.L. Tubular solid oxide fuel cell/gas turbine hybrid cycle power systems: Status. J. Eng. Gas Turbines Power 2002, 124, 845–849. [Google Scholar] [CrossRef]
- Samuelsen, S.; Brouwer, J. Fuel cell/gas turbine hybrid. In Encyclopedia of Electrochemical Power Sources; Garche, J., Ed.; Elsevier B.V.: Amsterdam, The Netherlands, 2009; pp. 124–134. [Google Scholar]
- Miyamoto, K.; Mihara, M.; Oozawa, H.; Hiwatashi, K.; Tomida, K.; Nishiura, M.; Kishizawa, H.; Mori, R.; Kobayashi, Y. Recent progress of SOFC combined cycle system with segmented-in-series tubular type cell stack at mhps. ECS Trans. 2015, 68, 51–58. [Google Scholar] [CrossRef]
- Gengo, T.; Kobayashi, Y.; Ando, Y.; Hisatome, N.; Kabata, T.; Kosaka, K. Development of 200 kW Class SOFC Combined Cycle System and Future View; Technical Review; Mitsubishi Heavy Industries, Ltd.: Tokyo, Japan, 2008; p. 45. [Google Scholar]
- Zhang, X.; Chan, S.H.; Li, G.; Ho, H.K.; Li, J.; Feng, Z. A review of integration strategies for solid oxide fuel cells. J. Power Sources 2010, 195, 685–702. [Google Scholar] [CrossRef]
- Seidler, S.; Henke, M.; Kallo, J.; Bessler, W.G.; Maier, U.; Friedrich, K.A. Pressurized solid oxide fuel cells: Experimental studies and modeling. J. Power Sources 2011, 196, 7195–7202. [Google Scholar] [CrossRef]
- Zhou, N.; Yang, C.; Tucker, D.; Pezzini, P.; Traverso, A. Transfer function development for control of cathode airflow transients in fuel cell gas turbine hybrid systems. Int. J. Hydrogen Energy 2015, 40, 1967–1979. [Google Scholar] [CrossRef]
- Available online: https://www.netl.doe.gov/publications/proceedings/99/99ats/2-12.pdf (accessed on 16 September 2022).
- Hughes, D.; Wepfer, W.J.; Davies, K.; Ford, J.C.; Haynes, C.; Tucker, D. A real-time spatial sofc model for hardware-based simulation of hybrid systems. In Proceedings of the ASME 2011 9th International Conference on Fuel Cell Science, Engineering and Technology Collocated with ASME 2011 5th International Conference on Energy Sustainability, Washington, DC, USA, 7–10 August 2011; American Society of Mechanical Engineers: New York, NY, USA, 2011; pp. 409–428. [Google Scholar]
- Hosseini, M.; Dincer, I.; Ahmadi, P.; Avval, H.B.; Ziaasharhagh, M. Thermodynamic modelling of an integrated solid oxide fuel cell and micro gas turbine system for desalination purposes. Int. J. Energy Res. 2013, 37, 426–434. [Google Scholar] [CrossRef]
- Baudoin, S.; Barelli, L. Analysis and validation of a biogas hybrid SOFC/GTEmulator. In Proceedings of the Conference: Intelligent Energy Systems (IWIES), 2014 IEEE International Workshop, San Diego, CA, USA, 8 October 2014; IEEE: Piscataway, NJ, USA, 2014. [Google Scholar]
- Zhoua, N.; Zaccaria, V.; Tucker, D. Fuel composition effect on cathode airflow control in fuel cell gas turbine hybrid systems. J. Power Sources 2018, 384, 223–231. [Google Scholar] [CrossRef]
- Dennis, R.; Samuelsen, S.; Williams, M.; Holcombe, N.; Layne, A. Turbo Expo 2002: Power for Land, Sea, and Air; American Society of Mechanical Engineers: New York, NY, USA, 2002; pp. 817–822. [Google Scholar]
- Restrepo, B.; Banta, L.E.; Tucker, D. Simulation of model predictive control for a fuel cell/gas turbine power system based on experimental data and the recursive identification method. In Proceedings of the ASME 2016 14th International Conference on Fuel Cell Science, Engineering and Technology collocated with the ASME 2016 Power Conference and the ASME 2016 10th International Conference on Energy Sustainability, Charlotte, NC, USA, 26–30 June 2016; American Society of Mechanical Engineers: New York, NY, USA, 2016; p. V001T04A004. [Google Scholar]
- Zaccaria, V.; Branum, Z.; Tucker, D. Fuel cell temperature control with a precombustor in SOFC gas turbine hybrids during load changes. J. Electrochem. Energy Convers. Storage 2017, 14, 031006. [Google Scholar] [CrossRef]
- Caratozzolo, F.; Ferrari, M.L.; Traverso, A.; Massardo, A.F. Real-Time Hardware-in-the-Loop Tool for a Fuel Cell Hybrid System Emulator Test Rig. In Proceedings of the ASME International Conference on Fuel Cell Science, Engineering and Technology, ASME 2011 9th International Conference on Fuel Cell Science, Engineering and Technology, Washington, DC, USA, 7–10 August 2011; pp. 949–959. [Google Scholar] [CrossRef]
- Caratozzolo, F.; Ferrari, M.L.; Traverso, A.; Massardo, A.F. Emulator Rig for SOFC Hybrid Systems: Temperature and Power Controlwith a Real-Time Software. Fuel Cells 2013, 13, 1123–1130. [Google Scholar] [CrossRef]
- Hohloch, M.; Widenhorn, A.; Lebküchner, D.; Panne, T.; Aigner, M. Micro Gas Turbine Test Rig for Hybrid Power Plant Application, GT2008-50443. In Turbo Expo: Power for Land, Sea and Air; ASME: Berlin, Germany, 2008. [Google Scholar]
- Hohloch, M.; Huber, A.; Aigner, M. Experimental Investigation of a SOFC/MGT Hybrid Power Plant Test Rig—Impact and Characterization of Coupling Elements and Pressure Vessels. In Proceedings of the ASME Turbo Expo 2014: Turbine Technical Conference and Exposition, Düsseldorf, Germany, 16–20 June 2014. GT2014-25918. [Google Scholar]
- Holm-Nielsen, J.B.; Al Seadi, T.; Oleskowicz-Popiel, P. The future of anaerobic digestion and biogas utilization. Bioresour. Technol. 2009, 100, 5478–5484. [Google Scholar] [CrossRef]
- Appels, L.; Assche, A.V.; Willems, K.; Degrève, J.; Impe, J.V.; Dewil, R. Peracetic acid oxidation as an alternative pre-treatment for the anaerobic digestion of waste activated sludge. Bioresour. Technol. 2011, 102, 4124–4130. [Google Scholar] [CrossRef]
- Zhang, C.; Su, H.; Baeyens, J.; Tan, T. Reviewing the anaerobic digestion of food waste for biogas production. Renew. Sustain. Energy Rev. 2014, 38, 383–392. [Google Scholar] [CrossRef]
- Tarvin, D.; Buswell, A.M. The Methane Formation of Organic Acids and Carbohydrates. J. Am. Chem. Soc. 1934, 56, 1751–1755. [Google Scholar] [CrossRef]
- Buswell, A.M.; Hatfield, W.D. Anaerobic Fermentations; Bulletin; State of Illinois, Department of Registration and Education: Urbana, IL, USA, 1937; No. 32. [Google Scholar]
- Buswell, A.M.; Sollo, F.W. The Mechanism of the Methane Fermentation. J. Am. Chem. Soc. 1948, 70, 1778–1780. [Google Scholar] [CrossRef]
- Buswell, A.M.; Mueller, H.F. Mechanisms of Methane Fermentation. Ind. Eng. Chem. 1952, 44, 550–552. [Google Scholar] [CrossRef]
- Vindis, P.; Mursec, B.; Janzekovic, M.; Cus, F. The impact of mesophilic and thermophilic anaerobic digestion on biogas production. J. Achiev. Mater. Manuf. Eng. 2009, 36, 192–198. [Google Scholar]
- Göransson, K.; Söderlind, U.; He, J.; Zhang, W. Review of syngas production via biomass DFBGs. Renew. Sustain. Energy Rev. 2011, 15, 482–492. [Google Scholar] [CrossRef]
- Liu, K.; Song, C.; Subramani, V. Hydrogen and Syngas Production and Purification Technologies; Wiley: Hoboken, NJ, USA, 2010. [Google Scholar]
- Mondal, P.; Dang, G.S.; Garg, M.O. Syngas production through gasification and cleanup for downstream applications—Recent developments. Fuel Process. Technol. 2011, 92, 1395–1410. [Google Scholar] [CrossRef]
- Samiran, N.A.; MohdJaafar, M.N.; Ng, J.-H.; Lam, S.S.; Chong, C.T. Progress in biomass gasification technique—With focus on Malaysian palm biomass for syngas production. Renew. Sustain. Energy Rev. 2016, 62, 1047–1062. [Google Scholar] [CrossRef]
- Zainal, Z.A.; Ali, R.; Lean, C.H.; Seetharamu, K.N. Prediction of performance of a downgraft gasifier using equilibrium modeling for different biomass materials. Energy Convers. Manag. 2001, 42, 1499–1515. [Google Scholar] [CrossRef]
- Rayner, A.J.; Briggs, J.; Tremback, R.; Clemmer, R.M.C. Design of an organic waste power plant coupling anaerobic digestion and solid oxide fuel cell technologies. Renew. Sustain. Energy Rev. 2017, 71, 563–571. [Google Scholar] [CrossRef]
- Corigliano, O.; Florio, G.; Fragiacomo, P. A Performance Analysis of an Anaerobic Digester—High Temperature Fuel Cells Fed by Urban Solid Waste Biogas. Energy Sources Part A 2012, 34, 101–110. [Google Scholar] [CrossRef]
- Athanasiou, C.; Coutelieris, F.; Vakouftsi, E.; Skoulou, V.; Antonakou, E.; Marnellos, G.; Zabaniotou, A. From biomass to electricity through integrated gasification/SOFC system-optimization and energy balance. Int. J. Hydrogen Energy 2007, 32, 337–342. [Google Scholar] [CrossRef]
- Suranat, W.; Hiroshi, I.; Motohiro, S.; Hideo, Y. Performance evaluation of an integrated small-scale SOFC-biomass gasification power generation system. J. Power Sources 2012, 216, 314–322. [Google Scholar]
- El-Emam, R.S.; Ibrahim, D. Thermal modeling and efficiency assessment of an integrated biomass gasification and solid oxide fuel cell system. Int. J. Hydrogen Energy 2015, 40, 7694–7706. [Google Scholar] [CrossRef]
- Gholamian, E.; Zare, V.; Mousavi, S.M. Integration of biomass gasification with a solid oxide fuel cell in a combined cooling, heating and power system: A thermodynamic and environmental analysis. Int. J. Hydrogen Energy 2016, 41, 20396–20406. [Google Scholar] [CrossRef]
- Gadsbøll, R.Ø.; Thomsen, J.; Bang-Møller, C.; Ahrenfeldt, J.; Henriksen, U.B. Solid oxide fuel cells powered by biomass gasification for high efficiency power generation. Energy 2017, 131, 198–206. [Google Scholar] [CrossRef]
- Ud Din, Z.; Zainal, Z.A. Biomass integrated gasification–SOFC systems: Technology overview. Renew. Sustain. Energy Rev. 2016, 53, 1356–1376. [Google Scholar] [CrossRef]
- Hosseinpour, J.; Chitsaz, A.; Eisavi, B.; Yari, M. Investigation on performance of an integrated SOFC-Goswami system using wood gasification. Energy 2018, 148, 614–628. [Google Scholar] [CrossRef]
- Recalde, M.; Woudstra, T.; Aravind, P.V. Renewed sanitation technology: A highly efficient faecal-sludge gasification–solid oxide fuel cell power plant. Appl. Energy 2018, 222, 515–529. [Google Scholar] [CrossRef]
- Araki, T.; Ohba, T.; Takezawa, S.; Onda, K.; Sakaki, Y. Cycle analysis of planar SOFC power generation with serial connection of low and high temperature SOFCs. J. Power Sources 2006, 158, 52–59. [Google Scholar] [CrossRef]
- Jia, J.; Shu, L.; Zang, G.; Xu, L.; Abudula, A.; Ge, K. Energy analysis and techno-economic assessment of a co-gasification of woody biomass and animal manure, solid oxide fuel cells and micro gas turbine hybrid system. Energy 2018, 149, 750–761. [Google Scholar] [CrossRef]
- Fragiacomo, P.; Corigliano, O.; De Lorenzo, G. Design of an SOFC/SOE experimental station: Planning of simulation tests. Energy Procedia 2018, 148, 535–542. [Google Scholar] [CrossRef]
- Fragiacomo, P.; De Lorenzo, G.; Corigliano, O. Design of an SOFC/SOE experimental station: Experimental test campaigns. Energy Procedia 2018, 148, 543–550. [Google Scholar] [CrossRef]
- Fragiacomo, P.; De Lorenzo, G.; Corigliano, O. Performance Analysis of an Intermediate Temperature Solid Oxide Electrolyzer Test Bench under a CO2-H2O Feed Stream. Energies 2018, 11, 2276. [Google Scholar] [CrossRef]
- De Lorenzo, G.; Corigliano, O.; Fragiacomo, P. Analysing thermal regime and transient by using numerical modelling for solid oxide electrolyser aided by solar radiation. Int. J. Therm. Sci. 2022, 177, 107545. [Google Scholar] [CrossRef]
- Fragiacomo, P.; De Lorenzo, G.; Corigliano, O. Intermediate temperature solid oxide fuel cell/electrolyzer towards future large-scale production. Procedia Manuf. 2020, 42, 259–266. [Google Scholar] [CrossRef]
- Strategic Research and Innovation Agenda. Hydrogen Europe & Hydrogen Europe Research. October 2020. Available online: https://hydrogeneurope.eu/reports/ (accessed on 16 September 2022).


























| Case Values | ||||||||||||||||||
|---|---|---|---|---|---|---|---|---|---|---|---|---|---|---|---|---|---|---|
| Variable | 1 | 2 | 3 | |||||||||||||||
| Temperature | 700 °C | 850 °C | 1000 °C | |||||||||||||||
| Layer (electrolyte) | 60 × 10−4 cm | 34 × 10−4 cm | 8 × 10−4 cm | |||||||||||||||
| Anode: 240 × 10−4 cm | ||||||||||||||||||
| Cathode: 40 × 10−4 cm | ||||||||||||||||||
| Pressure | 3 bar | 10 bar | 20 bar | |||||||||||||||
| Composition | ||||||||||||||||||
| Anodic: CH4, CO2, CO, H2, H2O, N2 | CH4 | CO2 | CO | H2 | H2O | N2 | CH4 | CO2 | CO | H2 | H2O | N2 | CH4 | CO2 | CO | H2 | H2O | N2 |
| 0.0523 | 0.0672 | 0.0504 | 0.42 | 0.4101 | 0 | 0.0475 | 0.1065 | 0.0695 | 0.3657 | 0.4108 | 0 | 0.0347 | 0.1503 | 0.0823 | 0.3134 | 0.4192 | 0 | |
| Cathodic: Air (N2, O2) | N2 | O2 | N2 | O2 | N2 | O2 | ||||||||||||
| 0.79 | 0.21 | 0.79 | 0.21 | 0.79 | 0.21 | |||||||||||||
| Fluid utilizations and fluid supply | (for Cases 1–3) Uf, Uo: Variable with electric current (management method 1) Anodic flow rate (constant): Cathodic flow rate (constant): __________________ Uf, Uo: Fixed (management method 2); Uf: 0.85 Uo: 0.25 Anodic flow rate (proportional to electric current): Cathodic flow rate (proportional to electric current): | |||||||||||||||||
| Parameters | ||||||||||||||||||
| Cell area | 100 cm2 | |||||||||||||||||
| Cell materials | Anode: Ni–YSZ Cathode: (LSM) La0.8Sr0.2MnO3 Electrolyte: (YSZ) ZrO2-Y2O3 | |||||||||||||||||
| For second SOFC management Composition 2 was used as the anodic feeding gas, layer 2 as the electrolyte thickness, temperature T: 1000 °C, pressure p: 3 bar. | ||||||||||||||||||
| Influence on Performance (+/−) | |||
|---|---|---|---|
| Temperature (Increase) | Layer (Decrease Thickness) | Pressure (Increase) | Composition |
| +++ | ++++ | + | Depending on the fuel processing |
| Method 1: Uf variable | Method 2: Uf constant | ||
| Partial Load | Partial Load | ||
| −−− | +++ | ||
| Property | Tubular | Planar |
|---|---|---|
| Power density | Low | High |
| Volumetric power density | Low | High |
| High temperature sealing | Easy | Difficult |
| Start-up and shut-down | Fast | Slow |
| Interconnector fabrication | Difficult | High cost |
| Production cost | High | Low |
| Thermal cycling stability | High | Low |
| Company | Country | Main Product (Characteristics) | Feeding | Website |
|---|---|---|---|---|
| Atrex Energy | USA | 100 W–4.5 kW (SOFC tubular) | Propane and natural gas | http://www.atrexenergy.com/ (accessed on 12 July 2021) |
| Bloom Energy | USA | 100–250 kW (SOFC planar) ηel: 50% | Natural gas and biogas | www.bloomenergy.com (accessed on 16 September 2022) |
| Convion Ltd. | Finland | 50–300 kW (SOFC planar) ηel: 53–60% | Natural gas and biogas | http://convion.fi/ (accessed on 16 September 2022) |
| Coorstek | USA | Components for SOFC (SOFC planar) | https://www.coorstek.com/english/materials/technical-ceramics/specialty/active-ceramic-membranes/ (accessed on 16 September 2022) | |
| Delphi | USA | APU SOFC 9 kW ηel: 30–50% | Natural gas, diesel, bio-diesel, propane, gasoline, coal-derived fuel | www.delphi.com (accessed on 16 September 2022) |
| Fuel Cell Energy | Canada, USA | Hundreds kW–tens MW ηel: 50% | Natural gas | www.fuelcellenergy.com (accessed on 16 September 2022) |
| h2e Power Systems Inc. | India, USA | 250 W–10 kW (kW—MW scale) (CHP) ηel: 50–60% | Natural gas, biogas (diesel optional with external reforming) | http://h2epower.net (accessed on 16 September 2022) |
| LG Fuel Cell Systems | UK, USA, Singapore | SOFC/GT systems (250 kW) (SOFC flat tubular) ηel: 50–60% | Natural gas | https://www.hydrogen.energy.gov/pdfs/htac_apr13_6_fleiner.pdf (accessed on 16 September 2022) |
| Mitsubishi-Hitachi Heavy Industries | Japan | SOFC/GT systems (>200 kW–1 MW) ηel: 52% | Methane based | https://www.mhi.com/products/energy/sofc.html (accessed on 16 September 2022) |
| mPower GmbH | Germany | 1–10 kW → 50 kW ηel: 50% | Multi fuels | www.mpowergmbh.de/ (accessed on 16 September 2022) |
| New enerday GmbH | Germany | 500 W ηel: 35% | Liquid fuels | www.new-enerday.com (accessed on 16 September 2022) * |
| SOLIDpower SpA | Italy | kW (SOFC planar) ηel: 60% | Gas, biogas, hydrogen | https://solydera.com/ (accessed on 16 September 2022) |
| Sunfire-Staxera | Germany | 4.5 kW ηel: 48% | Wide range gases | www.sunfire.de (accessed on 16 September 2022) |
| POSCO Energy | South Korea | 100–2.5 MW | Natural gas, biogas | www.poscoenergy.com (accessed on 16 September 2022) |
| SOFCMAN Energy Technology Co., Ltd. | China | 500 W–tens kW ηel: 30–50% | Hydrogen, natural gas, biogas, propane, etc. | www.sofcman.com (accessed on 16 September 2022) |
| Zegpower | Norway | 50 kW–tens MW ηel: 50% | Purified landfill gas, biogas, gasified biomass | www.zegpower.no (accessed on 16 September 2022) |
| Adelain | UK | 250 W–1 kW (SOFC microtubular) | Hydrocarbon based | www.adelan.co.uk (accessed on 16 September 2022) |
| Ceres Power | UK | Micro-CHP | Natural gas | www.cerespower.com/ (accessed on 16 September 2022) |
| Elcogen | Estonia | kW–hundreds kW (SOFC planar, circular, rectangular) | Hydrocarbon based | www.elcogen.com (accessed on 16 September 2022) |
| Haldor Topsøe AS | Denmark | Residential micro-CHP | www.topsoe.com (accessed on 16 September 2022) | |
| Kerafol GmbH | Germany | SOFC components | http://www.kerafol.com/en/sofc/ (accessed on 16 September 2022) | |
| MiCo | South Korea | kW Ceramics for (SOFC planar, micro-tubular) ηel > 50% | http://www.micopower.com/ (accessed on 16 September 2022) | |
| Huatsing Jingkun New Energy Technology Co., Ltd. | China | kW ηel: 50% | http://en.huatsing-power.com (accessed on 16 September 2022) | |
| Chaozhou Three-Circle Co., Ltd. | China | Ceramics | www.cctc.cc (accessed on 16 September 2022) |
Publisher’s Note: MDPI stays neutral with regard to jurisdictional claims in published maps and institutional affiliations. |
© 2022 by the authors. Licensee MDPI, Basel, Switzerland. This article is an open access article distributed under the terms and conditions of the Creative Commons Attribution (CC BY) license (https://creativecommons.org/licenses/by/4.0/).
Share and Cite
Corigliano, O.; Pagnotta, L.; Fragiacomo, P. On the Technology of Solid Oxide Fuel Cell (SOFC) Energy Systems for Stationary Power Generation: A Review. Sustainability 2022, 14, 15276. https://doi.org/10.3390/su142215276
Corigliano O, Pagnotta L, Fragiacomo P. On the Technology of Solid Oxide Fuel Cell (SOFC) Energy Systems for Stationary Power Generation: A Review. Sustainability. 2022; 14(22):15276. https://doi.org/10.3390/su142215276
Chicago/Turabian StyleCorigliano, Orlando, Leonardo Pagnotta, and Petronilla Fragiacomo. 2022. "On the Technology of Solid Oxide Fuel Cell (SOFC) Energy Systems for Stationary Power Generation: A Review" Sustainability 14, no. 22: 15276. https://doi.org/10.3390/su142215276
APA StyleCorigliano, O., Pagnotta, L., & Fragiacomo, P. (2022). On the Technology of Solid Oxide Fuel Cell (SOFC) Energy Systems for Stationary Power Generation: A Review. Sustainability, 14(22), 15276. https://doi.org/10.3390/su142215276

