Next Article in Journal
Empirical Assessments of the Determinants of Construction Megaprojects’ Success: Evidence from China
Next Article in Special Issue
Experimental Study on Low Carbonization of Green Building Based on New Membrane Structure Solar Sustainable Heat Collection
Previous Article in Journal
Anthropogenic Land Use Change and Adoption of Climate Smart Agriculture in Sub-Saharan Africa
Previous Article in Special Issue
A Systematic Review of Green Building Development in China: Advantages, Challenges and Future Directions
 
 
Font Type:
Arial Georgia Verdana
Font Size:
Aa Aa Aa
Line Spacing:
Column Width:
Background:
Article

Experimental Study on Flexural Behaviour of Prestressed Specified Density Concrete Composite Beams

1
College of Architectural Science and Engineering, Yangzhou University, Yangzhou 225000, China
2
International Century Design of Architecture, Changzhou 213000, China
3
School of Transportation, Southeast University, Nanjing 211189, China
*
Author to whom correspondence should be addressed.
Sustainability 2022, 14(22), 14727; https://doi.org/10.3390/su142214727
Submission received: 19 October 2022 / Revised: 4 November 2022 / Accepted: 7 November 2022 / Published: 8 November 2022
(This article belongs to the Special Issue Sustainable Development of Construction Engineering)

Abstract

To solve the problem of poor seismic resistance due to the disadvantages of traditional concrete composite beams, such as heavy self-weight in prefabricated buildings, prestressed specified-density concrete composite beams are proposed herein. First, a mix ratio test of specified-density concrete was performed. Second, five prestressed specified-density composite beams, a prestressed ordinary concrete composite beam, and a prestressed semi lightweight concrete cast-in-situ beam were tested. The influence of the precast concrete height, reinforcement ratio, and concrete materials on the failure mechanism, flexural bearing capacity, and short-term stiffness of the composite beams were analysed. From the results, the specified-density concrete composite beams and the ordinary composite beam had similar ultimate bearing capacities, but the average distance between crack spacings of the former was smaller. The precast concrete height affected the bending performance of the prestressed specified density concrete composite beam insignificantly, but the maximum ultimate bearing capacity of the composite beam could be increased by 35.6% by increasing the reinforcement ratio. The composite beam and the cast-in-place beam exhibited similar load-carrying capabilities and deformation properties. The average crack spacing, cracking load, and ultimate load value of the specified density concrete composite beams calculated according to the China national standard “Code for design of concrete structures” were consistent with the measured values.

1. Introduction

Semi-light concrete refers to concrete with a dry apparent density of 1950~2300 kg/m3 mixed with an appropriate amount of ordinary aggregate in light aggregate, which is also called specified-density concrete [1]. Scholars have conducted a lot of research on the deformation and physical and mechanical properties of lightweight concrete and specified-density concrete. The research of Refs. [2,3,4,5] shows that shrinkage of lightweight concrete increases with the reduction of the density and moisture content of lightweight aggregate. Refs. [6,7,8,9,10] investigated the effect of the lightweight aggregate, type, and amount of cement on the mechanical properties of semi-lightweight concrete, and the test results show that the compressive strength and modulus of elasticity decreases with increasing lightweight aggregate content. Murat [11] and Sajedi [12] pointed out that within the same compressive-strength range, lightweight concrete showed remarkable reduction in modulus of elasticity and more brittle behaviour compared with normal-weight concrete. Bing’s study [13] showed that the peak stress and elastic modulus of lightweight concrete gradually decreased with the increasing volume fraction of lightweight aggregate. The influence of different kinds of lightweight coarse aggregate on the mechanical properties of semi-light concrete was studied [14,15], and the optimal coarse aggregate replacement rate was given. Chen et al. [16] applied self-consolidating lightweight aggregate concrete to prestressed concrete members, and the test results showed that the use of lightweight aggregates with a particle density larger than 1100 kg/m3 can avoid the serious segregation of fresh concrete and reduce the prestress loss. Existing studies have shown that, compared with normal concrete, semi lightweight concrete has the characteristics of light weight, and its elastic modulus, splitting tensile strength, compressive strength, and shrinkage deformation are better than lightweight concrete.
A concrete composite structure is a type of precast structure formed by pouring a layer of concrete onto prefabricated concrete components. It has the advantages of good integrity and high rigidity of cast-in-place concrete structures, as well as the advantage of prefabricated structures, such as a flexible plane layout and construction that is convenient, low cost, rapid, and requires little formwork. Therefore, concrete composite structures are widely used in engineering. At the same time, this structure also has the common problem of a high self-weight of precast concrete structure, which is unfavourable for bearing the load of the structure [17]. If semi lightweight concrete and normal concrete are applied to a composite beam, the advantages of semi lightweight concrete can be fully obtained and the self-weight of composite beams can be effectively reduced. This will promote the engineering application of semi lightweight concrete, which is an important research direction.
Scholars have done a lot of research on concrete composite structures. Zhenhai [18] carried out comparative experiments on two structural forms of concrete composite beams and cast-in-place beams, analysed the factors affecting the mechanical performance of the composite beams, and explored the mechanical characteristics of the composite concrete beams under two stages. More recent studies [19,20,21,22,23,24,25] have focused on the application of high-performance materials to composite beam members, and the research shows that it has excellent mechanical properties. Xueyu [26] analysed the mechanical properties of prestressed concrete composite beams with a bonded or unbonded post-tension technique under first-loading, and the result shows that the first-loading had different influences on the beams with two different post-tensions for the working mode of prestressed tendons. Fangbo [27] proposed two prefabricated superimposed cross-section beams: U-shaped and inverted T-shaped beams, and their studies show that they have similar force characteristics to cast beams. Li [28] studied the flexural behaviour of precast, prestressed, light aggregate concrete–conventional concrete composite beams, and completed a bending-performance test of 10 beams, which showed that the use of lightweight aggregate concrete can reduce the self-weight of the structure, but can cause a decrease in bearing capacity. These research results have promoted the development of prefabricated composite beams.
In order to solve the problem of large self-weight and easy cracking of conventional concrete composite beams, this study explores the possibility of the use of specified-density concrete to replace ordinary concrete in the composite beams of prefabricated buildings. The properties and amount of lightweight aggregates used in a concrete mixture can significantly influence its mechanical properties and density. Nevertheless, such influence cannot be accurately described and used in practical application without an extensive experimental work. Based on this purpose, this paper has completed the relevant experimental research. First, a specified density concrete mix ratio test was carried out. Second, the bending performance of a specified-density-concrete prestressed composite beam was studied, and the test results were compared with China national standard “Code for design of concrete structures” [29] (hereafter referred to as the “Code”). The research results can provide a theoretical basis for the application of semi-light concrete in composite structures and provide a reference for its use in prefabricated buildings.

2. Materials and Methods

2.1. Materials

Materials used in the study included cement, fly ash, and fine and coarse aggregates. The cement was grade P.O42.5 ordinary silicate produced by China Huaxin Cement Joint Stock Company (Shanghai, China), with a specific gravity of 3.15. The fine aggregate was natural river sand with a fineness modulus of 2.8 mm, water content of 2.52%, and water absorption of 7.45%. In this study, two types of coarse aggregates (one type of normal-weight aggregate and one type of lightweight aggregate) were used. The normal-weight coarse aggregate was continuous-grading crushed stone with a maximum particle size of 12.5 mm. The lightweight aggregate was China-made 500-grade clay ceramsite with a loose bulk density of 495 kg/m3. Grade I fly ash with a fineness of 18.3 microns was utilized as a high-quality admixture. In the test, steel slag with a fluidity ratio of 103% and 7 d activity index of 80% was used as the active mixture.

2.2. Mix Design and Test Methods

The reference strength of specified-density concrete was C40. The mix-ratio test comprehensively considered the bulk density, workability, and cubic compressive strength of the specified-density concrete. Because of the porosity and water absorption of lightweight aggregate, the water absorption and water-return characteristics occurred during the preparation of the concrete, so the clay ceramsite had to be pre-wetted. After the specimens were soaked in water for 24 h, rinsed, and dried, they were prepared in a HJS-60 double-horizontal-axis concrete mixer. The mix ratios of C40 ordinary concrete and specified-density concrete are listed in Table 1. When pouring the test beam, a number of test blocks was reserved under the same conditions as the test beam. Before the start of the test, the concrete cube compressive strength fcu, axial compressive strength fc, splitting tensile strength ft, and elastic modulus Ec were measured. The specific test data are presented in Table 2.
The compressive strength test-specimen specification was 150 × 150 × 150 mm; the splitting tensile strength test-specimen specification was 100 × 100 × 100 mm. Both the axial compressive strength test-specimen specification and the elastic modulus test-specimen specification were 150 × 150 × 300 mm. All specimens had to be maintained for 28 days in an environment at a temperature of 20 ± 2 °C and relative humidity of more than 95% before the studies could be carried out. The design strength of concrete in this test was C40, so according to the specification, the loading speed in the compressive test was 0.5 MPa/s. In the flexural and splitting tests, the loading speed was 0.05 MPa/s.

2.3. Specimen Design

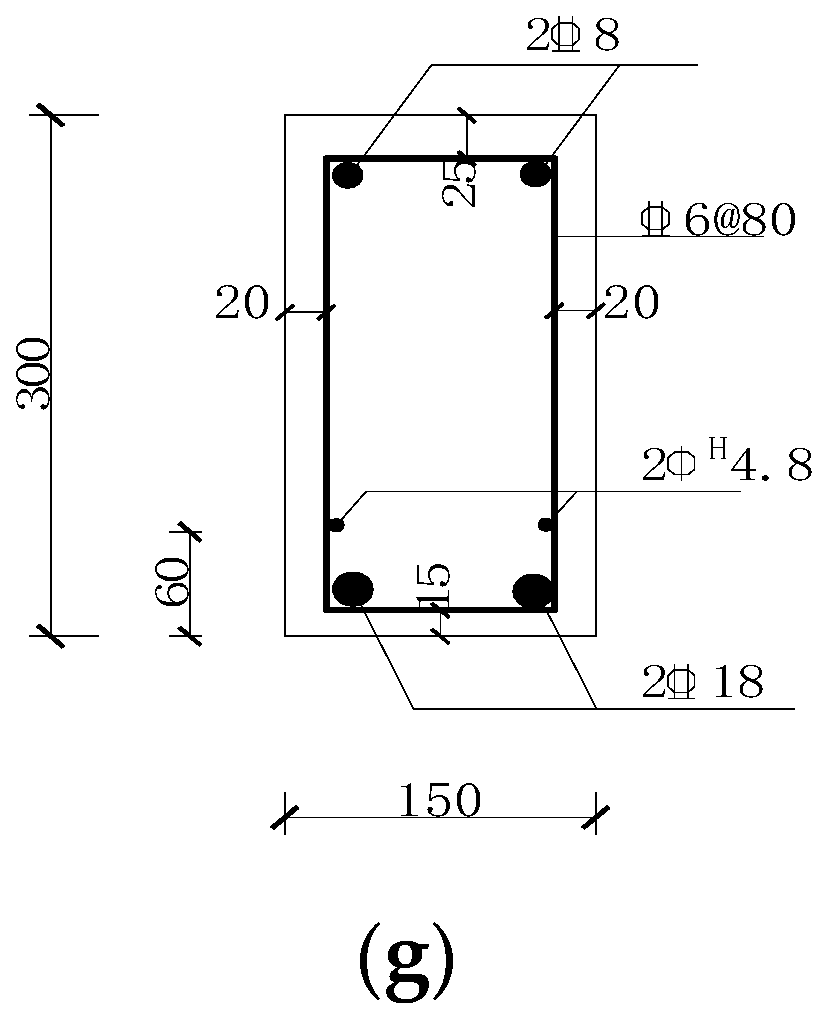
A total of seven test beams were designed in the test, including five prestressed specified-density concrete composite beams, a prestressed ordinary concrete composite beam, and a prestressed specified-density concrete cast-in-place beam. The test specimens were all under one-off load. The cross-sectional dimensions of the test beams were b × h = 150 mm × 300 mm, the span length was 2.6 m, and the clear span was 2.4 m. Two prestressed tendons were 4.8 mm-diameter spiral-rib steel wires arranged at a distance of 60 mm from the bottom of the test beam.
The pretension method was adopted to tense the prestressed reinforcement, and the controlled-stretching stress was 0.6 fptk. Two longitudinal reinforcements were 18 mm (20 mm and 22 mm) HRB400E steel bars. The stirrups were 6 mm HRB400E steel bars with a spacing of 80 mm. Two HRB400E steel bars with a diameter of 8 mm were used as supplementary reinforcement. The concrete-strength grade was C40. Furthermore, the thickness of the concrete cover of the upper and lower steel bars was 25 mm and 15 mm, respectively, and that of the steel bars on both sides of the test beam was 20 mm. The laminated surface was roughened by artificial chiselling, and the surface unevenness did not exceed 6 mm.
The test beams are shown in Figure 1 and Figure 2, and the measured mechanical parameters of the steel bar yield strength fy, tensile strength fu, and elastic modulus Es are listed in Table 3. The test beam parameters are listed in Table 4.

2.4. Loading System and Testing Contents

The test-loading method adopted three-point loading, using a hydraulic jack to apply the load. A pressure sensor was placed between the top of the hydraulic jack and the reaction frame to control the magnitude of the applied load. The test-loading device is shown in Figure 3 and Figure 4. Prior to the test, the correct operation of the pressure sensor, displacement transducer, and strain gauge was checked.
After the pre-loading was completed, the formal loading started. Before the load value reached 80% of the calculated cracking load, 20% of the calculated cracking load was used for stepwise loading. After that, 10% of this value was taken for grading loading until it reached 90% of the calculated cracking load. Next, 5% of this value was taken for grading and slowly loaded. After cracking, loading in stages was continued according to 15% of the calculated ultimate load value. When the load reached 90% of the calculated ultimate load, 5% of this value was taken for each load, and loading was performed using the displacement-control method until the specimen was obviously damaged. Finally, the load was aborted. The holding time after each level of loading was 15 min.
A dial gauge was placed at the bottom of the test beam and at the support to measure its deflection deformation (as shown in Figure 3). The strain was pasted on the surface of the test beam mid-span side section, ordinary-tension steel bar, and prestressed-tension steel-bar sheet. As shown in Figure 3, C1–C5 are concrete-strain gauges arranged along the height of the section in the middle of the span, S1–S4 are ordinary tensile steel-bar strain gauges in the pure bending section, and P1–P4 are strain gauges of prestressed steel wire in the pure bending section.

3. Test Results

3.1. Test Phenomena and Failure Modes

During the test, the mid-span deflections of the specified-density concrete composite beam and cast-in-place beam developed similarly, and the load–deflection curves showed a three-fold line (Figure 5). The entire test process can be divided into three stages. First, before the concrete cracks, the test beam is in the elastic stage, the mid-span deformation of each test piece is small, and the load–deflection relationship is linear. When the load reaches the cracking load, the first crack begins to appear in the middle, at which point the test beam begins to enter the elastoplastic stage and the slope of the curve begins to slow down. As the load continues to increase, the cracks begin to extend upwards, and the crack width begins to expand. When the load reaches the ultimate load, the ordinary tensile steel bar yields, the mid-span deflection of the specimen increases rapidly, and the load–deflection curve is almost a horizontal straight line. In the final test, the compression edge of the beam was crushed to announce the end of the test.
The damage in specimens DHL-1, DHL-2, and DHL-3 (different overlapping height ratios) and DHL-4 and DHL-5 (different reinforcement ratios) developed similarly. When loads of 28 kN and 30 kN were applied to DHL-1, DHL-2, and DHL-3, and DHL-4 and DHL-5, respectively, the first cracks appeared in the pure bending section, and the cracks extended upward as the load was increased. At the same time, the stress of ordinary steel and prestressed steel increased rapidly. When the loads on DHL-1, DHL-2, DHL-3, and DHL-4 increased to approximately 90 kN, 103 kN, 129 kN, and 121 kN, respectively, a transverse crack appeared on the superimposed surface. The load on DHL-5 increased to 126 kN when the superimposed surface suddenly appeared as two transverse cracks. When the DHL-1, DHL-2, and DHL-3 loads reached approximately 144 kN, and the DHL-4 and DHL-5 loads reached 173 kN and 205 kN, respectively, the non-prestressed steel bar began to yield and the deflection deformation in the middle of the span increased rapidly. When the crack developed upwards rapidly, the width of the crack continued to increase. When the loads on the DHL-1, DHL-2, and DHL-3 specimens were increased to approximately 150 kN and the loads on DHL-4 and DHL-5 were increased to 181 kN and 205 kN, respectively, the ordinary tensile steel bars yielded and the concrete in the compression zone was crushed. The specimen was then damaged.
From comparison of specimens DHL-2 and DHL-6 (Figure 5c), it can be seen that as the load increased, the deflection of the specified-density concrete composite beam increased faster than that of the ordinary concrete composite beam. This is because, before cracking of the specified-density concrete and ordinary concrete of the same grade, the elastic modulus of the former was lower than that of the latter. In addition, the presence of clay ceramsites in the specified-density concrete after cracking reduced its ability to resist deformation.
Next, the specified-density concrete composite beam specimen was compared with the specified-density concrete cast-in-place beam specimen (Figure 5d). The failure modes of both show that the ordinary tensile steel bar yielded and the concrete in the compression zone was crushed. This was caused by the ductile failure of a suitable reinforcement beam. From the failure morphology and crack distribution of each specimen (Figure 6), it can be seen that the transverse crack development at the superimposed surface was very short and there was no damage to the superimposed surface of each superimposed specimen. Furthermore, it can be seen that the artificially processed superposed surface and the restraint effect of the stirrups provided sufficient shear resistance for the superposed surface.

3.2. Strain of the Mid-Span Section

At the initial stage of loading, the strain changes at each measuring point were small, and the strain along the section height conformed to the assumption of a flat section. The strain increased with the load. As shown in Figure 7, the strain distribution along the height of the beam section of each specimen under each load level was roughly triangular. This reflects that the specified-density concrete composite beam and the cast-in-place beam had similar force characteristics, which is in line with the assumption of a flat section.

3.3. Flexural Capacity

It can be seen from Table 5 that when the concrete-strength grade and reinforcement ratio were the same, the precast superimposed height ratio had little effect on cracking, yielding, and ultimate load of the specified-density concrete prestressed superimposed beam (the difference was within 3.5%). The flexural performance of the specified-density concrete prestressed composite beams was similar to that of the cast-in-place beams. Compared with specimen DHL-2, with an increase in the reinforcement ratio, the cracking loads of specimens DHL-4 and DHL-5 increased by 8.15% and 5.12% the yielding loads increased by 22.14% and 44.20%, and the ultimate loads increased by 19.76% and 44.54%, respectively. These results indicate that the change in the reinforcement ratio plays a key role in the influence of the mechanical performance of a concrete composite beam. From comparison of the ordinary concrete prestressed composite beam (DHL-2) and the ordinary concrete prestressed composite beam (DHL-6), the yield load and the ultimate load were slightly lower (the difference was within 4%), but the cracking load was reduced. This was due to the presence of ceramsite in the specified-density concrete, which reduced its tensile strength, thereby reducing its cracking load.

4. General Discussion

4.1. Ductility Analysis

Under normal usage load, the maximum deflection of the concrete flexural members should not exceed the deflection limit required by the “Code”: flim = L0/200 = 2400/200 = 12 mm. The maximum measured deflection of the seven test beams in Table 6 under normal service load was fmax = 7.92 mm < flim = 12 mm, which meets the deformation requirements under the limit state of normal use. Table 6 lists the yield deflection fy, ultimate deflection fu, deflection deformation fk under normal service load, and section ductility coefficient µ (ultimate deflection fu to yield deflection fy ratios) of each test beam.
From the ductility coefficient of each beam section listed in Table 6, it can be seen that when the reinforcement ratio and the concrete-strength grade were the same, the change in the precast superimposed height ratio had little effect on the ductility of the superimposed beam. For the prestressed composite beams of the same strength level, specified-density concrete materials and ordinary concrete materials had little effect on the ductility of the composite beams. This is because in compression and bending members, as the concrete strength is increased, its ultimate curvature and yield curvatures are all small. Furthermore, when the concrete strength was decreased, its ultimate curvature and yield curvature were both large. Thus, the ductility coefficient changes insignificantly. When the reinforcement ratio was the same as the concrete strength, the section ductility coefficient of the semi-lightweight concrete cast-in-place beam was increased by less than 4%, as compared with that of the composite beam. This result indicates that the composite surface had no ductility to the composite beam after the artificial roughening treatment. When the concrete grade was the same, the reduction in the beam-reinforcement ratio significantly improved the ductility of the beam and the ability to dissipate energy. Therefore, an increase in the reinforcement ratio reduces the ductility of the composite beam.

4.2. Comparison of the Measured Load and Theoretical Calculation Values of the Beam

Table 7 shows that the value obtained using the relevant formula in the “Code” to calculate the cracking load of the specified-density concrete composite beam was slightly higher than the test value, but the error between the two was within 15%. During the test, the failure form of the specified-density concrete composite beam was similar to that of the cast-in-place beam, and there was no shear failure at the laminated surface. Therefore, the calculation formula of the cast-in-place beam could be used to calculate the ultimate load of the specified-density concrete composite beam. Table 7 demonstrates that the ultimate load of the specified-density concrete composite beam was calculated using the formula for calculating the cast-in-place beam in the “Code”. The theoretical calculation value was close to the experimental value, and the maximum difference between the two was 6.6%. Therefore, the cracking load and ultimate load of the semi-light concrete prestressed composite beam could be calculated by using the relevant formulas of the current “Code”.
Comparing the test results of Ref. [28], we found that the bending process of light aggregate concrete composite beams and specified-density concrete composite beams was similar, but the strain change of the latter concrete along the height of the section was more in line with the plane-section assumption. According to the calculation results, the bearing capacity of the next light concrete composite beam under the same condition was closer to the result of the traditional concrete beam under the same conditions, and the specified-density concrete composite beam was closer to the result of the conventional concrete beam.

4.3. Short-Term Stiffness

The measured value of the short-term stiffness Bs of the test beam was determined using Equation (1). The measured stiffness of each specimen before and after cracking and the stiffness calculated according to the specifications are listed in Table 7.
B S = M K Φ = M K h 0 ε s m + ε c m
Here, MK is the bending-moment value calculated according to the load standard combination, h0 is the effective height of the section, and Ɛsm and Ɛcm are the average tensile strain at the centre of gravity of the longitudinally tensioned steel bar and the average compressive strain of the concrete at the edge of the compression zone, respectively.
As shown in Table 8, when the concrete-strength grade and reinforcement ratio were the same, the short-term stiffness of the cast-in-place beams was slightly greater than that of the concrete composite beams. The short-term stiffness of the specified-density concrete composite beams was approximately 11% lower than that of the ordinary concrete composite beams. This was due to the presence of ceramsite in the specified-density concrete, which reduced the elastic modulus of the specified-density concrete, thereby reducing the bending stiffness of the beam. In the appropriate range of reinforcement, as the reinforcement ratio increased, the short-term stiffness of the composite beam increased. The measured stiffness of the composite beam before and after cracking was smaller than the theoretically calculated stiffness ratio. On the basis of the test results, when calculating the short-term stiffness of the specified-density concrete composite beams using the “Code,” it is recommended to multiply it by a reduction factor of 0.9.

4.4. Crack Distribution

The crack distribution for each test beam is shown in Figure 6. It can be seen from the figure that there was no obvious difference in the crack distributions between the specified-density concrete composite beam and the cast-in-place beam. This is because the height of the crack development of the composite beam specimen increased with an increase in the load to the superimposed surface and continued to develop upward. As can be observed, the laminated surface did not affect the development of its cracks. From comparison of the calculated and measured values of the crack spacing (Table 9), it can be seen that the crack spacing calculated according to the “Code” was in good agreement with the measured value in the test. In the case of the same reinforcement ratio, the average distance between the cracks of the specified-density concrete composite beam was smaller than that of the ordinary concrete composite beam. This is because ceramsite in the specified-density concrete was porous and the cement mortar was tightly bonded. Consequently, the bonding performance between the concrete and steel bars improved. Second, the strength of the ceramsite aggregate was lower than that of the cement mortar. Therefore, cracks first occurred in the aggregate during failure, and there were relatively few secondary cracks. Hence, the average crack distance decreased.

5. Conclusions

In this study, we proposed prestressed specified-density concrete composite beams and completed flexural-performance tests of seven beams. We analysed influential factors on the failure mechanism, flexural-bearing capacity, and short-term stiffness of the composite beams under study. On the basis of the obtained results, the following conclusions can be drawn.
(1)
Similar to the cast-in-place beam, the bending process of specified-density concrete composite beams also goes through an elastic stage, a working stage with cracks, and a plastic stage. The change in concrete strain along the section height basically conforms to the plane-section assumption. The bearing capacity can be designed according to the plane-section assumption.
(2)
The reinforcement ratio is a key factor affecting the bending performance of specified-density concrete prestressed composite beams; the cracking and ultimate load can be calculated according to the relevant formulas in the “Code”.
(3)
Under the same conditions, the short-term stiffness of the specified-density concrete prestressed composite beam was slightly lower than that of the ordinary concrete prestressed composite beam. Thus, when the short-term stiffness of the specified density concrete composite beam is calculated using the formula in the “Code”, a multiplication coefficient of 0.9 is recommended.
(4)
The working performance of the combined interface was good and there was no slip-failure phenomenon. The combined interface after the artificial rough treatment had no obvious influence on the crack development of the beam. The average crack spacing can be calculated according to the relevant formula of the current “Code”.
The presented results can provide a reference for the development of specified-density concrete in concrete composite structure systems and for its application in prefabricated buildings. In addition, this paper only analyses the influence of precast concrete height, reinforcement ratio, and concrete material on the flexural behaviour of specified-density concrete composite beams. The flexural performance of beams under different pre-stress levels and the shear performance of beams with different shear span-depth ratios will be studied later.

Author Contributions

Conceptualization, Y.L.; methodology, Y.L. and X.S. validation, X.S., X.F. and H.M.; formal analysis, X.H.; investigation, X.S. and X.H.; resources, Y.L.; data curation, X.F.; writing—original draft preparation, X.S.; writing—review and editing, Y.L.; visualization, X.F.; supervision, Y.L.; project administration, Y.L.; funding acquisition, Y.L. All authors have read and agreed to the published version of the manuscript.

Funding

This research was funded by the National Natural Science Foundation of China (grant number 51878590) and Ministry of Housing and Urban-Rural Development of China Research Project (Project No. 2017-K9-010).

Institutional Review Board Statement

Not applicable.

Informed Consent Statement

Not applicable.

Data Availability Statement

The data presented in this study are available on request from the corresponding author.

Conflicts of Interest

The authors declare no conflict of interest.

References

  1. JGJ 51-2002; Technical Specification for Lightweight Aggregate Concrete. Architecture & Building Press: Beijing, China, 2002. Available online: https://www.renrendoc.com/p-17054280.html (accessed on 1 August 2022).
  2. Song, P.; Ding, J.; Guo, Y. Shrinkage of High Strength Lightweight Aggregate Concrete and Factors Influencing It. J. Build. Mater. 2004, 2, 138–144. (In Chinese). Available online: https://kns.cnki.net/kcms/detail/detail.aspx?FileName=JZCX200402003&DbName=CJFQ2004 (accessed on 1 July 2022).
  3. Bentur, A.; Igarashi, S.; Kovler, K. Prevention of autogenous shrinkage in high-strength concrete by internal curing using wet lightweight aggregates. Cem. Concr. Res. 2001, 31, 1587–1591. [Google Scholar] [CrossRef]
  4. Zhutovsky, S.; Kovler, K.; Bentur, A. Influence of cement paste matrix properties on the autogenous curing of high-performance concrete. Cem. Concr. Compos. 2004, 26, 499–507. [Google Scholar] [CrossRef]
  5. Shafigh, P.; Chai, L.J.; Bin Mahmud, H.; Nomeli, M.A. A comparison study of the fresh and hardened properties of normal weight and lightweight aggregate concretes. J. Build. Eng. 2018, 15, 252–260. [Google Scholar] [CrossRef]
  6. Okuyucu, D.; Turanli, L.; Uzal, B.; Tankut, T. Some characteristics of fibre-reinforced semi-lightweight concrete with unexpanded perlite. Mag. Concr. Res. 2011, 63, 837–846. [Google Scholar] [CrossRef]
  7. Nguyen, L.H.; Beaucour, A.L.; Ortola, S.; Noumowe, A. Influence of the volume fraction and the nature of fine lightweight aggregates on the thermal and mechanical properties. Constr. Build. Mater. 2014, 51, 121–132. [Google Scholar] [CrossRef]
  8. Abouhussien, A.A.; Hassan, A.A.A.; Ismail, M.K. Properties of semi-lightweight self-consolidating concrete containing lightweight slag aggregate. Constr. Build. Mater. 2015, 75, 63–67. [Google Scholar] [CrossRef]
  9. Malešev, M.; Radonjanin, V.; Lukić, I.; Bulatović, V. The Effect of Aggregate, Type and Quantity of Cement on Modulus of Elasticity of Lightweight Aggregate Concrete. Arab. J. Sci. Eng. 2014, 39, 705–711. [Google Scholar] [CrossRef]
  10. Kumar, R.; Srivastava, A.; Lakhani, R. Industrial wastes-cum-Strength enhancing additives incorporated lightweight aggregate concrete (LWAC) for energy efficient building: A comprehensive review. Sustainability 2022, 14, 331. [Google Scholar] [CrossRef]
  11. Murat, E.D.; Hakan, N.A.; Cengiz, Ş. A comparison of strength and elastic properties between conventional and lightweight structural concretes designed with expanded clay aggregates. Constr. Build. Mater. 2015, 101, 260–267. [Google Scholar] [CrossRef]
  12. Sajedi, F.; Shafigh, P. High-Strength Lightweight Concrete Using Leca, Silica Fume, and Limestone. Oct. Arab. J. Sci. Eng. 2012, 37, 1885–1893. [Google Scholar] [CrossRef]
  13. Bing, H.; Tian-Yu, X. Axial compressive stress-strain relation and Poisson effect of structural lightweight aggregate concrete. Constr. Build. Mater. 2017, 146, 338–343. [Google Scholar] [CrossRef]
  14. Meng, J.; Xu, Z.; Liu, Z.; Chen, S.; Wang, C.; Zhao, B.; Zhou, A. Experimental Study on the Mechanics and Impact Resistance of Multiphase Lightweight Aggregate Concrete. Sustainability 2022, 14, 9606. [Google Scholar] [CrossRef]
  15. Aslam, M.; Shafigh, P.; Nomeli, M.A.; Jumaat, M.Z. Manufacturing of high-strength lightweight aggregate concrete using blended coarse lightweight aggregates. J. Build. Eng. 2017, 13, 53–62. [Google Scholar] [CrossRef]
  16. Chen, H.J.; Wu, K.C.; Tang, C.W.; Huang, C.H. Engineering Properties of Self-Consolidating Lightweight Aggregate Concrete and Its Application in Prestressed Concrete Members. Sustainability 2018, 10, 142. [Google Scholar] [CrossRef]
  17. Korkmaz, H.H.; Dere, Y.; Özkılıç, Y.O.; Bozkurt, M.B.; Ecemiş, A.S.; Özdoner, N. Excessive snow induced steel roof failures in Turkey. Eng. Fail. Anal. 2022, 141, 106661. [Google Scholar] [CrossRef]
  18. Guo, Z. Mechanical Properties of Concrete Materials and Components at Room Temperature and High Temperature; Tsinghua University Press: Beijing, China, 2006; pp. 63–89. (In Chinese) [Google Scholar]
  19. Wang, Y.; Ou, J. Fundamental mechanical behavior of innovatively designed hybrid FRP concrete beams. Xi’an Univ. Arch. Tech. 2006, 38, 455–462. (In Chinese). Available online: https://kns.cnki.net/kcms/detail/detail.aspx?FileName=XAJZ200604002&DbName=CJFQ2006 (accessed on 1 June 2022).
  20. Ji, W.; Li, W.; Wang, J. Experiment alanalysis on flexural ductility of prestressed RPC-NC composite beam. J. Harbin Inst. Technol. 2017, 49, 21–27. (In Chinese). Available online: https://kns.cnki.net/kcms/detail/23.1235.T.20170508.1446.008.html (accessed on 1 July 2022).
  21. Hussein, L.; Amleh, L. Structural behavior of ultra-high performance fiber reinforced concrete-normal strength concrete or high strength concrete composite members. Constr. Build. Mater. 2015, 93, 1105–1116. [Google Scholar] [CrossRef]
  22. Zhang, Y.; Li, X.; Zhu, Y.; Shao, X. Experimental study on flexural behavior of damaged reinforced concrete (RC) beam strengthened by toughness-improved ultra-high performance concrete (UHPC) layer. Compos. Part B Eng. 2020, 186, 107834. [Google Scholar] [CrossRef]
  23. Turker, K.; Torun, I.B. Flexural performance of highly reinforced composite beams with ultra-high performance fiber reinforced concrete layer. Eng. Struct. 2020, 219, 11072. [Google Scholar] [CrossRef]
  24. Kim, Y.Y.; Lee, B.Y.; Bang, J.W. Flexural performance of reinforced concrete beams strengthened with strain-hardening cementitious composite and high strength reinforcing steel bar. Compos. Part B Eng. 2014, 56, 512–519. [Google Scholar] [CrossRef]
  25. Zhang, Y. Simplified method for evaluating the behavior of strain hardening cementitious composite flexural strengthening reinforced concrete members. Eng. Fract. Mech. 2014, 121, 11–27. [Google Scholar] [CrossRef]
  26. Xiong, X.; Xiao, Q. Research on the first-loading sensibility of composite beams with hybrid prestressed tendons. Build. Struct. 2018, 48, 46–51. (In Chinese) [Google Scholar]
  27. Wu, F.; Huang, H.; Zhou, X. Experimental study on flexural behavior of prestressed precast component composite beams. J. Build. Struct. 2011, 32, 107–115. (In Chinese) [Google Scholar]
  28. Li, S.P.; Chen, W.J.; Zhang, Y.B. Flexural behavior of precast, prestressed, lightweight aggregate concrete-conventional concrete composite beams. Constr. Build. Mater. 2021, 274, 121926. [Google Scholar] [CrossRef]
  29. GB 50010-2010; Code for Design of Concrete Structures. Architecture & Building Press: Beijing, China, 2015. Available online: https://www.doc88.com/p-697103196671.html?r=1 (accessed on 12 July 2022).
Figure 1. Test beam.
Figure 1. Test beam.
Sustainability 14 14727 g001
Figure 2. 1-1 section details; (a) specimen DHL-1; (b) specimen DHL-2; (c) specimen DHL-3; (d) specimen DHL-4; (e) specimen DHL-5; (f) specimen DHL-6; (g) specimen ZJL.
Figure 2. 1-1 section details; (a) specimen DHL-1; (b) specimen DHL-2; (c) specimen DHL-3; (d) specimen DHL-4; (e) specimen DHL-5; (f) specimen DHL-6; (g) specimen ZJL.
Sustainability 14 14727 g002aSustainability 14 14727 g002b
Figure 3. Measuring-device arrangement of the specimen.
Figure 3. Measuring-device arrangement of the specimen.
Sustainability 14 14727 g003
Figure 4. Beam-test setup.
Figure 4. Beam-test setup.
Sustainability 14 14727 g004
Figure 5. Comparison of the mid-span deflection curves of each specimen; (a) Load–deflection curves under different precast concrete heights for specimens DHL-1,DHL-2, and DHL-3; (b) load–deflection curves under different reinforcement ratios for specimens DHL-2,DHL-4, and DHL-5; (c) load–deflection curve of the composite beams of specified-density concrete and ordinary concrete; (d) load–deflection curve of the specified-density concrete composite beam and integral cast-in-place beam.
Figure 5. Comparison of the mid-span deflection curves of each specimen; (a) Load–deflection curves under different precast concrete heights for specimens DHL-1,DHL-2, and DHL-3; (b) load–deflection curves under different reinforcement ratios for specimens DHL-2,DHL-4, and DHL-5; (c) load–deflection curve of the composite beams of specified-density concrete and ordinary concrete; (d) load–deflection curve of the specified-density concrete composite beam and integral cast-in-place beam.
Sustainability 14 14727 g005
Figure 6. Destruction pattern and crack chart of each specimen; (a) specimen DHL−1; (b) specimen DHL−2; (c) specimen DHL−3; (d) specimen DHL−4; (e) specimen DHL−5; (f) specimen DHL−6; (g) specimen ZJL.
Figure 6. Destruction pattern and crack chart of each specimen; (a) specimen DHL−1; (b) specimen DHL−2; (c) specimen DHL−3; (d) specimen DHL−4; (e) specimen DHL−5; (f) specimen DHL−6; (g) specimen ZJL.
Sustainability 14 14727 g006aSustainability 14 14727 g006b
Figure 7. Strain curve of the specimens along the height of the section; (a) specimen DHL−1; (b) specimen DHL−2; (c) specimen DHL−3; (d) specimen DHL−4; (e) specimen DHL−5; (f) specimen DHL−6; (g) specimen ZJL.
Figure 7. Strain curve of the specimens along the height of the section; (a) specimen DHL−1; (b) specimen DHL−2; (c) specimen DHL−3; (d) specimen DHL−4; (e) specimen DHL−5; (f) specimen DHL−6; (g) specimen ZJL.
Sustainability 14 14727 g007aSustainability 14 14727 g007b
Table 1. Mix proportion of C40-grade concrete.
Table 1. Mix proportion of C40-grade concrete.
SpeciesWater
kg/m3
Cement
kg/m3
Sand
kg/m3
Stone
kg/m3
Fly Ash
kg/m3
Steel Slag
kg/m3
Ceramsite
kg/m3
Bulk Density
kg/m3
Specified density concrete13628076482655551052221
Ordinary concrete1202807491121595902388
Table 2. Mechanical properties of concrete.
Table 2. Mechanical properties of concrete.
SpeciesLocationfcu/MPafc/MPaft/MPaEc/(N/mm2)
ValueS.D.ValueS.D.ValueS.D.ValueS.D.
Ordinary concretePrecast49.21.9543.31.474.060.21367191215.5
Cast-in-place46.71.7240.61.733.80.17364101311.2
Specified density concretePrecast40.92.2335.51.673.570.22353211419.6
Cast-in-place44.41.9138.71.853.60.31357411547.8
Note: S.D. indicates the standard deviation.
Table 3. Mechanical properties of the reinforcing bar.
Table 3. Mechanical properties of the reinforcing bar.
Rebar Diameter/mmSteel Gradefy/MPafu/MPaEs/(kN/mm2)
ValueS.D.ValueS.D.ValueS.D.
18HRB400E42012.459524.52000.9
20HRB400E44511.262020.62000.7
22HRB400E44011.462026.32000.8
4.8Prestressed wire1260.634.2148346.82050.8
Table 4. Test matrix of the concrete composite beams.
Table 4. Test matrix of the concrete composite beams.
Specimen NumberConcrete
Type
Precast Concrete Height/mmHooped ReinforcementSupplementary ReinforcementTensile BarPrestressing WireReinforcement Ratio
DHL-1Specified-density concrete100C6@802C82C182AH4.81.37%
DHL-2Specified-density concrete150C6@802C82C182AH4.81.37%
DHL-3Specified-density concrete200C6@802C82C182AH4.81.37%
DHL-4Specified-density concrete150C6@802C82C202AH4.81.62%
DHL-5Specified-density concrete150C6@802C82C222AH4.81.92%
DHL-6Ordinary concrete150C6@802C82C182AH4.81.37%
ZJLSpecified-density concrete0C6@802C82C182AH4.81.37%
Table 5. Cracking, yielding, and ultimate load values for each specimen.
Table 5. Cracking, yielding, and ultimate load values for each specimen.
Specimen NumberCracking Load/kNYielding Load/kNUltimate Load/kN
DHL-127.9144.1153.2
DHL-228.2142.3151.3
DHL-328.6143.3149.7
DHL-430.5173.8181.2
DHL-529.7205.2205.2
DHL-633.4146.5156.7
ZJL28.3142.8153.7
Table 6. Sectional ductility coefficient of the test beams.
Table 6. Sectional ductility coefficient of the test beams.
Specimen Numberfy/mmfu/mmfk/mmµ
DHL-19.2220.466.062.22
DHL-29.3320.646.402.21
DHL-39.1820.167.022.20
DHL-410.1521.587.802.13
DHL-511.0722.687.922.05
DHL-610.3624.256.302.34
ZJL8.8320.155.912.28
Table 7. Comparison of theoretical and measured cracking load and ultimate load.
Table 7. Comparison of theoretical and measured cracking load and ultimate load.
Specimen NumberCracking Load/kNUltimate Load/kN
Measured ValueTheoretical ValueMeasured ValueTheoretical Value
DHL-127.928.5153.2156.2
DHL-228.228.5151.3156.2
DHL-328.628.5149.7156.2
DHL-430.527.1181.2191.3
DHL-529.725.8205.2218.7
DHL-633.433.2156.7157.1
ZJL28.328.5153.7155.4
Table 8. Comparison of the measured stiffness and theoretical stiffness before and after cracking of each specimen.
Table 8. Comparison of the measured stiffness and theoretical stiffness before and after cracking of each specimen.
Specimen NumberStiffness before Cracking/(N·mm2)Post-Cracking Stiffness/(N·mm2)
Measured StiffnessTheoretical StiffnessMeasured StiffnessTheoretical Stiffness
DHL-19.87 × 10121.11 × 10134.44 × 10124.48 × 1012
DHL-29.89 × 10121.11 × 10134.32 × 10124.48 × 1012
DHL-39.83 × 10121.11 × 10134.26 × 10124.48 × 1012
DHL-41.03 × 10131.13 × 10134.93 × 10125.08 × 1012
DHL-51.08 × 10131.15 × 10135.01 × 10125.88 × 1012
DHL-61.07 × 10131.14 × 10134.96 × 10124.82 × 1012
ZJL1.04 × 10131.11 × 10134.55 × 10124.48 × 1012
Table 9. Comparison between the calculated and measured values of the crack spacing.
Table 9. Comparison between the calculated and measured values of the crack spacing.
Specimen NumberMeasured Value of the Average Distance (cm)Calculated Value of the Average Distance (cm)Measured Value/
Calculated Value
DHL-19.899.291.06
DHL-29.889.291.06
DHL-39.969.291.07
DHL-49.448.711.08
DHL-59.168.471.08
DHL-610.119.291.09
ZJL9.779.291.05
Publisher’s Note: MDPI stays neutral with regard to jurisdictional claims in published maps and institutional affiliations.

Share and Cite

MDPI and ACS Style

Song, X.; Liu, Y.; Fu, X.; Ma, H.; Hu, X. Experimental Study on Flexural Behaviour of Prestressed Specified Density Concrete Composite Beams. Sustainability 2022, 14, 14727. https://doi.org/10.3390/su142214727

AMA Style

Song X, Liu Y, Fu X, Ma H, Hu X. Experimental Study on Flexural Behaviour of Prestressed Specified Density Concrete Composite Beams. Sustainability. 2022; 14(22):14727. https://doi.org/10.3390/su142214727

Chicago/Turabian Style

Song, Xingyu, Yan Liu, Xiaodong Fu, Hongwei Ma, and Xiaolun Hu. 2022. "Experimental Study on Flexural Behaviour of Prestressed Specified Density Concrete Composite Beams" Sustainability 14, no. 22: 14727. https://doi.org/10.3390/su142214727

APA Style

Song, X., Liu, Y., Fu, X., Ma, H., & Hu, X. (2022). Experimental Study on Flexural Behaviour of Prestressed Specified Density Concrete Composite Beams. Sustainability, 14(22), 14727. https://doi.org/10.3390/su142214727

Note that from the first issue of 2016, this journal uses article numbers instead of page numbers. See further details here.

Article Metrics

Back to TopTop