Nonlinear Modelling and Control of a Power Smoothing System for a Novel Wave Energy Converter Prototype
Abstract
1. Motivation and Problem Statement
2. Electrical System of the Wave Energy Converter
2.1. Generator Units
2.2. Supercapacitor Bank
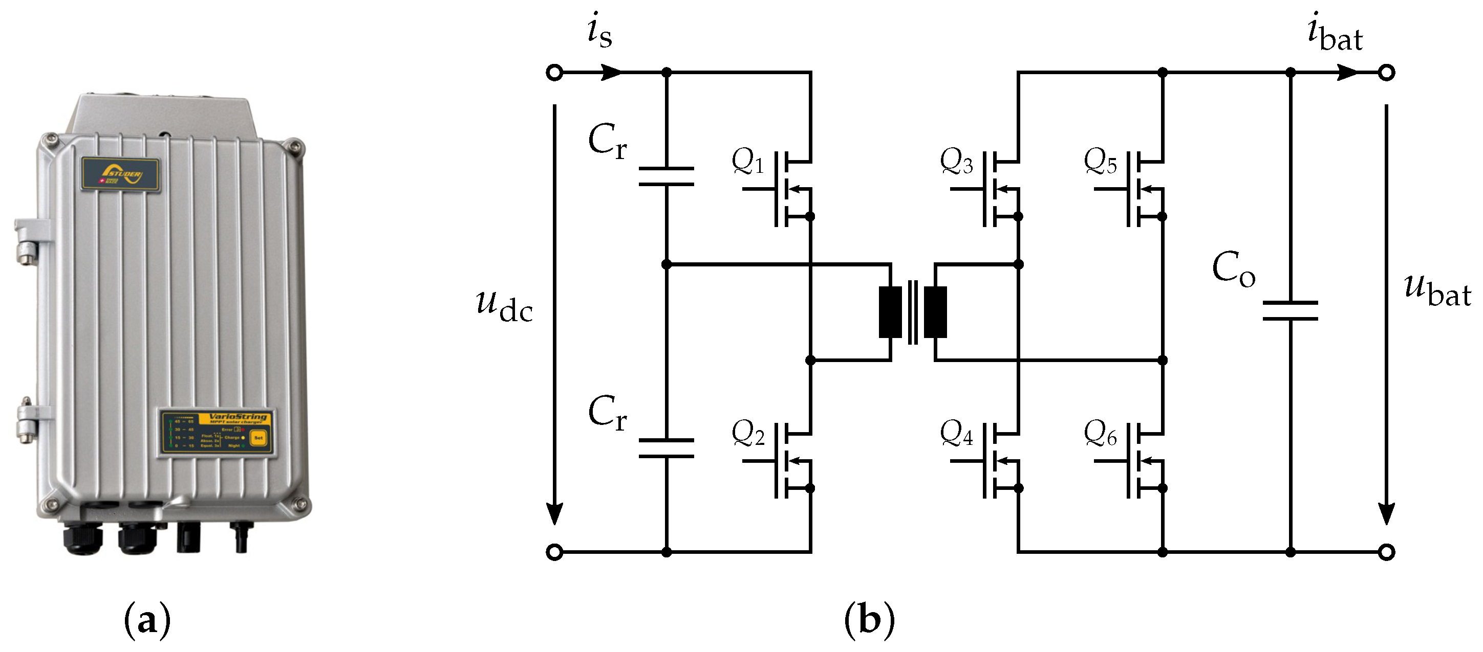
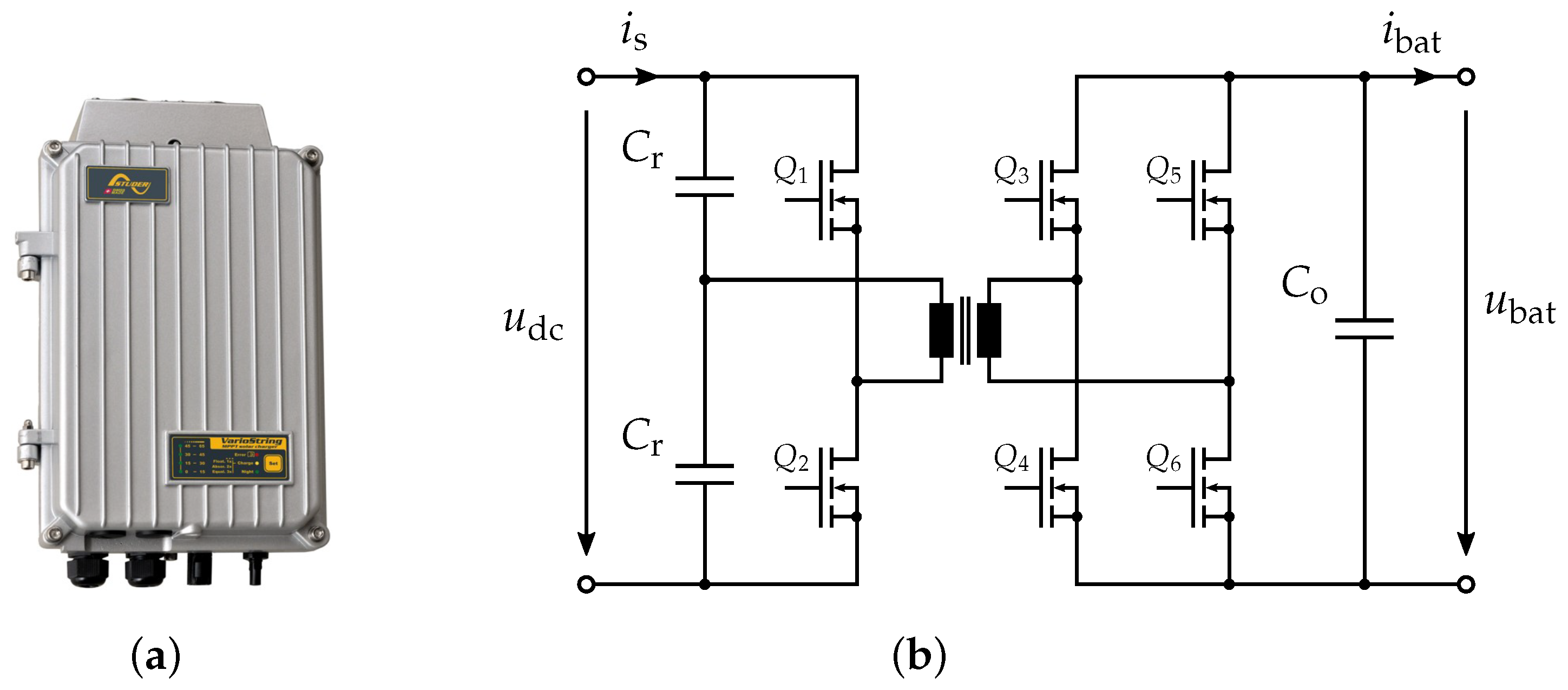
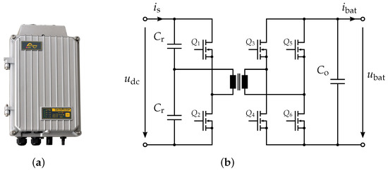
2.3. DC/DC Converter
3. Control of the DC-Link
4. Stability Analysis
- (i)
- all coefficients are positive (i.e., for ) and
- (ii)
- all leading principal minors of the Hurwitz matrix are positive.
5. Results
6. Conclusions
Author Contributions
Funding
Institutional Review Board Statement
Informed Consent Statement
Data Availability Statement
Conflicts of Interest
Nomenclature
| natural and real numbers | |
| column vector, (where means “is defined as” and means “transposed”) | |
| Eucilidean norm of | |
| real matrix with n rows and m columns, n, | |
| zero matrix | |
| identity matrix | |
| reference value of e.g., voltage, current and power | |
| nominal value of e.g., voltage, current and power | |
| maximum value of e.g., voltage, current and power | |
| minimum value of e.g., voltage, current and power | |
| average value of e.g., voltage, current and power | |
| DC-link voltage | |
| battery voltage and current | |
| current and power from the generator units | |
| current and power flowing into the DC/DC converter | |
| quantity, representing the integral action of the PI-controller | |
| C | capacitance of the supercapacitor bank |
| equivalent series resistors (ESR) of the supercapacitor bank | |
| voltage and current of the capacitance | |
| voltage and power of the ESR | |
| stored energy in the supercapacitor bank | |
| time constant of the current dynamics of the DC/DC converter | |
| time constant of the low pass filter to filter | |
| parameter of the PI-controller | |
| restoring current, factor and frequency | |
| quantity vector of the operation point |
References
- Pecher, A.; Kofoed, J. Handbook of Ocean Wave Energy; Springer: Cham, Switzerland, 2017. [Google Scholar] [CrossRef]
- Kempener, R.; Neumann, F. Ocean Energy Technology Brief; Technical Report; IRENA—International Renewable Energy Agency: Abu Dhabi, United Arab Emirates, 2014. [Google Scholar]
- Mørk, G.; Barstow, S.; Kabuth, A.; Teresa Pontes, M. Assessing the Global Wave Energy Potential. In Proceedings of the 29th International Conference on Ocean, Offshore Mechanics and Arctic, Shanghai, China, 6–11 June 2010; Volume 3. [Google Scholar] [CrossRef]
- Reguero, B.G.; Losada, I.J.; Méndez, F.J. A global wave power resource and its seasonal, interannual and long-term variability. Appl. Energy 2015, 148, 366–380. [Google Scholar] [CrossRef]
- Fairley, I.; Lewis, M.; Robertson, B.; Hemer, M.; Masters, I.; Horrillo-Caraballo, J.; Karunarathna, H.; Reeve, D.E. A classification system for global wave energy resources based on multivariate clustering. Appl. Energy 2020, 262, 114515. [Google Scholar] [CrossRef]
- Yetkin, M.; Kalidoss, S.; Curtis, F.E.; Snyder, L.V.; Banerjee, A. Practical optimal control of a wave-energy converter in regular wave environments. Renew. Energy 2021, 171, 1382–1394. [Google Scholar] [CrossRef]
- Rahm, M.; Svensson, O.; Bostrom, C.; Waters, R.; Leijon, M. Experimental results from the operation of aggregated wave energy converters. IET Renew. Power Gener. 2012, 6, 149–160. [Google Scholar] [CrossRef]
- Sjolte, J.; Tjensvoll, G.; Molinas, M. Power Collection from Wave Energy Farms. Appl. Sci. 2013, 3, 420–436. [Google Scholar] [CrossRef]
- Bailey, H.; Robertson, B.; Ortiz, J.; Buckham, B. Stochastic Methods to Predict WEC Array Power for Grid Integration. In Proceedings of the 11th European Wave and Tidal Energy Conference, Nantes, France, 6–11 September 2015. [Google Scholar]
- Göteman, M.; Engström, J.; Eriksson, M.; Isberg, J.; Leijon, M. Methods of reducing power fluctuations in wave energy parks. J. Renew. Sustain. Energy 2014, 6, 043103. [Google Scholar] [CrossRef]
- Astariz, S.; Iglesias, G. Output power smoothing and reduced downtime period by combined wind and wave energy farms. Energy 2016, 97, 69–81. [Google Scholar] [CrossRef]
- Veigas, M.; Iglesias, G. A Hybrid Wave-Wind Offshore Farm for an Island. Int. J. Green Energy 2015, 12, 570–576. [Google Scholar] [CrossRef]
- Gao, Q.; Ding, B.; Ertugrul, N.; Li, Y. Impacts of mechanical energy storage on power generation in wave energy converters for future integration with offshore wind turbine. Ocean Eng. 2022, 261, 112136. [Google Scholar] [CrossRef]
- Santos, M.; Salcedo, F.; Haim, D.B.; Mendia, J.L.; Ricci, P.; Villate, J.; Khan, J.; Leon, D.; Arabi, S.; Moshref, A.; et al. Integrating Wave and Tidal Current Power: Case Studies through Modelling and Simulation; Research Report Document No: T0331; International Energy Agency Implementing Agreement on Ocean Energy Systems: Paris, France, 2011. [Google Scholar]
- Blavette, A.; O’Sullivan, D.L.; Lewis, A.W.; Egan, M.G. Impact of a wave farm on its local grid: Voltage limits, flicker level and power fluctuations. In Proceedings of the 2012 Oceans-Yeosu, Yeosu, Korea, 21–24 May 2012; pp. 1–9. [Google Scholar] [CrossRef]
- Murray, D.B.; Egan, M.G.; Hayes, J.G.; O’Sullivan, D.L. Applications of Supercapacitor Energy Storage for a Wave Energy Converter System. In Proceedings of the 8th European Wave and Tidal Energy Conference, Uppsala, Sweden, 7–11 September 2009. [Google Scholar]
- Barelli, L.; Bidini, G.; Ciupageanu, D.; Ottaviano, A.; Pelosi, D.; Gallorini, F.; Alessandri, G.; Atcheson Cruz, M. An effective solution to boost generation from waves: Benefits of a hybrid energy storage system integration to wave energy converter in grid-connected systems. Open Res. Eur. 2022, 2, 40. [Google Scholar] [CrossRef]
- Glavin, M.E.; Chan, P.K.W.; Armstrong, S.; Hurley, W.G. A stand-alone photovoltaic supercapacitor battery hybrid energy storage system. In Proceedings of the 2008 13th International Power Electronics and Motion Control Conference, Poznan, Poland, 1–3 September 2008; pp. 1688–1695. [Google Scholar] [CrossRef]
- Burke, A. Ultracapacitors: Why, how, and where is the technology. J. Power Sources 2000, 91, 37–50. [Google Scholar] [CrossRef]
- Lijun Gao, R.A.D.; Liu, S. Power Enhancement of an Actively Controlled Battery/Ultracapacitor Hybrid. IEEE Trans. Power Electron. 2005, 20, 236–243. [Google Scholar] [CrossRef]
- Abbey, C.; Joos, G. Supercapacitor Energy Storage for Wind Energy Applications. IEEE Trans. Ind. Appl. 2007, 43, 769–776. [Google Scholar] [CrossRef]
- Li, W.; Joos, G.; Abbey, C. A Parallel Bidirectional DC/DC Converter Topology for Energy Storage Systems in Wind Applications. In Proceedings of the 2007 IEEE Industry Applications Annual Meeting, New Orleans, LA, USA, 23–27 September 2007; pp. 179–185. [Google Scholar] [CrossRef]
- Falcão, A.O. Control of an oscillating-water-column wave power plant for maximum energy production. Appl. Ocean Res. 2002, 24, 73–82. [Google Scholar] [CrossRef]
- Yoshida, T.; Sanada, M.; Morimoto, S.; Inoue, Y. Study of Flywheel Energy Storage System for Power Leveling of Wave Power Generation System. In Proceedings of the 2012 15th International Conference on Electrical Machines and Systems (ICEMS), Sapporo, Japan, 21–24 October 2012; pp. 1–5. [Google Scholar]
- Nie, Z.; Xiao, X.; Kang, Q.; Aggarwal, R.; Zhang, H.; Yuan, W. SMES-Battery Energy Storage System for Conditioning Outputs From Direct Drive Linear Wave Energy Converters. IEEE Trans. Appl. Supercond. 2013, 23, 5000705. [Google Scholar] [CrossRef]
- Zhou, Z.; Benbouzid, M.; Charpentier, J.F.; Scuiller, F.; Tang, T. A review of energy storage technologies for marine current energy systems. Renew. Sustain. Energy Rev. 2013, 18, 390–400. [Google Scholar] [CrossRef]
- Aubry, J.; Bydlowski, P.; Multon, B.; BEN AHMED, H.; Borgarino, B. Energy Storage System Sizing for Smoothing Power Generation of Direct Wave Energy Converters. In Proceedings of the 3rd International Conference on Ocean Energy, Bilbao, Spain, 6 October 2010; ISBN 978-84-693-5467-4. [Google Scholar]
- Moreno-Torres, P.; Blanco, M.; Navarro, G.; Lafoz, M. Power Smoothing System for Wave Energy Converters by means of a Supercapacitor-Based Energy Storage System. In Proceedings of the 17th European Conference on Power Electronics and Applications (EPE’15 ECCE-Europe), Geneva, Switzerland, 8–10 September 2015; pp. 1–9. [Google Scholar] [CrossRef]
- Nie, Z.; Xiao, X.; Hiralal, P.; Huang, X.; McMahon, R.; Zhang, M.; Yuan, W. Designing and Testing Composite Energy Storage Systems for Regulating the Outputs of Linear Wave Energy Converters. Energies 2017, 10, 114. [Google Scholar] [CrossRef]
- Rajapakse, G.; Jayasinghe, S.; Fleming, A.; Negnevitsky, M. Grid Integration and Power Smoothing of an Oscillating Water Column Wave Energy Converter. Energies 2018, 11, 1871. [Google Scholar] [CrossRef]
- Navarro, G.; Blanco, M.; Torres, J.; Nájera, J.; Santiago, A.; Santos-Herran, M.; Ramírez, D.; Lafoz, M. Dimensioning Methodology of an Energy Storage System Based on Supercapacitors for Grid Code Compliance of a Wave Power Plant. Energies 2021, 14, 985. [Google Scholar] [CrossRef]
- Masuda, A.; Goto, H. Control Strategy for Power Smoothing Converter with Energy Storage for Maximum Power Controlled Wave Energy Converter. In Proceedings of the 2021 10th International Conference on Renewable Energy Research and Application (ICRERA), Ankara, Turkey, 26–29 September 2021; pp. 235–238. [Google Scholar] [CrossRef]
- Krüner, S.; Hackl, C.M. Experimental Identification of the Optimal Current Vectors for a Permanent-Magnet Synchronous Machine in Wave Energy Converters. Energies 2019, 12, 862. [Google Scholar] [CrossRef]
- Maxwell Technologies. BC Series Ultracapacitors-BCAP0350. Datasheet. Available online: https://maxwell.com/products/ultracapacitors/cells/ (accessed on 18 October 2022).
- Linzen, D.; Buller, S.; Karden, E.; De Doncker, R.W. Analysis and Evaluation of Charge-Balancing Circuits on Performance, Reliability, and Lifetime of Supercapacitor Systems. IEEE Trans. Ind. Appl. 2005, 41, 1135–1141. [Google Scholar] [CrossRef]
- Diab, Y.; Venet, P.; Rojat, G. Comparison of the Different Circuits Used for Balancing the Voltage of Supercapacitors: Studying Performance and Lifetime of Supercapacitors. ESSCAP; HAL: Lausanne, Switzerland, 2006. [Google Scholar]
- Shi, L.; Crow, M.L. Comparison of Ultracapacitor Electric Circuit Models. In Proceedings of the 2008 IEEE Power and Energy Society General Meeting—Conversion and Delivery of Electrical Energy in the 21st Century, Pittsburgh, PA, USA, 20–24 July 2008; pp. 1–6. [Google Scholar] [CrossRef]
- Fletcher, S.; Kirkpatrick, I.; Dring, R.; Puttock, R.; Thring, R.; Howroyd, S. The modelling of carbon-based supercapacitors: Distributions of time constants and Pascal Equivalent Circuits. J. Power Sources 2017, 345, 247–253. [Google Scholar] [CrossRef]
- Daratha, N.; Polinder, H.; de Sousa Prado, M. A first-order energy storage requirements estimation for an Archimedes Wave Swing Park. In Proceedings of the 2008 IEEE International Conference on Sustainable Energy Technologies, Singapore, 24–27 November 2008; pp. 1161–1165. [Google Scholar] [CrossRef]
- Wu, E.; Knight, A.M. Considerations for sizing energy storage technologies in wave energy systems. In Proceedings of the 2017 20th International Conference on Electrical Machines and Systems (ICEMS), Sydney, Australia, 11–14 August 2017; pp. 1–6. [Google Scholar] [CrossRef]
- Di Domenico, F.; Steiner, A.; Catly, J. Design of a 600 W HB LLC Conver ter Using 600 V CoolMOSTM P6; Technical Report; Infinion: Singapore, 2015. [Google Scholar]
- Studer Innotec. VarioString VS-70. Datasheet. Available online: https://www.studer-innotec.com/de/produkt-details/variostring-reihe/vs-70-313 (accessed on 18 October 2022).
- IEEE Std 1561-2019 (Revision of IEEE Std 1561-2007); IEEE Guide for Optimizing the Performance and Life of Lead-Acid Batteries in Remote Hybrid Power Systems. IEEE: New York, NY, USA, 2019; pp. 1–34. [CrossRef]
- Hackl, C.M. Non-identifier Based Adaptive Control in Mechatronics: Theory and Application; Springer International Publishing: Basel, Switzerland, 2017. [Google Scholar]
- Schröder, D.; Böcker, J. (Eds.) Elektrische Antriebe–Regelung von Antriebssystemen; Springer: Berlin/Heidelberg, Germany, 2020. [Google Scholar] [CrossRef]
- Ludyk, G. Theoretische Regelungstechnik 1; Springer: Berlin/Heidelberg, Germany, 1995. [Google Scholar]
- List, J.H. Wave groupiness variations in the nearshore. Coast. Eng. 1991, 15, 475–496. [Google Scholar] [CrossRef]






] and [
], where accounts for the worst-case.
] and [
], where accounts for the worst-case.
] and simulated [
] quantities of the DC-link control, with the rod position at the top, followed by the current and the smoothed current , the DC-link voltage and the power of the generator units and the smoothed power . The measured current and the power of the generator units are used as inputs for the simulation [
].
] and simulated [
] quantities of the DC-link control, with the rod position at the top, followed by the current and the smoothed current , the DC-link voltage and the power of the generator units and the smoothed power . The measured current and the power of the generator units are used as inputs for the simulation [
].
| Electrical Parameter | Symbol | Value |
|---|---|---|
| Rated Capacitance | ||
| Equivalent Series Resistor | ||
| Rated Voltage | ||
| Absolute Maximum Voltage | ||
| Absolute Maximum Current | ||
| Maximum Leakage Current |
| Electrical Parameter | Symbol | Value |
|---|---|---|
| Rated Capacitance | C | |
| Equivalent Series Resistor | ||
| Rated Voltage | ||
| Absolute Maximum Voltage | ||
| Absolute Maximum Current |
| Electrical Parameter | Symbol | Value |
|---|---|---|
| Maximum Input Power | ||
| Maximum Input Voltage | ||
| Maximum Input Current | ||
| Nominal Battery Voltages | ||
| Maximum Battery Current | ||
| Maximum Efficiency | >98% |
Publisher’s Note: MDPI stays neutral with regard to jurisdictional claims in published maps and institutional affiliations. |
© 2022 by the authors. Licensee MDPI, Basel, Switzerland. This article is an open access article distributed under the terms and conditions of the Creative Commons Attribution (CC BY) license (https://creativecommons.org/licenses/by/4.0/).
Share and Cite
Krüner, S.; Hackl, C.M. Nonlinear Modelling and Control of a Power Smoothing System for a Novel Wave Energy Converter Prototype. Sustainability 2022, 14, 13708. https://doi.org/10.3390/su142113708
Krüner S, Hackl CM. Nonlinear Modelling and Control of a Power Smoothing System for a Novel Wave Energy Converter Prototype. Sustainability. 2022; 14(21):13708. https://doi.org/10.3390/su142113708
Chicago/Turabian StyleKrüner, Simon, and Christoph M. Hackl. 2022. "Nonlinear Modelling and Control of a Power Smoothing System for a Novel Wave Energy Converter Prototype" Sustainability 14, no. 21: 13708. https://doi.org/10.3390/su142113708
APA StyleKrüner, S., & Hackl, C. M. (2022). Nonlinear Modelling and Control of a Power Smoothing System for a Novel Wave Energy Converter Prototype. Sustainability, 14(21), 13708. https://doi.org/10.3390/su142113708

