Next Article in Journal
Microalgae Cultivated under Magnetic Field Action: Insights of an Environmentally Sustainable Approach
Previous Article in Journal
Optical Properties and Gamma Radiation Shielding Capability of Transparent Barium Borosilicate Glass Composite
 
 
Font Type:
Arial Georgia Verdana
Font Size:
Aa Aa Aa
Line Spacing:
Column Width:
Background:
Article

Towards Maximizing Hosting Capacity by Optimal Planning of Active and Reactive Power Compensators and Voltage Regulators: Case Study

by
Ahmed M. Mahmoud
1,
Shady H. E. Abdel Aleem
2,*,
Almoataz Y. Abdelaziz
3 and
Mohamed Ezzat
1
1
Electrical Power and Machines Department, Faculty of Engineering, Ain Shams University, Cairo 11517, Egypt
2
Electrical Engineering Department, Valley Higher Institute of Engineering and Technology, Science Valley Academy, Qalyubia 44971, Egypt
3
Electrical Engineering Department, Faculty of Engineering and Technology, Future University in Egypt, Cairo 11835, Egypt
*
Author to whom correspondence should be addressed.
Sustainability 2022, 14(20), 13299; https://doi.org/10.3390/su142013299
Submission received: 26 September 2022 / Revised: 9 October 2022 / Accepted: 13 October 2022 / Published: 16 October 2022

Abstract

Improving the performance of distribution systems is one of the main objectives of power system operators. This can be done in several ways, such as network reconfiguration, system reinforcement, and the addition of different types of equipment, such as distributed generation (DG) units, shunt capacitor banks (CBs), and voltage regulators (VRs). In addition, the optimal use of renewable and sustainable energy sources (RSESs) has become crucial for meeting the increase in demand for electricity and reducing greenhouse gas emissions. This requires the development of techno-economic planning models that can measure to what extent modern power systems can host RSESs. This article applies a new optimization technique called RUN to increase hosting capacity (HC) for a rural Egyptian radial feeder system called the Egyptian Talla system (ETS). RUN relies on mathematical concepts and principles of the widely known Runge–Kutta (RK) method to get optimal locations and sizes of DGs, CBs, and VRs. Furthermore, this paper presents a cost-benefit analysis that includes fixed and operating costs of the compensators (DGs, CBs, and VRs), the benefits obtained by reducing the power purchased from the utility, and the active power loss. The current requirements of Egyptian electricity distribution companies are met in the formulated optimization problem to improve the HC of this rural system. Uncertain loading conditions are taken into account in this study. The main load demand clusters are obtained using the soft fuzzy C-means clustering approach according to load consumption patterns in this rural area. The introduced RUN optimization algorithm is used to solve the optimal coordination problem between DGs, CBs, and VRs. Excellent outcomes are obtained with a noteworthy reduction in the distribution network power losses, improvement in the system’s minimum voltage, and improvement of the loading capacity. Several case studies are investigated, and the results prove the efficiency of the introduced RUN-based methodology, in which the probabilistic HC of the system reaches 100% when allowing reverse power flow to the utility. In comparison, this becomes 49% when allowing reverse power to flow back to the utility.

1. Introduction

In 2022, renewable energy growth is accelerating as interest in climate change increases, in line with augmented technical, environmental, and social considerations and governance support. In this context, the demand for cleaner energy sources from most market sectors is accelerating. Fortunately, the penetration of renewable energy resources in radial distribution systems (RDSs) helps improve the performance of these systems [1,2]. Optimal allocation (i.e., location and size) of multiple centralized/decentralized renewable energy resources at different buses of the system can give numerous benefits [3], such as reducing the system power losses and peak power requirements, boosting the voltage profile, ancillary services provisioning, deferring the upgrading process of distribution system lines/cables, and enhancing the system reliability [4,5]. Moreover, reactive power compensators such as capacitor banks (CBs), series compensators, shunt reactors, static VAR compensators (SVCs) [6], static synchronous compensators, and synchronous condensers can be added to these systems to enhance the voltage profile of nodes and improve the power factor of loads [7]. Voltage regulators (VRs) can also be an efficient solution to minimize voltage deviations in RDSs. The recent VR technologies provide significant advantages over traditional VR designs—electronic control with more advanced features to support innovative grid technologies and quick-drive tap changers that operate within only 10 s through 32 steps; this allows fast recovery from large voltage swings and power quality improvement.
Unfortunately, non-optimal integration of renewables and reactive power compensators may increase power system losses and cause thermal overloading and overvoltage problems, weaken systems’ power quality (PQ) and reliability [8], and trigger harmonic distortion problems by inverter-based distributed generation units, especially if feeding nonlinear loads.
Several studies have been conducted to solve these problems by quantifying the proper penetration of renewables in hosting capacity (HC) analysis frameworks. HC is an indicator for network operators of the available renewable capabilities, so that the power system can effectively make the best use of them. The HC border in the distribution network is an easy-to-calculate indicator, on scientific but reliable grounds, to decide where and when more renewables can be added to the system without surpassing the operational constraints [9,10]. In this context, several actions can enhance the HC of a system, such as (i) voltage control using on-load tap changers (OLTCs), which is considered an efficient way to control voltage profiles; (ii) reactive power control, which is regarded as one of the most efficient solutions to solve reactive power and voltage problems by adding external compensators such as CBs, static VAR compensators (SVCs), and others; (iii) active power control, in which active power curtailment techniques can be applied in centralized renewables-based power stations to control their output power by balancing the mismatch between power generation and consumption; and (iv) using energy storage systems to overcome the overvoltage problems from the high penetration of renewables. The proper planning of energy storage units can postpone the upgrading process of modern distribution systems: (v) reinforcing and/or reconfiguring power system networks in planning stages can also accommodate high HC levels, and (vi) harmonic management can be used to minimize harmonic distortion, as the nonlinearity degree of loads can impact the targeted HC level. It should be mentioned that more than one solution can be applied to make the best use of renewables and to get the highest possible HC.
Distribution networks connect high-voltage transmission systems to low-voltage customers. RDSs have a simple design and construction and cheap cost advantages. Load growth in RDSs has a detrimental influence on power system quality, resulting in increased voltage variations, feeder overloading (increased values of branch currents), and increased power loss in systems not ready for it. Simultaneous allocation of distributed generation (DG) units, VRs, and reactive compensators can be an efficient solution to enhance the PQ of these deteriorated RDSs. In this regard, few studies have examined the optimal allocation of DGs, CBs, and VRs for maximizing the HC of deteriorated RDSs.
Many research studies have been conducted to allocate DGs and CBs simultaneously in RDSs in the literature [11,12,13,14]. In [11], the authors identified appropriate DG and CB locations, sizes, and types for small, isolated networks with nonlinear loads at the planning phase. In [12], the Manta ray foraging optimization technique manages the DGs and CBs allocation in RDSs for reducing energy loss using appropriate data to meet customer expectations. The firefly and backtracking optimization techniques were used in [14] to solve the optimal coordination issue for DGs and CBs in RDSs for reducing power loss and enhancing the voltage magnitude of all buses. In [13], the authors suggested a multiobjective model with a two-stage fuzzy approach based on the grasshopper optimization algorithm for optimum allocation of DGs, CBs, and EV charging stations, while considering various technical PQ performance indicators.
Additionally, the problem of optimal coordination between DGs and VRs was addressed in [15,16,17] to decrease system losses, control and improve the voltage profile, and enhance voltage stability. In addition, the authors of [18] discussed using multi-agents (DGs, CBS/SVC, or VRs) to improve the performance of RDSs, while considering various PQ indices. However, HC analysis was not conducted in detail.
This article applies a new optimization technique to obtain optimal locations and sizes of DGs, CBs, and VRs to increase HC for a rural Egyptian radial feeder system called the Egyptian Talla system (ETS). A recently introduced RUN optimization technique is used to solve the desired allocation problem in two cases. The first case considers reverse power flow to the utility, while the second prevents reverse power flow in the feeder. RUN relies on mathematical concepts and principles of the widely known Runge–Kutta (RK) method. Furthermore, this paper presents a cost-benefit analysis (CBA) that includes fixed and operating costs of the compensators (DGs, CBs, and VRs) and the benefits obtained by enhancing the voltage stability of the system and reducing the active power loss, voltage deviation, loading capacity, and power purchased from the utility. The CBA can measure the benefits of a particular action for system operators and customers minus the costs of taking that action.
In addition, the current requirements of Egyptian electricity distribution companies were met in the formulated optimization problem to improve the HC of this rural system. Uncertain loading conditions were taken into account in this study. The main load demand clusters were obtained using the soft fuzzy C-means clustering approach according to load consumption patterns in this system.
The core contributions of this article are summarized in the following points:
  • A new optimization methodology is applied to obtain the optimal allocation of various units (DGs, CBs, and VRs) to maximize the HC in a real deteriorated Egyptian system, while taking into consideration load demand uncertainty.
  • A probabilistic HC planning model is proposed, increasing renewables penetration and meeting load demands in the studied system.
  • A CBA is introduced, considering the costs of all compensators (DGs, CBs, and VRs) and the benefits of decreasing the power losses and the total power purchased from the utility.
  • The simulation results validate the efficiency of solving the simultaneous allocation problem of DGs, CBs, and VRs, while complying with the considered linear and nonlinear constraints in an efficient techno-economical manner.
  • The simulation results show the proposed strategy’s efficiency in solving the optimal sizing and siting problem cost-effectively. The probabilistic HC of the system reaches 100% when allowing a reverse power flow to the utility. In comparison, this becomes 49% when not allowing the reverse power to flow back to the utility.
The rest of the paper is arranged as follows: Section 2 presents an overview of recent related HC studies. Section 3 illustrates the VR model and optimal load flow. Section 4 explains the system under study, the problem formulation, and the RUN optimization algorithm employed. Section 5 presents the obtained simulation results and their discussion. The conclusions derived from this study are provided in Section 6.

2. Related Works

The terminology “hosting capacity” (HC) is a relatively new concept that refers to the maximum penetration of DGs that a system can host without operational problems [19,20,21]. Figure 1 illustrates HC calculation using a generic performance index versus penetration level. The performance index is determined based on the issue in the power network.
Figure 2 shows the typical operational problems and HC enhancement solutions in modern RDSs. In the near past, conventional rules of thumb were used to decide on adding renewables. However, they were not widely used as the HC definition. Nowadays, HC determination can assess the addition of renewables reasonably. HC has been embedded in several well-known simulation software applications due to its importance, such as DIGSilent, CYME, EPRI (DRIVE), ETAP, and Siemens, as shown in Table 1. The reader can refer to [19,20,21] for more details about HC calculation.
SVCs were optimally designed using multi-stage stochastic optimization to allocate photovoltaic (PV) units [22]. An appropriately sized C-type harmonic filter enhanced the HC of a system operating under non-sinusoidal conditions in [23]. In [24], HC was analyzed for an 18-node practical distribution feeder using a decoupled harmonic power flow model, and it was found that by decentralizing the DG capacity, higher penetration levels could be obtained. In [25], the authors examined the influence of autonomous voltage control techniques on the PV-HC in LV distribution feeders. The operating strategies explored were based on the PV systems’ active and reactive power control capabilities and the capability of OLTCs. The authors of [26] examined the effect of reactive power management of the PV inverter on the PV-based HC of a distribution network. When a DG unit’s output power exceeds the load requirement, the excess electricity is returned to the grid. As a result, a voltage rise at the load bus may occur, potentially resulting in an overload at the adjacent feeder. In addition, the effects of tap locations of OLTCs and SVCs configurations were investigated.
Uncertainties of generation, load demand, and renewables are challenging to model and risky to manage in a deterministic way. The main difficulty is determining the appropriate solutions for calculating deviations of these parameters from their nominal values. The authors of [10] proposed an HC maximization approach considering different technical constraints, such as power flow equations and feeders’ maximum allowable voltages and currents, and economic conditions, such as the cost of energy procurement from the upstream network and power generation by renewable energy sources. The authors presented a stochastic multi-objective optimization model to maximize the HC and minimize the energy procurement costs in a power system integrated with wind systems. Shayani et al. [27] evaluated the influence of high PV penetration on electrical networks. The authors discovered that when DG penetration is substantial, the voltage rise and the continuous conductor maximum current are the primary indices that exceed the permitted limits. The authors concluded from their calculations that installing DG level between 1 and 2 p.u of the load power could be possible.
The authors of [28] provided an approach in which a multi-objective and multi-period optimization model was formulated, where the demand response is utilized as an effective tool to increase HC and decrease energy losses simultaneously. The authors of [29] developed a multi-objective bilevel optimization problem to optimize the HC that meets distribution system reconfiguration (DSR) and placement of soft opening points (SOP) for two real distribution systems, one with 59 nodes in Egypt and another with 83 nodes in Taiwan. The outcomes demonstrated the efficacy of DSR and SOP allocation to optimize the HC of the distribution systems. The authors of [30] proposed a maximum HC evaluation method, while considering the robust optimal operation of OLTCs and SVCs, as well as the uncertainty of DG power outputs and load demands. An actual 55-bus rural feeder in China was modeled to demonstrate the advantages of the proposed technique over the standard method and validate the value in PV-planning decision making for utilities. The sensitivity of interval-valued PV-HC to the number of Monte Carlo simulations was investigated. In this regard, uncertainty analysis has gained much attention in these works [31,32]. In [33], a stochastic optimization was devised for the best position of SVCs to enhance the penetration of solar PV energy, while accounting for renewables and load uncertainty.
The authors of [34] introduced an enhanced grey wolf algorithm (EGWA) for allocating DG units in coordination with capacitor banks and VRs. Load alteration was introduced via three-stepped load levels—light, shoulder, and peak demand—to minimize investment costs for the coordinated equipment while maximizing advantages gained from enhancing the voltage profile and loading capacity, reducing power loss and the amount of power imported from the utility. In addition, the authors of [35] proposed an optimal two-stage strategy for allocating SVC equipment in conjunction with fixed capacitors and distributed energy resources using EGWA. Several objectives were handled, including reducing the investment costs associated with installing new devices, the expenses related to grid power production, active power losses, and system voltage deviations, and enhancing power transfer capabilities by minimizing the load balancing index. However, HC analysis was not conducted.
This overview shows that the four main problematic issues are overvoltage, overloading and power loss complications, PQ issues, and protection problems [36,37], as shown in Figure 2. The HC approach gathers the technical restrictions implemented by operators and customers to guarantee that the power system runs satisfactorily. This means that the HC calculation is not static, with a single answer that relies on one performance metric. However, HC would be calculated for several performance indices, such as voltage and frequency variations, PQ, thermal overload capacity, system reliability and stability, and others. A detailed overview of HC—progresses, assessment practices, and enhanced technologies—is presented by Ismael et al. in [38]. The hands-on experience (rule-of-thumb) of distribution system operatives, PQ markets, and decisions from actual case studies are presented and discussed [38]. The authors in [39] also demonstrated a detailed analysis of HC theory and its influences on power networks, challenges, and solutions.
To conclude, the main focus of researchers is moving towards empowering distribution systems with highly penetrated renewables by unlocking the uncontrolled or the uncoordinated HC, while offering multi-functionality facilities to enhance it whenever possible. Finally, HC can be boosted by several methods: (a) using OLTCs to control the voltage profile (not included in this paper); (b) adding external compensators such as CBs, which provide reactive power control, which is regarded as one of the most effective solutions to solve reactive power and voltage problems (this method is included in the paper); (c) using VRs, which provide a better voltage profile and better branch current values so that both branch current values and bus voltage magnitudes are in the certain allowable limits (this method is provided in the paper, and it can be considered a novel way to improve the HC); and (d) using renewable-based DGs, which can improve the active power flow in the system (this method is included in the paper). Moreover, there are mainly two methods to improve the HC: the first is reconfiguring the distribution system, which is not applicable in our case, and the second is adding external compensators to the system (DGs, CBs, and VRs). We studied the effect of each compensator alone on the distribution system, but the best results were obtained by simultaneously using all these compensators.

3. Voltage Regulators and Optimal Load Flow

3.1. Voltage Regulator Model

Controlling the voltage is a crucial action in distribution systems. Because of load alteration, some controlling methods, such as step VRs and CBs, should be used to ensure that each customer’s voltage remains within its acceptable range. A step VR consists of an autotransformer and a mechanism to change the tapping position. The voltage is varied by changing the taps on the autotransformer’s series winding, in which a line drop compensator circuit determines the tapping position. The equivalent circuits of a VR in the raise and lower positions are depicted in Figure 3.
The voltage and current equations of the regulator in the raise position, Figure 3a, are expressed as follows:
E 1 N 1 = E 2 N 2
V S = E 1 E 2
V L = E 1
E 2 = ( N 2 N 1 ) E 1 = ( N 2 N 1 ) V L
V S = ( 1 N 2 N 1 )   V L
V S = a R ·   V L
a R = ( 1 N 2 N 1 )
The voltage equations of the regulator in the lower position, Figure 3b, are expressed as follows:
V S = E 1 + E 2
E 2 = ( N 2 N 1 ) , E 1 = ( N 2 N 1 ) V L
V S = ( 1 + N 2 N 1 ) × V L
V S = a R ·   V L ,   a R = ( 1 + N 2 N 1 )
where VS denotes the main source voltage, VL denotes the voltage of the load, and aR refers to the turns ratio of the VR, defined as a function of the turns ratio of the transformer. E1 and E2 are the voltage applied on N1 and N2, respectively. A reverse switch must be equipped to control the VR voltage in the range of ±10% of the specified voltage, often in 8, 16, or 32 steps. The 32-step is most commonly employed in substations (16 steps in both voltage increase and voltage decrease positions). Each step corresponds to a voltage change of 0.00625 p.u. (i.e., 0.1/16 p.u). VRs may connect in wye, delta, or open delta for a three-phase system. Bandwidth (BW) should be set to ensure that the taps are changed only when the voltage is out of the BW, and this is specified by a minimum and maximum regulation voltage (set to ±1% of the nominal voltage).
The turns ratio of the voltage regulator can be considered a function of the tap position (TP), as indicated in (12):
a R = { 1 ( 0.00625   ·   T P ) ,   r a i s e   p o s i t i o n 1 + ( 0.00625   ·   T P ) ,           l o w e r   p o s i t i o n
The reader may refer to [40] for further information on VRs and control circuits.

3.2. Direct Load Flow Approach, including VR Units

An improved direct approach load flow method for radial distribution systems, including VRs, is explored in this section. The proposed technique’s fundamental goal is to obtain the power flow solution and VR optimum tapping positions as quickly as possible. The standard backward/forward sweep approach may be used and offers an accurate solution, but the additional implementation time is the biggest obstacle, since it depends on iterative solutions. The suggested methodology can be considered a combination of optimization and load flow strategies, as it determines the best tapping position and calculates the load flow without repetitive solutions.
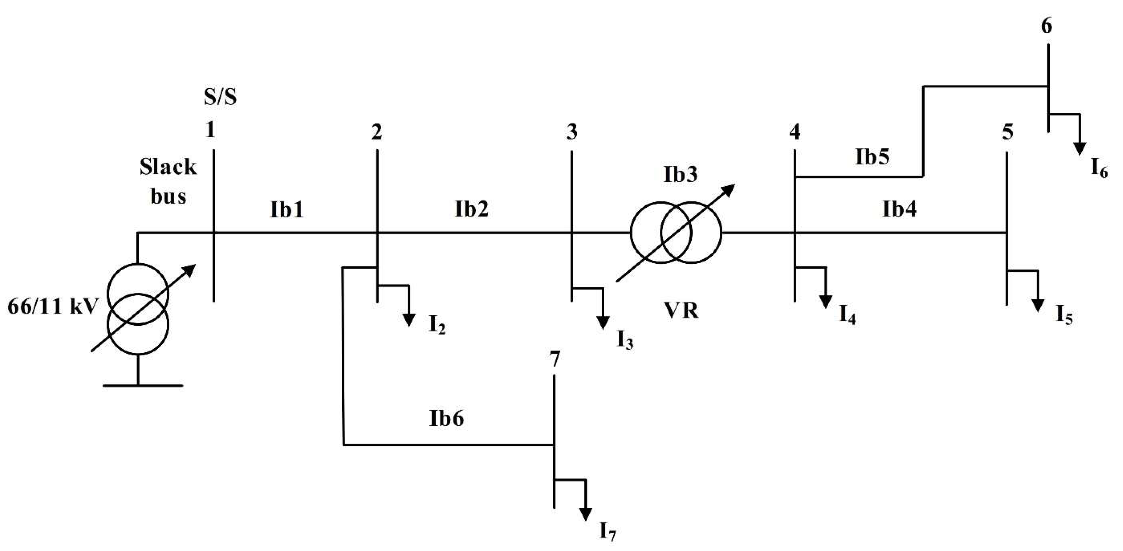
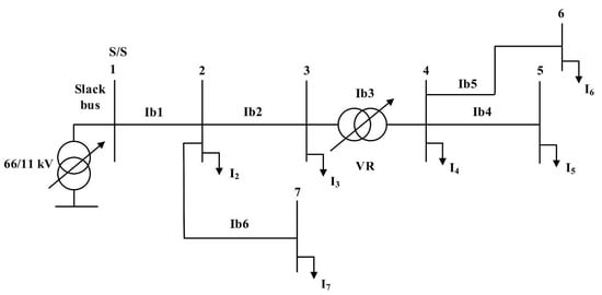
The following example illustrates the mathematical formulation of the suggested model: consider the radial system indicated in Figure 4, which consists of seven buses, six branches, and one VR connected directly before bus 4. The branch current can be expressed in terms of the load current by applying the Kirchhoff current law (KCL), as follows:
I b 1 = I 2 + I 3 + I 4 a R   + I 5 a R   + I 6 a R   + I 7 I b 2 = 0 + I 3 + I 4 a R   + I 5 a R   + I 6 a R   + 0 I b 3 = 0 + 0 + I 4 a R   + I 5 a R   + I 6 a R   + 0   I b 4 = 0 + 0 + 0 + I 5 + 0 + 0   I b 5 = 0 + 0 + 0 + 0 + I 6 + 0 I b 6 = 0 + 0 + 0 + 0 + 0 + I 7
Equation (13) can be written in the matrix form below.
[ I b 1 I b 2 I b 3 I b 4 I b 5 I b 6 ] = [ 1 1 1 / a R 1 / a R 1 / a R 1 0 1 1 / a R 1 / a R 1 / a R 0 0 0 1 / a R 1 / a R 1 / a R 0 0 0 0 1 0 0 0 0 0 0 1 0 0 0 0 0 0 1 ] [ I 2 I 3 I 4 I 5 I 6 I 7 ]
To generalize, Equation (14) can be written in the following form:
[ I b ] n l × 1 = [ B I B C N ] n l × ( n b 1 ) × [ I ] ( n b 1 ) × 1
where nl denotes the number of branches in the system, nb denotes the total number of buses, and B I B C N is the modified bus-injection-to-branch-current matrix.
The bus voltage values of the system can be expressed as a function of branch currents, while the voltage drop across the VR can be neglected; thus,
v 2 = v 1 Z 12   I b 1 v 3 = v 2 Z 23   I b 2 = v 1 Z 12   I b 1 Z 23   I b 2 v 4 = ( v 3   Z 34   I b 3 ) / a R = ( v 1   Z 12   I b 1 Z 23   I b 2 Z 34   I b 3   ) / a R v 5 = v 4 Z 45   I b 4 = ( v 1   Z 12   I b 1 Z 23   I b 2 Z 34   I b 3   ) / a R Z 45   I b 4 v 6 = v 4 Z 46   I b 5   = ( v 1   Z 12   I b 1 Z 23   I b 2 Z 34   I b 3   ) / a R Z 46   I b 5   v 7 = v 2 Z 27   I b 6 =   v 1 Z 12   I b 1 Z 27   I b 6
Equation (16) can be expressed in the following form (matrix form):
[ V 2 V 3 V 4 V 5 V 6 V 7 ] = [ V 1 V 1 V 1 / a R V 1 / a R V 1 / a R V 1 ] [ Z 12 0 0 0 0 0 Z 12 Z 23 0 0 0 0 Z 12 / a R Z 23 / a R Z 34 / a R 0 0 0 Z 12 / a R Z 23 / a R Z 34 / a R Z 45 0 0 Z 12 / a R Z 23 / a R Z 34 / a R 0 Z 46 0 Z 12 0 0 0 0 Z 7 ] [ I b 1 I b 2 I b 3 I b 4 I b 5 I b 6 ]
To generalize, Equation (17) can be written in the following form:
[ V b ] ( n b 1 ) × 1 = [ V s l a c k N ] ( n b 1 ) × 1 [ B C B V N ] ( n b 1 ) × n l × [ I b ] n l × 1
where Vb is the distribution system bus voltage, V s l a c k N is the modified slack bus voltage considering the VR turns ratio, B C B V N denotes the modified branch-current-to-bus-voltage matrix, and Ib is the branch current.
This load flow method relies on two metrics, BIBC and BCBV. BIBC is the bus-injection-to-branch-current matrix. BIBC matrix rows are associated with the branches of the RDS, while its columns are associated with the bus-injected currents, except for the slack bus. BCBV is the branch-current-to-bus-voltage matrix. Rows of the BCBV matrix are related to the bus-injected currents, except for the slack bus, while its columns are related to the distribution system branches. Further information about the construction of these matrices can be found in [41].
The steps of determining the optimal tapping position of each VR unit can be summarized as follows:
  • Insert line data, load data, VR connection point, minimum and maximum regulation voltage, and the pre-defined tap voltage regulator.
  • Construct BIBC and BCBV matrices.
  • Perform an initial load flow without VRs.
  • For the first VR, identify its bus and compare its voltage value with the minimum and maximum regulation voltage. If the voltage exceeds the maximum regulation, update the tapping position and calculate aR using (19). If the voltage is lower than the minimum regulation voltage, update the tapping position and calculate aR using (20), where Tapvalue is the tapping value, V(VRbus) is the voltage of the VR bus, V r e g m a x is the maximum regulation voltage, V r e g m i n   is the minimum regulation voltage,   T a p p o s n e w denotes the new tapping position, and   T a p p o s o l d denotes the old tapping position.
    T a p v a l u e = V ( V R b u s )   V r e g m a x 0.00625 , T a p p o s n e w = T a p p o s o l d T a p v a l u e , a R = 1 + ( 0.00625 × T a p p o s n e w ) .
    T a p v a l u e =   V r e g m i n   V ( V R b u s ) 0.00625 , T a p p o s n e w = T a p p o s o l d T a p v a l u e , a R = 1 ( 0.00625 × T a p p o s n e w ) .
  • Calculate the BIBCN and BCBVN after considering the VRs.
  • Perform the load flow with the new matrices and calculate the tapping position.
  • Stop and terminate the program if the tapping position is the same in two successive iterations.
  • Repeat steps from 3 to 5 if the tapping position is not the same. Stop when the tapping position becomes the same.
  • Repeat the above steps for the other VR units.

4. System Studied and Problem Formulation

4.1. System Studied

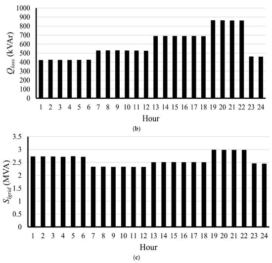
Figure 5 shows the one-line diagram for the studied Egyptian Talla system (ETS), located in a rural area in Menoufia Governorate, Egypt. It includes 37 buses with a reactive power of 2.9759 MVAr and active power of 4.8019 MW. The reader may refer to [42,43] for further information about ETS, and the system data is given in Appendix A. We aim to present a cost-benefit analysis that contains the fixed and operating costs of the investigated compensators (DGs, CBs, and VRs) and the profits obtained by reducing the active power loss and power bought from the grid when maximizing the allowable HC level of the system.
Moreover, we assumed the daily load curve of ETS based on the electricity consumption pattern in this area, as shown in Table 2. This assumption relies on an accurate study of the geographical nature of this rural area and SCADA system measurements. Moreover, five loading levels (LL) are assumed in this study, and each loading level is characterized by a certain percentage of the peak load.
Uncertain loading conditions were taken into account in this study. The main load demand clusters were obtained using the soft fuzzy C-means (FCM) clustering approach according to load consumption patterns in this rural area. Each cluster is associated with a unique scenario (centroid) obtained using the FCM algorithm.
Primarily, Dunn developed the FCM clustering technique in 1973 [44], and Bezdek enhanced it in 1981. It is used to divide a collection of data (N) into a predetermined number of clusters (C), where C ≥ 2. The clustered data is collected in a matrix Y, which includes a series of column vectors yj, where j ∈ {1, 2… N}. FCM needs two parameters for group Y: C and the fuzziness component (m), where mR and m > 1. The optimization process is supposed to be terminated at a pre-specified tolerance. The FCM algorithm is summarized as follows:
  • Step 1: A membership matrix ( k = [ K i j ] C × N ) is randomly initialized, with the sum of each column j in K equaling one. From the available data, random C centroids are initially picked and collected in a vector called c, where ( c = [ c i ] 1 × c ) .
  • Step 2: Using the following function, calculate the new centroids:
    c i = i = 1 N k i j m × y i i = 1 N k i j m  
  • Step 3: Calculate the membership matrix elements ( k = [ K i j ] C × N ) for each element in Y; thus,
    k i j = 1 ( y j c i y j c p ) 2 m 1
  • Step 4: Determine F F C M ( t ) = j = 1 N i = 1 c k i j m y j c i , where F F C M ( t ) denotes the value of the objective function at the tth iteration.
  • Step 5: If F F C M ( t ) F F C M ( t 1 ) < tolerance, break the optimization process; otherwise, restart the process from Step 2. Further information about the FCM clustering technique can be retrieved from [44,45]. In this work, we obtained the most indicative five scenarios of each loading level at each hour; thus, the whole number of scenarios in this study is set to 120.

4.2. Objective Function

In this article, we consider maximizing the total active power injected from the connected DG units (Pdg) as the primary objective function, which refers to maximizing the allowable HC level when divided by the apparent power of the total connected loads ( S l o a d r a t e d ). The HC is expressed as given in (23).
H C   ( % ) = P d g S l o a d r a t e d × 100
The objective function is exposed to several constraints (linear and nonlinear).

4.3. Constraints

In the optimization problem, seven limitations are considered: the max suffix indicates the maximum parameter value, the min suffix indicates the minimum parameter value, and the designer specifies these maximum and minimum values.

4.3.1. Bus Voltage Constraint

The bus voltage magnitude should be kept within the minimum and maximum predetermined levels, as expressed in (24).
V m i n V i , h , L V m a x ,   i   n b , h H ,   L N l    
where Vmin and Vmax represent the defined minimum and maximum bus voltage magnitude, respectively, where the minimum and maximum values are considered to be 0.9 and 1.1 p.u., respectively. H is the total number of hours considered in this study (i.e., 24 h). Nl denotes the number of the LLs given in Table 1 (i.e., Nl = 5).

4.3.2. Line Capacity Constraint

The branch currents are limited by their thermal limits, as expressed in (25).
I b r , h , L   I b r m a x ,     b r n l , h H ,   L N l  
where I b r m a x   represents the maximum current carrying capacity of the branch.

4.3.3. DG Capacity Constraint

The size of the DG should not be greater than the maximum size limit or the penetration level, as expressed in (26), to avoid the voltage rise or any other concerns related to the power quality in the distribution system.
0 P d g ( g ) P d g ( g ) m a x   ,     g N d g  
where Ndg represents the total number of DGs, Pdg denotes the size of the DG unit, and g is the DG number.

4.3.4. CB Capacity Constraint

The CBs’ size should not exceed the defined maximum size limit, as formulated in (27).
0 Q c ( q )   Q c ( q ) m a x ,     q N C  
where Nc represents the number of CBs, and Qc denotes the size of CB.

4.3.5. Power Factor Constraint

The power factor (PF) must be specified within certain minimum and maximum values to ensure optimal energy transfer; thus, the PF is limited as expressed in (28).
P F m i n   P F   P F m a x  
where PFmin and PFmax denote the distribution system’s minimum and maximum allowable PF. The minimum and maximum values are assumed to be within 0.92 lagging and unity, respectively.

4.3.6. Power Balance Equality Constraints

The power system constraints are expressed in (29) and (30), and they should be met at each loading level.
P g + g = 1 N d g P d g   ( g ) = b r = 1 n l P l o s s ( b r ) + i = 1 n b P d   ( i )
Q g + q = 1 N C Q c ( q ) = b r = 1 n l Q l o s s ( b r ) + i = 1 n b Q d   ( i )
where Pg and Qg are the real and reactive power of the utility, respectively; Ploss and Qloss denote the real and imaginary power losses; and Pd and Qd represent the active and reactive power of the loads.

4.3.7. Reverse Power Flow Constraint

The two cases suggested to maximize HC in this work are given as follows:
  • Case 1: It is assumed that the distribution network operator (DNO) has upgraded facilities to deal with the system’s bi-directional power flow (that may occur due to the DGs), and thus reverse power flow might be allowed in the system’s branches;
  • Case 2: The DNO restricts the reverse power flow in the system’s branches.
    τ × P L i n e b r   0 ,     b r n l ,   τ = { 0 , 1 }
    where P L i n e denotes the net active power flow in each branch. Algorithmically, Case 1 is activated when the decision variable τ is set to 0, while Case 2 is activated when the decision variable τ is set to 1.

4.4. Constraints Handling

The penalty methods are widely used for handling optimization constraints. Several penalty methods are used in the literature, such as static, dynamic, death, and others. In this work, we used a static penalty method (large number), in which a constant penalty coefficient is multiplied by the constraint and merged with the objective function. Accordingly, the best fitness function corresponds to the best-unpenalized value of the objective function when all the constraints are satisfied [46].

4.5. System Performance Assessment

This section presents different technical and economic indices that describe the system under investigation’s performance.

4.5.1. Technical PQ Performance Indices

  • Benefits due to reduction of the real power loss (B1)
The real power loss of the system after compensation should be lower than the system power loss before compensation. The annual benefit gained (USD/year) from such a reduction is expressed in (32), where w1 denotes the active power rate (USD/kWh), and its numerical value is set to USD 0.06/kWh [43].
B 1 = 365 × w 1 × h = 1 h = 24 [   ( P l o s s , h b e f o r e P l o s s , h a f t e r ) ]
  • Benefits due to reduction of the purchased complex power (B2)
The annual reduction of the apparent power (USD/year) purchased from the utility is expressed in (33), where w2 denotes the tariff rate of the apparent power (USD/kVAh) and is assumed to be USD 0.06/kVAh [43].
B 2 = 365 × w 2 × h = 1 h = 24 [   ( S g r i d , h b e f o r e S g r i d , h a f t e r ) ]
  • Loading capacity enhancement (B3)
The loading capacity (LC) is formulated by dividing each branch’s current value by the current carrying capacity of this branch at the worst scenario obtained in LL4 (which represents the peak loading level at hours 19, 20, 21, and 22), as formulated in (34).
B 3 = max ( L C ) = max ( I b r , h I b r m a x ) , b r   n l ,   h = { 19 , 20 , 21 , 22 }
  • Voltage stability enhancement (B4)
The voltage stability index (VSI) enhancement is formulated by determining the VSI calculated at all buses, picking the minimum one, as given in Equation (35), and comparing its value with the value obtained in the uncompensated case at the worst scenario obtained in LL4.
B 4 = min [ V S I b u s ] = V i 4 4 ( P X Q R ) 2 4 V i 2 ( P R + Q X ) , i n b ,   h = { 19 , 20 , 21 , 22 }
where Vi denotes the bus i sending-end voltage, R refers to the transmission line resistance, X denotes the line reactance, P refers to the transferred real power within the line, and Q represents the transferred reactive power throughout the line.

4.5.2. Economic Evaluation

  • Costs of DGs (CDG)
CDG denotes the investment costs of the DGs (costs to be paid in USD/year) as formulated in (36), where OMDG represents DGs’ operation and maintenance costs. RFDG describes the capital recovery factor of DGs, which converts the present value cost to an annualized cost. OMDG is set to USD 5/W.
C D G = O M D G × R F D G × g = 1 N d g P d g ( g )
  • Costs of CBs (CCBs)
CCBs denotes investment costs of the CBs, as expressed in (37), where OCB represents CBs’ operation costs, FCCB means CBs’ fixed installation costs, and RFCB denotes CBs’ capital recovery factor. OCB and FCCB are set to USD 30/kVAr and USD 1000, respectively.
C C B = R F C B [ F C C B + q = 1 N C   O C B × Q C ( q ) ]
  • Costs of VRs (CVR)
CVR (USD/year) is expressed in Equation (38), where RFVR represents the capital recovery factor of VRs. R0 is the VR’s cost (USD), which relies on the current rating of the VR (IVR). For instance, R0 equals USD 38,000 for 100 A, USD 44,800 for 150 A, USD 50,600 for 200 A, USD 58,100 for 250 A, USD 64,700 for 300 A, USD 70,300 for 350 A, and USD 77,900 for 400 A [43].
C V R = R F V R × R 0 ( I V R )
A generalized formula of the different compensators’ capital recovery factors (RFk) is expressed in Equation (39), where int is the annual interest rate, and it is assumed to be 7%, while LT denotes the lifetime of the connected compensator. In this study, the lifetime of the components is taken as twenty years for the DGs, ten years for the CBs, and fifteen years for the VRs.
R F k = i n t × ( 1 + i n t ) L T ( 1 + i n t ) L T 1 , k = { D G , C B , V R }
  • Total savings (TS)
Finally, the total saving after allocating the compensators is defined as the difference between the total benefits and costs, as expressed in (40).
T S = [ B 1 + B 2 ] [ C D G + C C B + C V R ]
Finally, Figure 6 shows the hierarchical formulation of the problem studied.

4.6. RUN Optimization Technique

Nowadays, optimization algorithms are usually needed to solve complex engineering problems in different applications [47,48,49,50,51]. In this study, RUN is applied to solve the proposed problem. RUN was developed in 2021 by Ahmadianfar et al. [52]. Its idea relies on the Runge–Kutta (RK) theory to find the numerical solution for ordinary differential equations. Like any other optimization technique, the RUN consists of three phases: (a) the initialization process, (b) the updating phase, and (c) the evaluation phase. The mechanism of the RUN is depicted in Figure 7. The RUN has been employed in many applications, such as (a) reconfiguring the partially shaded PV array to maximize its generated power [53], (b) enhancing the reliability of the power system and increasing renewables penetration [54], and (c) finding the optimal tuning of different power system stabilizer controllers [55].

4.6.1. Initialization

A population of size N and dimension D is randomly generated using (41). Ul and Ll refer to the upper and lower bounds of the lth variable, and rand is a uniformly distributed random value in the range [0, 1].
x n , l = L l + r a n d × ( U l L l )    

4.6.2. Updating and Evaluation Phases

In the RUN algorithm, the decision variables are subjected to three steps of updating. The first stage uses a search mechanism (SM) based on the RK method for updating the position of each individual in the population, as explained in (42) and (43). If the random value rand is less than 0.5, the new positions are determined by (42). Otherwise, they are calculated by (43). More details about SM can be found in [52].
x n + 1 = ( x c + r × S F × g × x c ) + S F × S M + μ × r a n d n × ( x m x c )
x n + 1 = ( x m + r × S F × g × x m ) + S F × S M + μ × r a n d n × ( x r 1 x r 2 )
where r is an integer that equals 1 or −1, g is a random value in the range [0, 2], and μ is a random number with normal distribution; S F is an adaptive factor calculated by (44) and (45); and x c and x m are obtained by (46) and (47), respectively.
S F = 2 ( 0.5 r a n d ) × f
f = a × e x p ( b × r a n d × ( i M a x i ) )
x c = φ × x n + ( 1 φ ) × x r 1
x m = φ × x b e s t + ( 1 φ ) × x l b e s t
where M a x i refers to the maximum number of iterations, a and b are constant numbers, i denotes the number of the current iteration, φ is a random value in the range of (0, 1), x b e s t represents the best solution obtained so far, and x l b e s t denotes the best position found at each iteration.
In the second stage, the enhanced solution quality scheme, formulated in (48) and (49), is executed to improve the quality of the solutions obtained. The new variable xnew2 is obtained by (48) if w < 1; otherwise, xnew2 is computed by (49). It is worth mentioning that Equations (48) and (49) are carried out if a randomly generated value between 0 and 1 is less than 0.5.
x n e w 2 = x n e w 1 + r × w × | ( x n e w 1 x a v g ) + r a n d n |
x n e w 2 = ( x n e w 1 x a v g ) + r × w × | ( u × x n e w 1 x a v g ) + r a n d n |
where β is a random value in the range of [0, 1]; c is a random value equal to 5 × rand; xbest denotes the best solution obtained so far; and w, xavg, and xnew1 are calculated using (50)–(52), respectively.
w = r a n d ( 0 ,   2 ) × e x p ( c ( i M a x i ) )
x a v g = x r 1 + x r 2 + x r 3 3
x n e w 1 = β × x a v g + ( 1 β ) × x b e s t
If the fitness value of x n e w 2 is greater than the fitness of x n + 1 , the third stage is conducted, and the new position x n e w 3 is generated as expressed in (53). The third stage provides another chance to boost the solution quality of the RUN algorithm.
x n e w 3 = ( x n e w 2 r a n d × x n e w 2 ) + S F ( r a n d × x R K + ( v × x b x n e w 2 ) )
where v is a random number with a value of 2 × r a n d .

5. Numerical Results and Discussion

5.1. Uncompensated System

The decision variables of the investigated problem under study are the location and sizes of DGs and CBs and the tapping positions of the VRs. The locations are considered integer variables and are set to be from 2 to Nbuses (system number of buses). The discrete CB sizes are assumed to be from 0 to 1200 kVAr in a 150 kVAr step. It should be noted that more than one capacitor can be connected to the same bus. The DG sizes are assumed to be continuous in the 0–2 MW range. The numbers of CBs and DGs are considered to be seven and three, respectively, plus one VR location. These mixed variables—locations and sizes—are produced randomly within their allowable ranges. Then, the RUN optimization algorithm is used for solving this issue and calculating the optimal values for these parameters when HC maximization is considered. The backward/forward sweep algorithm performs the load flow. Table 3 explores the values of the load demand in percentages and the probability of occurrence of the corresponding demand scenarios for the system under investigation given in Figure 5.
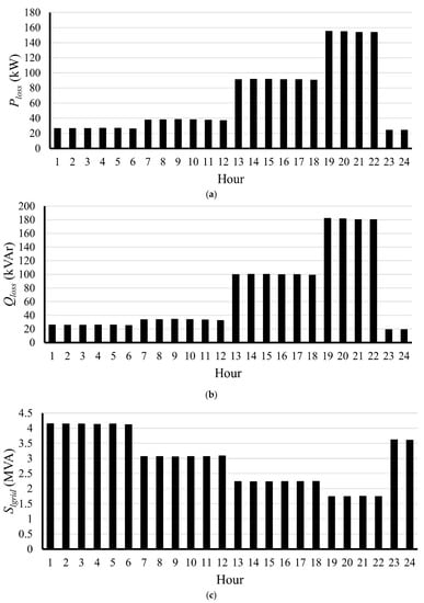
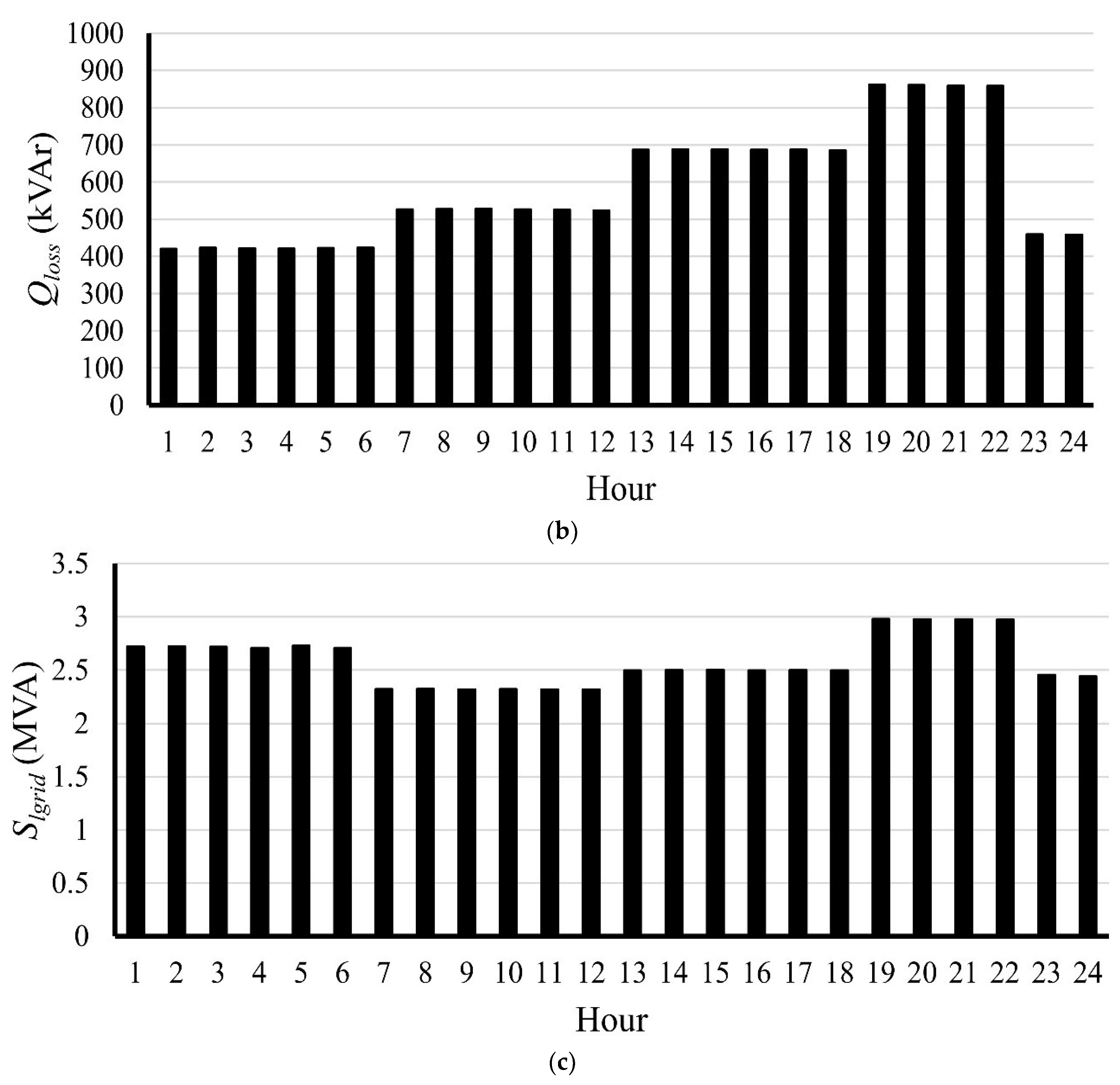
Table 4 presents the results of ETS’s initial load flow without applying any enhancement technique (base case). It can be noted that the system’s losses (active and reactive) are very high, especially in high loading conditions (i.e., LL3 and LL4). Figure 8 shows the active power loss, reactive power loss, and complex power purchased from the grid throughout the day. It can be seen that the active power loss, reactive power loss, and complex purchased power from the utility are significantly high, especially at hours 19–22, due to the high loading conditions.
Figure 9a illustrates the minimum values of the bus voltage magnitudes of the uncompensated ETS at hours 4 and 20, respectively, in which hour 4 represents the light loading condition, and hour 20 represents the peak loading condition. In addition, Figure 9b shows the maximum bus voltage magnitudes at the same chosen hours. Minimum and maximum bus voltage magnitudes were obtained by obtaining minimum and maximum values for the five scenarios per hour. The bus voltage magnitudes can be considered slightly low due to the geographical nature of the system, where the system contains some long branches (about 13 km for branches 3–4 and 4–5). These are the possible locations for the VR, as marked in Figure 5. Moreover, the branch currents at hour 20 are slightly high due to the peak loading conditions. Figure 10 shows the base case system’s current values (minimum and maximum values of each branch current) at the same chosen hours.

5.2. Compensated System

The RUN optimization algorithm has been used to obtain the optimal allocation of the compensators used for the performance enhancement of ETS. In the two cases considered, we assumed that the candidate locations for one VR are (i) between buses 4–5 or (ii) between buses 3–4.
  • Results obtained in Case 1
In this case, it was assumed that the DNO has upgraded facilities to deal with the system’s bi-directional power flow, which may occur due to the DGs, and thus reverse power flow might be allowed in the system’s branches. The output results are shown in Table 5, considering that the candidate location of the VR is before bus 5, while Table 6 shows the detailed results if the candidate location for the VR is before bus 4.
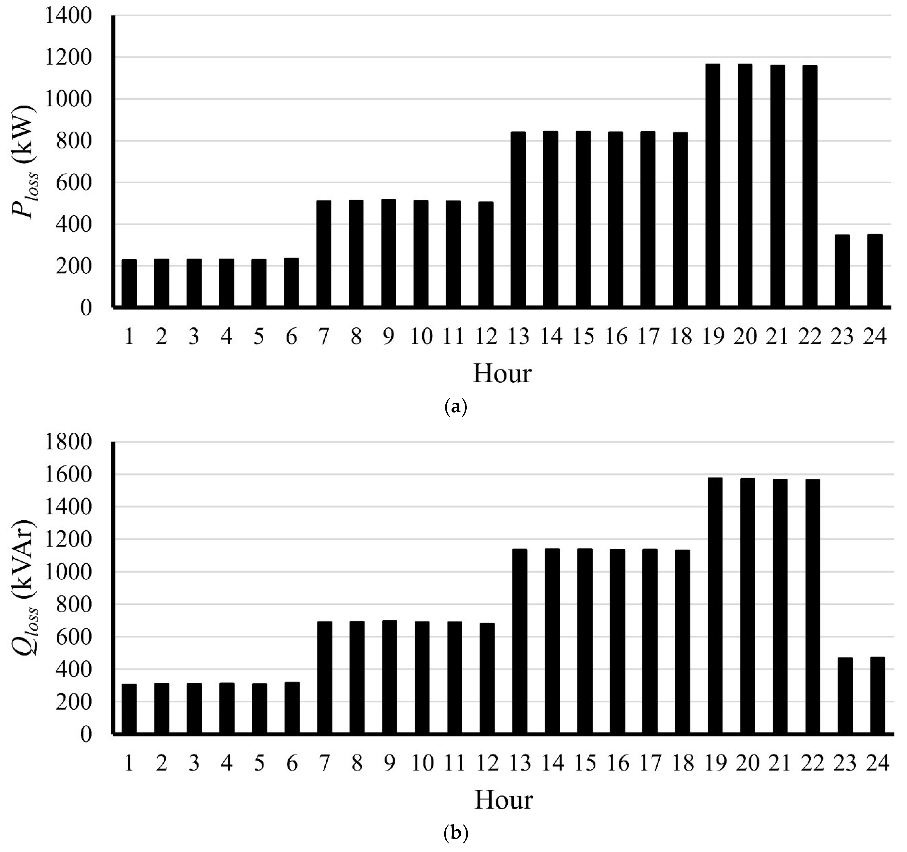
Although the system operating HC reaches 100% in the two candidate locations for the VR, the real power loss, reactive power loss, and complex power purchased from the grid throughout the day in the first location are less than their corresponding values in the second location, so we decided to visualize the results obtained when using the first VR location. Figure 11 illustrates the real power loss, reactive power loss, and complex power purchased from the grid throughout the day. It is apparent that the system losses (i.e., active and reactive) and the purchasing power from this grid in the candidate’s two locations are significantly decreased compared with the base case due to the optimal coordination allocation of DG units, CBs, and VRs.
Figure 12a presents the minimum values of the bus voltage magnitudes of the compensated ETS at hours 4 and 20, respectively. Moreover, Figure 12b shows the maximum bus voltage magnitudes at the same chosen hours. Figure 13 illustrates the compensated system’s minimum and maximum branch current values at the same investigated hours.
Figure 12 and Figure 13 present the bus voltage magnitudes and system branch currents after compensation, in which the current of each branch is decreased, and the bus voltage magnitudes are enhanced within the allowable limits. The minimum voltage at hour 4 is improved to 0.9792 p.u, compared to 0.8996 p.u at the base case; and the maximum voltage at hour 4 is increased to 1.0839 p.u (preserved within the acceptable limits), compared to 1.05 p.u at the base case. Moreover, the minimum voltage at hour 20 is improved to 0.9365 p.u, compared to 0.7411 p.u at the base case. The benefits achieved in this case can be summarized as follows: the active power loss is reduced from 14.81 MW in the base case to 1.60 while VR is in its first location and reaches 2.35 MW in the second location, and the reactive power loss is reduced from 20.02 MVAr in the base case to 1.71 MVAr in the first location and becomes 2.76 MVAr in the second location. Besides, the complex power purchased from the utility is significantly decreased in the first location to 70.72 MVA, and 98.83 MVA in the second location, compared with the 121.28 MVA base case.
In addition, at h = 19, the LC of the system is improved to 0.2963 in the first location and 0.4140 in the second location, compared to 0.7320 in the base case. Moreover, the VSImin at the same hour is improved to be 0.9206 in the first location and 0.7155 in the second location, compared to 0.3545 in the base case.
In the first possible VR location, the revenue obtained from power loss and total power reduction is USD 1.3967 million annually. The total saving, defined as compensators’ benefits minus their costs, is annually about USD 0.0127 million.
  • Results obtained in Case 2
In this case, it was assumed that the DNO restricts the reverse power flow in the system’s branches. The output results are explored in Table 7, considering that the suggested location of the VR is between buses 4 and 5, while Table 8 illustrates the detailed results if the proposed location for the VR is between buses 3 and 4.
Figure 14 shows the real power loss, reactive power loss, and complex power purchased from the grid throughout the day. It can be noted that the system power losses and the power supplied by the utility are higher than their values in the case of allowing reverse power flow, which is accompanied by changing the protection system settings.
Figure 15a shows the minimum values of the bus voltage magnitudes of the compensated ETS while not permitting reverse power flow at hours 4 and 20, respectively. Moreover, Figure 15b presents the maximum bus voltage magnitudes at the same chosen hours. It can be noted that the minimum voltage magnitude at hour 4 is 0.9823 p.u, compared to 0.8996 p.u at the base case. Moreover, the minimum voltage magnitude at hour 20 is 0.9028 p.u, compared with 0.7411 p.u at the base case.
Figure 16 shows the compensated system’s minimum and maximum branch current values while not allowing reverse power flow at the same hours. At hour 4, the current value of the first branch drops from 190.26 A in the base case to 158.12 A. In addition, at hour 20, the current value for the same branch drops from 386.04 A in the base case to 159.10 A.
The benefits achieved in this case can be summarized as follows: the active power loss is reduced from 14.81 MW in the base case to 12.28 MW while VR is in its first location and reaches 11.41 MW in the second location, and the reactive power loss is reduced from 20.02 MVAr in the base case to 14.17 MVAr in the first location and becomes 12.86 MVAr in the second location. The complex power purchased from the utility is significantly decreased in the first location to 61.97 MVA, and 94.07 MVA in the second location, compared with the 121.28 MVA base case.
In addition, the LC of the system at h = 19 is improved to 0.6920 in the first location and 0.6175 in the second location compared to 0.7320 in the base case. Moreover, the VSImin at the same hour is improved to 0.8651 in the first location, and 0.7390 in the second location, compared to 0.3545 in the base case.
The benefits of power loss and apparent power reduction in the first possible VR location are USD 1.3543 million annually. Moreover, the annual total saving is USD 0.4423 million.
Finally, it should be noted that allowing reverse power flow necessities updating the network protection setting and configurations in the presence of renewables and reverse fault currents. Multiple working groups and researchers worldwide are currently working on analyzing and resolving these issues. Conversely, it would be an oversimplification to say that reverse power flow should be avoided. It was apparent in this work that one of the advantages of allowing this reverse power is increasing the HC to reach 100%, while it only reaches 49% when not permitting it.

6. Conclusions and Future Works

This paper proposes the RUN optimization algorithm to solve the optimal coordination problem between DGs, CBs, and VRs in the studied ETS. The results validate that RUN is an efficient optimization tool due to its high convergence speed and balance between exploration and exploitation in solving engineering optimization problems. The soft fuzzy C-means clustering approach considered daily load variations through different loading conditions (i.e., five loading levels). The objective is to maximize the HC under linear and nonlinear constraints in two cases: the first one allows reverse power flow in the system’s branches, and the second one restricts reverse power flow in the system’s branches. The optimal active and reactive power compensators and voltage regulators have been able to maximize the hosting capacity, reduce the system’s total real and reactive power losses, reduce the bought power from the grid, and improve the loading capability and stability of the system.
The optimal allocation of the different units in the distribution system provides a practical technical and economic benefit to the distribution system. The suggested model successfully allocated the different equipment (DGs, CBs, and VRs) for the two studied scenarios. In the case of allowing reverse power flow to the grid while the VR is before bus five, the costs of the compensators are USD 1.384 million per year, and the benefits gained by power loss and total power reduction are USD 1.3967 million per year; therefore, the total saving, defined as the benefits minus the costs, is USD 0.0127 million per year. In the case of restricting the reverse power flow to the grid while VR is in the same location, the equipment costs are USD 0.912 million per year, and the benefits obtained by power loss and complex power reduction are USD 1.3543 million per year; therefore, the total saving is USD 0.4423 million per year. Significant savings occur due to the optimal coordination allocation of DGs, CBs, and VRs at an acceptable voltage profile. This voltage profile improvement is due to the distribution of the capacitors bank at different laterals. We presented HC solutions with and without permission of reverse power flow, allowing or restricting reverse power flow, and the related protection issues are still under investigation in the Egyptian distribution codes. Finally, the integration of energy storage systems will be considered in future works.

Author Contributions

A.M.M. planned the case study, obtained the results, and wrote the original draft (conceptualization and methodology); M.E., S.H.E.A.A., and A.Y.A. supervised the case study (supervision and investigation); S.H.E.A.A. analyzed the results (writing—review and editing); A.M.M. and S.H.E.A.A. wrote the paper, which was further reviewed by M.E., and A.Y.A. (validation), M.E. and A.Y.A. (formal analysis), and A.Y.A. (final validation). All authors have read and agreed to the published version of the manuscript.

Funding

This research received no external funding.

Institutional Review Board Statement

Not applicable.

Informed Consent Statement

Not applicable.

Data Availability Statement

Not applicable.

Conflicts of Interest

The authors declare no conflict of interest.

Abbreviations

Abbreviations
BCBVBranch-current-to bus-voltage matrix
BIBCBus injection to branch-current matrix
CBCapacitor bank
CBACost-benefit analysis
DGDistributed generation
DNODistribution network operator
ETSEgyptian Talla system
HCHosting capacity
KCLKirchhoff current law
LLLoading level
OLTCOn-load tap changer
PVPhotovoltaic
PQPower quality
RDSRadial distribution system
RKRunge–Kutta
RSESsRenewable sustainable energy sources
SVCStatic var compensators
VRVoltage regulator
Nomenclature
a R Effective regulator ratio
a and bConstant numbers
B 1 Benefits due to reduction of the active power loss
B 2 Benefits due to reduction of the purchased apparent power
β Random value in the range of [0, 1]
c Random value, which is equal to 5 × r a n d
CCBsCost of CBs
C D G Cost of DG units
CVRCost of the VR unit
DPopulation dimension
E 1 Voltage applied on N1
E 2 Voltage applied on N2
FCCBFixed installation cost of CBs
g Random number between 0 and 2
I b i Branch current of branch i
I b r m a x Maximum current carrying capacity of the branch
I i Load current at bus i
IVRCurrent of the VR
i n t Annual interest rate
L C Loading capacity
LTLifetime of the compensators
L l Lower bounds of the lth variable
μ Random number with normal distribution
M a x i Maximum number of iterations
NPopulation size
N 1 Primary turns ratio of the VR
N 2 Secondary turns ratio of the VR
N l Number of loading levels
n l Number of system branches
n b Number of the distribution system buses
N d g Total number of connected DGs
N c Total number of CBs
OMDGDGs’ operation and maintenance costs
OCBCBs’ operation costs
PdgActive power of the connected DG units
P g Grid active power
P d Active demand power
P L i n e Net active power flow in each branch
P l o s s Active power loss
P l o s s , h b e f o r e System power losses before enhancement devices placement at hour h
P l o s s , h a f t e r System power losses after enhancement devices placement at hour h
P F m i n Minimum allowable PF
P F m a x Maximum allowable PF
φ Random value in the range of (0,1)
Q c Size of the CB
Q c m a x Maximum size of the CB
Q g Grid reactive power
Q l o s s Reactive power loss
Q d Reactive demand power
randUniformly distributed random number from 0 to 1
rInteger that equals 1 or –1
RFDGCapital recovery factor of DGs
RFCBCapital recovery factor of CBs
RFVRCapital recovery factor of the VR
R0VR’s cost (USD)
S l o a d r a t e d Apparent power of the total connected loads
S g r i d , h b e f o r e Grid apparent power before enhancement devices placement at hour h
S g r i d , h a f t e r Grid apparent power after enhancement devices placement at hour h
T a p v a l u e Tapping value
T a p p o s n e w New tapping position
T a p p o s o l d Old tapping position
TSTotal saving
U l Upper bounds of the lth variable
v Random number with a value of 2 × r a n d
VSIVoltage stability index
V ( V R b u s ) Voltage of the VR bus
V r e g m a x Assumed maximum voltage regulation
V r e g m i n Assumed minimum voltage regulation
V m i n Minimum accepted bus voltage magnitude
V m a x Maximum accepted bus voltage magnitude
V S Primary voltage of the VR
V L Secondary voltage of the VR
V i ith bus voltage magnitude
V 1 Voltage at the slack bus
w 1 Active power rate (USD/kWh)
w 2 Tariff rate of the apparent power (USD/kVAh)
x b e s t Best solution obtained so far
x l b e s t Best position obtained at each iteration
Z i j Branch impedance between bus i and bus j

Appendix A

Table A1 shows branches and load data of the Talla distribution system in Egypt.
Table A1. Data of Talla distribution system.
Table A1. Data of Talla distribution system.
LineFrom Bus To BusLength (m)R (ohm)X (ohm)PL (kW)QL (kVAr)
1121800.0350.0490.000.00
2239600.1860.26321.2013.14
33466451.2891.82010.606.57
44560001.1641.643117.7872.99
5564000.0780.110255.58158.40
6672400.0470.066127.2078.83
7782000.0390.0550.000.00
8895600.1260.1530.000.00
99103000.1240.089138.9886.13
1010115000.2070.149181.38112.41
1111123000.1240.089152.5294.53
1212133070.1270.0910.000.00
1313142180.0900.065221.43137.23
1414156260.2590.186241.45149.64
155168400.7010.26942.4026.28
1616172400.2000.077144.8789.78
1717188400.7010.26926.5016.42
18181910800.9010.34641.8125.91
1919204800.4000.15466.5541.24
2072110100.8430.324325.07201.46
2121222500.2090.080214.95133.21
2292316801.4010.539113.0770.07
2323246000.5010.192121.9075.55
2424256950.5800.223175.49108.76
2525267200.6010.23194.2258.39
2626274800.4000.154118.3773.36
27112810800.9010.346299.16185.40
28282913201.1010.423215.54133.58
2912305000.2070.1490.000.00
3013312700.2250.087241.45149.64
3114325240.4370.168267.95166.06
3216332000.1670.064276.19171.17
3333345700.4750.183106.0065.69
3417357200.6010.231256.76159.13
35193613201.1010.42310.606.57
3625376000.5010.192174.90108.39

References

  1. Haghighat, H. Energy loss reduction by optimal distributed generation allocation in distribution systems. Int. Trans. Electr. Energy Syst. 2015, 25, 1673–1684. [Google Scholar] [CrossRef]
  2. Kanwar, N.; Gupta, N.; Niazi, K.R.; Swarnkar, A.; Bansal, R.C. Simultaneous allocation of distributed energy resource using improved particle swarm optimization. Appl. Energy 2017, 185, 1684–1693. [Google Scholar] [CrossRef]
  3. Ali, Z.M.; Aleem, S.H.E.A.; Omar, A.I.; Mahmoud, B.S. Economical-Environmental-Technical Operation of Power Networks with High Penetration of Renewable Energy Systems Using Multi-Objective Coronavirus Herd Immunity Algorithm. Mathematics 2022, 10, 1201. [Google Scholar] [CrossRef]
  4. Rawa, M.; Abusorrah, A.; Bassi, H.; Mekhilef, S.; Ali, Z.M.; Abdel Aleem, S.H.E.; Hasanien, H.M.; Omar, A.I. Economical-technical-environmental operation of power networks with wind-solar-hydropower generation using analytic hierarchy process and improved grey wolf algorithm. Ain Shams Eng. J. 2021, 12, 2717–2734. [Google Scholar] [CrossRef]
  5. Abdelaziz, A.Y.; Hegazy, Y.G.; El-Khattam, W.; Othman, M.M. A multiobjective optimization for sizing and placement of voltage-controlled distributed generation using supervised big bang-big crunch method. Electr. Power Compon. Syst. 2015, 43, 105–117. [Google Scholar] [CrossRef]
  6. Abdelaziz, A.Y.; Ali, E.S. Static VAR Compensator Damping Controller Design Based on Flower Pollination Algorithm for a Multi-machine Power System. Electr. Power Compon. Syst. 2015, 43, 1268–1277. [Google Scholar] [CrossRef]
  7. Khodabakhshian, A.; Andishgar, M.H. Simultaneous placement and sizing of DGs and shunt capacitors in distribution systems by using IMDE algorithm. Int. J. Electr. Power Energy Syst. 2016, 82, 599–607. [Google Scholar] [CrossRef]
  8. Almalaq, A.; Alqunun, K.; Refaat, M.M.; Farah, A.; Benabdallah, F.; Ali, Z.M.; Aleem, S.H.E.A. Towards Increasing Hosting Capacity of Modern Power Systems through Generation and Transmission Expansion Planning. Sustainability 2022, 14, 2998. [Google Scholar] [CrossRef]
  9. Zobaa, A.F.; Aleem, S.H.E.A.; Abdelaziz, A.Y. Classical and Recent Aspects of Power System Optimization; Academic Press: Cambridge, MA, USA; Elsevier: Amsterdam, The Netherlands, 2018; ISBN 9780128124413. [Google Scholar]
  10. Rabiee, A.; Mohseni-Bonab, S.M. Maximizing hosting capacity of renewable energy sources in distribution networks: A multiobjective and scenario-based approach. Energy 2017, 120, 417–430. [Google Scholar] [CrossRef]
  11. Yazdavar, A.H.; Shaaban, M.F.; El-Saadany, E.F.; Salama, M.M.A.; Zeineldin, H.H. Optimal Planning of Distributed Generators and Shunt Capacitors in Isolated Microgrids with Nonlinear Loads. IEEE Trans. Sustain. Energy 2020, 11, 2732–2744. [Google Scholar] [CrossRef]
  12. Elattar, E.E.; Shaheen, A.M.; El-Sayed, A.M.; El-Sehiemy, R.A.; Ginidi, A.R. Optimal Operation of Automated Distribution Networks Based-MRFO Algorithm. IEEE Access 2021, 9, 19586–19601. [Google Scholar] [CrossRef]
  13. Gampa, S.R.; Jasthi, K.; Goli, P.; Das, D.; Bansal, R.C. Grasshopper optimization algorithm based two stage fuzzy multiobjective approach for optimum sizing and placement of distributed generations, shunt capacitors and electric vehicle charging stations. J. Energy Storage 2020, 27, 101117. [Google Scholar] [CrossRef]
  14. Kumar Injeti, S.; Shareef, S.M.; Kumar, T.V. Optimal Allocation of DGs and Capacitor Banks in Radial Distribution Systems. Distrib. Gener. Altern. Energy J. 2018, 33, 6–34. [Google Scholar] [CrossRef]
  15. Ranamuka, D.; Agalgaonkar, A.P.; Muttaqi, K.M. Examining the Interactions between DG Units and Voltage Regulating Devices for Effective Voltage Control in Distribution Systems. IEEE Trans. Ind. Appl. 2017, 53, 1485–1496. [Google Scholar] [CrossRef]
  16. Jabbari, M.; Niknam, T.; Hosseinpour, H. Multiobjective fuzzy adaptive PSO for placement of AVRs considering DGs. In Proceedings of the PEAM 2011—Proceedings: 2011 IEEE Power Engineering and Automation Conference, Wuhan, China, 8–9 September 2011; Volume 2, pp. 403–406. [Google Scholar]
  17. Ghanegaonkar, S.P.; Pande, V.N. Coordinated optimal placement of distributed generation and voltage regulator by multiobjective efficient PSO algorithm. In Proceedings of the 2015 IEEE Workshop on Computational Intelligence: Theories, Applications and Future Directions, WCI 2015, Kanpur, India, 14–17 December 2015; pp. 1–6. [Google Scholar]
  18. Rakočević, S.; Ćalasan, M.; Abdel Aleem, S.H.E. Smart and coordinated allocation of static VAR compensators, shunt capacitors and distributed generators in power systems toward power loss minimization. Energy Sources Part A Recover. Util. Environ. Eff. 2021, 1–19. [Google Scholar] [CrossRef]
  19. Fatima, S.; Püvi, V.; Lehtonen, M. Review on the PV hosting capacity in distribution networks. Energies 2020, 13, 4756. [Google Scholar] [CrossRef]
  20. Ul Abideen, M.Z.; Ellabban, O.; Al-Fagih, L. A review of the tools and methods for distribution networks’ hosting capacity calculation. Energies 2020, 13, 2758. [Google Scholar] [CrossRef]
  21. Mulenga, E.; Bollen, M.H.J.; Etherden, N. A review of hosting capacity quantification methods for photovoltaics in low-voltage distribution grids. Int. J. Electr. Power Energy Syst. 2020, 115, 105445. [Google Scholar] [CrossRef]
  22. Xu, X.; Li, J.; Xu, Z.; Zhao, J.; Lai, C.S. Enhancing photovoltaic hosting capacity—A stochastic approach to optimal planning of static var compensator devices in distribution networks. Appl. Energy 2019, 238, 952–962. [Google Scholar] [CrossRef]
  23. Ismael, S.M.; Aleem, S.H.E.A.; Abdelaziz, A.Y.; Zobaa, A.F. Probabilistic hosting capacity enhancement in non-sinusoidal power distribution systems using a hybrid PSOGSA optimization algorithm. Energies 2019, 12, 1018. [Google Scholar] [CrossRef]
  24. Pandi, V.R.; Zeineldin, H.H.; Xiao, W.; Zobaa, A.F. Optimal penetration levels for inverter-based distributed generation considering harmonic limits. Electr. Power Syst. Res. 2013, 97, 68–75. [Google Scholar] [CrossRef]
  25. Abad, M.S.S.; Ma, J. Photovoltaic Hosting Capacity Sensitivity to Active Distribution Network Management. IEEE Trans. Power Syst. 2021, 36, 107–117. [Google Scholar] [CrossRef]
  26. Seuss, J.; Reno, M.J.; Broderick, R.J.; Grijalva, S. Improving distribution network PV hosting capacity via smart inverter reactive power support. In Proceedings of the IEEE Power and Energy Society General Meeting, Denver, CO, USA, 26–30 July 2015; Volume 2015, pp. 1–5. [Google Scholar]
  27. Shayani, R.A.; De Oliveira, M.A.G. Photovoltaic generation penetration limits in radial distribution systems. IEEE Trans. Power Syst. 2011, 26, 1625–1631. [Google Scholar] [CrossRef]
  28. Soroudi, A.; Rabiee, A.; Keane, A. Distribution networks’ energy losses versus hosting capacity of wind power in the presence of demand flexibility. Renew. Energy 2017, 102, 316–325. [Google Scholar] [CrossRef]
  29. Diaaeldin, I.M.; Abdel Aleem, S.H.E.; El-Rafei, A.; Abdelaziz, A.Y.; Zobaa, A.F. Enhancement of hosting capacity with soft open points and distribution system reconfiguration: Multiobjective bilevel stochastic optimization. Energies 2020, 13, 5446. [Google Scholar] [CrossRef]
  30. Wang, S.; Chen, S.; Ge, L.; Wu, L. Distributed Generation Hosting Capacity Evaluation for Distribution Systems Considering the Robust Optimal Operation of OLTC and SVC. IEEE Trans. Sustain. Energy 2016, 7, 1111–1123. [Google Scholar] [CrossRef]
  31. Ebeed, M.; Aleem, S.H.E.A. Overview of uncertainties in modern power systems: Uncertainty models and methods. In Uncertainties in Modern Power Systems; Zobaa, A.F., Abdel Aleem, S.H.E., Eds.; Academic Press: Cambridge, MA, USA, 2021; pp. 1–34. ISBN 978-0-12-820491-7. [Google Scholar]
  32. Adly, A.R.; Aleem, S.H.E.A.; Algabalawy, M.A.; Jurado, F.; Ali, Z.M. A novel protection scheme for multi-terminal transmission lines based on wavelet transform. Electr. Power Syst. Res. 2020, 183, 106286. [Google Scholar] [CrossRef]
  33. Xu, X.; Xu, Z.; Lyu, X.; Li, J. Optimal SVC placement for Maximizing Photovoltaic Hosting Capacity in Distribution Network. IFAC-PapersOnLine 2018, 51, 356–361. [Google Scholar] [CrossRef]
  34. Shaheen, A.M.; El-Sehiemy, R.A. Optimal Coordinated Allocation of Distributed Generation Units/ Capacitor Banks/ Voltage Regulators by EGWA. IEEE Syst. J. 2021, 15, 257–264. [Google Scholar] [CrossRef]
  35. Abou El-Ela, A.A.; El-Sehiemy, R.A.; Shaheen, A.M.; Eissa, I.A. Optimal coordination of static VAR compensators, fixed capacitors, and distributed energy resources in Egyptian distribution networks. Int. Trans. Electr. Energy Syst. 2020, 30, e12609. [Google Scholar] [CrossRef]
  36. Bajaj, M.; Kumar Singh, A. Hosting capacity enhancement of renewable-based distributed generation in harmonically polluted distribution systems using passive harmonic filtering. Sustain. Energy Technol. Assessments 2021, 44, 101030. [Google Scholar] [CrossRef]
  37. Sakar, S.; Balci, M.E.; Abdel Aleem, S.H.E.; Zobaa, A.F. Integration of large- scale PV plants in non-sinusoidal environments: Considerations on hosting capacity and harmonic distortion limits. Renew. Sustain. Energy Rev. 2018, 82, 176–186. [Google Scholar] [CrossRef]
  38. Ismael, S.M.; Abdel Aleem, S.H.E.; Abdelaziz, A.Y.; Zobaa, A.F. State-of-the-art of hosting capacity in modern power systems with distributed generation. In Renewable Energy; Elsevier: Amsterdam, The Netherlands, 2019; Volume 130, pp. 1002–1020. [Google Scholar]
  39. Azibek, B.; Abukhan, A.; Nunna, H.S.V.S.K.; Mukatov, B.; Kamalasadan, S.; Doolla, S. Hosting Capacity Enhancement in Low Voltage Distribution Networks: Challenges and Solutions. In Proceedings of the 2020 IEEE International Conference on Power Electronics, Smart Grid and Renewable Energy, PESGRE 2020, Kerala, India, 2 January 2020; pp. 1–6. [Google Scholar]
  40. Kersting, W.H. The modeling and application of step voltage regulators. In Proceedings of the 2009 IEEE/PES Power Systems Conference and Exposition, PSCE 2009, Seattle, WA, USA, 15–18 March 2009; pp. 1–8. [Google Scholar]
  41. Teng, J.H. A direct approach for distribution system load flow solutions. IEEE Trans. Power Deliv. 2003, 18, 882–887. [Google Scholar] [CrossRef]
  42. Elsayed, A.M.; Mishref, M.M.; Farrag, S.M. Distribution system performance enhancement (Egyptian distribution system real case study). Int. Trans. Electr. Energy Syst. 2018, 28, e2545. [Google Scholar] [CrossRef]
  43. Mahmoud, A.M.; Ezzat, M.; Abdelaziz, A.Y.; Aleem, S.H.E.A. A Cost-Benefit Analysis of Optimal Active and Reactive Power Compensators and Voltage Conditioners Allocation in a Real Egyptian Distribution System. In Proceedings of the 22nd International Middle East Power Systems Conference, MEPCON 2021—Proceedings, Assiut, Egypt, 14–16 December 2021; pp. 116–123. [Google Scholar]
  44. Dunn, J.C. A fuzzy relative of the ISODATA process and its use in detecting compact well-separated clusters. J. Cybern. 1973, 3, 32–57. [Google Scholar] [CrossRef]
  45. Honda, K.; Kunisawa, K.; Ubukata, S.; Notsu, A. Fuzzy c-Varieties Clustering for Vertically Distributed Datasets. Procedia Comput. Sci. 2021, 192, 457–466. [Google Scholar] [CrossRef]
  46. Deb, K. An efficient constraint handling method for genetic algorithms. Comput. Methods Appl. Mech. Eng. 2000, 186, 311–338. [Google Scholar] [CrossRef]
  47. Sitbon, E.; Ostrovsky, R.; Malka, D. Optimizations of thermo-optic phase shifter heaters using doped silicon heaters in Rib waveguide structure. Photonics Nanostructures 2022, 51, 101052. [Google Scholar] [CrossRef]
  48. Moshaev, V.; Leibin, Y.; Malka, D. Optimizations of Si PIN diode phase-shifter for controlling MZM quadrature bias point using SOI rib waveguide technology. Opt. Laser Technol. 2021, 138, 106844. [Google Scholar] [CrossRef]
  49. Khateeb, S.; Katash, N.; Malka, D. O-Band Multimode Interference Coupler Power Combiner Using Slot-Waveguide Structures. Appl. Sci. 2022, 12, 6444. [Google Scholar] [CrossRef]
  50. Selim, A.; Kamel, S.; Mohamed, A.A.; Elattar, E.E. Optimal Allocation of Multiple Types of Distributed Generations in Radial Distribution Systems Using a Hybrid Technique. Sustainability 2021, 13, 6644. [Google Scholar] [CrossRef]
  51. Venkatesan, C.; Kannadasan, R.; Alsharif, M.H.; Kim, M.-K.; Nebhen, J. A Novel Multiobjective Hybrid Technique for Siting and Sizing of Distributed Generation and Capacitor Banks in Radial Distribution Systems. Sustainability 2021, 13, 3308. [Google Scholar] [CrossRef]
  52. Ahmadianfar, I.; Heidari, A.A.; Gandomi, A.H.; Chu, X.; Chen, H. RUN beyond the metaphor: An efficient optimization algorithm based on Runge Kutta method. Expert Syst. Appl. 2021, 181, 115079. [Google Scholar] [CrossRef]
  53. Nassef, A.M.; Houssein, E.H.; Helmy, B.E.; Fathy, A.; Alghaythi, M.L.; Rezk, H. Optimal reconfiguration strategy based on modified Runge Kutta optimizer to mitigate partial shading condition in photovoltaic systems. Energy Rep. 2022, 8, 7242–7262. [Google Scholar] [CrossRef]
  54. Rawa, M.; AlKubaisy, Z.M.; Alghamdi, S.; Refaat, M.M.; Ali, Z.M.; Aleem, S.H.E.A. A techno-economic planning model for integrated generation and transmission expansion in modern power systems with renewables and energy storage using hybrid Runge Kutta-gradient-based optimization algorithm. Energy Rep. 2022, 8, 6457–6479. [Google Scholar] [CrossRef]
  55. El-Dabah, M.A.; Kamel, S.; Abido, M.A.Y.; Khan, B. Optimal tuning of fractional-order proportional, integral, derivative and tilt-integral-derivative based power system stabilizers using Runge Kutta optimizer. Eng. Rep. 2022, 4, e12492. [Google Scholar] [CrossRef]
Figure 1. HC demonstration using a general performance index.
Figure 1. HC demonstration using a general performance index.
Sustainability 14 13299 g001
Figure 2. Common problems and HC enhancement practices.
Figure 2. Common problems and HC enhancement practices.
Sustainability 14 13299 g002
Figure 3. Circuit diagram of a step VR: (a) raise position, (b) lower position, and (c) type B regulator.
Figure 3. Circuit diagram of a step VR: (a) raise position, (b) lower position, and (c) type B regulator.
Sustainability 14 13299 g003
Figure 4. An illustrative example of the direct load flow approach, including VR units.
Figure 4. An illustrative example of the direct load flow approach, including VR units.
Sustainability 14 13299 g004
Figure 5. The system under study.
Figure 5. The system under study.
Sustainability 14 13299 g005
Figure 6. Hierarchical formulation of the problem studied.
Figure 6. Hierarchical formulation of the problem studied.
Sustainability 14 13299 g006
Figure 7. Mechanism of operation of the RUN algorithm.
Figure 7. Mechanism of operation of the RUN algorithm.
Sustainability 14 13299 g007
Figure 8. Results obtained for the uncompensated base ETS throughout the day: (a) active power loss, (b) reactive power loss, and (c) apparent power purchased from the grid.
Figure 8. Results obtained for the uncompensated base ETS throughout the day: (a) active power loss, (b) reactive power loss, and (c) apparent power purchased from the grid.
Sustainability 14 13299 g008aSustainability 14 13299 g008b
Figure 9. Values of the bus voltage magnitudes of the uncompensated ETS at hours 4 and 20: (a) minimum and (b) maximum.
Figure 9. Values of the bus voltage magnitudes of the uncompensated ETS at hours 4 and 20: (a) minimum and (b) maximum.
Sustainability 14 13299 g009aSustainability 14 13299 g009b
Figure 10. Values of the branch current magnitudes of the uncompensated ETS at: (a) hour 4 and (b) hour 20.
Figure 10. Values of the branch current magnitudes of the uncompensated ETS at: (a) hour 4 and (b) hour 20.
Sustainability 14 13299 g010
Figure 11. Results obtained for the compensated base ETS throughout the day while allowing reverse power flow: (a) active power loss, (b) reactive power loss, and (c) apparent power purchased from the grid.
Figure 11. Results obtained for the compensated base ETS throughout the day while allowing reverse power flow: (a) active power loss, (b) reactive power loss, and (c) apparent power purchased from the grid.
Sustainability 14 13299 g011
Figure 12. Values of the bus voltage magnitudes of the compensated ETS at hours 4 and 20 while allowing reverse power flow: (a) minimum and (b) maximum.
Figure 12. Values of the bus voltage magnitudes of the compensated ETS at hours 4 and 20 while allowing reverse power flow: (a) minimum and (b) maximum.
Sustainability 14 13299 g012
Figure 13. Values of the branch current magnitudes of the compensated ETS while allowing reverse power flow at: (a) hour 4 and (b) hour 20.
Figure 13. Values of the branch current magnitudes of the compensated ETS while allowing reverse power flow at: (a) hour 4 and (b) hour 20.
Sustainability 14 13299 g013
Figure 14. Results obtained for the compensated base ETS throughout the day while not allowing reverse power flow: (a) active power loss, (b) reactive power loss, and (c) apparent power purchased from the grid.
Figure 14. Results obtained for the compensated base ETS throughout the day while not allowing reverse power flow: (a) active power loss, (b) reactive power loss, and (c) apparent power purchased from the grid.
Sustainability 14 13299 g014aSustainability 14 13299 g014b
Figure 15. Values of the bus voltage magnitudes of the compensated ETS at hours 4 and 20 while not allowing reverse power flow: (a) minimum and (b) maximum.
Figure 15. Values of the bus voltage magnitudes of the compensated ETS at hours 4 and 20 while not allowing reverse power flow: (a) minimum and (b) maximum.
Sustainability 14 13299 g015
Figure 16. Values of the branch current magnitudes of the compensated ETS while not allowing reverse power flow at: (a) hour 4 and (b) hour 20.
Figure 16. Values of the branch current magnitudes of the compensated ETS while not allowing reverse power flow at: (a) hour 4 and (b) hour 20.
Sustainability 14 13299 g016
Table 1. HC determination in the well-known simulation software.
Table 1. HC determination in the well-known simulation software.
SoftwareNameDescription
Sustainability 14 13299 i001DIGSilentDIGSilent offers features to solve the DG problems, such as the reverse flow and the increase in the system voltage. A built-in interface determines the HC, relying on SCADA system measurements.
Sustainability 14 13299 i002CYMENetwork HC can be determined by connecting one DG or more than one without exceeding the operational constraints.
Sustainability 14 13299 i003EPRI Drive ModuleThis module decides the maximum HC of the distribution system in its current state before exceeding system constraints such as reliability, protection, and PQ issues.
Sustainability 14 13299 i004ETAPMaximum HC can be calculated by performing the worst-case scenario load flow analysis to identify renewables’ negative impacts on the distribution system’s performance.
Sustainability 14 13299 i005SiemensThe new capacity module has the potential to obtain the maximum HC at each distribution system point without exceeding the operational constraints.
Table 2. Assumed daily load curve of ETS.
Table 2. Assumed daily load curve of ETS.
Loading Level (LL) HourPercentage of Peak Load (%)
FromToFromTo
11 64060
27 126080
313188090
4192290100
523245070
Table 3. Values of the load demand and probability of occurrence of the corresponding demand scenarios.
Table 3. Values of the load demand and probability of occurrence of the corresponding demand scenarios.
HourLoad Percentage (%)Probability (p)
C1C2C3C4C5p1p2p3p4p5
141.99745.69949.78054.00158.1490.2120.1760.2160.2310.165
2 41.79746.29650.75654.46158.3150.1880.2410.2050.1850.181
3 41.68545.80150.15154.14958.1360.1920.1970.2170.2100.184
4 41.74246.00850.40154.50158.3910.2100.2020.1970.1900.201
5 41.84245.63049.70553.58457.8110.1860.2050.1940.2050.210
641.81145.99850.25754.42858.3820.1780.2000.2060.2170.199
761.89766.20070.18174.24178.3370.1930.2040.2090.2140.180
861.87065.68169.76973.92678.1610.1690.1980.2220.2040.207
961.75765.69669.63273.85078.2220.1800.1840.1910.2250.220
1061.84466.23470.37174.64078.1380.2200.1970.1790.2060.198
1162.03166.26270.44074.32278.1890.1960.2100.2200.1980.176
1261.62965.63869.90673.89178.0520.1780.2150.2270.2070.173
1381.00583.26285.38187.36789.2080.2030.2370.1770.2100.173
1481.04983.20085.34987.37389.2480.1930.2140.2250.1980.170
1580.95783.19385.10487.03389.0090.2000.1990.1820.2070.212
1681.21983.39585.50087.48589.3170.2260.2240.2140.1700.166
1780.91582.82584.84687.08089.1550.1820.1890.2040.2400.185
1880.71382.66484.95087.01089.1450.1870.2000.2270.1820.204
1990.92992.99095.04897.07099.0580.1650.2260.2040.2080.197
2090.82092.92094.92197.12099.2300.1850.1970.2290.1900.199
2190.99493.01595.27997.45999.2030.2140.2130.2090.2130.151
2290.78592.78794.91297.07099.1920.2010.1960.2090.2100.184
2351.65255.49359.53363.82568.1060.1930.1990.1950.2230.190
2451.71155.46159.51963.77067.9970.1880.1660.2320.2160.198
Table 4. Results obtained for the uncompensated base ETS.
Table 4. Results obtained for the uncompensated base ETS.
ParameterValue
Ploss (MW)14.81
Qloss (MVAr)20.02
Sgrid (MVA)121.28
LC at h = 190.7320
LC at h = 200.7554
LC at h = 210.7879
LC at h = 220.8105
VSImin at h = 190.3545
VSImin at h = 200.3382
VSImin at h = 210.3167
VSImin at h = 220.3020
Table 5. Results obtained for the compensated ETS with one VR between buses 4 and 5 while allowing reverse power to flow: Case 1.
Table 5. Results obtained for the compensated ETS with one VR between buses 4 and 5 while allowing reverse power to flow: Case 1.
ParameterValue ParameterValue
Ploss (MW)1.60TP at h = 23, 24−12
Qloss (MVAr)1.71Cost of CBs (USD/year)19,363.34
Sgrid (MVA)70.72Cost of DGs (USD/year)1,359,796.16
Optimal CBs locations2, 6, 7Cost of VRs (USD/year)4918.80
Optimal CBs sizes (kVAr)2850, 450, 1200Benefits (USD/year)1,396,747.20
Optimal DGs locations12, 2, 7Total saving (USD/year)12,668.90
Optimal DGS sizes (kW)1818.499, 1999.999, 983.402HC (%)100.00
TP at h = 1, 2, 3, 4, 5, 6−15LC at h = 190.2963
TP at h = 7, 8, 10, 11−8LC at h = 200.2971
TP at h = 9, 12−9LC at h = 210.3000
TP at h = 13, 14, 15, 16, 17, 18−2LC at h = 220.3044
TP at h = 19, 214VSImin at h = 19, 200.9206, 0.9122
TP at h = 20, 223VSImin at h = 21, 220.8981, 0.8844
Table 6. Results obtained for the compensated ETS with one VR between buses 3 and 4 while allowing reverse power to flow: Case 1.
Table 6. Results obtained for the compensated ETS with one VR between buses 3 and 4 while allowing reverse power to flow: Case 1.
Parameter ValuesParameterValues
Ploss (MW)2.35Cost of DGs (USD/year)1,359,796.09
Qloss (MVAr)2.76Cost of VRs (USD/year)5555.61
Sgrid (MVA)98.83Benefits (USD/year)764,712.45
Optimal CBs locations4, 2, 13Total saving (USD/year)−625,128.18
Optimal CBs sizes (kVAr)450, 4350, 900HC (%)100.00%
Optimal DGs locations17, 7, 2LC at h = 190.4140
Optimal DGS sizes (kW)805.3462, 1999.999, 1996.554LC at h = 200.4265
TP at h = 1, 2, 3, 4, 5, 6−12LC at h = 210.4391
TP at h = 7, 8, 9, 10, 11, 12−8LC at h = 220.4506
TP at h = 13, 14, 15, 16, 17, 18−4VSImin at h = 190.7155
TP at h = 19, 20, 21, 22−2VSImin at h = 200.6969
TP at h = 23, 24−10VSImin at h = 210.6952
Cost of CBs (USD/year)24,889.31VSImin at h = 220.6783
Table 7. Results obtained for the compensated ETS with one VR between buses 4 and 5, no reverse power to flow: Case 2.
Table 7. Results obtained for the compensated ETS with one VR between buses 4 and 5, no reverse power to flow: Case 2.
ParameterValue ParameterValue
Ploss (MW)12.28Cost of DGs (USD/year)886,938.2825
Qloss (MVAr)14.17Cost of VRs (USD/year)7103.7122
Sgrid (MVA)61.97Benefits (USD/year)1,354,359.219
Optimal CBs locations13, 37, 27, 6, 10, 4, 23Total saving (USD/year)442,235.2809
Optimal CBs sizes (kVAr)150, 1200, 1050, 150, 150, 1200, 300HC (%)49%
Optimal DGs locations2, 3LC at h = 190.6920
Optimal DGs sizes (kW)2119.368, 229.6908LC at h = 200.6922
TP at h = 1, 2, 3, 4, 5, 6−14LC at h = 210.6824
TP at h = 7, 8, 10, 11−6LC at h = 220.6756
TP at h = 9, 12−7VSImin at h = 190.8651
TP at h = 13, 14, 15, 16, 17, 181VSImin at h = 200.8476
TP at h = 19, 20, 21, 2212VSImin at h = 210.8143
TP at h = 23, 24−10VSImin at h = 220.7914
Cost of CBs (USD/year)18,081.9428
Table 8. Results obtained for the compensated ETS with one VR between buses 3 and 4, no reverse power to flow: Case 2.
Table 8. Results obtained for the compensated ETS with one VR between buses 3 and 4, no reverse power to flow: Case 2.
ParameterValueParameterValue
Ploss (MW)11.41Cost of DGs (USD/year)881,647.6346
Qloss (MVAr)12.86Cost of VRs (USD/year)7103.7122
Sgrid (MVA)94.07Benefits (USD/year)670,524.0625
Optimal CBs locations37, 19, 2, 8, 12Total saving (USD/year)−243,356.9135
Optimal CBs sizes (kVAr)1200, 150, 2400, 600, 300HC (%)49%
Optimal DGs locations3, 19LC at h = 190.6175
Optimal DGs sizes (KW)2224.8278, 110.2191LC at h = 200.6113
TP at h = 1, 2, 3, 4, 5, 6−12LC at h = 210.6096
TP at h = 7, 8, 9, 10, 11, 12−8LC at h = 220.6103
TP at h = 13, 14, 15, 16, 17, 18−3VSImin at h = 190.7390
TP at h = 19, 20, 21, 22−1VSImin at h = 200.7149
TP at h = 23, 24−10VSImin at h = 210.7114
Cost of CBs (USD/year)25,129.6292VSImin at h = 220.5627
Publisher’s Note: MDPI stays neutral with regard to jurisdictional claims in published maps and institutional affiliations.

Share and Cite

MDPI and ACS Style

Mahmoud, A.M.; Abdel Aleem, S.H.E.; Abdelaziz, A.Y.; Ezzat, M. Towards Maximizing Hosting Capacity by Optimal Planning of Active and Reactive Power Compensators and Voltage Regulators: Case Study. Sustainability 2022, 14, 13299. https://doi.org/10.3390/su142013299

AMA Style

Mahmoud AM, Abdel Aleem SHE, Abdelaziz AY, Ezzat M. Towards Maximizing Hosting Capacity by Optimal Planning of Active and Reactive Power Compensators and Voltage Regulators: Case Study. Sustainability. 2022; 14(20):13299. https://doi.org/10.3390/su142013299

Chicago/Turabian Style

Mahmoud, Ahmed M., Shady H. E. Abdel Aleem, Almoataz Y. Abdelaziz, and Mohamed Ezzat. 2022. "Towards Maximizing Hosting Capacity by Optimal Planning of Active and Reactive Power Compensators and Voltage Regulators: Case Study" Sustainability 14, no. 20: 13299. https://doi.org/10.3390/su142013299

APA Style

Mahmoud, A. M., Abdel Aleem, S. H. E., Abdelaziz, A. Y., & Ezzat, M. (2022). Towards Maximizing Hosting Capacity by Optimal Planning of Active and Reactive Power Compensators and Voltage Regulators: Case Study. Sustainability, 14(20), 13299. https://doi.org/10.3390/su142013299

Note that from the first issue of 2016, this journal uses article numbers instead of page numbers. See further details here.

Article Metrics

Back to TopTop