Financial Feasibility Analysis of Residential Rainwater Harvesting in Maringá, Brazil
Abstract
1. Introduction
2. Materials and Methods
2.1. Study Area
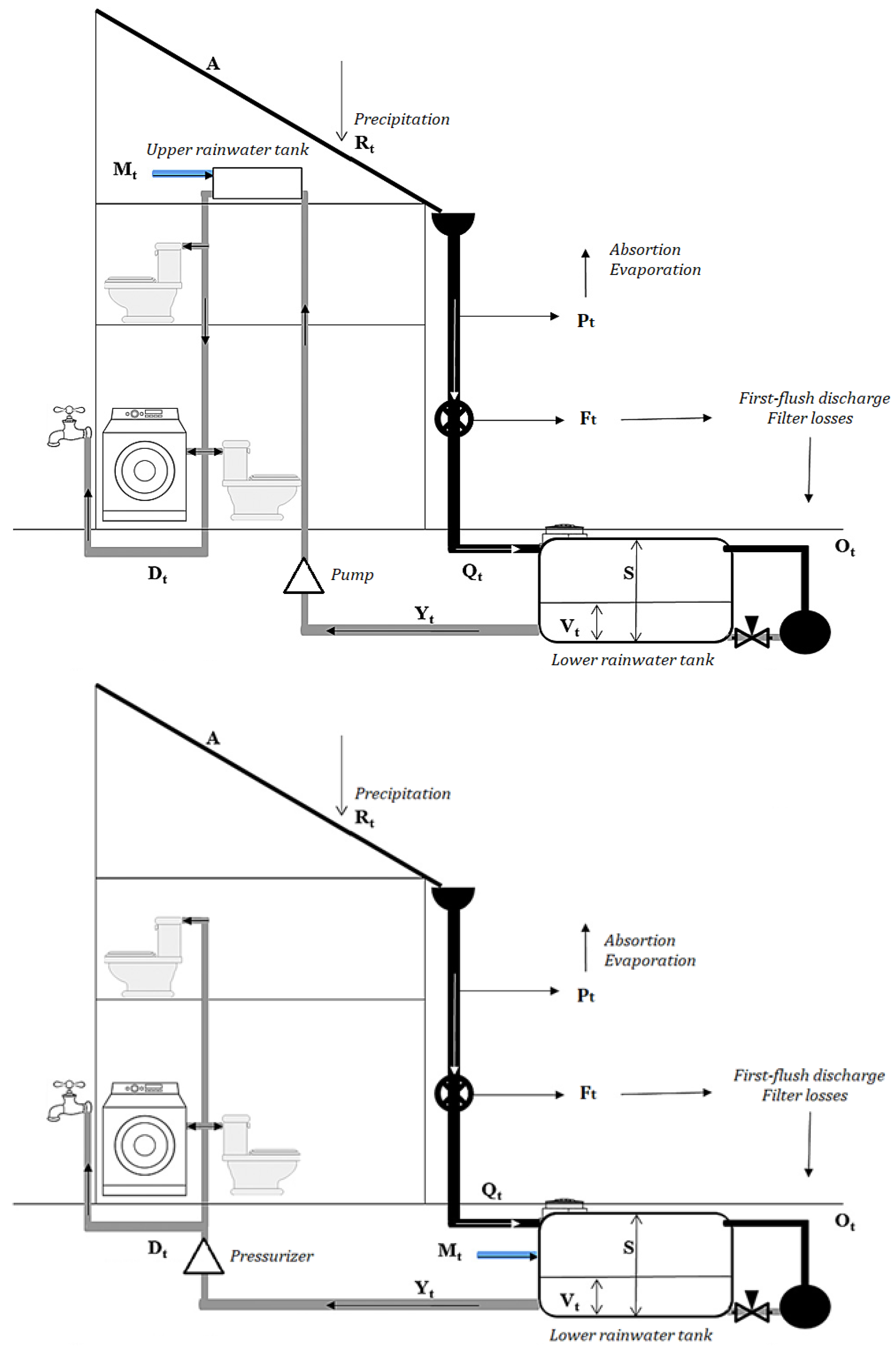
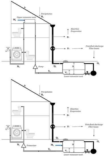
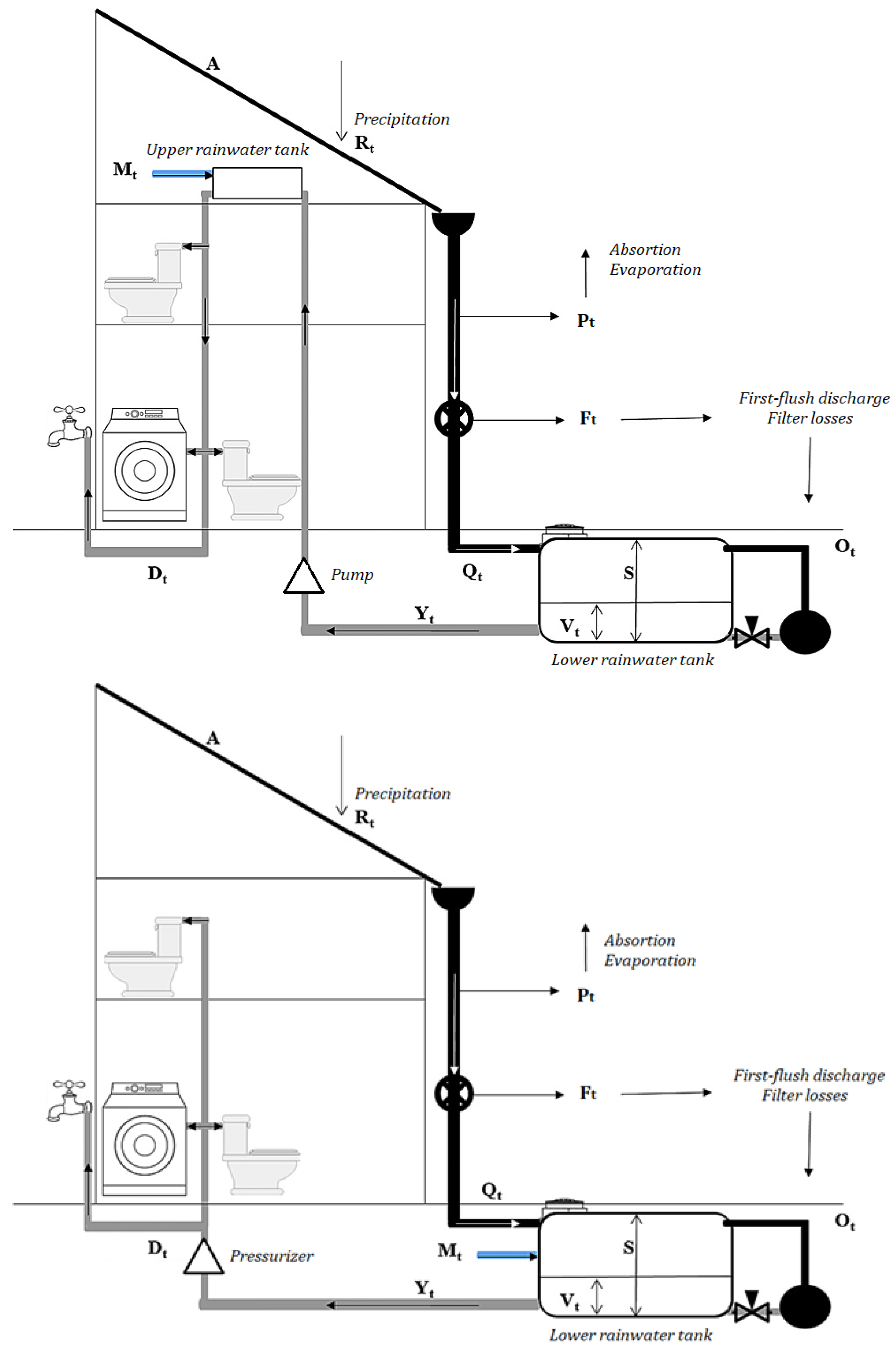
2.2. RWH Systems Simulation
2.3. Financial Feasibility Analysis
2.3.1. Initial Outlay
2.3.2. Operation and Maintenance
2.3.3. Financial Benefit
2.3.4. Lifespan
2.3.5. Feasibility Indicators
3. Results
3.1. Rainfall Data
3.2. RWH Systems Simulation
3.3. Financial Feasibility Analysis
3.3.1. Initial Outlay
3.3.2. Operational Cost
3.3.3. Feasibility Indicators
4. Conclusions
Supplementary Materials
Author Contributions
Funding
Institutional Review Board Statement
Informed Consent Statement
Data Availability Statement
Acknowledgments
Conflicts of Interest
References
- Campisano, A.; Butler, D.; Ward, S.; Burns, M.J.; Friedler, E.; DeBusk, K.; Fisher-Jeffes, L.N.; Ghisi, E.; Rahman, A.; Furumai, H.; et al. Urban rainwater harvesting systems: Research, implementation and future perspectives. Water Res. 2017, 115, 195–209. [Google Scholar] [CrossRef]
- Amos, C.; Rahman, A.; Gathenya, J.M. Economic analysis and feasibility of rainwater harvesting systems in urban and peri-urban environments: A review of the global situation with a special focus on Australia and Kenya. Water 2016, 8, 149. [Google Scholar] [CrossRef]
- Teston, A.; Geraldi, M.S.; Colasio, B.M.; Ghisi, E. Rainwater harvesting in buildings in Brazil: A literature review. Water 2018, 10, 471. [Google Scholar] [CrossRef]
- Imteaz, M.A.; Bayatvarkeshi, M.; Karim, M.R. Developing generalised equation for the calculation of payback period for rainwater harvesting systems. Sustainability 2021, 13, 4266. [Google Scholar] [CrossRef]
- Gómez, Y.D.; Teixeira, L.G. Residential rainwater harvesting: Effects of incentive policies and water consumption over economic feasibility. Resour. Conserv. Recycl. 2016, 127, 56–67. [Google Scholar] [CrossRef]
- NBR 15527/19; Aproveitamento de Água de Chuva de Coberturas para Fins não Potáveis-Requisitos [Rainwater Harvesting from Roofs for Non-Potable Uses-Requirements]. Associação Brasileira de Normas Técnicas [Brazilian Association of Technical Standards]: Rio de Janeiro, Brazil, 2019. (In Portuguese)
- Lima, G.N.; Lombardo, M.A.; Magaña, V. Urban water supply and the changes in the precipitation patterns in the metropolitan area of São Paulo–Brazil. Appl. Geogr. 2018, 94, 223–229. [Google Scholar] [CrossRef]
- Ghisi, E.; Schondermark, P.N. Investment feasibility analysis of rainwater use in residences. Water Resour. Manag. 2013, 27, 2555–2576. [Google Scholar] [CrossRef]
- Ghisi, E.; Oliveira, S.M. Potential for potable water savings by combining the use of rainwater and greywater in houses in southern Brazil. Build. Environ. 2007, 42, 1731–1742. [Google Scholar] [CrossRef]
- Ghisi, E.; Ferreira, D. Potential for potable water savings by using rainwater and greywater in a multi-storey residential building in southern Brazil. Build. Environ. 2007, 42, 2512–2522. [Google Scholar] [CrossRef]
- Severis, R.M.; Silva, F.A.; Wahrlich, J.; Skoronski, E.; Simioni, F.J. Economic analysis and risk-based assessment of the financial losses of domestic rainwater harvesting systems. Resour. Conserv. Recycl. 2019, 146, 206–217. [Google Scholar] [CrossRef]
- Berwanger, H.; Ghisi, E. Investment feasibility analysis of rainwater harvesting in the city of Itapiranga, Brazil. Int. J. Sustain. Hum. Dev. 2014, 2, 104–114. [Google Scholar]
- Cureau, R.J.; Ghisi, E. Electricity savings by reducing water consumption in a whole city: A case study in Joinville, Southern Brazil. J. Clean. Prod. 2020, 261, 121194. [Google Scholar] [CrossRef]
- Companhia de Saneamento do Paraná [Sanitation Company of Paraná]. Nossas Tarifas [Our Tariffs]. 2021. Available online: http://site.sanepar.com.br/clientes/nossas-tarifas (accessed on 8 October 2022). (In Portuguese).
- Nandi, S.; Gonela, V. Rainwater harvesting for domestic use: A systematic review and outlook from the utility policy and management perspectives. Util. Policy 2022, 77, 10138. [Google Scholar] [CrossRef]
- Chiu, Y.R.; Tsai, Y.L.; Chiang, Y.C. Designing rainwater harvesting systems cost-effectively in a urban water-energy saving scheme by using a GIS-simulation based design system. Water 2015, 7, 6285–6300. [Google Scholar] [CrossRef]
- Partzsch, L. Smart regulation for water innovation–the case of decentralised rainwater technology. J. Clean. Prod. 2009, 17, 985–991. [Google Scholar] [CrossRef]
- Cáceres, P.S.; Ramos, S.R.; Sant’Ana, D.R. Potencial de redução da exploração dos recursos hídricos locais pelo aproveitamento de água pluvial em residências no Distrito Federal [Potential to reduce exploitation of local water resources by means of residential rainwater harvesting in the Federal District of Brazil]. Paranoá Cad. Arquitetura Urban. 2019, 23, 11–19. (In Portuguese) [Google Scholar]
- Ghisi, E.; Cordova, M.M. Netuno 4. Computer Programme; School of Civil Engineering, Federal University of Santa Catarina: Florianópolis, Brazil, 2014; Available online: https://labeee.ufsc.br/downloads/softwares/netuno (accessed on 21 January 2021). (In Portuguese)
- Instituto Brasileiro de Geografia e Estatística [Brazilian Instute of Geography and Statistics]. Cidades e Estados [Cities and States]. 2020. Available online: https://www.ibge.gov.br/cidades-e-estados/pr/maringa.html (accessed on 4 March 2021). (In Portuguese)
- Rubel, F.; Kottek, M. Observed and projected climate shifts 1901–2100 depicted by world maps of the Köppen-Geiger climate classification. Meteorol. Z. 2010, 19, 135–141. [Google Scholar] [CrossRef]
- Instituto Nacional de Meteorologia [National Institute of Meteorology]. Banco de Dados Meteorológicos [Meteorological Database]. 2021. Available online: https://bdmep.inmet.gov.br/ (accessed on 4 March 2021). (In Portuguese)
- Abreu, R.L. Map of Brazil Indicating the Location of the State of Paraná and the City of Maringá. 2006. Available online: https://pt.wikipedia.org/wiki/Maring%C3%A1#/media/Ficheiro:Parana_Municip_Maringa.svg (accessed on 21 February 2021).
- Geraldi, M.S.; Ghisi, E. Short-term instead of long-term rainfall time series in rainwater harvesting simulation in houses: An assessment using Bayesian Network. Resour. Conserv. Recycl. 2019, 144, 1–12. [Google Scholar] [CrossRef]
- Walsh, R.P.D.; Lawler, D.M. Rainfall seasonality: Description, spatial patterns and change through time. Weather 1981, 36, 201–208. [Google Scholar] [CrossRef]
- Silva, A.S.; Ghisi, E. Uncertainty analysis of daily potable water demand on the performance evaluation of rainwater harvesting systems in residential buildings. J. Environ. Manag. 2016, 180, 82–93. [Google Scholar] [CrossRef]
- SNIS. Diagnóstico dos Serviços de Água e Esgoto-2019 [Diagnosis of Water and Sewage Services-2019]; Sistema Nacional de Informações sobre Saneamento (National System about Information on Sanitation) (SNIS): Brasília, Brazil, 2019. Available online: http://snis.gov.br/downloads/diagnosticos/ae/2019/Diagnostico_AE2019.pdf (accessed on 4 March 2021). (In Portuguese)
- Geraldi, M.S.; Ghisi, E. Influence of the length of rainfall time series on rainwater harvesting systems: A case study in Berlin. Resour. Conserv. Recycl. 2017, 125, 169–180. [Google Scholar] [CrossRef]
- Geraldi, M.S.; Ghisi, E. Assessment of the length of rainfall time series for rainwater harvesting in buildings. Resour. Conserv. Recycl. 2018, 133, 231–241. [Google Scholar] [CrossRef]
- NBR 15527/07; ÁGua de Chuva-Aproveitamento de Coberturas em Áreas Urbanas para Fins Não-Potáveis-Requisitos [Rainwater Harvesting from Roofs in Urban Areas for Non-Potable Uses-Requirements]. Associação Brasileira de Normas Técnicas [Brazilian Association of Technical Standards]: Rio de Janeiro, Brazil, 2007. (In Portuguese)
- Ghisi, E.; Cordova, M.M. Netuno 4: User Manual; School of Civil Engineering, Federal University of Santa Catarina: Florianópolis, Brazil, 2014; Available online: https://labeee.ufsc.br/downloads/softwares/netuno (accessed on 21 January 2021). (In Portuguese)
- Melville-Shreeve, P.; Ward, S.; Butler, D. Rainwater harvesting typologies for UK houses: A multi-criteria analysis of system configurations. Water 2016, 8, 129. [Google Scholar] [CrossRef]
- SINAPI. Sumário de Publicações e Documentação [Documentation and Publications Summary]; Sistema Nacional de Preços e Índices para a Construção Civil (National System of Prices and Indexes for Civil Construction): Brasília, Brazil, 2021. Available online: https://www.caixa.gov.br/Downloads/sinapi-composicoes-aferidas-sumario-composicoes-aferidas/SUMARIO_DE_PUBLICACOES_E_DOCUMENTACAO_DO_SINAPI.pdf (accessed on 9 January 2021). (In Portuguese)
- Companhia Paranaense de Energia [Power Supply Company from Paraná]. Taxas e Tarifas [Taxes and Tarriffs]. 2021. Available online: www.copel.com/hpcweb/copel-distribuicao/taxas-tarifas/ (accessed on 12 January 2021). (In Portuguese).
- Vieira, A.S.; Beal, C.D.; Ghisi, E.; Stewart, R.A. Energy intensity of rainwater harvesting systems: A review. Renew. Sustain. Energy Rev. 2014, 34, 225–242. [Google Scholar] [CrossRef]
- Sant’Ana, D.; Boeger, L.; Monteiro, L. Aproveitamento de Águas Pluviais e o Reúso de Águas Cinzas em Edifícios Residenciais de Brasília-Parte 2: Viabilidade Técnica e Econômica [Rainwater Harvesting and Greywater Reuse in Residential Buildings of Brasilia-Part 2: Technical and Economical Feasibility]. Paranoá Cad. Arquitetura Urban. 2013, 10, 85–94. (In Portuguese) [Google Scholar]
- BCB. Relatório de Inflação [Inflation Report]; Number 1; Banco Central do Brasil: Brasília, Brasil, 2020; Volume 22. Available online: https://www.bcb.gov.br/content/ri/relatorioinflacao/202003/ri202003p.pdf (accessed on 9 January 2021). (In Portuguese)
- Ghisi, E.; Cardoso, K.A.; Rupp, R.F. Short-term versus long-term rainfall time series in the assessment of potable water savings by using rainwater in houses. J. Environ. Manag. 2012, 100, 109–119. [Google Scholar] [CrossRef] [PubMed]
- INCC. Índice de Preço: INCC-DI/FGV [Price Index]. 2021. Available online: http://indiceseconomicos.secovi.com.br/indicadormensal.php?idindicador=59 (accessed on 12 January 2021). (In Portuguese).
- Carvalho, R.S. Potencial Econômico do Aproveitamento de Águas Pluviais: Análise da Implantação de um Sistema para a Região Urbana de Londrina [Economic Potential of Rainwater Harvesting: System Implementation Analysis for the Urban Region of Londrina]; Postgraduation in Public Works; Federal University of Paraná: Apucarana, Brazil, 2010. [Google Scholar]
- Sant’Ana, D. Rainwater harvesting in Brazil: Investigating the viability of rainwater harvesting for a household in Brasília. Built Environ. 2006, 86, 381–390. [Google Scholar]







| Parameter | Unit | Input Value |
|---|---|---|
| Rainwater distribution | - | Indirect 1; Direct 2 |
| Runoff coefficient | % | 80 |
| Roof area | m2 | 100, 200 and 300 |
| Number of dwellers | inhabitant | 2, 4 and 6 |
| Total water demand | L/inhab.day | 150 |
| Rainwater demand (% of total water demand) | % | 30, 50 and 70 |
| First-flush discharge | mm | 2 |
| Upper tank size | L | 1 Variable, 2 zero |
| Lower tank size | L | 1000–50,000 (at intervals of 1000) |
| Tank Size (L) | Catchment Area | ||
|---|---|---|---|
| 100 m2 | 200 m2 | 300 m2 | |
| 3000 | BRL 9696.27 | BRL 10,663.95 | BRL 11,412.88 |
| 4000 | BRL 10,539.29 | BRL 11,506.97 | BRL 12,255.90 |
| 5000 | BRL 11,439.27 | BRL 12,406.95 | BRL 13,155.88 |
| 6000 | BRL 12,339.35 | BRL 13,307.03 | BRL 14,055.96 |
| 7000 | BRL 13,289.68 | BRL 14,257.36 | BRL 15,006.29 |
| 8000 | BRL 14,290.26 | BRL 15,257.94 | BRL 16,006.87 |
| 9000 | BRL 15,341.09 | BRL 16,308.77 | BRL 17,057.71 |
| Catchment Area (m2) | Tanks (%) | Plumbing (%) | Civil Works (%) | Rain Collection (%) | Electrical System (%) |
|---|---|---|---|---|---|
| 100 | 26.18 | 22.68 | 20.94 | 18.84 | 11.35 |
| 200 | 24.32 | 20.97 | 19.41 | 24.79 | 10.50 |
| 300 | 23.06 | 19.82 | 18.37 | 28.82 | 9.92 |
| Catchment Area (m2) | Tanks (%) | Plumbing (%) | Civil Works (%) | Rain Collection (%) | Electrical System (%) |
|---|---|---|---|---|---|
| 100 | 24.58 | 20.98 | 21.36 | 14.21 | 18.87 |
| 200 | 22.84 | 19.44 | 19.75 | 13.14 | 24.83 |
| 300 | 21.66 | 18.40 | 18.66 | 12.42 | 28.87 |
| Rainwater Demand (m3/Month) | Tank Size (L) | Potential for Potable Water Savings (%) | Discounted Payback (Months) | Net Present Value (BRL) | Internal Rate of Return (% Monthly) | Monthly Operational Cost (BRL) |
|---|---|---|---|---|---|---|
| 2.7 | 5000 | 29.81 | - | −11,419.39 | −0.743 | 2.75 |
| 4.5 | 6000 | 47.69 | - | −11,706.92 | −0.533 | 1.79 |
| 6.3 | 6000 | 62.70 | - | −12,867.35 | −0.602 | 1.29 |
| 5.4 | 6000 | 27.69 | 257 | 4353.07 | 0.685 | 1.50 |
| 9.0 | 8000 | 42.42 | 194 | 10,750.24 | 0.871 | 1.05 |
| 12.6 | 7000 | 50.04 | 170 | 12,998.64 | 0.967 | 0.70 |
| 8.1 | 7000 | 25.76 | 187 | 10,797.61 | 0.897 | 1.08 |
| 13.5 | 7000 | 34.40 | 134 | 19,418.89 | 1.159 | 0.66 |
| 18.9 | 6000 | 37.34 | 112 | 23,410.29 | 1.322 | 0.44 |
| 2.7 | 4000 | 29.67 | - | −11,258.46 | −0.646 | 2.76 |
| 4.5 | 5000 | 48.17 | - | −11,764.25 | −0.531 | 1.80 |
| 6.3 | 6000 | 65.91 | - | −12,915.10 | −0.611 | 1.39 |
| 5.4 | 6000 | 28.82 | 268 | 3996.48 | 0.659 | 1.61 |
| 9.0 | 7000 | 45.05 | 182 | 12,168.13 | 0.915 | 1.10 |
| 12.6 | 8000 | 59.31 | 177 | 13,792.46 | 0.936 | 0.85 |
| 8.1 | 7000 | 27.56 | 187 | 11,507.62 | 0.895 | 1.16 |
| 13.5 | 8000 | 41.52 | 137 | 23,084.25 | 1.143 | 0.76 |
| 18.9 | 9000 | 53.02 | 107 | 33,650.63 | 1.386 | 0.58 |
| 2.7 | 4000 | 29.69 | - | −12,351.61 | −0.801 | 2.94 |
| 4.5 | 5000 | 48.48 | - | −12,606.90 | −0.566 | 1.91 |
| 6.3 | 6000 | 66.63 | - | −13,770.22 | −0.649 | 1.46 |
| 5.4 | 6000 | 29.01 | 285 | 3274.30 | 0.624 | 1.70 |
| 9.0 | 7000 | 46.14 | 189 | 11,944.54 | 0.890 | 1.10 |
| 12.6 | 8000 | 61.65 | 198 | 12,269.93 | 0.856 | 0.85 |
| 8.1 | 7000 | 28.12 | 194 | 11,213.78 | 0.869 | 1.22 |
| 13.5 | 9000 | 44.15 | 134 | 24,843.90 | 1.160 | 0.84 |
| 18.9 | 9000 | 56.44 | 105 | 35,879.60 | 1.401 | 0.61 |
| Rainwater Demand (m3/Month) | Tank Size (L) | Potential for Potable Water Savings (%) | Discounted Payback (Months) | Net Present Value (BRL) | Internal Rate of Return (% Monthly) | Monthly Operational Cost (BRL) |
|---|---|---|---|---|---|---|
| 2.7 | 6000 | 29.81 | - | −10,949.11 | −0.716 | 2.65 |
| 4.5 | 6000 | 47.65 | - | −11,236.65 | −0.512 | 1.73 |
| 6.3 | 7000 | 63.72 | - | −12,397.08 | −0.581 | 1.25 |
| 5.4 | 9000 | 27.64 | 247 | 4823.35 | 0.710 | 1.45 |
| 9.0 | 8000 | 42.29 | 187 | 11,220.52 | 0.895 | 1.02 |
| 12.6 | 7000 | 49.83 | 164 | 13,468.91 | 0.995 | 0.68 |
| 8.1 | 9000 | 25.68 | 180 | 11,267.89 | 0.924 | 1.05 |
| 13.5 | 9000 | 34.25 | 130 | 19,889.16 | 1.191 | 0.64 |
| 18.9 | 6000 | 36.95 | 109 | 23,880.56 | 1.361 | 0.43 |
| 2.7 | 5000 | 29.66 | - | −10,788.19 | −0.622 | 2.67 |
| 4.5 | 5000 | 48.10 | - | −11,293.98 | −0.511 | 1.74 |
| 6.3 | 6000 | 65.80 | - | −12,444.82 | −0.590 | 1.35 |
| 5.4 | 7000 | 28.77 | 258 | 4466.75 | 0.682 | 1.56 |
| 9.0 | 7000 | 44.94 | 176 | 12,638.41 | 0.940 | 1.07 |
| 12.6 | 8000 | 59.08 | 172 | 14,262.73 | 0.960 | 0.83 |
| 8.1 | 9000 | 27.50 | 181 | 11,977.89 | 0.920 | 1.13 |
| 13.5 | 9000 | 42.18 | 133 | 23,554.52 | 1.169 | 0.74 |
| 18.9 | 7000 | 52.70 | 104 | 34,120.91 | 1.416 | 0.57 |
| 2.7 | 4000 | 29.68 | - | −11,881.33 | −0.773 | 2.84 |
| 4.5 | 4000 | 48.41 | - | −12,136.63 | −0.546 | 1.85 |
| 6.3 | 5000 | 66.53 | - | −13,299.95 | −0.629 | 1.42 |
| 5.4 | 6000 | 28.97 | 275 | 3744.57 | 0.646 | 1.65 |
| 9.0 | 6000 | 46.01 | 183 | 12,414.81 | 0.914 | 1.07 |
| 12.6 | 6000 | 62.53 | 192 | 12,740.20 | 0.877 | 0.83 |
| 8.1 | 7000 | 28.06 | 188 | 11,684.05 | 0.892 | 1.19 |
| 13.5 | 7000 | 43.97 | 131 | 25,314.18 | 1.185 | 0.82 |
| 18.9 | 7000 | 56.08 | 102 | 36,349.87 | 1.430 | 0.60 |
Publisher’s Note: MDPI stays neutral with regard to jurisdictional claims in published maps and institutional affiliations. |
© 2022 by the authors. Licensee MDPI, Basel, Switzerland. This article is an open access article distributed under the terms and conditions of the Creative Commons Attribution (CC BY) license (https://creativecommons.org/licenses/by/4.0/).
Share and Cite
Istchuk, R.N.; Ghisi, E. Financial Feasibility Analysis of Residential Rainwater Harvesting in Maringá, Brazil. Sustainability 2022, 14, 12859. https://doi.org/10.3390/su141912859
Istchuk RN, Ghisi E. Financial Feasibility Analysis of Residential Rainwater Harvesting in Maringá, Brazil. Sustainability. 2022; 14(19):12859. https://doi.org/10.3390/su141912859
Chicago/Turabian StyleIstchuk, Rodrigo Novais, and Enedir Ghisi. 2022. "Financial Feasibility Analysis of Residential Rainwater Harvesting in Maringá, Brazil" Sustainability 14, no. 19: 12859. https://doi.org/10.3390/su141912859
APA StyleIstchuk, R. N., & Ghisi, E. (2022). Financial Feasibility Analysis of Residential Rainwater Harvesting in Maringá, Brazil. Sustainability, 14(19), 12859. https://doi.org/10.3390/su141912859

