Development Status and Future Strategies of Networked Distribution System
Abstract
:1. Introduction
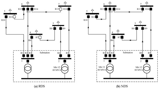
2. Networked Distribution System
2.1. Design and Operational Philosophy
- Increase system reliability by minimizing the area of power outage by blocking the fault section at high speed;
- Improve facility utilization through load leveling by connecting lines with different load characteristics;
- Avoid construction of new feeders through increasing the maximum load within the same area;
- Reduce terminal voltage drops and line losses;
- Mitigate overload/low voltage by low-concurrent electric vehicles;
- Improve linkage capacity by sharing intermediate and terminal connected distribution power among multiple feeders;
- Prevent safety accidents and electrical fires by increasing detection rate of abnormal failure (HIF due to open circuit).
2.2. N:N Communication-Based Protection Coordination Method
2.3. Abnormal Fault Handling Technology
- Low ground current or similar to normal load current, resulting in small voltage drop;
- Typically contains a significant number of harmonics, but in some cases, it contains little harmonic components;
- No single measurable parameter to detect all HIFs;
- Arc decreases over time and may not be detected after several minutes;
- Duration is long (several seconds ~ minutes) and should be detected in early stages of occurrence;
- If open circuit occurs, load current decreases or instantaneous overcurrent occurs.
3. Development Status and Research Results Validation
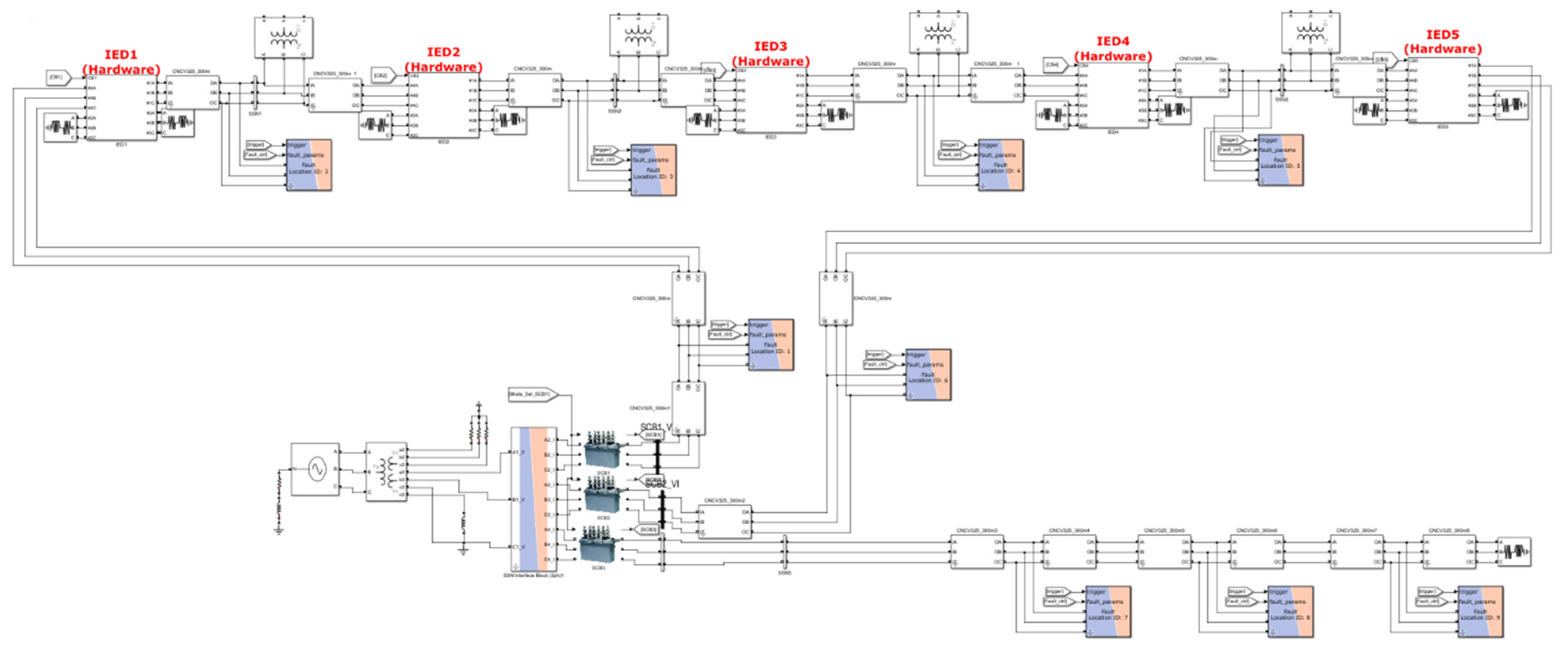
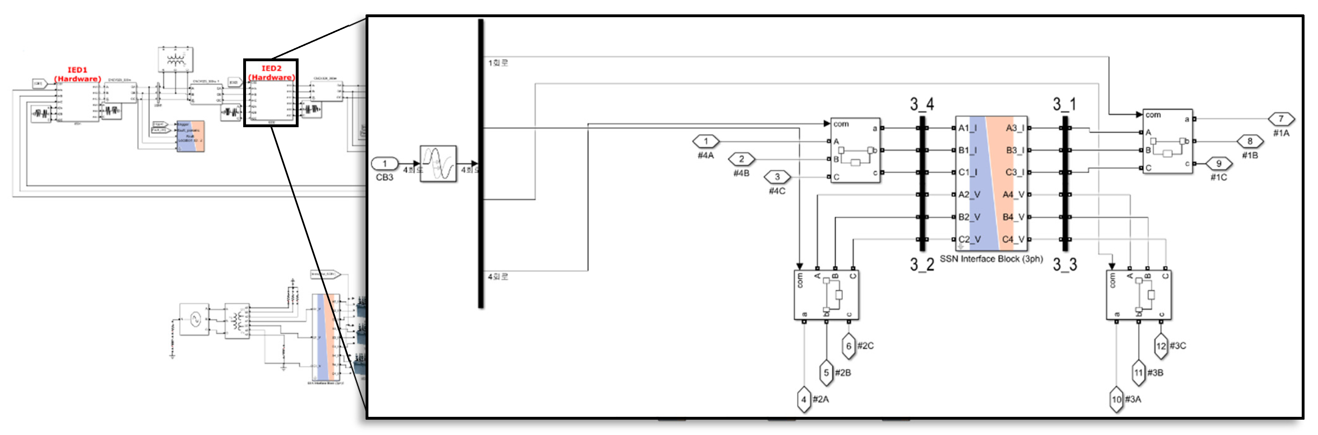
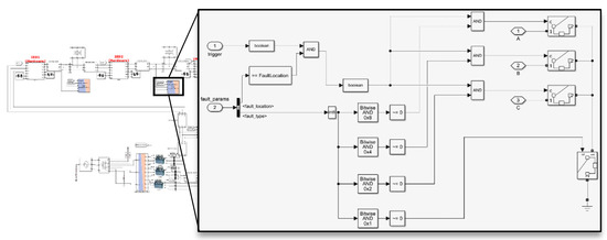
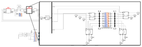
3.1. NIED Prototype
3.2. Development of Power Flow Control Technology
3.3. Power Hardware in the Loop Simulation (P-HILS)
3.4. P-HILS Rresults
3.4.1. General Fault Situation
3.4.2. Results for Load Variability and Line Length Changes
3.4.3. High Impedance Fault (HIF)
3.4.4. Directionality Determination Failure
3.4.5. Communication Failure
3.4.6. Breaker Blocking Failure
3.4.7. Connection Breaker Open Status
4. Future Strategies
5. Conclusions
Author Contributions
Funding
Institutional Review Board Statement
Informed Consent Statement
Data Availability Statement
Conflicts of Interest
Abbreviations
| RDS | Radial distribution system |
| CLS | Closed-loop system |
| MDS | Meshed distribution system |
| NDS | Networked distribution system |
| TCC | Time-current curve |
| DSO | Distribution system operator |
| SMP | System marginal price |
| EV | Electric vehicle |
| DG | Distributed generator |
| DOCR | Directional overcurrent relay |
| OCGR | Overcurrent ground relay |
| DAS | Distribution automation system |
| IED | Intelligent electronic device |
| NIED | IED for NDS |
| CNDS conversion | Conversion cost to NDS |
| Cflow control device | Flow control device installation and operation cost |
| Ci | Power outage damage reduction cost |
| Cj | Voltage variability and terminal voltage drop alleviation cost |
| Ck | Facility extension cost |
| Cl | Line extension cost |
| DTT | Communication-based directional transfer trip |
| DCT | Directional comparison trip |
| DDS | Data distribution service |
| OMG | Object management group |
| GDS | Global data space |
| QoS | Quality of service |
| CPU | Central processing unit |
| HIF | High impedance fault |
| P-HILS | Power hardware in the loop simulation |
| RTDS | Real-time digital simulator |
| PTC | Power test center |
| CB | Circuit breaker |
| SCBR | Substation CB relay |
| VI | Vacuum interrupter |
| ML | Main line |
| BL | Branch line |
| F | Feeder |
| IEC VI | IEC very inverse curve |
| MTA | Maximum torque angle |
| RCA | Relay characteristic angle |
References
- Lee, J.; Chae, W.; Kim, W.; Choi, S. Control Strategy for Line Overload and Short Circuit Current of Networked Distribution Systems. Sustainability 2022, 14, 4208. [Google Scholar] [CrossRef]
- Lee, J.; Yoon, M.; Chae, W.; Kim, W.; Choi, S. Strategy for Optimal Grid Planning and System Evaluation of Networked Distribution Systems. Sustainability 2022, 14, 304. [Google Scholar] [CrossRef]
- Kim, W.H.; Kim, J.Y.; Chae, W.K.; Kim, G.; Lee, C.K. LSTM-Based Fault Direction Estimation and Protection Coordination for Networked Distribution System. IEEE Access 2022, 10, 40348–40357. [Google Scholar] [CrossRef]
- Benmouyal, G.; Roberts, J. Superimposed Quantities: Their True Nature and Application in Relays. In Proceedings of the 26th Annual Western Protective Relay Conference, Spokane, WA, USA, 26–28 October 1999. [Google Scholar]
- Kasztenny, B.; Cambell, B.; Mazereeuw, J. Phase Selection for Single-Pole Tripping–Weak Infeed Conditions and Cross-Country Faults. In Proceedings of the 27th Annual Western Protective Relay Conference, Spokane, WA, USA, 24–26 October 2000. [Google Scholar]
- Loos, M.; Werben, S.; Maun, J.C. Circulating Currents in Closed Loop Structure, a New Problematic in Distribution Networks. In Proceedings of the 2012 IEEE Power and Energy Society General Meeting, San Diego, CA, USA, 22–26 July 2012; pp. 1–7. [Google Scholar]
- Yazdaninejadi, A.; Nazarpour, D.; Golshannavaz, S. Dual-setting directional over-current relays: An optimal coordination in multiple source meshed distribution networks. Int. J. Electr. Power Energy Syst. 2017, 86, 163–176. [Google Scholar] [CrossRef]
- Amraee, T. Coordination of directional overcurrent relays using seeker algorithm. IEEE Trans. Power Del. 2012, 27, 14151422. [Google Scholar] [CrossRef]
- Celli, G.; Pilo, F.; Pisano, G.; Allegranza, V.; Cicoria, R.; Iaria, A. Meshed vs. Radial MY Distribution Network in Presence of Large Amount of DG. In Proceedings of the IEEE PES Power Systems Conference and Exposition, New York, NY, USA, 10–13 October 2004; pp. 709–714. [Google Scholar]
- Capitanescu, F.; Ochoa, L.F.; Margossian, H.; Hatziargyriou, N.D. Assessing the Potential of Network Reconfiguration to Improve Distributed Generation Hosting Capacity in Active Distribution Systems. IEEE Trans. Power Syst. 2014, 30, 346–356. [Google Scholar] [CrossRef]
- Davoudi, M.; Cecchi, V.; Aguero, J.R. Investigating the Ability of Meshed Distribution Systems to Increase Penetration Levels of Distributed Generation. In Proceedings of the IEEE Southeastcon 2014, Lexington, KY, USA, 13–16 March 2014; pp. 1–5. [Google Scholar]
- Cruz, M.R.M.; Fitiwi, D.Z.; Santos, S.F.; Catalao, J.P.S. Meshed Operation of Distribution Network Systems: Enabling Increased Utilization of Variable RES Power. In Proceedings of the IEEE International Conference on Environment and Electrical Engineering and 2018 IEEE Industrial and Commercial Power Systems Europe (EEEIC/I&CPS Europe), Palermo, Italy, 12–15 June 2018; pp. 1–6. [Google Scholar]
- Cruz, M.R.M.; Fitiwi, D.Z.; Santos, S.F.; Mariano, S.J.P.S.; Catalao, J.P.S. Prospects of a Meshed Electrical Distribution System Featuring Large-Scale Variable Renewable Power. Energies 2018, 11, 3399. [Google Scholar] [CrossRef]
- Alvarez-Herault, M.C.; N’Doye, N.; Gandioli, C.; Hadjsaid, N.; Tixador, P. Meshed distribution network vs reinforcement to increase the distributed generation connection. Sustain. Energy Grids Netw. 2015, 1, 20–27. [Google Scholar]
- Wolter, D.; Zdrallek, M.; Stotzel, M.; Schacherer, C.; Mladenovic, I.; Biller, M. Impact of meshed grid topologies on distribution grid planning and operation. CIRED—Open Access Proc. J. 2017, 2017, 2338–2341. [Google Scholar] [CrossRef]
- Hatata, A.Y.; Ebeid, A.S.; El-Saadawi, M.M. Optimal restoration of directional overcurrent protection coordination for meshed distribution system integrated with DGs based on FCLs and adaptive relays. Electr. Power Syst. Res. 2022, 205, 107738. [Google Scholar] [CrossRef]
- Li, Z.; Onar, O.; Khaligh, A.; Schaltz, E. Design and Control of a Multiple Input DC/DC Converter for Battery/Ultra-capacitor Based Electric Vehicle Power System. In Proceedings of the 2009 Twenty-Fourth Annual IEEE Applied Power Electronics Conference and Exposition, Washington, DC, USA, 15–19 February 2009; pp. 591–596. [Google Scholar] [CrossRef]
- Sortomme, E.; Venkata, S.S.; Mitra, J. Microgrid protection using communication-assisted digital relays. IEEE Trans. Power Del. 2010, 25, 2789–2796. [Google Scholar] [CrossRef]
- Chalapathi, B.; Agrawal, D.; Murty, V.V.S.N.; Kumar, A. Optimal Placement of Distributed Generation in Weakly Meshed Distribution Network for Energy Efficient Operation. In Proceedings of the 2015 Conference on Power Control Communication and Computational Technologies for Sustainable Growth (PCCCTSG), Kurnool, India, 11–12 December 2015; pp. 150–155. [Google Scholar]
- Tsimtsios, A.M.; Nikolaidis, V.C. Towards plug-and-play protection for meshed distribution systems with DG. IEEE Trans. Smart Grid 2020, 11, 1980–1995. [Google Scholar] [CrossRef]
- Singh, M. Protection coordination in distribution systems with and without distributed energy resources- a review. Prot. Control. Mod. Power Syst. 2017, 2, 27. [Google Scholar] [CrossRef]














| Process Name | Communication Method | Function |
|---|---|---|
| Main Management Process | Shared Memory | - Execute all processes - Check operational status of each process - Check and re-run paused processes |
| CPU Process | Serial communication | - Receiving and storing CPU setting information - Receives and stores CPU initial circuit status - Store circuit data at point of fault diagnosis - Re-request setting information - Check communication status |
| Function Process (Module Process) | DDS | - Sending and receiving circuit data (local and remote) during fault diagnosis. - Judgment regarding processing received data. - Designating module of data recipient through the mapping information - Check communication of other modules - Sending data to other modules in the event of a fault |
| Monitoring Process | ZeroMQ | - Sending logs to the monitoring program - Sending CPU and module status information to the monitoring program - Sending CPU and module setting information to the monitoring program - Modifying module information by checking data from the monitoring program |
| Section | Classification | Line Type | Length [m] | Transformer for DG |
|---|---|---|---|---|
| DL#1CB∼IED1 | First section | Phase line: CNCV 325sq Neutral line: CNCV 90sq | 1000 | X |
| IED1∼2 | Main line | 1000 | ○ | |
| IED2∼3 | Main line | 1000 | ○ | |
| IED3∼4 | Main line | 1000 | ○ | |
| IED4∼5 | Main line | 1000 | ○ | |
| IED5∼DL#2CB | First section | 1000 | X | |
| DL#3∼F7 | Remote line | 500 | X | |
| DL#3∼F8 | Remote line | 1000 | X | |
| DL#3∼F9 | Remote line | 1500 | X |
| Classification | Simulation Conditions |
|---|---|
| General fault | Fault location, type, resistance |
| Load size and line length | |
| Infrequent fault | High resistance ground fault |
| Directional determination failed (Other line failure) | |
| Communication failure | |
| Breaker blocking failure | |
| Link breaker open status | |
| n + 1 Scenario | Change of system structure |
| Breakdown of the communication system | |
| Linkage between other banks and substations | |
| Multiple failures |
| Fault Type | Fault Resistance [Ω] | Successful Protection Coordination by Fault Location | |||||
|---|---|---|---|---|---|---|---|
| F1 | F2 | F3 | F4 | F5 | F6 | ||
| DL1CB IED1-4 | IED1-1 IED2-4 | IED2-1 IED3-4 | IED3-1 IED4-4 | IED4-1 IED5-4 | IED5-1 DL2CB | ||
| AG | 0.01 | O | O | O | O | O | O |
| 1∼10 | O | O | O | O | O | O | |
| BG | 0.01 | O | O | O | O | O | O |
| 1∼10 | O | O | O | O | O | O | |
| CG | 0.01 | O | O | O | O | O | O |
| 1∼10 | O | O | O | O | O | O | |
| ABG | 0.01 | O | O | O | O | O | O |
| 1∼10 | O | O | O | O | O | O | |
| BCG | 0.01 | O | O | O | O | O | O |
| 1∼10 | O | O | O | O | O | O | |
| CAG | 0.01 | O | O | O | O | O | O |
| 1∼10 | O | O | O | O | O | O | |
| ABCG | 0.01 | O | O | O | O | O | O |
| 1∼10 | O | O | O | O | O | O | |
| AB | 0.01 | O | O | O | O | O | O |
| 1∼10 | O | O | O | O | O | O | |
| BC | 0.01 | O | O | O | O | O | O |
| 1∼10 | O | O | O | O | O | O | |
| CA | 0.01 | O | O | O | O | O | O |
| 1∼10 | O | O | O | O | O | O | |
| ABC | 0.01 | O | O | O | O | O | O |
| 1∼10 | O | O | O | O | O | O | |
| Fault Type | IED2 | IED1 | DL#1 CB’s Current Waveform |
|---|---|---|---|
| AG(F2, 1Ω) | ![]() | ![]() | ![]() |
| BG(F2, 1Ω) | ![]() | ![]() | ![]() |
| CG(F2, 1Ω) | ![]() | ![]() | ![]() |
| ABG(F2, 1Ω) | ![]() | ![]() | ![]() |
| BCG(F2, 1Ω) | ![]() | ![]() | ![]() |
| CAG(F2, 1Ω) | ![]() | ![]() | ![]() |
| ABCG(F2, 1Ω) | ![]() | ![]() | ![]() |
| AB(F2, 1Ω) | ![]() | ![]() | ![]() |
| BC(F2, 1Ω) | ![]() | ![]() | ![]() |
| CA(F2, 1Ω) | ![]() | ![]() | ![]() |
| ABC(F2, 1Ω) | ![]() | ![]() | ![]() |
| Fault Type | Fault Impedance [Ω] | Successful Protection Coordination by Fault Location | |||||
|---|---|---|---|---|---|---|---|
| F1 | F2 | F3 | F4 | F5 | F6 | ||
| DL1CB IED1-4 | IED1-1 IED2-4 | IED2-1 IED3-4 | IED3-1 IED4-4 | IED4-1 IED5-4 | IED5-1 DL2CB | ||
| AG | 10 | O | O | O | O | O | O |
| BG | 10 | O | O | O | O | O | O |
| CG | 10 | O | O | O | O | O | O |
| ABG | 10 | O | O | O | O | O | O |
| BCG | 10 | O | O | O | O | O | O |
| CAG | 10 | O | O | O | O | O | O |
| ABCG | 10 | O | O | O | O | O | O |
Publisher’s Note: MDPI stays neutral with regard to jurisdictional claims in published maps and institutional affiliations. |
© 2022 by the authors. Licensee MDPI, Basel, Switzerland. This article is an open access article distributed under the terms and conditions of the Creative Commons Attribution (CC BY) license (https://creativecommons.org/licenses/by/4.0/).
Share and Cite
Kim, W.-H.; Chae, W.-K.; Lee, H.-M.; No, H.-W.; Kim, D.-S. Development Status and Future Strategies of Networked Distribution System. Sustainability 2022, 14, 11266. https://doi.org/10.3390/su141811266
Kim W-H, Chae W-K, Lee H-M, No H-W, Kim D-S. Development Status and Future Strategies of Networked Distribution System. Sustainability. 2022; 14(18):11266. https://doi.org/10.3390/su141811266
Chicago/Turabian StyleKim, Woo-Hyun, Woo-Kyu Chae, Hyeon-Myeong Lee, Hyun-Woo No, and Dong-Sub Kim. 2022. "Development Status and Future Strategies of Networked Distribution System" Sustainability 14, no. 18: 11266. https://doi.org/10.3390/su141811266
APA StyleKim, W.-H., Chae, W.-K., Lee, H.-M., No, H.-W., & Kim, D.-S. (2022). Development Status and Future Strategies of Networked Distribution System. Sustainability, 14(18), 11266. https://doi.org/10.3390/su141811266


































