Phase Shift-Controlled Dual-Frequency Multi-Load Converter with Independent Power Control for Induction Cooking Applications
Abstract
:1. Introduction
2. Analysis of the Circuit and Operating Modes
2.1. Dual-Output High-Frequency Inverter
2.2. Dual-Frequency Pulse Generation and Analysis of the Load
2.3. Selection of Dual Switching Frequency
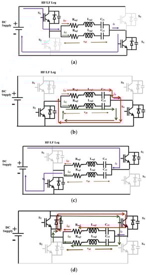
2.4. Operating Modes
2.5. Phase Shift Control-Based Pulse Generation
3. Experimental Results of the Phase Shift Control Technique
4. Conclusions
Author Contributions
Funding
Institutional Review Board Statement
Informed Consent Statement
Data Availability Statement
Conflicts of Interest
Nomenclature
| Load 1’s resonant frequency | |
| Load 2’s resonant frequency | |
| Input voltage | |
| Load voltage | |
| Pre-charged capacitor 1 voltage | |
| Pre-charged capacitor 2 voltage | |
| Resonant capacitor 1’s voltage | |
| Resonant capacitor 2’s voltage | |
| Load 1’s output current | |
| Load 2’s output current | |
| Load 1’s net resistance | |
| Load 2’s net resistance | |
| Load 1’s net inductance | |
| Load 2’s net inductance | |
| Load 1’s resonant capacitor | |
| Load 2’s resonant capacitor | |
| Load 1’s net impedance | |
| Load 2’s net impedance | |
| Load 1’s output power | |
| Load 2’s output power | |
| Total power | |
| Load 1’s resonant frequency | |
| Load 2’s resonant frequency | |
| PS-based power for load 1 | |
| PS-based power for load 2 | |
| Switching frequency of load 1 | |
| Switching frequency of load 2 | |
| Control angle of load 1 | |
| Control angle of load 2 |
References
- Vishnuram, P.; Ramachandran, G.; Ramasamy, S.; Dayalan, S. A comprehensive overview of power converter topologies for induction heating applications. Int. Trans. Electr. Energy Syst. 2020, 30, e12554. [Google Scholar] [CrossRef]
- Gomes, R.C.M.; Vitorino, M.A.; Acevedo-Bueno, D.A.; Corrêa, M.B.d.R. Multiphase Resonant Inverter with Coupled Coils for AC–AC Induction Heating Application. IEEE Trans. Ind. Appl. 2020, 56, 551–560. [Google Scholar] [CrossRef]
- Lucía, O.; Maussion, P.; Dede, E.J.; Burdío, J.M. Induction Heating Technology and Its Applications: Past Developments, Current Technology, and Future Challenges. IEEE Trans. Ind. Electron. 2014, 61, 2509–2520. [Google Scholar] [CrossRef]
- Komeda, S.; Fujita, H. A Phase-Shift-Controlled High-Frequency Cycloconverter for Induction Heaters. IEEE Trans. Power Electron. 2017, 99, 1. [Google Scholar] [CrossRef]
- Moreland, W.C. The Induction Range: Its Performance and Its Development Problems. IEEE Trans. Ind. Appl. 1973, IA-9, 81–85. [Google Scholar] [CrossRef]
- Forest, F.; Faucher, S.; Gaspard, J.; Montloup, D.; Huselstein, J.; Joubert, C. Frequency-Synchronized Resonant Converters for the Supply of Multiwinding Coils in Induction Cooking Appliances. IEEE Trans. Ind. Electron. 2007, 54, 441–452. [Google Scholar] [CrossRef]
- Forest, F.; Laboure, E.; Costa, F.; Gaspard, J.Y. Principle of a multi-load/single converter system for low power induction heating. IEEE Trans. Power Electron. 2000, 15, 223–230. [Google Scholar] [CrossRef]
- Burdio, J.M.; Monterde, F.; Garcia, J.R.; Barragan, L.A.; Martinez, A. A two-output series-resonant inverter for induction-heating cooking appliances. IEEE Trans. Power Electron. 2005, 20, 815–822. [Google Scholar] [CrossRef]
- Zenitani, S.; Okamoto, M.; Hiraki, E.; Tanaka, T. A charge boost type multi output full bride high frequency soft switching inverter for IH cooking appliance. In Proceedings of the 14th International Power Electronics and Motion Control Conference EPE-PEMC 2010, Ohrid, North Macedonia, 6–8 September 2010; pp. T2-127–T2-133. [Google Scholar] [CrossRef]
- Lucía, O.; Burdío, J.M.; Barragan, L.A.; Acero, J.; Millán, I. Series-Resonant Multiinverter for Multiple Induction Heaters. IEEE Trans. Power Electron. 2010, 25, 2860–2868. [Google Scholar] [CrossRef]
- Papani, S.K.; Neti, V.; Murthy, B. Dual frequency inverter configuration for multiple-load induction cooking application. IET Power Electron. 2015, 8, 591–601. [Google Scholar] [CrossRef]
- Sarnago, H.; Guillén, P.; Burdío, J.M.; Lucia, O. Multiple-Output ZVS Resonant Inverter Architecture for Flexible Induction Heating Appliances. IEEE Access 2019, 7, 157046–157056. [Google Scholar] [CrossRef]
- Hosseini, S.; Sharifian, M.; Sabahi, M.; Yazdanpanah, A.; Gharehpetian, G. Bi-directional power electronic transformer for induction heating systems. In Proceedings of the 2008 Canadian Conference on Electrical and Computer Engineering, Dhaka, Bangladesh, 20–22 December 2008; pp. 000347–000350. [Google Scholar] [CrossRef]
- Lucia, O.; Carretero, C.; Burdio, J.M.; Acero, J.; Almazan, F. Multiple-Output Resonant Matrix Converter for Multiple Induction Heaters. IEEE Trans. Ind. Appl. 2012, 48, 1387–1396. [Google Scholar] [CrossRef]
- Vishnuram, P.; Ramachandran, G. Capacitor-Less induction heating system with self-resonant bifilar coil. Int. J. Circuit Theory Appl. 2020, 48, 1411–1425. [Google Scholar] [CrossRef]
- Bhaskar, D.; Yagnyaseni, N.; Maity, T.; Vishwanathan, N. Comparison of control methods for high frequency IH cooking applications. In Proceedings of the 2014 Power and Energy Systems: Towards Sustainable Energy 2014, Bangalore, India, 13–15 March 2014; pp. 1–6. [Google Scholar] [CrossRef]
- Vishnuram, P.; Ramachandran, G.; Ramasamy, S. A Novel Power Control Technique for Series Resonant Inverter-Fed Induction Heating System with Fuzzy-Aided Digital Pulse Density Modulation Scheme. Int. J. Fuzzy Syst. 2017, 20, 1115–1129. [Google Scholar] [CrossRef]
- Salvi, B.; Porpandiselvi, S.; Vishwanathan, N. A Three Switch Resonant Inverter for Multiple Load Induction Heating Applications. IEEE Trans. Power Electron. 2022, 37, 12108–12117. [Google Scholar] [CrossRef]
- Jang, E.; Kwon, M.J.; Park, S.M.; Ahn, H.M.; Lee, B.K. Analysis and Design of Flexible-Surface Induction-Heating Cooktop with GaN-HEMT-Based Multiple Inverter System. IEEE Trans. Power Electron. 2022, 37, 12865–12876. [Google Scholar] [CrossRef]
- Sankhe, D.N.; Sawant, R.R.; Rao, Y.S. FPGA-Based Hybrid Control Strategy for Resonant Inverter in Induction Heating Applications. IEEE J. Emerg. Sel. Top. Ind. Electron. 2022, 3, 156–165. [Google Scholar] [CrossRef]
- Viriya, P.; Yongyuth, N.; Matsuse, K. Analysis of Two Continuous Control Regions of Conventional Phase Shift and Transition Phase Shift for Induction Heating Inverter under ZVS and NON-ZVS Operation. IEEE Trans. Power Electron. 2008, 23, 2794–2805. [Google Scholar] [CrossRef]
- Lucia, O.; Acero, J.; Burdio, J.; Carretero, C. Phase-shift modulation in double half-bridge inverter with common resonant capacitor for induction heating appliances. IET Power Electron. 2015, 8, 1128–1136. [Google Scholar] [CrossRef]
- Mishima, T.; Sakamoto, S.; Ide, C. ZVS Phase-Shift PWM-Controlled Single-Stage Boost Full-Bridge AC–AC Converter for High-Frequency Induction Heating Applications. IEEE Trans. Ind. Electron. 2017, 64, 2054–2061. [Google Scholar] [CrossRef]
- Gomes, R.C.M.; Vitorino, M.A.; Acevedo-Bueno, D.A.; CorrEa, M.B.d.R. Three-Phase AC–AC Converter with Diode Rectifier for Induction Heating Application with Improved Input Current Quality and Coil Modeling. IEEE Trans. Ind. Appl. 2021, 57, 2673–2681. [Google Scholar] [CrossRef]
- Acero, J.; Carretero, C.; Alonso, R.; Burdio, J.M. Quantitative Evaluation of Induction Efficiency in Domestic Induction Heating Applications. IEEE Trans. Magn. 2013, 49, 1382–1389. [Google Scholar] [CrossRef]
- Meng, L.; Cheng, K.; Chan, K.; Lu, Y. Variable turn pitch coils design for heating performance enhancement of commercial induction cooker. Power Electron. IET 2012, 5, 134–141. [Google Scholar] [CrossRef]
- Vishnuram, P.; Ramachandran, G. A simple multi-frequency multiload independent power control using pulse density modulation scheme for cooking applications. Int. Trans. Electr. Energy Syst. 2021, 31, e12771. [Google Scholar] [CrossRef]
- Huang, M.S.; Liao, C.C.; Li, Z.F.; Shih, Z.R.; Hsueh, H.W. Quantitative Design and Implementation of an Induction Cooker for a Copper Pan. IEEE Access 2021, 9, 5105–5118. [Google Scholar] [CrossRef]
- Esteve, V.; Jordán, J.; Dede, E.J.; Sanchis-Kilders, E.; Martinez, P.J.; Maset, E.; Gilabert, D. Optimal LLC Inverter Design with SiC MOSFETs and Phase Shift Control for Induction Heating Applications. IEEE Trans. Ind. Electron. 2022, 69, 11100–11111. [Google Scholar] [CrossRef]
- Oh, Y.; Yeon, J.; Kang, J.; Galkin, I.; Oh, W.; Cho, K. Sensorless Control of Voltage Peaks in Class-E Single-Ended Resonant Inverter for Induction Heating Rice Cooker. Energies 2021, 14, 4545. [Google Scholar] [CrossRef]














| S.No | Parameters | Value |
|---|---|---|
| 1 | 80 V | |
| 2 | 500–1000 W | |
| 3 | 11 | |
| 4 | 0.12 mH | |
| 5 | 620 nF | |
| 6 | 38 nF | |
| 7 | 18.5 kHz | |
| 8 | 20 kHz | |
| 9 | 75 kHz | |
| 10 | 80 kHz | |
| 11 | 20 Hz | |
| 12 | Q | 5.5 |
| S.No | (%) | (%) | (V) | (A) | (W) | (A) | (W) | (A) | (W) | (W) | Efficiency (%) |
|---|---|---|---|---|---|---|---|---|---|---|---|
| 1 | 0 | 0 | 80 | 11.26 | 901.10 | 7.07 | 550 | 4.95 | 270 | 820 | 91 |
| 2 | 36 | 36 | 80 | 9.21 | 737.08 | 6.32 | 440 | 4.43 | 216 | 656 | 89 |
| 3 | 72 | 72 | 80 | 6.95 | 555.93 | 5.48 | 330 | 3.84 | 162 | 492 | 88.5 |
| 4 | 99 | 99 | 80 | 5.30 | 424.14 | 4.74 | 247.5 | 3.32 | 121.5 | 369 | 87 |
| 5 | 135 | 135 | 80 | 2.95 | 236.18 | 3.54 | 137.5 | 2.48 | 67.5 | 205 | 86.8 |
| 6 | 171 | 171 | 80 | 0.60 | 48.24 | 1.58 | 27.5 | 1.11 | 13.5 | 41 | 85 |
| Reference | Converter Topology | Number of Semiconductor Switches | Modulation Technique | Efficiency at Rated Power (%) | Load Handling Capacity | Applications |
|---|---|---|---|---|---|---|
| [7] | Two output series resonant inverters | 6 | AVC | 90.2 | 2 | Cooking |
| [28] | Buck boost converter fed half-bridge inverter | 4 | VFC | 80.1 | 1 | Cooking |
| [29] | LLC resonant inverter | 7 | PSC | 92 | 1 | Melting |
| [30] | Class-E inverter | 1 | PWM | 88.13 | 1 | Cooking |
| Proposed | Dual-frequency converter | 4 | PS | 91 | 2 | Cooking |
Publisher’s Note: MDPI stays neutral with regard to jurisdictional claims in published maps and institutional affiliations. |
© 2022 by the authors. Licensee MDPI, Basel, Switzerland. This article is an open access article distributed under the terms and conditions of the Creative Commons Attribution (CC BY) license (https://creativecommons.org/licenses/by/4.0/).
Share and Cite
Vishnuram, P.; Kumar, S.; Singh, V.K.; Babu, T.S.; Kannan, R.; Hasan, K.N.B.M. Phase Shift-Controlled Dual-Frequency Multi-Load Converter with Independent Power Control for Induction Cooking Applications. Sustainability 2022, 14, 10278. https://doi.org/10.3390/su141610278
Vishnuram P, Kumar S, Singh VK, Babu TS, Kannan R, Hasan KNBM. Phase Shift-Controlled Dual-Frequency Multi-Load Converter with Independent Power Control for Induction Cooking Applications. Sustainability. 2022; 14(16):10278. https://doi.org/10.3390/su141610278
Chicago/Turabian StyleVishnuram, Pradeep, Sudhanshu Kumar, Vivek Kumar Singh, Thanikanti Sudhakar Babu, Ramani Kannan, and Khairul Nisak Bt Md Hasan. 2022. "Phase Shift-Controlled Dual-Frequency Multi-Load Converter with Independent Power Control for Induction Cooking Applications" Sustainability 14, no. 16: 10278. https://doi.org/10.3390/su141610278
APA StyleVishnuram, P., Kumar, S., Singh, V. K., Babu, T. S., Kannan, R., & Hasan, K. N. B. M. (2022). Phase Shift-Controlled Dual-Frequency Multi-Load Converter with Independent Power Control for Induction Cooking Applications. Sustainability, 14(16), 10278. https://doi.org/10.3390/su141610278

