Review on Water and Energy Integration in Process Industry: Water-Heat Nexus
Abstract
1. Introduction
2. Strategic Framework
2.1. EU Energy System Integration Strategy
2.2. The Water-Heat Nexus (WHN) General Concept
3. Water and Energy Integration Technologies and System Retrofitting
- Heat-driven wastewater treatment [71].
3.1. Heat Recovery Technologies (HR)
| Technology | Characterization | Ref. |
|---|---|---|
| Heat Exchanging Units | ||
| Air–Gas Heat Exchangers(Air Preheaters) | Commonly applied for waste heat from exhaust gases of combustion processes to an air stream, having different configurations (recuperator, regenerator, rotary regenerator and run-around coil units) [122] and designs (plate heat exchangers [123,124] and heat pipe heat exchangers, HPHEs [125,126,127]). The HPHEs are specific air preheaters applied with a higher heat transfer capability and a need for less heat transfer surface area for the same quantity of heat. They have over fuel savings of 10–30% and less than a two-year payback time. | [122,123,124,125,126,127,128,129,130,131,132,133,134] |
| Liquid–Gas Heat Exchangers(Economisers) | Applied for the heating of the liquid stream, such as a water stream at the inlet of a boiler or a steam boiler. They have different configurations (non-condensing, condensing, finned tube and coiled tubes). In some economisers, the liquid stream may be recycled for thermal energy efficiency improvement. They have a typical fuel savings of 5–10% at present and a payback time of less than two years. | [135,136,137,138,139] |
| Heat Recovery Steam Generators (HRSG) | Complex technologies commonly applied to generate steam for heating processes within a plant and the operation of thermodynamic cycles for electric energy generation. They are normally consist of an economiser (in which the liquid stream is preheated in order to attain the boiling point), an evaporator (in which the saturated liquid is converted into gas) and a superheater (in which the vapour is overheated beyond its saturation point). They have an overall plant efficiency of 85–90% and an electricity generation system efficiency of 75–85%. | [140,141] |
| Thermodynamic Cycles | ||
| Organic Rankine Cycle (ORC) | Similar to the Clausius–Rankine cycle (CRC), the working principle of this thermodynamic cycle consists of the capture of thermal energy from a heat source to evaporate an organic fluid. It is commonly implemented for low-grade WHR. The cycle generally consists of a turbine, an HRSG unit, a condenser and a pump (in many installations a regenerator is also installed to even further increase the system efficiency). With appropriate working fluid, it may lead to about a 6% increase in overall plant efficiency;.The organic fluids R-12, R-123, R134a and R-717 have been demonstrated as suitable to produce high-efficiency systems and a considerable amount of electric energy. It has an associated typical payback time four to five years. | [142,143,144,145,146,147,148,149] |
| Kalina Cycle | A system similar to the CRC and ORC, using water-ammonia mixture as the working fluid and suitable for medium and high temperature applications. It is structurally similar to the Regenerative ORC, with an additional separator due to the high ammonia concentration of the turbine outlet gas stream (so as to assist the full condensation of the water-ammonia mixture). It presents an overall better WHR performance compared to the ORC, although it requires more maintenance. It has been assessed as having a minimum payback time of 5.8 years. | [150,151,152,153,154,155] |
| Supercritical CO2 Brayton Cycle (SCBC) | A system with a similar arrangement to a common Brayton cycle, using CO2 at a supercritical state as the working fluid. It has several advantages: a higher thermal efficiency, operation at a lower pressure across the system and a reduction in number of stages in the turbine. The heat extraction capability may be limited due to the heat transfer in the heater being processed at a low temperature range close to the maximum cycle temperature. It has been assessed as having a payback time range between eight and twelve years. | [156,157,158,159] |
| Thermal Energy Storage | ||
| Liquid Thermal Tank | A sensible TES technology based on the heating of a liquid continuum within a tank. It may be a part of systems with several configurations, with different material streams being used as heat source streams (in addition to solar thermal collectors and boiler units), with a generic configuration being presented in Figure 2a. Water (working temperature of 0–100 °C), thermal oils (working temperature of 0–400 °C), molten salts (working temperature of 150–565 °C) or sodium (working temperature of 100–882 °C) may be used as the liquid media. It has been assessed to have an average payback time of 14 years. | [70,160,161,162,163,164] |
| Phase Change Material (PCM) Heat Exchanger | A latent TES technology consisting of a heat exchanger operating in a transient mode. A specific application of this technology includes the preheating of combustion air at the inlet of a combustion-based process, using an exhaust gas stream as the heat source, as presented in Figure 2b. The transportation of the exhaust gas stream to the PCM–TES unit functions as the charging phase (in which the PCM phase in turn is almost completely melted) and the transportation of the air stream functions as the discharging phase (in which the PCM phase in turn is again solidified by releasing the latent heat). Common latent materials include: molten salts [165,166], metal alloys [167,168], eutectic inorganic [169] and organics [170,171,172]. It has been assessed to have a potential of 28.6–66.2% total energy savings and a payback time of 7.5–14.5 years. | [122,165,166,167,168,169,170,171,172,173,174,175,176,177,178,179,180,181,182,183,184,185,186,187,188,189,190,191,192,193,194,195,196,197,198,199,200] |
3.2. Heat-Driven Wastewater Treatment Technologies (HDWTT)
| Technology | Description | Ref. |
|---|---|---|
| Multi-Effect Distillation (MED) | An HDWWT technology with several operational advantages including: the use of low-temperature operational levels, the production of high-quality treated water, high thermal performance, the use of low pumping power, the requirement of minimum water pre-treatment and the requirement for minimum labour. Its limitations include: level of investment (highly expensive technology), considerable susceptibility to corrosion and existence of relatively low recovery ratio. A conventional MED unit may be divided into three sections: (i) first effect section (in which the heat source is a hot liquid); (ii) the second-to-last effects section (in which the heat source is the vapour stream produced in the immediately previous step for each particular effect); (iii) the condenser section (which condensates the last effect outlet vapour stream through heat transfer with the cold inlet saline water stream). It has been assessed to have a payback time of four to sixteen years. The overall process is represented in Figure 3a. | [71,201,204,205,206] |
| Multi-Stage Flash Distillation (MSFD) | An HDWWT technology with an operation principal similar to MED, with the following advantages: higher resistance against scaling compared to MED, large capacity for freshwater production, independence from the salinity of feed water, operational and maintenance simplicity, low performance degradation, production of high quality freshwater and potential for combination with other processes. It has disadvantages, including: the level of investment (high investment technology), requirement for high-level technical knowledge, highly thermal energy-intensive process (high operational temperatures) and low recovery ratio. It has been assessed to have an average of 3.3 years payback time. The overall process is represented in Figure 3b. | [21,207,208,209,210,211,212] |
| Membrane Distillation (MD) | An HDWWT technology that presents advantages in relation to conventional distillation technologies: low energy requirements, non-dependability from concentration polarization and lack of limit in feed water concentration. Its disadvantages include: investment cost (high investment cost associated to MD module) and possibility of membrane wetting in the case of the presence of surfactant and amphiphilic contaminants. It has been assessed to have a payback time between six and fourteen years. The temperature gradient within the MD module may be generated by a heat recovery system: single-loop as represented in Figure 3c (in which the heat source is directly connected to the membrane) or two-loop as represented in Figure 3d (in which a heat exchanger is implemented and also commonly a TES unit for transient mode systems). The MD module may have the following configurations: direct contact membrane distillation (DCMD); vacuum membrane distillation (VMD); air gap membrane distillation (AGMD); and sweeping gas membrane distillation (SGMD). | [213,214,215,216,217] |
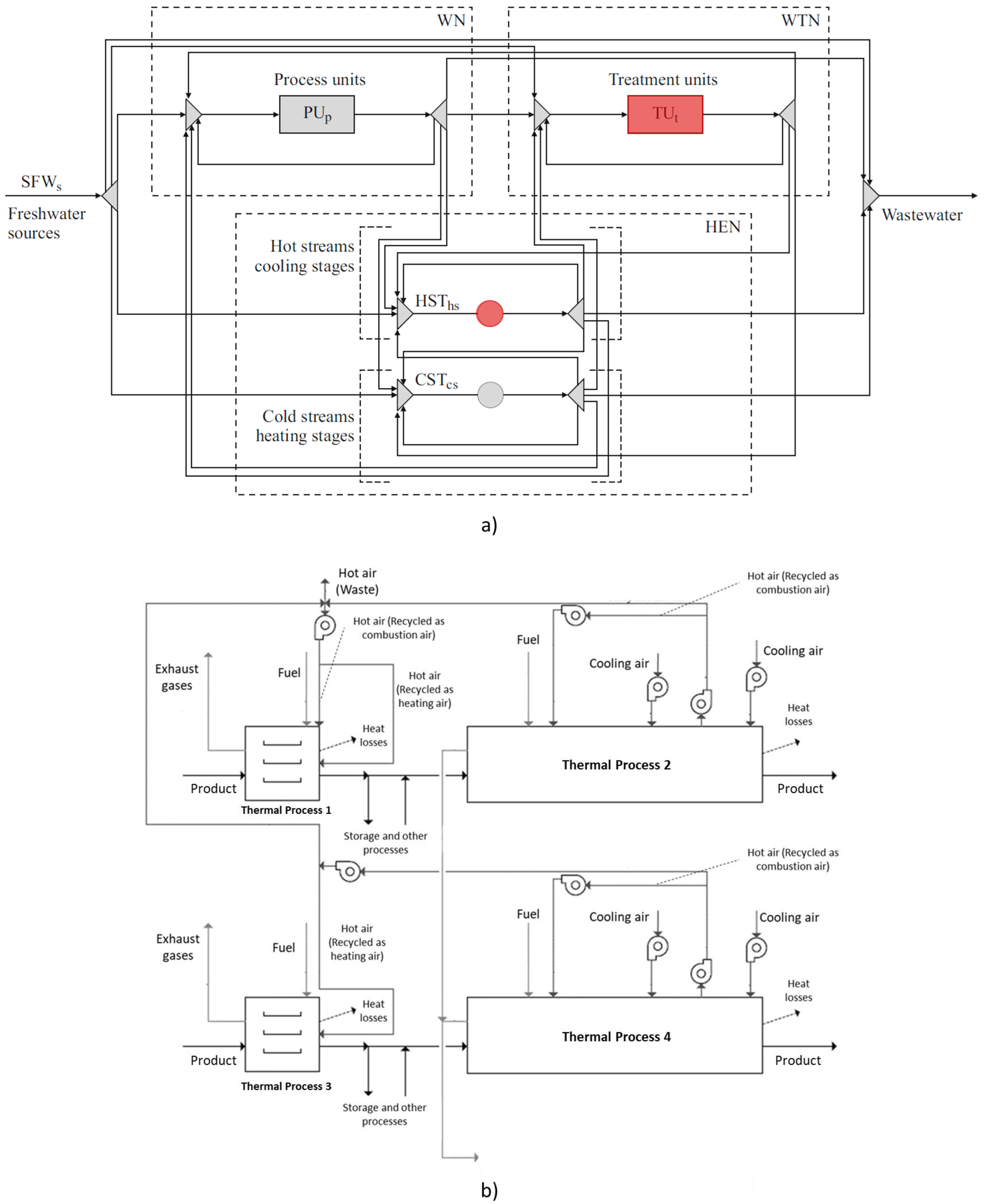
4. Water and Energy Integration Systems (WEIS) for Process Industry
- Heat exchanger networks (HEN) (for heat exchanger installation-based heat recovery) [105];
- Water–energy networks (WEN) and water-allocation and heat-exchanger networks (WAHEN) (for water systems in which previously discharged water streams are recirculated to simultaneously decrease the use of freshwater and hot and cold utilities) [45].
- Waste heat stream recirculation to thermal processes (fuel savings);
- Waste heat stream recirculation to the heaters of the water system (hot utility savings);
- Waste heat stream recirculation to the heat-driven wastewater treatment units [201];
- Use of the sludge resulting from wastewater treatment as an additional energy source (fuel savings).
- Heating spots (total waste heat from thermal processes that may be allocated for savings in hot utilities);
- Wastewater treatments units (particularly in the heat-driven ones, wastewater treatment requiring minimum energy input).
4.1. Mass and Enthalpy Balances of a WEIS
4.2. Computational Tools for WEIS
5. Conclusions and Future Work
- The existing WHR technologies fulfil the technical specifications for the conceptualized WEIS;
- The existing TES technologies are adequate within the conceptualization of the proposed WEIS, although it is still necessary to perform a further study with respect to the applications of these in specific cases (e.g., within the scope of the recirculation of heat streams from thermal process systems to water systems encompassing an energy storage component).
- The existing technologies are adequate in the scope of the developed concept, although it is still necessary to research the specifications of these in terms of the characterizations of contaminant removal (namely specific types of contaminants and whether single- or multi-contaminant removal).
- The conceptualized WEIS concept is overall in accordance with the aims of the EU Energy System Integration, namely in terms of the practical implementation of circular economy principles;
- The conceptualized general WEIS scenario (as represented in Figure 5) may still have to be adapted in order to consider all potential recirculation of waste heat streams (namely as the heat source in the heaters and heat-driven wastewater treatment units of the water allocation and heat exchanger network), and furthermore, according to the requirements of different case studies;
- The existing computational tools (comprising simulation and optimisation models) are overall sufficient for the development of WEIS models, although further adaptations at the level of stream recirculation (connections between unit operations through material streams) must be performed.
Author Contributions
Funding
Institutional Review Board Statement
Informed Consent Statement
Data Availability Statement
Conflicts of Interest
Nomenclature
| Abbreviations | |
| CCS | Carbon capture and storage |
| CCU | Carbon capture and use |
| CRC | Clausius–Rankine cycle |
| DP | Dynamic programming |
| EU | European Union |
| GHG | Greenhouse gases |
| HDWWT | Heat-driven wastewater treatment |
| HEN | Heat exchanger network |
| HR | Heat tecovery |
| HRSG | Heat recovery steam generator |
| LP | Linear programming |
| MD | Membrane distillation |
| MED | Multi-effect distillation |
| MILP | Mixed-integer linear programming |
| MINLP | Mixed-integer non-linear programming |
| MOP | Multi-objective programming |
| MP | Mathematical programming |
| MSFD | Multi-stage flash distillation |
| NLP | Non-linear programming |
| NZLD | Near-zero liquid discharge |
| PA | Pinch analysis |
| PI | Process integration |
| ORC | Organic Rankine cycle |
| PCM | Phase change material |
| SCBC | Supercritical CO2 Brayton cycle |
| TES | Thermal energy storage |
| WAHEN | Water Allocation and Heat Exchanger Network |
| WEIS | Water and Energy Integration Systems |
| WEN | Water-Energy Network |
| WHN | Water-Heat Nexus |
| WHR | Waste heat recovery |
| Parameters | |
| Specific enthalpy (J/kg) | |
| Mass flow rate (kg/s) | |
| Fuel lower heating value (J/kg) | |
| Transferred heat (W) | |
| Subscripts | |
| Additional | |
| Combustion air stream | |
| Contaminant | |
| Water system cooler | |
| Cold utility | |
| Exhaust gas stream | |
| Fuel stream | |
| Water system heater | |
| Hot utility | |
| Inlet | |
| Baseline scenario (with no measures implemented) | |
| Lower heating value | |
| Outlet | |
| Recirculated water stream | |
| Useful | |
| Water stream | |
| Water-using process | |
| Wastewater treatment unit | |
References
- UNEP Water and Energy Efficiency: Information Brief 2014, 1–6. Available online: https://www.un.org/waterforlifedecade/pdf/01_2014_water_energy_efficiency.pdf (accessed on 1 June 2022).
- Walsh, B.P.; Murray, S.N.; O’Sullivan, D.T.J. The water energy nexus, an ISO50001 water case study and the need for a water value system. Water Resour. Ind. 2015, 10, 15–28. [Google Scholar] [CrossRef]
- Bauer, D. The Water-Energy Nexus: Challenges and Opportunities; US Department of Energy. 2014. Available online: https://www.energy.gov/articles/water-energy-nexus-challenges-and-opportunities (accessed on 1 June 2022).
- Gabbar, H.A.; Abdelsalam, A.A. Energy—Water nexus: Integration, monitoring, KPIS tools and research vision. Energies 2020, 13, 6697. [Google Scholar] [CrossRef]
- Sixt, G.N.; Strambo, C.; Zhang, J.; Chow, N.; Liu, J.; Han, G. Assessing the level of inter-sectoral policy integration for governance in thewater-energy nexus: A comparative study of los angeles and beijing. Sustainability 2020, 12, 7220. [Google Scholar] [CrossRef]
- Ramos, H.M.; Morillo, J.G.; Rodríguez Diaz, J.A.; Carravetta, A.; McNabola, A. Sustainable water-energy nexus towards developing countries’ water sector efficiency. Energies 2021, 14, 3525. [Google Scholar] [CrossRef]
- Saidur, R.; Hasanuzzaman, M.; Rahim, N.A. Energy Consumption, Energy Savings and Emission Analysis for Industrial Motors. In Proceedings of the 2010 International Conference on Industrial Engineering and Operations Management, Dhaka, Bangladesh, 9–10 January 2010. [Google Scholar]
- Saidur, R. A review on electrical motors energy use and energy savings. Renew. Sustain. Energy Rev. 2010, 14, 877–898. [Google Scholar] [CrossRef]
- de Almeida, A.T.; Fonseca, P.; Bertoldi, P. Energy-efficient motor systems in the industrial and in the services sectors in the European Union: Characterisation, potentials, barriers and policies. Energy 2003, 28, 673–690. [Google Scholar] [CrossRef]
- Vilanova, M.R.N.; Balestieri, J.A.P. Modeling of hydraulic and energy efficiency indicators for water supply systems. Renew. Sustain. Energy Rev. 2015, 48, 540–557. [Google Scholar] [CrossRef]
- Iten, M.; Oliveira, M.; Costa, D.; Michels, J. Water and energy efficiency improvement of steel wire manufacturing by circuit modelling and optimisation. Energies 2019, 12, 223. [Google Scholar] [CrossRef]
- De Almeida, A.T.; Ferreira, F.J.T.E.; Both, D. Technical and economical considerations in the application of variable speed drives with electric motor systems. In Proceedings of the 2004 IEEE Industrial and Commercial Power Systems Technical, Clearwater Beach, FL, USA, 1–6 May 2004; pp. 136–144. [Google Scholar] [CrossRef]
- Oliveira, M.C.; Iten, M.; Matos, H.A.; Michels, J. Water-energy nexus in typical industrial water circuits. Water 2019, 11, 699. [Google Scholar] [CrossRef]
- Oliveira, M.C.; Iten, M. Modelling of industrial water circuits with a customised Modelica library. Appl. Therm. Eng. 2020, 169, 114840. [Google Scholar] [CrossRef]
- Directive 2000/60/EC—WATER FRAMEWORK DIRECTIVE Directive 2000/60/EC of the European Parliament and of the Council of 23 October 2000 establishing a framework for Community action in the field of water policy. Off. J. Eur. Parliam. 2000, L327, 1–82.
- The European Parliament and The Council Directive 2012/27/EU of the European Parliament and of the Council of 25 October 2012 on Energy Efficiency, Amending Directives 2009/125/EC and 2010/30/EU and Repealing Directives 2004/8/EC and 2006/32/EC Text with EEA Relevance. Available online: https://eur-lex.europa.eu/legal-content/EN/TXT/?uri=celex%3A32012L0027 (accessed on 8 June 2022).
- European Commision The 2030 Climate & Energy Framework. Available online: https://www.consilium.europa.eu/en/policies/climate-change/2030-climate-and-energy-framework/. (accessed on 8 June 2022).
- European Commission Energy and the Green Deal. Available online: https://ec.europa.eu/info/strategy/priorities-2019-2024/european-green-deal/energy-and-green-deal_en (accessed on 8 June 2022).
- Polley, G.T. Process Integration. Available online: https://www.sciencedirect.com/topics/computer-science/process-integration (accessed on 8 June 2022).
- Relvas, S.; Fernandes, M.C.; Matos, H.A.; Nunes, C.P. Integração de Processos—Uma Metodologia de Optimização Energética e Ambiental; 2002; ISBN 972-95918-8-1. Available online: https://bibliografia.bnportugal.gov.pt/bnp/bnp.exe/registo?1294541 (accessed on 10 June 2022).
- Dunn, R.F.; Ristau, J.S. Using process integration technology to retrofit chemical plants for energy conservation and wastewater minimization. Chem. Process Retrofit. Revamping Tech. Appl. 2016, 167–191. [Google Scholar] [CrossRef]
- Castro Oliveira, M.; Iten, M.; Cruz, P.L.; Monteiro, H. Review on Energy Efficiency Progresses, Technologies and Strategies in the Ceramic Sector Focusing on Waste Heat Recovery. Energies 2020, 13, 6096. [Google Scholar] [CrossRef]
- Oliveira, M.C.; Iten, M.; Matos, H.A. Assessment of energy efficiency improvement in ceramic industry through waste heat recovery modelling. Comput. Aided Chem. Eng. 2021, 50, 1653–1658. [Google Scholar] [CrossRef]
- Castro Oliveira, M.; Iten, M. Modelling of A Solar Thermal Energy System For Energy Efficiency Improvement In A Ceramic Plant. Renew. Energy Environ. Sustain. 2021, 6, 31. [Google Scholar] [CrossRef]
- Iten, M.; Fernandes, U.; Oliveira, M.C. Framework to assess eco-efficiency improvement: Case study of a meat production industry. Energy Rep. 2021, 7, 7134–7148. [Google Scholar] [CrossRef]
- Oliveira, M.C.; Vieira, S.M.; Iten, M.; Matos, H.A. Optimisation of Water-Energy Networks in Process Industry: Implementation of Non-Linear and Multi-Objective Models. Front. Chem. Eng. 2022, 3, 750411. [Google Scholar] [CrossRef]
- Fennema, O. Industrial sustainability: Lifting the siege on earth and our descendents. Food Technol. 2000, 54, 40–52+54. [Google Scholar]
- Monteiro, H.; Cruz, P.L.; Oliveira, M.C.; Iten, M. Technical and economical assessment of waste heat recovery on a ceramic industry. In Proceedings of the Wastes: Solutions, Treatments and Opportunities III: Selected Papers from the 5th International Conference Wastes 2019, Lisbon, Portugal, 4–6 September 2020; pp. 524–530. [Google Scholar] [CrossRef]
- Materi, S.; D’Angola, A.; Renna, P. A dynamic decision model for energy-efficient scheduling of manufacturing system with renewable energy supply. J. Clean. Prod. 2020, 270, 122028. [Google Scholar] [CrossRef]
- Rajaeifar, M.A.; Sadeghzadeh Hemayati, S.; Tabatabaei, M.; Aghbashlo, M.; Mahmoudi, S.B. A review on beet sugar industry with a focus on implementation of waste-to-energy strategy for power supply. Renew. Sustain. Energy Rev. 2019, 103, 423–442. [Google Scholar] [CrossRef]
- Oliveira, H. Circular Economy: From Economic Concept to Legal Means for Sustainable Development. E-Pública. Rev. Eletrónica. Direito Público. 2020, 7, 73–93. [Google Scholar]
- European Comission. EU Strategy on Energy System Integration|Energy; European Comission: Brussels, Belgium, 2020. [Google Scholar]
- Theodore, L.; Dupont, R.R. Industrial Wastewater Treatment. Science Direct 2021. Available online: https://www.sciencedirect.com/topics/earth-and-planetary-sciences/industrial-wastewater-treatment (accessed on 10 June 2022).
- Fallis, A. Waste Heat Recovery: Technology and Opportunities in U.S. Industry. J. Chem. Inf. Model. 2013, 53, 1689–1699. [Google Scholar]
- Semmari, H.; Filali, A.; Aberkane, S.; Feidt, R.; Feidt, M. Flare gas waste heat recovery: Assessment of organic rankine cycle for electricity production and possible coupling with absorption chiller. Energies 2020, 13, 2265. [Google Scholar] [CrossRef]
- Mezquita, A.; Boix, J.; Monfort, E.; Mallol, G. Energy saving in ceramic tile kilns: Cooling gas heat recovery. Appl. Therm. Eng. 2014, 65, 102–110. [Google Scholar] [CrossRef]
- Klemes, J.J. Industrial water recycle/reuse. Curr. Opin. Chem. Eng. 2012, 1, 238–245. [Google Scholar] [CrossRef]
- Salgot, M.; Folch, M. Wastewater treatment and water reuse. Curr. Opin. Environ. Sci. Health 2018, 2, 64–74. [Google Scholar] [CrossRef]
- Ibrić, N.; Ahmetović, E.; Kravanja, Z. Mathematical programming synthesis of non-isothermal water networks by using a compact/reduced superstructure and an MINLP model. Clean Technol. Environ. Policy 2016, 18, 1779–1813. [Google Scholar] [CrossRef]
- Dong, X.; Zhang, C.; Peng, X.; Chang, C.; Liao, Z.; Yang, Y.; Sun, J.; Wang, J.; Yang, Y. Simultaneous design of heat integrated water allocation networks considering all possible splitters and mixers. Energy 2022, 238, 121916. [Google Scholar] [CrossRef]
- Gundersen, T. Heat Integration: Targets and Heat Exchanger Network Design. In Handbook of Process Integration (PI), Minimisation of Energy and Water Use, Waste and Emissions; Woodhead Publishing: John Solston, UK, 2013; pp. 129–167. [Google Scholar] [CrossRef]
- Hong, X.; Liao, Z.; Jiang, B.; Wang, J.; Yang, Y. Targeting of heat integrated water allocation networks by one-step MILP formulation. Appl. Energy 2017, 197, 254–269. [Google Scholar] [CrossRef]
- Hong, X.; Liao, Z.; Sun, J.; Jiang, B.; Wang, J.; Yang, Y. Energy and Water Management for Industrial Large-Scale Water Networks: A Systematic Simultaneous Optimization Approach. ACS Sustain. Chem. Eng. 2018, 6, 2269–2282. [Google Scholar] [CrossRef]
- Hong, X.; Liao, Z.; Sun, J.; Jiang, B.; Wang, J.; Yang, Y. Heat Transfer Blocks Diagram: A Novel Tool for Targeting and Design of Heat Exchanger Networks Inside Heat Integrated Water Allocation Networks. ACS Sustain. Chem. Eng. 2018, 6, 2704–2715. [Google Scholar] [CrossRef]
- Hou, Y.; Xie, W.; Duan, Z.; Wang, J. A conceptual methodology for simultaneous optimization of water and heat with non-isothermal mixing. Front. Chem. Sci. Eng. 2017, 11, 154–165. [Google Scholar] [CrossRef]
- How, B.S.; Orosz, Á.; Teng, S.Y.; Lim, J.Y.; Friedler, F. Heat Integrated Water Regeneration Network Synthesis via Graph-Theoretic Sequential Method. Chem. Eng. Trans. 2021, 88, 49–54. [Google Scholar] [CrossRef]
- Ibrić, N.; Ahmetović, E.; Kravanja, Z.; Grossmann, I.E. Simultaneous optimisation of large-scale problems of heat-integrated water networks. Energy 2021, 235, 121354. [Google Scholar] [CrossRef]
- Kamat, S.; Bandyopadhyay, S. A hybrid approach for heat integration in water conservation networks through non-isothermal mixing. Energy 2021, 233, 121143. [Google Scholar] [CrossRef]
- Kermani, M.; Kantor, I.D.; Maréchal, F. Synthesis of heat-integrated water allocation networks: A meta-analysis of solution strategies and network features. Energies 2018, 11, 1158. [Google Scholar] [CrossRef]
- Ahmetović, E.; Ibrić, N.; Kravanja, Z.; Grossmann, I.E. Water and energy integration: A comprehensive literature review of non-isothermal water network synthesis. Comput. Chem. Eng. 2015, 82, 144–171. [Google Scholar] [CrossRef]
- Kermani, M.; Kantor, I.D.; Maréchal, F. Optimal design of heat-integrated water allocation networks. Energies 2019, 12, 2174. [Google Scholar] [CrossRef]
- Sahu, G.C.; Bandyopadhyay, S. Energy conservation in water allocation networks with negligible contaminant effects. Chem. Eng. Sci. 2010, 65, 4182–4193. [Google Scholar] [CrossRef]
- Savulescu, L.E.; Alva-Argaez, A. Process Integration Concepts for Combined Energy and Water Integration. In Handbook of Process Integration, Minimisation of Energy and Water Use, Waste and Emissions; Woodhead Publishing: John Solston, UK, 2013; pp. 461–483. [Google Scholar] [CrossRef]
- Souifi, M.; Souissi, A. Simultaneous water and energy saving in cooling water networks using pinch approach. Mater. Today Proc. 2019, 13, 1115–1124. [Google Scholar] [CrossRef]
- Yan, F.; Wu, H.; Li, W.; Zhang, J. Simultaneous optimization of heat-integrated water networks by a nonlinear program. Chem. Eng. Sci. 2016, 140, 76–89. [Google Scholar] [CrossRef]
- Zhao, H.P.; Yang, Y.; Liu, Z.Y. Design of heat integrated water networks with multiple contaminants. J. Clean. Prod. 2019, 211, 530–536. [Google Scholar] [CrossRef]
- Zhelev, T.K.; Zheleva, S.R. Combined pinch analysis for more efficient energy and water resources management in beverage industry. Waste Manag. Environ. 2002, 56, 623–632. [Google Scholar]
- Zheng, X.S.; Feng, X.; Cao, D.L. Design water allocation network with minimum freshwater and energy consumption. Comput. Aided Chem. Eng. 2003, 15, 388–393. [Google Scholar] [CrossRef]
- Ahmetović, E.; Kravanja, Z. Simultaneous synthesis of process water and heat exchanger networks. Energy 2013, 57, 236–250. [Google Scholar] [CrossRef]
- Alnouri, S.Y.; Linke, P.; El-Halwagi, M. Water integration in industrial zones: A spatial representation with direct recycle applications. Clean Technol. Environ. Policy 2014, 16, 1637–1659. [Google Scholar] [CrossRef]
- Boix, M.; Pibouleau, L.; Montastruc, L.; Azzaro-Pantel, C.; Domenech, S. Minimizing water and energy consumptions in water and heat exchange networks. Appl. Therm. Eng. 2012, 36, 442–455. [Google Scholar] [CrossRef]
- Caballero, J.A.; Pavão, L.V.; Costa, C.B.B.; Ravagnani, M.A.S.S. A Novel Sequential Approach for the Design of Heat Exchanger Networks. Front. Chem. Eng. 2021, 3, 733186. [Google Scholar] [CrossRef]
- Chijin, Z.; Congjing, R.; Zuwei, L.; Jingyuan, S.; Jingdai, W.; Yongrong, Y. Recent Progresses on Optimal Design of Heat Integrated Water Allocation Network. China Pet. Process. Petrochemical. Technol. 2021, 23, 69–75. [Google Scholar]
- Chin, H.H.; Foo, D.C.Y.; Lam, H.L. Simultaneous water and energy integration with isothermal and non-isothermal mixing—A P-graph approach. Resour. Conserv. Recycl. 2019, 149, 687–713. [Google Scholar] [CrossRef]
- Dong, H.G.; Lin, C.Y.; Chang, C.T. Simultaneous optimization approach for integrated water-allocation and heat-exchange networks. Chem. Eng. Sci. 2008, 63, 3664–3678. [Google Scholar] [CrossRef]
- Ribera-Pi, J.; Badia-Fabregat, M.; Arias, D.; Gómez, V.; Taberna, E.; Sanz, J.; Martínez-Lladó, X.; Jubany, I. Coagulation-flocculation and moving bed biofilm reactor as pre-treatment for water recycling in the petrochemical industry. Sci. Total Environ. 2020, 715, 136800. [Google Scholar] [CrossRef] [PubMed]
- Skouteris, G.; Ouki, S.; Foo, D.; Saroj, D.; Altini, M.; Melidis, P.; Cowley, B.; Ells, G.; Palmer, S.; O’Dell, S. Water footprint and water pinch analysis techniques for sustainable water management in the brick-manufacturing industry. J. Clean. Prod. 2018, 172, 786–794. [Google Scholar] [CrossRef]
- Gherghel, A.; Teodosiu, C.; De Gisi, S. A review on wastewater sludge valorisation and its challenges in the context of circular economy. J. Clean. Prod. 2019, 228, 244–263. [Google Scholar] [CrossRef]
- Fernandes, M.; Nunes, C.; Gomes, P. Medidas Transversais de Eficiência Energética Para a Indústria; Direção-Geral de Energia e Geologia: Lisbon, Portugal, 2016; ISBN 978-972-8268-41-1. [Google Scholar]
- Miró, L.; Gasia, J.; Cabeza, L.F. Thermal energy storage (TES) for industrial waste heat (IWH) recovery: A review. Appl. Energy 2016, 179, 284–301. [Google Scholar] [CrossRef]
- Rahimi, B.; Chua, H.T. Low Grade Heat Driven Multi-Effect Distillation and Desalination; Elsevier: Amsterdam, The Netherlands, 2017; ISBN 9780128052709. [Google Scholar]
- Widmann, D.; Mader, H.; Friedrich, H.; Heywang, W.; Müller, R. Process Integration. Available online: https://www.ceas.manchester.ac.uk/research/themes/process-integration/ (accessed on 10 June 2022).
- Singhvi, A.; Shenoy, U. V Pinch Analysis. Available online: https://www.sciencedirect.com/topics/engineering/pinch-analysis (accessed on 10 June 2022).
- Klemeš, J.J.; Varbanov, P.S.; Walmsley, T.G.; Jia, X. New directions in the implementation of Pinch Methodology (PM). Renew. Sustain. Energy Rev. 2018, 98, 439–468. [Google Scholar] [CrossRef]
- Castier, M. Pinch analysis revisited: New rules for utility targeting. Appl. Therm. Eng. 2007, 27, 1653–1656. [Google Scholar] [CrossRef]
- Friedler, F. Process integration, modelling and optimisation for energy saving and pollution reduction. Appl. Therm. Eng. 2010, 30, 2270–2280. [Google Scholar] [CrossRef]
- Klemeš, J.; Perry, S.J.; Bulatov, I. Towards sustainable energy systems-role and achievements of heat integration. Chem. Eng. 2007. Available online: https://www.irbnet.de/daten/iconda/CIB7696.pdf (accessed on 10 June 2022).
- Gadalla, M.A. A novel graphical technique for Pinch Analysis applications: Energy Targets and grassroots design. Energy Convers. Manag. 2015, 96, 499–510. [Google Scholar] [CrossRef]
- Heat Integration. Available online: https://www.sciencedirect.com/topics/engineering/heat-integration (accessed on 10 June 2022).
- Foo, D. Water Pinch Analysis. Available online: https://www.cii-twi.in/water-pinch.html (accessed on 10 June 2022).
- Manan, Z.A.; Tan, Y.L.; Foo, D.C.Y. Targeting the minimum water flow rate using water cascade analysis technique. AIChE J. 2004, 50, 3169–3183. [Google Scholar] [CrossRef]
- Yoro, K.O.; Sekoai, P.T.; Isafiade, A.J.; Daramola, M.O. A review on heat and mass integration techniques for energy and material minimization during CO2 capture. Int. J. Energy Environ. Eng. 2019, 10, 367–387. [Google Scholar] [CrossRef]
- Klemeš, J.J.; Kravanja, Z. Forty years of Heat Integration: Pinch Analysis (PA) and Mathematical Programming (MP). Curr. Opin. Chem. Eng. 2013, 2, 461–474. [Google Scholar] [CrossRef]
- Klemeš, J.J.; Varbanov, P.S. From HEN to Total Site, to Energy Supply Chains. Chalmers.Se 2012. Available online: http://www.chalmers.se/en/areas-of-advance/energy/Documents/Process%20Integration%20Conference%202013/Presentations/Jiri%20Klemes.pdf (accessed on 10 June 2022).
- Jain, S.; Bandyopadhyay, S. Multi-objective optimisation for segregated targeting problems using Pinch Analysis. J. Clean. Prod. 2019, 221, 339–352. [Google Scholar] [CrossRef]
- Thibault, F.; Zoughaib, A.; Pelloux-Prayer, S. A MILP algorithm for utilities pre-design based on the Pinch Analysis and an exergy criterion. Comput. Chem. Eng. 2015, 75, 65–73. [Google Scholar] [CrossRef]
- Zhou, C.; Zhuang, Y.; Zhang, L.; Liu, L.; Du, J.; Shen, S. A novel pinch-based method for process integration and optimization of Kalina cycle. Energy Convers. Manag. 2020, 209, 112630. [Google Scholar] [CrossRef]
- Angsutorn, N.; Siemanond, K.; Chuvaree, R. Heat exchanger network synthesis using MINLP Stage-wise model with pinch analysis and relaxation. Comput. Aided Chem. Eng. 2014, 33, 139–144. [Google Scholar] [CrossRef]
- Yoon, S.G.; Lee, J.; Park, S. Heat integration analysis for an industrial ethylbenzene plant using pinch analysis. Appl. Therm. Eng. 2007, 27, 886–893. [Google Scholar] [CrossRef]
- Geldermann, J.; Treitz, M.; Rentz, O. Integrated technique assessment based on the pinch analysis approach for the design of production networks. Eur. J. Oper. Res. 2006, 171, 1020–1032. [Google Scholar] [CrossRef]
- Elias, A.M.; de Campos Giordano, R.; Secchi, A.R.; Furlan, F.F. Integrating pinch analysis and process simulation within equation-oriented simulators. Comput. Chem. Eng. 2019, 130, 106555. [Google Scholar] [CrossRef]
- Bonhivers, J.C.; Moussavi, A.; Alva-Argaez, A.; Stuart, P.R. Linking pinch analysis and bridge analysis to save energy by heat-exchanger network retrofit. Appl. Therm. Eng. 2016, 106, 443–472. [Google Scholar] [CrossRef]
- Valiani, S.; Tahouni, N.; Panjeshahi, M.H. Optimization of pre-combustion capture for thermal power plants using Pinch Analysis. Energy 2017, 119, 950–960. [Google Scholar] [CrossRef]
- Han, T.; Wang, C.; Zhu, C.; Che, D. Optimization of waste heat recovery power generation system for cement plant by combining pinch and exergy analysis methods. Appl. Therm. Eng. 2018, 140, 334–340. [Google Scholar] [CrossRef]
- Roychaudhuri, P.S.; Kazantzi, V.; Foo, D.C.Y.; Tan, R.R.; Bandyopadhyay, S. Selection of energy conservation projects through Financial Pinch Analysis. Energy 2017, 138, 602–615. [Google Scholar] [CrossRef]
- Manizadeh, A.; Entezari, A.; Ahmadi, R. The energy and economic target optimization of a naphtha production unit by implementing energy pinch technology. Case Stud. Therm. Eng. 2018, 12, 396–404. [Google Scholar] [CrossRef]
- Olsen, D.; Abdelouadoud, Y.; Liem, P.; Wellig, B. The Role of Pinch Analysis for Industrial ORC Integration. Energy Procedia 2017, 129, 74–81. [Google Scholar] [CrossRef]
- Abdelouadoud, Y.; Lucas, E.; Krummenacher, P.; Olsen, D.; Wellig, B. Batch process heat storage integration: A simple and effective graphical approach. Energy 2019, 185, 804–818. [Google Scholar] [CrossRef]
- Zhelev, T.K.; Semkov, K.A. Cleaner flue gas and energy recovery through pinch analysis. J. Clean. Prod. 2004, 12, 165–170. [Google Scholar] [CrossRef]
- Araújo, V.E.; Bernardo, F.P.; Reis, C.M.; Martins, F.G. Cluster Analysis of Process Operational Data to Identify Representative Scenarios for Pinch Analysis and Energy Optimisation Studies. Comput. Aided Chem. Eng. 2017, 40, 2539–2544. [Google Scholar] [CrossRef]
- Hamsani, M.N.; Walmsley, T.G.; Liew, P.Y.; Wan Alwi, S.R. Combined Pinch and exergy numerical analysis for low temperature heat exchanger network. Energy 2018, 153, 100–112. [Google Scholar] [CrossRef]
- Feng, X.; Zhu, X.X. Combining pinch and exergy analysis for process modifications. Appl. Therm. Eng. 1997, 17, 249–261. [Google Scholar] [CrossRef]
- Salama, A.I.A. Determination of the optimal heat energy targets in heat pinch analysis using a geometry-based approach. Comput. Chem. Eng. 2006, 30, 758–764. [Google Scholar] [CrossRef]
- Ghannadzadeh, A.; Sadeqzadeh, M. Exergy aided pinch analysis to enhance energy integration towards environmental sustainability in a chlorine-caustic soda production process. Appl. Therm. Eng. 2017, 125, 1518–1529. [Google Scholar] [CrossRef]
- Pereira, P.M.; Fernandes, M.C.; Matos, H.A. FI2EPI—A freeware tool for performing Heat Integration based on Pinch Analysis. Comput. Aided Chem. Eng. 2016, 38, 1815–1820. [Google Scholar] [CrossRef]
- Khezri, S.M.; Lotfi, F.; Tabibian, S.; Erfani, Z. Application of water pinch technology for water and wastewater minimization in aluminum anodizing industries. Int. J. Environ. Sci. Technol. 2010, 7, 281–290. [Google Scholar] [CrossRef]
- Liu, Z.Y.; Yang, Y.Z.; Zhang, Y. Determining the pinch point and calculating the freshwater target for water-using systems with single contaminant. Chem. Eng. Res. Des. 2007, 85, 1485–1490. [Google Scholar] [CrossRef]
- Jia, X.; Zhang, L.; Li, Z.; Tan, R.R.; Dou, J.; Foo, D.C.Y.; Wang, F. Pinch analysis for targeting desalinated water price subsidy. J. Clean. Prod. 2019, 227, 950–959. [Google Scholar] [CrossRef]
- Tan, Y.L.; Manan, Z.A.; Foo, D.C.Y. Retrofit of water network with regeneration using water pinch analysis. Process Saf. Environ. Prot. 2007, 85, 305–317. [Google Scholar] [CrossRef]
- Sorin, M.; Bédard, S. The Global Pinch Point in water reuse networks. Process Saf. Environ. Prot. 1999, 77, 305–308. [Google Scholar] [CrossRef]
- Bavar, M.; Sarrafzadeh, M.H.; Asgharnejad, H.; Norouzi-Firouz, H. Water management methods in food industry: Corn refinery as a case study. J. Food Eng. 2018, 238, 78–84. [Google Scholar] [CrossRef]
- Wan Alwi, S.R.; Manan, Z.A. Water Pinch Analysis for Water Management and Minimisation: An Introduction. In Handbook of Process Integration, Minimisation of Energy and Water Use, Waste and Emissions; Woodhead Publishing: John Solston, UK, 2013; pp. 353–382. [Google Scholar] [CrossRef]
- Mohammadnejad, S.; Bidhendi, G.R.N.; Mehrdadi, N. Water pinch analysis in oil refinery using regeneration reuse and recycling consideration. Desalination 2011, 265, 255–265. [Google Scholar] [CrossRef]
- Zoller, F. Integration of energy networks and the water cycle with surface water energy as connecting element. In Proceedings of the 12th IEA Heat Pump Conference 2017, Rotterdam, The Netherlands, 15–18 May 2017. [Google Scholar]
- Tan, R.R.; Foo, D.C.Y. Pinch Analysis for Sustainable Energy Planning Using Diverse Quality Measures. In Handbook of Process Integration, Minimisation of Energy and Water Use, Waste and Emissions; Woodhead Publishing: John Solston, UK, 2013; pp. 505–523. [Google Scholar] [CrossRef]
- Lim, X.Y.; Foo, D.C.Y.; Tan, R.R. Pinch analysis for the planning of power generation sector in the United Arab Emirates: A climate-energy-water nexus study. J. Clean. Prod. 2018, 180, 11–19. [Google Scholar] [CrossRef]
- Silori, G.K.; Khanam, S. Simultaneous water and energy integration techniques: A review. Technology 2017, 15, 30. [Google Scholar]
- Jouhara, H.; Khordehgah, N.; Almahmoud, S.; Delpech, B.; Chauhan, A.; Tassou, S.A. Waste heat recovery technologies and applications. Therm. Sci. Eng. Prog. 2018, 6, 268–289. [Google Scholar] [CrossRef]
- Brückner, S.; Liu, S.; Miró, L.; Radspieler, M.; Cabeza, L.F.; Lävemann, E. Industrial waste heat recovery technologies: An economic analysis of heat transformation technologies. Appl. Energy 2015, 151, 157–167. [Google Scholar] [CrossRef]
- Sarbu, I.; Sebarchievici, C. A comprehensive review of thermal energy storage. Sustain. 2018, 10, 191. [Google Scholar] [CrossRef]
- Royo, P.; Acevedo, L.; Arnal, Á.J.; Diaz-Ramírez, M.; García-Armingol, T.; Ferreira, V.J.; Ferreira, G.; López-Sabirón, A.M. Decision support system of innovative high-temperature latent heat storage for waste heat recovery in the energy-intensive industry. Energies 2021, 14, 365. [Google Scholar] [CrossRef]
- Wallin, J.; Madani, H.; Claesson, J. Run-around coil ventilation heat recovery system: A comparative study between different system configurations. Appl. Energy 2012, 90, 258–265. [Google Scholar] [CrossRef]
- Varghese, B.; Das, D.; Devassy, D.; Harikrishnan, K.; Sharath, S.G. Design and Cost Optimization of Plate Heat Exchanger. Res. Inven. Int. J. Eng. Sci. Issn 2014, 4, 43–48. [Google Scholar]
- Cipollone, R.; Bianchi, G.; Di Battista, D.; Fatigati, F. Experimental and numerical analyses on a plate heat exchanger with phase change for waste heat recovery at off-design conditions. J. Phys. Conf. Ser. 2015, 655, 012038. [Google Scholar] [CrossRef]
- Faghri, A. Heat Pipes: Review, Opportunities and Challenges. Front. Heat Pipes 2014, 5, 1. [Google Scholar] [CrossRef]
- Delpech, B.; Milani, M.; Montorsi, L.; Boscardin, D.; Chauhan, A.; Almahmoud, S.; Axcell, B.; Jouhara, H. Energy efficiency enhancement and waste heat recovery in industrial processes by means of the heat pipe technology: Case of the ceramic industry. Energy 2018, 158, 656–665. [Google Scholar] [CrossRef]
- Jouhara, H.; Chauhan, A.; Nannou, T.; Almahmoud, S.; Delpech, B.; Wrobel, L.C. Heat pipe based systems-Advances and applications. Energy 2017, 128, 729–754. [Google Scholar] [CrossRef]
- Nimbalkar, S. Waste Heat Recovery from Industrial Process Heating Equipment. Oak Ridge Natl. Lab. 2015. Available online: https://www.scribd.com/document/367470421/IAC-Student-Webinar-May-Sachin (accessed on 10 June 2022).
- Shah, R.K.; Sekuli, D.P. Fundamentals of Heat Exchanger Design. In Fundamentals of Heat Exchanger Design; John Wiley & Sons: Hoboken, NJ, USA, 2003. [Google Scholar] [CrossRef]
- The National Productivity Council, I. Waste Heat Recovery; United Nations Environment Programme: Nairobi, Kenya, 2006. [Google Scholar]
- Canada. Agriculture Canada. Food Production and Inspection Branch. In Marketing and Economics Branch. Heat Recovery for Canadian Food and Beverage Industries; Agriculture Canada; 1984; p. 28. Available online: https://publications.gc.ca/collections/collection_2012/agr/A15-5181-1984-eng.pdf (accessed on 10 June 2022).
- Guwahati Waste Heat Recovery Through Heat Exchangers; Indian Institute of Technology Guwahati: Assam, India, 2017.
- Carbon Trust Heat Recovery; Carbon Trust Ltd.: London, UK, 2011.
- Aghayari, R.; Maddah, H.; Ashori, F.; Hakiminejad, A.; Aghili, M. Effect of nanoparticles on heat transfer in mini double-pipe heat exchangers in turbulent flow. Heat Mass Transf. Und Stoffuebertragung 2015, 51, 301–306. [Google Scholar] [CrossRef]
- Spirax Sarco Miscellaneous Boiler Types Economisers and Superheaters. Available online: https://www.spiraxsarco.com/learn-about-steam/the-boiler-house/miscellaneous-boiler-types-economisers-and-superheaters (accessed on 10 June 2022).
- U.S. Department of Energy. Use Feedwater Economizers for Waste Heat Recovery; Office of Energy Efficiency and Renewable Energy: Washington, DC, USA, 2012. Available online: https://www.energy.gov/sites/prod/files/2014/05/f16/steam3_recovery.pdf (accessed on 10 June 2022).
- Thermtech. Reducing Energy Costs with Economisers. Available online: http://thermtech.co.uk/reducing-energy-costs-with-economisers/ (accessed on 10 June 2022).
- Mohan Sen Basic Mechanical Engineering; Laxmi Publications: Delhi, India, 2016.
- Steam Generation Economiser Units. Available online: http://steamgeneration.co.za/cochran-economiser-units/ (accessed on 10 June 2022).
- PEI—Power Engineering International Heat Recovery Steam Generators Design Options and Benefits. Available online: https://www.powerengineeringint.com/coal-fired/equipment-coal-fired/heat-recovery-steam-generators-design-options-and-benefits/ (accessed on 10 June 2022).
- ScienceDirect Heat Recovery Steam Generator. Available online: https://www.sciencedirect.com/topics/engineering/heat-recovery-steam-generator (accessed on 10 June 2022).
- Quoilin, S.; Van Den Broek, M.; Declaye, S.; Dewallef, P.; Lemort, V. Techno-economic survey of organic rankine cycle (ORC) systems. Renew. Sustain. Energy Rev. 2013, 22, 168–186. [Google Scholar] [CrossRef]
- Wang, D.; Ling, X.; Peng, H. Performance analysis of double organic Rankine cycle for discontinuous low temperature waste heat recovery. Appl. Therm. Eng. 2012, 48, 63–71. [Google Scholar] [CrossRef]
- Turboden ORC System. Available online: https://www.turboden.com/products/2463/orc-system (accessed on 10 June 2022).
- Saleh, B.; Koglbauer, G.; Wendland, M.; Fischer, J. Working fluids for low-temperature organic Rankine cycles. Energy 2007, 32, 1210–1221. [Google Scholar] [CrossRef]
- Douvartzides, S.; Karmalis, I. Working fluid selection for the Organic Rankine Cycle (ORC) exhaust heat recovery of an internal combustion engine power plant. In IOP Conference Series: Materials Science and Engineering; IOP Publishing Ltd.: Bristol, UK, 2016; p. 161. [Google Scholar] [CrossRef]
- Roy, J.P.; Mishra, M.K.; Misra, A. Parametric optimization and performance analysis of a waste heat recovery system using Organic Rankine Cycle. Energy 2010, 35, 5049–5062. [Google Scholar] [CrossRef]
- Roy, J.P.; Mishra, M.K.; Misra, A. Parametric optimization and performance analysis of a regenerative Organic Rankine Cycle using low-grade waste heat for power generation. Int. J. Green Energy 2011, 8, 173–196. [Google Scholar] [CrossRef]
- Delpech, B.; Axcell, B.; Jouhara, H. A review on waste heat recovery from exhaust in the ceramics industry. E3S Web Conf. 2017, 22, 8. [Google Scholar] [CrossRef]
- Mlcak, H.A. An Introduction to the Kalina Cycle. Proc. Int. Jt. Power Gener. Conf. 1996, 30, 1–11. [Google Scholar]
- Mirolli, M.D. Kalina Cycle Power Systems in Waste Heat Recovery Applications. Available online: http://www.globalcement.com/magazine/articles/721-kalina-cycle-power-systems-in-waste-heat-recovery-applications (accessed on 10 June 2022).
- Rogdakis, E.; Lolos, P. Kalina Cycles for Power Generation. In Handbook of Clean Energy Systems; John Wiley & Sons, Ltd.: Hoboken, NJ, USA, 2015; pp. 1–25. [Google Scholar] [CrossRef]
- Wang, J.; Wang, J.; Zhao, P.; Dai, Y.; Peng, Y. Thermodynamic analysis and comparison study of an Organic Rankine Cycle (ORC) and a Kalina cycle for waste heat recovery of compressor intercooling. Proc. ASME Turbo Expo 2014, 3B, 1–10. [Google Scholar] [CrossRef]
- Milewski, J.; Krasucki, J. Comparison of ORC and Kalina cycles for waste heat recovery in the steel industry. J. Power Technol. 2017, 97, 302–307. [Google Scholar]
- Júnior, E.P.B.; Arrieta, M.D.P.; Arrieta, F.R.P.; Silva, C.H.F. Assessment of a Kalina cycle for waste heat recovery in the cement industry. Appl. Therm. Eng. 2019, 147, 421–437. [Google Scholar] [CrossRef]
- Manente, G.; Costa, M. On the conceptual design of novel supercritical CO2 power cycles for waste heat recovery. In Proceedings of the ECOS 2019—32nd International Conference on Efficiency, Cost, Optimization, Simulation and Environmental Impact of Energy Systems, Wroclaw, Poland, 23–28 June 2019; pp. 2219–2231. [Google Scholar]
- Patel, S. What Are Supercritical CO2 Power Cycles? Available online: https://www.powermag.com/what-are-supercritical-co2-power-cycles/ (accessed on 11 May 2022).
- Liu, Y.; Wang, Y.; Huang, D. Supercritical CO2 Brayton cycle: A state-of-the-art review. Energy 2019, 189, 115900. [Google Scholar] [CrossRef]
- Maestre-Cambronel, D.; Guzmán Barros, J.; Gonzalez-Quiroga, A.; Bula, A.; Duarte-Forero, J. Thermoeconomic analysis of improved exhaust waste heat recovery system for natural gas engine based on Vortex Tube heat booster and supercritical CO2 Brayton cycle. Sustain. Energy Technol. Assessments 2021, 47, 101355. [Google Scholar] [CrossRef]
- Kumar, K.; Singh, S. Investigating thermal stratification in a vertical hot water storage tank under multiple transient operations. Energy Rep. 2021, 7, 7186–7199. [Google Scholar] [CrossRef]
- Li, Q.; Huang, X.; Tai, Y.; Gao, W.; Wenxian, L.; Liu, W. Thermal stratification in a solar hot water storage tank with mantle heat exchanger. Renew. Energy 2021, 173, 1–11. [Google Scholar] [CrossRef]
- Puschnigg, S.; Lindorfer, J.; Moser, S.; Kienberger, T. Techno-economic aspects of increasing primary energy efficiency in industrial branches using thermal energy storage. J. Energy Storage 2021, 36, 102344. [Google Scholar] [CrossRef]
- Rosen, M.A. Thermal Storage. Available online: https://www.greenspec.co.uk/building-design/thermal-storage/ (accessed on 10 June 2022).
- International Renewable Energy Agency Innovation Outlook: Thermal Energy Storage; International Renewable Energy Agency: Abu Dhabi, United Arab Emirates, 2020; p. 144.
- Canbazoǧlu, S.; Şahinaslan, A.; Ekmekyapar, A.; Aksoy, Y.G.; Akarsu, F. Enhancement of solar thermal energy storage performance using sodium thiosulfate pentahydrate of a conventional solar water-heating system. Energy Build. 2005, 37, 235–242. [Google Scholar] [CrossRef]
- Koca, A.; Oztop, H.F.; Koyun, T.; Varol, Y. Energy and exergy analysis of a latent heat storage system with phase change material for a solar collector. Renew. Energy 2008, 33, 567–574. [Google Scholar] [CrossRef]
- Chaabane, M.; Mhiri, H.; Bournot, P. Thermal performance of an integrated collector storage solar water heater (ICSSWH) with phase change materials (PCM). Energy Convers. Manag. 2014, 78, 897–903. [Google Scholar] [CrossRef]
- Douvi, E.; Pagkalos, C.; Dogkas, G.; Koukou, M.K.; Stathopoulos, V.N.; Caouris, Y.; Vrachopoulos, M.G. Phase change materials in solar domestic hot water systems: A review. Int. J. Thermofluids 2021, 10, 100075. [Google Scholar] [CrossRef]
- Lee, W.S.; Chen, B.R.; Chen, S.L. Latent heat storage in a two-phase thermosyphon solar water heater. J. Sol. Energy Eng. Trans. ASME 2006, 128, 69–76. [Google Scholar] [CrossRef]
- Chopra, K.; Tyagi, V.V.; Pandey, A.K.; Sharma, R.K.; Sari, A. PCM integrated glass in glass tube solar collector for low and medium temperature applications: Thermodynamic & techno-economic approach. Energy 2020, 198, 117238. [Google Scholar] [CrossRef]
- Wu, W.; Dai, S.; Liu, Z.; Dou, Y.; Hua, J.; Li, M.; Wang, X.; Wang, X. Experimental study on the performance of a novel solar water heating system with and without PCM. Sol. Energy 2018, 171, 604–612. [Google Scholar] [CrossRef]
- Naghavi, M.S.; Ang, B.C.; Rahmanian, B.; Naghavi, S.; Bazri, S.; Mahmoodian, R.; Metselaar, H.S.C. On-demand dynamic performance of a thermal battery in tankless domestic solar water heating in the tropical region. Appl. Therm. Eng. 2020, 167, 114790. [Google Scholar] [CrossRef]
- Ben Zohra, M.; Riad, A.; Alhamany, A. Development of thermal energy storage system based on phase change materials. In Proceedings of the 2019 International Conference of Computer Science and Renewable Energies (ICCSRE), Agadir, Morocco, 22–24 July 2019. [Google Scholar] [CrossRef]
- Royo, P.; Ferreira, V.J.; Ure, Z.; Gledhill, S.; López-Sabirón, A.M.; Ferreira, G. Multiple-Criteria Decision Analysis and characterisation of phase change materials for waste heat recovery at high temperature for sustainable energy-intensive industry. Mater. Des. 2020, 186, 108215. [Google Scholar] [CrossRef]
- Sharif, M.K.A.; Al-Abidi, A.A.; Mat, S.; Sopian, K.; Ruslan, M.H.; Sulaiman, M.Y.; Rosli, M.A.M. Review of the application of phase change material for heating and domestic hot water systems. Renew. Sustain. Energy Rev. 2015, 42, 557–568. [Google Scholar] [CrossRef]
- Abokersh, M.H.; Osman, M.; El-Baz, O.; El-Morsi, M.; Sharaf, O. Review of the phase change material (PCM) usage for solar domestic water heating systems (SDWHS). Int. J. Energy Res. 2018, 42, 329–357. [Google Scholar] [CrossRef]
- Faraj, K.; Khaled, M.; Faraj, J.; Hachem, F.; Castelain, C. A review on phase change materials for thermal energy storage in buildings: Heating and hybrid applications. J. Energy Storage 2021, 33, 101913. [Google Scholar] [CrossRef]
- Yang, L.; Xu, H.; Cola, F.; Akhmetov, B.; Gil, A.; Cabeza, L.F.; Romagnoli, A. Shell-and-tube latent heat thermal energy storage design methodology with material selection, storage performance evaluation, and cost minimization. Appl. Sci. 2021, 11, 4180. [Google Scholar] [CrossRef]
- Kumar, B. Design, Development and Performance Evaluation of a Latent Heat Storage Unit for Evening and Morning Hot Water Using a Box Type Solar Collector; Project Report, M. Tech. (Energy Management); School of Energy and Environmental Studies, Devi Ahilya University: Indore, India, 2001. [Google Scholar]
- Hamed, M.; Fallah, A.; Brahim, A. Ben Numerical analysis of an integrated storage solar heater. Int. J. Hydrogen Energy 2017, 42, 8721–8732. [Google Scholar] [CrossRef]
- Palacio, M.; Carmona, M. Experimental Evaluation of a Latent Heat Thermal Storage Unit Integrated into a Flat Plate Solar Collector as Temperature Stabilizer. In Proceedings of the 2018 2nd International Conference on Green Energy and Applications (ICGEA), Singapore, 24–26 March 2018; pp. 83–87. [Google Scholar] [CrossRef]
- Allouhi, A.; Ait Msaad, A.; Benzakour Amine, M.; Saidur, R.; Mahdaoui, M.; Kousksou, T.; Pandey, A.K.; Jamil, A.; Moujibi, N.; Benbassou, A. Optimization of melting and solidification processes of PCM: Application to integrated collector storage solar water heaters (ICSSWH). Sol. Energy 2018, 171, 562–570. [Google Scholar] [CrossRef]
- Koyuncu, T.; Lüle, F. Thermal Performance of a Domestic Chromium Solar Water Collector with Phase Change Material. Procedia Soc. Behav. Sci. 2015, 195, 2430–2442. [Google Scholar] [CrossRef]
- El Qarnia, H. Numerical analysis of a coupled solar collector latent heat storage unit using various phase change materials for heating the water. Energy Convers. Manag. 2009, 50, 247–254. [Google Scholar] [CrossRef]
- Varol, Y.; Koca, A.; Oztop, H.F.; Avci, E. Forecasting of thermal energy storage performance of Phase Change Material in a solar collector using soft computing techniques. Expert Syst. Appl. 2010, 37, 2724–2732. [Google Scholar] [CrossRef]
- Tarhan, S.; Sari, A.; Yardim, M.H. Temperature distributions in trapezoidal built in storage solar water heaters with/without phase change materials. Energy Convers. Manag. 2006, 47, 2143–2154. [Google Scholar] [CrossRef]
- Motte, F.; Notton, G.; Lamnatou, C.; Cristofari, C.; Chemisana, D. Numerical study of PCM integration impact on overall performances of a highly building-integrated solar collector. Renew. Energy 2019, 137, 10–19. [Google Scholar] [CrossRef]
- Palacio, M.; Rincón, A.; Carmona, M. Experimental comparative analysis of a flat plate solar collector with and without PCM. Sol. Energy 2020, 206, 708–721. [Google Scholar] [CrossRef]
- Feliński, P.; Sekret, R. Effect of PCM application inside an evacuated tube collector on the thermal performance of a domestic hot water system. Energy Build. 2017, 152, 558–567. [Google Scholar] [CrossRef]
- Prakash, J.; Roan, D.; Tauqir, W.; Nazir, H.; Ali, M.; Kannan, A. Off-grid solar thermal water heating system using phase-change materials: Design, integration and real environment investigation. Appl. Energy 2019, 240, 73–83. [Google Scholar] [CrossRef]
- Naghavi, M.S.; Ong, K.S.; Badruddin, I.A.; Mehrali, M.; Metselaar, H.S.C. Thermal performance of a compact design heat pipe solar collector with latent heat storage in charging/discharging modes. Energy 2017, 127, 101–115. [Google Scholar] [CrossRef]
- Bilardo, M.; Fraisse, G.; Pailha, M.; Fabrizio, E. Modelling and performance analysis of a new concept of integral collector storage (ICS) with phase change material. Sol. Energy 2019, 183, 425–440. [Google Scholar] [CrossRef]
- Bilardo, M.; Fraisse, G.; Pailha, M.; Fabrizio, E. Design and experimental analysis of an Integral Collector Storage (ICS) prototype for DHW production. Appl. Energy 2020, 259, 114104. [Google Scholar] [CrossRef]
- Shabgard, H.; Song, L.; Zhu, W. Heat transfer and exergy analysis of a novel solar-powered integrated heating, cooling, and hot water system with latent heat thermal energy storage. Energy Convers. Manag. 2018, 175, 121–131. [Google Scholar] [CrossRef]
- Reddy, K.S. Thermal modeling of PCM-based solar integrated collector storage water heating system. J. Sol. Energy Eng. Trans. ASME 2007, 129, 458–464. [Google Scholar] [CrossRef]
- Bouadila, S.; Fteïti, M.; Oueslati, M.M.; Guizani, A.; Farhat, A. Enhancement of latent heat storage in a rectangular cavity: Solar water heater case study. Energy Convers. Manag. 2014, 78, 904–912. [Google Scholar] [CrossRef]
- Khalifa, A.J.N.; Suffer, K.H.; Mahmoud, M.S. A storage domestic solar hot water system with a back layer of phase change material. Exp. Therm. Fluid Sci. 2013, 44, 174–181. [Google Scholar] [CrossRef]
- Mettawee, E.B.S.; Assassa, G.M.R. Experimental study of a compact PCM solar collector. Energy 2006, 31, 2958–2968. [Google Scholar] [CrossRef]
- Panayiotou, G.P.; Kalogirou, S.A.; Tassou, S.A. Evaluation of the application of Phase Change Materials (PCM) on the envelope of a typical dwelling in the Mediterranean region. Renew. Energy 2016, 97, 24–32. [Google Scholar] [CrossRef]
- Mahfuz, M.H.; Anisur, M.R.; Kibria, M.A.; Saidur, R.; Metselaar, I.H.S.C. Performance investigation of thermal energy storage system with Phase Change Material (PCM) for solar water heating application. Int. Commun. Heat Mass Transf. 2014, 57, 132–139. [Google Scholar] [CrossRef]
- Cuviella-Suárez, C.; Colmenar-Santos, A.; Borge-Diez, D.; López-Rey, Á. Heat recovery in sanitary-ware industry applied to water and energy saving by multi-effect distillation. J. Clean. Prod. 2019, 213, 1322–1336. [Google Scholar] [CrossRef]
- Rahimi, B.; Chua, H.T. Low Grade Sensible Heat-Driven Distillation. In Low Grade Heat Driven Multi-Effect Distillation and Desalination; Elsevier: Amsterdam, The Netherlands, 2017; pp. 19–26. [Google Scholar] [CrossRef]
- Rahimi, B.; Chua, H.T. Low grade heat driven multi-effect distillation and desalination. Low Grade Heat Driven Multi-Effect Distill. Desalin. 2017, 54, 1–194. [Google Scholar]
- Lara, J.R.; Osunsan, O.; Holtzapple, M.T. Advanced Mechanical Vapor-Compression Desalination System. Desalination Trends Technol. 2011, 7, 129–148. [Google Scholar] [CrossRef][Green Version]
- Wayman, J. Philip Davies Brackish Ground Water Desalination Using Solar Reverse Osmosis; School of Engineering and Applied Science, Aston University: Birmingham, UK, 2015. [Google Scholar]
- Baniasad Askari, I.; Ameri, M. A techno-economic review of multi effect desalination systems integrated with different solar thermal sources. Appl. Therm. Eng. 2021, 185, 116323. [Google Scholar] [CrossRef]
- Toth, A.J. Modelling and optimisation of multi-stage flash distillation and reverse osmosis for desalination of saline process wastewater sources. Membranes 2020, 10, 265. [Google Scholar] [CrossRef]
- Nannarone, A.; Toro, C.; Sciubba, E. Multi-stage flash desalination process: Modeling and simulation. In Proceedings of the The 30th International Conference on Efficiency, Cost, Optimization, Simulation and Environmental Impact of Energy Systems-ECOS 2017, San Diego, CA, USA, 2–6 July 2017. [Google Scholar]
- Khoshrou, I.; Jafari Nasr, M.R.; Bakhtari, K. New opportunities in mass and energy consumption of the Multi-Stage Flash Distillation type of brackish water desalination process. Sol. Energy 2017, 153, 115–125. [Google Scholar] [CrossRef]
- El-Ghonemy, A.M.K. Performance test of a sea water multi-stage flash distillation plant: Case study. Alexandria Eng. J. 2018, 57, 2401–2413. [Google Scholar] [CrossRef]
- Baig, H.; Antar, M.A.; Zubair, S.M. Performance evaluation of a once-through multi-stage flash distillation system: Impact of brine heater fouling. Energy Convers. Manag. 2011, 52, 1414–1425. [Google Scholar] [CrossRef]
- Feria-Díaz, J.J.; López-Méndez, M.C.; Rodríguez-Miranda, J.P.; Sandoval-Herazo, L.C.; Correa-Mahecha, F. Commercial thermal technologies for desalination of water from renewable energies: A state of the art review. Processes 2021, 9, 262. [Google Scholar] [CrossRef]
- González, D.; Amigo, J.; Suárez, F. Membrane distillation: Perspectives for sustainable and improved desalination. Renew. Sustain. Energy Rev. 2017, 80, 238–259. [Google Scholar] [CrossRef]
- Reza Shirzad Kebria, M.; Rahimpour, A. Membrane Distillation: Basics, Advances, and Applications. In Advances in Membrane Technologies; IntechOpen: London, UK, 2020. [Google Scholar] [CrossRef]
- Bendevis, P.; Karam, A.; Laleg-Kirati, T.M. Optimal model-free control of solar thermal membrane distillation system. Comput. Chem. Eng. 2020, 133, 106622. [Google Scholar] [CrossRef]
- Chang, H.; Chang, C.L.; Hung, C.Y.; Cheng, T.W.; Ho, C.D. Optimization Study of Small-Scale Solar Membrane Distillation Desalination Systems (s-SMDDS). Int. J. Environ. Res. Public Health 2014, 11, 12064–12087. [Google Scholar] [CrossRef]
- Muhamad, N.A.S.; Hanoin, M.A.H.M.; Mokhtar, N.M.; Lau, W.J.; Jaafar, J. Industrial application of membrane distillation technology using palm oil mill effluent in Malaysia. Mater. Today Proc. 2021, 57, 1282–1287. [Google Scholar] [CrossRef]
- Lu, K.; Lü, Y.; Bai, Y.; Zhang, J.; Bie, N.; Ren, Y.; Ma, Y. Experimental investigation and theoretical modeling on scale behaviors of high salinity wastewater in zero liquid discharge process of coal chemical industry. Chinese J. Chem. Eng. 2020, 28, 969–979. [Google Scholar] [CrossRef]
- Xiong, R.; Wei, C. Current status and technology trends of zero liquid discharge at coal chemical industry in China. J. Water Process. Eng. 2017, 19, 346–351. [Google Scholar] [CrossRef]
- Alnouri, S.Y.; Linke, P.; El-Halwagi, M.M. Accounting for central and distributed zero liquid discharge options in interplant water network design. J. Clean. Prod. 2018, 171, 644–661. [Google Scholar] [CrossRef]
- Deneux, O.; El Hafni, B.; Péchiné, B.; Di Penta, E.; Antonucci, G.; Nuccio, P. Establishment of a model for a combined heat and power plant with ThermosysPro library. Procedia Comput. Sci. 2013, 19, 746–753. [Google Scholar] [CrossRef][Green Version]
- Hernandez-Albaladejo, G.; Urquia, A. Modelling of Low-Temperature Solar Thermal Systems with Modelica. IFAC-PapersOnLine 2018, 51, 783–788. [Google Scholar] [CrossRef]
- Halimov, A.; Lauster, M.; Müller, D. Validation and integration of a latent heat storage model into building envelopes of a high-order building model for Modelica library AixLib. Energy Build. 2019, 202, 109336. [Google Scholar] [CrossRef]
- Xanthopoulou, K.; Mehrfeld, P.; Kangowski, P.; Lanzerath, F.; Müller, D. Validation of a building model as part of the AixLib Modelica library for dynamic plant and building performance simulations. Energy Build. 2021, 250, 111248. [Google Scholar] [CrossRef]
- Filonenko, K.; Ljungdahl, V.B.; Yang, T.; Veje, C. Modelica implementation of phase change material ventilation unit. In Proceedings of the 2020 6th IEEE International Energy Conference (ENERGYCon), Gammarth, Tunisia, 28 September–1 October 2020; pp. 464–467. [Google Scholar] [CrossRef]
- Aguilera, M.; Vanfretti, L.; Bogodorova, T.; Gómez, F. Coalesced Gas Turbine and Power System Modeling and Simulation using Modelica. In Proceedings of the American Modelica Conference 2018, Somberg Conference Center, Cambridge, MA, USA, 9–10 October 2019; Volume 154, pp. 93–102. [Google Scholar] [CrossRef]
- Desideri, A.; Hernandez, A.; Gusev, S.; van den Broek, M.; Lemort, V.; Quoilin, S. Steady-state and dynamic validation of a small-scale waste heat recovery system using the ThermoCycle Modelica library. Energy 2016, 115, 684–696. [Google Scholar] [CrossRef]
- Antoniadis, C.N.; Martinopoulos, G. Simulation of Solar Thermal Systems with Seasonal Storage Operation for Residential Scale Applications. Procedia Environ. Sci. 2017, 38, 405–412. [Google Scholar] [CrossRef]
- Ekwonu, M.C.; Perry, S.; Oyedoh, E.A. Modelling and Simulation of Gas Engines Using Aspen HYSYS. Available online: https://www.aspentech.com/en/products/engineering/aspen-hysys (accessed on 10 June 2022).
- Benato, A.; Stoppato, A.; Mirandola, A.; Del Medico, M. Design and Off-Design Analysis of an ORC Coupled with a Micro-Gas Turbine. Energy Procedia 2017, 129, 551–558. [Google Scholar] [CrossRef]
- Zheng, L.; Furimsky, E. ASPEN simulation of cogeneration plants. Energy Convers. Manag. 2003, 44, 1845–1851. [Google Scholar] [CrossRef]
- Alobaid, F.; Postler, R.; Ströhle, J.; Epple, B.; Kim, H.G. Modeling and investigation start-up procedures of a combined cycle power plant. Appl. Energy 2008, 85, 1173–1189. [Google Scholar] [CrossRef]
- Antonelli, M.; Baccioli, A.; Francesconi, M.; Psaroudakis, P.; Martorano, L. Small scale ORC plant modeling with the AMESim simulation tool: Analysis of working fluid and thermodynamic cycle parameters influence. Energy Procedia 2015, 81, 440–449. [Google Scholar] [CrossRef]
- Ramin Moradi; Roberto Tascioni; Emanuele Habib; Luca Cioccolanti; Mauro Villarini; EnricoBocci Thermodynamic simulation of a small-scale organic Rankine cycle testing facility using R245fa. Energy Procedia 2018, 148, 66–73. [CrossRef]
- Borelli, D.; Devia, F.; Schenone, C.; Spoladore, A. Thermodynamic transient simulation of a combined heat & power system. Energy Procedia 2015, 81, 505–515. [Google Scholar] [CrossRef]
- Joe, J.M.; Rabiu, A.M. Retrofit of the Heat Recovery System of a Petroleum Refinery Using Pinch Analysis. J. Power Energy Eng. 2013, 01, 47–52. [Google Scholar] [CrossRef][Green Version]
- Cassanello, M.; Yeoh, K.P.; Liang, Y.; Pamudji, M.S.; Hui, C.W. Modelling and optimization of multistream heat exchanger with area targeting. Chem. Eng. Trans. 2018, 70, 673–678. [Google Scholar] [CrossRef]
- Biyanto, T.R.; Tama, N.E.; Permatasari, I.; Sabillah, M.G.; Napitupulu, D.H.; Anda, A.R. Optimization heat transfer coefficient in retrofit heat exchanger network using pinch analysis and killer whale algorithm. AIP Conf. Proc. 2019, 2088, 020051. [Google Scholar] [CrossRef]
- Bagajewicz, M.; Rodera, H.; Savelski, M. Energy efficient water utilization systems in process plants. Comput. Chem. Eng. 2002, 26, 59–79. [Google Scholar] [CrossRef]
- Ganjeh Kaviri, A.; Mohd Jafar, M.N.; Tholudin, M.L. Modeling and optimization of Heat Recovery Heat exchanger. Appl. Mech. Mater. 2012, 110–116, 2448–2452. [Google Scholar] [CrossRef]
- Yang, M.H. Optimizations of the waste heat recovery system for a large marine diesel engine based on transcritical Rankine cycle. Energy 2016, 113, 1109–1124. [Google Scholar] [CrossRef]
- Li, D.; Sun, Q.; Sun, K.; Zhang, G.; Bai, S.; Li, G. Diesel engine waste heat recovery system comprehensive optimization based on system and heat exchanger simulation. Open Phys. 2021, 19, 331–340. [Google Scholar] [CrossRef]
- Tanasic, N.; Ivosevic, M.; Simonovic, T. Optimisation of waste heat recovery system in paper machine dryer section. In Proceedings of the 2021 6th International Symposium on Environment-Friendly Energies and Applications (EFEA), Sofia, Bulgaria, 24–26 March 2021. [Google Scholar] [CrossRef]
- Wang, X.; Jin, M.; Feng, W.; Shu, G.; Tian, H.; Liang, Y. Cascade energy optimization for waste heat recovery in distributed energy systems. Appl. Energy 2018, 230, 679–695. [Google Scholar] [CrossRef]
- Castelli, A.F.; Elsido, C.; Scaccabarozzi, R.; Nord, L.O.; Martelli, E. Optimization of organic rankine cycles for waste heat recovery from aluminum production plants. Front. Energy Res. 2019, 7, 44. [Google Scholar] [CrossRef]
- Laouid, Y.A.A.; Kezrane, C.; Lasbet, Y.; Pesyridis, A. Towards improvement of waste heat recovery systems: A multi-objective optimization of different organic Rankine cycle configurations. Int. J. Thermofluids 2021, 11, 100100. [Google Scholar] [CrossRef]
- Legorburu, G.; Smith, A.D. Demonstrating the benefit of multi-objective optimization and clustering for the design of waste heat recovery systems. ASHRAE Trans. 2019, 125, 436–443. [Google Scholar]
- Sani, M.M.; Noorpoor, A.; Motlagh, M.S. Multi objective optimization of waste heat recovery in cement industry (a case study). J. Therm. Eng. 2020, 6, 604–618. [Google Scholar] [CrossRef]
- Valencia, G.; Núñez, J.; Duarte, J. Multiobjective optimization of a plate heat exchanger in a waste heat recovery organic rankine cycle system for natural gas engines. Entropy 2019, 21, 655. [Google Scholar] [CrossRef] [PubMed]
- Feru, E.; Goyal, S.; Willems, F. Optimal Sizing of Waste Heat Recovery Systems for Dynamic Engine Conditions. In Organic Rankine Cycle Technology for Heat Recovery; IntechOpen: London, UK, 2018. [Google Scholar] [CrossRef]
- Powell, K.M.; Hedengren, J.D.; Edgar, T.F. Dynamic optimization of a solar thermal energy storage system over a 24 hour period using weather forecasts. In Proceedings of the 2013 American Control Conference, Washington, DC, USA, 17–19 June 2013; pp. 2946–2951. [Google Scholar] [CrossRef]
- Li, J.; Zhang, Y.; Ding, P.; Long, E. Experimental and simulated optimization study on dynamic heat discharge performance of multi-units water tank with PCM. Indoor Built Environ. 2021, 30, 1531–1545. [Google Scholar] [CrossRef]
- Hoffmann, C.; Puta, H. Dynamic optimization of energy supply systems with Modelica models. IFAC Proc. Vol. 2006, 1, 51–56. [Google Scholar] [CrossRef]
- Zhang, L.; Wang, Y.; Feng, X. A framework for design and operation optimization for utilizing low-grade industrial waste heat in district heating and cooling. Energies 2021, 14, 2190. [Google Scholar] [CrossRef]
- Marton, S.; Langner, C.; Svensson, E.; Harvey, S. Costs vs. Flexibility of Process Heat Recovery Solutions Considering Short-Term Process Variability and Uncertain Long-Term Development. Front. Chem. Eng. 2021, 3, 25. [Google Scholar] [CrossRef]
- Benvenuto, G.; Trucco, A.; Campora, U. Optimization of waste heat recovery from the exhaust gas of marine diesel engines. Proc. Inst. Mech. Eng. Part M J. Eng. Marit. Environ. 2016, 230, 83–94. [Google Scholar] [CrossRef]
- Prun, O.E.; Garyaev, A.B. Method for Optimization of Heat-Exchange Units Working in Heat Recovery Systems. Therm. Eng. 2020, 67, 560–566. [Google Scholar] [CrossRef]





| Pillar | Definition of the Guiding Principles | Contextualization of the Work |
|---|---|---|
| 1st Pillar Energy Efficiency and Circular Economy Nexus |
|
|
| 2nd Pillar Renewable-Based Electrification |
|
|
| 3rd Pillar Alternative Low-Carbon Fuels |
|
|
| Aspect | Progress | Ref. |
|---|---|---|
| Overview of Process Integration | Framework of process integration within the improvement of the use of utilities in industry and the involvement of numerical methods, including:
| [72,73,74,75,76,77,78,79,80,81,82,83,84,85] |
| Pinch Technology for Energy Efficiency Improvement | Pinch analysis-based heat integration in industry, including:
| [86,87,88,89,90,91,92,93,94,95,96,97,98,99,100,101,102,103,104,105] |
| Water Minimisation and Recirculation | Strategies for the minimisation of freshwater consumption and reduction in water footprint, through:
| [67,81,106,107,108,109,110,111,112,113] |
| Combined Water and Energy Integration | Research on the simultaneous application of Water and Energy Integration within a water network, considering:
| [54,114,115,116,117] |
| Process/ System | Balance | Equation | ||
|---|---|---|---|---|
| Thermal Process | Mass Balance | (1) | ||
| Enthalpy Balance | (2) | |||
| Heat recovery equations | (3) | |||
| (4) | ||||
| Water System | Water-Using Process | Mass Balance | (5) | |
| Enthalpy Balance | (6) | |||
| Wastewater Treatment Unit | Mass Balance | (7) | ||
| Enthalpy Balance | (8) | |||
| Heater | Mass Balance | (9) | ||
| Enthalpy Balance | (10) | |||
| Cooler | Mass Balance | (11) | ||
| Enthalpy Balance | (12) | |||
| Recirculation Point (Splitting) | Mass Balance | (13) | ||
| Enthalpy Balance | (14) | |||
| Recirculation Point (Joint) | Mass Balance | (15) | ||
| Enthalpy Balance | (16) | |||
| Type | Description | Ref. |
|---|---|---|
| Simulation Tools | Applicable for scenario analysis, sensitivity analysis and further API-based integration with optimisation models. The unit operations simulation models included in WEIS may be developed overall using existing software packages and modelling languages, such as Modelica [221,222,223,224,225,226,227], TRNSYS [228], ASPEN HYSYS [229,230,231], Apros [232], AMESim [233] and MATLAB/Simulink [234,235]. The technologies/measures being simulated include hot air recycling as combustion air, the implementation of heat exchangers for water/air preheating, organic Rankine cycles, multi-effect distillation units and PCM heat exchangers. | [23,221,222,223,224,225,226,227,228,229,230,231,232,233,234,235] |
| Optimisation Tools | Optimisation models for heat recovery/water recirculation systems overall are within the categories of mathematical programming (MP) and pinch analysis (PA) method applications. The PA method is a holistic perspective for the application of a systematic approach for the planning of industrial systems, although it suffers from the adoption of a steady-state perspective only and a high number of assumptions about fluid properties and temperature profiles [48,52,54,57,236,237,238,239]. MP methods may be formulated to require less assumptions, but are less systematic in nature, and include linear and non-linear programming (LP, NLP, MILP and MINLP) [39,40,42,43,46,47,51,55,56,59,62,65,240,241,242,243,244,245], multi-objective programming (MOP) [45,246,247,248,249,250] and dynamic programming (DP) [251,252,253,254,255,256]. These optimisation models have been prominently developed using the Modelica, Python and GAMS languages. | [22,36,37,39,40,41,42,43,44,45,48,49,51,52,53,54,55,56,57,59,61,62,236,237,238,239,240,241,242,243,244,245,246,247,248,249,250,251,252,253,254,255,256,257] |
Publisher’s Note: MDPI stays neutral with regard to jurisdictional claims in published maps and institutional affiliations. |
© 2022 by the authors. Licensee MDPI, Basel, Switzerland. This article is an open access article distributed under the terms and conditions of the Creative Commons Attribution (CC BY) license (https://creativecommons.org/licenses/by/4.0/).
Share and Cite
Castro Oliveira, M.; Iten, M.; Matos, H.A. Review on Water and Energy Integration in Process Industry: Water-Heat Nexus. Sustainability 2022, 14, 7954. https://doi.org/10.3390/su14137954
Castro Oliveira M, Iten M, Matos HA. Review on Water and Energy Integration in Process Industry: Water-Heat Nexus. Sustainability. 2022; 14(13):7954. https://doi.org/10.3390/su14137954
Chicago/Turabian StyleCastro Oliveira, Miguel, Muriel Iten, and Henrique A. Matos. 2022. "Review on Water and Energy Integration in Process Industry: Water-Heat Nexus" Sustainability 14, no. 13: 7954. https://doi.org/10.3390/su14137954
APA StyleCastro Oliveira, M., Iten, M., & Matos, H. A. (2022). Review on Water and Energy Integration in Process Industry: Water-Heat Nexus. Sustainability, 14(13), 7954. https://doi.org/10.3390/su14137954
