Abstract
Government policies are crucial factors for supporting the growth of the electric vehicle (EV) industry—a growth that can be encouraged, for example, by subsidization designed to reduce the considerable anxiety stemming from the inconvenience of refueling at public charging stations. Subsidizing low priority charging for residential enables cost-effective load management for example controlling of EV charging power for grid reliability at the off-peak rate for 24 h. This solution provides the convenient recharging of EVs at home and prevents an expensive grid upgradation. To advance our understanding of the EV situation, this research used a regression model to forecast the growth rate of the EV market alongside the EV expansion policies in Thailand. The agreement between a policy and forecasting urges the government to prepare power system adequacy for EV loading. The analysis showed that power demand and voltage reduction in a typical low-voltage distribution system that assumes maximum EV loading constitute voltage violations. To address this limitation, this study proposed a rule-based strategy wherein low priority smart EV charging is regulated. The numerical validation of the strategy indicated that the strategy reduced power demand by 25% and 39% compared with that achieved under uncontrolled and time of use (TOU) charging, respectively. The strategy also limited voltage reduction and prolonged battery life. The study presents implications for policymakers and electricity companies with respect to possible technical approaches to stimulating EV penetration.
1. Introduction
Transportation energy consumption ranks second in terms of primary carbon dioxide emission [1]. Carbon dioxide is the most prevalent greenhouse gas, and it contributes to global warming, which affects all life on Earth. Electric vehicles (EVs) are a viable alternative to gasoline-powered automobiles for reducing environmental risks while improving energy efficiency in transportation [2,3]. As a result, amidst some reservations, the use of electric vehicles has grown substantially. The EV growth and EV charging infrastructure falls into the chicken-egg dilemma represented by a reinforcing feedback loop [4]. They have direct and indirect relationship, for example, the charging network development is directly associated with the development of EV technology and charging location. On the other hand, the development of EV technology has an indirect relationship with the charging location through EV penetration rate, charging demand and scale of charging facilities. This finding agrees with a study in [5] as shown in Figure 1. The technology of battery energy storage, powertrain, and charging of EV (EV technology) has the intergroup relationship with the charging location and number of EV and psychology of the owner. A better energy performance of the EV provides a longer driving range and may not require more charge. Moreover, anxiety surrounding refueling is a psychological constraint concerning how advanced the EV technology is or how many charging locations there are; despite this, the EV owner is still requires the EV charging station to satisfy the need to refuel. As found in [6], charging station subsidize and free battery charging concern as the second and third rank of the preferred EV promotion policies, respectively. These inferred the people’s anxiety of energy refueling convenience and energy price before deciding to own an EV.
Figure 1.
Factors influencing of EV charging infrastructure [5].
Apart from the charging infrastructure development, recent research on consumer behavior and the development of policies supporting EV adoption suggested that the need for public charging stations depends on the distance between a house and a charging facility [7,8]. In [9,10], it was indicated that private residential charging is more frequently conducted than charging at public stations because the former entails no dwelling time in connecting a charger head. Commercially, an energy service provider prospect does not focus on public charging stations but home charging stations, whereas the trend of US and EU markets are 10% and 90%, respectively [11]. The discouraging effects of charging station distance on EV adoption is a trend that occurs across communities, thereby calling for policymakers to rethink policies on rapidly accelerating the adoption of economical and environmentally friendly transportation technology.
In 2021, the Thai government approved a provision to subsidize the off-peak electricity cost of 2.63 Thai baht (THB)/kWh for low-priority smart EV charging at public stations; this provision applies to 24-h controlled normal charging and fast charging and will be implemented for 2 years to manage power supply and EV load charging for grid reliability [12]. Nevertheless, this measure may be insufficient and may be the exact progressive focal point for consideration in enhancing EV deployment in accordance with the viewpoints of Thai citizens, who regard recharging at stations far from their homes as a waste of time. Alternatively, the government can subsidize the smart EVs charging at home through a low-priority scheme. Home-based charging, in which an electric system operator regulates power usage via the open charge point protocol (OCPP), prolongs battery life to levels that exceed those achieved through fast charging.
Fast charging entails a power consumption 4 times higher than the normal charging rate and is the major cause of failure that reduces battery life by about 80% [13]. Although fast charging at stations is available on demand, it requires the reliable and complex detection of on-board lithium plating for safety [14]. Conversely, smart EV charging with normal rated power at home may extend battery life and therefore serve as a sustainable general solution that simultaneously ensures battery availability, power supply, and user convenience. The upshot of all these is the enhanced acceptance of EVs. Normally, a home smart charger is based on AC level 2 technology, which supplies a maximum power of between 8 and 15 kW. It complies with the normal EV charging rate specified by manufacturers [15]. The technology also enables energy refueling at a residential household, which is very difficult to achieve for gasoline-powered vehicles.
2. Literature Review
Simultaneous charging power may have a significant impact on power quality and adequacy in the absence of smart EV charging. As a result, flattening the power demand and shifting load fulfillment to an appropriate period are required; this is a type of demand-side management for which smart EV charging can be a solution [16,17]. There are three levels of smart EV charging management: substation, feeder and microgrid level [18]. In this study, EV chargers are placed at residential households, and they are distinguished by different manufactures. They can be managed under a substation level by either centralized or decentralized smart control. In case of decentralized smart control, it can be defined as an individual control of the EV charger according to the grid’s limitations. In general, two control strategies for both smart EV charging exist: optimization-based control and rule-based control [19].
A typical characteristic of optimization-based control is the numerical optimization of the cost function, which can be developed in several ways depending on the variety of optimal control problems that can arise. In case of this study, for example, such problems can take the form of charging time, charging power requirement, charging cost, and the charging behaviors of EV owners. Numerous problems can be solved by optimization strategies, but the difficulty is encountered in scenario customization when an algorithm is run to serve another function [20]. Optimization-based control also involves a high computational time and high performance, albeit these are traded off with the accurate resolution of a complex problem [21].
Rule-based control is an empirical real-time strategy that involves the use of human knowledge, engineering assessment, and power system characteristics in designing a ruleset. Predefined prior knowledge is not mandatory, and the simplicity of algorithmic calculation eliminates the burdens on a computer. Rule-based control is therefore an efficient strategy [19]. The main challenge presented by this method is that precision in initial conditions is crucial for control performance. This means that substantial mathematical evaluation and theoretical basis are required at the beginning of the process. Since inclusive calibrations and adjustments are necessary for identifying suitable parameters for improving control performance under particular circumstances, efforts to extend the range of rule-based control is delayed and depended on the particular attributes of EV charging. Additionally, no optimization techniques are associated with rule-based control, thus providing no guarantee of optimal results. Despite these limitations, however, the rule-based strategy can produce a workable solution comparable to that generated using the optimization-based strategy, except in extreme scenarios [22]. Rule-based control likewise enables satisfactory power management based on existing grid assets, only requiring simple, workable, and adaptable systems instead of expensive and complicated counterparts [23]. The two common strategies falling under heuristic rule-based control are deterministic rule-based control and fuzzy rule-based control [24].
The authors in [25] proposed the fuzzy logic control decentralized control of EV charging power and compared it with the centralized control. The proposed fuzzy control had a slight improvement in the voltage drop over the charging period because of the charging power adjustment against the state-of-charge of the battery, compared with a constant charging power controlled by the centralized controller. However, the optimum of membership function is under investigation to ensure the performance for application. The authors in [26] proposed the fuzzy logic inference algorithm for centralized management of the charging and discharging power to maintain grid’s limited power. The results were compared with conventional charge and discharge method where the proposed strategy unsatisfied for fully charging the EV, but it was not troubled to the grid. The fuzzy logic is the effective method for controlling charging power in a complex system and requirements with economy [27].
Deterministic rule-based control includes, but is not limited to, state machine and power follower control strategies. In [28,29], the authors deployed state machine control in MATLAB/Stateflow to regulate a converter for renewable energy and an energy storage system that is connected to a grid in a house; this is a decentralized control. The authors reported that this strategy offers simplicity of development, robustness, and superior control response. The authors in [30] used an algorithm that enables real-time EV charging centralized management under various tariff requirements to maintain maximum power demand and voltage reduction in 63% of EVs penetration. Compared with random non-controlled charging, which starts after 5:00 pm, the power and voltage limits are maintained. Nevertheless, the EV penetration was limited to 63%, thus the larger number of EV may cause trouble in the grid. In [31,32], the author observed the maximum power demand and volage drop of the proposed rule-based randomized TOU charging against the sudden TOU charging and uncontrol charging which is under the centralized control system. The results showed the capability to maintain peak power and voltage drop within the limit against other schemes. However, only the sudden charging after midnight can avoid grid invasion while the battery will not be fully charged by 7:00 am, if it is lately charged after midnight. Thus, the effectiveness of the proposed strategy is limited for a particular case. The ease and robustness of rule-based strategies render them a sustainable solution, especially when they are implemented in numerous EV chargers.
In our work, we proposed a sustainable deterministic rule-based control strategy that is applicable in existing power systems to support the efforts of electricity companies and policymakers in implementing solutions for EV charging power management. This strategy involves associating the limited power allowance that is allocated to a residence and related to transformer capacity with real-time power consumption in the residence to regulate the power consumed by a smart EV charger. Whether the available power margin is greater or less than the charger’s rated power, the EV battery will be charged at either the power rating or the available power margin until the battery reaches a full state of charge (SoC).
The remainder of the paper is structured as follows: Section 3 explains the EV sales forecast analysis performed in this work to determine increases in EV charging load and power demand under conventional, uncontrolled, and time-of-use (TOU) charging schemes, as well as the effects of such increases. The section also describes the proposed rule-based control strategy for smart EV charging power management. Section 4 provides the proposed strategy’s outcomes as well as the results of a simulation designed to compare the method developed in this research with uncontrolled and TOU charging. Section 5 discusses the results in detail along with the feasible and obstacles of implementation. Section 6 summarizes the benefits of the proposed method and the study’s policy implications.
3. Materials and Methods
This section recounts the forecast analysis that was carried out to shed light on the future of the EV industry in Thailand and observations regarding uncontrolled and TOU charging in a typical power system. It then describes the rule-based control strategy developed in this study for residential smart EV charging designed to reinforce power system use without the need for upgrades.
3.1. EV Uptake
Increased EV production in the Kingdom of Thailand is stimulated through government policy to achieve production targets of 50% and 100% of total vehicle production by 2030 and 2035, respectively [33]. The Kingdom aims to ban petrol use by 2035 to reduce greenhouse gas emissions [34]. An International Energy Agency (IEA) report on EV sales indicated that Thailand sold 19,290 EVs from 2010 to 2019, but the government is targeting 1.2 million EVs accumulated on the road by 2036 [35]. Based on EV sales forecasts covering up to 2040, the prospect of EV penetration in the country seems possible [36].
In this research, EV volume was predicted via a quadratic regression modeling of the new EV sales volume determined on the basis of 2010 to 2019 of IEA forecasts. The optimal form of the quadratic regression model is expressed by:
where x represents the number assigned to a year (for example, 2010 is year number 1 and so on), denotes the EV sales forecast, represents the constant parameter of the y-intercept, is the regression coefficient of the population regression line, and refers to the error.
The equation was run on the Statistical Package for the Social Sciences, which yielded the following formula:
Equation (2) excludes because its p-value (significant level) was higher than the level of significance of 0.05, whereas the p-values of and were 0.034 and 0.005, respectively. The latter variables were therefore retained in the equation. Equation (2) was then used to forecast average EV sales volumes covering periods up to 2040. The statistical coefficients and the results of hypothesis testing for parameters are shown in Table 1.
Table 1.
Statistical coefficients and results of hypothesis testing for parameters.
The 95% confidence interval of average sales, defined by the lower confidence limit (LCL) and upper confidence limit (UCL), was determined. The results of the EV forecasts are presented in Table 2 and Figure 2.
Table 2.
EV and passenger vehicle sales in Thailand.
Figure 2.
Projections on vehicle production, sales, and forecast in Thailand from 2010 to 2040.
From Table 2, the comparison of EV sales with passenger vehicle sales in 2019 showed that the percentage of the former out of the latter was only 2.5% [37]. The accumulated forecast EV sales are almost compatible with a government target of the accumulated EV 1.2 million cars on the road by 2036 [36], but the government also aims to sell only EVs as passenger vehicles by 2035. The comparison of these projections resulted in a contradiction: The forecast EV sales for 2035 was only 105,190 cars (the forecast maximum possible sales volume is 161,843), whereas the average sales of passenger vehicles in the last 11 years was 486,086. Assuming the record average value of benchmarking for 2035 resulted in a large difference in volume between the EV forecasts and the government targets. In general, passenger sales in the current year were slightly higher than that in the past year, but a comparison of recent periods indicated worsening sales achievements. Thus, appropriate policies may be required to accelerate EV sales and achieve higher volumes than those forecast within the next consecutive years; such policies ensure that the government targets for 2035 will be realized. Policymakers can contribute a solid plan for stimulating EV expansion. One recommendation is to promote residential charging, which would address the inconvenience of charging away from home. Such charging can be controlled by a grid operator (resolving troublesome power management) under a low pricing scheme (stimulating the rapid use of EVs)—solutions that benefit both policymakers and EV owners. Of note is the fact that EV power demand for charging within the next decades highlights the need to establish a comprehensive power supply system.
3.2. Power Demand for EV Charging
Once we recognize the constraints of EV growth in relation to addressing the difficulty of ensuring the availability of charging services, the anticipated situation concerning electric power for EV charging load cannot be neglected [38]. In general, EV charging exerts the following effects on a grid: (1) power quality problems, such as imbalance, voltage reduction, harmonic distortions, and losses; (2) inadequate power supply; and (3) reduced transformer service life due to harmonics and contractions [32]. In general, the maximum utilization factor of a distribution transformer is designated around 60–80% as is found in [31] the Metropolitan Electricity Authority (MEA) specifies the normal and maximum load factors (in kW) of a distribution transformer as 60% and 80% of the transformer’s kVA rating (90 and 120 kW of 150 kVA, respectively) to prolong transformer service life.
In terms of undervoltage limits, the MEA grid code permits a limit of 7% below 400 V; 372 V is the acceptable level for a 3-phase system. The engineering practice is straightforward application to ensure that customers are supplied adequate and quality power at most. Therefore, the effects of EV loading on voltage reduction and load symmetry can be managed by limiting transformer load factors and balancing load accordingly. With respect to harmonics limitations, electricity companies can use standards to control harmonics among chargers [39]. In this study, we only focused on the development and evaluation of power management strategies for mitigating transformer overloading and voltage drop.
The power system parameters for the EV charging simulation are listed in Table 3 where the distribution transformer and cable are extracted from the previous work, as in Reference [40]. The EV load parameters are from a manufacturer as aforementioned, and the residential load uses 3 phase power system supplying with the maximum current of 30 A.
Table 3.
Power system parameters for EV charging simulation.
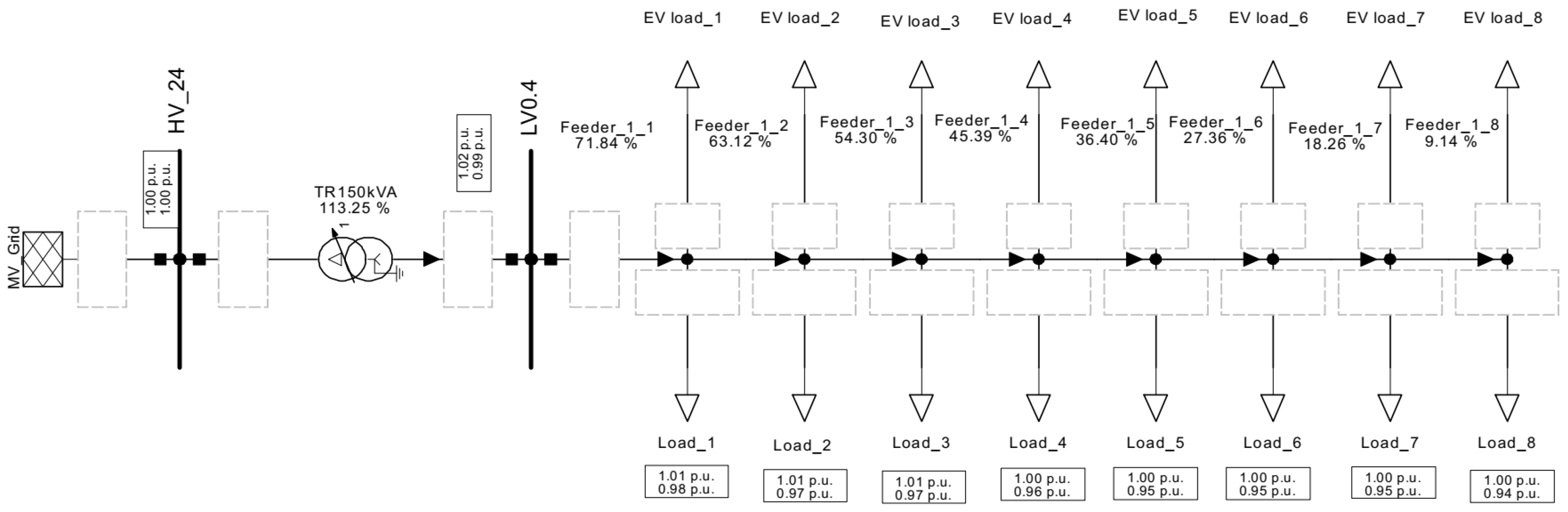
To simulate the effects of EV loading on the power system, we adopted the configuration of a typical low-voltage power distribution system used in previous work of MEA [40]. The power system was constructed DIgSILENT’s PowerFactory version 2018 SP3 software which composed of a supply grid (MV_Grid), a 150 kVA distribution transformer (TR 150 kVA), and an aluminum aerial cable feeder (Feeder_1_x); it was set to enable residential loading (Load_x) and EV charge loading (EV load_x) (Figure 3).
Figure 3.
PowerFactory simulation results: Typical low-voltage power system of the MEA.
In the simulation result shown in Figure 4, the December 2020 daily peak load profile of a residential customer living in the central region of Thailand was used and the peak power was adapted to the normal load factor (60%) of rated transformer load sharing (among 8 houses), which was 11.25 kW of 3-phase load balancing [41]. The daily peak load profile was selected because it reflected higher peak power than that consumed in a workday under the worst-case scenario. The scaled residential load profile shown in Figure 4 indicates that an average of 6.78 kW was consumed from 2:00 am to 6:00 pm and that the maximum and minimum power consumption of 11.25 and 5.08 kW occurred at 11:15 pm and 12:30 am, respectively. A constant power supply of 7.2 kW for 6.5 h of charging is required to recharge a popular battery EV brand MG, which is a midsize sport utility vehicle with a battery capacity of 44.5 kWh and a driving range of 337 km. In [42], it is declared that 95% of drivers drive their EVs over a distance of 192 km/day. In our case, we assumed that EV owners drive to a distance of 150 km/day and that each vehicle consumes around 50% of battery capacity, thus requiring approximately 3 hours of charging under a steady power supply of 7.2 kW. To reflect EV growth in the next decades, we supposed that each household owns an EV and that all of them charge at the same time on a given day; EVs were treated as the commonly used automobiles instead of gasoline-powered vehicles. This situation may reflect reality in developed residential housing in Thailand where every household is capable of owning an EV; in such a neighborhood, the electricity distribution system needs to be upsized but not a smart EV charging system with power management control [43].
Figure 4.
Scaled residential load profile under a variety of EV charging schemes.
In general, the charging schemes deployed for EV charging can be classified into two methods: uncontrolled and TOU charging scheme. Uncontrolled charging operates under the consideration that an EV owner recharges at home immediately after office hours (for example, from 5:00–8:00 pm) on the basis of a power requirement of 50% SoC, as described earlier. This charging pattern causes the peak power to reach up to 80% of the power limit imposed on a house (for example, 15 kW), as shown in Figure 4, thereby causing transformer losses and heat increments; service life diminishes once all of the houses charge at the same time. Normally, utility companies expand power capacity to reduce the power demand of a distribution transformer, but this approach causes system complexity and translates to expenditures. These issues, however, do not concern a customer unless their electricity bill increases because of elevated electricity consumption relative to gasoline costs. Some customers shift from residential charging to TOU charging, wherein the cost of overnight charging is considerably cheaper than the conventional electricity cost incurred from uncontrolled charging. In Thailand, the TOU cost borne by a residence arises from 2 sessions: in the off-peak hours of 10:00 pm to 9:00 am the next day (cost = 2.63 THB/kWh) and in peak hours, that is, the rest of the day (cost = 4.42 THB/kWh). In the analysis of EV charging effects under the TOU scheme, charging was assumed to suddenly start at 10:00 pm and end at 1:00 am the next day; as expected, the maximum power supplied at 11:15 pm was 18.45 kW, which reached 100% of the power limit allocated to a house. This condition is the worst for a transformer, especially given that all houses charge at the same time.
To observe the voltage reduction in the worst-case scenario, a power system simulation that featured the TOU scheme was carried. The simulation involving uncontrolled charging scheme was not necessary because it requires lower power than the TOU scheme and thus results in lower voltage reduction. In the simulation, aluminum cables were set at three parallel lines for compliance with the construction standard applied to 150 kVA distribution for three feeders. The simulation results showed that the minimum voltage drop at the end of the Load_8 line was 0.94 per unit (p.u.) (Figure 3), indicating that the transformer load of 100% remained correspondent with the voltage limitation (Figure 5). The voltage reduction fell within the limit because of the consistency between the cable size and the length of the feeder cable; however, the safety margin was violated. In real-world conditions, the cable length is longer than that derived through straight measurement as it is determined on the basis of the sag of a cable stretched across a concrete pole. Therefore, cable length should be considered as a factor. The simulation in this work was grounded on a straight length, generating a voltage reduction close to the limitation; the result should therefore be interpreted with caution. At 100% transformer loading, service life diminishes, which is not an issue generally accepted by utility companies. To motivate EV owners to recharge in a way that ensures grid sustainability, a low-priced charging scheme should be offered by the government. Under this scheme, electricity companies need to manage power load through the OCPP communicated to a smart charger. Correspondingly, this research developed an appropriate control strategy, with consideration for ease of use and applicability in an existing power system.
Figure 5.
Voltage profile in p.u. of the greatest loading under the TOU scheme at Load 8.
3.3. Rule-Based Control Strategy for Smart EV Charging
As previously stated, the inconvenience of low-priority smart EV charging in public stations is an obstacle to stimulating the growth of the EV market, thus emphasizing the sustainability of subsidizing 24-h residential smart EV charging at an off-peak price. In managing charging power, the peak load shaving strategy studied in [16] is a typical approach to regulating load demand. This method was deployed in the current work. The charging power control developed for this purpose is shown in Figure 6. For a simple understanding, the proposed smart charging block diagram in Figure 6a has been developed. The transformer limited power is set by the grid operator for each residential household where it is compared with the real-time power of the house. The difference of the power is used for designating the EV charging power which deployed by the smart charger. The proposed control algorithm can be implemented by using flow chart, as shown in Figure 6b. The time-varying load power of a residential (PRES(t)) was considered along with the power limit of a transformer for the house (PTR) and the rated power of a supply equipment (PSE) or a smart charger. At a PRES(t) less than the difference between PTR and PSE, the time-varying charging power (PCH(t)) is the PSE, which is the maximum charging power. Otherwise, PCH(t) varies in accordance with the difference between PTR and PRES(t).
Figure 6.
Proposed rule-based control strategy for smart EV charging: (a) block diagram of smart EV charging, and (b) algorithm of charging control.
The control algorithm can be mathematically obtained by Equation (3);
PCH(t) = PTR − PRES(t); if, PRES(t) < PTR − PSE; else,
PCH(t) = PSE
PCH(t) = PSE
The SoC of an EV battery (SoCEV) is calculated as either full or in progress. The SoCEV calculation for the initial SoC of an EV battery (SoCINI) and the SoC (SoCCH) is shown in Equation (4);
SoCEV = SoCINI + SoCCH
Whenever the SoC reaches 100%, the charging process stops. The charging time under rule-based control over a smart EV charger is expectedly longer than that spent under constant power because of the adjustability of charging power [43]. However, smart EV charging using the developed control strategy secures an existing power system configuration without causing voltage violations.
4. Result
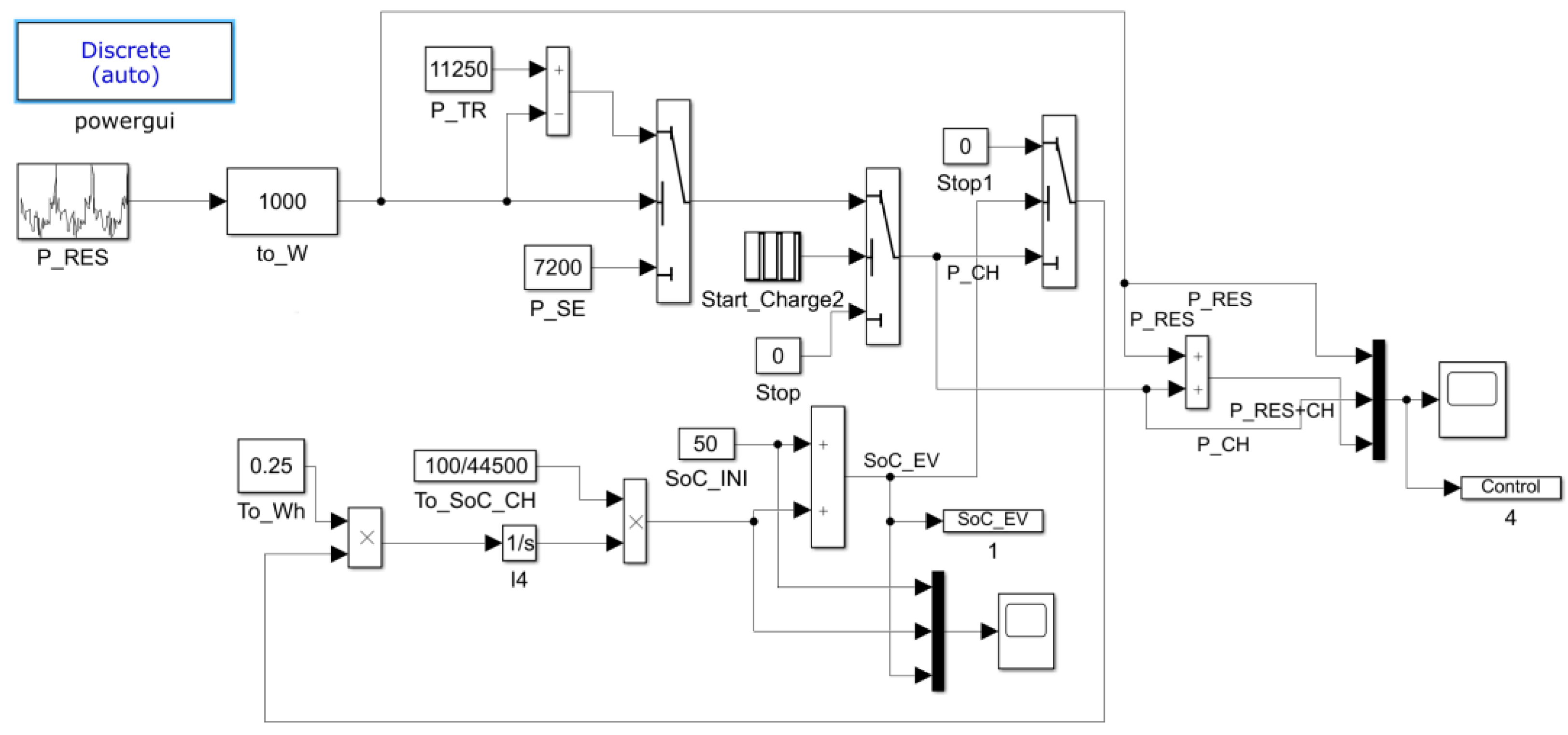
The power profile and SoC of EVs under the proposed rule-based control strategy were simulated using MATLAB/Simulink blocks (Figure 7). The scaled residential power profile was supplied to the charger, which was controlled using the proposed algorithm. The charging process for the EV battery at an SoC of 50% began at 5:00 pm. Since the average value of the scaled residential power profile was collected every 15 min, the numerical calculation of power was multiplied by 0.25 to convert it to watt hours. After this, the profile value was integrated and transformed into an SoC value that signifies the end of the charging process, as designated in the charging flow diagram (Figure 6). Charging stops at 100% SoC, after which the power levels consumed in scaled residential charging were determined to ascertain the power profile of EV charging under the proposed strategy. In the real world, residential loading power is measured in real time to compare it with the power limit imposed on a house for available charging power. Then, the controlled charging power is continuously adjusted for supply to an EV battery.
Figure 7.
MATLAB/Simulink blocks of the proposed rule-based control strategy.
As depicted in Figure 8, the proposed control strategy regulated EV charging power complementary with the scaled residential power profile, thus successfully maintaining the charging power at 60% of the transformer sharing for a house (11.25 kW). The initial SoC of the EV battery was 50%, and it was recharged from 5:00 pm to 11:15 pm until 100% SoC was achieved. On the other hand, the maximum power required by the uncontrolled strategy, and TOU scheme is 15 kW and 18.45 kW at time 7:15 pm and 11:15 pm, respectively, and they are considered as 80% and 98% of the shared transformer capacity. Therefore, the proposed control scheme reduced charging power compared with the uncontrolled scheme and the TOU scheme by 25% and 39%, respectively. In addition, the maximum power demanded by the uncontrol, and TOU scheme would reduce the transformer life and violate the voltage drop criterion, especially the latter case. The proposed charging strategy contributes to the use of existing power systems, extends transformer service life, and ensures voltage reduction. Charging power that falls within limits can be implemented anytime without pricing constraints; thus, flat pricing for 24 h of charging supports the useability of the rule-based control strategy put forward in this work.
Figure 8.
A Scaled residential load profile under the proposed EV smart charging control scheme.
5. Discussion
The proposed control strategy for EV smart charging through the subsidized off-peak tariff 24 h, he same subsidizing for public charging stations, is a key to release stress on the power system. The equipment such as the transformer, the cable, the connectors, and the circuit breaker, etc. would be relaxed while the voltage drop is maintained. In addition, the life of EV battery can be extended by the lower charging power at a longer charging time. Also, this relaxation of the start time provides a charging convenience against the TOU scheme.
From the EV owner perspective, an investment in smart chargers, costing about 100,000 THB, would be required. However, the period at which an owner earns a return on investment on the basis of savings amounting to 1.79 THB/kWh at different peak and off-peak prices and at charging that enables driving over 150 km/day (22 kWh) is roughly 7 years. This period, however, is expected to shorten with charger sales and EV penetration rates, making such an investment with a subsidy of charging cost an encouraging option for a new EV owner.
From the charge point operator or electricity authority view, the EV charging power can be a centralized control by a grid operator [44] or decentralized control by setting the maximum power limit referred to the transformer capacity at each smart charger. Thus, the control algorithm mandates the charging power along with the housing load demand.
The proposed strategy is a workable way of contributing to EV growth in line with government goals. Based on off-the-shelf products on the market, the technology readiness to implement the suggested control plan is available. A new EV owner, on the other hand, would choose to purchase an EV because of the subsidies in EV charging stations, as well as the ease and low cost of energy. As a result, future legislation could explore subsidizing low-cost charging for residential households in order to stimulate future EV adoption.
6. Conclusions
An inherent motivation for owning an EV is related to the distance between homes and charging stations. The current subsidy for the cost of charging at public stations may not sufficiently reinforce EV expansion because of the inconvenience of such a scheme. In this study, data on EV uptake were collected and forecasted to determine whether a government policy will increase EV adoption in succeeding decades. We suggest that policymakers consider another policy meant to address inconvenient charging at public stations, as this prevents the government from achieving its goal of selling only EVs by 2035. Otherwise, the targeted sales volume may not be achieved. On the basis of EV penetration in the next decades, this research explored the effects of full EV loading in residences. Loading can cause power system problems, such as inadequate power, reduced voltage, and diminished transformer service life. This calls for a simple and feasible solution that involves real-time power management for smart EV charging in residences, supported with low charging prices, instead of complex processor loading control strategies. This strategy solves the power system problems experienced by electricity companies, such as power demand and voltage reduction, as it minimizes expenditures on grid improvement. At the same time, EV owners are afforded a convenient, economical, and accessible charging option. These developments enrich the future of EV growth.
Regulating EV charging power requires a smart EV charger operated with a control strategy. Accordingly, this study developed a heuristic rule-based control strategy that, distinct from uncontrolled and TOU schemes, eliminates transformer burdens. The proposed control strategy can maintain power demand and voltage reduction within transformer limits. It involves a longer charging time compared with that experienced under uncontrolled and TOU charging, but it is an intuitive method for EV owners who charge their vehicles overnight at home. Moreover, it promotes battery life to levels that exceed that achieved under fast charging. It does not require the upgrading of existing power systems; it only entails improvements to the grid operator that controls the smart EV charger. Instead of implementing a complex control strategy in the early phase of EV stimulation, this simple but workable control strategy would satisfy both new EV owners and utility companies. Future reflections on the proposed method are expected to benefit subsequent research devoted to identifying unknown information or parameter feedback from customers and grid operators. Other policy improvements will also be required.
Author Contributions
Conceptualization, A.W. and S.C.; methodology, A.W. and S.C.; software, A.W.; validation, A.W. and S.C.; formal analysis, A.W. and S.C.; investigation, S.C.; resources, A.W.; data curation, A.W.; writing—original draft preparation, A.W.; writing—review and editing, S.C.; visualization, S.C.; supervision, S.C.; project administration, S.C.; funding acquisition, S.C. All authors have read and agreed to the published version of the manuscript.
Funding
This research received no external funding.
Institutional Review Board Statement
Not applicable.
Informed Consent Statement
Not applicable.
Data Availability Statement
Not applicable.
Acknowledgments
This research is supported by Ratchadapisek Somphot Fund for Postdoctoral Fellowship, Chulalongkorn University.
Conflicts of Interest
The authors declare no conflict of interest.
References
- U.S. Energy Information Administration. Emissions of Greenhouse Gases in the United States 2009. Available online: https://www.eia.gov/environment/emissions/ghg_report/pdf/0573%282009%29.pdf (accessed on 10 May 2022).
- Walker, P.D.; Roser, H.M. Energy Consumption and Cost Analysis of Hybrid Electric Powertrain Configurations for Two Wheelers. Appl. Energy 2015, 146, 279–287. [Google Scholar] [CrossRef]
- Pan, S.; Roy, A.; Choi, Y.; Eslami, E.; Thomas, S.; Jiang, X.; Gao, H.O. Potential Impacts of Electric Vehicles on Air Quality and Health Endpoints in the Greater Houston Area in 2040. Atmos. Environ. 2019, 207, 38–51. [Google Scholar] [CrossRef]
- Shi, L.; Hao, Y.; Lv, S.; Cipcigan, L.; Liang, J. A Comprehensive Charging Network Planning Scheme for Promoting EV Charging Infrastructure Considering the Chicken-Eggs Dilemma. Res. Transp. Econ. 2020, 88, 100837. [Google Scholar] [CrossRef]
- Wangsupphaphol, A.; Chaitusaney, S. A Simple Levelized Cost of Electricity for Ev Charging with Pv and Battery Energy Storage System: Thailand Case Study. Int. J. Power Electron. Drive Syst. 2020, 11, 2223–2230. [Google Scholar] [CrossRef]
- Ling, Z.; Cherry, C.R.; Wen, Y. Determining the Factors That Influence Electric Vehicle Adoption: A Stated Preference Survey Study in Beijing, China. Sustainability 2021, 13, 11719. [Google Scholar] [CrossRef]
- Kaufmann, R.K.; Newberry, D.; Xin, C.; Gopal, S. Feedbacks among Electric Vehicle Adoption, Charging, and the Cost and Installation of Rooftop Solar Photovoltaics. Nat. Energy 2021, 6, 143–149. [Google Scholar] [CrossRef]
- Denis Gurskiy Apartment EV Charging & Ownership May Be Easier Than You Think. Available online: https://cleantechnica.com/2019/09/10/apartment-ev-charging-ownership-may-be-easier-than-you-think/ (accessed on 10 May 2022).
- Flammini, M.G.; Prettico, G.; Julea, A.; Fulli, G.; Mazza, A.; Chicco, G. Statistical Characterisation of the Real Transaction Data Gathered from Electric Vehicle Charging Stations. Electr. Power Syst. Res. 2019, 166, 136–150. [Google Scholar] [CrossRef]
- Sørensen, L.; Lindberg, K.B.; Sartori, I.; Andresen, I. Analysis of Residential EV Energy Flexibility Potential Based on Real-World Charging Reports and Smart Meter Data. Energy Build. 2021, 241, 110923. [Google Scholar] [CrossRef]
- Thananusak, T.; Punnakitikashem, P.; Tanthasith, S.; Kongarchapatara, B. The Development of Electric Vehicle Charging Stations in Thailand: Policies, Players and Key Issues (2015–2020). World Electr. Veh. J. 2021, 12, 2. [Google Scholar] [CrossRef]
- MEA Announcement for Electricity Tariff of Low Priority Charging Station. Available online: https://www.mea.or.th/upload/download/file_9ad4a07b746a6a70bb2329974bb53510.pdf (accessed on 11 May 2022). (In Thai).
- Omar, N.; Monem, M.A.; Firouz, Y.; Salminen, J.; Smekens, J.; Hegazy, O.; Gaulous, H.; Mulder, G.; Van den Bossche, P.; Coosemans, T.; et al. Lithium Iron Phosphate Based Battery—Assessment of the Aging Parameters and Development of Cycle Life Model. Appl. Energy 2014, 113, 1575–1585. [Google Scholar] [CrossRef]
- Han, X.; Lu, L.; Zheng, Y.; Feng, X.; Li, Z.; Li, J.; Ouyang, M. A Review on the Key Issues of the Lithium Ion Battery Degradation among the Whole Life Cycle. Etransportation 2019, 1, 100005. [Google Scholar] [CrossRef]
- Ashique, R.H.; Salam, Z.; Bin Abdul Aziz, M.J.; Bhatti, A.R. Integrated Photovoltaic-Grid Dc Fast Charging System for Electric Vehicle: A Review of the Architecture and Control. Renew. Sustain. Energy Rev. 2017, 69, 1243–1257. [Google Scholar] [CrossRef]
- Uddin, M.; Romlie, M.F.; Abdullah, M.F.; Abd Halim, S.; Abu Bakar, A.H.; Chia Kwang, T. A Review on Peak Load Shaving Strategies. Renew. Sustain. Energy Rev. 2018, 82, 3323–3332. [Google Scholar] [CrossRef]
- Gnann, T.; Klingler, A.L.; Kühnbach, M. The Load Shift Potential of Plug-in Electric Vehicles with Different Amounts of Charging Infrastructure. J. Power Sources 2018, 390, 20–29. [Google Scholar] [CrossRef]
- Solanke, T.U.; Khatua, P.K.; Ramachandaramurthy, V.K.; Yong, J.Y.; Tan, K.M. Control and Management of a Multilevel Electric Vehicles Infrastructure Integrated with Distributed Resources: A Comprehensive Review. Renew. Sustain. Energy Rev. 2021, 144, 111020. [Google Scholar] [CrossRef]
- Mbuwir, B.V.; Vanmunster, L.; Thoelen, K.; Deconinck, G. A Hybrid Policy Gradient and Rule-Based Control Framework for Electric Vehicle Charging. Energy AI 2021, 4, 100059. [Google Scholar] [CrossRef]
- Sadeghianpourhamami, N.; Deleu, J.; Develder, C. Definition and Evaluation of Model-Free Coordination of Electrical Vehicle Charging with Reinforcement Learning. IEEE Trans. Smart Grid 2020, 11, 203–214. [Google Scholar] [CrossRef] [Green Version]
- Yin, W.; Ming, Z.; Wen, T. Scheduling Strategy of Electric Vehicle Charging Considering Different Requirements of Grid and Users. Energy 2021, 232, 121118. [Google Scholar] [CrossRef]
- Wang, Z.; Jochem, P.; Fichtner, W. A Scenario-Based Stochastic Optimization Model for Charging Scheduling of Electric Vehicles under Uncertainties of Vehicle Availability and Charging Demand. J. Clean. Prod. 2020, 254, 119886. [Google Scholar] [CrossRef]
- Tuchnitz, F.; Ebell, N.; Schlund, J.; Pruckner, M. Development and Evaluation of a Smart Charging Strategy for an Electric Vehicle Fleet Based on Reinforcement Learning. Appl. Energy 2021, 285, 116382. [Google Scholar] [CrossRef]
- Tie, S.F.; Tan, C.W. A Review of Energy Sources and Energy Management System in Electric Vehicles. Renew. Sustain. Energy Rev. 2013, 20, 82–102. [Google Scholar] [CrossRef]
- Teng, J.H.; Liao, S.H.; Wen, C.K. Design of a Fully Decentralized Controlled Electric Vehicle Charger for Mitigating Charging Impact on Power Grids. IEEE Trans. Ind. Appl. 2017, 53, 1497–1505. [Google Scholar] [CrossRef]
- Hussain, S.; Ahmed, M.A.; Kim, Y.C. Efficient Power Management Algorithm Based on Fuzzy Logic Inference for Electric Vehicles Parking Lot. IEEE Access 2019, 7, 65467–65485. [Google Scholar] [CrossRef]
- Eajal, A.A.; Shaaban, M.F.; El-Saadany, E.F.; Ponnambalam, K. Fuzzy Logic-Based Charging Strategy for Electric Vehicles Plugged into a Smart Grid. Int. J. Process Syst. Eng. 2017, 4, 119–137. [Google Scholar] [CrossRef]
- Kermadi, M.; Salam, Z.; Berkouk, E.M. A Rule-Based Power Management Controller Using Stateflow for Grid-Connected PV-Battery Energy System Supplying Household Load. In Proceedings of the 2018 9th IEEE International Symposium on Power Electronics for Distributed Generation Systems, Charlotte, NC, USA, 25–28 June 2018. [Google Scholar] [CrossRef]
- Bhatti, A.R.; Salam, Z. A Rule-Based Energy Management Scheme for Uninterrupted Electric Vehicles Charging at Constant Price Using Photovoltaic-Grid System. Renew. Energy 2018, 125, 384–400. [Google Scholar] [CrossRef]
- Deilami, S.; Masoum, A.S.; Moses, P.S.; Masoum, M.A.S. Real-Time Coordination of Plug-in Electric Vehicle Charging in Smart Grids to Minimize Power Losses and Improve Voltage Profile. IEEE Trans. Smart Grid 2011, 2, 456–467. [Google Scholar] [CrossRef]
- Dubey, A.; Santoso, S.; Cloud, M.P.; Waclawiak, M. Determining Time-of-Use Schedules for Electric Vehicle Loads: A Practical Perspective. IEEE Power Energy Technol. Syst. J. Receiv. 2015, 2, 12–20. [Google Scholar] [CrossRef]
- Dubey, A.; Santoso, S. Electric Vehicle Charging on Residential Distribution Systems: Impacts and Mitigations. IEEE Access 2015, 3, 1871–1893. [Google Scholar] [CrossRef]
- Govt Ups E-Car Drive. Available online: https://www.thaiauto.or.th/2020/news/?news_id=4981 (accessed on 10 May 2022).
- Thailand Aims to Ban Sale of Petrol and Diesel Cars by 2035. Available online: https://www.thaiauto.or.th/2020/news/?news_id=5000 (accessed on 10 May 2022).
- International Energy Agency (IEA) Global EV Outlook 2020: Entering the Decade of Electric Drive? Glob. EV Outlook 2020, 2020, 273.
- Growing Opportunities for Electric Vehicles in Thailand. Available online: http://www.evat.or.th/attachments/view/?attach_id=234812 (accessed on 10 May 2022).
- Thailand Motor Vehicle Sales: Passenger Cars. Available online: https://www.ceicdata.com/en/indicator/thailand/motor-vehicle-sales-passenger-cars (accessed on 10 May 2022).
- Kim, J.D. Insights into Residential EV Charging Behavior Using Energy Meter Data. Energy Policy 2019, 129, 610–618. [Google Scholar] [CrossRef]
- IEEE Std 519-2014; IEEE Recommended Practice and Requirements for Harmonic Control in Electric Power Systems (Revision of IEEE Std 519-1992). IEEE: Piscatway, NJ, USA, 2014.
- Angaphiwatchawal, P.; Chaitusaney, S. Maximization of PV Size for Its Limitation in MEA Grid Code by Considering Overvoltage and Increased Active Power Loss Criteria. In Proceedings of the 2019 7th International Electrical Engineering Congress, Hua Hin, Thailand, 6–8 March 2019; pp. 7–10. [Google Scholar] [CrossRef]
- Central Region Load Profile. Available online: http://peaoc.pea.co.th/loadprofile/en/ (accessed on 10 May 2022).
- Zhang, Q.; Li, H.; Zhu, L.; Campana, P.E.; Lu, H.; Wallin, F.; Sun, Q. Factors Influencing the Economics of Public Charging Infrastructures for EV—A Review. Renew. Sustain. Energy Rev. 2018, 94, 500–509. [Google Scholar] [CrossRef]
- Gielen, D.; Boshell, F.; Saygin, D.; Bazilian, M.D.; Wagner, N.; Gorini, R. The Role of Renewable Energy in the Global Energy Transformation. Energy Strategy Rev. 2019, 24, 38–50. [Google Scholar] [CrossRef]
- Martínez-Lao, J.; Montoya, F.G.; Montoya, M.G.; Manzano-Agugliaro, F. Electric Vehicles in Spain: An Overview of Charging Systems. Renew. Sustain. Energy Rev. 2017, 77, 970–983. [Google Scholar] [CrossRef]
Publisher’s Note: MDPI stays neutral with regard to jurisdictional claims in published maps and institutional affiliations. |
© 2022 by the authors. Licensee MDPI, Basel, Switzerland. This article is an open access article distributed under the terms and conditions of the Creative Commons Attribution (CC BY) license (https://creativecommons.org/licenses/by/4.0/).







