Modeling and Simulation of a Proton Exchange Membrane Fuel Cell Alongside a Waste Heat Recovery System Based on the Organic Rankine Cycle in MATLAB/SIMULINK Environment
Abstract
1. Introduction
1.1. Fuel Cell Technology
1.2. Heat Recovery from Fuel Cells
- Fuel reforming process by the use of heat recovered from a fuel cell. Methanol or other hydrocarbons can undergo reforming in order to produce pure hydrogen (H2), which can be utilized as a fuel for the PEMFC itself or for other systems.
- The use of a gas turbine working on the heat recovered from a high-temperature fuel cell such as a Solid Oxide Fuel Cell (SOFC) that operates at 800 to 1000 °C.
- The use of combined heat and power production system for residential neighborhoods. A fuel cell can generate both electricity, by electrochemical reaction, and heat, by excess heat losses, for indoor heating.
2. Materials and Methods
2.1. Fundamentals of a PEMFC
- An electrode for fuel (anode)
- An electrode for oxygen (cathode)
- Electrolyte between cathode and anode
2.2. Fundamentals of an Organic Rankine Cycle (ORC)
Organic Rankine Cycle
- Isentropic compression (pump)
- Constant pressure heat addition (evaporator)
- Isentropic expansion (turbine)
- Constant pressure heat rejection (condenser)
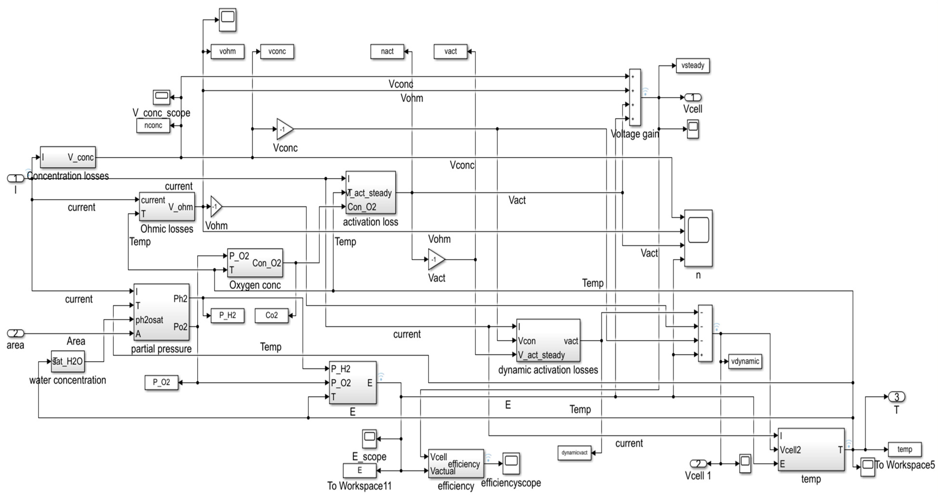
3. Results
3.1. Steady-State Modelling
- Pa = partial pressure at anode
- J = current density
- Pc = partial pressure at cathode
- PH2O sat = saturation pressure of water
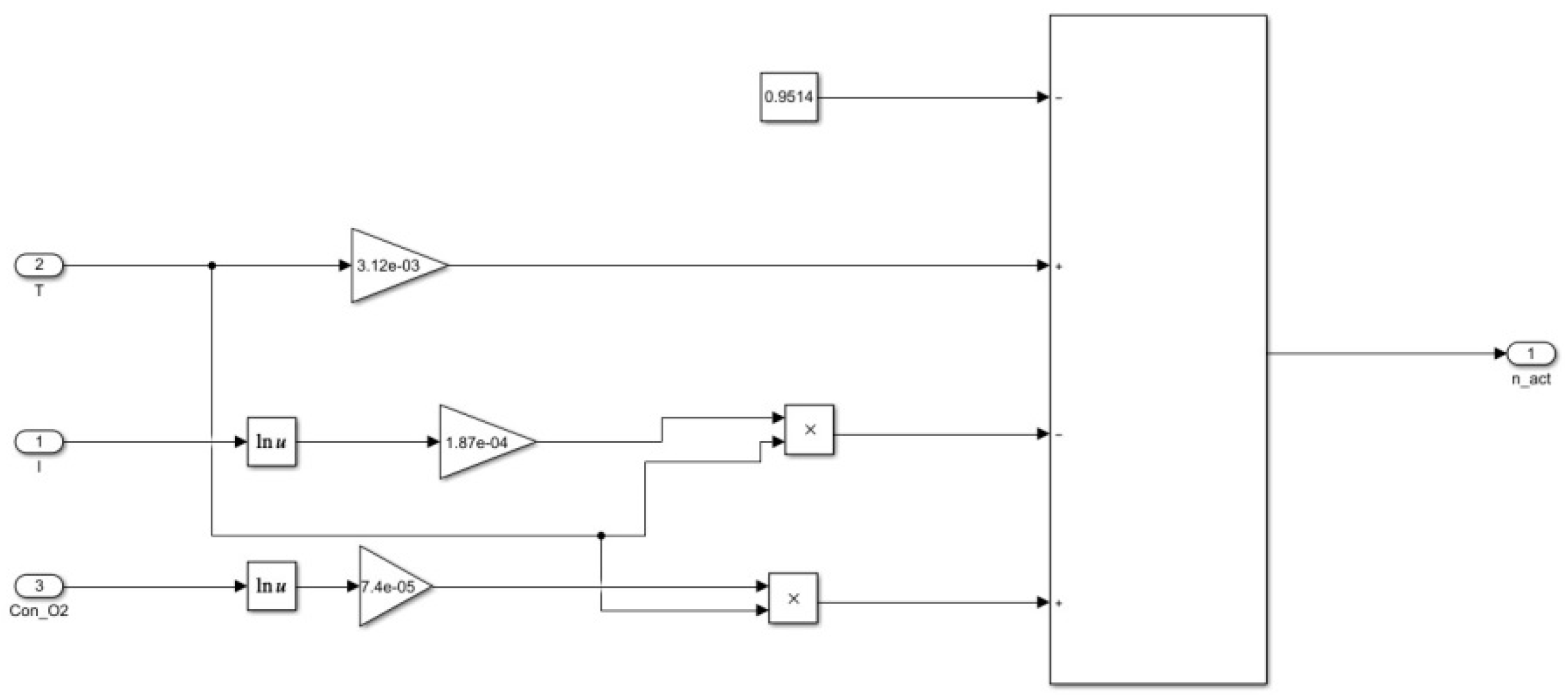
3.1.1. Steady-State Activation Losses
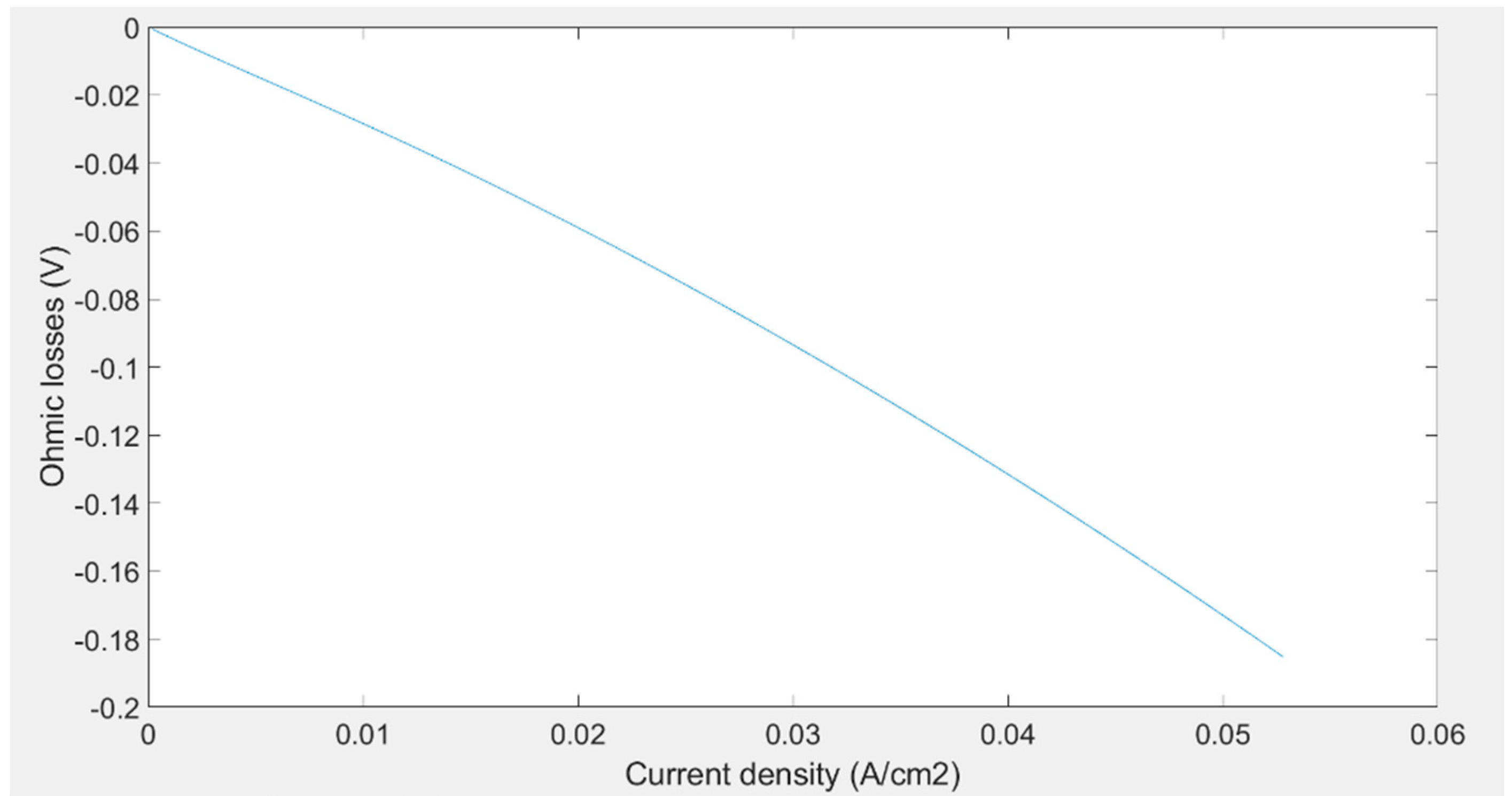
3.1.2. Ohmic Losses
3.1.3. Concentration Losses
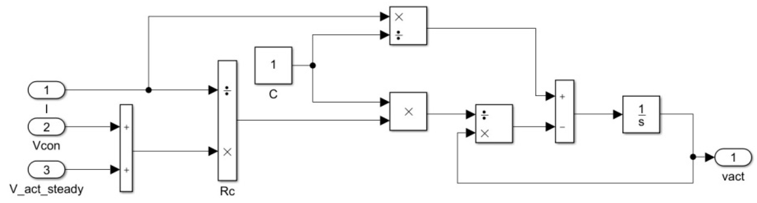
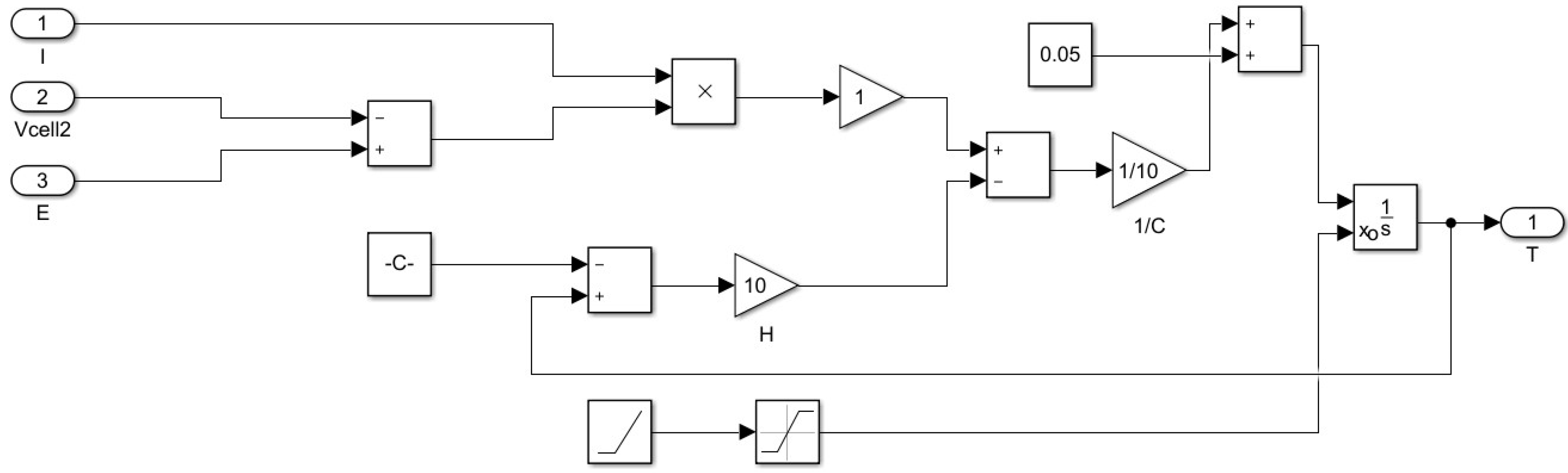
3.2. Dynamic Modeling
- Ct is the total thermal capacitance;
- H is the total heat transfer coefficient;
- Tf is the reference temperature;
- Tcell is the lumped temperature of the fuel cell.
3.2.1. PEMFC Stack Modeling
3.2.2. Heat Recovery System
3.3. Thermodynamic Analysis of the Cycle
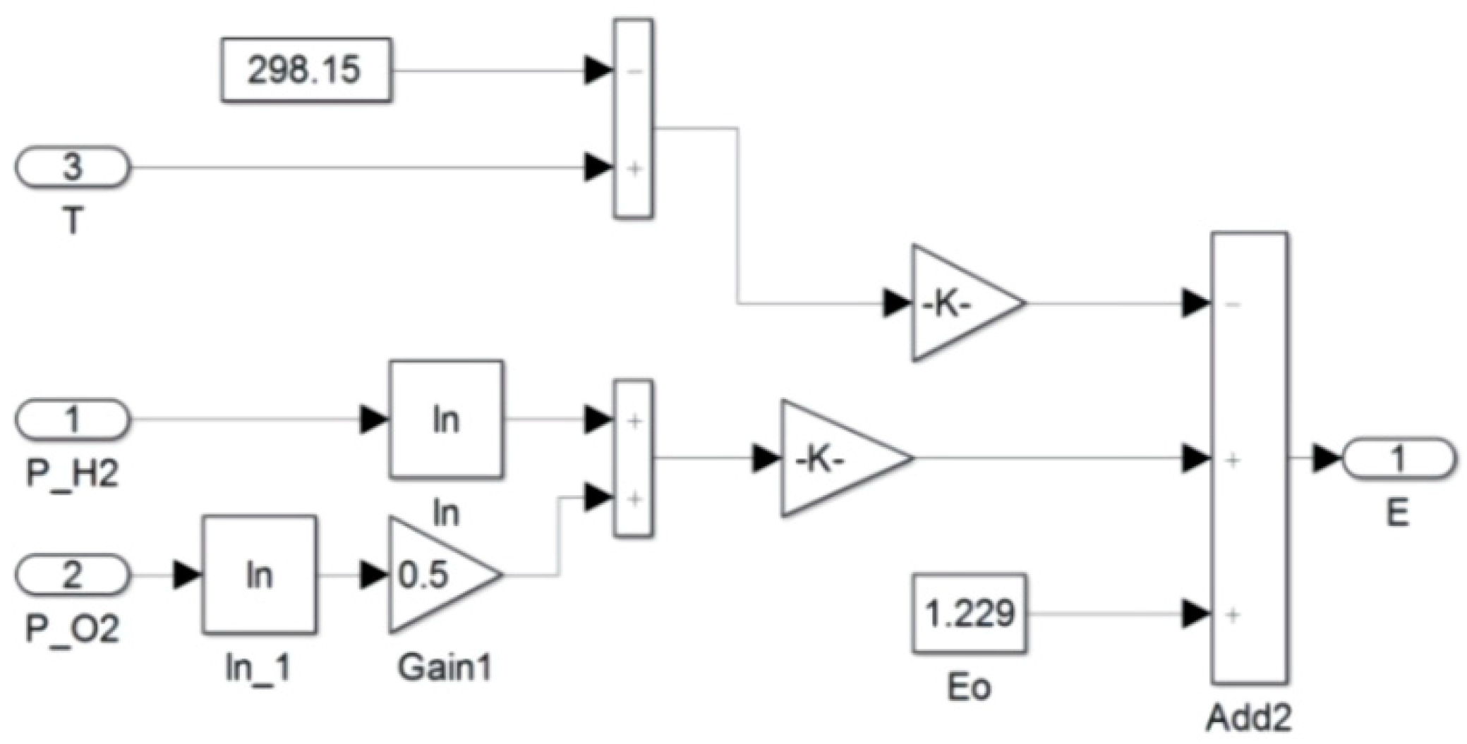
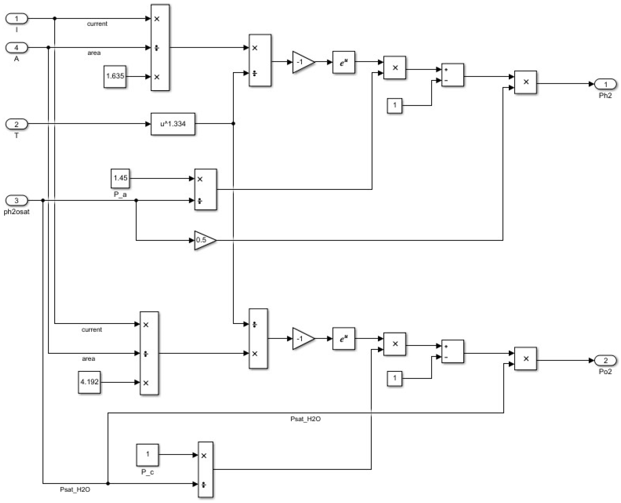
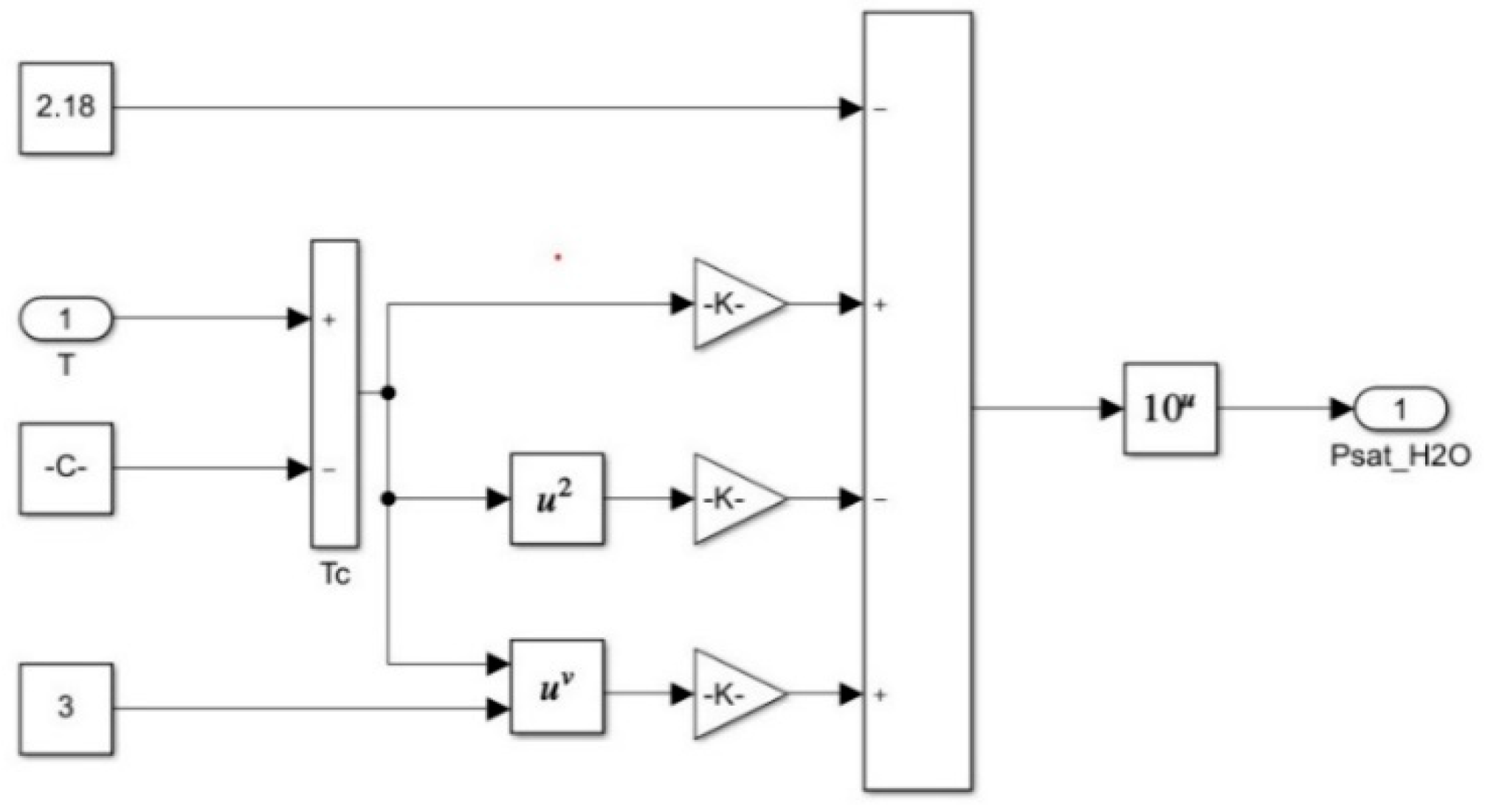
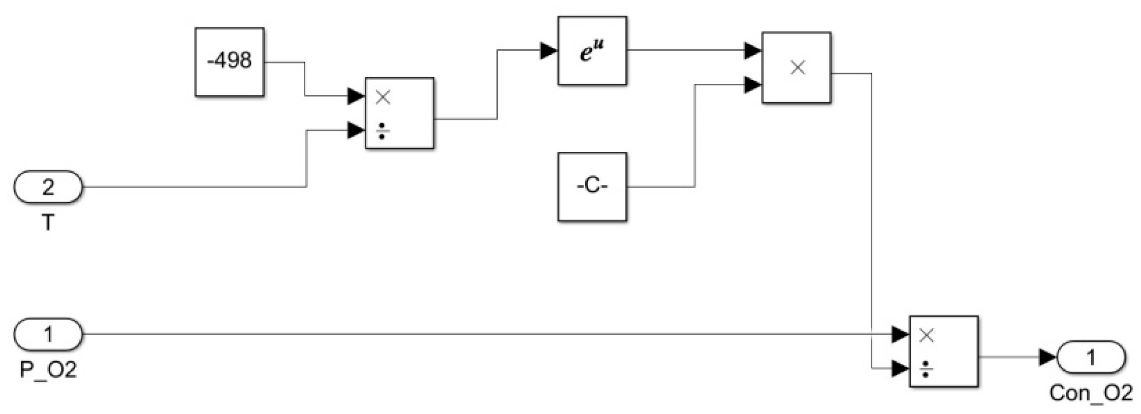
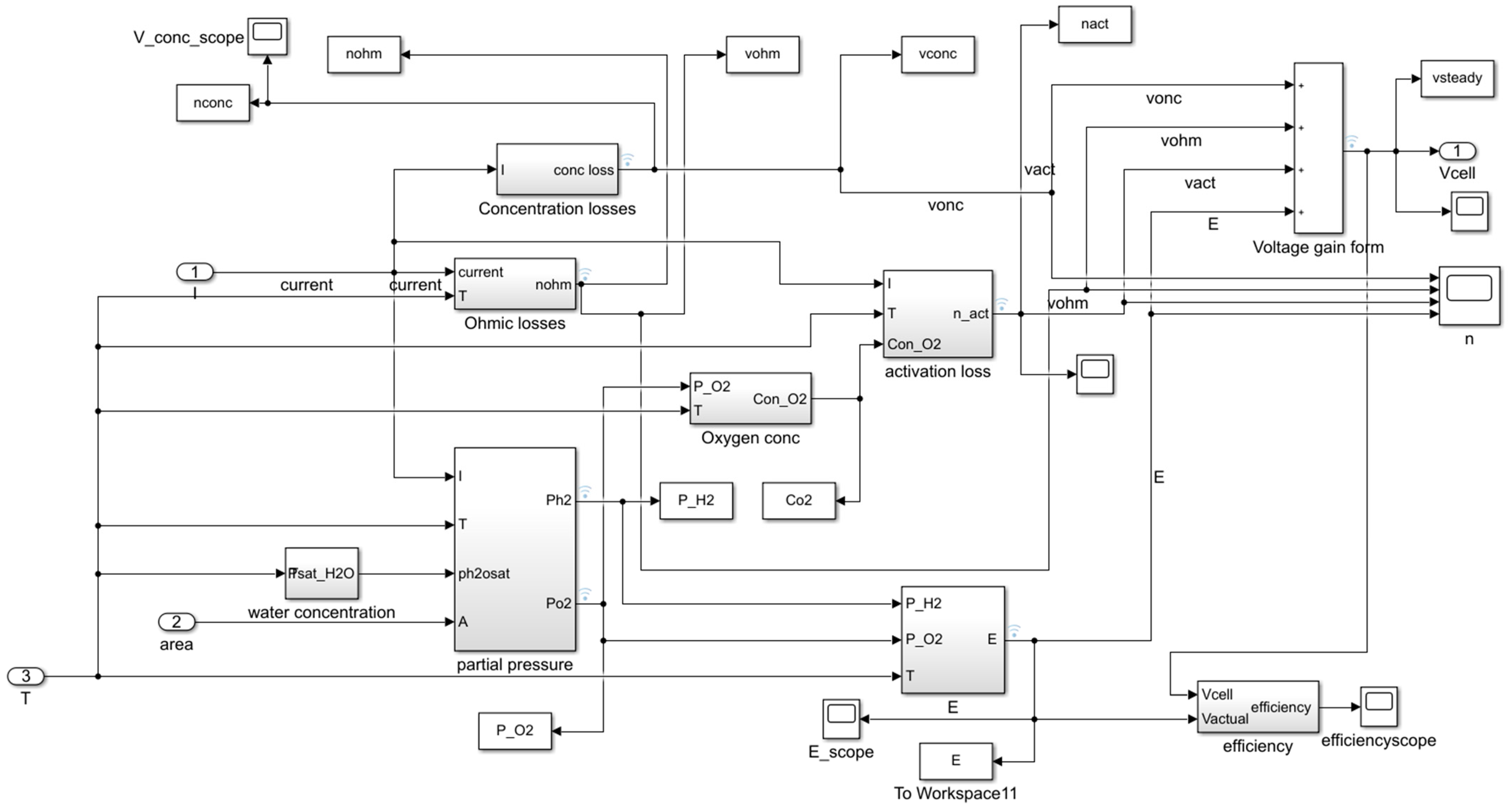
3.4. Simulink Model
4. Discussion
4.1. Performance of a Single PEMFC Cell
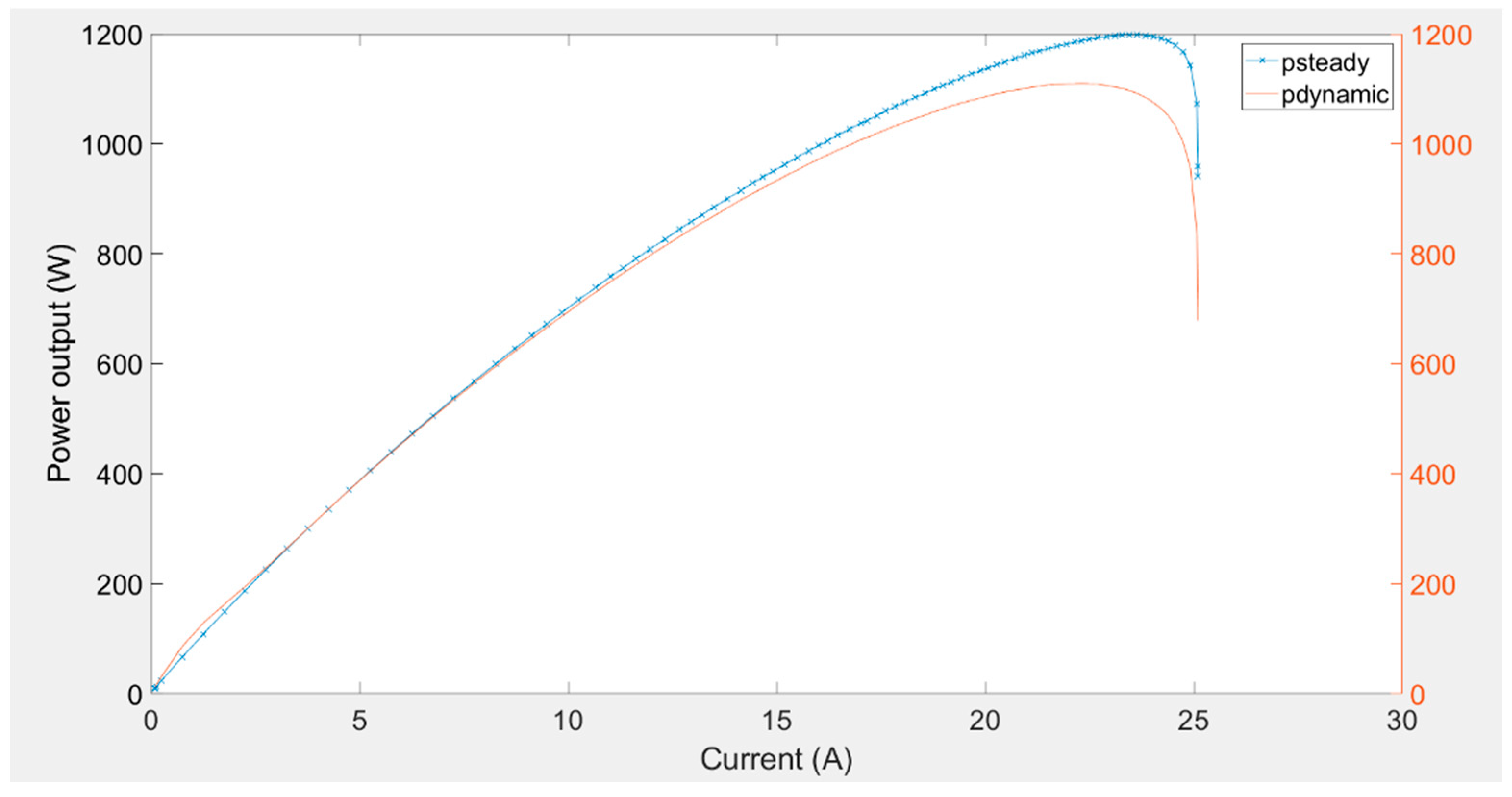
4.2. Performance of PEMFC Stack
4.3. ORC Working on Recovered Heat
4.4. Model Verification
5. Conclusions
Author Contributions
Funding
Institutional Review Board Statement
Informed Consent Statement
Data Availability Statement
Acknowledgments
Conflicts of Interest
References
- Renewables 2019 Global Status Report; Renewable Energy Policy Network for the 21st Century; REN21: Paris, France, 2019.
- Larminie, J.; Dicks, A. Fuel Cell Systems Explained, 2nd ed.; John Willey & Sons Ltd.: Hoboken, NJ, USA, 2003. [Google Scholar]
- Ioannou, S.G. Discrete Linear Constrained Multivariate Optimization for Power Sources of Mobile Systems; University of South Florida: Tampa, FL, USA, 2008. [Google Scholar]
- Ioannou, S.; Dalamagkidis, K.; Valavanis, K.P.; Stefanakos, E.K.; Wiley, P.H. On Improving Endurance of Unmanned Ground Vehicles: The ATRV-Jr Case Study. In Proceedings of the 2006 14th Mediterranean Conference on Control and Automation, Ancona, Italy, 28–30 June 2006; pp. 1–6. [Google Scholar]
- Mekhilef, S.; Saidur, R.; Safari, A. Comparative study of different fuel cell technologies. Renew. Sustain. Energy Rev. 2012, 16, 981–989. [Google Scholar] [CrossRef]
- Kreutz, T.G.; Ogden, J.M. Assessment of Hydrogen-Fueled Proton Exchange Membrane Fuel Cells for Distributed Generation and Cogeneration. In Proceedings of the 2000 U.S. DOE Hydrogen Program Review, San Ramon, CA, USA, 9–11 May 2000. [Google Scholar]
- Ural, Z.; Gençoğlu, M.T.; Gümüs, B. Dynamic Simulation of a Pem Fuel Cell System. In Proceedings of the 2nd International Hydrogen Energy Congress and Exhibition IHEC 2007, Istanbul, Turkey, 13–15 July 2007. [Google Scholar]
- Mammar, K.; Chaker, A. Neural NetworkBased Modeling of PEM fuel cell and Controller Synthesis of a stand-alone system for residential. Int. J. Comput. Sci. 2012, 9, 13–15. [Google Scholar]
- Yu, X.; Starke, M.; Tolbert, L.; Ozpineci, B. Fuel cell power conditioning for electric power applications: A summary. IET Electr. Power Appl. 2007, 1, 643. [Google Scholar] [CrossRef]
- Wang, Y.; Chen, K.S.; Mishler, J.; Cho, S.C.; Adroher, X.C. A review of polymer electrolyte membrane fuel cells: Technology, applications, and needs on fundamental research. Appl. Energy 2011, 88, 981–1007. [Google Scholar] [CrossRef]
- Francesconi, J.A.; Mussati, M.C.; Aguirre, P.A. Effects of PEMFC operating parameters on the performance of an integrated ethanol processor. Int. J. Hydrogen Energy 2010, 35, 5940–5946. [Google Scholar] [CrossRef]
- Li, Q.; Jensen, J.O.; Savinell, R.F.; Bjerrum, N.J. High temperature proton exchange membranes based on polybenzimidazoles for fuel cells. Prog. Polym. Sci. 2009, 34, 449–477. [Google Scholar] [CrossRef]
- Azri, M.; Mubin, A.N.A.; Ibrahim, Z.; Rahim, N.A.; Raihan, S.R.S. Mathematical Modelling for Proton Exchange Membrane Fuel Cell (PEMFC). J. Theor. Appl. Inf. Technol. 2016, 86, 409–419. [Google Scholar]
- Benchouia, N.; Hadjadj, A.E.; Derghal, A.; Khochemane, L.; Mahmah, B. Modeling and validation of fuel cell PEMFC. Rev. Energ. Renouv. 2013, 16, 365–377. [Google Scholar]
- Macedo-Valencia, J.; Sierra, J.; Figueroa-Ramírez, S.; Mandujano, H.; Meza, M.; Tadeo, J.; Grajeda, S. Numerical study of heat transfer in a PEM fuel cell with different flow-fields. In Proceedings of the XV International Congress of the Mexican Hydrogen Society, Mexico City, Mexico, 22–25 September 2015. [Google Scholar]
- Santarelli, M.; Torchio, M.F.; Cochis, P. Parameters estimation of a PEM fuel cell polarization curve and analysis of their behavior with temperature. J. Power Sources 2006, 159, 824–835. [Google Scholar] [CrossRef]
- Xue, X.; Cheng, K.W.E.; Sutanto, D. Unified mathematical modelling of steady-state and dynamic voltage-current characteristics for PEM fuel cells. Electrochim. Acta 2006, 52, 1135–1144. [Google Scholar] [CrossRef]
- Zhao, J.; Jian, Q.; Luo, L.; Huang, B.; Cao, S.; Huang, Z. Dynamic behavior study on voltage and temperature of proton exchange membrane fuel cells. Appl. Therm. Eng. 2018, 145, 343–351. [Google Scholar] [CrossRef]
- WLin; Yuan, J.; Sundén, B. Waste Heat Recovery for Fuel Cell System. In Proceedings of the International Green Energy Conference, Waterloo, ON, Canada, 1–3 June 2010. [Google Scholar]
- Cao, Y. Analysis of an energy recovery system for reformate-based PEM fuel cells involving a binary two-phase mixture. J. Power Sources 2005, 141, 258–264. [Google Scholar] [CrossRef]
- Venkataraman, V.; Pacek, A.W.; Steinberger-Wilckens, R. Coupling of a Solid Oxide Fuel Cell Auxiliary Power Unit with a Vapour Absorption Refrigeration System for Refrigerated Truck Application. Fuel Cells 2016, 16, 273–293. [Google Scholar] [CrossRef]
- Fuchs, M. Study of High Temperature Pem Fuel Cell (HT-PEMFC) Waste Heat Recovery through Ejector Based Refrigeration. Ph.D. Thesis, Florida Atlantic University, Boca Raton, FL, USA, 2012. [Google Scholar]
- Guo, X.; Zhang, H.; Zhao, J.; Wang, F.; Wang, J.; Miao, H.; Yuan, J. Performance evaluation of an integrated high-temperature proton exchange membrane fuel cell and absorption cycle system for power and heating/cooling cogeneration. Energy Convers. Manag. 2019, 181, 292–301. [Google Scholar] [CrossRef]
- Sharaf, O.Z.; Orhan, M.F. An overview of fuel cell technology: Fundamentals and applications. Renew. Sustain. Energy Rev. 2014, 32, 810–853. [Google Scholar] [CrossRef]
- Liu, G.; Qin, Y.; Wang, J.; Liu, C.; Yin, Y.; Zhao, J.; Yin, Y.; Zhang, J.; Otoo, O.N. Thermodynamic modeling and analysis of a novel PEMFC-ORC combined power system. Energy Convers. Manag. 2020, 217, 112998. [Google Scholar] [CrossRef]
- Chowdhury, J.I. Modelling of Evaporator in Waste Heat Recovery System using Finite Volume Method and Fuzzy Technique. Energies 2015, 8, 14078–14097. [Google Scholar] [CrossRef]
- Lemmon, E.; Huber, M.; McLinden, M. NIST Standard Reference Database 23e Version 8.0, Physical and Chemical Properties Division; National Institute of Standards and Technology/US Department of Commerce: Boulder, CO, USA, 2002. [Google Scholar]
- Huang, X. Fuel Cell Technology for Distributed Generation: An Overview. In Proceedings of the 2006 IEEE International Symposium on Industrial Electronics, Montreal, QC, Canada, 9–13 July 2006. [Google Scholar]
- Electrocatalyst Degradation in High Temperature PEM Fuel Cells, ANNO ACCADEMICO 2013/2014. Available online: https://www.openstarts.units.it/bitstream/10077/11126/1/PhD%20Thesis%20-%20F.%20Valle.pdf (accessed on 5 November 2020).
- Mahapatra, M.K.; Singh, P. Fuel Cells: Energy Conversion Technology. In Future Energy; Elsevier: Amsterdam, The Netherlands; pp. 511–547.
- Amphlett, J.C.; Baumert, R.M.; Mann, R.F.; Peppley, B.A.; Roberge, P.R.; Harris, T.J. Performance modeling of the Ballard Mark IV solid polymer electrolyte fuel cell: I. Mechanistic model development. J. Electrochem. Soc. 1995, 142, 1. [Google Scholar] [CrossRef]
- Barbir, F. PEM fuel cells. In Fuel Cell Technology; Springer: London, UK, 2006; pp. 27–51. [Google Scholar]
- Horizon Fuel Cell Technologies. 2013. Available online: http://www.horizonfuelcell.com/ (accessed on 5 November 2020).


























| Parameter | Value |
|---|---|
| No. of cells | 100 |
| Area of the cell | 475 cm2 |
| Rated current performance | 24 A |
| External temperature | 303.15 K |
| Pressure at anode | 1.45 atm |
| Pressure at cathode | 1 atm |
| Concentration loss coefficient | 0.016 |
| Limiting current | 25.1 A |
| Total thermal capacitance | 10 J/K |
| Total heat transfer coefficient | 10 W/K |
| Maximum stack temperature | 63 °C |
| Parameter | Simulation | Azri et al. | % Age Difference |
|---|---|---|---|
| Power output (W) | 410 | 435 | 6.1% |
| Rated current density (A) | 0.052 | 0.053 | 1.92% |
| Stack voltage (V) | 45 | 45 | 0% |
Publisher’s Note: MDPI stays neutral with regard to jurisdictional claims in published maps and institutional affiliations. |
© 2021 by the authors. Licensee MDPI, Basel, Switzerland. This article is an open access article distributed under the terms and conditions of the Creative Commons Attribution (CC BY) license (http://creativecommons.org/licenses/by/4.0/).
Share and Cite
Ansari, S.A.; Khalid, M.; Kamal, K.; Abdul Hussain Ratlamwala, T.; Hussain, G.; Alkahtani, M. Modeling and Simulation of a Proton Exchange Membrane Fuel Cell Alongside a Waste Heat Recovery System Based on the Organic Rankine Cycle in MATLAB/SIMULINK Environment. Sustainability 2021, 13, 1218. https://doi.org/10.3390/su13031218
Ansari SA, Khalid M, Kamal K, Abdul Hussain Ratlamwala T, Hussain G, Alkahtani M. Modeling and Simulation of a Proton Exchange Membrane Fuel Cell Alongside a Waste Heat Recovery System Based on the Organic Rankine Cycle in MATLAB/SIMULINK Environment. Sustainability. 2021; 13(3):1218. https://doi.org/10.3390/su13031218
Chicago/Turabian StyleAnsari, Sharjeel Ashraf, Mustafa Khalid, Khurram Kamal, Tahir Abdul Hussain Ratlamwala, Ghulam Hussain, and Mohammed Alkahtani. 2021. "Modeling and Simulation of a Proton Exchange Membrane Fuel Cell Alongside a Waste Heat Recovery System Based on the Organic Rankine Cycle in MATLAB/SIMULINK Environment" Sustainability 13, no. 3: 1218. https://doi.org/10.3390/su13031218
APA StyleAnsari, S. A., Khalid, M., Kamal, K., Abdul Hussain Ratlamwala, T., Hussain, G., & Alkahtani, M. (2021). Modeling and Simulation of a Proton Exchange Membrane Fuel Cell Alongside a Waste Heat Recovery System Based on the Organic Rankine Cycle in MATLAB/SIMULINK Environment. Sustainability, 13(3), 1218. https://doi.org/10.3390/su13031218

