A Review of Synchronous Reluctance Motor-Drive Advancements
Abstract
1. Introduction
2. The Need for SynRMs
2.1. SynRM
2.2. PMSynRM
2.3. Comparative Analysis of Motor Technologies Efficiency
3. Qualities of SynRM Modeling
- Numerical and analytical models of SynRM
- Offline parameter identification
- Online parameter identification through an inverter
4. Latest Developments of SynRM Control Strategies
- Optimal design of motors,
- Optimal design of converters,
- Optimal design of controllers.
- Input modules, e.g., analog to digital converters, which continuously capture input variables from electrical and mechanical sensors and/or transducers.
- Output modules, i.e., pulse-width modulation (PWM) module, which continuously provides switching sequences.
- Peripherals modules for programming and data exchanging.
- Main processor for executing and processing control algorithms.
4.1. FOC of SynRM
- High steady-state performance,
- Precise current control,
- Simple implementation of the method,
- Simple compatibility with many AC motors,
- Simple modulation system implementation,
- Constant switching frequency.
- High computational burden on the processor due to the current control and modulation method.
- Low dynamic of the method due to the lack of direct control on the torque.
- Low robustness of the method due to the high dependency of the method to the motor’s parameters (flux vector angle).
4.2. DTC of SynRM
- Simplicity due to the lack of PWM signal generator module and current control.
- Fast response and high dynamic due to the direct control of torque.
- Robust control due to low dependence on motor parameters.
- High torque and flux ripples,
- Variable switching frequency,
- Relatively high harmonic currents,
- Bad performance at low speed, which may include high noise, bad torque and flux control, and bad speed tracking.
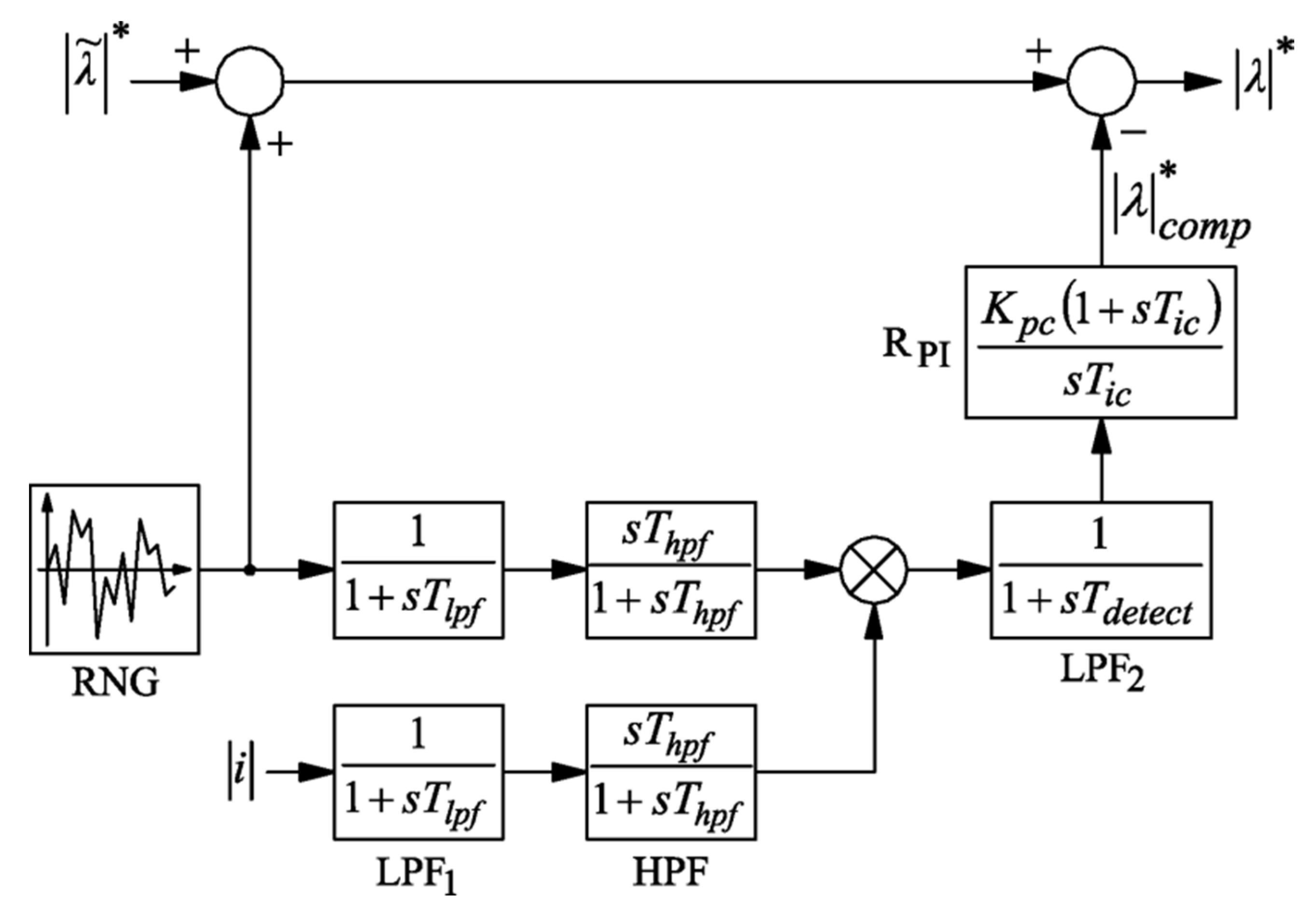
4.3. PC of SynRM
5. Control Strategies for Different Speed Regions of SynRM Drives
5.1. Standstill and Very Low-Speed Control
5.2. Up to Base Speed
5.3. Beyond Base Speed
5.4. Transition Between Different Speed Ranges
6. Discussion and Conclusions
Author Contributions
Funding
Institutional Review Board Statement
Informed Consent Statement
Data Availability Statement
Conflicts of Interest
References
- Rassõlkin, A.; Belahcen, A.; Kallaste, A.; Vaimann, T.; Lukichev, D.V.; Orlova, S.; Heidari, H.; Asad, B.; Acedo, J.P. Life cycle analysis of electrical motor-drive system based on electrical machine type. Proc. Estonian Acad. Sci. 2020, 69, 162. [Google Scholar] [CrossRef]
- Carraro, E.; Morandin, M.; Bianchi, N. Traction PMASR motor optimization according to a given driving cycle. IEEE Trans. Ind. Appl. 2016, 52, 209–216. [Google Scholar] [CrossRef]
- Taghavi, S.M.; Pillay, P. A mechanically robust rotor with transverse laminations for a wide-speed-range synchronous reluctance traction motor. IEEE Trans. Ind. Appl. 2015, 51, 4404–4414. [Google Scholar] [CrossRef]
- Bonthu, S.S.R.; Arafat, A.; Choi, S. Comparisons of rare-earth and rare-earth-free external rotor permanent magnet assisted synchronous reluctance motors. IEEE Trans. Ind. Electron. 2017, 64, 9729–9738. [Google Scholar] [CrossRef]
- Bonthu, S.S.R.; Bin Tarek, T.; Choi, S. Optimal torque ripple reduction technique for outer rotor permanent magnet synchronous reluctance motors. IEEE Trans. Energy Convers. 2018, 33, 1184–1192. [Google Scholar] [CrossRef]
- Bonthu, S.S.R.; Choi, S.; Baek, J. Design optimization with multiphysics analysis on external rotor permanent magnet-assisted synchronous reluctance motors. IEEE Trans. Energy Convers. 2017, 33, 290–298. [Google Scholar] [CrossRef]
- Park, J.; Kalev, C.; Hofmann, H.F. Control of high-speed solid-rotor synchronous reluctance motor/generator for flywheel-based uninterruptible power supplies. IEEE Trans. Ind. Electron. 2008, 55, 3038–3046. [Google Scholar] [CrossRef]
- Ibrahim, M.N.; Rashad, E.; Sergeant, P. Performance comparison of conventional synchronous reluctance machines and PM-assisted types with combined star—Delta winding. Energies 2017, 10, 1500. [Google Scholar] [CrossRef]
- Subtitle, P. High Output Synchronous Reluctance Motor and Drive Package—Optimized Cost of Ownership for Pump and Fan Applications; ABB: Zurich, Switzerland, 2012. [Google Scholar]
- Moghaddam, R.-R. Synchronous Reluctance Machine (SynRM) in Variable Speed Drives (VSD) Applications. Ph.D. Thesis, KTH School of Electrical Engineering, Stockholm, Sweden, 2011. [Google Scholar]
- SIEMENS. Highest Efficiency Synchronous-Reluctance Drive System with IES2 Efficiency—Topics—Siemens. Available online: https://www.industry.siemens.com/topics/global/en/integrated-drive-systems/drive-system-offerings/synchronous-reluctance-drive-system/Pages/Default.aspx (accessed on 20 August 2019).
- ABB. IE5 SynRM Motors Deliver Ultra-Premium Energy Efficiency. Available online: https://new.abb.com/news/detail/58874/abb-ie5-synrm-motors-deliver-ultra-premium-energy-efficiency (accessed on 27 May 2020).
- De Almeida, A.T.; Ferreira, F.J.T.E.; Baoming, G. Beyond induction motors—Technology trends to move up efficiency. IEEE Trans. Ind. Appl. 2014, 50, 2103–2114. [Google Scholar] [CrossRef]
- Boldea, I. Control issues in adjustable speed drives. IEEE Ind. Electron. Mag. 2008, 2, 32–50. [Google Scholar] [CrossRef]
- Betin, F.; Capolino, G.-A.; Casadei, D.; Kawkabani, B.; Bojoi, R.I.; Harnefors, L.; Levi, E.; Parsa, L.; Fahimi, B. Trends in electrical machines control: Samples for classical, sensorless, and fault-tolerant techniques. IEEE Ind. Electron. Mag. 2014, 8, 43–55. [Google Scholar] [CrossRef]
- Asad, B.; Vaimann, T.; Rassõlkin, A.; Kallaste, A.; Belahcen, A. A survey of broken rotor bar fault diagnostic methods of induction motor. Electr. Control Commun. Eng. 2018, 14, 117–124. [Google Scholar] [CrossRef]
- Ojaghi, M.; Sabouri, M.; Faiz, J. Performance analysis of squirrel-cage induction motors under broken rotor bar and stator inter-turn fault conditions using analytical modeling. IEEE Trans. Magn. 2018, 54, 1–5. [Google Scholar] [CrossRef]
- Trujillo-Guajardo, L.A.; Rodriguez-Maldonado, J.; Moonem, M.A.; Platas-Garza, M.A. A Multiresolution Taylor–Kalman approach for broken rotor bar detection in cage induction motors. IEEE Trans. Instrum. Meas. 2018, 67, 1317–1328. [Google Scholar] [CrossRef]
- Morales-Perez, C.; Rangel-Magdaleno, J.D.J.; Peregrina-Barreto, H.; Amezquita-Sanchez, J.P.; Valtierra-Rodriguez, M. Incipient broken rotor bar detection in induction motors using vibration signals and the orthogonal matching pursuit algorithm. IEEE Trans. Instrum. Meas. 2018, 67, 2058–2068. [Google Scholar] [CrossRef]
- Asad, B.; Vaimann, T.; Belahcen, A.; Kallaste, A.; Rassõlkin, A.; Iqbal, M.N. Broken rotor bar fault detection of the grid and inverter-fed induction motor by effective attenuation of the fundamental component. IET Electr. Power Appl. 2019, 13, 2005–2014. [Google Scholar] [CrossRef]
- Fan, Z.-N.; Han, L.-; Liao, Y.; Xie, L.-D.; Wen, K.; Wang, J.; Dong, X.-C.; Yao, B. Effect of damper winding and stator slot skewing structure on no-load voltage waveform distortion and damper bar heat in large tubular hydro generator. IEEE Access 2018, 6, 22281–22291. [Google Scholar] [CrossRef]
- Mallard, V.; Parent, G.; Demian, C.; Brudny, J.-F.; Delamotte, A. Increasing the energy efficiency of induction machines by the use of grain-oriented magnetic materials and die casting copper squirrel cage in the rotor. IEEE Trans. Ind. Appl. 2018, 55, 1280–1289. [Google Scholar] [CrossRef]
- Zhang, Q.; Liu, H.; Zhang, Z.; Song, T. A cast copper rotor induction motor for small commercial EV traction: Electromagnetic design, analysis, and experimental tests. China Electrotech. Soc. Trans. Electr. Mach. Syst. 2018, 2, 417–424. [Google Scholar] [CrossRef]
- Wu, G.; Huang, S.; Wu, Q.; Rong, F.; Zhang, C.; Liao, W. Robust predictive torque control of N*3-phase PMSM for high-power traction application. IEEE Trans. Power Electron. 2020, 35, 10799–10809. [Google Scholar] [CrossRef]
- Reddy, P.N.; Amarnath, J.; Linga Reddy, P. Hybrid random PWM algorithm for direct torque-controlled induction motor drive for reduced harmonic distortion. In Proceedings of the 2011 Annual IEEE India Conference, Hyderabad, India, 16–18 December 2011; pp. 1–5. [Google Scholar]
- Fang, S.; Liu, H.; Wang, H.; Yang, H.; Lin, H. High power density PMSM with lightweight structure and high-performance soft magnetic alloy core. IEEE Trans. Appl. Supercond. 2019, 29, 1–5. [Google Scholar] [CrossRef]
- Xu, J.; Zhang, B.; Kuang, X.; Guo, H.; Guo, S. Influence analysis of slot parameters and high torque density optimisation for dual redundant permanent magnet motor in aerospace application. IET Electr. Power Appl. 2020, 14, 1263–1273. [Google Scholar] [CrossRef]
- Kong, Y.; Lin, M.; Jia, L. A novel high-power density permanent-magnet synchronous machine with wide speed range. IEEE Trans. Magn. 2020, 56, 1–6. [Google Scholar] [CrossRef]
- Chau, K.T. Electric Vehicle Machines and Drives: Design, Analysis and Application; John Wiley and Sons: Chichester, UK, 2015. [Google Scholar]
- Korn, N.; Vaimann, T.; Kallaste, A.; Belahcen, A. Comparative study of slow speed slotless synchronous generator using SmCo and NdFeB permanent magnets. In Proceedings of the 2014 Electric Power Quality and Supply Reliability Conference (PQ), Rakvere, Estonia, 11–13 June 2014; pp. 247–250. [Google Scholar]
- Pellegrino, G.; Jahns, T.M.; Bianchi, N.; Soong, W.; Cupertino, F. The Rediscovery of Synchronous Reluctance and Ferrite Permanent Magnet Motors; Springer: Cham, Switzerland, 2016. [Google Scholar]
- Boldea, I.; Tutelea, L.N.; Parsa, L.; Dorrell, D. Automotive electric propulsion systems with reduced or no permanent magnets: An overview. IEEE Trans. Ind. Electron. 2014, 61, 5696–5711. [Google Scholar] [CrossRef]
- Moghaddam, R.-R.; Gyllensten, F. Novel high-performance SynRM design method: An easy approach for a complicated rotor topology. IEEE Trans. Ind. Electron. 2014, 61, 5058–5065. [Google Scholar] [CrossRef]
- Bianchi, N.; Fornasiero, E.; Soong, W. Selection of PM flux linkage for maximum low-speed torque rating in a PM-assisted synchronous reluctance machine. IEEE Trans. Ind. Appl. 2015, 51, 3600–3608. [Google Scholar] [CrossRef]
- Di Nardo, M.; Calzo, G.L.; Galea, M.; Gerada, C. Design optimization of a high-speed synchronous reluctance machine. IEEE Trans. Ind. Appl. 2018, 54, 233–243. [Google Scholar] [CrossRef]
- Taghavi, S.; Pillay, P. A sizing methodology of the synchronous reluctance motor for traction applications. IEEE J. Emerg. Sel. Top. Power Electron. 2014, 2, 329–340. [Google Scholar] [CrossRef]
- Moghaddam, R.R.; Magnussen, F.; Sadarangani, C. Theoretical and experimental reevaluation of synchronous reluctance machine. IEEE Trans. Ind. Electron. 2010, 57, 6–13. [Google Scholar] [CrossRef]
- Huynh, T.A.; Hsieh, M.-F. Comparative study of PM-Assisted SynRM and IPMSM on constant power speed range for EV applications. IEEE Trans. Magn. 2017, 53, 1–6. [Google Scholar] [CrossRef]
- Kumar, G.V.; Chuang, C.-H.; Lu, M.-Z.; Liaw, C.-M. Development of an electric vehicle synchronous reluctance motor drive. IEEE Trans. Veh. Technol. 2020, 69, 5012–5024. [Google Scholar] [CrossRef]
- Herrera, D.; Villegas, J.; Galván, E.; Carrasco, J.M. Powertrain EV synchronous reluctance motor design with redundant topology with novel control. IET Electr. Power Appl. 2019, 13, 1647–1659. [Google Scholar] [CrossRef]
- ABB. All-Compatible ACS880 Single Drives—Industrial Drives—Unlimited Possibilities for Your Business (Low Voltage AC). Available online: https://new.abb.com/drives/low-voltage-ac/industrial-drives/acs880-single-drives (accessed on 24 August 2020).
- Foo, G.; Rahman, M.F. Sensorless direct torque and flux controlled IPM synchronous motor drive at very low speed without signal injection. IEEE Trans. Ind. Electron. 2009, 57, 395–403. [Google Scholar] [CrossRef]
- Fei, W.-Z.; Luk, P.C.-K. Torque ripple reduction of a direct-drive permanent-magnet synchronous machine by material-efficient axial pole pairing. IEEE Trans. Ind. Electron. 2011, 59, 2601–2611. [Google Scholar] [CrossRef]
- Bedetti, N.; Calligaro, S.; Petrella, R. Stand-still self-identification of flux characteristics for synchronous reluctance machines using novel saturation approximating function and multiple linear regression. IEEE Trans. Ind. Appl. 2016, 52, 3083–3092. [Google Scholar] [CrossRef]
- ABB. Synchronous Reluctance Motor-Drive Package for Machine Builders. High Performance for Ultimate Machine Design. Available online: http://search-ext.abb.com/library/Download.aspx?DocumentID=3AUA0000120962&LanguageCode=en&DocumentPartId=1&Action=Launch (accessed on 24 August 2020).
- Ibrahim, M.N.; Abdel-Khalik, A.S.; Rashad, E.E.M.; Sergeant, P. An improved torque density synchronous reluctance machine with a combined star–delta winding layout. IEEE Trans. Energy Convers. 2018, 33, 1015–1024. [Google Scholar] [CrossRef]
- Betz, R.; Lagerquist, R.; Jovanovic, M.; Miller, T.; Middleton, R. Control of synchronous reluctance machines. IEEE Trans. Ind. Appl. 1993, 29, 1110–1122. [Google Scholar] [CrossRef]
- ABB. Synchronous Reluctance Motor-Drive Package for Industrial Use—Optimized Cost of Ownership. Available online: https://www.baldor.com/mvc/DownloadCenter/Files/3AUA0000132610 (accessed on 24 August 2020).
- IEC Webstore. IEC 60034-30-1:2014—Pump, Motor, Water Management, Smart City, Energy Efficiency. Available online: https://webstore.iec.ch/publication/136 (accessed on 15 February 2019).
- IEC Webstore. IEC TS 60034-30-2:2016—Energy Efficiency, Efficiency Rating. Available online: https://webstore.iec.ch/publication/30830 (accessed on 15 February 2019).
- Wang, Y.; Ionel, D.M.; Dorrell, D.G.; Stretz, S. Establishing the power factor limitations for synchronous reluctance machines. IEEE Trans. Magn. 2015, 51, 1–4. [Google Scholar] [CrossRef]
- Heidari, H.; Andriushchenko, E.; Rassõlkin, A.; Demidova, G.L. Comparison of synchronous reluctance machine and permanent magnet-assisted synchronous reluctance machine performance characteristics. In Proceedings of the 2020 27th International Workshop on Electric Drives: MPEI Department of Electric Drives 90th Anniversary (IWED), Moscow, Russia, 27–30 January 2020; pp. 9–13. [Google Scholar]
- Vagati, A.; Canova, A.; Chiampi, M.; Pastorelli, M.; Repetto, M. Design refinement of synchronous reluctance motors through finite-element analysis. IEEE Trans. Ind. Appl. 2000, 36, 1094–1102. [Google Scholar] [CrossRef]
- Park, J.-M.; Park, S.-J.; Lee, M.-M.; Chun, J.-S.; Lee, J.-H. Rotor design on torque ripple reduction for a synchronous reluctance motor with concentrated winding using response surface methodology. IEEE Trans. Magn. 2006, 42, 3479–3481. [Google Scholar] [CrossRef]
- Diao, X.; Zhu, H.; Qin, Y.; Hua, Y. Torque ripple minimization for bearingless synchronous reluctance motor. IEEE Trans. Appl. Supercond. 2018, 28, 1–5. [Google Scholar] [CrossRef]
- Ibrahim, M.N.; Sergeant, P.; Rashad, E. Simple design approach for low torque ripple and high output torque synchronous reluctance motors. Energies 2016, 9, 942. [Google Scholar] [CrossRef]
- Uddin, M.N.; Rahman, M.M. Online torque-flux estimation-based nonlinear torque and flux control scheme of IPMSM drive for reduced torque ripples. IEEE Trans. Power Electron. 2018, 34, 636–645. [Google Scholar] [CrossRef]
- Lipo, T.A. Synchronous reluctance machines—A viable alternative for AC drives? Electr. Mach. Power Syst. 1991, 19, 659–671. [Google Scholar] [CrossRef]
- Taghavi, S.; Pillay, P. A novel grain-oriented lamination rotor core assembly for a synchronous reluctance traction motor with a reduced torque ripple algorithm. IEEE Trans. Ind. Appl. 2016, 52, 3729–3738. [Google Scholar] [CrossRef]
- Bianchi, N.; Bolognani, S.; Bon, D.; Pr, M.D. Torque harmonic compensation in a synchronous reluctance motor. IEEE Trans. Energy Convers. 2008, 23, 466–473. [Google Scholar] [CrossRef]
- Bianchi, N.; Bolognani, S.; Bon, D.; Pre, M.D. Rotor flux-barrier design for torque ripple reduction in synchronous reluctance and PM-assisted synchronous reluctance motors. IEEE Trans. Ind. Appl. 2009, 45, 921–928. [Google Scholar] [CrossRef]
- Bianchi, N.; Bolognani, S.; Carraro, E.; Castiello, M.; Fornasiero, E. Electric vehicle traction based on synchronous reluctance motors. IEEE Trans. Ind. Appl. 2016, 52, 4762–4769. [Google Scholar] [CrossRef]
- Rassõlkin, A.; Heidari, H.; Kallaste, A.; Acedo, J.P.; Romero-Cadaval, E. Efficiency map comparison of induction and synchronous reluctance motors. In Proceedings of the 2019 26th International Workshop on Electric Drives: Improvement in Efficiency of Electric Drives (IWED), Moscow, Russia, 30 January–2 February 2019; pp. 4–7. [Google Scholar]
- Pellegrino, G.-M.L.; Armando, E.; Guglielmi, P. Direct-flux vector control of IPM motor drives in the maximum torque per voltage speed range. IEEE Trans. Ind. Electron. 2012, 59, 3780–3788. [Google Scholar] [CrossRef]
- Barcaro, M.; Bianchi, N.; Magnussen, F. Permanent-magnet optimization in permanent-magnet-assisted synchronous reluctance motor for a wide constant-power speed range. IEEE Trans. Ind. Electron. 2012, 59, 2495–2502. [Google Scholar] [CrossRef]
- Liu, H.-C.; Kim, I.-G.; Oh, Y.J.; Lee, J.; Go, S.-C. Design of permanent magnet-assisted synchronous reluctance motor for maximized Back-EMF and torque ripple reduction. IEEE Trans. Magn. 2017, 53, 1–4. [Google Scholar] [CrossRef]
- Flieller, D.; Nguyen, N.K.; Wira, P.; Sturtzer, G.; Abdeslam, D.O.; Mercklé, J. A self-learning solution for torque ripple reduction for nonsinusoidal permanent-magnet motor drives based on artificial neural networks. IEEE Trans. Ind. Electron. 2014, 61, 655–666. [Google Scholar] [CrossRef]
- Zhu, H.; Xiao, X.; Li, Y. Torque ripple reduction of the torque predictive control scheme for permanent-magnet synchronous motors. IEEE Trans. Ind. Electron. 2011, 59, 871–877. [Google Scholar] [CrossRef]
- Wang, B.; Wang, J.; Griffo, A.; Sun, Z.; Chong, E. A fault tolerant machine drive based on permanent magnet assisted synchronous reluctance machine. In Proceedings of the 2016 IEEE Energy Conversion Congress and Exposition (ECCE), Milwaukee, WI, USA, 18–22 September 2016; pp. 1–8. [Google Scholar]
- Arafat, A.; Choi, S.; Baek, J. Open-phase fault detection of a five-phase permanent magnet assisted synchronous reluctance motor based on symmetrical components theory. IEEE Trans. Ind. Electron. 2017, 64, 6465–6474. [Google Scholar] [CrossRef]
- Ilamparithi, T.C.; Nandi, S. Detection of eccentricity faults in three-phase reluctance synchronous motor. IEEE Trans. Ind. Appl. 2012, 48, 1307–1317. [Google Scholar] [CrossRef]
- Wang, B.; Wang, J.; Griffo, A.; Sen, B. Experimental assessments of a triple redundant nine-phase fault-tolerant PMA SynRM drive. IEEE Trans. Ind. Electron. 2019, 66, 772–783. [Google Scholar] [CrossRef]
- Heidari, H.; Rassõlkin, A.; Holakooie, M.H.; Vaimann, T.; Kallaste, A.; Belahcen, A.; Lukichev, D.V. A Parallel estimation system of stator resistance and rotor speed for active disturbance rejection control of six-phase induction motor. Energies 2020, 13, 1121. [Google Scholar] [CrossRef]
- Asad, B.; Vaimann, T.; Belahcen, A.; Kallaste, A.; Rassolkin, A.; Heidari, H. The Low Voltage Start-up Test of Induction Motor for the Detection of Broken Bars. In Proceedings of the 2020 International Conference on Electrical Machines (ICEM), Gothenburg, Sweden, 23–26 August 2020; Volume 1. [Google Scholar]
- Asad, B.; Vaimann, T.; Rassõlkin, A.; Kallaste, A.; Belahcen, A. Review of electrical machine diagnostic methods applicability in the perspective of industry 4.0. Electr. Control Commun. Eng. 2018, 14, 1–9. [Google Scholar] [CrossRef]
- Boglietti, A.; Cavagnino, A.; Pastorelli, M.; Staton, D.; Vagati, A. Thermal analysis of induction and synchronous reluctance motors. IEEE Trans. Ind. Appl. 2006, 42, 675–680. [Google Scholar] [CrossRef]
- Ghahfarokhi, P.S.; Belahcen, A.; Kallaste, A.; Vaimann, T.; Gerokov, L.; Rassolkin, A. Thermal analysis of a SynRM using a thermal network and a hybrid model. In Proceedings of the 2018 XIII International Conference on Electrical Machines (ICEM), Alexandroupoli, Greece, 3–6 September 2018; pp. 2682–2688. [Google Scholar]
- Wang, D.; Zhang, B.; Qiu, D.; Xie, F.; Wei, D. Stability analysis of the coupled synchronous reluctance motor drives. IEEE Trans. Circuits Syst. II 2017, 64, 196–200. [Google Scholar] [CrossRef]
- Holakooie, M.H.; Taheri, A.; Sharifian, M.B.B. MRAS based speed estimator for sensorless vector control of a linear induction motor with improved adaptation mechanisms. J. Power Electron. 2015, 15, 1274–1285. [Google Scholar] [CrossRef]
- Orosz, T.; Pánek, D.; Karban, P. FEM based preliminary design optimization in case of large power transformers. Appl. Sci. 2020, 10, 1361. [Google Scholar] [CrossRef]
- Karban, P.; Pánek, D.; Orosz, T.; Petrášová, I.; Doležel, I. FEM based robust design optimization with Agros and Ārtap. Comput. Math. Appl. 2021, 81, 618–633. [Google Scholar] [CrossRef]
- Pando-Acedo, J.; Rassolkin, A.; Lehikoinen, A.; Vaimann, T.; Kallaste, A.; Romero-Cadaval, E.; Belahcen, A. Hybrid FEA-simulink modelling of permanent magnet assisted synchronous reluctance motor with unbalanced magnet flux. In Proceedings of the 2019 IEEE 12th International Symposium on Diagnostics for Electrical Machines, Power Electronics and Drives (SDEMPED), Toulouse, France, 27–30 August 2019; pp. 174–180. [Google Scholar]
- Kamper, M.; Van Der Merwe, F.; Williamson, S. Direct finite element design optimisation of the cageless reluctance synchronous machine. IEEE Trans. Energy Convers. 1996, 11, 547–555. [Google Scholar] [CrossRef]
- Lee, J.H.; Lee, I.K.; Cho, Y.H.; Yun, T.W. Characteristics analysis and optimum design of anisotropy rotor synchronous reluctance motor using coupled finite element method and response surface methodology. IEEE Trans. Magn. 2009, 45, 4696–4699. [Google Scholar] [CrossRef]
- Lopez-Torres, C.; Espinosa, A.G.; Riba, J.-R.; Romeral, L. Design and optimization for vehicle driving cycle of rare-earth-free SynRM based on coupled lumped thermal and magnetic networks. IEEE Trans. Veh. Technol. 2017, 67, 196–205. [Google Scholar] [CrossRef]
- Kong, Y.; Lin, M.; Yin, M.; Hao, L. Rotor structure on reducing demagnetization of magnet and torque ripple in a PMa-synRM with ferrite permanent magnet. IEEE Trans. Magn. 2018, 54, 1–5. [Google Scholar] [CrossRef]
- Obe, E. Direct computation of ac machine inductances based on winding function theory. Energy Convers. Manag. 2009, 50, 539–542. [Google Scholar] [CrossRef]
- Obe, E. Calculation of inductances and torque of an axially laminated synchronous reluctance motor. IET Electr. Power Appl. 2010, 4, 783. [Google Scholar] [CrossRef]
- Rahman, K.M.; Hiti, S. Identification of machine parameters of a synchronous motor. IEEE Trans. Ind. Appl. 2005, 41, 557–565. [Google Scholar] [CrossRef]
- Armando, E.; Guglielmi, P.; Pellegrino, G.-M.L.; Pastorelli, M.A.; Vagati, A. Accurate modeling and performance analysis of IPM-PMASR motors. IEEE Trans. Ind. Appl. 2009, 45, 123–130. [Google Scholar] [CrossRef]
- Ortombina, L.; Tinazzi, F.; Zigliotto, M. Magnetic modeling of synchronous reluctance and internal permanent magnet motors using radial basis function networks. IEEE Trans. Ind. Electron. 2017, 65, 1140–1148. [Google Scholar] [CrossRef]
- Hinkkanen, M.; Pescetto, P.; Molsa, E.; Saarakkala, S.E.; Pellegrino, G.; Bojoi, R. Sensorless self-commissioning of synchronous reluctance motors at standstill without rotor locking. IEEE Trans. Ind. Appl. 2017, 53, 2120–2129. [Google Scholar] [CrossRef]
- Aarniovuori, L.; Kolehmainen, J.; Kosonen, A.; Niemela, M.; Chen, H.; Cao, W.; Pyrhönen, J.J. Application of calorimetric method for loss measurement of a SynRM drive system. IEEE Trans. Ind. Electron. 2016, 63, 2005–2015. [Google Scholar] [CrossRef]
- ABB. A Century of ABB Review; ABB Process Automation, Turbocharging: Baden, Switzerland, 2012; pp. 1–80. [Google Scholar]
- Toliyat, H.A.; Campbell, S.G. DSP-Based Electromechanical Motion Control; CRC Press: Boca Raton, FL, USA, 2003. [Google Scholar]
- Heidari, H.; Rassolkin, A.; Kallaste, A.; Vaimann, T.; Belahcen, A. Harmonics distortion in inverter-fed motor-drive systems: Case study. In Proceedings of the 2019 Electric Power Quality and Supply Reliability Conference (PQ) and 2019 Symposium on Electrical Engineering and Mechatronics (SEEM), Kärdla, Estonia, 12–15 June 2019; pp. 1–4. [Google Scholar]
- Trancho, E.; Ibarra, E.; Arias, A.; Kortabarria, I.; Jurrgens, J.; Marengo, L.; Fricasse, A.; Gragger, J.V. PM-Assisted synchronous reluctance machine flux weakening control for EV and HEV applications. IEEE Trans. Ind. Electron. 2018, 65, 2986–2995. [Google Scholar] [CrossRef]
- Foo, G.H.B.; Zhang, X. Robust direct torque control of synchronous reluctance motor drives in the field-weakening region. IEEE Trans. Power Electron. 2016, 32, 1289–1298. [Google Scholar] [CrossRef]
- Stumper, J.-F.; Hagenmeyer, V.; Kuehl, S.; Kennel, R. Deadbeat control for electrical drives: A robust and performant design based on differential flatness. IEEE Trans. Power Electron. 2014, 30, 4585–4596. [Google Scholar] [CrossRef]
- Caporal, R.M.; Pacas, M. A Predictive torque control for the synchronous reluctance machine taking into account the magnetic cross saturation. IEEE Trans. Ind. Electron. 2007, 54, 1161–1167. [Google Scholar] [CrossRef]
- Zhang, X.; Foo, G. Overmodulation of constant-switching-frequency-based dtc for reluctance synchronous motors incorporating field-weakening operation. IEEE Trans. Ind. Electron. 2019, 66, 37–47. [Google Scholar] [CrossRef]
- Antonello, R.; Carraro, M.; Peretti, L.; Zigliotto, M. Hierarchical scaled-states direct predictive control of synchronous reluctance motor drives. IEEE Trans. Ind. Electron. 2016, 63, 1. [Google Scholar] [CrossRef]
- Lin, C.-K.; Yu, J.-T.; Lai, Y.-S.; Yu, H.-C. Improved model-free predictive current control for synchronous reluctance motor drives. IEEE Trans. Ind. Electron. 2016, 63, 3942–3953. [Google Scholar] [CrossRef]
- Yamamoto, S.; Hirahara, H.; Adawey, J.B.; Ara, T.; Matsuse, K. Maximum efficiency drives of synchronous reluctance motors by a novel loss minimization controller with inductance estimator. IEEE Trans. Ind. Appl. 2013, 49, 2543–2551. [Google Scholar] [CrossRef]
- Hofmann, H.F.; Sanders, S.R.; El-Antably, A. Stator-flux-oriented vector control of synchronous reluctance machines with maximized efficiency. IEEE Trans. Ind. Electron. 2004, 51, 1066–1072. [Google Scholar] [CrossRef]
- Senjyu, T.; Omoda, A.; Uezato, K. High efficiency control of synchronous reluctance motors using extended kalman filter. IEEE Trans. Ind. Electron. 2003, 50, 726–732. [Google Scholar] [CrossRef]
- Yousefi-Talouki, A.; Pescetto, P.; Pellegrino, G.; Boldea, I. Combined active flux and high-frequency injection methods for sensorless direct-flux vector control of synchronous reluctance machines. IEEE Trans. Power Electron. 2018, 33, 2447–2457. [Google Scholar] [CrossRef]
- Antonello, R.; Ortombina, L.; Tinazzi, F.; Zigliotto, M. Enhanced low-speed operations for sensorless anisotropic PM synchronous motor drives by a modified back-EMF observer. IEEE Trans. Ind. Electron. 2018, 65, 3069–3076. [Google Scholar] [CrossRef]
- Lee, K.; Kim, H.; Lukic, S.M. A Rotating restart method for scalar (v/f) controlled synchronous reluctance machine drives using a single DC-Link current sensor. IEEE Access 2020, 8, 106629–106638. [Google Scholar] [CrossRef]
- Scalar V/f and I-f Control of AC Motor Drives: An Overview. Available online: https://ieeexplore.ieee.org/stamp/stamp.jsp?tp=&arnumber=7426739&tag=1 (accessed on 8 December 2020).
- Roy, G.; April, G.-E. Cycloconverter operation under a new scalar control algorithm. In Proceedings of the 20th Annual IEEE Power Electronics Specialists Conference, Milwaukee, WI, USA, 26–29 June 1989; Volume 1, pp. 368–375. [Google Scholar]
- Consoli, A.; Scelba, G.; Scarcella, G.; Cacciato, M. An effective energy-saving scalar control for industrial IPMSM drives. IEEE Trans. Ind. Electron. 2012, 60, 3658–3669. [Google Scholar] [CrossRef]
- Chen, S.-G.; Lin, F.-J.; Liang, C.-H.; Liao, C.-H. Intelligent maximum power factor searching control using recurrent chebyshev fuzzy neural network current angle controller for SynRM drive system. IEEE Trans. Power Electron. 2021, 36, 3496–3511. [Google Scholar] [CrossRef]
- Lin, F.-J.; Chen, S.-G.; Hsu, C.-W. Intelligent backstepping control using recurrent feature selection fuzzy neural network for synchronous reluctance motor position servo drive system. IEEE Trans. Fuzzy Syst. 2018, 27, 413–427. [Google Scholar] [CrossRef]
- Ting, J.C.; Chen, D.F. Nonlinear backstepping control of SynRM drive systems using reformed recurrent Hermite polynomial neural networks with adaptive law and error estimated law. J. Power Electron. 2018, 18, 1380–1397. [Google Scholar] [CrossRef]
- Chiang, H.-K.; Chu, C.-T. Reference model with an adaptive hermite fuzzy neural network controller for tracking a synchronous reluctance motor. Electr. Power Compon. Syst. 2015, 43, 770–780. [Google Scholar] [CrossRef]
- Strzelecki, R.; Demidova, G.; Lukichev, D.; Polyakov, N.; Abdullin, A.; Lovlin, S. Survey on fuzzy logic methods in control systems of electromechanical plants. Sci. Tech. J. Inf. Technol. Mech. Opt. 2019, 19, 1–14. [Google Scholar] [CrossRef]
- Lukichev, D.V.; Demidova, G.L.; Kuzin, A.Y.; Saushev, A. Application of adaptive Neuro Fuzzy Inference System (ANFIS) controller in servodrive with multi-mass object. In Proceedings of the 2018 25th International Workshop on Electric Drives: Optimization in Control of Electric Drives (IWED), Moscow, Russia, 31 January–2 February 2018; pp. 1–6. [Google Scholar]
- Lin, C. Adaptive recurrent fuzzy neural network control for synchronous reluctance motor servo drive. IEE Proc. Electr. Power Appl. 2004, 151, 711–724. [Google Scholar] [CrossRef]
- Daryabeigi, E.; Mirzaei, A.; Zarchi, H.A.; Vaez-Zadeh, S. Deviation model-based control of synchronous reluctance motor drives with reduced parameter dependency. IEEE Trans. Power Electron. 2019, 34, 6697–6705. [Google Scholar] [CrossRef]
- Daryabeigi, E.; Mirzaei, A.; Zarchi, H.A.; Vaez-Zadeh, S. Deviation control in comparison with DTC and FOC for SynRM drives. In Proceedings of the 2019 10th International Power Electronics, Drive Systems and Technologies Conference (PEDSTC), Shiraz, Iran, 12–14 February 2019; pp. 713–717. [Google Scholar]
- Li, C.; Wang, G.; Zhang, G.; Xu, D.G.; Xiao, D. Saliency-based sensorless control for SynRM drives with suppression of position estimation error. IEEE Trans. Ind. Electron. 2019, 66, 5839–5849. [Google Scholar] [CrossRef]
- Li, C.; Wang, G.; Zhang, G.; Xu, D.G. Eliminating position estimation error caused by cross-coupling effect in saliency-based sensorless control of SynRMs. In Proceedings of the 2018 21st International Conference on Electrical Machines and Systems (ICEMS), Jeju, Korea, 7–10 October 2018; pp. 1600–1605. [Google Scholar]
- Piriienko, S.; Ammann, U.; Neuburger, M.; Bertele, F.; Roser, T.; Balakhontsev, A.; Neuberger, N.; Cheng, P.-W. Influence of the control strategy on the efficiency of SynRM based small-scale wind generators. In Proceedings of the 2019 IEEE International Conference on Industrial Technology (ICIT), Melbourne, Australia, 13–15 February 2019; pp. 280–285. [Google Scholar]
- Daryabeigi, E.; Zarchi, H.A.; Markadeh, G.R.A.; Soltani, J.; Blaabjerg, F. Online MTPA control approach for synchronous reluctance motor drives based on emotional controller. IEEE Trans. Power Electron. 2015, 30, 2157–2166. [Google Scholar] [CrossRef]
- Pellegrino, G.; Bojoi, R.I.; Guglielmi, P. Unified direct-flux vector control for AC motor drives. IEEE Trans. Ind. Appl. 2011, 47, 2093–2102. [Google Scholar] [CrossRef]
- Heidari, H.; Rassõlkin, A.; Vaimann, T.; Kallaste, A.; Taheri, A.; Holakooie, M.H.; Belahcen, A. A Novel vector control strategy for a six-phase induction motor with low torque ripples and harmonic currents. Energies 2019, 12, 1102. [Google Scholar] [CrossRef]
- Heidari, H.; Rassolkin, A.; Kallaste, A.; Vaimann, T.; Andriushchenko, E. Vector control of synchronous reluctance motor with reduced torque ripples. In Proceedings of the 2020 XI International Conference on Electrical Power Drive Systems (ICEPDS), Saint Petersburg, Russia, 4–7 October 2020; pp. 1–5. [Google Scholar]
- Niu, F.; Wang, B.; Babel, A.S.; Li, K.; Strangas, E.G. Comparative evaluation of direct torque control strategies for permanent magnet synchronous machines. IEEE Trans. Power Electron. 2016, 31, 1408–1424. [Google Scholar] [CrossRef]
- Boldea, I.; Fu, Z.X.; Nasar, S.A. Torque Vector Control (TVC) OF Axially-Laminated Anisotropic (ALA) rotor reluctance synchronous motors. Electr. Mach. Power Syst. 1991, 19, 381–398. [Google Scholar] [CrossRef]
- ABB. DTC: A Motor Control Technique for all Seasons. Available online: https://new.abb.com/drives/dtc (accessed on 23 January 2020).
- Zhang, X.; Foo, G.H.B.; Vilathgamuwa, D.M.; Maskell, D.L. An improved robust field-weakeaning algorithm for direct-torque-controlled synchronous-reluctance-motor drives. IEEE Trans. Ind. Electron. 2015, 62, 3255–3264. [Google Scholar] [CrossRef]
- Zhang, Z.; Liu, X. A duty ratio control strategy to reduce both torque and flux ripples of DTC for permanent magnet synchronous machines. IEEE Access 2019, 7, 11820–11828. [Google Scholar] [CrossRef]
- Mohan, D.; Zhang, X.; Foo, G.H.B. Generalized DTC strategy for multilevel inverter fed IPMSMs with constant inverter switching frequency and reduced torque ripples. IEEE Trans. Energy Convers. 2017, 32, 1031–1041. [Google Scholar] [CrossRef]
- Ren, Y.; Zhu, Z.Q.; Liu, J. Direct torque control of permanent-magnet synchronous machine drives with a simple duty ratio regulator. IEEE Trans. Ind. Electron. 2014, 61, 5249–5258. [Google Scholar] [CrossRef]
- Tang, L.; Zhong, L.; Rahman, M.; Hu, Y. A novel direct torque controlled interior permanent magnet synchronous machine drive with low ripple in flux and torque and fixed switching frequency. IEEE Trans. Power Electron. 2004, 19, 346–354. [Google Scholar] [CrossRef]
- Boldea, I.; Pitic, C.; Lascu, C.V.; Andreescu, G.D.; Tutelea, L.; Blaabjerg, F.; Sandholdt, P. DTFC-SVM motion-sensorless control of a PM-assisted reluctance synchronous machine as starter-alternator for hybrid electric vehicles. IEEE Trans. Power Electron. 2006, 21, 711–719. [Google Scholar] [CrossRef]
- Kumar, A.; Fernandes, B.; Chatterjee, K. Simplified SVPWM-DTC of 3-phase induction motor using the concept of imaginary switching times. In Proceedings of the 30th Annual Conference of IEEE Industrial Electronics Society (IECON 2004), Busan, Korea, 2–6 November 2004; Volume 1, pp. 341–346. [Google Scholar]
- Changjin, C.; Yongyin, Q. Research on drive technology and control strategy of electric vehicle based on SVPWM-DTC. In Proceedings of the 2011 International Conference on Mechatronic Science, Electric Engineering and Computer (MEC), Jilin, China, 19–22 August 2011; pp. 44–49. [Google Scholar]
- Hadla, H.; Cruz, S. Predictive stator flux and load angle control of synchronous reluctance motor drives operating in a wide speed range. IEEE Trans. Ind. Electron. 2017, 64, 6950–6959. [Google Scholar] [CrossRef]
- Ren, Y.; Zhu, Z.Q. Enhancement of steady-state performance in direct torque controlled dual-three phase permanent magnet synchronous machine drives with modified switching table. IEEE Trans. Ind. Electron. 2014, 62, 1. [Google Scholar] [CrossRef]
- Niazi, P.; Toliyat, H.A.; Goodarzi, A. Recently, robust Maximum Torque per Ampere (MTPA) control of PM-Assisted SynRM for traction applications. IEEE Trans. Veh. Technol. 2007, 56, 1538–1545. [Google Scholar] [CrossRef]
- Soltani, J.; Abootorabi Zarchi, H.; Arab Markadeh, G.R. Stator-flux-oriented based encoderless direct torque control for synchronous reluctance machines using sliding mode approach. World Acad. Sci. Eng. Technol. 2009, 58, 883–889. [Google Scholar]
- Saleh, S.A.; Rubaai, A. The performance of the frame-angle-based direct torque controller for PMSM drives at low and very low speeds. In Proceedings of the 2018 IEEE Industry Applications Society Annual Meeting (IAS), Portland, OR, USA, 23–27 September 2018. [Google Scholar]
- Saleh, S.A.; Rubaai, A. Extending the frame-angle-based direct torque control of pmsm drives to low-speed operation. IEEE Trans. Ind. Appl. 2018, 55, 3138–3150. [Google Scholar] [CrossRef]
- Sayeef, S.; Foo, G.; Rahman, M.F. Rotor position and speed estimation of a variable structure direct-torque-controlled IPM synchronous motor drive at very low speeds including standstill. IEEE Trans. Ind. Electron. 2010, 57, 3715–3723. [Google Scholar] [CrossRef]
- Foo, G.; Sayeef, S.; Rahman, M.F. Low-speed and standstill operation of a sensorless direct torque and flux controlled IPM synchronous motor drive. IEEE Trans. Energy Convers. 2010, 25, 25–33. [Google Scholar] [CrossRef]
- Guven, S.; Usta, M.A.; Okumus, H.I. An improved sensorless DTC-SVM for three-level inverter-fed permanent magnet synchronous motor drive. Electr. Eng. 2018, 100, 2553–2567. [Google Scholar] [CrossRef]
- Yuan, X.; Zhang, C.; Zhang, S.; Wang, R.; Zhang, X. Predictive current control for SynRM drives under low dc link voltage. In Proceedings of the 2019 IEEE International Symposium on Predictive Control of Electrical Drives and Power Electronics (PRECEDE), Quanzhou, China, 31 May–2 June 2019; pp. 1–4. [Google Scholar]
- Jlassi, I.; Cardoso, A.J.M. Model predictive current control of synchronous reluctance motors, including saturation and iron losses. In Proceedings of the 2018 XIII International Conference on Electrical Machines (ICEM), Alexandroupoli, Greece, 3–6 September 2018; pp. 1598–1603. [Google Scholar]
- Lin, C.; Yu, J.; Yu, H.; Yu, H.-C.; Lo, Y.-T. Simplified model-free predictive current control for synchronous reluctance motor drive systems. In Proceedings of the 2015 IEEE International Magnetics Conference (INTERMAG), Beijing, China, 11–15 May 2015. [Google Scholar]
- Veysinejad, A.; Rahmati, S.; Shamlou, S. Predictive direct torque control with reduced number of considered states in synchronous reluctance motor drive. In Proceedings of the 2019 10th International Power Electronics, Drive Systems and Technologies Conference (PEDSTC), Shiraz, Iran, 12–14 February 2019; pp. 90–95. [Google Scholar]
- Aros, N.; Mora, V.; Alarcón, C. Model predictive control for synchronous reluctance motor drive. In Proceedings of the 2017 CHILEAN Conference on Electrical, Electronics Engineering, Information and Communication Technologies (CHILECON), Pucon, Chile, 18–20 October 2017; pp. 1–6. [Google Scholar]
- Hadla, S.C.H. Active flux based finite control set model predictive control of synchronous reluctance motor drives. In Proceedings of the 2016 18th European Conference on Power Electronics and Applications (EPE’16 ECCE Europe), Karlsruhe, Germany, 5–9 September 2016; pp. 1–10. [Google Scholar]
- Kiselev, A.; Catuogno, G.R.; Kuznietsov, A.; Leidhold, R. Finite control set MPC for open-phase fault tolerant control of synchronous reluctance motor. In Proceedings of the 2020 IEEE International Conference on Industrial Technology (ICIT), Buenos Aires, Argentina, 26–28 February 2020; pp. 1077–1082. [Google Scholar]
- Riveros, J.A.; Barrero, F.; Levi, E.; Duran, M.J.; Toral, S.; Jones, M. Variable-speed five-phase induction motor drive based on predictive torque control. IEEE Trans. Ind. Electron. 2013, 60, 2957–2968. [Google Scholar] [CrossRef]
- Lim, C.S.; Levi, E.; Jones, M.; Rahim, N.A.; Hew, W.P. FCS-MPC-based current control of a five-phase induction motor and its comparison with PI-PWM control. IEEE Trans. Ind. Electron. 2014, 61, 149–163. [Google Scholar] [CrossRef]
- Morales-Caporal, R.; Pacas, M. Encoderless predictive direct torque control for synchronous reluctance machines at very low and zero speed. IEEE Trans. Ind. Electron. 2008, 55, 4408–4416. [Google Scholar] [CrossRef]
- Rodriguez, J.; Kennel, R.; Espinoza, J.R.; Trincado, M.; Silva, C.A.; Rojas, C.A. High-performance control strategies for electrical drives: An experimental assessment. IEEE Trans. Ind. Electron. 2012, 59, 812–820. [Google Scholar] [CrossRef]
- Li, C.; Wang, G.; Zhang, G.; Zhao, N.; Gao, Y.; Xu, D. Torque ripples minimization of sensorless synrm drives for low-speed operation using Bi-HFSI scheme. IEEE Trans. Ind. Electron. 2020, 1. [Google Scholar] [CrossRef]
- Bugsch, M.; Piepenbreier, B. High-bandwidth sensorless control of synchronous reluctance machines in the low- and zero-speed range. IEEE Trans. Ind. Appl. 2020, 56, 2663–2672. [Google Scholar] [CrossRef]
- Lin, F.-J.; Huang, M.-S.; Chen, S.-G.; Hsu, C.-W. Intelligent maximum torque per ampere tracking control of synchronous reluctance motor using recurrent legendre fuzzy neural network. IEEE Trans. Power Electron. 2019, 34, 12080–12094. [Google Scholar] [CrossRef]
- Lin, F.-J.; Huang, M.-S.; Chen, S.-G.; Hsu, C.-W.; Liang, C.-H. Adaptive backstepping control for synchronous reluctance motor based on intelligent current angle control. IEEE Trans. Power Electron. 2020, 35, 7465–7479. [Google Scholar] [CrossRef]
- Energy Efficient Control of Synchronous Machines in Deep Field-Weakening Operation Including Saturation Effects—IEEE Conference Publication. Available online: https://ieeexplore.ieee.org/document/9065519 (accessed on 16 June 2020).
- Manzolini, V.; Da Rù, D.; Bolognani, S. An effective flux weakening control of a SyRM drive including MTPV operation. IEEE Trans. Ind. Appl. 2018, 55, 2700–2709. [Google Scholar] [CrossRef]
- Mahmoud, H.; Bacco, G.; Degano, M.; Bianchi, N.; Gerada, C. Synchronous reluctance motor iron losses: Considering machine nonlinearity at MTPA, FW, and MTPV operating conditions. IEEE Trans. Energy Convers. 2018, 33, 1402–1410. [Google Scholar] [CrossRef]
- Ha, J.-I.; Kang, S.-J.; Sul, S.-K. Position-controlled synchronous reluctance motor without rotational transducer. IEEE Trans. Ind. Appl. 1999, 35, 1393–1398. [Google Scholar] [CrossRef]
- Xu, D.; Wang, B.; Zhang, G.; Wang, G.; Yu, Y. A review of sensorless control methods for AC motor drives. China Electrotech. Soc. Trans. Electr. Mach. Syst. 2018, 2, 104–115. [Google Scholar] [CrossRef]
- Amin, M.M.; Aziz, G.A.A.; Durkin, J.; Mohammed, O.A. A Hardware-in-the-loop realization of speed sensorless control of PMa-SynRM with steady-state and transient performances enhancement. IEEE Trans. Ind. Appl. 2019, 55, 5331–5342. [Google Scholar] [CrossRef]
- Joo, K.-J.; Kim, I.-G.; Lee, J.; Go, S.-C. Robust speed sensorless control to estimated error for PMa-SynRM. IEEE Trans. Magn. 2017, 53, 1–4. [Google Scholar] [CrossRef]
- Caporal, R.M.; Pacas, M. Suppression of saturation effects in a sensorless predictive controlled synchronous reluctance machine based on voltage space phasor injections. IEEE Trans. Ind. Electron. 2010, 58, 2809–2817. [Google Scholar] [CrossRef]
- The Sensorless Vector Control Characteristics Analysis of Synchronous Reluctance Motor Using a Coupled FEM and Preisach Model—IEEE Conference Publication. Available online: https://ieeexplore.ieee.org/document/4411981 (accessed on 16 June 2020).
- Jung, S.-H.; Kobayashi, H.; Doki, S.; Okuma, S. An improvement of sensorless control performance by a mathematical modelling method of spatial harmonics for a SynRM. In Proceedings of the 2010 International Power Electronics Conference (ECCE ASIA), Sapporo, Japan, 21–24 June 2010; pp. 2010–2015. [Google Scholar]
- Zbede, Y.B.; Gadoue, S.M.; Atkinson, D.J. Model predictive MRAS estimator for sensorless induction motor drives. IEEE Trans. Ind. Electron. 2016, 63, 3511–3521. [Google Scholar] [CrossRef]
- Wang, D.; Lu, K.; Rasmussen, P.O. Improved closed-loop flux observer based sensorless control against system oscillation for synchronous reluctance machine drives. IEEE Trans. Power Electron. 2018, 34, 4593–4602. [Google Scholar] [CrossRef]
- Schroedl, M.; Weinmeier, P. Sensorless control of reluctance machines at arbitrary operating conditions including standstill. IEEE Trans. Power Electron. 1994, 9, 225–231. [Google Scholar] [CrossRef]
- Wei, M.-Y.; Liu, T.-H. A high-performance sensorless position control system of a synchronous reluctance motor using dual current-slope estimating technique. IEEE Trans. Ind. Electron. 2011, 59, 3411–3426. [Google Scholar] [CrossRef]
- Sensorless Indirect Field Oriented Control of Single-sided Linear Induction Motor with a Novel Sliding Mode MRAS Speed Estimator. Available online: http://www.ije.ir/article_72544.html (accessed on 16 December 2019).
- Reddy, C.U.; Prabhakar, K.K.; Singh, A.K.; Kumar, P. Speed estimation technique using modified stator current error-based MRAS for direct torque controlled induction motor drives. IEEE J. Emerg. Sel. Top. Power Electron. 2019, 8, 1223–1235. [Google Scholar] [CrossRef]
- Holakooie, M.H.; Ojaghi, M.; Taheri, A. Direct torque control of six-phase induction motor with a novel MRAS-based stator resistance estimator. IEEE Trans. Ind. Electron. 2018, 65, 7685–7696. [Google Scholar] [CrossRef]
- Kumar, R.; Das, S.; Syam, P.; Chattopadhyay, A.K. Review on model reference adaptive system for sensorless vector control of induction motor drives. IET Electr. Power Appl. 2015, 9, 496–511. [Google Scholar] [CrossRef]
- Taheri, A.; Ren, H.-P.; Holakooie, M.H. Sensorless loss model control of the six-phase induction motor in all speed range by extended kalman filter. IEEE Access 2020, 8, 118741–118750. [Google Scholar] [CrossRef]
- Lascu, C.V.; Jafarzadeh, S.; Fadali, M.S.; Blaabjerg, F. Direct torque control with feedback linearization for induction motor drives. IEEE Trans. Power Electron. 2017, 32, 2072–2080. [Google Scholar] [CrossRef]
- Bolognani, L.; Peretti, L.; Zigliotto, M. Online MTPA control strategy for DTC synchronous-reluctance-motor drives. IEEE Trans. Power Electron. 2011, 26, 20–28. [Google Scholar] [CrossRef]
- Matsuo, T.; El-Antably, A.; Lipo, T. A new control strategy for optimum-efficiency operation of a synchronous reluctance motor. IEEE Trans. Ind. Appl. 1997, 33, 1146–1153. [Google Scholar] [CrossRef]
- Sun, T.; Wang, J.; Koc, M.; Chen, X. Self-learning MTPA control of interior permanent-magnet synchronous machine drives based on virtual signal injection. IEEE Trans. Ind. Appl. 2016, 52, 3062–3070. [Google Scholar] [CrossRef]
- Yousefi-Talouki, A.; Pescetto, P.; Pellegrino, G. Sensorless direct flux vector control of synchronous reluctance motors including standstill, MTPA, and flux weakening. IEEE Trans. Ind. Appl. 2017, 53, 3598–3608. [Google Scholar] [CrossRef]
- Varatharajan, A.; Cruz, S.; Hadla, H.; Briz, F. Predictive torque control of SynRM drives with online MTPA trajectory tracking and inductances estimation. In Proceedings of the 2017 IEEE International Electric Machines and Drives Conference (IEMDC), Miami, FL, USA, 21–24 May 2017. [Google Scholar]
- Oliveira, A.; Cavaleiro, D.; Branco, R.; Hadla, S.C.H.; Cruz, S.M. An encoderless high-performance synchronous reluctance motor drive. In Proceedings of the 2015 IEEE International Conference on Industrial Technology (ICIT), Seville, Spain, 17–19 March 2015; pp. 2048–2055. [Google Scholar]
- Vaez, S. An on-line loss minimization controller for interior permanent magnet motor drives. IEEE Trans. Energy Convers. 1999, 14, 1435–1440. [Google Scholar] [CrossRef]
- Mademlis, C.; Member, A. Compensation of magnetic saturation in maximum torque to current vector controlled synchronous. IEEE Trans. Energy Convers. 2003, 18, 379–385. [Google Scholar] [CrossRef]
- Mademlis, C.; Kioskeridis, I.; Margaris, N. Optimal efficiency control strategy for interior permanent-magnet synchronous motor drives. IEEE Trans. Energy Convers. 2004, 19, 715–723. [Google Scholar] [CrossRef]
- Rashad, E.; Radwan, T.; Rahman, M. A maximum torque per ampere vector control strategy for synchronous reluctance motors considering saturation and iron losses. In Proceedings of the Conference Record of the 2004 IEEE Industry Applications Conference, 2004. 39th IAS Annual Meeting, Seattle, WA, USA, 3–7 October 2004. [Google Scholar]
- Sneyers, B.; Novotny, D.W.; Lipo, T.A. Field weakening in buried permanent magnet AC motor drives. IEEE Trans. Ind. Appl. 1985, 21, 398–407. [Google Scholar] [CrossRef]
- Sebastian, T. Temperature effects on torque production and efficiency of PM motors using NdFeB magnets. IEEE Trans. Ind. Appl. 1995, 31, 353–357. [Google Scholar] [CrossRef]
- Inoue, Y.; Morimoto, S.; Sanada, M. A novel control scheme for maximum power operation of synchronous reluctance motors including maximum torque per flux control. IEEE Trans. Ind. Appl. 2011, 47, 115–121. [Google Scholar] [CrossRef]
- Da Rù, D.; Morandin, M.; Bolognani, S.; Castiello, M. Model predictive hysteresis current control for wide speed operation of a synchronous reluctance machine drive. In Proceedings of the IECON 2016—42nd Annual Conference of the IEEE Industrial Electronics Society, Florence, Italy, 23–26 October 2016; pp. 2845–2850. [Google Scholar]
- Ahn, J.; Lim, S.-B.; Kim, K.-C.; Lee, J.; Choi, J.-H.; Kim, S.; Hong, J.P. Field weakening control of synchronous reluctance motor for electric power steering. IET Electr. Power Appl. 2007, 1, 565–570. [Google Scholar] [CrossRef]
- Xu, L.; Xu, X.; A Lipo, T.; Novotny, D. Vector control of a synchronous reluctance motor including saturation and iron loss. IEEE Trans. Ind. Appl. 1991, 27, 977–985. [Google Scholar] [CrossRef]
- Zhang, X.; Foo, G.H. A Robust field-weakening algorithm based on duty ratio regulation for direct torque controlled synchronous reluctance motor. IEEE/ASME Trans. Mechatron. 2015, 21, 765–773. [Google Scholar] [CrossRef]
- Zanuso, G.; Peretti, L.; Sandulescu, P. Model-based flux weakening strategy for synchronous machines without additional regulators. IET Electr. Power Appl. 2018, 12, 1283–1290. [Google Scholar] [CrossRef]




















| Motor Type | Stator and Rotor Structure Sample | Different Types | Main Applications | Superiorities | Drawback(s) |
|---|---|---|---|---|---|
| IM | ![]() | • copper rotor • aluminum rotor • wound rotor • rotor skewing | Industrial applications (pump, fan, traction, etc.) | + low cost of material and manufacturing process + line-start capability | − low power factor − highly probable bearing fault |
| PMSM | ![]() | • interior PM [42] • surface-mounted PM [43] • line-start PMSM | precise control and high-speed performance (traction, robotics, aerospace, medical, etc.) | + high performance in wide speed range operation | − rare-earth material usage |
| SynRM | ![]() | • line-start SynRM • skewed rotor • rotor with asymmetric flux barriers | Industrial applications (pump, fan, traction, etc.) | + reliable and highly efficient due to cold rotor operation + high dynamic + high overloadability + very high-speed capability | − high torque ripple − severe low power factor |
| PMSynRM | ![]() | • rotor skewing • asymmetric rotor structure • different barrier structure and PM material | Traction applications | + very high performance without rare-earth PMs | − hard manufacturing and installment process |
| Items | DTC | FOC | MPDTC | MPCC |
|---|---|---|---|---|
| Coordinates reference frame | α, β | d, q | α, β | d, q |
| Principle | Stationary voltage equations | Rotor reference frame equation | Stationary voltage equations | Rotor reference frame equation |
| Controlled variables | Torque and stator flux | d-, q-axes currents | Torque and stator flux | d-, q-axes currents |
| Rotor position measurement | Not required | required | required | required |
| Current control | without | with | without | with |
| Coordinate transformations | Not required | required | Not required | required |
| Modulator | Not required | required | Not required | Not required |
| Switching frequency | Varies widely around the average frequency | constant | Varies around the average frequency | Varies around the average frequency |
| Controllers | hysteresis | Proportional integral controller (PI) | Cost function optimization | Cost function optimization |
| Model-Free | Model-Free Predictive Current Control (MFPCC) | ||
|---|---|---|---|
| Model-based | MPCC | ||
| Model-based predictive direct torque control (MPDTC) | Finite control set MPDTC | Duty ratio modulation MPDTC (DRM-MPDTC) | |
| (FCS-MPDTC) | |||
| Continuous control set MPDTC | Based on PWM | ||
| (CCS-MPDTC) | Based on SVM | ||
Publisher’s Note: MDPI stays neutral with regard to jurisdictional claims in published maps and institutional affiliations. |
© 2021 by the authors. Licensee MDPI, Basel, Switzerland. This article is an open access article distributed under the terms and conditions of the Creative Commons Attribution (CC BY) license (http://creativecommons.org/licenses/by/4.0/).
Share and Cite
Heidari, H.; Rassõlkin, A.; Kallaste, A.; Vaimann, T.; Andriushchenko, E.; Belahcen, A.; Lukichev, D.V. A Review of Synchronous Reluctance Motor-Drive Advancements. Sustainability 2021, 13, 729. https://doi.org/10.3390/su13020729
Heidari H, Rassõlkin A, Kallaste A, Vaimann T, Andriushchenko E, Belahcen A, Lukichev DV. A Review of Synchronous Reluctance Motor-Drive Advancements. Sustainability. 2021; 13(2):729. https://doi.org/10.3390/su13020729
Chicago/Turabian StyleHeidari, Hamidreza, Anton Rassõlkin, Ants Kallaste, Toomas Vaimann, Ekaterina Andriushchenko, Anouar Belahcen, and Dmitry V. Lukichev. 2021. "A Review of Synchronous Reluctance Motor-Drive Advancements" Sustainability 13, no. 2: 729. https://doi.org/10.3390/su13020729
APA StyleHeidari, H., Rassõlkin, A., Kallaste, A., Vaimann, T., Andriushchenko, E., Belahcen, A., & Lukichev, D. V. (2021). A Review of Synchronous Reluctance Motor-Drive Advancements. Sustainability, 13(2), 729. https://doi.org/10.3390/su13020729





