Abstract
(1) Background: The importance of Zinc in today’s world can hardly be exaggerated—from anticorrosion properties, to its durability, aesthetic, and even medicinal uses—zinc is ever-present in our daily lives ever since its discovery in ancient times. The natural, essential, durable, and recyclable features of zinc make it a prized material with uses in many applications across a wide array of fields. The purpose of this study was to compare two life cycle impact assessments of zinc production by using two different main raw materials: (A) zinc concentrates (sulfide ore) and (B) Waelz oxides (obtained through recycling existing imperial smelting process furnace slags). The Waelz oxide scenario was based on a case study regarding the existing slag deposit located in Copsa Mica town, Sibiu county, Romania. (2) Methods: consequential life cycle impact assessment methods were applied to each built system, with real process data obtained from the case study enterprise. (3) Results: Overall, the use of slags in the Waelz kiln to produce zinc oxides for use in the production of zinc metal is beneficial to the environment in some areas (acidification, water, and terrestrial eutrophication), whereas in other areas it has a slightly larger impact (climate change, photochemical ozone formation, and ozone depletion). (4) Conclusions: The use of slags (considered a waste) is encouraged to produce zinc metal, where available. The results are not absolute, suggesting the further need for fine-tuning the input data and other process parameters.
Keywords:
zinc; slags; zinc concentrate; zinc oxides; Waelz oxide; life cycle assessment; impact assessment 1. Introduction
The principle of sustainable development is based on the three initial pillars defined in 1987 by the Brundtland Commission Report [1]: economic growth, environmental protection, and social equality. Worldwide, the United Nations Summit in Rio de Janeiro in 1992 was the first time when the environment represented a main and indispensable component in the long-term view of sustainable development [2,3]. In a European context, the issue of sustainable development has undergone a series of decisive stages, among which the most important are:
- -
- The Millenium Summit from 2000, which established the framework for tackling poverty, hunger, disease, and inequality [4];
- -
- The United Nations Conference for Sustainable Development Rio+ from 2012 where the sustainable development objectives for the following years were established through the document entitled “The Future We Want” [5].
The 2030 Agenda for Sustainable Development: “Transforming our world” [6], adopted through the UN Resolution A/RES/70/1 during the UN Summit for Sustainable Development in 2015 establishes a set of 17 different objectives for sustainable development, focusing on the end of poverty, protecting the planet, and ensuring human rights and warranting prosperity for all citizens. The EU’s response to the 2030 Agenda has materialized through the EU Commission’s communication “Next steps for a sustainable European future” [7] and the EU Council’s “EU response to the 2030 Agenda for Sustainable Development—a sustainable European future” [8].
In 2010, the European Commission adopted Directive 2010/75/EU—Industrial Emissions Directive, regulating pollutant emission from industrial installations [9]. This directive is based on several previous others, most notably the Integrated Pollution Prevention and Control (IPPC) Directive, after extensive review. Its main goal is to protect human health and the environment by the reduction of harmful industrial emissions across the whole EU. As such, the Industrial Emissions Directive (IED) is based on several pillars: (1) an integrated approach, (2) use of best available technologies, (3) flexibility, (4) inspections, and (5) public participation. An integrated approach means that the whole environmental performance of a given plant is taken into consideration—among others, emissions, the use of raw materials, and restoration of the site upon closure are of particular interest. As this paper proposes the use of an existing slag deposit as raw material in the final creation of zinc metal, these subpoints are addressed favorably. Regarding the use of best available technologies (BAT), the Waelz technology for the extraction of zinc from slags is the one included in the BAT Reference Documents [10], therefore complying with this request as well.
Metallic zinc was first recognized in the 14th century in India but even before this, the ancient Babylon civilization was known to use a type of alloy made of copper, tin and zinc, using coal as a reducer. Brass (an alloy of zinc and copper) was widely used by Romans, Assyrians, and Greeks as well [11].
Zinc is, traditionally, extracted from zinc and lead ore—also called sulfide ore. This is because, geologically, zinc and lead minerals occur together most of the time [12]. Nowadays, the production and use of zinc and lead are increasing globally—at a European level, the nonferrous industry varies greatly—there exist a multitude of small, medium, and large industries outputting about 15% of the global primary zinc production [13].
On the other hand, the recycling of wastes to be used as secondary raw materials for producing various goods is very much in focus within the European Union, especially considering the principle of circular economy adopted since 2015 [14]. In this sense, ISP (imperial smelting process) furnace slags can be used as feed in the Waelz process to produce zinc oxides (Waelz oxides), which can be used as raw material in the production of zinc metal. The most common use and ongoing research for slags (EAF (electric arc furnace) slags, ISP slags, or Waelz slags) is their use as a structural filler in roads and other soil structures [15,16,17] and in various construction materials such as bricks [18,19], cement, and concrete [20,21].
In the year 2016, the production of blast furnace slags in EU countries totaled around 24 million tons, of which around 14% were going towards final deposit [22], therefore the amount of slags being produced and unused is still high. In Romania, there are a total of 52 historical deposits of slags and ash, of which three are specifically from nonferrous industries [23]. Thus, it is important to study the alternative method of producing finished goods (zinc metal) by reusing these slags, effectively changing their status from wastes into raw materials. Most importantly, ISP furnace slags are classified as wastes in the European legislation, and reusing them as a raw material complies with the views on sustainable development in the EU and the United Nations’ 2030 Agenda for Sustainable Development [6].
An intrinsic part of the circular economy package is the use of life cycle impact assessment (LCIA). Using this method, this study firstly builds the life cycle inventory and defines the systems under study along with the functional unit, the main purpose of which is to analyze and compare the life cycle impact assessments of the two systems described within and to try and formulate a conclusion on the advantages and limitations of one over the other. More details regarding the process of the life cycle assessment LCA can be found in Section 3.
In 2009, a first global LCA for primary zinc production (cradle-to-gate) was published, establishing an environmental profile for zinc and focusing on geographic differences in mining, smelting, energy use, and transportation. In 2016, this LCA was updated by Van Genderen’s group [24] by adding production data from 2012 and other improvements, reflecting best practices for metal LCAs.
Other LCAs were developed to investigate the influence of the energy source on zinc production carbon footprint, such as the study of Werder and Steinfield [25], considering the use of conventional and solar thermal energy for the SynMet process of zinc and synthesis gas production, or the study of Yadav and Banerjee [26], comparing solar carbothermal and hydrometallurgy systems for zinc production. Felder and Meier [27] conducted a LCA for hydrogen production by carbothermal reduction of zinc oxide and applications for passanger cars. Since the study was conducted for hydrogen, the results were not normalized for zinc.
2. Case Study
The research was carried out using the ISP slag deposit found in Copsa-Mica town, Sibiu County, Romania as a case study. The site belongs to Sometra SA (formerly known as Sonemin or IMMN), a nonferrous metals producer, which started its business in 1939–1940.
Their main activity was the production of metallic zinc and lead from conventional concentrates, by use of pyrometallurgical processes—specifically the imperial smelting process (ISP). The same process can be also seen in Section 4.
The production process used is complex and results in a high quantity of waste slags, also called ISP slags. Throughout its activity of more than 70 years, the resulting slags have been deposited, uncontrolled, and without special measures on a piece of land encompassing 186,234 square meters (Figure 1). Its total volume is estimated at around 1,753,000 cubic meters and contains around 75.4% slags, 11.3% ashes, and around 13.3% others, such as construction wastes, rubber, etc. [28]. Starting from 2009, the main activities (production of zinc and lead) have been halted.
Figure 1.
Satellite view of the slag deposit. Source: Google Earth.
This study proposes the use of these existing slags as a raw material in Waelz furnaces (built on site) to produce zinc oxides (also known as Waelz oxides), which are to be used in the pyrometallurgical process for obtaining metallic zinc, instead of conventional concentrates. As can be seen in Figure 2, instead of depositing the ISP slags as wastes, they can be used as raw material in the Waelz process to produce zinc oxides, which in turn can replace the use of conventional concentrates to ultimately produce zinc metal. The only resulting co-product would be the so-called Waelz clinker, which is actually used in the construction industry instead of gravel [17].
Figure 2.
Circular representation for using Zn oxides instead of concentrates.
This circular system created is in line with the principles of sustainable development and the circular economy, effectively eliminating the wastes stream from the equation.
3. Materials and Methods
3.1. LCA Stages
Life cycle assessment (LCA) is an effective tool that can be used for identifying improvement opportunities for products or services and aiding decision making regarding industrial processes through the analysis of relevant indicators of environmental performance [29]. This study applied the consequential LCA method, which uses marginal data instead of average or allocated data, as used in the attributional approach. Namely, the consequential system is based on system expansion (substitution) rather than allocation, thus the by-products are included in the changes in supply and demand in the relevant markets [30].
Although ISO 14040/44 do not make the distinction between “attributional” and “consequential” LCA, these terms and their clear distinction appearing sometime after the creation of the standard, reading the ISO 14040/44 standards’ description of an LCA makes one think of the consequential method rather than attributional [31]. Ultimately, the goal of any consequential LCA is to facilitate decision support.
There are four basic phases in every LCA study according to ISO 14040 [32]:
- (1)
- Goal and scope definition;
- (2)
- Inventory analysis;
- (3)
- Impact assessment;
- (4)
- Interpretation.
The first stage of goal and scope details the main objective of the study, the system boundaries, and the level of details each LCA can differ in these respects. The functional unit to be used is also defined during this phase.
The second stage is the inventorying of all the input and output data in regards to the systems under study. In other words, it involves the gathering of the necessary data to achieve the goals defined in the previous phase.
The third stage of an LCA is to use a selected calculation methodology and analyze the impacts of relevant impact categories, helping assess the product’s systems and understanding their environmental significance.
The fourth and last stage of an LCA study is the interpretation of the results of the previous steps, where they are summarized and discussed for enabling the drawing of conclusions, recommendations, and decisions.
3.2. Functional Unit
In order to have a fair and relevant comparison of alternate methods of obtaining a product (in our case, zinc metal), a functional unit must be determined. According to the standard ISO 14044, a functional unit is the “quantified performance of a product system for use as a reference unit” [33]. This unit must be the same for all scenarios and every inventory flow and impact for each scenario is calculated per the functional unit [34].
For this study, the functional unit was 1 metric ton of zinc metal (finished product).
3.3. System Boundaries
The system under study was a “cradle-to-gate” type, meaning that the extraction of raw materials was considered, but the system stopped at the factory gate after the production of metallic zinc (ex-production) [35]—Figure 3 and Figure 4. The use and disposal of the finished product were not considered further as it would be a far too complex task and would be out of the purpose for this study.
Figure 3.
System boundary, zinc from concentrate.
Figure 4.
System boundary, zinc from oxides.
3.4. Selection of LCIA Methodology and Types of Impact Categories
Keeping in mind the recommendations of the Harmonization of LCA methodologies for metals by Santero and Hendry [36], the impact assessment categories selected for this study were:
- Climate change;
- Ozone depletion;
- Photochemical ozone formation;
- Acidification;
- Terrestrial eutrophication;
- Freshwater eutrophication;
- Marine eutrophication.
The ILCD 2011 Midpoint+ impact assessment methodology framework (developed by the European Commission’s Joint Research Centre) was used for calculations (updated May 2016 version), because it uses characterization factors as recommended by the International Reference Life Cycle Data System (ILCD) [37].
3.5. Interpretation
Firstly, each impact category was discussed without reference to the others, comparing the results obtained for the two systems.
Secondly, a broader view was obtained by comparing all the impact categories by using the “single score” method available with the ILCD 2011 Midpoint+ methodology. In essence, each result from each impact category is assigned a number of points depending on the importance (or severity) of the damage done to the environment. The common unit of measurement for the single score method is “points”, or millipoints (mPt) as the case may be.
3.6. Software and Data
The models were created using Sima Pro 8 software and the ecoinvent 3 database was used for life cycle inventory data. Process data, along with material and energy consumption data, were collected from the operations team and the values provided (slag composition, process data, consumptions, emissions) were corroborated with various other studies and found to be within the industry average [18,19,38,39,40].
This study was based on real-world process data (case study) obtained from the slag deposit owner and previous zinc/lead producer, Sometra SA. The data regarding conventional zinc production received included base process details, energy consumption, material input and output, and emissions. All data were empirical and representative of the last year of the plant’s operation (2009). On the other hand, data regarding the Waelz process (same types of data as conventional) were based on the Waelz kiln already operated on site.
Some data were customized to fit the situation (boundary conditions). In this sense, the following data are noteworthy:
- Water—the standard raw water process available in ecoinvent 3 database was used, from unspecified natural origins.
- Natural Gas—average for Romania is 90% domestically produced, 10% import from Russia [41].
- Electricity—being a consequential type LCA, marginal energy has been used instead of a national average, the reasoning being that these types of energy are the ones that can react to an increase of demand in the system. Therefore, based on data from the Romanian National Energy Regulatory Authority [42], the marginal technologies and percentages identified for Romania are presented in Table 1 (reference year: 2018).
Table 1. Electricity production considered in the study (marginal electricity). - Avoided materials—another important characteristic of consequential LCA is the use of avoided materials instead of allocation. In essence, these are the materials that see a drop in demand as a consequence of a new product or method of production entering the scene. In our case, the alternative used in producing zinc was Waelz oxides, which replaced conventional zinc concentrates—thus avoiding their use. This avoidance is considered in the system as a benefit.
3.7. Assumptions and Limitations
First and foremost, it is important to note that the use of the ecoinvent 3 database must be done cautiously, as the data can be sometimes only an estimation of realistic values. In our case, the main process used was: “Zinc concentrate {GLO}| zinc-lead mine operation” and was based on the best data available in 2003. In other words, because the extraction of zinc and lead is very similar to the extraction of other sulfidic deposits (for example nickel and copper) and no information on the specific mining processes for zinc-lead deposits is available, some data were used based on existing studies [43]. Mass flows were also adjusted to values specific to zinc-lead extraction [44].
A second limitation is the temporal coverage of the processes. The ecoinvent 3 process for zinc concentrate was representative for the year 2003, whereas the Waelz oxide process was representative for the year 2018. Although there have been no major changes in the extraction process per se, it is important to keep in mind that there may be need to further fine-tune these processes and results.
As the data are based on a case study, the Romanian electricity grid was considered in the study (with the appropriate marginal data identified) and, as such, the whole system is sensitive to the provenance of the electrical energy. Considering that the largest contributor to the environmental impacts is the electricity consumption of the processes, as concluded in other studies [24,45], a sensitivity analysis using a global average electricity market instead of the custom Romanian grid is presented in Section 5.1.
4. Process under Study
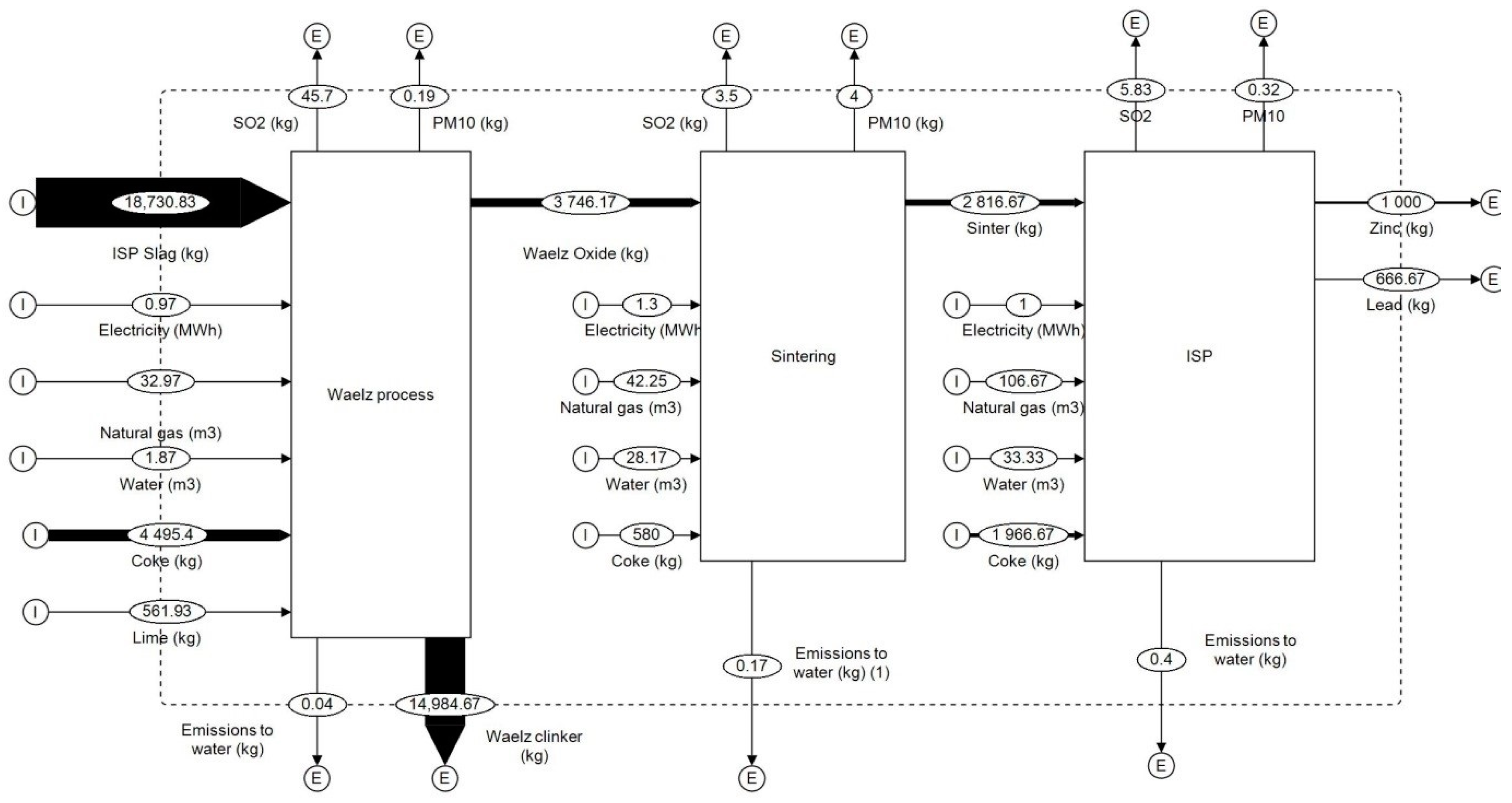
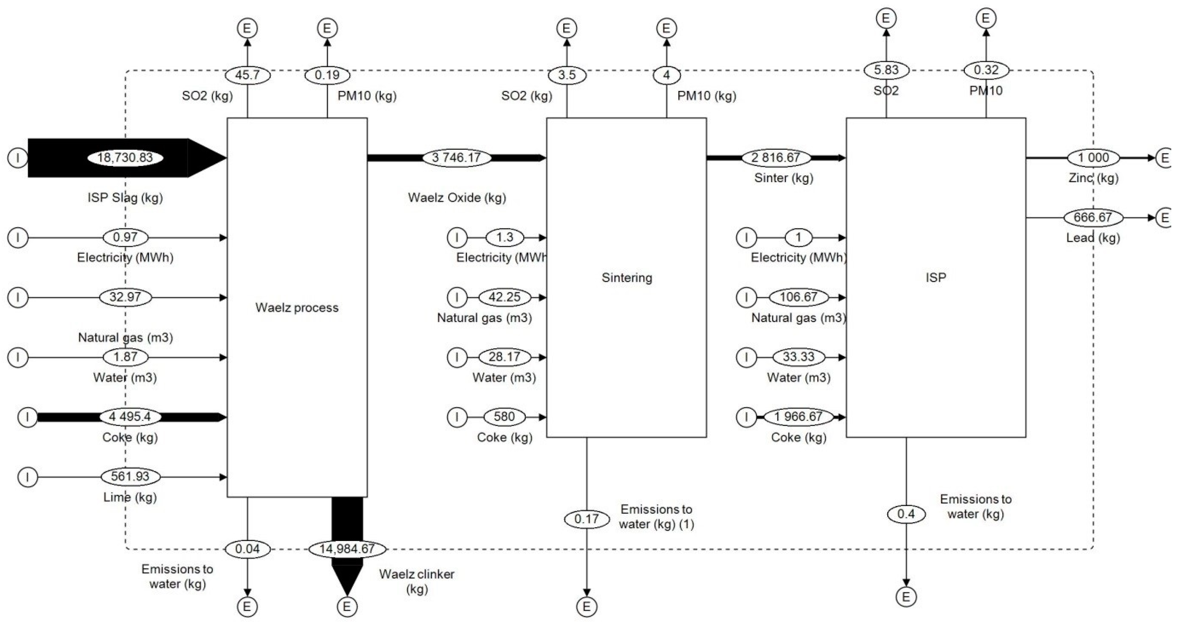
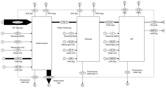
The mass and energy balance sheets for each process are presented below. The main observations one can make by looking at Figure 5 and Figure 6 is the existence of an extra step in the Waelz oxide production process, as well as the much higher consumption of coke by the Waelz process (used in two stages). This will have a high significance in the final results.
Figure 5.
Mass and energy balance for 1 ton of zinc—production process from concentrate.
Figure 6.
Mass and energy balance for 1 ton of zinc—production process from Waelz oxides.
Due to the fact that we used the consequential life cycle assessment method, it is important to recognize the avoided materials in the system. Our case study assumed no impact was generated by the ISP slag, as this material has already existed on the industrial platform for many decades. The purpose of this comparison was to analyze the benefits of it’s recycling to produce zinc instead of the conventional method.
Therefore, looking at the above mass balances, one can see that by using 3746.17 kg of Waelz oxides, we produced 1000 kg of Zinc—the same output as if we were using 4123 kg of zinc concentrates. Therefore, by using the ISP slag as raw material, we avoided the use of 4123 kg of concentrates.
Furthermore, the Waelz clinker remaining after the Waelz process is to be used in the construction and road building industry, thus avoiding the need for natural gravel.
5. Results and Discussion
The impact results of the comparison between conventional zinc production and Waelz oxide zinc production are presented in Table 2 for the characterization indicator (using different units of measurement respective of each category) and in Table 3 for the single score indicator (using the same unit of measurement—millipoints received—for all categories). Furthermore, a more detailed table including contributing substances is presented in Appendix A for characterization and single score, respectively. Due to the fact that in some impact categories, the list of substances can become quite large, some are presented with a small cut-off so as to represent only the most important contributors.
Table 2.
Total life cycle impact assessment (LCIA) results, characterization.
Table 3.
Total LCIA results, single score.
To be able to have a proper overview of each of the two production methods under study, Figure 7 and Figure 8 present the impacts associated with the production process for each impact category, and for each major contributing element.
Figure 7.
Single score results, per process, zinc from concentrate.
Figure 8.
Single score results, per process, zinc from oxide.
In general, for the conventional zinc production, the mining and concentration process had the greatest impact of all. As can be seen in Figure 7, the top impacts of this production step were on eutrophication (freshwater and terrestrial), acidification, and photochemical ozone formation. The use of coke across the smelting process had the second greatest impact, on the same top categories as before. As expected, the only negative points were associated with the co-production of lead—this being a consequential LCA, the lead which is produced alongside zinc is considered as avoided material.
Regarding the second production method, from Waelz zinc oxides, it can be seen in Figure 8 that the greatest impact was that of coke use. This is hardly surprising as the use of coke was much heavier in this method, being also its greatest weakness. The most impacted categories were those which have to do with air—photochemical ozone formation and climate change—followed by freshwater eutrophication and acidification.
Perhaps the most striking result was the negative points resulting from the avoidance of conventional zinc concentrate production, which helped avoid impact in the following top categories: eutrophication (freshwater and terrestrial), photochemical ozone formation, and acidification.
Figure 9 presents the results per each impact category as a comparison, side by side, for the two production methods. The main aspect which came to light is the larger impact of using zinc oxides in three out of four categories dealing with the air compartment (climate change, ozone depletion, and photochemical ozone formation) due to the increased use of coke in all steps of the production process. Otherwise in all remaining categories, the use of zinc oxide for production was beneficial to the environment, especially considering the avoided mining and concentration of conventional zinc ores, being the main contributors to environmental impact, as concluded also in other studies [24,45]. Freshwater eutrophication in particular saw a big benefit from this, as the production of zinc concentrates had a great deal of impact on this category.
Figure 9.
Single score results for comparison per impact category.
The final result is presented in Figure 10. It can be seen that, overall, using zinc concentrates for the production of zinc metal was more than twice as damaging as using zinc oxides, again considering the avoided materials in the latter process. Whereas for three impact categories, using oxides was more harmful than the conventional method, with the development of new coke extraction and refining methods, these impacts can be further mitigated.
Figure 10.
Final results of comparison.
5.1. Sensitivity Analysis
As briefly explained above, as in any LCA, the accuracy of used data is of paramount importance. Being a case study based in Romania, the Romanian national electricity grid was used in the calculation of the results. However, with every country having a different electricity provenance, it is important to see how much of an influence the use of a different energy mix can have on the final results. Therefore, as a sensitivity analysis (SA), the global average electricity mix available in the ecoinvent 3 database, was considered and the results are compared in Figure 11.
Figure 11.
Final results of comparison with sensitivity analysis.
As it is shown in Table 4, and also confirmed in other studies [24,25,26], the use of a different electricity mix alone can have a significant impact on the results. In this case, using a global average yielded a mixed result—on one hand, for the conventional scenario, overall impact was lower, but going into details one can see that climate change, ozone depletion, photochemical ozone formation, and terrestrial eutrophication had a more negative impact. On the other hand, for the Waelz oxide scenario, the overall impact was higher, with every category scoring a more negative impact except ozone depletion, which improved.
Table 4.
Final values of comparison with sensitivity analysis.
6. Conclusions
The metal industry, in general, has seen a steady increase since the Industrial Revolution—a fact that comes, unfortunately, with some problems, such as the slag deposits accumulated over time. One such deposit is found in Copsa Mica town, where the current stakeholder is proposing new solutions for its removal and exploitation. As such, using the life cycle assessment (LCA) method, the use of these slags as raw material for the production of zinc oxides was studied as an alternative material to the conventional zinc concentrates for ultimately producing zinc metal. For this, two systems were built with all inputs and outputs in specific LCA software using real and background data, to be compared in a life cycle impact assessment (LCIA) method.
All in all, we have seen that the first scenario, using zinc concentrates in the conventional method, has a greater environmental impact than the second scenario, using zinc oxides produced through the Waelz method from existing slag deposits. This brings profound benefits in multiple areas, and is generally in line with the principle of sustainable development and the circular economy:
- Economically—the slags, which are currently considered as waste, can be reused as raw materials, thus providing a source of monetary gain.
- Ecologically—by using and depleting existing deposits the area will be cleaned up and greened.
- Socially—the whole process of reusing the slag deposits can create jobs for the local community, as well as visually improving the area.
Looking at all the results presented before, it is clear that using existing ISP slags as a raw material in the Waelz process for producing zinc oxides is a beneficial way of producing zinc metal, all the while avoiding the need to extract and concentrate raw zinc ore. The main conclusion of the study is that using these waste slag deposits to finally produce zinc metal is recommended wherever these deposits exist.
Furthermore, the sensitivity analysis shows that the use of different datasets for a single factor can influence significantly the final results.
As further research, it would be interesting to consider the zinc concentrate production process from other sources as well, along with more production scenarios and other background processes.
Author Contributions
Conceptualization, V.-T.M., A.O., and Z.T.; data and methodology, V.-T.M.; interpretation, V.-T.M., A.O., and Z.T.; writing—original draft preparation, V.-T.M.; writing—review and editing, A.O. and Z.T. All authors have read and agreed to the published version of the manuscript.
Funding
This research received no external funding.
Institutional Review Board Statement
Not applicable
Informed Consent Statement
Informed consent was obtained from all subjects involved in the study
Data Availability Statement
Restrictions apply to the availability of these data. Data was obtained from S.C. Sometra S.A. and are available from the authors with the permission of S.C. Sometra S.A.
Acknowledgments
Many thanks to S.C. Sometra S.A. for sharing valuable process data and expertise enabling the undertaking of the study.
Conflicts of Interest
The authors declare no conflict of interest. S.C. Sometra S.A. had no role in the design of the study; in the collection, analyses, or interpretation of data; in the writing of the manuscript; or in the decision to publish the results.
Appendix A
Table A1.
Detailed LCIA Results, Characterization.
Table A1.
Detailed LCIA Results, Characterization.
| Impact Category, Unit | Substance | Compartment | Zinc—Conv. | Zinc—Oxide |
|---|---|---|---|---|
| Climate Change, kg CO2 eq, 0.1% cutoff | Carbon dioxide, fossil | Air | 5927.26 | 6892.698 |
| Methane, fossil | Air | 1421.811 | 4499.167 | |
| Carbon dioxide, in air | Raw | 677.9861 | 1938.538 | |
| Dinitrogen monoxide | Air | 254.0204 | −120.472 | |
| Methane, chlorodifluoro-, HCFC-22 | Air | 17.02097 | 58.59386 | |
| Carbon dioxide, biogenic | Air | −631.396 | −2255.55 | |
| Remaining | 14.32626 | −7.52258 | ||
| Ozone depletion, kg CFC-11 eq., 0.1% cutoff | Methane, chlorodifluoro-, HCFC-22 | Air | 0.00047 | 0.001619 |
| Methane, bromotrifluoro-, Halon 1301 | Air | 0.000216 | 4.28 × 10−5 | |
| Methane, bromochlorodifluoro-, Halon 1211 | Air | 0.000212 | 5.74 × 10−5 | |
| Methane, tetrachloro-, CFC-10 | Air | 3.77 × 10−6 | −4.46 × 10−6 | |
| Ethane, 1,2-dichloro-1,1,2,2-tetrafluoro-, CFC-114 | Air | 1.31 × 10−6 | −7.09 × 10−5 | |
| Remaining | −4.21 × 10−7 | −2.54 × 10−6 | ||
| Photochemical ozone formation, kg NMVOC eq., 0.1% cutoff | Nitrogen oxides | Air | 52.70503 | −7.41569 |
| NMVOC, non-methane volatile organic compounds, unspecified origin | Air | 37.03032 | 100.575 | |
| Sulfur dioxide | Air | 4.861291 | 5.138294 | |
| Benzene | Air | 1.132701 | 3.921851 | |
| Methane, fossil | Air | 0.574412 | 1.817664 | |
| Ethane | Air | 0.215049 | 0.594359 | |
| Remaining | 0.209539 | 0.177419 | ||
| Acidification, molc H+ eq., no cutoff | Sulfur dioxide | Air | 78.52393 | 82.99834 |
| Nitrogen oxides | Air | 39.00172 | −5.48761 | |
| Ammonia | Air | 16.65315 | −10.5365 | |
| Sulfur trioxide | Air | 1.84 × 10−6 | −1.30 × 10−6 | |
| Terrestrial eutrophication, molc N eq., no cutoff | Nitrogen oxides | Air | 224.5234 | −31.5908 |
| Ammonia | Air | 74.4429 | −47.1003 | |
| Nitrate | Air | 0.000803 | 0.000314 | |
| Freshwater eutrophication, kg P eq., no cutoff | Phosphate | Water | 16.71529 | −7.98288 |
| Phosphorus | Water | 0.005777 | 0.005295 | |
| Phosphorus | Soil | −0.01481 | −0.04315 | |
| Marine eutrophication, kg N eq., no cutoff | Nitrogen oxides | Air | 20.50226 | −2.8847 |
| Nitrate | Water | 1.831327 | 1.215167 | |
| Ammonia | Air | 0.507315 | −0.32098 | |
| Ammonium, ion | Water | 0.066283 | 0.139714 | |
| Nitrite | Water | 0.000111 | −0.00015 | |
| Nitrate | Air | 7.11 × 10−6 | 2.79 × 10−6 |
Table A2.
Detailed LCIA Results, Single Score.
Table A2.
Detailed LCIA Results, Single Score.
| Substance Unit: mPt; 0.01% Cutoff. | Compartment | Zinc—Conv. | Zinc—Oxide |
|---|---|---|---|
| Total of all compartments | 721.2669 | 228.779 | |
| Remaining substances | 0.021265 | −0.04973 | |
| Nitrogen oxides | Air | 260.1558 | −36.6044 |
| Phosphate | Water | 170.3986 | −81.3789 |
| Sulfur dioxide | Air | 100.4734 | 106.1985 |
| Carbon dioxide, fossil | Air | 55.89409 | 64.99817 |
| NMVOC, non−methane volatile organic compounds, unspecified origin | Air | 54.49902 | 148.0202 |
| Ammonia | Air | 51.16626 | −32.3731 |
| Methane, fossil | Air | 14.25307 | 45.1023 |
| Carbon dioxide, in air | Raw | 6.393412 | 18.28043 |
| Nitrate | Water | 4.016265 | 2.664969 |
| Methane, chlorodifluoro−, HCFC−22 | Air | 2.729988 | 9.39785 |
| Dinitrogen monoxide | Air | 2.395414 | −1.13605 |
| Benzene | Air | 1.667042 | 5.771946 |
| Methane, bromotrifluoro−, Halon 1301 | Air | 1.180427 | 0.2343 |
| Methane, bromochlorodifluoro−, Halon 1211 | Air | 1.160682 | 0.313609 |
| Ethane | Air | 0.316497 | 0.874743 |
| Ammonium, ion | Water | 0.145365 | 0.306406 |
| Methane, tetrafluoro−, CFC−14 | Air | 0.069776 | −0.03983 |
| Pentane | Air | 0.062507 | 0.041401 |
| Phosphorus | Water | 0.05889 | 0.053975 |
| Butane | Air | 0.050639 | 0.037194 |
| Sulfur hexafluoride | Air | 0.043549 | 0.03756 |
| Hexane | Air | 0.041532 | 0.040429 |
| Propane | Air | 0.038242 | 0.025741 |
| Toluene | Air | 0.029635 | 0.023875 |
| Acetone | Air | 0.02829 | 0.098243 |
| Ethene | Air | 0.022373 | −0.00436 |
| Methane, tetrachloro−, CFC−10 | Air | 0.02068 | −0.02445 |
| Carbon dioxide, land transformation | Air | 0.013983 | −0.01441 |
| Ethane, hexafluoro−, HFC−116 | Air | 0.009293 | −0.00462 |
| Formaldehyde | Air | 0.008645 | −0.00857 |
| Ethane, 1,2−dichloro−1,1,2,2−tetrafluoro−, CFC−114 | Air | 0.007279 | −0.39473 |
| Phosphorus | Soil | −0.15096 | −0.4399 |
| Carbon dioxide, biogenic | Air | −5.95407 | −21.2699 |
References
- Brundland, G. Report of the World Commission on Environment and Development—Our Common Future; United Nations—Oxford University Press: Oxford, UK, 1987. [Google Scholar]
- United Nations. Rio Declaration on Environment and Development; United Nations: Rio de Janeiro, Brazil, 1992. [Google Scholar]
- United Nations. Agenda 21. In Proceedings of the United Nations Conference on Sustainable Development, Rio de Janeiro, Brazil, 3–14 June 1992. [Google Scholar]
- United Nations. United Nations Millennium Declaration; United Nations: New York, NY, USA, 2000. [Google Scholar]
- United Nations. The Future We Want; United Nations: Rio de Janeiro, Brazil, 2012. [Google Scholar]
- United Nations. Transforming Our World: The 2030 Agenda for Sustainable Development; United Nations: New York, NY, USA, 2015. [Google Scholar]
- European Commission. Communication from the Commission to the European Parliament, the Council, the European Economic and Social Committee and the Committee of the Regions. Next Steps for a Sustainable European Future. European Action for Sustainability; European Commission: Strasbourg, France, 2016. [Google Scholar]
- European Council. EU Response to the 2030 Agenda for Sustainable Development—A Sustainable European Future; Council of the European Union: Brussels, Belgium, 2017. [Google Scholar]
- European Commission. Directive 2010/75/EU of the European Parliament and of the Council of 24 November 2010 on industrial emissions (integrated pollution prevention and control). Off. J. Eur. Union 2010, 334, 2010. [Google Scholar]
- Cusano, G.; Gonzalo, M.; Farrell, F.; Remus, R.; Roudier, S.; Sancho, L. Best Available Techniques (BAT) Reference Document for the Non-Ferrous Metals Industries; European IPPC Bureau—JRC Science for Policy Report: Seville, Spain, 2017. [Google Scholar]
- Porter, F. Zinc Handbook—Properties, Processing, and Use in Design; CRC Press: New York, NY, USA, 1991. [Google Scholar]
- Hageluken, C.; Meskers, C. Chapter: 10. Complex life cycles of precious and special metals. In Linkages of Sustainability; MIT Press: Cambridge, UK, 2010; pp. 163–197. [Google Scholar]
- Eurostat. EU Trade since 1988 by CN8 (DS-016890). 2020. Available online: https://ec.europa.eu/eurostat/web/international-trade-in-goods/data/database (accessed on 18 August 2020).
- European Commission. Closing the Loop—An EU Action Plan for the Circular Economy. 2015. Available online: https://eur-lex.europa.eu/legal-content/EN/TXT/?uri=CELEX:52015DC0614 (accessed on 18 August 2020).
- Havanagi, V.; Arora, S.A.V.; Mathur, S. Waste Materials for construction of roads embankment and pavement layers. Int. J. Environ. Eng. Resour. 2012, 1, 51–59. [Google Scholar]
- Prasad, P.; Ramana, G. Imperial smelting furnace (zinc) slag as a structural fill in reinforced soil structures. Geotext. Geomembr. 2016, 44, 406–428. [Google Scholar] [CrossRef]
- Vegas, I.; Ibañez, J.; José, J.S.; Urzelai, A. Construction demolition wastes, Waelz slag and MSWI bottom ash: A comparative technical analysis as material for road construction. Waste Manag. 2008, 28, 565–574. [Google Scholar] [CrossRef] [PubMed]
- Quijornaa, N.; Coza, A.; Andresa, A.; Cheeseman, C. Recycling of Waelz slag and waste foundry sand in red clay bricks. Resour. Conserv. Recycl. 2012, 65, 1–10. [Google Scholar] [CrossRef]
- Quijorna, N.; Miguel, G.S.; Andrés, A. Incorporation of Waelz slag into commercial ceramic bricks: A practical example of industrial ecology. Ind. Eng. Chem. Res. 2011, 50, 5806–5814. [Google Scholar] [CrossRef]
- Sorlini, S.; Collivignarelli, M.; Plizzari, G.; Foglie, M. Reuse of Waelz Slag as Recycled Aggregate for Structural Concrete; RILEM: Bagneux, France, 2004. [Google Scholar]
- Abba, A.; Sorlini, S.; Collivignarelli, M. Research experiences on the reuse of industrial waste for concrete production. In Proceedings of the MATEC Web Conference, Sibiu, Romania, 7–9 August 2017. [Google Scholar]
- Euroslag. Statistics 2016. 2016. Available online: https://www.euroslag.com/wp-content/uploads/2019/01/Statistics-2016.pdf (accessed on 18 October 2020).
- Romanian National Environmental Protection Agency. Report about the state of the environment for the year 2011. In Autoritatea Națională Pentru Protecția Mediului; Raportul Privind Starea Mediului Pentru Anul 2011: Bucharest, Romanian, 2012. [Google Scholar]
- Genderen, E.V.; Wildnauer, M.; Santero, N.; Sidi, N. A global life cycle 474 assessment for primary zinc production. Int. J. Life Cycle Assess. 2016, 2, 1580–1593. [Google Scholar] [CrossRef]
- Werder, M.; Steinfeld, A. Life cycle assessment of the conventional and solar 477 thermal production of zinc and synthesis gas. Energy 2000, 25, 395–409. [Google Scholar] [CrossRef]
- Yadav, D.; Banerjee, R. A comparative life cycle energy and carbon emission analysis of the solar carbothermal and hydrometallurgy routes for zinc production. Appl. Energy 2018, 229, 577–602. [Google Scholar] [CrossRef]
- Felder, R.; Meier, A. Well-to-wheel analysis of solar hydrogen production and utilization for passenger car transportation. J. Solar Energy Eng. 2008, 130, 1–10. [Google Scholar] [CrossRef]
- S.C. OCON ECORISC S.R.L. Report regarding the impact on the environment—Increasing the processing capacity using Waelz technology of the sub-products and products containing zinv and lead on the industrial site of SC Sometra SA in two stages, during the period of 2015–2017. In Raport Privind Impactul Asupra Mediului—Mărirea Capacităţii de Prelucrare Prin Tehnologia Waelz a Subproduselor şi Deşeurilor cu Conţinut de Zinc şi Plumb pe Platforma Industrială S.C. SOMETRA S.A., în Două Etape, în Perioada 2015–2017; S.C. OCON ECORISC S.R.L: Turda, Romanian, 2015. [Google Scholar]
- Hauschild, M.J.; Hijbregts, M.A.J. Life Cycle Impact Assessment; Springer: Dordrecht, The Netherlands, 2015. [Google Scholar]
- Weidema, B.; Bauer, C.; Hischier, R.; Mutel, C.; Nemecek, T.; Reinhard, J.; Vadenbo, C.O.; Wernet, G. Overview and methodology. In Data Quality Guideline for the Ecoinvent Database Version 3; Ecoinvent Report No. 1(v3); The Ecoinvent Centre: St. Gallen, Switzerland, 2013. [Google Scholar]
- Weidema, B. Has ISO 14040/44 Failed Its Role as a Standard for Life Cycle Assessment? J. Ind. Ecol. 2014, 18, 1–3. [Google Scholar] [CrossRef]
- ISO, ISO 14040. Environmental Management—Life Cycle Assessment—Principles and Framework; International Standards Organisation: Geneva, Switzerland, 2006. [Google Scholar]
- ISO, ISO 14044. Environmental Management—Life Cycle Assessment—Requirements and Guidelines; International Standards Organisation: Geneva, Switzerland, 2006. [Google Scholar]
- Jolliet, O.; Saade-Sbeih, M.; Shaked, S.; Jolliet, A.; Crettaz, P. Environmental Life Cycle Assessment; CRC Press: Boca Raton, FL, USA, 2016. [Google Scholar]
- Hauschild, M.; Rosenbaum, R.; Olsen, S. (Eds.) Life Cycle Assessment—Theory and Practice; Springer International Publishing AG: Charm, Switzerland, 2018. [Google Scholar]
- Santero, N.; Hendry, J. Harmonization of LCA methodologies for the metal and mining industry. Int. J. Life Cycle Assess. 2016, 21, 1543–1553. [Google Scholar] [CrossRef]
- Hauschild, M.; Goedkoop, M.; Guinee, J.H.R.; Huijbregts, M.; Jolliet, O.; Margni, M.; de Schryver, A. Recommendations for Life Cycle Impact Assessment in the European Context—Based on Existing Environmental Impact Assessment Models and Factors (International Reference Life Cycle Data System—ILCD Handbook); Publications Office of the European Union, ILCD Handbook: Luxembourg, 2011. [Google Scholar]
- Quijorna, N.; de Pedro, M.; Romero, C.; Andrés, A. Characterisation of the sintering behaviour of Waelz slag from electric arc furnace (EAF) dust recycling for use in the clay ceramics industry. J. Environ. Manag. 2014, 132, 278–286. [Google Scholar] [CrossRef] [PubMed]
- Barna, R.; Bae, H.-R.; Mehu, J.; van der Sloot, H.; Moszkowicz, P.; Desnoyers, C. Assessment of chemical sensitivity of Waelz slag. Waste Manag. 2000, 20, 115–124. [Google Scholar] [CrossRef]
- Pasetto, M.; Baldo, N. Mix design and performance analysis of asphalt concretes with electric arc furnace slag. Constr. Build. Mater. 2011, 25, 3458–3468. [Google Scholar] [CrossRef]
- Romanian National Energy Regulatory Authority. Report Regarding the Monitoring Results of the Natural Gas Market in September 2018. (In Romanian Language: Raport Privind Rezultatele Monitorizarii Pietei de Gaze Naturale in Luna Septembrie 2018); Autoritatea Nationala de Reglementare in Domeniul Energiei: Bucuresti, Romania, 2018.
- Romanian National Energy Regulatory Authority. Report regarding the monitoring results of the electricity market in September 2018; In Romanian language: Raport Privind Rezultatele Monitorizarii Pietei de Electricitate in Luna Septembrie 2018; Autoritatea Nationala de Reglementare in Domeniul Energiei: Bucuresti, Romania, 2018.
- Hilbrans, H.; Hinrichs, W. Stoffmengenflüsse und Energiebedarf bei der Gewinnung Ausgewählter Mineralischer Rohstoffe; Schweizerbart Science Publishers: Hannover, Germany, 1999. [Google Scholar]
- Ayres, R.; Ayres, L. The Life Cycle of Copper, its Co-Products and Byproducts. Eco-Effic. Ind. Sci. 2002, 13, 1–210. [Google Scholar]
- Qi, C.; Ye, L.; Ma, X.; Yang, D.; Hong, J. Life cycle assessment of the hydrometallurgical zinc production chain in China. J. Clean. Prod. 2017, 156, 451–458. [Google Scholar] [CrossRef]
Publisher’s Note: MDPI stays neutral with regard to jurisdictional claims in published maps and institutional affiliations. |
© 2021 by the authors. Licensee MDPI, Basel, Switzerland. This article is an open access article distributed under the terms and conditions of the Creative Commons Attribution (CC BY) license (http://creativecommons.org/licenses/by/4.0/).










