Optimum Distribution System Expansion Planning Incorporating DG Based on N-1 Criterion for Sustainable System
Abstract
1. Introduction
- A model for integrated expansion and operation planning of a distribution system is developed that considers circuit and switchgear construction costs, costs due to power losses, and DG installation cost.
- Efficient hybrid FA-PSO techniques are proposed to solve the overall single-stage integrated planning problem considering multiple load profiles.
- The impact of integrating DGs in addition to optimizing both location and size is investigated by independently considering N-1 contingency for all branches for high network performance and sustainability during contingencies.
Paper Layout
2. Problem Formulation of the Expansion Planning
2.1. Objective Function
2.2. Problem Constraints
3. Proposed FA-PSO Technique for Distribution Expansion Planning
4. Results and Dissection
- Case 1: Load profiles of the system are represented using three load levels for two consecutive 5-year planning periods. In addition to the normal operation of the network, three ‘crucial’ branches are independently put on outage to highlight the efficacy of the FA-PSO algorithm in comparison to the method proposed in [12].
- Case 2: Case 1 above is further expanded by considering variable load profiles by including 24 load levels. All branches are independently put on an outage. Furthermore, the impact of DGs is demonstrated through two scenarios. The DG is neglected in scenario A, whereas DG size and location are simultaneously optimized in scenario B. One expansion planning solution is determined at the end of each scenario.
- Case 3: Continuing from Case 2, the same load profile is used but in ordinary operation without any contingencies. One optimal expansion planning solution is obtained at the end of this case with optimal DG size and location.
4.1. Test System 1: IEEE 33-Bus
4.1.1. Case 1: Three Critical Branches’ Outage
4.1.2. Case 2: All Branches’ Outage
Scenario A: All Branches N-1 without DG
Scenario B: All Branches N-1 with Optimizing DG Size and Location Simultaneously
4.1.3. Case 3: Normal Operation with Optimizing DG Size and Location
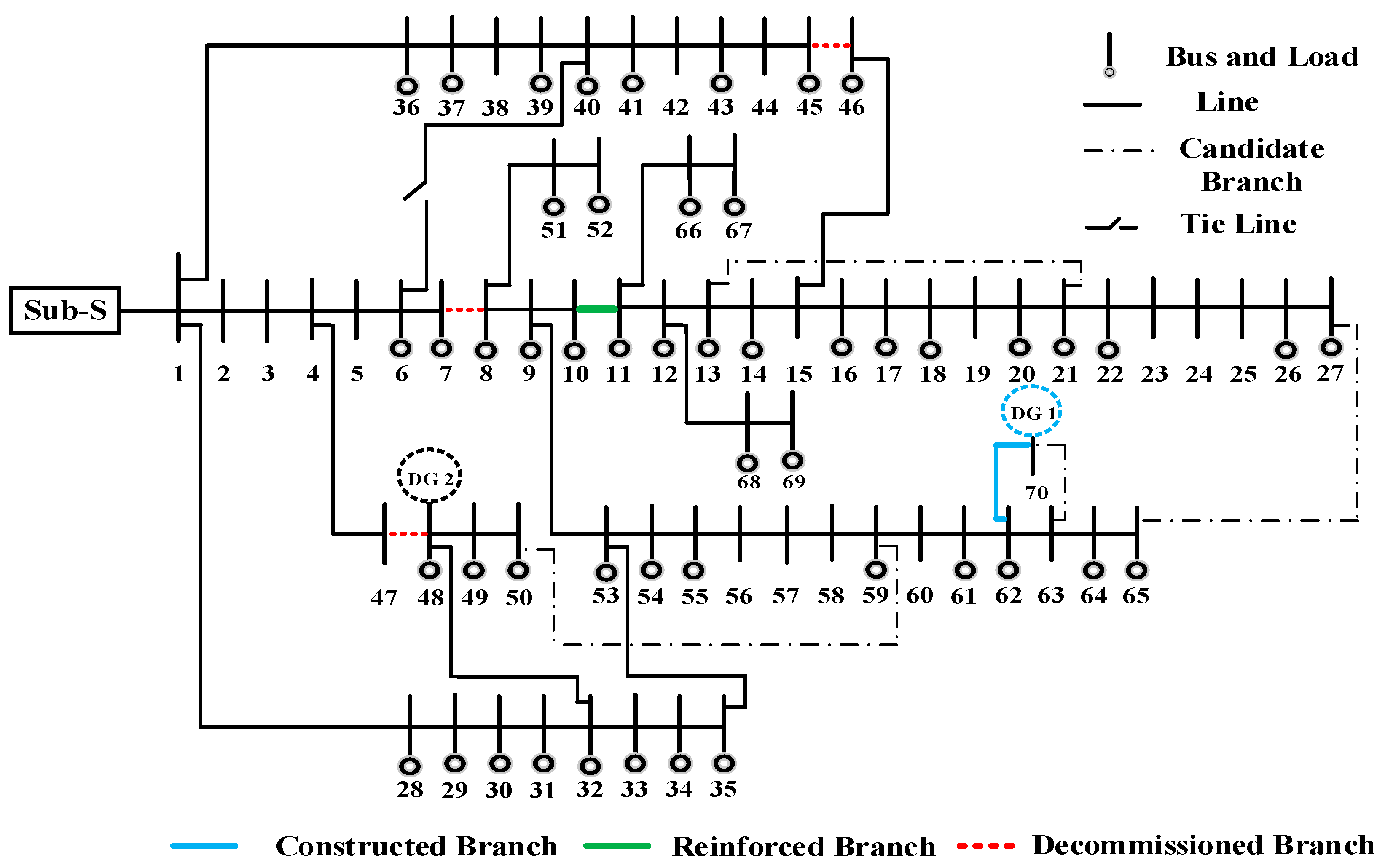
4.2. Test System 2: IEEE 69-Bus
4.2.1. Case 1: Three Critical Branches’ Outage
4.2.2. Case 2: All Branches’ Outage
Scenario A: All Branches N-1 without DG
Scenario B: All Branches’ Outage with Optimizing DG Size and Location Simultaneously
4.2.3. Case 3: Normal Operation with Optimizing DG Size and Location
5. Conclusions
Author Contributions
Funding
Institutional Review Board Statement
Informed Consent Statement
Data Availability Statement
Conflicts of Interest
Abbreviations
| Acronyms | |
| DGs | Distributed Generators |
| FA-PSO | Firefly Algorithm and Particle Swarm Optimization |
| DS | Distribution System |
| LCTs | Low-Carbon Technologies |
| DSEP | Distribution System Expansion Planning |
| I&O | Investment and Operation |
| DSO | Distribution System Operator |
| MIQCP | A Mixed-Integer Quadratically Constrained Programming |
| MILP | A Mixed-Integer Linear Programming Model |
| VRs | Voltage Regulators |
| NET | Neighborhood Energy Trading |
| PSO | Particle Swarm Optimization |
| FA | Firefly Algorithm |
| RGESs | Regional Energy Systems |
| Nomenclature | |
| Objective function | |
| The capital costs needed to expand the network | |
| The installation cost of the DG to the network | |
| The costs of total power losses in the network | |
| The weighting factors for each of the cost term | |
| Cost of constructing or reinforcement of branch ij in GBP/km | |
| Length of branch ij in km | |
| Terminal cost | |
| A binary variable to construct/reinforce branch ij | |
| Cost of switchgear constructed or reinforced in branch ij in GBP | |
| A binary variable to construct/reinforce switchgear in branch ij | |
| Cost for decommissioning an existing branch ij in GBP/km | |
| A binary variable to decommission existing branch ij | |
| The installed DG capacity in the network in KW | |
| The specific cost of installing the DG in GBP/kW | |
| The current in the branch ij | |
| The thermal current capacity in the branch ij | |
| The thermal current capacity for the switchgear in branch ij | |
| The resistance of branch ij | |
| The cost of kWh power losses in the system | |
| The active output of the DG located at bus i | |
| The reactive output of the DG located at bus i | |
| The active loads | |
| . | The reactive loads |
| The active power losses in the nwork | |
| The reactive power losses in the network | |
| Minimum bus voltage | |
| Maximum bus voltage | |
| Nominal bus voltage at bus i | |
| The minimum for the output power of the DG | |
| Binary variable dictates the operational status of a branch | |
| Total number of buses in the network | |
| Total number of substations in the network | |
| P | The population matrix |
| Population of open branches | |
| Cartesian distance between two fireflies | |
| / | Cartesian coordinate component and |
| β | The firefly attractiveness |
| The firefly attractiveness when s = 0 | |
| γ | Coefficient of light absorption |
| ∅ | Uniform mutation rate |
| α | Mutation coefficient |
| W | Weight of the inertia |
| , | Acceleration factors |
| The current position for the particle a at iteration b | |
| The current velocity of particle a at iteration b | |
| , | The highest and lowest weight of the inertia |
| Particle searching experience | |
| Global best | |
References
- Gonen, T. Electric Power Distribution Engineering; CRC Press: Boca Raton, FL, USA, 2015. [Google Scholar]
- Willis, H.L. Power Distribution Planning Reference Book; CRC Press: Boca Raton, FL, USA, 2004. [Google Scholar]
- Gonçalves, R.R.; Franco, J.F.; Rider, M.J. Short-term expansion planning of radial electrical distribution systems using mixed-integer linear programming. IET Gener. Transm. Distrib. 2014, 9, 256–266. [Google Scholar] [CrossRef]
- Shen, X.; Shahidehpour, M.; Han, Y.; Zhu, S.; Zheng, J. Expansion planning of active distribution networks with centralized and distributed energy storage systems. IEEE Trans. Sustain. Energy 2016, 8, 126–134. [Google Scholar] [CrossRef]
- Georgilakis, P.S.; Hatziargyriou, N.D. A review of power distribution planning in the modern power systems era: Models, methods and future research. Electr. Power Syst. Res. 2015, 121, 89–100. [Google Scholar] [CrossRef]
- Vahidinasab, V.; Tabarzadi, M.; Arasteh, H.; Alizadeh, M.I.; Beigi, M.M.; Sheikhzadeh, H.R.; Mehran, K.; Sepasian, M.S. Overview of Electric Energy Distribution Networks Expansion Planning. IEEE Access 2020, 8, 34750–34769. [Google Scholar] [CrossRef]
- Ganguly, S.; Sahoo, N.; Das, D. Multi-objective planning of electrical distribution systems using dynamic programming. Int. J. Electr. Power Energy Syst. 2013, 46, 65–78. [Google Scholar] [CrossRef]
- Franco, J.F.; Rider, M.J.; Romero, R. A mixed-integer quadratically-constrained programming model for the distribution system expansion planning. Int. J. Electr. Power Energy Syst. 2014, 62, 265–272. [Google Scholar] [CrossRef]
- Tabares, A.; Franco, J.F.; Lavorato, M.; Rider, M.J. Multistage long-term expansion planning of electrical distribution systems considering multiple alternatives. IEEE Trans. Power Syst. 2015, 31, 1900–1914. [Google Scholar] [CrossRef]
- Xie, S.; Hu, Z.; Zhou, D.; Li, Y.; Kong, S.; Lin, W.; Zheng, Y. Multi-objective active distribution networks expansion planning by scenario-based stochastic programming considering uncertain and random weight of network. Appl. Energy 2018, 219, 207–225. [Google Scholar] [CrossRef]
- Feng, C.; Liu, W.; Wen, F.; Li, Z.; Shahidehpour, M.; Shen, X. Expansion planning for active distribution networks considering deployment of smart management technologies. IET Gener. Transm. Distrib. 2018, 12, 4605–4614. [Google Scholar] [CrossRef]
- Mansor, N.N.; Levi, V. Integrated planning of distribution networks considering utility planning concepts. IEEE Trans. Power Syst. 2017, 32, 4656–4672. [Google Scholar] [CrossRef]
- Lin, Z.; Hu, Z.; Song, Y. Distribution network expansion planning considering N-1 criterion. IEEE Trans. Power Syst. 2019, 34, 2476–2478. [Google Scholar] [CrossRef]
- Sedghi, M.; Aliakbar-Golkar, M.; Haghifam, M.-R. Distribution network expansion considering distributed generation and storage units using modified PSO algorithm. Int. J. Electr. Power Energy Syst. 2013, 52, 221–230. [Google Scholar] [CrossRef]
- Hemmati, R.; Hooshmand, R.-A.; Taheri, N. Distribution network expansion planning and DG placement in the presence of uncertainties. Int. J. Electr. Power Energy Syst. 2015, 73, 665–673. [Google Scholar] [CrossRef]
- Mansor, N.N.; Levi, V. Operational planning of distribution networks based on utility planning concepts. IEEE Trans. Power Syst. 2018, 34, 2114–2127. [Google Scholar] [CrossRef]
- Koutsoukis, N.C.; Georgilakis, P.S.; Hatziargyriou, N.D. Multistage coordinated planning of active distribution networks. IEEE Trans. Power Syst. 2017, 33, 32–44. [Google Scholar] [CrossRef]
- Pinto, R.S.; Unsihuay-Vila, C.; Fernandes, T.S. Multi-objective and multi-period distribution expansion planning considering reliability, distributed generation and self-healing. IET Gener. Transm. Distrib. 2018, 13, 219–228. [Google Scholar] [CrossRef]
- Ramadan, A.; Ebeed, M.; Kamel, S.; Abdelaziz, A.Y.; Haes Alhelou, H. Scenario-Based Stochastic Framework for Optimal Planning of Distribution Systems Including Renewable-Based DG Units. Sustainability 2021, 13, 3566. [Google Scholar] [CrossRef]
- Ahmadian, A.; Elkamel, A.; Mazouz, A. An improved hybrid particle swarm optimization and tabu search algorithm for expansion planning of large dimension electric distribution network. Energies 2019, 12, 3052. [Google Scholar] [CrossRef]
- Borghei, M.; Ghassemi, M. Optimal planning of microgrids for resilient distribution networks. Int. J. Electr. Power Energy Syst. 2021, 128, 106682. [Google Scholar] [CrossRef]
- Agajie, T.F.; Khan, B.; Alhelou, H.H.; Mahela, O.P. Optimal expansion planning of distribution system using grid-based multi-objective harmony search algorithm. Comput. Electr. Eng. 2020, 87, 106823. [Google Scholar] [CrossRef]
- Navidi, M.; Moghaddas Tafreshi, S.M.; Anvari-Moghaddam, A. Sub-Transmission Network Expansion Planning Considering Regional Energy Systems: A Bi-Level Approach. Electronics 2019, 8, 1416. [Google Scholar] [CrossRef]
- Navidi, M.; Tafreshi, S.M.M.; Anvari-Moghaddam, A. A game theoretical approach for sub-transmission and generation expansion planning utilizing multi-regional energy systems. Int. J. Electr. Power Energy Syst. 2020, 118, 105758. [Google Scholar] [CrossRef]
- Delarestaghi, J.M.; Arefi, A.; Ledwich, G.; Borghetti, A. A distribution network planning model considering neighborhood energy trading. Electr. Power Syst. Res. 2021, 191, 106894. [Google Scholar] [CrossRef]
- Badran, O.; Mokhlis, H.; Mekhilef, S.; Dahalan, W.; Jallad, J. Minimum switching losses for solving distribution NR problem with distributed generation. IET Gener. Transm. Distrib. 2017, 12, 1790–1801. [Google Scholar] [CrossRef]
- Prakash, D.; Lakshminarayana, C. Multiple DG placements in distribution system for power loss reduction using PSO Algorithm. Procedia Technol. 2016, 25, 785–792. [Google Scholar] [CrossRef]
- Al Samman, M.; Mokhlis, H.; Mansor, N.N.; Mohamad, H.; Suyono, H.; Sapari, N.M. Fast Optimal Network Reconfiguration With Guided Initialization Based on a Simplified Network Approach. IEEE Access 2020, 8, 11948–11963. [Google Scholar] [CrossRef]
- Yang, X.-S. Firefly algorithm, Levy flights and global optimization. In Research and Development in Intelligent Systems XXVI; Springer: Berlin/Heidelberg, Germany, 2010; pp. 209–218. [Google Scholar]
- Shi, Y.; Eberhart, R.C. Empirical study of particle swarm optimization. In Proceedings of the 1999 Congress on Evolutionary Computation-CEC99 (Cat. No. 99TH8406), Washington, DC, USA, 6–9 July 1999; pp. 1945–1950. [Google Scholar]
- Rajendran, A.; Narayanan, K. Optimal installation of different DG types in radial distribution system considering load growth. Electr. Power Compon. Syst. 2017, 45, 739–751. [Google Scholar] [CrossRef]
- Subcommittee, P.M. IEEE reliability test system. IEEE Trans. Power Appar. Syst. 1979, 6, 2047–2054. [Google Scholar] [CrossRef]
- Rao, R.S.; Narasimham, S.V.L.; Raju, M.R.; Rao, A.S. Optimal network reconfiguration of large-scale distribution system using harmony search algorithm. IEEE Trans. Power Syst. 2010, 26, 1080–1088. [Google Scholar]













| Parameters | p | γ | ∅ | β | α | w | ||
| Values | 20 | 1 | 0.8 | 2 | 0.2 | 1 | 1.5 | 2 |
| First Planning Period | |||||||||
| Scenario | S1 | S2 | S3 | ||||||
| Load level | 120% | 100% | 80% | ||||||
| Costs (GBP) [12] | 204,128 | 121,782 | 26,854 | ||||||
| Proposed (GBP) | 186,034 | 102,252 | 26,854 | ||||||
| Improvement | 8.86% | 16.03% | 0% | ||||||
| Second Planning Period | |||||||||
| Scenario | S4 | S5 | S6 | S7 | S8 | S9 | S10 | S11 | S12 |
| Load level | 120% | 100% | 80% | 120% | 100% | 80% | 120% | 100% | 80% |
| Costs (GBP) [12] | 242,052 | 90,468 | 31,760 | 270,640 | 145,960 | 31,760 | 299,690 | 209,128 | 94,928 |
| Proposed (GBP) | 179,806 | 5000 | 0 | 176,108 | 125,542 | 0 | 194,696 | 168,730 | 75,398 |
| Improvement | 25.71% | 94.4% | 100% | 34.92% | 13.98% | 100% | 35.03% | 19.31% | 20.5% |
| Assets Construction and Reinforcement | |
|---|---|
| Scenario | Proposed Method |
| S1 | Branch: , , B19, B22, B23, B24 Switchgear: , , , B22 Branch Decommissioning: B31 |
| S4 | Branch: B22, B23, B24, B26, B27, B37 Switchgear: B22, B24, B37 Branch Decommissioning: B7 |
| Investment Cost When All Branches Outage without DG for 33-Bus System (OF1) | |||||
|---|---|---|---|---|---|
| Constructed | Reinforcement | Switchgear | Deco. | Total | |
| Branches | B16, B34 | B1, B6, B12, B13 B18, B19, B22 B24, B26, B32 B35 B36, B37 | B1, B5, B6, B10, B14 B17, B18, B22, B24 B33, B35, B36, B37 | - | |
| Cost (GBP) | 55,492 | 345,088 | 65,000 | 0 | 465,580 |
| Investment Cost When All Branches Outage with DG for 33-Bus System (OF1) | |||||
|---|---|---|---|---|---|
| Constructed | Reinforcement | Switchgear | Deco. | Total | |
| Branches | B16, B34 | B1, B6, B18, B19 B23, B35 | B1, B5, B6, B8 B10, B18, B24, B31 B35 | - | |
| Cost (GBP) | 55,492 | 168,706 | 45,000 | 0 | 269,198 |
| Normal Case (without Contingencies) for 33-Bus System | |||||
|---|---|---|---|---|---|
| Constructed | Reinforcement | Switchgear | Decommissioned | Total | |
| Branches | B16 | - | - | B6, B24 | |
| Cost (GBP) | 26,854 | 0 | 0 | 950 | 27,804 |
| First Planning Period | ||||||||
| Scenario | S1 | S2 | S3 | S4 | ||||
| Load level (%) | 100% | 100% | 80% | 80% | ||||
| DG 1 (%) | 100% | 150% | 100% | 150% | ||||
| Costs (GBP) [12] | 175,452 | 81,406 | 80,900 | 215,208 | ||||
| Proposed (GBP) | 130,444 | 80,656 | 80,656 | 80,656 | ||||
| Improvement | 25.6% | 0.92% | 0.3% | 62.5% | ||||
| Second Planning Period | ||||||||
| Scenario | S5 | S6 | S7 | S8 | S9 | S10 | S11 | S12 |
| DG 2 (%) | 100% | 150% | 100% | 150% | 100% | 150% | 100 | 150% |
| Costs (GBP) [12] | 117,674 | 82,440 | 0 | 38,990 | 0 | 0 | 0 | 5000 |
| Proposed (GBP) | 113,008 | 80,004 | 0 | 34,770 | 0 | 0 | 0 | 0 |
| Improvement | 3.96% | 2.95% | 0% | 10.8% | 0% | 0% | 0% | 100% |
| Asset Construction and Reinforcement | |
|---|---|
| Scenario | Proposed Method |
| S1 | Branch: , , B29 |
| Switchgear: , , , | |
| S5 | Branch: , B48, B49 |
| Branch Decommissioning: B45 | |
| Investment Cost When All Branches Outage without DG for 69-Bus System (OF1) | |||||
|---|---|---|---|---|---|
| Constructed | Reinforcement | Switchgear | Deco. | Total | |
| Branches | B70, B72 B73, B76 B77 | B1, B2, B3, B6, B7 B9, B10, B11 B12, B21, B22, B23 B36, B37, B46, B47 B48, B49, B55, B56 B63, B64 | B1, B4, B7, B12, B13 B14, B17, B20, B33 B34, B46, B47, B53 B54, B62, B63 | - | |
| Cost (GBP) | 181,100 | 691,420 | 80,000 | 0 | 952,520 |
| Investment Cost When All Branches Outage with DG for 69-Bus System (OF1) | |||||
|---|---|---|---|---|---|
| Constructed | Reinforcement | Switchgear | Deco. | Total | |
| Branches | B70, B72 B73, B76 B77 | B1, B2, B9, B10, B21 B23, B26, B46, B47, B52, B64 | B1, B4, B6, B8 B14, B20, B25 B39, B45, B46, B52, B53, B62 | - | |
| Cost (GBP) | 181,100 | 406,002 | 65,000 | 0 | 652,102 |
| Normal Case (without Contingencies) for 69-Bus System | |||||
|---|---|---|---|---|---|
| Constructed | Reinforcement | Switchgear | Decommissioned | Total | |
| Branches | B76 | B10 | - | B7, B45, B47 | |
| Cost (GBP) | 36,220 | 36,220 | 0 | 2330 | 74,770 |
Publisher’s Note: MDPI stays neutral with regard to jurisdictional claims in published maps and institutional affiliations. |
© 2021 by the authors. Licensee MDPI, Basel, Switzerland. This article is an open access article distributed under the terms and conditions of the Creative Commons Attribution (CC BY) license (https://creativecommons.org/licenses/by/4.0/).
Share and Cite
Mubarak, H.; Mansor, N.N.; Mokhlis, H.; Mohamad, M.; Mohamad, H.; Muhammad, M.A.; Al Samman, M.; Afzal, S. Optimum Distribution System Expansion Planning Incorporating DG Based on N-1 Criterion for Sustainable System. Sustainability 2021, 13, 6708. https://doi.org/10.3390/su13126708
Mubarak H, Mansor NN, Mokhlis H, Mohamad M, Mohamad H, Muhammad MA, Al Samman M, Afzal S. Optimum Distribution System Expansion Planning Incorporating DG Based on N-1 Criterion for Sustainable System. Sustainability. 2021; 13(12):6708. https://doi.org/10.3390/su13126708
Chicago/Turabian StyleMubarak, Hamza, Nurulafiqah Nadzirah Mansor, Hazlie Mokhlis, Mahazani Mohamad, Hasmaini Mohamad, Munir Azam Muhammad, Mohammad Al Samman, and Suhail Afzal. 2021. "Optimum Distribution System Expansion Planning Incorporating DG Based on N-1 Criterion for Sustainable System" Sustainability 13, no. 12: 6708. https://doi.org/10.3390/su13126708
APA StyleMubarak, H., Mansor, N. N., Mokhlis, H., Mohamad, M., Mohamad, H., Muhammad, M. A., Al Samman, M., & Afzal, S. (2021). Optimum Distribution System Expansion Planning Incorporating DG Based on N-1 Criterion for Sustainable System. Sustainability, 13(12), 6708. https://doi.org/10.3390/su13126708

