Ecofibers for the Reinforcement of Cement Mortars for Coating Promoting the Circular Economy
Abstract
1. Introduction
2. Purpose
3. Experimental Plan
3.1. Materials
3.2. Composition of the Mixtures
3.3. Tests
4. Results and Discussion
4.1. Results Obtained in Phase 1
4.1.1. Apparent Density of Fresh Mortar and Consistency
4.1.2. Compressive Strength Test
4.1.3. Absorption of Water by Capillarity
4.1.4. Total Water Absorption
4.1.5. Permeability to Water Vapour
4.2. Results Obtained in Phase 2
4.2.1. Shrinkage
4.2.2. Air Content and Porosimetry
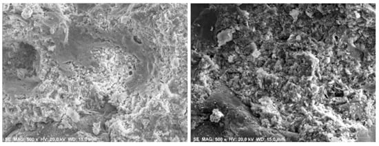
4.2.3. Scanning Electron Microscopy
5. Conclusions
Author Contributions
Funding
Conflicts of Interest
References
- Liu, T.; Song, W.; Zou, D.; Li, L. Dynamic mechanical analysis of cement mortar prepared with recycled cathode ray tube (CRT) glass as fine aggregate. J. Clean. Prod. 2018, 174, 1436–1443. [Google Scholar] [CrossRef]
- Salah, M. The dilemma of developing architectural minds aiming for sustainability. In Proceedings of the International Conference for Academic Disciplines Al Ain University of Science and Technology (AAU), and the American-Based International Journal of Arts and Sciences (IJAS), Al Ain, United Arab Emirates, 31 January 2016. [Google Scholar]
- Resource Use. UKGBC’s Vision for a Sustainable Built Environment Is One That Eliminates Waste and Maximises Resource Efficiency. Available online: https://www.ukgbc.org/resource-use/ (accessed on 14 August 2019).
- Cerrillo, A. España Modera el Uso de Recursos Naturales. La Vanguardia. Available online: https://www.lavanguardia.com/medio-ambiente/20120219/54256331741/-espana-modera-uso-recursos-naturales.html (accessed on 19 February 2012).
- Ling, T.C.; Poon, C.S. A comparative study on the feasible use of recycled beverage and CRT funnel glass as fine aggregate in cement mortar. J. Clean. Prod. 2012, 29, 46–52. [Google Scholar] [CrossRef]
- Martínez, P.S.; Cortina, M.G.; Martínez, F.F.; Sánchez, A.R. Comparative study of three types of fine recycled aggregates from construction and demolition waste (CDW), and their use in masonry mortar fabrication. J. Clean. Prod. 2016, 118, 162–169. [Google Scholar] [CrossRef]
- Xuan, W.; Chen, X.; Yang, G.; Dai, F.; Chen, Y. Impact behavior and microstructure of cement mortar incorporating waste carpet fibers after exposure to high temperatures. J. Clean. Prod. 2018, 187, 222–236. [Google Scholar] [CrossRef]
- Butera, S.; Christensen, T.H.; Astrup, T.F. Life Cycle Assessment of construction and demolition waste management. Waste Manag. 2015, 44, 196–205. [Google Scholar] [CrossRef]
- Sanjuán-Barbudo, M.A. Cemento y hormigón en la economía circular. Cem. Hormig. 2016, 976, 6–16. [Google Scholar]
- Barrios, Á. Impactos Ambientales en Construcción Sostenible. Construcción Sostenible. 2012. Available online: https://www.eoi.es/wiki/index.php/Construcción_sostenible (accessed on 30 May 2019).
- Mercader Moyano, P.; Ramírez de Arellano Agudo, A. Selective classification and quantification model of C&D waste from material resources consumed in residential building construction. Waste Manag. Res. 2013, 31, 458–474. [Google Scholar]
- Aciu, C.; Ilutiu-Varvara, D.A.; Manea, D.L.; Orban, Y.A.; Babota, F. Recycling of plastic waste materials in the composition of ecological mortars. Procedia Manuf. 2018, 22, 274–279. [Google Scholar] [CrossRef]
- Ramírez, C.P.; Sánchez, E.A.; del Río Merino, M.; Arrebola, C.V.; Barriguete, A.V. Feasibility of the Use of Mineral Wool Fibres Recovered from CDW for the Reinforcement of Conglomerates by Study of Their Porosity. Constr. Build. Mater. 2018, 191, 460–468. [Google Scholar] [CrossRef]
- Morales Conde, M.J.; Rodriguez Liñan, C.; Pedreño Rojas, M.A. Physical and mechanical properties of wood-gypsum composites from demolition material in rehabilitation works. Constr. Build. Mater. 2016, 114, 6–14. [Google Scholar] [CrossRef]
- Gadea, J.; Rodríguez Saiz, A.; Campos, P.L.; Garabito, J.; Calderón, V. Lightweight mortar made with recycled polyurethane foam. Cem. Concr. Compos. 2010, 32, 672–677. [Google Scholar] [CrossRef]
- Muñoz-Ruiperez, C.; Rodríguez Saiz, A.; Gutiérrez-González, S.; Calderón, V. Lightweight masonry mortars made with expanded clay and recycled aggregates. Constr. Build. Mater. 2016, 118, 139–145. [Google Scholar] [CrossRef]
- Sandin, K. Mortars for Masonry and Rendering, Choice and Application. Build. Issues 1995, 7. [Google Scholar]
- Junco, C.; Gadea, J.; Rodríguez, A.; Gutiérrez-González, S.; Calderón, V. Durability of lightweight masonry mortars made with white recycled polyurethane foam. Cem. Concr. Compos. 2012, 34, 1174–1179. [Google Scholar] [CrossRef]
- Cheng, A.; Lin, W.T.; Huang, R. Application of Rock Wool Waste in Cement-Based Composites. Mater. Des. 2011, 32, 636–642. [Google Scholar] [CrossRef]
- Lin, W.T. Improved Microstructure of Cement-Based Composites through the Addition of Rock Wool Particles. Mater. Charact. 2013, 84, 1–9. [Google Scholar] [CrossRef]
- Wang, R.; Meyer, C. Performance of Cement Mortar Made with Recycled High Impact Polystyrene. Cem. Concr. Compos. 2012, 34, 975–981. [Google Scholar] [CrossRef]
- UNE-EN 998-1:2010, Specification for Mortar for Masonry—Part 1: Rendering and Plastering Mortar; Spanish Association for Standardization: Madrid, Spain, 2010.
- UNE-EN 13914-1:2019, Design, Preparation and Application of External Rendering and Internal Plastering—Part 1: External Rendering; Spanish Association for Standardization: Madrid, Spain, 2019.
- UNE-EN 13914-2:2019, Design, Preparation and Application of External Rendering and Internal Plastering—Part 2: Design Considerations and Essential Principles for Internal Plastering; Spanish Association for Standardization: Madrid, Spain, 2019.
- UNE-EN 1015-11:2000/A1:2007, Methods of Test for Mortar for Masonry—Part 11: Determination of Flexural and Compressive Strength of Hardened Mortar; Spanish Association for Standardization: Madrid, Spain, 2000.
- UNE-EN 1015-18:2003, Methods of Test for Mortar for Masonry—Part 18: Determination of Water Absorption Coefficient due to Capillary Action of Hardened Mortar; Spanish Association for Standardization: Madrid, Spain, 2003.
- Veiga, M.R.; Velosa, A.L.; Magalhães, A.C. Evaluation of mechanical compatibility of renders to apply on old walls based on a restrained shrinkage test. Mater. Struct. 2007, 40, 1115–1126. [Google Scholar] [CrossRef]
- Lepech, M.; Li, V.C. Water permeability of cracked cementitious composi-tes. In Proceedings of the 11th International Conference on Fracture 2005 (ICF11), Turin, Italy, 20–25 March 2005; pp. 1464–1469. [Google Scholar]
- Lange, D.A.; Jennings, H.M.; Shah, S.P. Relationship between Fracture Surface Roughness and Fracture Behavior of Cement Paste and Mortar. J. Am. Ceram. Soc. 1993, 76, 589–597. [Google Scholar] [CrossRef]
- del Olmo Rodríguez, C. Los morteros, Control de calidad. Inf. Constr. 1994, 46, 57–73. [Google Scholar] [CrossRef]
- Glória Gomes, M.; Flores-Colen, I.; Manga, L.M.; Soares, A.; de Brito, J. The influence of moisture content on the thermal conductivity of external thermal mortars. Constr. Build. Mater. 2017, 135, 279–286. [Google Scholar] [CrossRef]
- Menéndez, I.; Triviño, F.; Hernández, F. Correlaciones entre plasticidad, resistencias mecánicas, relaciones agua/cemento y proporciones de filler calizo en morteros de cemento. Mater. Constr. 1993, 43, 39–52. [Google Scholar] [CrossRef][Green Version]
- Araya-Letelier, G.; Antico, F.C.; Carrasco, M.; Rojas, P.; García-Herrera, C.M. Effectiveness of new natural fibers on damage-mechanical performance of mortar. Constr. Build. Mater. 2017, 152, 672–682. [Google Scholar] [CrossRef]
- UNE-EN 13279-2:2014, Gypsum Binders and Gypsum Plasters—Part 2: Test Methods; Spanish Association for Standardization: Madrid, Spain, 2014.
- UNE EN 1015-6:1999, Methods of Test for Mortar for Masonry—Part 6: Determination of Bulk Density of Fresh Mortar; Spanish Association for Standardization: Madrid, Spain, 1999.
- UNE-EN 1015-3:2000, Methods of Test for Mortar for Masonry—Part 3: Determination of Consistence of Fresh Mortar (by Flow Table); Spanish Association for Standardization: Madrid, Spain, 2000.
- UNE-EN 1015-19:1999, Methods of Test for Mortar for Masonry—Part 19: Determination of Water Vapour Permeability of Hardened Rendering and Plastering Mortars; Spanish Association for Standardization: Madrid, Spain, 1999.
- UNE 80112:2016, Test Methods of Cements. Physical Analysis. Determination of Contraction in Air and Expansion in Water; Spanish Association for Standardization: Madrid, Spain, 2016.
- UNE-EN 1015-7: 1999, Methods of test for mortar for masonry—part 7: Determination of air content of fresh mortar; Spanish Association for Standardization: Madrid, Spain, 1999.
- Vidales Barriguete, A. Caracterización Fisicoquímica y Aplicaciones de yeso con Adición de Residuo Plástico de Cables Mediante Criterios de Economía Circular. Ph.D. Thesis, Universidad Politécnica de Madrid, Madrid, Spain, 2019. [Google Scholar]
- Puertas, F.; Gil-Maroto, A.; Palacios, M.; Amat, T. Morteros de Escoria Activada Alcalinamente Reforzados Con Fibra de Vidrio AR, Comportamiento y Propiedades. Mater. Constr. 2006, 56, 79–90. [Google Scholar] [CrossRef]
- Qin, X.C.; Li, X.M.; Cai, X.P. The Applicability of Alkaline-Resistant Glass Fiber in Cement Mortar of Road Pavement: Corrosion Mechanism and Performance Analysis. Int. J. Pavement Res. Technol. 2017, 10, 536–544. [Google Scholar]
- Henkensiefken, R.; Castro, J.; Bentz, D.; Nantung, T.; Weiss, J. Water Absorption in Internally Cured Mortar Made with Water-Fi Lled Lightweight Aggregate. Cem. Concr. Res. 2009, 39, 883–892. [Google Scholar] [CrossRef]
- Arizzi, A.; Cultrone, G.L. Influencia de La Interfase Árido-Matriz (ITZ) En Las Propiedades de Morteros de Cal. Rev. Soc. Esp. Minerol. 2012, 16, 60–61. [Google Scholar]
- Puertas, F.; Amat, T.; Vázquez, T. Comportamiento de Morteros de Cementos Alcalinos Reforzados Con Fibras Acrílicas y de Polipropileno. Mater. Constr. 2000, 50, 69–84. [Google Scholar] [CrossRef]
- Jennings, H.M.; Bullard, J.W. From Electrons to Infrastructure: Engineering Concrete from the Bottom Up. Cem. Concr. Res. 2011, 41, 727–735. [Google Scholar] [CrossRef]













| Name | Cement (g) | Sand (g) | Water (g) | Fibres (g) |
|---|---|---|---|---|
| MREF | 1000 | 3000 | 600 | ---- |
| MRLR | 1000 | 3000 | 600 | 1.70 |
| MRFV | 1000 | 3000 | 600 | 1.70 |
| MRMIX | 1000 | 3000 | 600 | 1.70 |
| MPP | 1000 | 3000 | 600 | 1.70 |
| MFV | 1000 | 3000 | 600 | 1.70 |
| Name. | Initial weight (g) | Weight week 1 (g) | Weight week 2 (g) | Weight week 3 (g) | Weight week 4 (g) | Weight week 5 (g) | Weight week 6 (g) |
|---|---|---|---|---|---|---|---|
| MREF | 2095.60 | 2074.20 | 2067.00 | 2060.20 | 2053.90 | 2048.70 | 2043.40 |
| MRLR | 2035.30 | 2014.60 | 2007.70 | 2001.10 | 1995.00 | 1989.90 | 1984.60 |
| MRFV | 2079.50 | 2058.60 | 2050.90 | 2044.00 | 2037.80 | 2032.70 | 2027.50 |
| MMIX | 2061.50 | 2039.70 | 2032.60 | 2025.90 | 2020.00 | 2015.00 | 2099.90 |
| MPP | 2133.60 | 2113.60 | 2106.40 | 2099.60 | 2093.70 | 2088.90 | 2084.20 |
| MFV | 2149.50 | 2127.40 | 2119.60 | 2112.20 | 2105.90 | 2100.80 | 2095.30 |
© 2020 by the authors. Licensee MDPI, Basel, Switzerland. This article is an open access article distributed under the terms and conditions of the Creative Commons Attribution (CC BY) license (http://creativecommons.org/licenses/by/4.0/).
Share and Cite
Ramírez, C.P.; Barriguete, A.V.; Muñoz, J.G.; Merino, M.d.R.; Serrano, P.d.S. Ecofibers for the Reinforcement of Cement Mortars for Coating Promoting the Circular Economy. Sustainability 2020, 12, 2835. https://doi.org/10.3390/su12072835
Ramírez CP, Barriguete AV, Muñoz JG, Merino MdR, Serrano PdS. Ecofibers for the Reinforcement of Cement Mortars for Coating Promoting the Circular Economy. Sustainability. 2020; 12(7):2835. https://doi.org/10.3390/su12072835
Chicago/Turabian StyleRamírez, Carolina Piña, Alejandra Vidales Barriguete, Julián García Muñoz, Mercedes del Río Merino, and Patricia del Solar Serrano. 2020. "Ecofibers for the Reinforcement of Cement Mortars for Coating Promoting the Circular Economy" Sustainability 12, no. 7: 2835. https://doi.org/10.3390/su12072835
APA StyleRamírez, C. P., Barriguete, A. V., Muñoz, J. G., Merino, M. d. R., & Serrano, P. d. S. (2020). Ecofibers for the Reinforcement of Cement Mortars for Coating Promoting the Circular Economy. Sustainability, 12(7), 2835. https://doi.org/10.3390/su12072835

