Abstract
This paper targets the future energy sustainability and aims to estimate the potential energy production from installing photovoltaic (PV) systems on the rooftop of apartment’s residential buildings, which represent the largest building sector. Analysis of the residential building typologies was carried out to select the most used residential building types in terms of building roof area, number of floors, and the number of apartments on each floor. A computer simulation tool has been used to calculate the electricity production for each building type, for three different tilt angles to estimate the electricity production. Tilt angle, spacing between the arrays, the building shape, shading from PV arrays, and other roof elements were analyzed for optimum and maximum electricity production. The electricity production for each household has been compared to typical household electricity consumption and its future consumption in 2030. The results show that installing PV systems on residential buildings can speed the transition to renewable energy and energy sustainability. The electricity production for building types with 2–4 residential units can surplus their estimated future consumption. Building types with 4–8 residential units can produce their electricity consumption in 2030. Building types of 12–24 residential units can produce more than half of their 2030 future consumption.
1. Introduction
Energy is considered one of the most important issues in both developed and developing countries [1]. Today, a large share of electricity is produced worldwide by renewable energy technologies [2]. Solar photovoltaic (PV) is one of the fastest-growing and most promising of these technologies and has many advantages [2]: (1) The solar PV is considered the most feasible renewable energy that can be successfully applied as distributed systems and building-integrated components in residential environments [3]. (2) The system performance can easily be modeled from the solar radiation depending on the orientation and tilting of solar PV [4]. (3) Solar PV technologies represent a safe, pollution-free, and environmentally friendly source of energy [5]. Several factors affect the PV performance other than the orientation and tilting of solar PV such as wind speed, ambient temperature, relative humidity, and dust deposition [6,7,8].
Studies for the life cycle assessment of PV systems and other traditional and emerging technologies show that the PV systems environmental impact, with greenhouse gas emission of around 0.043 kg CO2 eq/kWh, is considered one of the most environmentally friendly systems when compared with traditional energy sources, and with newly available technologies such as hybrid solar plants, which combine solar power with another source of energy [9,10,11]. For example, even a solar hybrid gas turbine plant produces more emissions, 0.236 kg CO2 eq/kWh, than PV power plant, mainly because of the fuel used [12].
Globally, the growth of installed photovoltaic (PV) capacity reflects a strong commitment by scientists, researchers, industry, and governments to decarbonizing the economy for sustainable development [13]. For example, de-carbonizing of the building stocks by 2050 is one of Europe’s most important long-term targets that accounts for approximately 36% of the European Union’s CO2 emissions [13]. Photovoltaic technology plays an important role in the transition of buildings to becoming low-carbon ones [14]. The typology of urban areas has a profound impact on sunlight access and building energy efficiency and consumption levels [15,16,17,18]. Buildings in the European Union are now being designed and built to stricter building codes and standards to reduce their energy consumption and greenhouse gas emissions [19]. In 2019, Gaglia et al. mentioned that the residential buildings contribute to the higher percentage of energy usage in the building sector [20]. Residential buildings can use grid connected PV system, in this regard Sharma, Arvind, et al. (2020) introduced minimizing the energy cost of sustainable energy systems [21]. The promotion of rooftop PV systems can significantly reduce electricity bills [22].
In the Middle East, which is one of the regions with plenty of sunshine, PV potential is one of the highest in the world. In Palestine, solar energy is promising due to the high solar irradiation potential, and sunshine availability, which is about 3000 h per year [23,24]. On the other hand, Palestine imports almost all of its electricity needs [25]. In 2016, the energy supply in Palestine was (471Ktoe) were 91% of this supply was imported, and 9% were from local renewable and non-renewable energy sources [26]. Building energy consumption was about 60% of this imported energy, which is the highest consumption segment of final energy among the other Middle East and North African countries, and the share of electricity in Palestinian household expenditures is around 9% due to the very high price of electricity [27]. Additionally, Palestine suffers from electricity shortage and continuously blackout in the cold and hot seasons due to the very high demand for heating and cooling, the limited amount of imported electricity, and the weak infrastructure of the public electricity distribution companies.
Electricity has the largest part of the Palestinian energy mix, at around 34%. In 2016, the average annual electricity consumption per household was 3672 KWh, and the monthly average was 306 kWh. As the main fuel used for heating, 39.4% of Palestinian households used electricity [26]. For cooling, Palestinian households used almost only electric energy to operate fans and air conditioning units [26]. Due to the growing urbanization and the rapid growth in population, the demand forecast for electricity consumption for a household in 2030 will reach 6536 kWh per year, with an average monthly consumption of 545 kWh [27]. Due to the increased urbanization, expensive energy, and the lack of natural resources in Palestine, there is an urgent need to find mitigation strategies for future electricity consumption in residential buildings [28].
Most households in Palestine have access to electricity: 93% for rural and 99% for urban households, which make grid-connected PV systems a feasible solution for residential buildings. In West Bank the residential buildings have almost 24 h access to power; however, in Gaza strip this access is limited to around 16 h [26]. Additionally, the supply is not always sufficient to cover the needs of the West Bank and Gaza Strip, which are growing rapidly (5–7%/year) especially for the Gaza Strip. The percentage of household units having solar water heating has decreased from 75% in 2001 to 57% in 2015. It is worth mentioning that one-third of these solar heating systems are out of order, which creates a high demand for electricity for heating especially in the cold season [29].
In Palestine, the government, private sectors, and NGOs are now supporting the investment in renewable energy by installing Solar PV on public buildings especially school buildings and investing in solar energy fields [30]. Other buildings sectors like residential buildings (the largest building sector) are still not getting the proper attention, despite the very high electricity consumption of this sector. This study will focus on selected typologies of existing and new residential buildings to integrate PV systems, which can lead to a reduction in the final network’s electricity demand and provide an investment in the renewable energy sector for the wide range of private residential buildings.
The apartment buildings in Palestine represent the majority of residential households, 61.5%, 53% in the West Bank, and 65.6% in Gaza Strip as can be seen in Figure 1. The typical apartments of three and four bedrooms represent the majority of household units in Palestine (35% and 30% of the apartments), followed by two bedrooms (16%), and more than five bedrooms (15%) [26]. In Palestine 85% of household’s units are owned by the residents, which makes the investment in the PV systems in residential buildings directly affect the ownership of the building [26].
Figure 1.
Percentage of apartment buildings compared to other forms of residential buildings in Palestine. Data derived from Palestinian Central Bureau of Statistics (2017).
Residential buildings are usually found in Palestinian cities in clusters and neighborhoods [31]. Those buildings contain multiple forms of separate or semi-connected residential apartments that are combined by a staircase [32]. Such buildings belong to international prototypes and can be found in other countries but with different shapes and sizes. The design of the building often follows the planning and organizational laws of the lands into Patterns A, B, and C. These laws are provided by the Ministry of Local Government to determine the proportion of the building and the number of floors [33]. Such laws are supposed to control the density of the buildings according to the planning goals for each region. The following is a brief explanation of the most used patterns for residential buildings in Palestinian cities [34]:
- −
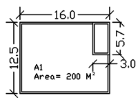
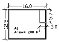
- Building type A: residential buildings for single families consisting of a maximum of two floors intended for single-family use. These buildings are usually located on sorted land plots with an area of 500–800 m2, and the construction percentage is 30% of the land area so that the average roof area in this pattern is 200 m2 including the stair’s roof. This pattern could contain buildings in the form of two common units with a staircase and the roof area reaches 300 m2.
- −
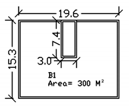
- Building type B: residential buildings for multiple-family apartment buildings. Such buildings consist of 5–7 floors; each floor includes two to four apartments [35]. These buildings are located on sorted land plots with an area of 800–1500 m2 and a construction rate of 50% of the land area is permitted. Thus, the average roof area of this pattern is from 300 to 600 m2 including the stair’s roof.
- −
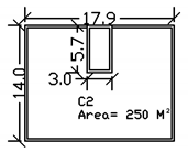
- Building type C: residential buildings for extended families. Those buildings consist of 4 floors. Each floor consists of one apartment or two. The average area of the sorted land lots is 400–600 m2—and the permitted area of the building is around 49%, which led to an average built area 180 up to 250 m2, including the stair’s roof.
For all the mentioned types of buildings, there are some common architectural and structural characteristics:
- -
- Most of these buildings tend in their design to regular forms of square or rectangular shapes. The floors are usually distributed as parking in the basement or ground, and residential apartments on the upper floors.
- -
- Each floor consists of one or four apartments, and the building contains one or more vertical access units (staircase) in addition to the elevator and skylights, which are often in B and C patterns [36].
- -
- The roof is concrete slab, normally flat, and has a parapet of 80 cm height.
- -
- The staircase roof is used for water tanks and solar water heating units.
- -
- The residential buildings envelope is not thermally insulated. The glass used for the window is single/double glazing with an aluminum frame. The walls use the typical components of stone, concrete, hollow concrete block, and plaster.
Due to the difficult political conditions, the shortage of natural resources, the population density and the financial crisis in Palestine, the energy sector is dependent on nearby countries and highly vulnerable compared to other Middle Eastern countries. Moreover, Palestine depends on neighboring countries for 100% of its non-renewable energy imports and for 87% of its electricity imports. Solar Energy potential in Palestine can open new perspectives for energy sector in order to prompt practices for sustainable development. Although the problems for energy sector in Palestine are well known, evaluating the solar energy production from PV installation on residential buildings typologies in this climatic and economic contest has not been done before. This research will contribute to the evaluation studies needed for decision making and scientific communities in terms of new results, evaluating the parameters affecting energy production from installing PV on residential buildings and a proposed approach to achieve energy sustainability.
2. Materials and Methods
A new developed approach is used which brings together a combination of energy consumption in residential buildings; surveying the most used residential typologies; and renewable energy production for different scenarios using a computer simulation tool (PV*SOL).
2.1. Selecting Residential Building Types
The targeted residential buildings have been selected based on the most used types and shapes in the Palestinian cities. The numbers of household units for each building type and the available roof areas for installing PV systems have been selected in reference to the most popular apartment types in the Palestinian cities. According to the local government building legislation in West Bank and Gaza Strip, the residential buildings have been categorized into three main categories: A (maximum two floors, with one or two apartments at each floor); B (four-seven floors, with two or four apartments at each floor); and C (maximum four floors, with one or two apartments at each floor) [32]. The common area of each type was collected based on the local law of land lots in the Palestinian Land Authority [37]. Three to four bedrooms apartment has been selected as it represents the majority of household units in the Palestinian cities [26]. One and three apartments per floor for type B were excluded because these types are not widely spread in the Palestinian cities; these types are not likely to have three bedrooms for each apartment, which is not common in the Palestinian cities. Table 1 below provides a summary of the selected residential building types and related information to install PV systems on the rooftop of these buildings. The roof area available for PV installation has been calculated by subtracting the shaded area (calculated by the PV *SOL premium 2020) and the area used for water tanks from the total roof area.
Table 1.
The most common types of residential buildings in Palestinian cities, classified according to the organizational regions of the Ministry of Local Government.
The study used the selected building types in four cities in Palestine, which represent the different governorates in the West Bank (North, Central, and South) and Gaza Strip, as can be seen in Figure 2. Nablus (Latitude 32°13′ N, Longitude 35°16′ E, Altitude of 560 m and annual global irradiation of 1979 kWh/m2) in the Northern part of the West Bank; Jerusalem (Latitude 31.7683° N, Longitude 35.2137° E, Altitude of 757 m above sea level and annual global irradiation of 2035 kWh/m2) in the central part of the West Bank; Hebron (Latitude 31.5326° N, Longitude 35.0998° E, Altitude of 930 m above sea level and annual global irradiation of 2054 kWh/m2) in the Southern part of the West Bank; Gaza (Latitude 31.5017° N, Longitude 34.4668° E, Altitude of 45 m above sea level and annual global irradiation of 1977 kWh/m2) [38].
Figure 2.
The map shows the different parts of Palestine (West Bank and Gaza Strip) and the selected cities.
2.2. Estimating Electricity Consumption
The average monthly and yearly electricity consumption for the selected household has been identified using surveys for the households done by the Palestinian Central Bureau of Statistics [26]. It has been done by identifying the number of appliances per household and then approximating daily consumption by usage. For the residential building sector, the main usages of electricity are air-conditioned, heating, water heating, fridge, and lighting. The average annual electricity consumption per typical household (three bedrooms and household members of 5.2) was 3672 kWh, and the monthly average was 306 kWh (442 kWh for the central region, 294 kWh for the south region, 272 kWh for the north region, and 265 kWh for Gaza strip). The future demand for electricity consumption for a typical household in 2030, which will reach 6536 kWh per year, with an average monthly consumption of 545 kWh, was identified based on a study by the World Bank [27].
2.3. Solar PV Simulation
To calculate the potential electricity production from installing PV systems on the roof of the selected building types and orientation a simulation was done by the software PV*SOL premium 2020 (R8). PV*SOL is specially designed for simulation and analysis of solar PV by Valentine Software [39]. The software is produced and improved in Germany with 3D visualization and detailed shading analysis for the PV systems, which is considered one of the leading countries in the solar PV industry and technology. PV*SOL provides solar radiation data for nearly all the cities in the world and supplies an up to date database and electrical characteristics for most commercial PV module devices. From the several commercial PV modules available in Palestine today, JAM72S10-410/MR (high power rating 410 W and high efficiency 20.43%) is used based on information from several companies operating in the local market that this module is highly efficient and provides higher energy production per given area.
The simulations were made for Grid-connected PV Systems for different cities (Jerusalem, Hebron, Nablus, and Gaza city) and buildings for two orientations (South-North and East-West). In designing array modules two significant aspects have to be considered for maximizing the solar power production and minimizing the shading losses: the optimum tilt angle for the specific location and the distance between the arrays.
Three tilt angles were chosen for the simulation: (1) 27°: Since the Optimum tilt angle for the most cities in Palestine is about 27° [40], which is in line with the result from the study by Jacobson et al. [6], but it required a relatively long distance between the arrays to minimize the shading losses; (2) 1°: since it is required less distance between the arrays to minimize the shading losses. It is also preferred to choose the tilt angle more than 15º to minimize the soiling effect [41]. (3) 7°: To maximize the power production from the limited area of the roof by increasing the number of the modules as much as possible. For all cases, the array spacing has been calculated for PV systems orientated to the south by the following equations
where d1 is the array spacing, b is the height of the solar panel, SA is the Shading Angle between the sun and the array, h is the height of the tilted solar panel, γ is the solar elevation angle, and α is the solar azimuth angle as it can be seen in Figure 3. Usually, the solar elevation and azimuth angle at 10:00 am or 2:00 pm on the winter solstice (21 December) are utilized for estimating the array spacing [42]. These times have been chosen to make sure there is no self-shading between these two hours during the worst case for the solar PV array orientated to the south on the winter solstice. The PV*SOL premium 2020 used another method of solar elevation and azimuth angle at noon to calculate the array spacing.
d1 = h/tan(SA)
tan(SA) = tan(γ)/cos(α)
h = bsin(β)
Figure 3.
Solar angles tilt angles and distance between arrays (derived from PV*SOL software).
For example, γ = 35° and α = 0° at noon for Hebron city at the winter solstice (21 December).
Substitute in Equation (2): tan (SA) = tan (35°)/cos (0°) = 0.70
Then substitute in Equation (3): h = 2.015*sin (27°) = 0.916 m (β = 27°)
Finally substitute in Equation (1): d1 = 0.916/0.70 = 1.3 m (Spacing = 1.3 m)
But if 10 am is utilized for estimating the array spacing where γ = 30.3° and α = 26° then d1 = 1.4 m (spacing = 1.4 m).
In this manuscript, the spacing between arrays was changed in order to give the maximum power output in each array system. For example, for building type A1 with North-South building orientation at a tilt angle equal 27° the spacing was 1.4 m. Because, in this case, if the spacing was 1.3 m, then the number of modules will be the same and the power produced will decrease due to the increase of the self-shading effect. Another example for Building type A2 with North-South orientation at tilt angle 27° the spacing was 1.3 m. Because, in this case, if the spacing was 1.4 m, this would result in the loss of an array of modules and thus reduce the power produced.
3. Results
The results for potential electricity production from installing PV panels on residential buildings in Palestine to reduce the energy demand on the public electricity network have been summarized for the selected building types and orientations.
3.1. Residential Building Type A
For building orientation South-North, the annual electricity production from installing PV systems on the rooftop of building type A1 (two residential units) in four different cities at three different tilt angles are in the ranges 34,144 kWh–36,189 kWh for the system installed power of 22.14 kW with a tilt angle of 27°; 34,144 kWh–35,896 kWh for the same installed power with a tilt angle of 17°; and 40,284 kWh–42,245 kWh for the system installed power of 27.06 kW with a tilt angle of 7°; where these ranges vary depending on the selected cities. There is a slight difference between the selected cities in terms of electricity production due to differences of solar radiations, where Hebron has the highest production of 42,245 kWh at tilt angle 7°, while Gaza city has the lowest production of 40,284 kWh at the same angle. The annual electricity production for each household unit (the electricity production for the whole building then divided by the number of household units) is in the ranges 21,123 kWh–20,142 kWh for the system with tilt angle 7°; 18,095 kWh–17,231 kWh for the system with tilt angle 17°, and 17,984 kWh–17,072 kWh for the system with tilt angle 27°, where these ranges vary depends on the selected cities as can be seen in Figure 4. If we compare the electricity production with future consumption in 2030 and the consumption of 2016 for each household, this production represents 2.19 to 3.29 times the 2030 electricity consumption and represents 3.34 to 6.33 times the electricity consumption in 2016. These ranges vary depending on the tilt angle and the selected city, as can be seen in Table 2.
Figure 4.
For South-North orientation: (a) the annual electricity production for each household for building type A1 and (b) the annual electricity production for each household for building type A2.
Table 2.
Total Electricity production and production for households for different building types, orientation, cities, and tilt angles.
For building type A2 (four residential units) the annual electricity production is higher than A1 due to the fact that the roof is larger. However, the annual electricity production for each household unit is less than A1, because the share of the roof is less than the share in building type A1. This production for each household unit is in the ranges 14,108 kWh–14,695 kWh for the system installed power of 39.36 kW with a tilt angle of 7°; 12,769 kWh–13,388 kWh for the system installed power of 33.62 kW with a tilt angle of 17°; and 12,702 kWh–13,314 kWh for the same installed power with a tilt angle of 27°; where these ranges vary depends on the selected cities as can be seen in Figure 4. This production represents 1.62 to 2.29 times the future electricity consumption for households in 2030 and represents 2.47 to 4.44 times the electricity consumption of 2016 depending on the selected city and the tilt angle.
If we change the building orientation to East-West for types A1 and A2 by rotating the building 90° counterclockwise the total electricity production will decrease except for A2 at a tilt angle of 7° the production will increase. The reduction or increase can be justified by the lower/higher power installed due to the new PV arrangement on the rotated same building shape. Consequently, the electricity production share for each residential unit will decrease in the range of 948 to 1176 kWh/year for building type A1, and in the range of -284 to 998 kWh for building type A2 depending on the tilt angles and selected city as can be seen in Figure 5 and Table 2.
Figure 5.
For East-West orientation: (a) the annual electricity production for each household unit A1 and (b) the annual electricity production for each household unit A2.
3.2. Residential Building Type B
For building orientation South-North, the annual electricity production for building type B1 (12 residential units) in four different cities at three different tilt angles are in the ranges: 47,471 kWh–49,610 kWh for the system installed power of 32 kW with a tilt angle of 27°; 47,635 kWh–49,792 kWh for the same installed power with a tilt angle of 17°; and 54,394 kWh–56,510 kWh for the system installed power of 39.36 kW with tilt angle 7°; again these ranges vary depending on the selected cities. The annual electricity production for each household unit is in the ranges 3956 kWh–4134 kWh for the system with tilt angle 27°; 3970 kWh–4149 kWh for the system with tilt angle 17°; and 4533 kWh–4709 kWh for the system with tilt angle 7°; where these ranges vary depending on the selected cities as it can be seen in Figure 6. If we compare the electricity production with future consumption in 2030 and the consumption of 2016 for each household, the production represents 0.5 to 0.73 times the 2030 electricity consumption and represents 0.77 to 1.43 times the electricity consumption in 2016. These ranges vary depending on the selected city and the tilt angles as can be seen in Table 2.
Figure 6.
For South-North orientation: (a) the annual electricity production for each household unit B1 and (b) the annual electricity production for each household unit B2.
For building type B2 (24 residential units) the annual electricity production is higher than B1 due to the fact that the roof is larger. However, the annual electricity production for each household unit is close to the building type B1, because the share of the roof is almost the same. This production for each household is in the range 3964 kWh–4153 kWh for the system installed power of 63.14 kW with a tilt angle of 27°; 4023 kWh–4206 kWh for the same installed power with a tilt angle of 17°; and 4801 kWh–5027 kWh for the system installed power of 81.6 kW with a tilt angle of 7°; where these ranges vary depends on the selected cities as can be seen in Figure 6. This production represents 0.51 to 0.78 times the 2030 electricity consumption for households and represents 0.77 to 1.51 times the electricity consumption of 2016 depending on the selected city and the tilt angle.
As in the case of building types A1 and A2, if we change the building orientation to East-West for building types B1 and B2 the total electricity production will decrease except for B1 at a tilt angle of 7° the production will increase. Consequently, the electricity production share for each residential unit will decrease in the range of −330 to 274 kWh/year for building type B1 and in the range of 34 to 99 kWh/year for building type B2 depending on the tilt angles and selected city as it can be seen in Figure 7 and Table 2.
Figure 7.
For East-West orientation: (a) the annual electricity production for each household unit B1 and (b) the annual electricity production for each household unit B2.
3.3. Residential Building Type C
For building orientation South-North, the annual electricity production for building type C1 (four residential units) in four different cities at three different tilt angles are in the ranges 30,373 kWh–31,715 kWh for the system installed power of 20.5 kW with a tilt angle of 27°; 30,608 kWh–31,943 kWh for the same installed power with a tilt angle of 17°; and 31,232 kWh–32,916 kWh for the system installed power of 25 kW with a tilt angle of 7°; again these ranges vary depending on the selected cities. The annual electricity production for each household unit are in the ranges 7593 kWh–7929 kWh for the system with tilt angle 27°; 7652 kWh–7986 kWh for the system with tilt angle 17°; and 7708 kWh–8229 kWh for the system with tilt angle 7°; where these ranges vary depending on the selected cities as can be seen in Figure 8. If we compare the electricity production with future consumption in 2030 and the consumption of 2016 for each household, the production represents 0.96 to 1.26 times the 2030 electricity consumption and represents 1.47 to 2.42 times the electricity consumption in 2016. These ranges vary depending on the selected city and the tilt angles as can be seen in Table 2.
Figure 8.
For South-North orientation: (a) the annual electricity production for each household unit C1 and (b) the annual electricity production for each household unit C2.
For building type C2 (eight residential units) the total annual electricity production is higher than C1 due to the fact that the roof is larger. However, the annual electricity production for each household unit is less than C1, because the household unit share of the roof area is less than the share in building type C1. This production for each household is in the range 5167 kWh–5381 kWh for the system installed power of 29.52 kW with a tilt angle of 27°; 5407 kWh–5665 kWh for the same installed power with a tilt angle of 17°; and 5665 kWh–5905 kWh for the system installed power of 35.7 kW with tilt angle 7°; where these ranges vary depends on the selected cities as can be seen in Figure 8. This production represents 0.66 to 0.92 times the 2030 electricity consumption for households and represents 1.0 to 1.78 times the electricity consumption of 2016 depending on the selected city and the tilt angle.
If we change the building orientation to East-West for building type C1 the total electricity production will increase, because the spacing between the arrays is higher which will increase the efficiency. Consequently, the electricity production share for each residential unit will increase in the range of 92 to 1376 kWh/year. For building type C2 the total electricity production will decrease, except for the PV system at a tilt angle of 7° the production will increase. The electricity production for each household will change in the range of 14 to -214 kWh/year depending on the tilt angles and selected city as it can be seen in Figure 9 and Table 2.
Figure 9.
For East-West orientation: (a) the annual electricity production for each household unit C1 and (b) the annual electricity production for each household unit C2.
From the results above, it could be concluded that electricity production from the PV solar panel is totally dependent on the building type. The energy production for building type A and B is more for North-South orientation while building type C has more energy production for East-West orientation. The tilt angles 27 and 17 give almost similar results for the different building types and they give the best specific yearly yield (kWh production for each installed kW) since PV array production totally depends on the tilt angle (for maximum solar energy capture) and the space between the arrays (self-shading effect). Because the tilt angle 27 is the optimum tilt angle for achieving the highest energy for most cities in Palestine, it requires a further distance between the arrays, which has a negative shading effect by reducing the resulting energy. On the other hand, the angle 17 does not give the highest energy output, but it requires less distance between the arrays. Therefore, if there is enough spacing between the arrays and enough area on the building roof then the best tilt angle for maximum PV production is about 27° for the same kW power installed. However, if there is limited space between the arrays, then the maximum production is at the tilt angle 17°, for the same kW power installed. For Example A1: South-North (Hebron city) the total production at 27° and space is 1.4 m is equal 36,189 kWh, while at 17°, and space is 1.2 m the total production is 35,896 kWh. For A2: South-North (Hebron city) the total production at 27° and space is 1.3 m is equal 53,257 kWh, while at 17°, and space is 1.2 m the total production is 53,551 kWh. While the tilt angle 7 gives the best yearly kWh production for each m2 of the roof area since it has the maximum installed kW.
For building types, A1 and A2, where the share of roof area for each apartment unit is high (150–200 m2), installing PV systems at the optimum tilt angle of 27° will provide the building with the electricity with low investment (low installed power). The production for A1 apartments is around 3 to 5 times its electricity consumption in 2016 and around 2 to 3 times the consumption in 2030, depending on the selected city, and the production for A2 apartments is 2.5 to 4 times its electricity consumption in 2016 and 1.5 to 2 times the electricity consumption in 2030 depending on the orientation and the selected city.
For building type C1 where the share of the roof area for each apartment unit is (45 m2), installing a PV system at the tilt angle of 17° will give the space to increase the distance between PV arrays and increase the total production. The production for C1 apartments is around 1.5 to 2.45 itis electricity consumption in 2016 and around 0.97 to 1.27 times electricity consumption in 2030. For building type C2 where the share of the roof area for each apartment unit is low (31 m2), installing a PV system at the tilt angle of 7° will give the best production to cover its electricity consumption. The production for each apartment is around 1.1 to 1.84 its electricity consumption in 2016 and around 0.72 to 0.95 times electricity consumption in 2030 depending on the orientation and the selected city.
For building types, B1 and B2, where the share of the roof area for each apartment unit is low (25 m2), installing a PV system at the lower tilt angle of 7° will give the space to install more power and increase the total electricity production. The production for B1 and B2 apartments is around 0.75 to 1.78 times its electricity consumption in 2016 and around 0.6 to 0.75 times the consumption in 2030, depending on the orientation and the selected city.
The evaluation of the payback period and the economic benefits of installing PV systems, perform the analysis for all building types and all Palestinian cities taking into consideration different possibilities for tilt angles can be considered as limitations for this study. Moreover, it is recommended to examine the expected effect of installing these PV systems on the urban energy demands in the Palestinian cities since some building types can produce a surplus of their electricity consumption.
4. Conclusions
Although the problems for the energy sector in Palestine are well known, evaluating the solar energy production for the targeted residential buildings typologies in this climatic and economic contest has not been done before. The results from this research can support the efforts toward future energy sustainability and the use of solar energy in residential buildings.
The research used a new developed approach which brings together a combination of energy consumption in residential buildings, surveying the most used residential typologies and renewable energy production for different scenarios using computer simulation tools. This research will contribute to the evaluation studies needed for decision making and scientific communities in terms of new results, evaluating the parameters affecting energy production from installing PV on residential buildings and a proposed approach to achieve energy sustainability.
The sunshine availability (around 3000 h/year) and the high solar radiation intensity, which can reach up to 2050 kWh/m2 in this region, make the PV system one of the best options for residential building owner’s to invest in renewable energy. A 1 kW system in Palestine installed at the rooftop at optimum tilt and orientation angles generates up to 1635 kWh/year in Hebron, 1613 kWh/year in Jerusalem, 1562 kWh/year in Nablus, and 1557 kWh in Gaza city. These results are in line with the results from another study in a neighboring country which gives around 1560 KWh annual production [43]. The annual kWh production per m2 for the Palestinian cities could reach 250 kWh/m2 per year. There is a small difference in power production by PV solar panels for the Palestinian cities. Hebron has the highest power production where Gaza city has the lowest. PV installation on the rooftop of residential buildings can provide electricity production compared to the buildings consumption in ranges between 0.5 to 6 times depending on the selected city, building type and shape, tilt angle, spacing between arrays, building orientation and installed power. These results can be adapted in similar climatic conditions and similar building types, especially in the east Mediterranean region.
Residential buildings in urban areas in Palestinian cities have the potential to provide electricity production to mitigate the current and future increasing electricity demand in Palestine. Building types A1 with two residential units and A2 with four residential units can give an electricity production that surpasses their average current and 2030 future electricity consumption. While building types B1 with 12 residential units and B2 with 24 residential units can produce more than half their current and future electricity consumption. Building type C1 with four residential units can produce its future electricity consumption, and around double the electricity consumption in 2016. Building types C2 with 8 residential units can produce more than half its future electricity consumption for households in 2030 and represents its electricity consumption of 2016.
Changing building orientation for the same roof area will result in different distribution on solar PV arrays and can result in decreasing or increasing the electricity production depending on the building dimensions (the building length on the S-N or E-W) and spacing between the PV arrays. The tilt angle can play an important role in determining the quantity of the PV installation based on the available roof area, the number of floors, and the number of residential units.
The highest specific yearly yield from PV systems (kWh generated by 1kWp) occurs at the optimum tilt angle (27°), however, the installed power and the total building electricity production is the lowest, due to the large distance between PV arrays. This can be the best option for building type (A) as there is enough area for electricity production (roof area/number of household units). The lower tilt angle of around 7° is the best option for low rooftop availability (roof area/number of household units) for installing PV systems, as it gives the highest installed power and the highest electricity production, this is because the distance between PV arrays is small which will allow for more PV power installation. This can be the best option for building types (B) and (C). If there is enough spacing between the arrays and enough area on the building roof, then the best tilt angle for maximum PV production is about 27° for the same kW power installed. If there is limited space between the arrays, then the maximum production is about 17°, for the same kW power installed.
The tilt angles 27° and 17° give almost similar results for the different building types and they give the best specific yearly yield (kWh production for each installed kW). While the tilt angle 7° gives the best yearly kWh production for each m2 of the roof area. The specific yearly yield could reach 1650 kWh/kW at tilt angle 27° and the kWh production per m2 could also reach 250 kWh/m2/year for tilt angle 7°.
Author Contributions
S.M., R.A., and A.J. conceived and performed the article. R.A., S.M. and A.J. simulated and analyzed the data; S.M., A.J., M.I. and R.A. wrote the paper. All authors revised the manuscript. They share the structure and aims of the manuscript, paper drafting, editing and review. All authors have read and approved the final manuscript.
Funding
This research received no external funding.
Conflicts of Interest
The authors declare no conflict of interest.
References
- Dehwah, A.H.; Asif, M.; Rahman, M.T. Prospects of PV application in unregulated building rooftops in developing countries: A perspective from Saudi Arabia. Energy Build. 2018, 171, 76–87. [Google Scholar] [CrossRef]
- Vulkan, A.; Kloog, I.; Dorman, M.; Erell, E. Modeling the potential for PV installation in residential buildings in dense urban areas. Energy Build. 2018, 169, 97–109. [Google Scholar] [CrossRef]
- Davies, D.; Ruyssevelt, P.; Munro, D.; Bates, J. Photovoltaics (PV)-electricity from the sun. In Investment in Renewable Energy. Proceedings; Institution of Mechanical Engineers: London, UK, 1998. [Google Scholar]
- Beckers, B. (Ed.) Solar Energy at Urban Scale; John Wiley & Sons: Hoboken, NJ, USA, 2013. [Google Scholar]
- Kazem, H.A.; Khatib, T. Techno-economical assessment of grid connected photovoltaic power systems productivity in Sohar, Oman. Sustain. Energy Technol. Assess. 2013, 3, 61–65. [Google Scholar] [CrossRef]
- Jacobson, M.Z.; Jadhav, V. World estimates of PV optimal tilt angles and ratios of sunlight incident upon tilted and tracked PV panels relative to horizontal panels. Sol. Energy 2018, 169, 55–66. [Google Scholar] [CrossRef]
- Salameh, T.; Tawalbeh, M.; Juaidi, A.; Abdallah, R.; Issa, S.; Alami, A.H. A novel numerical simulation model for the PVT water system in the GCC region. In Proceedings of the 2020 Advances in Science and Engineering Technology International Conferences (ASET), Dubai, UAE, 4 February–9 April 2020; pp. 1–5. [Google Scholar]
- Salameh, T.; Tawalbeh, M.; Juaidi, A.; Abdallah, R.; Hamid, A.K. A novel three-dimensional numerical model for PV/T water system in hot climate region. Renew. Energ. 2020, 164, 1320–1333. [Google Scholar] [CrossRef]
- Khan, J.; Arsalan, M.H. Solar power technologies for sustainable electricity generation e a review. Renew. Sustain. Energy Rev. 2016, 55, 414–425. [Google Scholar] [CrossRef]
- Traverso, M.; Asdrubali, F.; Francia, A.; Finkbeiner, M. Towards life cycle sustainability assessment: An implementation to photovoltaic modules. Int. J. Life Cycle Assess. 2012, 17, 1068–1079. [Google Scholar] [CrossRef]
- Magrassi, F.; Rocco, E.; Barberis, S.; Gallo, M. Hybrid solar power system versus photovoltaic plant: A comparative analysis through a life cycle approach. Renew. Energ. 2019, 130, 290–304. [Google Scholar] [CrossRef]
- Li, L.; Zhang, J. Optimal Design of Solar Photovoltaic and Concentrated Solar Power System for Coal-Fired Power Plants in NSW; University of Technology Sydney: Ultimo, Australia, 2020. [Google Scholar]
- European Parliament, Directive (EU) 2018/844 of 30 May 2018 Amending 556 Directive 2010/31/EU on the Energy Performance of Buildings and Directive 557 2012/27/EU on Energy Efficiency. 2018. Available online: https://ec.europa.eu/energy/topics/energy-efficiency/energy-efficient-buildings/energy-performance-buildings-directive_en (accessed on 12 August 2020).
- Toledo, C.; López-Vicente, R.; Abad, J.; Urbina, A. Thermal performance of PV modules as building elements: Analysis under real operating conditions of different technologies. Energy Build. 2020, 55, 110087. [Google Scholar] [CrossRef]
- Ratti, C.; Baker, N.; Steemers, K. Energy consumption and urban texture. Energy Build. 2005, 37, 762–776. [Google Scholar] [CrossRef]
- Li, D.; Liu, G.; Liao, S. Solar potential in urban residential buildings. Sol. Energy 2015, 111, 225–235. [Google Scholar] [CrossRef]
- Peronato, G.; Rey, E.; Andersen, M. Sampling of building surfaces towards an early assessment of BIPV potential in urban contexts. In Proceedings of the 31st International PLEA Conference (No. CONF), Bologna, Italy, 9–11 September 2015. [Google Scholar]
- Lee, K.S.; Lee, J.W.; Lee, J.S. Feasibility study on the relation between housing density and solar accessibility and potential uses. Renew. Energy 2016, 85, 749–758. [Google Scholar] [CrossRef]
- Moran, P.; O’Connell, J.; Goggins, J. Sustainable energy efficiency retrofits as residential buildings move towards nearly zero energy building (NZEB) standards. Energy Build. 2020, 211, 109816. [Google Scholar] [CrossRef]
- Gaglia, A.G.; Dialynas, E.N.; Argiriou, A.A.; Kostopoulou, E.; Tsiamitros, D.; Stimoniaris, D.; Laskos, K.M. Energy performance of European residential buildings: Energy use, technical and environmental characteristics of the Greek residential sector–energy conservation and CO₂ reduction. Energy Build. 2019, 183, 86–104. [Google Scholar] [CrossRef]
- Sharma, A.; Kolhe, M.; Konara, K.M.S.Y.; Ulltveit-Moe, N.; Muddineni, K.; Mudgal, A.; Garud, S. Performance assessment of institutional photovoltaic based energy system for operating as a micro-grid. Sustain. Energy Technol. Assess. 2020, 37, 100563. [Google Scholar] [CrossRef]
- Poullikkas, A. A comparative assessment of net metering and feed in tariff schemes for residential PV systems. Sustain. Energy Technol. Assess. 2013, 3, 1–8. [Google Scholar] [CrossRef]
- Juaidi, A.; Montoya, F.G.; Ibrik, I.H.; Manzano-Agugliaro, F. An overview of renewable energy potential in Palestine. Renew. Sustain. Energy Rev. 2016, 65, 943–960. [Google Scholar] [CrossRef]
- Abdallah, R.; Juaidi, A.; Abdel-Fattah, S.; Manzano-Agugliaro, F. Estimating the Optimum Tilt Angles for South-Facing Surfaces in Palestine. Energies 2020, 13, 623. [Google Scholar] [CrossRef]
- Abu-Hafeetha, M. Planning for Solar Energy as an Energy Option for Palestine. Master’s Thesis, An-Najah National University, Nablus, Palestina, 2019. [Google Scholar]
- Palestinian Central Bureau of Statistics (PCBS). In Energy Consumption in the Palestinian Territory, Annual Report, Ramallah. 2017. Available online: http://www.pcbs.gov.ps/default.aspx (accessed on 20 April 2020).
- The World Bank. West Bank and Gaza Energy Efficiency Action Plan 2020–2030 World Bank Final Report, June 2016; The World Bank: Washington, DC, USA, 2016. [Google Scholar]
- Coccolo, S.; Monna, S.; Kämpf, J.; Mauree, D.; Scartezzini, J.-L. Energy demand and urban microclimate of old and new residential districts in a hot arid climate. In Proceedings of the PLEA 2016 Buildings, People: Towards Regenerative Environments, Los Angeles, CA, USA, 11–13 July 2016. [Google Scholar]
- Haasona, F. Palestinian Energy and Natural Resources Authority; Palestinian Authority: Ramallah, Palestine, 2019. [Google Scholar]
- Arda, M.A.D.A.; Sharqieh, O.; Taha, M. Recommended National Sustainable Urban and Energy Savings Actions for Palestine, Cleaner Energy Saving Mediterranean Cities. Palestine Report, Project Funded by European Union. 2015. Available online: https://www.climamed.eu/wp-content/uploads/files/Palestine-Report-Recommended-National-Sustainable-Urban-and-Energy-Savings-Actions.pdf (accessed on 7 December 2020).
- Esawi, O. Innovative Solutions for Low-cost Housing in Gaza Strip. Islamic Univ. J. (Ser. Nat. Stud. Eng.) 2008, 16, 131–154. [Google Scholar]
- Abu, O.M. Evaluation of Housing Projects in the West Bank—Case Study in Nablus, Ramallah, and Jenin Cities. Master’s Thesis, An-Najah National University, Nablus, Palestine, 2013. [Google Scholar]
- MLG. Buildings System and Regulation of the Land Outside the Boundaries of Local Bodies; Report; Palestinian Ministry of Local Government: Ramallah, Palestine, 2016.
- MLG. Building and Organization System for Local Authorities No. (6) of 2011; Report; Palestinian Ministry of Local Government: Ramallah, Palestine, 2011.
- Elewi, H. Functional Adaptability of Multi-Story Residential Buildings Nablus City Case Study. Master’s Thesis, An-Najah National University, Nablus, Palestine, 2019. [Google Scholar]
- Itma, M. Impact of Sociocultural Values on Housing Design in Palestine. In Climate Change and Sustainable Heritage; Hofbauer, C.K., Kandjani, E.M., Meuwissen, J.M.C., Eds.; Cambridge Scholars Publishing, Lady Stephenson Library: Newcastle upon Tyne, UK, 2018; pp. 130–142. [Google Scholar]
- PLA the Palestinian Land Authority. Available online: http://www.pla.pna.ps/:7–2020 (accessed on 3 January 2020).
- Applied Research Institute-Jerusalem. Monitoring Report 2003. Available online: https://www.arij.org/ (accessed on 20 April 2020).
- Available online: https://valentin-software.com/en/products/pvsol-premium/ (accessed on 27 April 2020).
- Abdallah, R.; Natsheh, E.; Juaidi, A.; Samara, S.; Manzano-Agugliaro, F. A Multi-Level World Comprehensive Neural Network Model for Maximum Annual Solar Irradiation on a Flat Surface. Energies 2020, 13, 6422. [Google Scholar] [CrossRef]
- Johnson, D.O.; Ogunseye, A.A. Grid-connected photovoltaic system design for local government offices in Nigeria. Nigerian J. Technol. 2017, 36, 571–581. [Google Scholar] [CrossRef][Green Version]
- Copper, J.K.; Sproul, A.B.; Bruce, A.G. A method to calculate array spacing and potential system size of photovoltaic arrays in the urban environment using vector analysis. Appl. Energy 2016, 161, 11–23. [Google Scholar] [CrossRef]
- Faiman, D.; Feuermann, D.; Ibbetson, P.; Medwed, B.; Zemel, A. PV Systems for Israel’s Cities: How Large Should They be? A Design Guide; 20 0 0 RD-24–99; Israel Ministry of National Infrastructures: Jerusalem, Israel, 2000.
Publisher’s Note: MDPI stays neutral with regard to jurisdictional claims in published maps and institutional affiliations. |
© 2020 by the authors. Licensee MDPI, Basel, Switzerland. This article is an open access article distributed under the terms and conditions of the Creative Commons Attribution (CC BY) license (http://creativecommons.org/licenses/by/4.0/).





