Life-Cycle Assessment of Strengthening Pre-Stressed Normal-Strength Concrete Beams with Different Steel-Fibered Concrete Layers
Abstract
1. Introduction
2. Materials and Methods
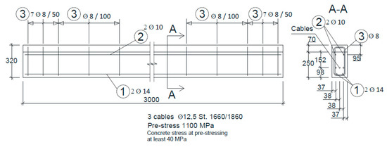
2.1. Beam Designs and Concrete Mixtures
2.2. Life-Cycle Assessment and Statistical Evaluations
2.2.1. The First Step
2.2.2. The Second Step
2.2.3. The Third Step
2.2.4. The Fourth Step
3. Results and Discussion
3.1. The ReCiPe2016 Midpoint Results
3.2. The ReCiPe2016 Endpoint-Single-Score Results
4. Conclusions
Author Contributions
Funding
Acknowledgments
Conflicts of Interest
Appendix A
Energy Required for Pre-Stressing the Beams


| Cable Length , m | Cable Diameter , mm | Pre-Stressing Stress , MPa | Modulus of Elasticity, , MPa |
|---|---|---|---|
| 3 | 12.5 | 1100 | 195,000 |
References
- Al-Osta, M.A.; Isa, M.N.; Baluch, M.H.; Rahman, M.K. Flexural behavior of reinforced concrete beams strengthened with ultra-high performance fiber reinforced concrete. Constr. Build. Mater. 2017, 134, 279–296. [Google Scholar] [CrossRef]
- Iskhakov, I.; Ribakov, Y. A design method for two-layer beams consisting of normal and fibered high strength concrete. Mater. Des. 2007, 28, 1672–1677. [Google Scholar] [CrossRef]
- Rahman, S.; Molyneaux, T.; Patnaikuni, I. Ultra high performance concrete: Recent applications and research. Aust. J. Civ. Eng. 2005, 2, 13–20. [Google Scholar] [CrossRef]
- Iskhakov, I.; Ribakov, Y.; Holschemacher, K.; Kaeseberg, S. Experimental investigation and comparison of prestressed single-layer and repaired two-layer reinforced concrete beams. Struct. Concr. 2020. [Google Scholar] [CrossRef]
- Turker, K.; Torun, I.B. Flexural performance of highly reinforced composite beams with ultra-high performance fiber reinforced concrete layer. Eng. Struct. 2020, 219, 110722. [Google Scholar] [CrossRef]
- Bilim, C.; Atis, C.D.; Tanyildizi, H.; Karahan, O. Predicting the compressive strength of ground granulated blast furnace slag concrete using artificial neural network. Adv. Eng. Softw. 2009, 40, 334–340. [Google Scholar] [CrossRef]
- Stengel, T.; Schiessl, P. Life cycle assessment (LCA) of ultra high performance concrete (UHPC) structures. In Eco-Efficient Construction and Building Materials; Woodhead Publishing: Cambridge, UK, 2014; Volume 22, pp. 528–564. ISBN 978-0-85709-045-4. [Google Scholar]
- Al-Mashhadani, M.M.; Canpolat, O.; Aygormez, Y.; Uysal, M.; Erdem, S. Mechanical and microstructural characterization of fiber reinforced fly ash based geopolymer composites. Constr. Build. Mater. 2018, 167, 505–513. [Google Scholar] [CrossRef]
- Iskhakov, I.; Ribakov, Y.; Holschemacher, K.; Mueller, T. Experimental Investigation of Full Scale Two-Layer Reinforced Concrete Beams. Mech. Adv. Mater. Struct. 2014, 21, 273–283. [Google Scholar] [CrossRef]
- Van den Heede, P.; De Belie, N. Environmental impact and life cycle assessment (LCA) of traditional and ‘green’ concretes: Literature review and theoretical calculations. Cem. Concr. Compos. 2012, 34, 431–442. [Google Scholar] [CrossRef]
- ISO 14040 (International Organization for Standardization). Environmental Management Life Cycle Assessment Principles and Framework; International Organization for Standardization: Geneva, Switzerland, 2006. [Google Scholar]
- Habert, G.; Denarie, E.; Sajna, A.; Rossi, P. Lowering the global warming impact of bridge rehabilitations by using Ultra High Performance Fibre Reinforced Concretes. Cem. Concr. Compos. 2013, 38, 1–11. [Google Scholar] [CrossRef]
- Hajiesmaeili, A.; Pittau, F.; Denarie, E.; Habert, G. Life Cycle Analysis of Strengthening Existing RC Structures with R-PE-UHPFRC. Sustainability 2019, 11, 6923. [Google Scholar] [CrossRef]
- Zingg, S.; Habert, G.; Lämmlein, T.; Lura, P.; Denarié, E.; Hajiesmaeili, A. Environmental Assessment of Radical Innovation in Concrete Structures. In Proceedings of the 2016 Sustainable Built Environment (SBE) Regional Conference, Zürich, Switzerland, 15–17 June 2016; pp. 682–687. [Google Scholar]
- Comité Européen de Normalisation (CEN) EN 206-1, Concrete—Part 1: Specification, Performance, Production and Conformity. 2000. Available online: https://infostore.saiglobal.com/preview/98701310834.pdf?sku=869760_SAIG_NSAI_NSAI_2068246 (accessed on 10 May 2020).
- ISO 13315-1 (International Organization for Standardization). Environmental Management for Concrete and Concrete Structures 2012, Part. 1: General Principles; International Organization for Standardization: Geneva, Switzerland, 2012. [Google Scholar]
- Napolano, L.; Menna, C.; Asprone, D.; Prota, A.; Manfredi, G. Life cycle environmental impact of different replacement options for a typical old flat roof. Int. J. Life Cycle Assess. 2015, 20, 694–708. [Google Scholar]
- PRé Consultants. SimaPro; Version 9.0. 0.35; PRé Consultants: Amersfoort, The Netherlands, 2019. [Google Scholar]
- Thompson, M.; Ellis, R.; Wildavsky, A. Political cultures. In Cultural Theory; Westview Press: Boulder, CO, USA, 1990. [Google Scholar]
- Huijbregts, M.A.J.; Steinmann, Z.J.N.; Elshout, P.M.F.; Stam, G.; Verones, F.; Vieira, M.; Zijp, M.; Hollander, A.; van Zelm, R. ReCiPe2016: A harmonised life cycle impact assessment method at midpoint and endpoint level. Int. J. Life Cycle Assess. 2017, 22, 138–147. [Google Scholar]
- Pushkar, S. The Effect of Different Concrete Designs on the Life-Cycle Assessment of the Environmental Impacts of Concretes Containing Furnace Bottom-Ash Instead of Sand. Sustainability 2019, 11, 4083. [Google Scholar] [CrossRef]
- Picquelle, S.J.; Mier, K.L. A practical guide to statistical methods for comparing means from two-stage sampling. Fish. Res. 2011, 107, 1–13. [Google Scholar]
- Pushkar, S. Modeling the substitution of natural materials with industrial byproducts in green roofs using life cycle assessments. J. Clean. Prod. 2019, 227, 652–661. [Google Scholar] [CrossRef]
- Hurlbert, S.H.; Lombardi, C.M. Final collapse of the Neyman-Pearson decision theoretic framework and rise of the neoFisherian. Ann. Zool. Fenn. 2009, 46, 311–349. [Google Scholar] [CrossRef]
- Abdulkareem, M.; Havukainen, J.; Horttanainen, M. How environmentally sustainable are fibre reinforced alkali-activated concretes? J. Clean. Prod. 2019, 236, 117601. [Google Scholar] [CrossRef]
- Chen, C.; Habert, G.; Bouzidi, Y.; Jullien, A. Environmental impact of cement production: Detail of the different processes and cement plant variability evaluation. J. Clean. Prod. 2010, 18, 478–485. [Google Scholar] [CrossRef]
- O’Brien, K.R.; Ménaché, J.; O’Moore, L.M. Impact of fly ash content and fly ash transportation distance on embodied greenhouse gas emissions and water consumption in concrete. Int. J. Life Cycle Assess. 2009, 14, 621–629. [Google Scholar] [CrossRef]
- Celik, K.; Meral, C.; Gursel, A.P.; Mehta, P.K.; Horvath, A.; Monteiro, P.J.M. Mechanical properties, durability, and life-cycle assessment of self-consolidating concrete mixtures made with blended Portland cements containing fly ash and limestone powder. Cem. Concr. Compos. 2015, 56, 59–72. [Google Scholar] [CrossRef]
- Gursel, A.P.; Ostertag, C.P. Impact of Singapore’s importers on life-cycle assessment of concrete. J. Clean. Prod. 2016, 118, 140–150. [Google Scholar] [CrossRef]







| Materials (Per Beam) | Beam | ||
|---|---|---|---|
| Base Case | Case 1 | Case 2 | |
| Water (kg) | 14.96 | 19.37 | 25.34 |
| Cement C-2A-LL (kg) | 39.38 | 51.98 | 39.38 |
| Cement Type I (kg) | - | - | 57.51 |
| Dune sand (kg) | - | - | 64.22 |
| 0/2 Sand (kg) | 81.02 | 102.45 | 81.02 |
| 2/8 Gravel (kg) | 50.93 | 64.56 | 50.93 |
| 8/16 Gravel (kg) | 72.35 | 91.98 | 72.35 |
| Fly ash (kg) | 7.88 | 11.03 | 7.88 |
| Micro-silica (kg) | - | - | 14.06 |
| Super-plasticizer (kg) | 0.95 | 1.26 | 3.52 |
| Retarder (kg) | 0.26 | 0.35 | 0.26 |
| Steel fibers (kg) | 0.00 | 1.26 | 10.03 |
| Reinforcement steel (kg) | 28.23 | 29.66 | 28.23 |
| Concrete density (kg/m3) | 2380 | SFHSC 2429 NSC 2380 | UHPFRC 2485 NSC 2380 |
| Super-plasticizer type | BV10 | BV10 | BV10 |
| Super-plasticizer volume (% of Cem+Ash) | 2 | 2 | 2 |
| Retarder type | VZ1 | VZ1 | VZ1 |
| Retarder’s volume (% of Cem+Ash) | 0.56 | 0.56 | 0.56 |
| Energy for beam pre-stressing (J) | 3426.7 | 3426.7 | 3426.7 |
| Material/Process | Reference |
|---|---|
| Water treatment | Tap water, at user/CH U |
| Cement, CEM II/A-M with 6–20% granulated slag and limestone | Portland slag sand cement, at plant CH/U |
| 0/2 sand, natural sand, a fraction size of 0 to 2 mm | Sand, at mine CH/U |
| 2/8 gravel, gravel, a fraction size of 2 to 8 mm | Gravel, crushed, at mine CH/U |
| 8/16 gravel, gravel with a fraction size of 8 to 16 mm | Gravel, crushed, at mine CH/U |
| Super-plasticizer | Polycarboxylates, 40% active substance |
| Retarder | Borax, anhydrous, powder |
| Steel fibers, straight fibers with end hooks, with a length of 50 mm and a diameter of 1 mm | Steel wire rod/EU |
| Steel bars, normal ductile steel bars | Steel rebar/EU |
| Transportation | Lorry transport, Euro 0, 1, 2, 3, 4 mix, 22 t total weight,17.3 t |
| Energy for beam pre-stressing | Electricity, production DE, at grid DE/U |
| Disposal of reinforced concrete | Disposal, building, reinforced concrete, to final disposal/CH U |
| Water treatment | Tap water, at user/CH U |
| Material | Producer/Supplier Location | Distance (km) |
|---|---|---|
| Cement | Karsdorf | 75 |
| 0/2 sand | Sand quarry | 45 |
| 2/8 gravel and 8/16 gravel | Brand-Erbisdorf | 122 |
| Super-plasticizer and retarder | BASF at Staßfurt | 98 |
| Steel fibers and steel bars | Neidenstein | 472 |
| Fly ash | Langgons | 351 |
| Production Process | GWP 1 (kg CO2) | TE 2 (kg 1,4-DCB 5) | FRS 3 (kg Oil eq) | WC 4 (m3) |
|---|---|---|---|---|
| Water treatment (1 kg) | 0.000171 | 0.000409 | - | 0.00448 |
| Cement production (1 kg) | 0.192 | 0.251 | - | 0.565 |
| Sand extraction (1 kg) | 0.00242 | 0.0067 | - | 0.026 |
| Gravel extraction (1 kg) | 0.00445 | 0.0167 | - | 0.081 |
| Super-plasticizer (1 kg) | 1.03 | 5.53 | 0.476 | 0.02 |
| Retarder (1 kg) | 1.62 | 2.06 | 0.484 | 0.00634 |
| Steel-fiber production (1 kg) | 2.32 | 0.677 | 0.527 | 0.0705 |
| Steel bar production (1 kg) | 2.31 | 0.381 | 0.471 | 0.00246 |
| Transportation (1 tkm) | 0.0663 | 0.00589 | 0.0201 | 0.00000529 |
| Energy for beam pre-stressing (1 J) | 0.00000018 | 0.000000058 | - | 0.00000057 |
© 2020 by the authors. Licensee MDPI, Basel, Switzerland. This article is an open access article distributed under the terms and conditions of the Creative Commons Attribution (CC BY) license (http://creativecommons.org/licenses/by/4.0/).
Share and Cite
Pushkar, S.; Ribakov, Y. Life-Cycle Assessment of Strengthening Pre-Stressed Normal-Strength Concrete Beams with Different Steel-Fibered Concrete Layers. Sustainability 2020, 12, 7958. https://doi.org/10.3390/su12197958
Pushkar S, Ribakov Y. Life-Cycle Assessment of Strengthening Pre-Stressed Normal-Strength Concrete Beams with Different Steel-Fibered Concrete Layers. Sustainability. 2020; 12(19):7958. https://doi.org/10.3390/su12197958
Chicago/Turabian StylePushkar, Svetlana, and Yuri Ribakov. 2020. "Life-Cycle Assessment of Strengthening Pre-Stressed Normal-Strength Concrete Beams with Different Steel-Fibered Concrete Layers" Sustainability 12, no. 19: 7958. https://doi.org/10.3390/su12197958
APA StylePushkar, S., & Ribakov, Y. (2020). Life-Cycle Assessment of Strengthening Pre-Stressed Normal-Strength Concrete Beams with Different Steel-Fibered Concrete Layers. Sustainability, 12(19), 7958. https://doi.org/10.3390/su12197958
