Numerical Analysis of a Solar Tower Receiver Novel Design
Abstract
1. Introduction
1.1. General Considerations
1.2. Literature Review
1.3. Aims of Research
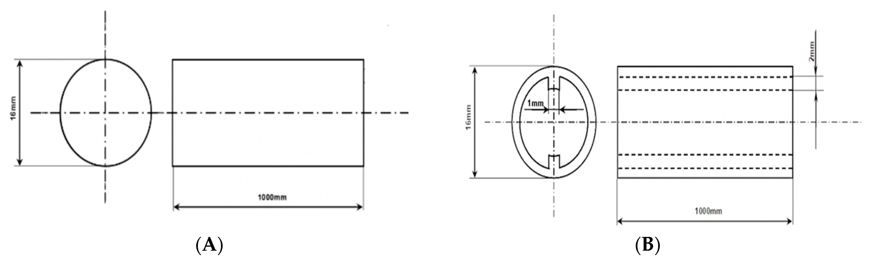
2. Proposed Receiver Tube Geometries
3. Mathematical Model
3.1. Conservation Equations
3.2. Turbulence
3.3. Boundary Conditions
3.4. CFD Modeling
4. Results and Discussions
- The flow is permanent and there is no internal heat dissipation.
- The thermal conductivity of the fin, k, is constant.
- The convective exchange coefficient, h, is uniform over the entire surface of the fin.
4.1. Influence of the Fin Pitch on the Temperature Evolution
4.2. Influence of the Fin Pitch on the Velocity Profile
4.3. Influence of the Number of Fins on the Evolution of the Temperature
4.4. Influence of the Number of Fins on the Velocity Profile
5. Conclusions
- The fins increase the heat flux transferred from the solid to the fluid.
- In order to obtain higher temperatures, it is necessary to minimize the fin pitch.
- The decrease of the fin pitch increases the flow velocity.
- A significant change in temperature was noticed at the solar receiver output by increasing the number of fins.
- The number of fins does not affect the values of the flow velocity.
- Increasing the flow rate to decrease the temperature and thus produce more electrical energy.
- Reducing the heliostats field to minimize the cost of projects and gain land surface.
Author Contributions
Funding
Conflicts of Interest
Abbreviation
| Acronyms | |
| CFD | Computational Fluid Dynamics. |
| HTF | Heat transfer fluid. |
| SPT | Solar power tower. |
| SR | Radiant heat source |
| 3D | Three-dimensional. |
| k-ε | Turbulence model. |
| Symbols | |
| Y | Outlet vertical radial position (mm). |
| cp | Specific heat (J/kgK) |
| D | diameter (m) |
| G | gravity (m/s2) |
| Gkt | generation of turbulent kinetic energy due to the buoyancy force |
| H | convective transfer coefficient |
| K | kinetic energy |
| kt | turbulent kinetic energy |
| L | length (cm) |
| P | pressure (Pa) |
| Pkt | generation of the turbulent kinetic energy |
| Q | convective heat flux |
| S | exchange surface |
| fluctuation of temperature (K) | |
| the mean temperature (K) | |
| T | temperature of fluid (K) |
| instant of fluctuation velocity in x direction (m/s) | |
| u | inlet velocity (m/s) |
| viscosity (kg/m.s) | |
| x, y, z | system coordinate |
| density (kg/m3) | |
| turbulent Prandtl number | |
| εt | dissipation of the turbulent kinetic energy |
| ε | dissipation of the kinetic energy |
| dissipation of the kinetic energy |
References
- Müller-Steinhagen, H.; Trieb, F. Concentrating Solar Power, A Review of the Technology; Institute of Technical Thermodynamics, German Aerospace Centre (DLR): Stuttgart, Germany, 2004. [Google Scholar]
- Choudhary, P.; Srivastava, R.K. Sustainability perspectives- a review for solar photovoltaic trends and growth opportunities. J. Clean. Prod. 2019, 227, 589–612. [Google Scholar] [CrossRef]
- Praveen, R.P. Performance analysis and optimization of central receiver solar thermal power plants for utility scale power generation. Sustainability 2020, 12, 127. [Google Scholar] [CrossRef]
- Garbrecht, O.; Al-Sibai, F.; Kneer, R.; Wieghardt, K. CFD-simulation of a new receiver design for a molten salt solar power tower. Sol. Energy 2013, 90, 94–106. [Google Scholar] [CrossRef]
- Pacio, J.; Wetzel, T. Assessment of liquid metal technology status and research paths for their use as efficient heat transfer fluids in solar central receiver systems. Sol. Energy 2013, 93, 11–22. [Google Scholar] [CrossRef]
- Xu, P.; Liu, J.; Xiang, Y.; Lei, Q.; Zhou, J.; Cen, K. Numerical simulation and experimental study of the tube receiver’s performance of solar thermal power tower. Energy Procedia 2014, 61, 1618–1621. [Google Scholar] [CrossRef]
- Boerema, N.; Morrison, G.; Taylor, R.A.; Rosengarten, G. High temperature solar thermal central-receiver billboard design. Sol. Energy 2013, 97, 356–368. [Google Scholar] [CrossRef]
- Pabst, C.; Feckler, G.; Schmitz, S.; Smirnova, O.; Capuano, R.; Hirth, P.; Fend, T. Experimental performance of an advanced metal volumetric air receiver for Solar Towers. Renew. Energy 2017, 106, 91–98. [Google Scholar] [CrossRef]
- Deng, Q.; Xiao, X.; Hao, Y.; Wang, Q.; Hu, T.; Wang, Y. Heat transfer performance evaluation of a large-size cavity receiver in the solar power tower plant based on angle factors. Sol. Energy 2017, 148, 78–86. [Google Scholar] [CrossRef]
- Uhlig, R.; Flesch, R.; Gobereit, B.; Giuliano, S.; Liedke, P. Strategies enhancing efficiency of cavity receivers. Energy Procedia 2014, 49, 538–550. [Google Scholar] [CrossRef][Green Version]
- Rodríguez-Sánchez, M.R.; González, A.S.; Marugán-Cruz, C.; Santana, D. New designs of molten-salt tubular-receiver for solar power tower. Energy Procedia 2014, 49, 504–513. [Google Scholar] [CrossRef]
- Colomer, G.; Chiva, J.; Lehmkuhl, O.; Oliva, A. Advanced CFD&HT numerical modeling of solar tower receivers. Energy Procedia 2014, 49, 50–59. [Google Scholar] [CrossRef]
- Montes, M.J.; Rovira, A.; Martínez-Val, J.; Ramos, Á. Proposal of a fluid flow layout to improve the heat transfer in the active absorber surface of solar central cavity receivers. Appl. Therm. Eng. 2012, 35, 220–232. [Google Scholar] [CrossRef]
- González, A.S.; Santana, D. Solar flux distribution on central receivers: A projection method from analytic function. Renew. Energy 2015, 74, 576–587. [Google Scholar] [CrossRef]
- Qiu, K.; Yan, L.; Ni, M.; Wang, C.; Xiao, G.; Luo, Z.; Cen, K. Simulation and experimental study of an air tube-cavity solar receiver. Energy Convers. Manag. 2015, 103, 847–858. [Google Scholar] [CrossRef]
- Badar, A.W.; Buchholz, R.; Lou, Y.; Ziegler, F. CFD based analysis of flow distribution in a coaxial vacuum tube solar collector with laminar flow conditions. Int. J. Energy Environ. Eng. 2012, 3, 2251–6832. [Google Scholar] [CrossRef]
- Liao, Z.; Faghri, A. Thermal analysis of a heat pipe solar central receiver for concentrated solar power tower. Appl. Therm. Eng. 2016, 102, 952–960. [Google Scholar] [CrossRef]
- Maytorena, V.; Hinojosa, J. Three-dimensional numerical study of direct steam generation in vertical tubes receiving concentrated solar radiation. Int. J. Heat Mass Transf. 2019, 137, 413–433. [Google Scholar] [CrossRef]
- Montoya, A.; Rodríguez-Sánchez, M.R.; López-Puente, J.; Santana, D. Numerical model of solar external receiver tubes: Influence of mechanical boundary conditions and temperature variation in thermoelastic stresses. Sol. Energy 2018, 174, 912–922. [Google Scholar] [CrossRef]
- Wang, W.Q.; Qiu, Y.; Li, M.J.; Cao, F.; Liu, Z.B. Optical efficiency improvement of solar power tower by employing and optimizing novel fin-like receivers. Energy Convers. Manag. 2019, 184, 219–234. [Google Scholar] [CrossRef]
- Kanatani, K.; Yamamoto, T.; Tamaura, Y.; Kikura, H. A model of a solar cavity receiver with coiled tubes. Sol. Energy 2017, 153, 249–261. [Google Scholar] [CrossRef]
- Engineering Database of Liquid Salt Thermophysical and Thermochemical Properties. Available online: https://www.osti.gov/biblio/980801-engineering-database-liquid-salt-thermophysical-thermochemical-properties (accessed on 10 February 2020).
- Hazmoune, M.; Aour, B.; Chesneau, X.; Lazaroiu, G.; Hadjiat, M.M.; Debbache, M.; Ciupageanu, D.A. Influence of the geometric and mechanical parameters on the temperature evolution within the tubes of a receiver from a solar power tower, U.P.B. Sci. Bull. Ser. D 2020, 82, 1–14. [Google Scholar]
- Yang, X.; Yang, X.; Ding, J.; Shao, Y.; Fan, H. Numerical simulation study on the heat transfer characteristics of the tube receiver of the solar thermal power tower. Appl. Energy 2012, 90, 142–147. [Google Scholar] [CrossRef]
- Touahri, S. Phénomènes de Convection Mixte a Propriétés Variables dans les Conduits Cylindriques à Ailettes et Sans Ailettes. Ph.D. Thesis, Universite Mentouri, Constantine, Algeria, 6 December 2012. [Google Scholar]











| Quantity | Value |
|---|---|
| Mol % (Wt. %) | 7–49–44 (7–40–53) |
| Formula Weight (g/mol) | 1.77–1.98 |
| Freezing/Melting Point (K) | 415 |
| Boiling Point (K) | 1843 |
| Density (kg/m3) | 1790 |
| Specific Heat Capacity (J/kg·K) | 1560 |
| Viscosity (kg/m·s) | 0.0013–0.0016 |
| Thermal Conductivity (W/m·K) | 0.51–0.605 |
| Prandtl No. | 4.0 |
| Configuration | Pitch Length |
|---|---|
| Conf01 | 50 mm |
| Conf02 | 100 mm |
| Conf03 | 200 mm |
| Conf04 | 400 mm |
© 2020 by the authors. Licensee MDPI, Basel, Switzerland. This article is an open access article distributed under the terms and conditions of the Creative Commons Attribution (CC BY) license (http://creativecommons.org/licenses/by/4.0/).
Share and Cite
Hazmoune, M.; Aour, B.; Chesneau, X.; Debbache, M.; Ciupageanu, D.-A.; Lazaroiu, G.; Hadjiat, M.M.; Hamidat, A. Numerical Analysis of a Solar Tower Receiver Novel Design. Sustainability 2020, 12, 6957. https://doi.org/10.3390/su12176957
Hazmoune M, Aour B, Chesneau X, Debbache M, Ciupageanu D-A, Lazaroiu G, Hadjiat MM, Hamidat A. Numerical Analysis of a Solar Tower Receiver Novel Design. Sustainability. 2020; 12(17):6957. https://doi.org/10.3390/su12176957
Chicago/Turabian StyleHazmoune, Messaoud, Benaoumeur Aour, Xavier Chesneau, Mohammed Debbache, Dana-Alexandra Ciupageanu, Gheorghe Lazaroiu, Mohamed Mondji Hadjiat, and Abderrahmane Hamidat. 2020. "Numerical Analysis of a Solar Tower Receiver Novel Design" Sustainability 12, no. 17: 6957. https://doi.org/10.3390/su12176957
APA StyleHazmoune, M., Aour, B., Chesneau, X., Debbache, M., Ciupageanu, D.-A., Lazaroiu, G., Hadjiat, M. M., & Hamidat, A. (2020). Numerical Analysis of a Solar Tower Receiver Novel Design. Sustainability, 12(17), 6957. https://doi.org/10.3390/su12176957

