Next Article in Journal
On the Unbalanced Atmospheric Environmental Performance of Major Cities in China
Next Article in Special Issue
Retrofitting High-Rise Residential Building in Cold and Severe Cold Zones of China—A Deterministic Decision-Making Mechanism
Previous Article in Journal
Social Network Addiction and Its Impact on Anxiety Level among University Students
Previous Article in Special Issue
A Deep Learning Approach to Forecasting Monthly Demand for Residential–Sector Electricity
 
 
Font Type:
Arial Georgia Verdana
Font Size:
Aa Aa Aa
Line Spacing:
Column Width:
Background:
Article

Significant Implication of Optimal Capacitor Placement and Sizing for a Sustainable Electrical Operation in a Building

by
Muhd Azri Abdul Razak
1,
Muhammad Murtadha Othman
2,*,
Ismail Musirin
2,
Mohd Ainor Yahya
3 and
Zilaila Zakaria
3
1
Faculty of Electrical Engineering, Cawangan Terengganu, Universiti Teknologi MARA, Dungun 23000, Terengganu, Malaysia
2
Faculty of Electrical Engineering, Universiti Teknologi MARA, Shah Alam 40450, Selangor, Malaysia
3
Public Works Department Malaysia, Cawangan Kejuruteraan Elektrik, Ibu Pejabat JKR Malaysia, Menara Kerja Raya (Blok G), Jalan Sultan Salahuddin, Kuala Lumpur 50480, Malaysia
*
Author to whom correspondence should be addressed.
Sustainability 2020, 12(13), 5399; https://doi.org/10.3390/su12135399
Submission received: 30 April 2020 / Revised: 23 June 2020 / Accepted: 1 July 2020 / Published: 3 July 2020
(This article belongs to the Special Issue Energy Efficiency and Sustainability in Buildings)

Abstract

The improvement of energy efficiency plays an important role to ensure sustainable electrical operation in large-scale buildings. In relation to the low-cost electrical components, a capacitor is an electrical component that can be used to sustain or improve the operating performance of an unbalanced electrical system in large-scale buildings so that energy efficiency improvement can be obtained. This is important to overcome the ineffective utilization of energy caused by the occurrence of power losses in an unbalanced electrical system of large-scale buildings. Further improvement of energy efficiency can be obtained by reducing an excessive amount of incoming power through the determination of tap setting for incoming transformer, and this is classified under the concept of conservative voltage regulation (CVR) approach. In order to solve the problem, the optimal capacitor placement and sizing (OCPS) with CVR is introduced as a new approach for energy efficiency improvement while ensuring a sustainable operation in an unbalanced electrical system of large-scale buildings. The proposed technique utilizes the artificial intelligence (AI) based differential evolution particle swarm optimization (DEPSO) technique with the objective function of total cost minimization for the real power losses, real power consumption, and capacitors installation. The effectiveness of the proposed technique to achieve energy efficiency improvement is investigated through a case study of an unbalanced electrical system in a large-scale office building. The significance of the research output is related to its low-cost technology that has the potential for a comprehensive, pragmatic implementation in large-scale buildings, and subsequently, it will significantly accelerate the increase of national agenda in energy efficiency.

1. Introduction

Energy efficiency improvement is a popular research stream that comprises the implementation of several types of advanced technological concept in large-scale buildings [1,2]. Previous studies report that the major cause of inefficient energy usage in most large-scale buildings is the disproportionate management and unsustainable operation of space heating and conditioning, water heating, lighting, electrical system, as well as the use of computers, electrical appliances, and other electronic devices [3]. The basic principle of energy efficiency enhancement within large-scale buildings is to use less energy in the operation of its system without causing discomfort and health deficiency to the occupants. Previous researches have shown that energy efficiency can be achieved up to 20 to 30 percent through the implementation of several initiatives that promote an optimal operation and management in large-scale buildings [4]. The optimal energy utilization in large-scale buildings can be realized through several activities, such as awareness programs, improving the building energy management, assimilating technical measures for energy efficiency improvement, and the use of renewable energy [5,6].
Existing literature has discussed the implementation of several methods that provide the solution for energy efficiency enhancement, particularly for large-scale buildings. As the heating, ventilation, and air conditioning (HVAC) system contributes to the highest energy consumption in a large-scale building [4], improving its operational performance will augment to a greater energy saving in a large-scale building [7,8]. Recent comprehensive studies have introduced a number of advanced technologies that can be implemented for the purpose of improving the energy efficiency of the HVAC system, such as the variable frequency-driven direct expansion air-conditioning systems, variable refrigerant flow systems, the implementation of programmable thermostats, inline heat pumps for water heating, and improving the chiller system [9,10,11]. Nevertheless, despite its proven efficacy to reduce the energy consumption of large-scale buildings, the proposed HVAC systems are constructed based on expensive design options [11].
Aside from the energy supplied by the utility, renewable energy can also be utilized as an alternative resource that will improve energy conservation and reduce the carbon footprint of large-scale buildings [12,13]. Generally, the implementation of renewable energy in large-scale buildings can only be realized after incorporating all possible energy efficiency measures [14]. Numerous researchers have reasserted the importance of multifunctional renewable energy, such as the photovoltaic (PV) and wind turbine involving the operation of the amalgamated system [15]. The proposed approach has the capability to shift the loads from peak hours to off-peak hours which results in the reduction of electricity bill. With regards to its implementation in a large-scale building, it has been proven that the utilization of renewable energy is approximately 50% more expensive than the energy efficiency measures [16]. This will be the main barrier for the implementation of renewable energy in a large-scale building, due to the expensive cost of investment [17]. Other impediments also arise from the less reliable operation of renewable energy as well as the uncertain weather conditions that causes inconsistent energy supply [17].
Previous researches that investigated on the enhancement of energy efficiency report that energy management is implemented with centralized supervisory control and data acquisition (SCADA) to optimize the occupants’ comfort, while minimizing the energy waste in large-scale buildings [18]. The energy management system is proposed to perform the optimal scheduling of an electrical system that will reduce the energy consumption of large-scale buildings [19]. This is aligned with the result by a recent experimental study which shows that significant improvement of energy efficiency can be obtained immediately after the installation of the energy management system in a large-scale building. Nevertheless, the cost of investment will be expensive for the implementation of an energy management system in a large-scale building [20].
There are several methods that can be used to improve energy efficiency via power losses reduction, including by placing capacitors in an optimal location of a low-voltage (LV) electrical grid system [21,22]. Usually, power losses are induced by the occurrence of harmonic distortion, fundamental component, and unbalanced loads [23].
Meanwhile, the downstream side of an unbalanced electrical system in large-scale buildings will experience an inefficacy of energy usage caused by power losses that occur, due to the adverse effect of harmonic distortion, fundamental component, and unbalanced distortion. The fundamental component of total power losses emerges from the combination of power losses and stray losses produced by an electrical component operating at the fundamental frequency. The extensive use of non-linear load will propagate the harmonic distortion and leads to an increase of total power losses [24]. In addition, a considerable number of single-phase loads connected in a three-phase system may yield to the unbalanced electrical parameters, which in turn will increase the total power losses [24]. These are the three dominant factors of the energy efficiency problem that lead to unsustainable electrical operation, such as the overheating of electrical conductors, stress of electrical equipment, malfunction of electrical equipment, performance degradation of electrical equipment, propagation of resonance in electrical wiring, excessive current flowing through the neutral cable, and electromagnetic interference (EMI)—which adversely affect the sensitive electronic equipment and significant increase of electricity bill. However, research on the energy efficiency improvement approach, particularly focusing on the optimal capacitor placement and sizing (OCPS) in an unbalanced electrical system of large-scale buildings is still limited in the literature. It can be considered as a cost-effective approach, since the proposed methodology mostly depends on the capacitor that can be obtained at a reasonable market price as compared to other devices, such as the active filters and renewable energy. The maintenance cost is also cheaper for the installed capacitors. Hence, the decision to utilize the proposed approach of optimal capacitor placement and sizing shall provide a reasonable amount of investment cost that will be beneficial to the owners of large-scale buildings. This is contradictory to the normal practice of power factor correction using capacitor installed at every large lagging power factor load [25]. Hence, this is actually a conventional approach with the disadvantage of having an expensive cost for the large number of capacitors required during the implementation. Nonetheless, it is imperative to have a combination of viable technologies that will further improve the energy efficiency of large-scale buildings [4].
In relation to the implementation of OCPS, most previous studies have employed several simplified assumptions in its problem formulation. However, the pragmatic implementation of OCPS is far more complicated as the actual electrical circuit operates in a three-phase system with an unbalanced loading condition. The recent trend of solving the optimization problems in OCPS is the utilization of the artificial intelligence (AI) technique. Basically, there are two main control variables that exist in the optimization problem of OCPS, which are the location and sizing of capacitors. The dimension of the control variables depends on the potential location for the installation of the capacitors. Jwo et al. [26] introduce the hybrid simulated annealing genetic algorithm (HSAGA) to compute the OCPS with less computational time for a large-size of Taipower grid system with 358 buses. However, it does not consider the optimal global formulation in solving the problem. On the other hand, the harmony search algorithm (HSA) is another type of AI technique originated from the concept of natural musical performance process that has been used to solve the optimization problem of OCPS. The results obtained solely from a single-line diagram of a small radial-distribution system with nine buses have shown that the HSA provides a better optimization solution in OCPS in contrast with the genetic algorithm (GA) [27]. The proposed technique of HSA has also been applied for a single-line diagram of 34 bus systems [28]. The HSA requires a long computational time to determine the global solution because the process involves a large combination of capacitor locations and sizes, especially for a large-scale system. In addition, particle swarm optimization (PSO) is another recent approach of population-based AI technique that is often used to solve the discrete and non-linear optimization problems availed in OCPS related studies [29]. Singh et al. [30] have performed OCPS using the PSO technique merely for the single-line diagram of IEEE 70-bus and 135-bus systems. Ramadan et al. [31] propose the significant implementation of the PSO technique to perform OCPS only for a single-line diagram of 16-bus and 30-bus systems. Comparative studies have shown that the PSO performance is superior to the GA in determining the optimal solution of OCPS. The objective function considered in the PSO technique is the annual net saving, power losses cost, and total capacitor cost. The PSO technique used to determine the OCPS has also been introduced in [32]. The proposed PSO technique utilizes the system constraint of line current limit to refrain the occurrence of voltage drop and power losses. The objective function is referred to as the minimization of the total annual cost of capacitor placement and power losses. The effectiveness of the PSO technique in estimating the OCPS is tested only at the single-line diagrams of 10-bus, 15-bus, and 34-bus systems. Eajal et al. [33] combine the discrete version of PSO with the radial power flow (RDPF) algorithm that yields a new concept of the hybrid PSO (HPSO) technique. The PSO technique has been used to determine the optimal global solution of the OCPS. Whereas, the RDPF algorithm is responsible for calculating the objective function of the total real power losses while satisfying the power quality constraints. The presence of harmonic distortion has been considered in the HPSO technique, hence yielding the advantage of OCPS determination specifically for an unbalanced electrical system. However, the drawback of the HSPO technique is that a single capacitor tested at every phase of an unbalanced electrical system will introduce an intricate search space area in the proposed optimization procedure used to determine the OCPS. It also contradicts the fact that capacitors with a delta connection type are usually available in the market for pragmatic installation in a three-phase or unbalanced electrical system in large-scale buildings.
On the one hand, ineffective use of energy is also a problem that originates from excessive electric power supplied by the utility. This can be observed based on a relatively high voltage magnitude at the incoming or upstream side of an unbalanced electrical system in large-scale buildings. Usually, an excessive amount of electric power supplied by the utility can be reduced by using the voltage-controlled equipment as the voltage regulator (VR) is usually installed in an unbalanced electrical system of a large-scale building. Recent years have shown more efforts in utilizing the voltage regulator as a novel approach to acquire energy efficiency improvement in large-scale buildings [34]. The voltage regulator has been widely used due to its significant impact in reducing the voltage magnitude at a minimum allowable level that also reduces the excessive amount of incoming energy and power losses to enhance energy efficiency in a large-scale building [35]. However, expensive investment cost will incur as a large voltage regulator is commonly installed at every incoming or upstream side of an unbalanced electrical system in a large-scale building [36]. This problem can be solved by performing the conservative voltage reduction (CVR) as it is a non-intricate approach that can easily be implemented by varying the tap setting of the existing incoming transformers in order to acquire a cost-effective solution towards improving the energy efficiency of large-scale buildings.
This signifies that the proposed combination technique of optimal capacitor placement and sizing (OCPS) and conservative voltage reduction (CVR) will provide a cost-effective solution to improve energy efficiency particularly at the pragmatic unbalanced electrical system of large-scale buildings. This is because previous researchers mostly do not consider an unbalanced electrical system of a large-scale building as a pragmatic case study for energy efficiency improvement assessment. Hence, it is vital to consider this issue since the unbalanced electrical system will evoke a considerable amount of power losses in a large-scale pragmatic building. In particular, the DEPSO originated from the differential evolution (DE), and particle swarm optimization (PSO) serves as a new combination of artificial intelligence (AI) technique that is responsible for providing a new population with the optimal solution in the sizing and location of capacitors and CVR. The DE technique constitutes the mutation, recombination, and selection processes rendered in the PSO technique. The proposed mutation process is responsible for providing a new population of particles position. The ensuing process of recombination is performed to provide a combination of original and mutated particles. The final process of selection refers to the fitness of choosing either the original or recombined particles as an improved solution for the objective function. The DEPSO and unbalanced electrical system in large-scale office buildings are designed in the MATLAB® and SIMULINK® software that requires a mutual transfer of information between both software during the execution of the optimization process. The total cost of real power losses, real power consumption, and capacitors installation are the parameters considered in the objective and fitness functions of the proposed optimization technique. Voltage magnitude limit, total harmonic distortion (THD) limit, power factor limit, and total reactive power injection limit are the unbalanced electrical parameters considered as the constraints for the proposed optimization technique. This can be considered as a novel approach, since limited previous researchers have considered the unbalanced electrical parameters as the constraints of the optimization technique. The expected outcome obtained from the proposed optimization technique is smaller and cost-effective capacitors installed, particularly at the optimal location of an unbalanced electrical system in large-scale office buildings. This can be considered as a cost-effective solution in the energy efficiency approach, while ensuring a sustainable system operation. This would be regarding its voltage magnitude, power factor, total harmonic distortion, and total power losses, while considerable reducing the associated electricity bill.

2. Research Methodology

This section presents the proposed technique used to perform the conservative voltage reduction (CVR) and the optimal capacitor placement and sizing (OCPS). The research involves two scopes of research activities, namely, the planning stage and the practical (or pragmatic) implementation stage applied at the unbalanced electrical system of large-scale office buildings.
In the planning stage, the unbalanced electrical system model of large-scale office buildings was constructed in the SIMULINK® software that required important information collected during the site visit and the implementation of data logging procedure. Generally, the system operation executed in the SIMULINK® software is controlled by the DEPSO technique constitutes with the improved mutation process of differential evolution (DE) implemented in the MATLAB® software. During the planning stage, DEPSO is the proposed optimization technique used to perform the OCPS and CVR in an unbalanced electrical system of large-scale office buildings. In order to curb the excessive amount of energy flows into an unbalanced electrical system, the conservative voltage reduction (CVR) is responsible to reduce the voltage supply closer to its minimum operation limit, and this will be discussed in the following section. The methodology of the PSO and DEPSO optimization techniques will be discussed thoroughly in Section 2.2 and Section 2.3. The DEPSO methodology comprises the combination between the mutation algorithm based on differential evolution (DE) and the PSO algorithm that will be expounded with the aid of several equations and formulations. The basic procedures involved in designing the unbalanced electrical system model include inserting the raw data conversion riser cables from the given phase impedance and the admittance matrices that are converted into sequence impedance matrices, incoming transformers, harmonic distortion data, and highest peak load required for the load flow solution performed in the SIMULINK® software. All of the abovementioned raw data were collected only once from the site, and the power analyzer equipment was used to perform the electrical measurement required in designing the unbalanced electrical system model of large-scale office buildings. During the planning stage of this study, there was only one data of highest peak load measured at 12:00, and it was inserted in the unbalanced electrical system model of large-scale office buildings. The ability of this proposed method to improve the system sustainability is tested based on the highest peak load condition that usually causes the utility to draw excessive real and reactive powers which subsequently will infringe the system security, due to the increase of total harmonic distortion (THD), increase of total power losses, as well as violating the voltage magnitude limit and power factor limit. Section 3.2 contains an in-depth explanation of the incoming transformers and the highest peak load solely utilized for the determination of CVR and OCPS using DEPSO during the planning stage of this study. Furthermore, the harmonic distortion data is also inserted through the loads that yield the increase of total power losses in the unbalanced electrical system model. Several current sources with different magnitude and phase angle are connected in parallel to the load for a predetermined set of harmonic orders to be injected towards the upstream of the unbalanced electrical system model. This will reflect as a new signal with several harmonic orders injected by electrical equipment either originated from the adjustable speed drive, fluorescent lamp, or a combination of several pieces of equipment.
The CVR and OCPS results obtained from the planning stage serve as a reference in the practical implementation stage of the study in order to pragmatically change the incoming transformer tap setting and install the capacitors at the site with an unbalanced electrical system of large-scale office buildings. This indicates an insignificant need to perform the optimization procedure of DEPSO for CVR and OCPS during the pragmatic stage that was conducted from June 2014 until June 2015. The pragmatically installed capacitor will vary the injection of its reactive power (Var) into the unbalanced electrical system according to the changes of loading condition during working hours. The variation of pragmatic capacitor operation is controlled by the standard C/K ratio explained in Section 2.4. Due to the load variation, information on the hourly changes of current and voltage magnitudes is required by the controller to vary the reactive power (Var) injected by the capacitor. The physical design, schematic diagram, and operation of the installed capacitor in the unbalanced electrical system are also discussed in Section 2.4. The discussion commences with the formulation of capacitor switching, followed by the physical design of the capacitor compartment and its switching operation in reference to the schematic diagram. In relation to the pragmatic stage of this study, the new position of incoming transformer tap setting is pragmatically applied in the site of the unbalanced electrical system of large-scale office buildings, and it is performed by referring to the CVR results obtained from the planning stage. The variation of load condition has no effects on the new position of incoming transformer tap setting during the pragmatic stage of this study. Due to the limitation of research grants, the current study on CVR and OCPS based DEPSO is yet to be fully implemented that takes into account the effects of seasonal load variation in several years.

2.1. Conservative Voltage Reduction (CVR) Technique

The installation of capacitors in an electrical system for the purpose of reducing the total power losses is indeed an effective approach to improve energy efficiency and investment cost. Nevertheless, the capacitor placement may lead to an increase in voltage, and this will result in an excessive amount of real power consumption from the incoming transformer. Such an issue is among the causative reasons to the incurrence of expensive electricity bills as the electricity tariff is calculated based on real power consumption (kWh). In order to solve the issue, the setting of the incoming transformers tap should be changed that will allow the voltage magnitude to be controlled in order to reduce real power consumption. This signifies that the energy efficiency improvement of an unbalanced electrical system can be attained through the reduction of real power consumption. Customarily, changing the incoming transformer tap setting is a concept that can be regarded as the conservative voltage reduction (CVR) where the procedure is often performed to regulate and retain the voltage magnitude relatively close to its lower limit. For an unbalanced electrical system model of a large-scale office building, the existing incoming transformers are designed with five tap settings and the secondary side of the transformer is able to vary the voltage magnitude by ±2.5% for every change of its tap setting. In order to attain the optimum result of energy efficiency improvement while ensuring a sustainable operation of an unbalanced electrical system, the proposed concept of CVR will be conducted after the implementation of optimal capacitor placement and sizing (OCPS). This is because the energy efficiency result will be unsatisfactory when the sequence of implementation is performed that begins with the CVR, followed by the optimal capacitor placement and sizing (OCPS). The former concept is more suitable for implementation in contrast to the latter concept as the CVR can easily control the voltage magnitude that was increased by the optimal capacitor placement and sizing (OCPS). In relation to the proposed optimization technique expounded in Section 2.2 and Section 2.3, the CVR is performed after the implementation of every capacitor placement and sizing as prescribed in the particle of a population. The voltage magnitude is merely used as a reference to change the tap setting of incoming transformers available in an unbalanced electrical system of large-scale office buildings. Therefore, any changes on the incoming transformers tap setting do not lead towards the violation of voltage limits in adherence to the regulation imposed by the Energy Commission (EC) Malaysia [37]. The voltage limits are tabulated in Table 1.
The CVR procedure performed at every particle that holds the different solution of capacitor placement and sizing (OCPS) is explicated as follows:
  • Install the capacitors in a system based on its sizing and locations specified by a particle. It is worthwhile to notify that the particle is a member of population embodied in the DEPSO technique and it is responsible for holding the information of conroll variables, in which for this case are the capacitor location and size.
  • Execute the unbalanced load flow solution to obtain the maximum and minimum of voltage magnitudes to be used as a reference for changing the incoming transformers tap setting pertaining to the CVR implementation. The ensuing step will explain the implementation of CVR. The power factor and total harmonic distortion of a voltage magnitude (THDv) are the other electrical parameters obtained from the unbalanced load flow solution that will be utilized for the fitness evaluation of PSO and DEPSO as discussed in Section 2.2 and Section 2.3.
  • Perform the CVR based on the three conditions of voltage magnitude. (i) Proceed to step (4) only if the minimum voltage magnitude (Vmin) is less than the minimum voltage limit ( V m i n l i m i t ), (ii) Proceed to step (5) only if the Vmax is higher than the maximum voltage magnitude limit ( V m a x l i m i t ), and (iii) Proceed to step (6) for the voltage magnitude that is within the range of V m a x l i m i t and V m i n l i m i t .
  • Change the incoming transformers tap setting one step higher until the Vmin increases slightly above the V m i n l i m i t . This entails the deployment of an unbalanced load flow solution for every variation of incoming transformers tap setting yielding to the increase of Vmin.
  • Change the incoming transformers tap setting one step lower until the Vmax decreases slightly below the V m a x l i m i t . This requires the execution of an unbalanced load flow solution based on every change of incoming transformers tap setting rendering to the reduction of Vmax.
  • Change the incoming transformers tap setting one step lower so that the Vmin is reduced slightly above the V m i n l i m i t . The unbalanced load flow is executed for every change of incoming transformers tap setting yielding to the reduction of the Vmin.
  • Record the particle comprising the capacitor placement and sizing subject to the Vmin that is successfully varied slightly above the V m i n l i m i t . Otherwise, terminate the current particle and repeat step (1–6) with an incipient particle that easily allows the minimum Vmin to be varied and retained slightly above the V m i n l i m i t .
  • Repeat step (1–7) until it reaches the last particle assigned in the population.
  • Exert the population consisting of all recorded particles into the optimization technique to proceed with the optimal searching of capacitor placement and sizing, as explained in Section 2.2 and Section 2.3.

2.2. Particle Swarm Optimization Technique for the Determination of Optimal Capacitor Placement and Sizing (OCPS) with CVR

The artificial intelligence (AI) based particles swarm optimization (PSO) is an evolution from the optimization algorithms of swarm-population. In the PSO technique, every particle will usually gather around the searching space area to discover the optimal solution. Improvement of the particles will shove it to move towards the nearest position in searching for the optimal solution based on its individual best and global best memories. The objective and fitness functions are represented by the total cost of power losses, energy consumption, and capacitor installation. The PSO technique is performed by considering the constraints of voltage magnitude limit, total harmonic distortion (THD) limit, power factor limit, and capacitor size limit. Further improvement of energy efficiency is acquired based on the CVR by changing the transformer tap setting to reduce and retain the voltage magnitude at a certain level, while ensuring the sustainability of the electrical distribution system.
The PSO procedures to solve the aforementioned problem are as follows:
  • Set the parameters of the unbalanced electrical system and PSO technique, as shown in Table 2; Table 3. The value for each parameter is specified where it is highly dependent on the case study and sensitivity analysis performed in order to obtain the best optimal solution. These parameters are specified in the following tables:
  • Execute the base case unbalanced load flow simulation without considering the installation of capacitors. The unbalanced load flow solution is undertaken with the implication of harmonics injected into the system. In addition, the reactive power needs to be measured and recorded during every phase of a busbar, and it is important for it to be considered as part of the constraints to determine the location and sizing of the capacitor. Hence, the size of the capacitor is required for the implementation so that the reactive power injected at every phase of a busbar will not exceed its limit. On the other hand, current measurement is conducted to confirm whether there is a current flowing through certain phases of the busbar and it is represented by a matrix form of p s y s n b , comprising with the value of ‘1’ and ‘0’, as shown in Equation (1). Equation (2) is a numerical example of p s y s n b , comprising the value of ‘1’ to show that it is suitable to install the capacitor, since there is a current flowing through the phase of a busbar connected with a load and vice-versa. In addition, Equation (2) can also be used to confirm whether a particular busbar is operated in a three-phase or non-three-phase loading condition.
    p s y s n b , = { 1 , i f   I n b , > 0 0 , i f   I n b , = 0
    where,
    nb = 1, 2, ..., Nb.
    ∅—phase A, B and C of electrical system.
    p s y s n b , = [ 1 0 p s y s n b , = A 1 1   p s y s n b , = B 1 0   p s y s n b , = C ]
  • Initialize every npth particle that holds the multidimensional values of position, x, and velocity, ν, as given in Equations (3) and (4). Both particles resemble the movement behavior of bird flock. Every npth particle of position, x, and velocity, ν, has the search space matrix dimension of (nb × ∅) that is similar with the size of p s y s n b , . As for the commencement of the procedure, every npth particle of position, x, is randomly generated between the minimum value of ‘0’ and maximum value of ‘1’ at the location (or phase of a busbar) delineated as ‘1’ by the p s y s n b , . Equation (3), represented as x, constitutes the variable randomly generated at a specific range in order to easily control the search space area of the solution. Every npth particle begins with the diverse position, x, and has no memory of best position, x, at the initial iteration process, k = 1, of the PSO technique. Similarly, every npth particle of velocity, ν, having the size of (nb × ∅) comprises the variable designated at the location (or phase of a busbar) signified as ‘1’ by the p s y s n b , and is expressed in Equation (4). However, for every npth particle of velocity, ν, during the course of initial iteration (k = 1) in the optimization process, the variable is set as zero for the assigned and non-assigned location.
    x n b , n p ( k ) | p s y s n b , = [ x n b = 1 , = A n p ( k ) x n b = 1 , = B n p ( k ) x n b = 1 , = C n p ( k ) x n b = 2 , = A n p ( k ) x n b = 2 , = B n p ( k ) x n b = 2 , = C n p ( k ) x n b , = A n p ( k )   x n b , = B n p ( k )   x n b , = C n p ( k ) ]
    where,
    np = 1, 2, ..., Np.
    v n b , n p ( k ) | p s y s n b ,   [ v n b = 1 , = A n p ( k ) v n b = 1 , = B n p ( k ) v n b = 1 , = C n p ( k ) v n b = 2 , = A n p ( k ) v n b = 2 , = B n p ( k ) v n b = 2 , = C n p ( k ) v n b , = A n p ( k ) v n b , = B n p ( k ) v n b , = C n p ( k ) ]
  • Proceed to step (7) for the first iteration of k = 1. Otherwise, proceed to step (5).
  • Update the particle of velocity, v, using the constriction factor as expressed in Equation (5) before proceeding with the velocity control given in Equation (8) [38]. Particle v is calculated using Equation (5), and it is used to assist towards searching the next particle position, x, based on a memory that holds the best position, pbest, among the particles x at the current iteration, k, and also based on a memory that holds the global best position, gbest, among particle x allocated at all of the iterations, k. The selection of particle x for pbest and gbest is intrinsically based on the fitness, fit, as explained in step (12). This implies that each particle x in a swarm population continues to move to a new position at a certain velocity in search for the best solution. The ability for particle x to explore different search space area as well as the ability to intensify the searching process throughout the promising area is highly dependent on the updated value of particle v. Unsuitable value of updated particle v presumably renders the particle hovering outside the best search space area. In this study, the movement of particle x is controlled while ensuring that no particle x is deflected outside from the best search space area. It is also worth to mention that the particles are updated using the constriction factor, as shown in Equation (5).
    v n b , n p ( k ) | p s y s n b , = χ [ v n b , n p ( k 1 ) | p s y s n b , + c 1 r 1 ( p b e s t ( k 1 ) x n b , n p ( k 1 ) | p s y s n b , ) + c 2 r 2 ( g b e s t x n b , n p ( k 1 ) | p s y s n b , ) ]
    where,
    χ = 2 K | 2 φ φ ( φ 4 ) |
    K = random variable generated between ‘0’ or ‘1’.
    φ = ( c 1 r 1 + c 2 r 2 ) φ 4
    As the iteration, k, is increased, it causes the updated velocity value to become larger, hence avoiding particle x from being stranded at the local optima search space area. In this study, particle v is improved by deploying Equation (5), since it is robust in updating the discrete control variable [38]. In order to ensure that each particle x is searching near to the optimum global search space area, particle v is controlled based on the criteria, as explained in Equation (8).
    v n b , n p ( k ) | p s y s n b , = { v n b , n p ( k ) | p s y s n b , , i f m i n ( v n b , n p | p s y s n b , ) v n b , n p ( k ) | p s y s n b , m a x ( v n b , n p | p s y s n b , ) m a x ( v n b , n p | p s y s n b , ) , i f v n b , n p ( k ) | p s y s n b , > m a x ( v n b , n p | p s y s n b , ) m i n ( v n b , n p | p s y s n b , ) , i f v n b , n p ( k ) | p s y s n b , m i n ( v n b , n p | p s y s n b , )
    where,
    m a x ( v n b , n p | p s y s n b , ) = δ | m a x ( x n b , n p | p s y s n b , ) m i n ( x n b , n p | p s y s n b , ) |
    m i n ( v n b , n p | p s y s n b , ) = δ | m i n ( x n b , n p | p s y s n b , ) m a x ( x n b , n p | p s y s n b , ) |
    The velocity constant factor of δ = 1 is chosen in this study, as shown in Table 3. This because a small value of δ will narrow down to a smaller gap or distance between the minimum and maximum search space area of particle x. Subsequently, this is a problem that will hinder the optimum global search space area of particle x.
  • Update the particle position, x, supported by the new velocity, v, as illustrated in Equation (11).
    x n b , n p ( k ) | p s y s n b , = x n b , n p ( k 1 ) | p s y s n b , + v n b , n p ( k ) | p s y s n b ,
    Particle x acquired in Equation (11) should be regulated to avert any feasibility of it deviating away from the search space area, which may be lower than ‘0’ or above ‘1’. Thus, there are three criteria that need to be satisfied in order to regulate particle x considering particle v as given in Equation (12).
    x n b , n p | p s y s n b , = { x m a x   &   v n b , n p ( k ) | p s y s n b , = 0 ,   i f x n b , n p ( k ) | p s y s n b , > x m a x x m i n   &   v n b , n p ( k ) | p s y s n b , = 0 ,   i f x n b , n p ( k ) | p s y s n b , < x m i n x n b , n p | p s y s n b , ,   i f x m i n   <   x n b , n p | p s y s n b ,   <   x m a x
  • Calculate the capacitor size at the chosen locations using the movement of the particles depending on the position¸ and velocity, v, given in Equations (13) and (14). The capacitor size initially calculated in a decimal value in Equation (13) is replaced with the floor of the value of capacitor size available in the market, as described in Equation (14). This implies that both equations use the similar notation of Q c a p n b , n p ( k ) | p s y s n b , that allows Equation (14) to replace Equation (13) as implemented in the computational approach.
    Q c a p n b , n p ( k ) | p s y s n b , = ( Q i n d n b , m i n ( Q i n d n b , ) ) · x n b , n p ( k ) | p s y s n b , + m i n ( Q i n d n b , )
    where,
    m i n ( Q i n d n b , ) —minimum amount of inductive load reactive power that is usually 0 kVar.
    Q i n d n b , —inductive load reactive power (kVAr).
    In the market, capacitor size is customarily available in discrete values with different operating voltage. The capacitor size suitable for installation in an unbalanced electrical system of large-scale office buildings is available starting from the minimum size of the capacitor of min(Qcap) = 10 kVAr up to the maximum size of max(Qcap) = 300 kVAr. Table 4 shows the discrete sizes of capacitor suitable to be installed in an unbalanced electrical system of large-scale office buildings. The discrete size of the capacitor is selected based on the nearest decimal value of the capacitor size obtained from Equation (13). The selection for a suitable discrete size of the capacitor is given in Equation (14).
    Q c a p n b , n p ( k ) | p s y s n b , = { Q c a p n b , n p ( k ) | p s y s n b , ,   i f   Q c a p n b , n p ( k ) | p s y s n b , Q i n d n b , Q i n d n b , ,   i f   Q c a p n b , n p ( k ) | p s y s n b , > Q i n d n b , 0 ,   i f   Q c a p n b , n p ( k ) | p s y s n b , < m i n ( Q i n d n b , )
    where,
    Q c a p n b , n p ( k ) | p s y s n b , —floor value to the discrete size of the capacitor available in the market, as shown in Table 4.
    It is important to use Equation (14) in ensuring that the Qcap does not exceed the amount of inductive load reactive power, Qind and for it to be no less than the minimum amount of inductive load reactive power, min(Qind). By meeting the abovementioned criteria, a sustainable operating condition of an unbalanced electrical system can be attained by ensuring that the total amount of capacitive reactive power is lower than the total amount of induced load reactive power as represented by Equation (15).
    n b = 1 N b = 1 3 Q c a p n b , n p ( k ) n b = 1 N b = 1 3 Q i n d n b ,
  • Collect the information related to capacitor sizing and locations, Q c a p n b , n p ( k ) | p s y s n b , that was previously determined using Equation (14) in the MATLAB® software and simultaneously apply the obtained value of capacitor sizing installed at the locations specified by p s y s n b , in the unbalanced electrical system of large-scale office building modelled in the SIMULINK® software. This signifies that step (1) to (7) are the particular procedures executed in the MATLAB® software.
  • Perform the conservative voltage reduction (CVR) as expounded in Section 2.1. This action is implemented to rein from the increase of voltage magnitude as a consequence of the inclusion of capacitors installed in the system. The instruction from the MATLAB® software is transferred to the SIMULINK® software to vary the operation of transformer tap settings. As a result, the voltage magnitude is adjusted slightly above 209VL-N specifically for the unbalanced electrical system of large-scale buildings. In the CVR concept, the unbalanced load flow solution is executed for every variation of transformer tap setting, and it renders the increase or decrease of voltage magnitude. In this study, the combination of CVR and OCPS complies with the new rules stipulated by the Energy Commission (EC) Malaysia that encourages the power system utility and consumers to reduce the operating line-to-line voltage magnitude down to 400V. In the course of implementing the CVR, precautions should be taken especially on the voltage magnitude operating level that should not be less than its minimum voltage limit measured at the last point of the radial electrical system.
  • Calculate the objective function and fitness function of the proposed PSO technique using Equations (16) and (17). During this step, fitness evaluation is performed to choose the best candidate (particle) that holds the best solution in kth iteration of the optimization process. The fitness function is derived from the objective function, and it is used as a reference to ease the selection of best particle position, x, for pbest and gbest.
    Minimization of objective function,
    min ( O F n p ( k ) ) = n b = 1 N b = 1 3 K c a p n b , × Q c a p n b , n p ( k ) | p s y s n b , + ( K e n n b N b P l o a d n b n p ( k ) + K e n i , j P l o s s i j n p ( k ) ) × T p
    where,
    • K c a p n b , : cost coefficient for capacitor installed at phase ∅ of busbar nb.
    • Ken: cost coefficient of energy or electricity tariff.
    • P l o s s i j n p : real power loss at the line connecting between bus I and bus j obtained from load flow solution based on particle np.
    • P l o a d n b n p : real power drawn by load attached to each bus nb.
    • T p : operating period (hour/year).
    Similar with the maximization of,
    f i t n p ( k ) = 1 n b = 1 N b = 1 3 K c a p n b , × Q c a p n b , n p ( k ) | p s y s n b , + K e n n b N b P l o a d n b n p ( k ) + B . K e n i = 1 , j = 1 P l o s s i j n p ( k )
    where,
    • B—a constant specified with the value of 1000.
    In the SIMULINK® software, the total real power loss, Ploss, is acquired from the unbalanced power flow solution executed by a command syntax written in the MATLAB® software and this is done subsequently to the capacitors installed in the system. The Ploss information extracted from the SIMULINK® software is then conveyed to the MATLAB® software to calculate the objective function, O F n p ( k ) , and fitness function, f i t n p ( k ) , using Equations (16) and (17). The proposed fitness function is having a constant value of B = 1000 for the magnitude of real power loss (kW) to become significant to the cost of the capacitor. This is to counterweight between the cost of capacitor and the cost of real power drawn by the loads and real power loss incurred in the system. Without considering the constant of B = 1000, no capacitor placement shall occur, since the maximum value of fitness function is dominated from the minimum capacitor cost, which is very low. The ensuing step will further elaborate on the selection of particle that holds a better solution, as illustrated in Equation (18) by means of fitness value.
  • Select the particle of position, x n b , n p ( k ) | p s y s n b , , particle of capacitors size, Q c a p n b , n p ( k ) | p s y s n b , , and objective function, O F n p ( k ) , allocated at a particular npth particle having the maximum fitness, max ( f i t n p ( k ) ) , expressed in Equation (18) at the current iteration k. The particle selection is performed concurrently in the population by fulfilling the system constraints of voltage magnitude limit, total harmonic distortion limit of voltage magnitude (THDV), capacitor size limit and power factor (p.f.) limit as given in Equations (19)–(22).
    ( x n b , n p ( k ) | p s y s n b , ) ( Q c a p n b , n p ( k ) | p s y s n b , ) ( O F n p ( k ) )     m a x ( f i t n p ( k ) )
    subjected to,
    V m a x V n b , V m i n
    T H D V n b , 5 %
    ( Q c a p n b , n p ( k ) Q i n d n b , ) ( n b = 1 = 1 Q c a p n b , n p ( k ) n b = 1 = 1 Q i n d n b , )
    p . f . 0.85   l a g g i n g
    where,
    • Vmax—maximum voltage magnitude limit.
    • Vmin—minimum voltage magnitude limit.
    THDV is one of the important power quality issues that are sensitive to the variation of inductive and capacitance elements occurred in an unbalanced electrical system. The power quality issue is becoming more crucial as the inclusion of capacitors installed in the unbalanced electrical system will adversely affect the THDV. The particle of capacitors, Q c a p n b , n p ( k ) | p s y s n b , , causing a higher value of T H D V n b , above 5% will inflict its respective particles of position, x n b , n p ( k ) | p s y s n b , , not to be considered as the local best (pbest) or global best (gbest) selections. Meanwhile, the size of the installed capacitor must not exceed the amount of inductive load reactive power in order to ensure that no excessive reactive current flows towards the load as it will infringe the system sustainability. In this study, the power factor is measured at the point of common coupling (PCC) that is the same location for the THD measurement. The value obtained from the measurement will show whether the power factor exceeds the limitation.
  • Select the particle of position, x n b , n p ( k ) | p s y s n b , , to serve as the pbest and gbest as illustrated in Equations (23) and (24) at the current iteration k. Each particle of position, x n b , n p ( k ) | p s y s n b , , has its own fitness value, f i t n p ( k ) for every npth particle. Equation (23) used to select x n b , n p ( k ) | p s y s n b , will serve as the pbest at the current iteration k and shall comply with the criteria introduced in Equation (18). The selection is performed at all particles position, x n b , n p ( k ) | p s y s n b , , merely available in the current iteration k.
    p b e s t ( k ) = [ ( x n b , n p ( k ) | p s y s n b , )     m a x ( f i t n p ( k ) ) ]
    Meanwhile, Equation (24) is used to determine the gbest in reference to the pbest with the largest value of fitness function available in the current iteration, k, or in one of the previous iterations, k − 1.
    g b e s t ( k ) = [ p b e s t ( k k 1 ) m a x ( f i t n p ( k k 1 ) ) ]
  • Repeat step (5) to (12) for the next iteration k to update the v n b , n p ( k ) | p s y s n b , , x n b , n p ( k ) | p s y s n b , , Q c a p n b , n p ( k ) | p s y s n b , , O F n p ( k ) , f i t n p ( k ) , pbest(k), and gbest(k). The process is repeated until it reaches the maximum iteration, kmax. This is followed by updating the pbest(k) and gbest(k) with better solution of particles position, x n b , n p ( k ) | p s y s n b , , and particles of capacitors, Q c a p n b , n p ( k ) | p s y s n b , , at every kth iteration.
  • Record the results of v n b , n p ( k ) | p s y s n b , , x n b , n p ( k ) | p s y s n b , , Q c a p n b , n p ( k ) | p s y s n b , , O F n p ( k ) , f i t n p ( k ) , pbest(k) and gbest(k) obtained from Equations (8), (12), (14), (16), (17), (23) and (24).
The flowchart of optimal capacitors placement and sizing (OCPS) with CVR using the PSO technique is shown in Figure 1.

2.3. Integration of Differential Evolution Approach with the Particle Swarm Optimization (DEPSO) Technique for Optimal Capacitors Placement and Sizing (OCPS) with CVR

This section discusses the improvement of the PSO technique required to solve the combinatorial optimization problem of optimal capacitors placement and sizing. The control variables of capacitors location and sizing are provided in a discrete value that will be an intricate task for the proposed PSO technique to solve or search the optimal solution. The operation of the PSO technique is dependent on the particles of velocity, v, and position, x, in Equations (8) and (12) in order to control the trajectory of each particle solution, and subsequently, to avoid it from diverting away from the search space area. However, the unanticipated performance of particles velocity, v and position, x usually causes each particle solution to maneuver towards the edge of the search space area instead of moving near or around the previous position. In order to overcome this problem, a differential evolution (DE) approach composed with the integration of mutation, recombination, and selection is introduced in the proposed PSO technique. The proposed mutation technique is responsible for providing a new population for the position of particles. The ensuing procedure of recombination is performed to provide the composition of original and mutated particles. Simultaneously, the selection procedure allows the fitness function to choose either from the original particles or recombined particles to provide a better solution for the minimization of objective function that is the total cost of capacitors, power losses, and energy consumption.
The subsequent explanation portrays the procedure of the DEPSO technique in determining the optimal solution of CVR and OCPS.
  • Perform step (1) to (6) for the procedure of the PSO technique, as explained in Section 2.2.
  • Calculate the new particles of position, x, using the new mutation technique given in Equation (25). The inherent topology of the PSO technique does not entail with any mutation process for the improvement of position particles, x. This is contrary with the proposed differential evolution (DE) technique where a new mutation technique is used to improve the performance of the PSO technique to intensify the search of improved position particles, x, required for the optimal solution. Hence, the mutation technique gives the new particles of position, x, owning the same dimension as the original particles of position, x.
    x n b , m u ( k ) | p s y s n b , = p b e s t ( k 1 ) + F ( x n b , n p = R 1 ( k 1 ) | p s y s n b , x n b , n p = R 2 ( k 1 ) | p s y s n b , )
    where,
    mu—number of mutated particle position, x.
    R1 and R2—two different randomly selected npth particle.
    F—mutation factor (e.g., 0.5) used to control the mutated particles position, x, from flying far away from the search space area.
    In Equation (25), pbest at the previous iteration k − 1 is used to control the movement of mutated particles leading to the search space area with a satisfactory history or background of best solution.
  • Execute the recombination process using Equation (26) to combine both particles of position, x, obtained from Equations (11) and (25) relying on the crossover factor, CR. The recombination process is a procedural step encompassed under the DE technique.
    x n b , r e ( k ) | p s y s n b , = { x n b , m u ( k ) | p s y s n b ,   ,   i f   r a n d n b , C R x n b , n p ( k ) | p s y s n b ,   ,   i f   r a n d n b , > C R
    where,
    • re—number of selected particle position, x either from the mutated or original population.
    • r a n d n b , —a random number generated between 0 and 1 specified at the nbth and ∅th locations in a particle.
  • Perform the PSO procedure from step (7) until step (10) as discussed in Section 2.2 to obtain the locations and size of the capacitor, objective function, and fitness for both original, x n b , n p ( k ) | p s y s n b , , and recombined, x n b , r e ( k ) | p s y s n b , , particles of positions at the current iteration, k. This implies that Equations (14), (16) and (17) are used to determine the locations and size of the capacitor, objective function, and fitness, namely, the Q c a p n b , n p ( k ) | p s y s n b , , O F n p ( k ) , and f i t n p ( k ) which correspond to the original particles of position, x n b , n p ( k ) | p s y s n b , . This is followed with the recombined particles position, x n b , r e ( k ) | p s y s n b , , applied in Equations (14), (16) and (17) to determine the locations and size of the capacitor, objective function, and fitness, namely, the Q c a p n b , r e ( k ) | p s y s n b , , O F r e ( k ) and f i t r e ( k ) .
  • Deploy Equation (27) to proceed with the selection process where a better population of particles positions, x n b , s e l ( k ) | p s y s n b , , is attained either from the original, x n b , n p ( k ) | p s y s n b , , or recombined, x n b , r e ( k ) | p s y s n b , , particles positions selected based on the descending order rank of the fitness values of f i t n p ( k ) and f i t r e ( k ) . The selection process is a procedural step encompassed under the DE technique.
    x n b , s e l ( k ) | p s y s n b , = ( x n b , n p ( k ) | p s y s n b ,   x n b , r e ( k ) | p s y s n b ,   )     r a n k ( f i t n p ( k ) f i t r e ( k ) )
    where,
    rank—descending order rank of all the fitness values of f i t n p ( k ) and f i t r e ( k ) .
    It is worth to mention that the selection process should be performed without violating the system constraints of voltage magnitude limit, total harmonic distortion limit of voltage magnitude (THDV), capacitor size limit, and power factor (p.f.) limit as given in Equations (19)–(22). The capacitor size limit in Equation (21) is also applicable for the Q c a p n b , r e ( k ) determination obtained based on x n b , r e ( k ) | p s y s n b , . Equation (27) divulges that the selection process is performed by comparing the rank of the fitness values, f i t ( k ) , of all the original, x n b , n p ( k ) | p s y s n b , , and recombined, x n b , r e ( k ) | p s y s n b , , particles available in the population. The particle position claiming to have the largest fitness value is arranged as the first selth location of the x n b , s e l ( k ) | p s y s n b , . The proposed DEPSO technique is used so that the particles of position movement is performed by referring to the memory of improved personal best (pbest) and global best (gbest) position obtained via a rigorous fitness evaluation process. In the final selection process, there will be only one population of x n b , s e l ( k ) | p s y s n b , consisting particles arranged based on the descending order of the fitness value, f i t n p ( k ) and f i t r e ( k ) .
  • Select the particle of position, x n b , s e l ( k ) | p s y s n b , , to serve as the pbest and gbest as defined in Equations (23) and (24) at the current iteration k. In this case, the x n b , s e l ( k ) | p s y s n b , is utilized to replace the x n b , n p ( k ) | p s y s n b , given in Equations (23) and (24).
  • Perform step (13) of the proposed PSO procedure expounded in Section 2.2 to update the parameters for the next iteration k and the DEPSO procedure is repeated until it reaches the maximum iteration, kmax.
  • Record the results of v n b , n p ( k ) | p s y s n b , , x n b , n p ( k ) | p s y s n b , , Q c a p n b , n p ( k ) | p s y s n b , , O F n p ( k ) , f i t n p ( k ) , pbest(k), and gbest(k) obtained from Equations (8), (12), (14), (16), (17), (23) and (24).
These equations are applied with the assumption that the system operates at a constant loading, Tp, for 6 h per day, 22 days per month, and 12 months a year. The flowchart of optimal capacitors placement and sizing (OCPS) with CVR using the DEPSO technique is shown in Figure 2.
The description of the optimization procedure has been prepared in detail as it was translated from the numerical computation. This implies that the proposed optimization procedure has been explained in detail so that other researchers have the confidence to implement the proposed technique similar to each of the procedure and mathematical formulation involved. However, for the ease of understanding, the explanation of the proposed optimization procedure has been simplified through the use of flowchart, as shown in Figure 1 and Figure 2. In addition, the particles of velocity, v, calculated using Equation (5) is used to assist towards searching the next particles position, x, given in Equation (11) based on the pbest and gbest calculated using Equations (23) and (24). In Figure 2, the PSO is introduced with the new implementation of differential evolution (DE) to intensify the search for the improved particles x around the previously learned position without diverting from the search space area. The updated input particles of x and v are required for the improvement of capacitors sizing and location as given in Equations (13) and (14). This signifies that the optimal location of capacitors is identified by the particles of velocity, v, and is driven by the pbest, gbest, and DE. Subsequently, it will provide the minimum objective function given in Equation (16) subject to several iterations of optimization process without violating the system parameters limitations of voltage magnitude, THDv, capacitor size, and power factor as defined in Equations (19)–(22).

2.4. Pragmatic Operation of Capacitor Unit Installed in the Unbalanced Electrical System of Large-Scale Office Buildings

The actual operation of an unbalanced electrical system of large-scale office buildings tends to vary according to the changes of loading system during the working hours. In order to pragmatically install the capacitor at every location optimally specified by the DEPSO, the total size for every capacitor should be apportioned into several steps, and every step comprises small discrete capacitor sizing that is suitable to maintain the energy supply required by every level of load variation. Thus, the power factor regulator (PFR) is utilized to control the switching of discrete capacitor size based on the C/K ratio, and reactive power (Var) received at the location.
The switching sequence to select a particular discrete capacitor size is determined by referring to the C/K ratio that is the standard prescribed by the Public Works Department (PWD). The equation used to calculate the C/K ratio is as follows:
C / K = 5 × Q c 3 × V × I
where,
  • Q c —smallest capacitor step size (Var).
  • V—nominal primary system voltage (V).
  • I—primary rating of the current transformer (A).
Table 5 shows the C/K ratio for the 415V system. As stated in the table, the C/K ratio used to switch ON the capacitor sizing should refer to the ratio of the current transformer (CT) beforehand. The PFR associated with the CT has only a fixed ratio of 150:5 and is chosen as an example for this study. Consequently, when the C/K calculation gives the value of 0.12, the PFR will switch on the 2.5 kVAr capacitor. In this example, the C/K ratio larger than 0.23 will switch on the 5 kVAr capacitor. In a situation where the C/K ratio is less than 0.12, the PFR will turn off the capacitor. In a normal state of electrical system operation, the current magnitude varies more significantly than the variation of voltage magnitude. Thus, in Equation (28), the current magnitude signifies as an important factor for the determination of capacitor sizing. A modern PFR does not necessarily use the same set of capacitors for every step of capacitor sizing. The modern technology of PFR will provide flexibility to use different capacitors in the course of repetitive switching at the same C/K ratio of capacitor sizing.
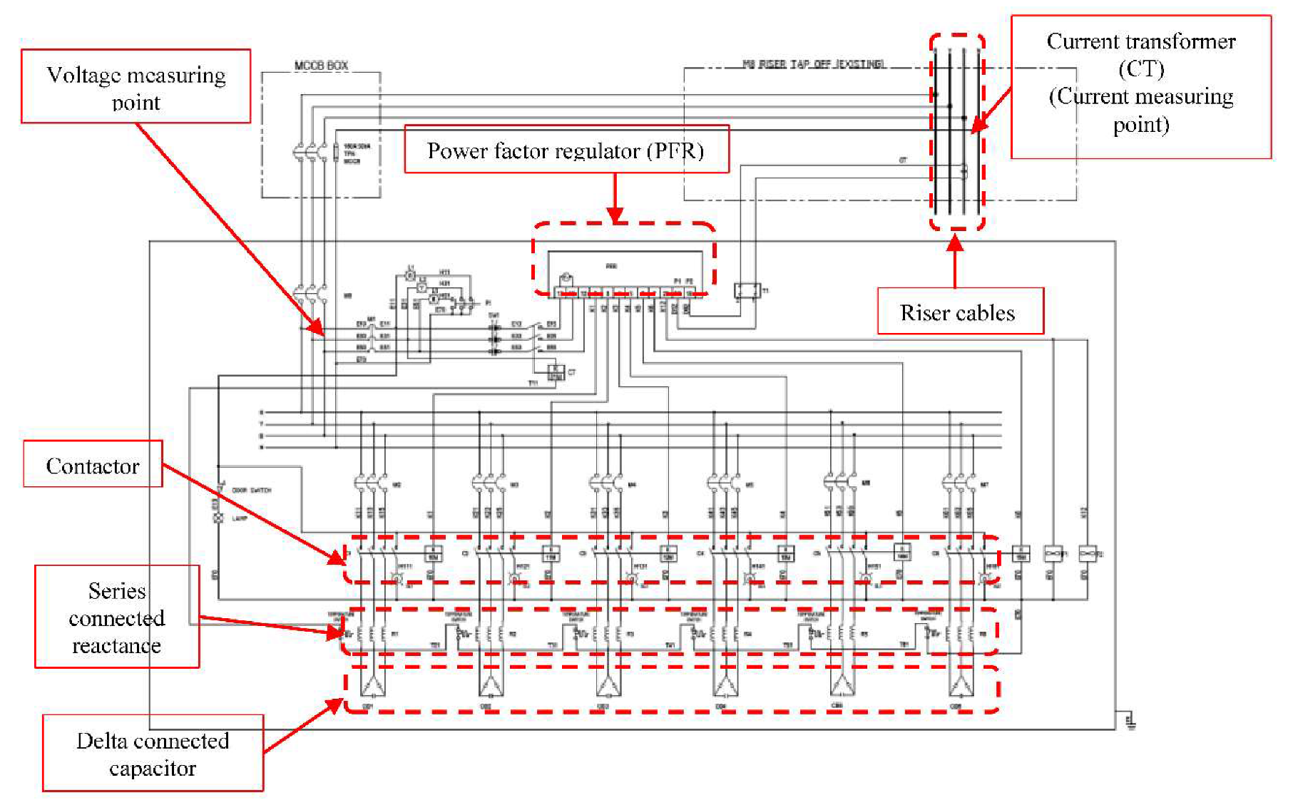
Figure 3 and Figure 4 show the schematic diagram and physical design of capacitor bank with a specific sizing installed at the optimal location in the unbalanced electrical system of large-scale office buildings. In conjunction with Figure 4a,c the floor-mounted compartment was designed for a large capacitor sizing and the small capacitor sizing was designed with a small wall-mounted compartment, shown in Figure 4b,d. The floor-mounted compartment has been designed by taking into account the series connection of inductances with large capacitors sizing.
Both types of capacitor bank use the PFR to control the switching sequence of discrete capacitor sizing. In Figure 4c,d, it is obvious that the capacitor bank will start its switching operation after the current flowing via the phase cable measured by the current transformer (CT). The CT is installed only at one phase with the worst power factor condition. The measured current will be scaled down by the CT and is available for the power factor regulator (PFR) operation. The PFR acquires the information of the current and voltage magnitudes to calculate the C/K ratio, power factor, and THDV that are essential for the switching sequence operation of the capacitor bank. The PFR will send the signal to a particular auxiliary circuit of the contactor for switching on the capacitor and inductor connected in parallel with the riser cable.

3. Results

This section contains a detail discussion on the comparative analyses conducted on the results obtained from the combination of CVR and OCPS performed using the differential evolution particle swarm optimization (DEPSO) technique. In this study, the proposed DEPSO implemented in the MATLAB® software will transfer the specific information required by the SIMULINK® software to execute the unbalanced load flow solution. A pragmatic unbalanced electrical system model of a large-scale office building is used as the case study to verify the effectiveness of the proposed CVR and OCPS based DEPSO in solving the energy efficiency problems without violating the system constraints. The system parameters and information are tabulated in Table 6, while Figure 5 depicts the schematic diagram for the unbalanced electrical system of large-scale office buildings. The base case unbalanced load flow solution is executed for the electrical system, and the base-case results are recorded for later use in the comparison and verification with the proposed technique of energy efficiency improvement. Section 3.3 discusses the determination of best parameter settings for the PSO and DEPSO techniques. The best parameter settings are obtained and applied in the proposed optimization technique of DEPSO to simulate the CVR with OCPS for large-scale office buildings that will be elaborated in Section 3.3.4. This is followed by Section 3.4, which discusses the energy efficiency results of the unbalanced electrical system in large-scale office buildings acquired, based on the pragmatic implementation of CVR with OCPS. In this section, the pragmatic information of maximum demand (MD) and energy consumption (kWh) are observed by referring to the monthly electricity bills and comparison. In addition, verification has been done on the obtained results to confirm the effectiveness of the pragmatically implemented CVR with OCPS for energy efficiency improvement.

3.1. Description of the Test System

This section elaborates on the significance of CVR and OCPS to improve the energy efficiency for the pragmatic unbalanced electrical system model of large-scale office buildings. The unbalanced electrical system operates at a nominal voltage of 433 V supplied by the five incoming transformers fed with the 11kV from the utility. The 433 V secondary side of every incoming transformer is connected to the main switchboard (MSB) to distribute the electricity at several riser cables connected with a particular type of load.
The riser cable is named based on the type of load as described below and it is connected to the incoming transformers, as shown in Table 6. The number for every load type was originally assigned by electrical consultants to facilitate the planning operation, maintenance, and service.
(a)
Motors, Air Handling Units or Split Unit Air-Conditioners (M).
(b)
Lighting, and A/C Power Plugs and Socket (N).
(c)
Emergency €.
(d)
Fire alarm or Sprinkler (P).
(e)
Elevator (L).
(f)
Cooling Tower, Condenser or main A/C switchboard.
(g)
Others (O).
In this building, most of the electrical appliances have been operated for more than 30 years. The unanticipated utilization of split air conditioning units and expansion of office space may contribute to a complex unbalanced loading condition of the electrical system. The electrical system of a large-scale building should be operated at the nominal or rated voltage of 415 V. The nominal voltage is contradictory with the operating voltage of 433 V pragmatically measured at the secondary side of every incoming transformer operating at the third position of tap setting. Indeed, the electrical components and equipment are still operating at a certain tolerance above 415 V. However, a large voltage magnitude will cause higher energy consumption and vice-versa. Normally, the variation of voltage magnitude happens because of the effects from the voltage type of loads, such as the motor operation without variable speed drive (VSD) controller and the magnetic ballast type of fluorescent lightings used in the building. The flexibility to choose voltage magnitude at the secondary side of the incoming transformer can be done by varying its tap setting. However, the permissible tolerance of voltage variation at the secondary side of incoming transformer adheres to the standard criteria imposed by the Energy Commission (EC) Malaysia [37]. The standard tolerance is within −6% until +10% from the voltage magnitude of 400 V [37].
Figure 5 depicts the schematic diagram for the unbalanced electrical system of a large-scale office building. There are five incoming transformers that are fed by the 11kV feeder cable coming from the utility substation. The electricity is supplied from the incoming transformer to a load via riser cables connected to the main switchboard (MSB).

3.2. Base Case Condition of an Unbalanced Electrical System for Large-Scale Office Building

Table 7 shows several important results acquired during the base case operating condition of the unbalanced electrical system for a large-scale office building. The system operates during the base case condition where the five incoming transformers operate under the condition of the third tap setting during the peak load at 12:00. It can be observed that the utility draws the total real and reactive powers as much as 3098.40 kW and 1789.40 kVAr for the electrical system consumption, with the total real and reactive power losses of 1.1175 kW and 1.1755 kVAr. The results signify that 0.0360% and 0.0660% of the total real and reactive power losses will not severely affect the sustainable operation in the electrical system. By assuming that the electrical system is operating at a constant loading condition for 6 h per day, 22 days in a month, and 12 months in a year, the total cost of energy consumption and energy losses are RM 1,791,370.94 per year and RM 646.09 per year. The cost is calculated based on the C1 tariff of RM 0.365/kWh set by the utility [39]. The maximum operating voltage of 259.79 VL-N exceeds the upper voltage limit by 5 VL-N during the base case operating condition. The standard voltage tolerance limits are imposed by the Energy Commission (EC) [37], and it is also used as the constraints in the DEPSO procedure to solve the CVR and OCPS. The power factor at the base case operating condition is 0.8437 p.f. that violates the power factor limit of 0.85 p.f. The low power factor may cause the utility to draw excessive reactive power to the unbalanced electrical system of a large-scale building. The total harmonic distortion of voltage magnitude (THDv) can be considered as small, where 3.01% is lower than the THDv limit of 5%. The small percentage of THDv may cause insignificant distortion of voltage magnitude hence yielding to a slight temperature increase in the cables and electrical equipment.

3.3. Parameter Settings for the PSO and DEPSO Optimization Techniques

The optimal solution of the objective function is obtained based on the best parameters specified in the differential evolution particle swarm optimization (DEPSO) technique, such as the population comprised with several particles position, x n b , n p ( k ) | p s y s n b , , in Equation (12), particles velocity, v n b , n p ( k ) | p s y s n b , , in Equation (8), and particles representing as the capacitors, Q c a p n b , n p ( k ) | p s y s n b , , in Equation (14). Subsequently, the parameters settings applied at the mutation factor of F in Equation (25) and the crossover factor of CR in Equation (26) play an important role to obtain the optimal solution in the objective function of DEPSO. The inappropriate setting of the aforementioned parameters will not provide an optimal result for the combination of CVR and OCPS. In order to ensure an impartial performance comparison between the DEPSO and PSO optimization techniques, the objective function of O F n p ( k ) is used as a reference to obtain the best parameter settings for the DEPSO and PSO. In the situation of a three-phase load connected to a busbar, the same size of delta connected capacitors in series with the inductors is installed at that particular busbar as an optimal location determined by the DEPSO or PSO with the best parameters setting. For the case of an unbalanced busbar connection with a single-phase or two-phase load, a series connection of capacitor and inductor is installed in parallel with every single-phase load of a busbar and it is the optimal location determined by the DEPSO or PSO performed with the best parameters setting.

3.3.1. Parameter Setting for the Total Number of Particles

The effectiveness of the DEPSO technique in solving the optimization problem also depends on the specified population. The first step of the parameter settings for the DEPSO and PSO is to specify a suitable total number of particles, Np, in a population. In this study, the best value of Np is determined by executing the sensitivity analysis of PSO and DEPSO that commenced with Np = 2 and increased gradually until it reaches Np = 10, as shown in [8]. In addition, Table 8 represents the results of the objective function, O F n p ( k ) , calculated using Equation (16) for every optimal solution performed by the PSO and DEPSO that correspond to several runs of Np. With regards to the unbalanced electrical system of large-scale office buildings, it can be observed that the minimum O F n p ( k ) of RM 1,748,578.20 and RM 1,670,402.93 can be obtained at Np = 8 and Np = 4 for the PSO and DEPSO. It is obvious that Np = 4 for the DEPSO yields to the minimum O F n p ( k ) of RM 1,670,402.93 that is lower than the minimum O F n p ( k ) of RM 1,748,578.20 obtained from the PSO at Np = 8. It is clearly shown that for every Np, the PSO and DEPSO will provide the minimum O F n p ( k ) without violating the limit of voltage magnitude ( V n b , ), total harmonic distortion of voltage magnitude ( T H D V n b , ), power factor (p.f.), and capacitors size. As a compendium for this analysis, DEPSO outperforms the performance of PSO in terms of providing the best solution of minimum O F n p ( k ) . This is because the performance of DEPSO is significantly improved by the inclusion of the mutation process. In order to determine the best number of particle Np for DEPSO, the mutation factor, F, and the crossover factor, CR, are set at the mid-range value of 0.5 for impartial comparison purpose. Eventually, the obtained best value of Np = 4 is still used in DEPSO to determine the best parameter setting of F and CR under the case study of the unbalanced electrical system in large-scale office buildings.

3.3.2. Parameter Setting of Mutation Factor

The mutation factor, F, is a constant multiplier utilized in Equation (25) that is responsible for improve the performance of differential evolution of particle swarm optimization (DEPSO) in searching for the optimal solution of the objective function, O F n p ( k ) . Thus, the suitability of the F value depends whether the mutated particles provide a better solution of O F n p ( k ) or vice-versa. In order to determine a suitable value of F, the proposed DEPSO optimization process is executed for every different value of F varied from 0.1 until 0.8 with the incremental steps of 0.1, as shown in Table 9. The performance of DEPSO is significantly improved by the best value of F. The DEPSO constitutes with the best total number of particles, Np, and crossover factor, CR, of 0.5 as previously discussed in Section 2.3. In accordance with the optimization process undertaken by the DEPSO for the unbalanced electrical system, it can be observed that F = 0.5 can be considered as the best solution for the mutation factor yielding to the minimum objective function of O F n p ( k ) = RM 1,670,402.93 per year for the unbalanced electrical system of large-scale office buildings. In conjunction to the operating performance of test system at every F, it is imperative to highlight that the PSO and DEPSO rigorously determine the O F n p ( k ) without violating the limit of voltage magnitude ( V n b , ), total harmonic distortion of voltage magnitude (THDv), power factor (p.f.), and capacitors size. Hence, the obtained best values for the total number of particles, Np, and mutation factor, F, are used in the subsequent optimization process of DEPSO to search for the best values of cross over, CR, under the case study of the unbalanced electrical system in large-scale office buildings.

3.3.3. Parameter Setting of Crossover Factor for DEPSO

The importance of crossover factor, CR, used in Equation (26) is to regulate the recombination process of particles position yielding to x n b , r e ( k ) | p s y s n b , whereby the contents either come from the mutated or original particles position of x n b , m u ( k ) | p s y s n b , or x n b , n p ( k ) | p s y s n b , , for every busbar, nb, and phase, ∅. The determination of a suitable cross over value, CR, for DEPSO should be within the range of 0.1 and 1 that is applicable for the case study of the unbalanced electrical system in large-scale office buildings. Eventually, the CR value of 0.5 is chosen for the DEPSO embedded with the best total number of particles, Np, and mutation factor, F, previously determined in Section 2.2 and Section 2.3. The CR value of 0.5 is chosen for impartial reason because it is the midpoint between the thresholds of 0.1 and 1. This is because the variation of CR from 0.1 until 1 will not engender to an exponent increase or decrease in the value of the objective function, O F n p ( k ) . This implies that the unanticipated value of O F n p ( k ) is stochastically obtained using random selection ( r a n d n b , ) of particle position used in Equation (26) albeit that the CR is varied linearly from 0.1 to 1. In Table 10, it can be observed that the DEPSO based CR = 0.5 is giving the objective functions of O F n p ( k ) = RM 1,670,402.93 per year for the unbalanced electrical system of large-scale office buildings. The optimization process of the DEPSO with CR = 0.5 is performed without violating the system constraints of voltage magnitude ( V n b , ), total harmonic distortion of voltage magnitude ( T H D V n b , ), power factor (p.f.), and capacitors size limitation.

3.3.4. Overall Best Parameter Settings for Both Optimization Techniques

Table 11 represents the overall best parameters setting of the total number of particles, Np, mutation factor, F, and cross over, CR, for uplifting the DEPSO performance to estimate the optimal solution of the objective function, O F n p ( k ) . The best Np is also determined for the PSO required in the later use of comparison to verify the effective performance of the proposed DEPSO technique. Basically, the best parameter settings are obtained by referring to the minimum value of the objective function, O F n p ( k ) . It is also worth to mention that for every case of parameter setting variation, the optimal solution of O F n p ( k ) is obtained subject to the implication of the CVR with the optimal transformers tap setting and also the OCPS determined by the DEPSO and PSO.
Pertaining to the best parameters setting obtained for the DEPSO and PSO tabulated in [11], the CVR and OCPS provide an optimal solution of O F n p ( k ) . Hence, it improves the energy efficiency results in contrast to the base case condition, shown in Table 12. Several improvements of energy efficiency can be observed through the voltage magnitude ( V n b , ), total harmonic distortion of voltage magnitude ( T H D V n b , ), and power factor (p.f.) that fall within the limits. By referring to Table 12, it is clearly shown that the DEPSO improves the CVR and OCPS performance as compared to the PSO and this can be observed via the improvement of energy efficiency results, such as the total power losses, total capacitors size, total cost of capacitors, total cost of energy losses, the total amount of power consumption, total cost of energy consumption, and the objective function, O F n p ( k ) . The energy efficiency improvement obtained from the aforementioned parameters will be discussed elaborately in the subsequent explanation. It should also worth mentioning that the objective function is obtained by referring to the total cost of energy losses and total cost of energy consumption as given in Equation (16) that takes into consideration the electricity tariff or cost coefficient of energy (Ken) of the unbalanced electrical system for large-scale office buildings. Consecutively, the total costs of energy losses and energy consumption are calculated by referring to the assumption that the test system is operating with a constant load, Pload, for Tp of 6 h per day, 22 days a month, and 12 months in a year.
The objective function results, O F n p ( k ) , depicted in Table 12, are equivalent to the one-time investment cost of installing the capacitor and the total cost of energy consumption per year. It is obvious that the CVR and OCPS based DEPSO technique contributes to the objective function, O F n p ( k ) , of RM 1,701,138.90 per year that is smaller than the result of RM 1,769,290.58 per year provided by the CVR and OCPS based PSO technique. The CVR and OCPS based DEPSO provides a better energy saving solution with the total energy consumption cost of RM 1,669,952.90 per year that is lower than the RM 1,748,278.20 per year for the result obtained by using the CVR and OCPS based PSO. The CVR and OCPS based DEPSO produce a better result with the total energy consumption cost of RM 1,669,952.90 that was reduced by 6.8% from the base case operating condition with the total energy consumption cost of RM 1,791,370.94. In terms of line losses, the CVR and OCPS based DEPSO gives a better result in the total energy losses cost reduction of 9.22% where it is reduced from RM 646.09 to RM 586.50 per year at the base case operating condition. On the other hand, it is noticed that the payback period is shortened significantly by using the CVR and OCPS based PSO. Nevertheless, the CVR and OCPS based DEPSO technique gives a reasonable payback period of 4 months that is obtained from the total capacitor size of 510.00 kVAr with an investment cost of RM 30,600.00. The cost of installing the capacitor is calculated based on RM 60.00 for every kVAr.
By installing the capacitors in the unbalanced electrical system, the power factor has been slightly improved from the base case condition of 0.84 p.f. to 0.86 p.f. and 0.89 p.f. during the operation of CVR and OCPS based DEPSO and PSO. In relation with the CVR technology used to specify the five transformers at the first position of tap setting, the electrical system still operates within the standard minimum and maximum voltage magnitude limits of 217 VL-N and 254 VL-N. In addition, the voltage magnitudes operate lower than the base case voltage condition. This signifies that DEPSO is an improved version from the basic PSO optimization technique. Similar to the basic findings proven through several different series of PSO studies in [40,41,42,43,44], several runs of DEPSO for validation purposes will provide similar optimum results. Therefore, the proposed DEPSO method has performed several optimization runs for validation purposes that eventually arrive at similar optimum results.
Furthermore, the optimal location and sizing of capacitors obtained using the PSO and DEPSO are depicted separately in Table 13 and Table 14. The results confirm that the CVR and OCPS based DEPSO performance is robust in providing a better saving of energy consumption than the CVR and OCPS based PSO. Hence, a reasonable payback period with less than one year is acquired for the invested capacitors obtained via the optimization process of OCPS that is combined with the CVR performed by the DEPSO and PSO. This eventually creates possible discrepancies between the simulation results in Table 14 and the pragmatic results due to the unanticipated system operating condition that may be affected by the temperature, efficiency of existing equipment, loading variation, and other system conditions.

3.4. Pragmatic Implementation of CVR and OCPS Based DEPSO for Energy Efficiency Improvement at the Unbalanced Electrical System of Large-Scale Office Building

This section discusses the pragmatic implementation of CVR and OCPS based DEPSO for energy efficiency improvement of the unbalanced electrical system at large-scale office buildings. The differences in energy efficiency improvement can be observed through the comparative study between the pragmatic implementation and software simulation of the CVR and OCPS based DEPSO technique. This implies that the pragmatic implementation of CVR and OCPS in the unbalanced electrical system of large-scale office buildings is performed as a result from the optimal solution of energy efficiency improvement obtained from the planning stage involving the software programming implementation and simulation of the DEPSO technique.
Similar to the statement highlighted in Section 2, it is worth to note that during the planning procedure that utilizes the optimization procedure of DEPSO, the unbalanced electrical system model was constructed in the SIMULINK® software that requires important information collected during the site visit and the implementation of data logging procedure. The basic procedures involved in designing the unbalanced electrical system model include data conversion, inserting the harmonic data, and the extraction of measurement data from the load flow solution performed in the SIMULINK® software.
The pragmatic installation of the CVR and OCPS based DEPSO is actually time-consuming, since it involves an intricate scope of work, such as changing the incoming transformer tap setting, fabricating the capacitor compartments or modules, searching for a suitable controller required for an effective capacitor sizing selection, selecting suitable capacitor type, obtaining permission from the building owner, installing the capacitor compartments or modules, minor renovation in the building, conducting additional wiring to the existing electrical system, tendering the procedure compliance to purchase the capacitors and other equipment, conducting in-depth discussion on the appropriateness to install the capacitors at a particular location, as well as the commissioning and testing procedures. With regards to the aforementioned explanation that requires a lengthy period to pragmatically implement the CVR and OCPS based DEPSO, every capacitor sizing, capacitor location, and incoming transformer tap setting must be known beforehand using the DEPSO algorithm simulated in the MATLAB®/SIMULINK® software. Therefore, pertaining to the CVR and OCPS based DEPSO algorithm implemented and simulated in the MATLAB®/SIMULINK® software, the results on the energy efficiency improvement are obtained and tabulated in Table 14 as explained in Section 3.3.4. The capacitor locations and sizing which are installed in the unbalanced electrical system is shown in Table 15. The pragmatic installation of capacitors originated from the decision planning conducted by referring to the MATLAB®/SIMULINK® software to simulate the CVR and OCPS based DEPSO. In reference to Table 15, there are seven capacitor locations, namely, the M1 of T1, the N7 and N4 of T2, the M5 and Main AC of T3, the M10 of T4, and the M8 of T5. The total capacitor size installed in the system is 510.00 kVAr. The installation point for each capacitor compartment or module is at the first distribution board (DB) that initially comes from the main switchboard (MSB) room, and it is usually located at a different floor or level in the building. The largest capacitor size is installed at the main AC distribution board (DB) located in the pump house.
The capacitor circuit is fabricated to be fitted in a compartment or module depending on whether it is designed for floor-mounted or wall-mounted as described in Section 2.4. The pragmatic installation of capacitors reduces the ambient temperature from 38.5 °C to 34.5 °C in the MSB room. The occurrence of temperature reduction may be caused by the reduction of total current coming from the upstream electrical system, and this is attributed to the pragmatic installation of capacitors in the MSB room.
Figure 6 depicts the hourly total power consumptions (kW) obtained before and after the pragmatic implementation of the CVR and OCPS based DEPSO. The highest or peak value of total power consumption is recorded every hour and originates from the incoming transformers T1, T2, T3, T4, and T5. The total power consumption is reduced by 9.1% from the base case operating condition, and it happens subsequently to the pragmatic implementation of the CVR and OCPS based DEPSO. Basically, the percentage of power (kW) reduction is obtained by referring to the difference between the mean value of hourly total power consumption for both conditions. The pragmatic implementation of the CVR and OCPS based DEPSO is varied at the lower value where the daily trend of total power consumption has a relatively similar variation during the base case operating condition. Furthermore, the results in Figure 6 also indicate a significant reduction of pragmatic total power consumption by 9.1% in comparison to the 6.8% reduction of the total power consumption attributed by the implementation of the CVR and OCPS based DEPSO as simulated in the of MATLAB®/SIMULINK® software, shown in Table 12. It signifies that there is a difference between the pragmatic and simulated results in the reduction of total power consumption. One of the reasons is that different loading variation considered in the pragmatic case study yields to the different results as compared to the constant loading condition considered in the software simulation.
Figure 7 shows the maximum demand (MD) and total energy consumption (kWh) obtained from the electricity bill in January 2014 until June 2015. Following the pragmatic installation of the CVR in the middle of June 2014, the efficient electrical system operation acquired from such installation was observed from July 2014 to December 2014. By referring to Figure 7, it is undeniable that the MD (kW) gradually declines from July 2014 until December 2015. The trend of energy consumption (kWh) also reduces due to the effects of pragmatic CVR implementation from July 2014 until early December 2014. Meanwhile, the pragmatic installation of the capacitors based OCPS was conducted in the middle of December 2014. Subject to the effects of the pragmatic CVR and OCPS installation from January 2015 until June 2015, the energy consumptions (kWh) and MD (kW) are further reduced than the results obtained prior to January 2015.
The electricity bill charged for the unbalanced electrical system refers to tariff C1 for large-scale office buildings that include the renewable energy (RE) feed-in-tariff (FiT) imposed by the utility [39]. From January 2014, tariff C1 of RM 30.30 per kW and RM 0.365 per kWh is charged for both maximum demand (MD) and power consumption (kWh) [39]. The FiT is calculated based on 1.6% of the total cost of MD and energy consumption (kWh) [39]. The incurred MD cost refers to the highest peak loading (kW) condition in a month [39]. Usually, the MD can be reduced by managing the voltage magnitude, sequential operation of several large motors, or utilizing the energy efficiency technology embedded in the unbalanced electrical system. Since energy consumption is also affected by the operating hours of the unbalanced electrical system, longer operating hours will inflict to a higher cost of energy consumption (kWh).
The electricity bill is charged based on three different scenarios. The first scenario refers to the electricity bill charged based on tariff C1 without considering the effects of the pragmatic implementation of the CVR and OCPS based DEPSO from January 2014 to June 2014. Meanwhile, the second scenario is related to the electricity bill charges following the effects of the pragmatic implementation of CVR from July 2014 to December 2014. Finally, for the third scenario from January 2015 to June 2015, tariff C1 is used to estimate the electricity as a result of the pragmatic implementation of the CVR and OCPS.
Table 16 highlights the robust performance of the proposed energy efficiency technology to solve the cost-saving problems in relation to the MD, energy consumption, and payback period. The calculation of the average cost of MD, average MD, and average cost of energy consumption can be categorized into three scenarios in consideration of the tariff C1 imposed by the utility. Prior to the pragmatic implementation of the CVR and OCPS based DEPSO in the first scenario, the average cost of MD is RM 125,154.15, an average MD of 4130.50 kW, average energy consumption of 980,313.00 kWh, and an average cost in energy consumption of RM 490,695.90 that are estimated from January 2014 to June 2014.
In the middle of June 2014, the pragmatic implementation of CVR is performed by varying the tap setting from the third position to first position for all of the five incoming transformers. After the second scenario in the effects of pragmatic CVR implementation from July 2014 to December 2014, the average MD reduction from 4130.50 kW to 3854.80 kW has a significant impact to the average MD saving of 275.70 kW yielding to 6.67% cost-saving in the average MD of RM 8354.70. During the second scenario, the five months estimation prior to the pragmatic installation of the capacitor modules results to the average MD cost of RM 116,800.40 from July 2014 to December 2014, and this only refers to the effects of the pragmatic implementation of CVR. In addition to the second scenario, the average energy consumption is reduced from 980,313.00 kWh to 926,382.00 kWh with 5.50% of cost-saving for the average energy consumption, which constitutes to RM 19,685.00.
Consequently, the ensuing task of the project has been accomplished by the pragmatic installation of the capacitors conducted in early December 2014. This attributes to further reduction of the average MD from 4130.50 kW to 3854.80 kW with 10.14% cost-saving in the average MD of RM 12,694.15, and this refers to the third scenario from January 2015 to June 2015. Following the successful pragmatic installation of CVR and OCPS based DEPSO in the unbalanced electrical system during the third scenario, the average cost of MD is further reduced to RM 112,460.00. In terms of its impact on energy consumption during the third scenario, the results imply that there is a significant increase in the cost-saving of RM 36,051.00 due to the 10.08% reduction from the average energy consumption of 980,313.00 kWh to 881,543.90 kWh.
The discussion shows that the pragmatic installation of the CVR and OCPS based DEPSO has resulted in a significant improvement of energy efficiency in the unbalanced electrical system of large-scale office buildings. Figure 8 and Table 16 depict similar results pertaining to the three different scenarios of the average electricity bill. The comparison between the first and second scenario proves that the pragmatic implementation of CVR contributes to the electricity bill reduction with an average saving of 5.81% or RM 28,487.20 for the second scenario from July 2014 to December 2014. Meanwhile, the comparison between the first and third scenario indicates that the pragmatic installation of CVR and OCPS contributes to the further reduction of electricity bills with an average saving of 10.09% or RM 49,524.80 for the third scenario from January 2015 to June 2015. Finally, by taking into account, the cost-saving in the average energy consumption of RM 49,524.80 and the actual capacitors investment cost of RM 125,000, the estimated payback period of 2.5 months can be materialized.

3.5. International Performance Measurement and Verification Protocol (IPMVP) for the Accurate Estimation of Energy Efficiency in the Large-Scale Building

The project team has appointed a third-party who is certified by the International Performance Measurement and Verification Protocol (IPMVP) to provide a verification report on the exact amount of energy efficiency achieved by the large-scale office building following the pragmatic installation of the CVR and OCPS based DEPSO. In contrast with the previously discussed approach, the IPMVP is an international verification standard widely used to provide an accurate estimation of energy efficiency that cannot be directly measured via a simple calculation and it should be adjusted according to the change in specific circumstances influenced by other factors, such as the variation of weather or temperature for cooling degree day (CDD) determination as well as the number of occupants and working days. Figure 9 shows the activity plan used for energy efficiency measurement and verification conducted based on the IPMVP approach. This approach requires the baseline model of electricity bill starting from January 2014 to May 2014 which was acquired without the effects of pragmatic installation of the OCPS and CVR based DEPSO. Simultaneously, the baseline model is used for energy efficiency calculation during the reporting period from January 2015 to June 2015, that is after the pragmatic installation of the OCPS and CVR based DEPSO. Similar to the case study discussed in Figure 7 and Figure 8, the pragmatic installation of the CVR and OCPS was conducted in middle June 2014 and middle December 2014.
Results obtained from the reporting period have shown that the unbalanced electrical system of the large-scale office building obtained the maximum energy efficiency of 15.20% with the savings of 163,151.48 kWh in June 2015. On the other hand, the minimum energy efficiency of 9.18% is obtained with the savings of 90,501.75 kWh in May 2015. The average energy saving of 11.48% is derived from the energy consumption, which begins from January 2015 until June 2015. The results indicate that the CVR and OCPS based DEPSO method has a significant impact on the savings of energy consumption. This is supported by the energy efficiency assessment conducted by the IPMVP shosn in Table 17 which confirms that the accurate value in the average energy saving of 11.48% is higher than the basic estimation of the average energy saving that is 6.8% and 10.08%, as shown in Table 12 and Table 16.

4. Conclusions

The results of this study have been discussed in detail to support the successful pragmatic implementation of the optimal capacitor placement and sizing (OCPS) inclusive with the conservative voltage reduction (CVR) for the purpose of energy efficiency enhancement and sustainable operation of the unbalanced electrical system in large-scale office buildings. The artificial intelligence (AI) based differential evolution particle swarm optimization (DEPSO) has been used to determine the optimal solution of OCPS and CVR in order to pragmatically improve energy efficiency and sustainable operation of the unbalanced electrical system by minimizing the total power losses with an adequate amount of energy consumption. This signifies that an expensive investment cost will incur whenever the electrical components are not implemented at the optimal location with the best sizing for energy efficiency enhancement. In particular, the OCPS pragmatically improves the energy efficiency by reducing the total power losses at the downstream of an unbalanced electrical system in large-scale office buildings. The harmonic distortion, fundamental component, and unbalanced of electrical parameters are the three dominant factors that lead to the increase of power losses and unsustainable operation at the downstream of an unbalanced electrical system in large-scale office buildings. Further improvement on energy efficiency is obtained by the pragmatic implementation of the CVR that subsequently reduces and retains the voltage magnitude at a certain level while ensuring the sustainability of the unbalanced electrical system in large-scale office buildings. The voltage magnitude is maintained at the minimum level so that any excess energy coming from the utility can be restrained. Hence, the pragmatic implementation of CVR involves the adjustment of the incoming transformers tap setting from the third position to the first position as an optimal solution specified by the DEPSO. Prior to this matter, the total minimization cost of real power losses, real power consumption, and capacitors installation are considered in the objective and fitness functions of DEPSO. In addition, voltage magnitude limit, total harmonic distortion (THD) limit, power factor limit, and total reactive power injection limit are the unbalanced electrical parameters that are considered as the constraints for the proposed optimization technique. This can be considered as an intriguing approach, since limited previous researchers have considered unbalanced electrical parameters as the constraints in the proposed optimization technique. The best results of energy efficiency are confirmed through several case studies in which among them have considered changing the capacitor sizing by 2.5 kVAr in tandem with the loading system variation, as well as changing the five incoming transformers tap setting for several variations of CVR. In addition to the proposed concept of the OCPS and CVR based DEPSO pragmatically implemented on the unbalanced electrical system of large-scale office buildings, energy efficiency analysis was performed based on the energy consumption recorded within a week and also based on the monthly electricity bills. The electricity bills were obtained based on the two main parameters of maximum demand (MD) and energy consumption (kWh) under tariff C1. Hence, the implementation of the OCPS and CVR based DEPSO has a significant impact on the results of MD and kWh subject to the uncertain operating hours of the unbalanced electrical system in large-scale office buildings. This has been pragmatically proven via the energy efficiency assessment conducted by the third party certified with the International Performance Measurement and Verification Protocol (IPMVP) where the assessment confirms that an accurate value in the average energy saving of 11.48% is obtained and is slightly higher than the basic estimation of average energy saving that is 10.08%. In addition, by implementing the proposed technique, a cost-effective solution in energy efficiency improvement has been obtained due to the smaller size of the installed capacitors, particularly at the optimal location of the unbalanced electrical system in large-scale office buildings. As a compendium, the proposed approach provides a cost-effective solution to ensure a sustainable system operation with reference to the energy efficiency improvement in terms of its voltage magnitude, power factor, total harmonic distortion, and total power losses. This is done while sustaining a considerable reduction of electricity bill, which has been proven in the pragmatic case study, and verified by the IPMVP certified third party.

Author Contributions

Conceptualization, M.A.A.R. and M.M.O.; methodology, M.A.A.R. and M.M.O.; software, M.M.O.; validation, M.A.A.R., M.M.O., I.M., M.A.Y. and Z.Z.; formal analysis, M.A.A.R., M.M.O., I.M., M.A.Y. and Z.Z.; investigation, M.A.A.R., M.M.O., I.M., M.A.Y. and Z.Z.; resources, M.M.O.; data curation, M.A.A.R. and M.A.Y.; writing—original draft preparation, M.A.A.R. and M.M.O.; writing—review and editing, M.M.O. and I.M.; visualization, M.A.A.R., M.M.O., M.A.Y. and Z.Z.; supervision, M.M.O. and I.M.; project administration, M.M.O.; funding acquisition, M.M.O. All authors have read and agreed to the published version of the manuscript.

Funding

This research was funded by the Long-Term Research Grant (LRGS), Ministry of Education Malaysia for the program titled “Decarbonisation of Grid with an Optimal Controller and Energy Management for Energy Storage System in Microgrid Applications”, grant number 600-IRMI/LRGS 5/3 (001/2019); Institute of Research Management & Innovation (IRMI), Universiti Teknologi MARA, Malaysia, grant number 600-IRMI/DANA 5/3/BESTARI (119/2018); and Centre of Excellence in Technology & Engineering (CREaTE), Public Works Department (PWD), Malaysia, grant number 100-IRMI/GOV 16/6/2 (013/2018).

Conflicts of Interest

The authors declare no conflict of interest.

References

  1. Costa, A.; Keane, M.M.; Torrens, J.J.; Corry, E. Building operation and energy performance: Monitoring, analysis and optimisation toolkit. Appl. Energy 2013, 101, 310–316. [Google Scholar] [CrossRef]
  2. Moynihan, G.P.; Triantafillu, D. Energy savings for a manufacturing facility using building simulation modeling: A case study. Eng. Manag. J. 2012, 24, 73–84. [Google Scholar] [CrossRef]
  3. Kan, E.M.; Yadanar, K.; Ling, N.H.; Soh, Y.; Lin, N. Multi-agent control system with intelligent optimization for building energy management. In Proceedings of the 18th Asia Pacific Symposium on Intelligent and Evolutionary Systems, Singapore, 10–12 November 2014; pp. 505–518. [Google Scholar]
  4. Chua, K.J.; Chou, S.K.; Yang, W.M.; Yan, J. Achieving better energy efficient air conditioning—A review of technologies and strategies. Appl. Energy 2013, 104, 87–104. [Google Scholar] [CrossRef]
  5. Martos, A.; Pacheco-Torres, R.; Ordóñez, J.; Jadraque-Gago, E. Towards successful environmental performance of sustainable cities: Intervening sectors: A review. Renew. Sustain. Energy Rev. 2016, 57, 479–495. [Google Scholar] [CrossRef]
  6. Apak, S.; Atay, E.; Tuncer, G. Renewable hydrogen energy regulations, codes and standards: Challenges faced by an EU candidate country. Int. J. Hydrog. Energy 2012, 37, 5481–5497. [Google Scholar] [CrossRef]
  7. Fasiuddin, M.; Budaiwi, I. HVAC system strategies for energy conservation in commercial buildings in Saudi Arabia. Energy Build. 2011, 43, 3457–3466. [Google Scholar] [CrossRef]
  8. Budaiwi, I.; Abdou, A. HVAC system operational strategies for reduced energy consumption in buildings with intermittent occupancy: The case of mosques. Energy Convers. Manag. 2013, 73, 37–50. [Google Scholar] [CrossRef]
  9. Li, Y.M.; Wu, J.Y. Energy simulation and analysis of the heat recovery variable refrigerant flow system in winter. Energy Build. 2010, 42, 1093–1099. [Google Scholar] [CrossRef]
  10. Mujeebu, M.A.; Alshamrani, O.S. Prospects of energy conservation and management in buildings—The Saudi Arabian scenario versus global trends. Renew. Sustain. Energy Rev. 2016, 58, 1647–1663. [Google Scholar] [CrossRef]
  11. Ruparathna, R.; Kasun, H.; Sadiq, R. Improving the energy efficiency of the existing building stock: A critical review of commercial and institutional buildings. Renew. Sustain. Energy Rev. 2016, 53, 1032–1045. [Google Scholar] [CrossRef]
  12. Ul Haq, M.A.; Hassan, M.Y.; Abdullah, H.; Rahman, H.A.; Abdullah, M.P.; Hussin, F.; Said, D.M. A review on lighting control technologies in commercial buildings, their performance and affecting factors. Renew. Sustain. Energy Rev. 2014, 33, 268–279. [Google Scholar] [CrossRef]
  13. Rezaie, B.; Esmailzadeh, E.; Dincer, I. Renewable energy options for buildings: Case studies. Energy Build. 2011, 43, 56–65. [Google Scholar] [CrossRef]
  14. Konstantinou, T.; Knaack, U. An approach to integrate energy efficiency upgrade into refurbishment design process, applied in two case-study buildings in Northern European climate. Energy Build. 2013, 59, 301–309. [Google Scholar] [CrossRef]
  15. Hung, D.Q.; Mithulananthan, N. Multiple distributed generator placement in primary distribution networks for loss reduction. IEEE Trans. Ind. Electron. 2013, 60, 1700–1708. [Google Scholar] [CrossRef]
  16. Kandpal, T.C.; Broman, L. Renewable energy education: A global status review. Renew. Sustain. Energy Rev. 2014, 34, 300–324. [Google Scholar] [CrossRef]
  17. Luthra, S.; Kumar, S.; Garg, D.; Haleem, A. Barriers to renewable/sustainable energy technologies adoption: Indian perspective. Renew. Sustain. Energy Rev. 2015, 41, 762–776. [Google Scholar] [CrossRef]
  18. Zhao, P.; Suryanarayanan, S.; Simoes, M.G. An energy management system for building structures using a multi-agent decision-making control methodology. IEEE Trans. Ind. Appl. 2013, 49, 322–330. [Google Scholar] [CrossRef]
  19. Zhang, D.; Shah, N.; Papageorgiou, L.G. Efficient energy consumption and operation management in a smart building with microgrid. Energy Convers. Manag. 2013, 74, 209–222. [Google Scholar] [CrossRef]
  20. Bukoski, J.J.; Chaiwiwatworakul, P.; Gheewala, S.H. Energy savings versus costs of implementation for demand side management strategies within an energy-efficient tropical residence. Energy Effic. 2016, 9, 473–485. [Google Scholar] [CrossRef]
  21. Esmailnezhad, B.; Shayeghi, H. Simultaneous distribution network reconfiguration and DG allocation for loss reduction by invasive weed optimization algorithm. In Proceedings of the 2013 Smart Grid Conference (SGC), Tehran, Iran, 17–18 December 2013; pp. 166–172. [Google Scholar]
  22. Xu, Y.; Dong, Z.Y.; Wong, K.P.; Liu, E.; Yue, B. Optimal capacitor placement to distribution transformers for power loss reduction in radial distribution systems. IEEE Trans. Power Syst. 2013, 28, 4072–4079. [Google Scholar] [CrossRef]
  23. Santos, V.S.; Quispe, E.C.; Sarduy, J.R.G.; Viego, P.R.; Lemozy, N.; Jurado, A.; Brugnoni, M. Bacterial foraging algorithm application for induction motor field efficiency estimation under harmonics and unbalanced voltages. In Proceedings of the 2013 IEEE International Electric Machines & Drives Conference (IEMDC), Chicago, IL, USA, 12–15 May 2013; pp. 1108–1111. [Google Scholar]
  24. Chidurala, A.; Saha, T.P.; Mithulananthan, N. Harmonic impact of high penetration photovoltaic system on unbalanced distribution networks—Learning from an urban photovoltaic network. IET Renew. Power Gener. 2016, 10, 485–494. [Google Scholar] [CrossRef]
  25. Bhardwaj, A.; Gupta, A.; Jain, S.; Sharma, V.K.; Roy, R.; Agrawal, V. Minimization of electricity bill for industries and commercial establishments. Imp. J. Interdiscip. Res. 2016, 2, 386–388. [Google Scholar]
  26. Jwo, W.-S.; Liu, C.-W.; Liu, C.-C. Large-scale optimal VAR planning by hybrid simulated annealing/genetic algorithm. Int. J. Electr. Power Energy Syst. 1999, 21, 39–44. [Google Scholar] [CrossRef]
  27. Sirjani, R.; Mohamed, A.; Shareef, H. An improved harmony search algorithm for optimal capacitor placement in radial distribution systems. In Proceedings of the 2011 5th International Power Engineering and Optimization Conference (PEOCO), Shah Alam, Selangor, Malaysia, 6–7 June 2011; pp. 323–328. [Google Scholar]
  28. Sirjani, R.; Mohamed, A.; Shareef, H. Optimal capacitor placement in a radial distribution system using harmony search algorithm. J. Appl. Sci. 2010, 10, 2998–3006. [Google Scholar] [CrossRef]
  29. Mahela, O.P.; Mittal, D.; Goyal, L. Optimal capacitor placement techniques in transmission and distribution networks to reduce line losses and voltage stability enhancement: A review. IOSR J. Electr. Electron. Eng. 2012, 3, 1–8. [Google Scholar] [CrossRef]
  30. Singh, S.; Rao, A. Optimal allocation of capacitors in distribution systems using particle swarm optimization. Int. J. Electr. Power Energy Syst. 2012, 43, 1267–1275. [Google Scholar] [CrossRef]
  31. Ramadan, H.S.; Bendary, A.F.; Nagy, S. Particle swarm optimization algorithm for capacitor allocation problem in distribution systems with wind turbine generators. Int. J. Electr. Power Energy Syst. 2017, 84, 143–152. [Google Scholar] [CrossRef]
  32. Mosbah, M.; Mohammedi, R.D.; Arif, S.; Hellal, A. Optimal od shunt capacitor placement and size in Algerian distribution network using particle swarm optimization. In Proceedings of the 8th International Conference on Modelling, Identification and Control (ICMIC-2016), Algiers, Algeria, 15–17 November 2016; pp. 192–197. [Google Scholar]
  33. Eajal, A.A.; El-Hawary, M. Optimal capacitor placement and sizing in unbalanced distribution systems with harmonics consideration using particle swarm optimization. IEEE Trans. Power Deliv. 2010, 25, 1734–1741. [Google Scholar] [CrossRef]
  34. Dao, T.V.; Chaitusaney, S.; Nguyen, H.T.N. Linear least-squares method for conservation voltage reduction in distribution systems with photovoltaic inverters. IEEE Trans. Smart Grid 2016, 8, 1252–1263. [Google Scholar] [CrossRef]
  35. Wang, Z.; Wang, J. Review on implementation and assessment of conservation voltage reduction. IEEE Trans. Power Syst. 2014, 29, 1306–1315. [Google Scholar] [CrossRef]
  36. Azuatalam, D.T.; Unigwe, O.C.; Collin, A.J. Investigating the effects of conservation voltage reduction on UK-type residential networks. In Proceedings of the 2016 Australasian Universities Power Engineering Conference (AUPEC), Brisbane, QLD, Australia, 25–28 September 2016; pp. 1–6. [Google Scholar]
  37. Energy Commission. Malaysia. Distribution Code for Peninsular Malaysia, Sabah & F.T. Labuan (amendments). 2017. Available online: https://www.st.gov.my/contents/publications/guidelines_electricity/2017/Distribution%20Code%20For%20Peninsular%20Malaysia%20Sabah%20%20F.T.%20Labuan%20Amendments%202017_V5.pdf (accessed on 23 May 2019).
  38. Rini, D.P.; Shamsuddin, S.M.; Yuhaniz, S.S. Particle swarm optimization: Technique, system and challenges. Int. J. Comput. Appl. 2011, 14, 19–26. [Google Scholar] [CrossRef]
  39. Tenaga Nasional Berhad, Malaysia, Commercial Tariffs: Tariff C1—Medium Voltage General Commercial Tariff. 2018. Available online: https://www.tnb.com.my/commercial-industrial/pricing-tariffs1 (accessed on 23 May 2019).
  40. Baker, S.M.; Schallau, K.; Junker, B.H. Comparison of different algorithms for simultaneous estimation of multiple parameters in kinetic metabolic models. J. Integr. Bioinform. 2010, 7, 254–262. [Google Scholar] [CrossRef]
  41. Hassan, R.; Cohanim, B.; De Weck, O.; Venter, G. A comparison of particle swarm optimization and the genetic algorithm. In Proceedings of the 46th AIAA/ASME/ASCE/AHS/ASC Structures, Structural Dynamics and Materials Conference, Austin, TX, USA, 18–21 April 2005; pp. 1–13. [Google Scholar]
  42. Alsumait, J.S.; Sykulski, J.K.; Al-Othman, A.K. A hybrid GA–PS–SQP method to solve power system valve-point economic dispatch problems. Appl. Energy 2010, 87, 1773–1781. [Google Scholar] [CrossRef]
  43. Mohamad, M.S.; Omatu, S.; Deris, S.; Yoshioka, M.; Zainal, A. A new binary particle swarm optimizer to select a smaller subset of genes for leukaemia cancer classification. J. Teknol. Mklm. 2008, 20, 155–162. [Google Scholar]
  44. Koyuncu, H.; Ceylan, R. A PSO based approach: Scout particle swarm algorithm for continuous global optimization problems. J. Comput. Des. Eng. 2019, 6, 129–142. [Google Scholar] [CrossRef]
Figure 1. Flowchart of particle swarm optimization (PSO) technique for the determination of optimal capacitors placement and sizing (OCPS) with CVR.
Figure 1. Flowchart of particle swarm optimization (PSO) technique for the determination of optimal capacitors placement and sizing (OCPS) with CVR.
Sustainability 12 05399 g001
Figure 2. Flowchart of differential evolution particle swarm optimization (DEPSO) technique for the determination of optimal capacitors placement and sizing (OCPS) with CVR.
Figure 2. Flowchart of differential evolution particle swarm optimization (DEPSO) technique for the determination of optimal capacitors placement and sizing (OCPS) with CVR.
Sustainability 12 05399 g002
Figure 3. Schematic diagram of the capacitor switching circuit.
Figure 3. Schematic diagram of the capacitor switching circuit.
Sustainability 12 05399 g003
Figure 4. (a) Floor-mounted capacitor bank compartment; (b) wall-mounted capacitor bank compartment; (c) internal circuit connection of floor-mounted capacitor bank compartment; and (d) internal circuit connection of wall-mounted capacitor bank compartment.
Figure 4. (a) Floor-mounted capacitor bank compartment; (b) wall-mounted capacitor bank compartment; (c) internal circuit connection of floor-mounted capacitor bank compartment; and (d) internal circuit connection of wall-mounted capacitor bank compartment.
Sustainability 12 05399 g004
Figure 5. A schematic diagram of the unbalanced electrical system in large-scale office buildings.
Figure 5. A schematic diagram of the unbalanced electrical system in large-scale office buildings.
Sustainability 12 05399 g005
Figure 6. Load curve of the total power consumption recorded before and after the pragmatic implementation of the CVR and OCPS based DEPSO.
Figure 6. Load curve of the total power consumption recorded before and after the pragmatic implementation of the CVR and OCPS based DEPSO.
Sustainability 12 05399 g006
Figure 7. Variations of maximum demand (MD) and energy consumption (kWh).
Figure 7. Variations of maximum demand (MD) and energy consumption (kWh).
Sustainability 12 05399 g007
Figure 8. Electricity bill of the unbalanced electrical system in large-scale office buildings.
Figure 8. Electricity bill of the unbalanced electrical system in large-scale office buildings.
Sustainability 12 05399 g008
Figure 9. International performance measurement and verification protocol (IPMVP) standard approach for energy efficiency assessment.
Figure 9. International performance measurement and verification protocol (IPMVP) standard approach for energy efficiency assessment.
Sustainability 12 05399 g009
Table 1. The maximum and minimum voltage limits in reference to the variation of incoming transformers tap setting.
Table 1. The maximum and minimum voltage limits in reference to the variation of incoming transformers tap setting.
Unbalanced Electrical System of a Large-Scale Office Building [37]
Maximum voltage limit ( V m a x l i m i t )254 VL-N (+10% from 230 VL-N or 400VL-L)
Minimum voltage limit ( V m i n l i m i t )209 VL-N (−6% from 230 VL-N or 400VL-L)
Table 2. Parameters for the unbalanced electrical system of large-scale office buildings.
Table 2. Parameters for the unbalanced electrical system of large-scale office buildings.
ParameterValue
Total number of riser cables, Nb28
System phases, ∅3
Price or tariff of energy, Ken RM 0.365/kWh
Price of capacitor/kVAr, Kcap RM 60.00/kVAr
Table 3. Parameters for the particle swarm optimization technique.
Table 3. Parameters for the particle swarm optimization technique.
ParameterValue
Total number of particles, Np4
Maximum iteration, kmax100
Learning rate for individual ability, c 1 2
Social influence, c 2 2
Random number, r1random, ϵ(0,1)
Random number, r2random, ϵ(0,1)
Minimum weight, wmin 0.4
Maximum weight, wmax 0.9
Velocity constant factor, δ1
Minimum particle position, xmin 0
Maximum particle position, xmax1
Table 4. Discrete capacitor sizes are available in the market specified for an unbalanced electrical system of large-scale office buildings.
Table 4. Discrete capacitor sizes are available in the market specified for an unbalanced electrical system of large-scale office buildings.
Capacitor Sizes (kVAr)
102030405060708090100
110120130140150160170180190200
210220230240250260270280290300
Table 5. C/K ratio for the 415V system.
Table 5. C/K ratio for the 415V system.
CT RatioCapacitor Sizing (kVAr)
2.551015202530405060100150
C/K Ratio
50:50.350.7
60:50.290.581.16
75:50.230.460.93
100:50.170.350.71.04
150:50.120.230.460.70.931.16
200:50.090.180.350.520.70.871.04
250:50.070.140.280.420.560.70.831.11
300:50.040.120.230.350.460.580.70.931.16
400:50.030.090.170.260.350.430.520.70.871.04
500:5 0.070.140.210.280.350.420.560.70.83
600:5 0.060.120.170.230.290.350.460.580.71.16
800:5 0.040.090.130.170.220.260.350.430.520.87
1000:5 0.030.070.10.140.170.210.280.350.420.71.04
1500:5 0.050.070.090.120.140.190.230.280.460.7
2000:5 0.030.050.070.090.10.140.170.210.350.52
Table 6. Types of load connected to a riser cable for every incoming transformer.
Table 6. Types of load connected to a riser cable for every incoming transformer.
Types of Load Connected to a Riser Cable
Incoming Transformer 1 (T1)M1M2N5N2M3N1
Incoming Transformer 2 (T2)OEON3N4N7
Incoming Transformer 3 (T3)M4M5MAIN A/CEN6O
Incoming Transformer 4 (T4)M6M10N8M7N7-
Incoming Transformer 5 (T5)M8M9M11MAIN A/CO-
Table 7. Base case operating condition of an unbalanced electrical system in large-scale office building.
Table 7. Base case operating condition of an unbalanced electrical system in large-scale office building.
System ParameterResult
Total cost of energy consumption (RM/year)1,791,370.94
Total cost of energy losses (RM/year)646.09
Total cost of capacitors (RM)-
Total real power consumption (kW)3098.4
Total reactive power consumption (kVAr)1789.4
Total real power loss (kW)1.12
Total reactive power loss (kVAr)1.18
Total capacitors size (kVAr)-
Maximum voltage (VL-N)259.789
Minimum voltages (VL-N)254.78
Power factor (p.f.)0.8437
Maximum THDv (%)3.01
Transformers tap settingthird position
Table 8. The objective function corresponding to every total number of particles specified for the DEPSO and PSO.
Table 8. The objective function corresponding to every total number of particles specified for the DEPSO and PSO.
Total Number of Particles, NpUnbalanced Electrical System of a Large-Scale Building
Objective Function (RM) for the PSOObjective Function (RM) for the DEPSO
21,749,552.591,671,536.74
31,749,125.211,670,932.45
41,748,809.871,670,402.93
51,749,552.591,672,792.65
61,748,587.781,671,799.19
71,749,124.481,671,941.42
81,748,578.201,671,325.83
91,749,124.481,671,949.38
101,748,928.531,673,390.70
Table 9. The objective function for every mutation factor specified in the DEPSO technique.
Table 9. The objective function for every mutation factor specified in the DEPSO technique.
Mutation factor, FDEPSO
Objective Function, O F n p ( k ) (RM/Year)
0.11,749,552.59
0.21,749,125.21
0.31,748,809.87
0.41,748,587.78
0.51,670,402.93
0.61,672,792.65
0.71,671,536.74
0.81,671,941.42
Table 10. Objective function for CR = 0.5 specified in the DEPSO.
Table 10. Objective function for CR = 0.5 specified in the DEPSO.
Crossover Factor, CRDEPSO
Objective Function (RM/Year)
0.51,670,402.93
Table 11. Overall best parameters setting of DEPSO and PSO for the CVR and OCPS.
Table 11. Overall best parameters setting of DEPSO and PSO for the CVR and OCPS.
DEPSOPSO
Total number of particles, Np48
Mutation Factor, F0.5
Crossover factor, CR0.5
Table 12. Performance comparison between the DEPSO and PSO subject to the overall fitness parameters setting.
Table 12. Performance comparison between the DEPSO and PSO subject to the overall fitness parameters setting.
System ParametersElectrical System of Large-Scale Building
Base Case ResultsDEPSOPSO
Objective function (RM/year)-1,701,138.901,769,290.58
Total cost of energy consumption (RM/year)1,791,370.941,669,952.901,748,278.20
Total cost of energy losses (RM/year)646.09586.50612.38
Total cost of capacitors (RM)-30,600.0020,400
Total real power consumption (kW)3098.402888.393023.87
Total reactive consumption (kVAr)1789.401607.111693.62
Total real power loss (kW)1.121.011.06
Total reactive power loss (kVAr)1.181.071.12
Total capacitors size (kVAr)-510.00340.00
Maximum voltage (VL-N)259.79237.60 Vp-n243.57 Vp-n
Minimum voltage (VL-N)254.78233.20 Vp-n238.88 Vp-n
Power factor (p.f.)0.840.860.89
Maximum THDv (%)3.010.140.19
Transformers tap setting (position)3rd1st1st
Payback period (months)-41.29
Table 13. Installation of capacitors at the busbar of riser cable determined by the PSO.
Table 13. Installation of capacitors at the busbar of riser cable determined by the PSO.
Incoming Transformer 1 (T1)Riser cable nameM1M2N5N2M3N1
Capacitor size (kVAr)-50----
Incoming Transformer 2 (T2)Riser cable nameOEON3N4N7
Capacitor size (kVAr)----30-
Incoming Transformer 3 (T3)Riser cable nameM4M5MAIN A/CEN6O
Capacitor size (kVAr)30-100---
Incoming Transformer 4 (T4)Riser cable nameM6M10N8M7N7-
Capacitor size (kVAr)80-----
Incoming Transformer 5 (T5)Riser cable nameM8M9M11MAIN A/CO-
Capacitor size (kVAr)-50----
Total capacitor size (kVAr)340
Table 14. Installation of capacitors at the busbar of riser cable determined by the DEPSO.
Table 14. Installation of capacitors at the busbar of riser cable determined by the DEPSO.
Incoming Transformer 1 (T1)Riser cable nameM1M2N5N2M3N1
Capacitor size (kVAr)50-----
Incoming Transformer 2 (T2)Riser cable nameOEON3N4N7
Capacitor size (kVAr)----2030
Incoming Transformer 3 (T3)Riser cable nameM4M5MAIN A/CEN6O
Capacitor size (kVAr)-50170---
Incoming Transformer 4 (T4)Riser cable nameM6M10N8M7N7-
Capacitor size (kVAr)-100----
Incoming Transformer 5 (T5)Riser cable nameM8M9M11MAIN A/CO-
Capacitor size (kVAr)90-----
Total capacitor size (kVAr)510
Table 15. Pragmatic installation of capacitor locations and sizing referring to the DEPSO.
Table 15. Pragmatic installation of capacitor locations and sizing referring to the DEPSO.
TransformerLoad Connected to a Riser CableLocationFloorSize (kVAr)
T1M1 Information Technology DivisionL250.00
T2N7Integrity DepartmentL730.00
T2N4PWD Electrical DepartmentL120.00
T3M5 Enforcement UnitGF50.00
T3Main A/CMain A/C Pump House170.00
T4M10Economic Planning UnitL13100.00
T5M8 Land and Mines OfficeGF90.00
Total510.00
Table 16. Energy efficiency achievements before and after the effect of the pragmatic installation of the CVR and OCPS based DEPSO.
Table 16. Energy efficiency achievements before and after the effect of the pragmatic installation of the CVR and OCPS based DEPSO.
Scenarios (C1 Tariff)Base Case Condition (Jan.2014–Jun. 2014)Pragmatic Implementation of CVR (Jul. 2014–Dec. 2014)Pragmatic Installation of OCPS and CVR (Jan. 2015–Jun. 2015)Percentage Saving (%)Amount of Saving
Jul. 2014–Dec. 2014Jan. 2015–Jun. 2015Jul. 2014–Dec. 2014Jan. 2015–Jun. 2015
Average Maximum Demand (kW)4130.503854.803711.556.67%10.14%275.70418.95
Average Cost of Maximum Demand (RM)125,154.15116,800.44112,460.006.67%10.14%8,353.7112,694.15
Average Cost of Energy Consumption (RM)357,814.25338,129.37321,763.525.50%10.08%19,684.8836,050.72
Average Energy Consumption (kWh)980,313.00926,381.83881,543.905.50%10.08%53,931.1798,769.10
Average Electricity Bill (RM)490,695.89462,208.69441,171.105.81%10.09%28,487.2049,524.79
Total Investment of Capacitors Installation (RM) 125,000.00
Payback Period (Month) 2.50
Table 17. International performance measurement and verification protocol (IPMVP) for an accurate assessment of energy efficiency refers to the pragmatic installation of OCPS and CVR Based DEPSO in the large-scale office building.
Table 17. International performance measurement and verification protocol (IPMVP) for an accurate assessment of energy efficiency refers to the pragmatic installation of OCPS and CVR Based DEPSO in the large-scale office building.
MonthActual Energy Consumption (kWh)Adjustment (kWh) Baseline (kWh)Actual Saving in kWhActual Saving in Percentage (%)
Jan-15832,149.124935.00972,197.27135,113.1513.90%
Feb-15815,321.733995.00909,178.0189,861.289.88%
Mar-15893,616.535170.00989,732.1490,945.619.19%
Apr-15951,924.385170.001,081,664.86124,570.4811.52%
May-15891,134.694700.00986,336.4490,501.759.18%
Jun-15905,112.185170.001,073,433.66163,151.4815.20%

Share and Cite

MDPI and ACS Style

Abdul Razak, M.A.; Othman, M.M.; Musirin, I.; Yahya, M.A.; Zakaria, Z. Significant Implication of Optimal Capacitor Placement and Sizing for a Sustainable Electrical Operation in a Building. Sustainability 2020, 12, 5399. https://doi.org/10.3390/su12135399

AMA Style

Abdul Razak MA, Othman MM, Musirin I, Yahya MA, Zakaria Z. Significant Implication of Optimal Capacitor Placement and Sizing for a Sustainable Electrical Operation in a Building. Sustainability. 2020; 12(13):5399. https://doi.org/10.3390/su12135399

Chicago/Turabian Style

Abdul Razak, Muhd Azri, Muhammad Murtadha Othman, Ismail Musirin, Mohd Ainor Yahya, and Zilaila Zakaria. 2020. "Significant Implication of Optimal Capacitor Placement and Sizing for a Sustainable Electrical Operation in a Building" Sustainability 12, no. 13: 5399. https://doi.org/10.3390/su12135399

APA Style

Abdul Razak, M. A., Othman, M. M., Musirin, I., Yahya, M. A., & Zakaria, Z. (2020). Significant Implication of Optimal Capacitor Placement and Sizing for a Sustainable Electrical Operation in a Building. Sustainability, 12(13), 5399. https://doi.org/10.3390/su12135399

Note that from the first issue of 2016, this journal uses article numbers instead of page numbers. See further details here.

Article Metrics

Back to TopTop