Next Article in Journal
Quality and Diffusion of Social and Sustainability Reporting in Italian Public Utility Companies
Previous Article in Journal
Sustaining Citizen Science beyond an Emergency
Previous Article in Special Issue
Environmental and Economic Prioritization of Building Energy Refurbishment Strategies with Life-Cycle Approach
 
 
Font Type:
Arial Georgia Verdana
Font Size:
Aa Aa Aa
Line Spacing:
Column Width:
Background:
Article

Evaluation and Optimization of the Life Cycle in Maritime Works

by
Eduardo Cejuela
1,*,
Vicente Negro
1 and
Jose María del Campo
2
1
Department of Civil Engineering: Hydraulics, Energy and Environment, Universidad Politécnica de Madrid, Prof. Aranguren 3, 28040 Madrid, Spain
2
Department of Civil Engineering: Construction, Infrastructure and Transports, Universidad Politécnica de Madrid, Prof. Aranguren 3, 28040 Madrid, Spain
*
Author to whom correspondence should be addressed.
Sustainability 2020, 12(11), 4524; https://doi.org/10.3390/su12114524
Submission received: 11 May 2020 / Revised: 29 May 2020 / Accepted: 30 May 2020 / Published: 2 June 2020
(This article belongs to the Special Issue Life Cycle Assessment, a Tool for Sustainability and Circular Economy)

Abstract

The 2030 Agenda and the Sustainable Development Goals are a necessity. A large number of public actions and activities in many countries go in this direction. Various indicators are used to quantitatively assess the impacts, all of which are included within product life cycle assessment. It is essential to study and assess infrastructure, as it is an important factor in emissions, as well as environmental and sustainable construction. In maritime works, the aggressiveness of seawater is an important factor that reduces the life of reinforced concrete structures, and it is necessary to search for solutions that reduce or eliminate maintenance. In this research paper, the aim is to quantitatively verify that the composite materials are viable from an environmental and resistant point of view. Concrete caissons and/or breakwater crowns for vertical breakwaters were constructed as the fundamental elements, calculating the life cycle in comparison with several contrasting examples. The first is the case of a conventional breakwater crown, built in Escombreras, southeast Spain, at the Mediterranean Sea, later simulating the impact with one reinforced with fiberglass bars. The results are encouraging and call for additional measures to further reduce maritime infrastructure indicators with much less polluting, more durable, and more sustainable solutions.

Graphical Abstract

1. Introduction

Sustainability in civil works is necessary. It is important to know objective indicators and parameters to facilitate decision-making in order to obtain the most appropriate solution. The life cycle assessment (LCA) is the tool that makes this analysis possible, considering the entire service life of the infrastructure and not just the construction phase, but also its maintenance, conservation, and, therefore, durability. This analysis must also include new materials which are being incorporated, such as the case of composite materials. This contribution can be very useful in some works, in order to verify if the path traced is correct. It is known that its initial cost is higher than traditional solutions (except in rare cases, such as in remote areas, where traditional materials have a high cost, much higher than usual), but the analysis must be comprehensive. For this reason, this paper analyzes two cases of construction of reinforced concrete structures with different materials, replacing the steel reinforcement with that of fiberglass bars, and comparing their corresponding life cycle, to learn if it leads effectively to more sustainable solutions. The European Union, within its new Green Deal, goes even further, and it is seeking the transformation toward a circular economy, which would lead to the manufacture of products that can be fully recycled and reused: “energy-intensive industries such as steel, cement, and chemical products (heavily present in construction) are essential for the European economy, but the de-carbonization and modernization of these sectors is essential” [1,2]. In infrastructure, perhaps we are still a bit far from that, but a first step is to study the impact of the entire life of all products and quantify it, to find out what components to act on. Even though, in some infrastructures, such as buildings, LCA is becoming more common, in transport infrastructures, it is not yet widespread. However, there are fields, such as road construction, where some examples can be found, showing improvements in sustainability depending on materials used for pavement [3,4,5,6,7]. In the coastal engineering sector, not many cases were analyzed, and no experiences in breakwaters or caissons were found. There are not many references on the subject, and not many maritime infrastructures were reinforced with fiberglass; furthermore, no public Environmental Product Declarations (EPDs) from fiberglass rebars are yet available. However, in ocean energies, some LCA cases were studied in wave energy production systems [8,9].
The life cycle is the tool that makes it possible to define what is important and where to start, as well as the short-term plans to guarantee sustainable construction and a circular economy.
Two very specific cases arise. The first one is the Escombreras breakwater crown, which was calculated for both steel and glass fiber-reinforced polymers (GFRPs) and a combination of both. On the other hand, the caisson of the sea wall of the Port of Valencia, eastern Spain, Mediterranean Sea, which was calculated with reinforced concrete and steel in its reinforcements, constituted the alternative calculation with GFRP. In much of the literature, the harmful nature of seawater is limited to its interaction with steel bars embedded in concrete; thus, using fiberglass bars would avoid this detrimental effect of the marine environment, enabling this combination.
There are technical references that analyzed the possibility of using reinforced concrete with fiberglass bar reinforcements and even using seawater for mixing [10,11]. It can be assumed that, by adequately dimensioning the fiber reinforcement, and despite the fact that. at the end of its 100-year service life, it could have a residual resistance of 70% over the initial [10] resistance, the fiber-reinforced concrete would not require maintenance since there is no corrosion suffered, while the conventional one would require periodic maintenance. This research proposes a calculation with a minimal hypothesis, but which shows the difference between considering maintenance and not doing it, thus providing greater value to the previous results of the life cycle of structures reinforced with composite materials [10].

2. State of the Art

Although it is true that companies that have EPDs (Environmental Product Declarations) for their products, where the different impact indicators are exposed, are increasingly numerous and more common, there are still many suppliers of construction materials that lack EPDs, and estimations must be made in many cases with generic values from databases, such as Ecoinvent. According to the regulations used, there are a whole series of indicators; however, in this case, we present in Table 1 the fundamental parameters which are included in the EPD and which are those that allow us to compare, through a multi-criteria analysis, the suitability of one product or another.
Construction companies increasingly take this factor into account and calculate the life cycle for specific cases, but its use is far from systematized, nor is it required by administrations. The life cycle assessment allows decisions to be made with much better information, and all this by following standards, such as ISO 14040 [13] and ISO 14044 [14], which provide the framework. Combined with other parameters, such as economic cost, it makes it possible to find solutions that use resources in a more efficient way. EPDs are regulated by ISO 14025 [15]. The ILDC (International Life Cycle Data System) was created to guide in this area, and to help make information be more consistent with data of a higher quality [16]. Composite materials, such as carbon fiber and fiberglass, are increasingly used in infrastructure. In particular, there are already many uses in bridges and in the facades of modern buildings [17,18], and there are several commercial suppliers with experience in the field. Although its use is still residual, it can be considered that there is already some experience in this type of construction. Today, the great handicap of these materials is their high price of investment; however, by specifically taking into account the complete life cycle of a structure, much more balanced economic and environmental costs can be obtained.
There are numerous examples of the use of fiberglass reinforcement in structures in aggressive environments, and even some references in the calculation of their life cycle built with composite materials in marine environments, as well as their comparison with traditional methods, such as on the SEACON project [11,19]. In this project, they also used seawater as mixing water and recycled concrete as aggregate; thus, there is a whole repertoire of materials with less impact which were experimentally tested. The concern for the durability of reinforced concrete in marine environments and its evaluation throughout its service life offer a growing number of experiences in calculating its cycle, reaching alternative solutions that reduce the maintenance of concrete, such as in the quay on piles in Progreso Pier, Yucatan, Mexico [20].

3. Methodology

Life cycle analysis is used in order to be able to compare solutions with different materials and not only see which may be the most appropriate, but also see possible additional optimizations and define the line of work and, with it, research on structures which minimize the impact. The replacement of rubble-mounds with vertical breakwaters built with reinforced concrete caissons already led to a significant environmental improvement; this additional step shows advances in sustainability, environmental improvement, and the durability of materials [21]. A large number of cases were compared in this investigation, using the research version of the oneClick LCA Software. This software uses the CML-IA 2012 methodology created by the Leiden University in the Netherlands in 2001 [22], as required by the European standards EN 15978 [12] and EN 15804 [23] as an evaluation method. OneClick LCA was verified by the ITB (certification organization and a notified body to the European Commission designated for construction product certification) in compliance with life cycle assessment regulations [24]. Using this software, some parameters were analyzed, which are summarized below.
  • Global warming potential (greenhouse gases), measured in kg CO2 eq, “describes changes in local, regional, or global surface temperatures caused by an increased concentration of greenhouse gases in the atmosphere”. It is often called “carbon footprint”.
  • Ozone layer depletion, measured in kg CFC11 eq, “describes the effect of substances in the atmosphere to degrade the ozone layer”.
  • Acidification, measured in kg SO2 eq, “describes the acidifying effect of substances in the environment.”
  • Eutrophication, measured in kg PO4-eq, “describes the effect of adding mineral nutrients to soil or water”.
  • Photochemical oxidation, measured in kg C2H4 eq, “describes the effect of substances in the atmosphere to create photochemical smog and also known as summer smog.”
  • Abiotic depletion, measured in MJ, is the total use of primary energy.
These indicators are summarized in most of the tables and figures.
This study is limited to a certain environment (boundary system) as described below.
The simulations carried out are not absolute numbers, since some of the elements that make up the construction of the treated examples are lacking, and the information would have to be completed in a later study and with the support of construction companies, in order to introduce all the details of their processes. This includes auxiliary equipment (cranes, formworks), energy consumption, fuels, waste management, etc.
These elements would complete the analysis and would make it possible to define the absolute value of the life cycle of the infrastructures studied. Partial values were analyzed, and those that varied between some cases and others were calculated, providing a very clear idea of which make it possible to optimize impacts and which do not, being aware of the limitations of the results in absolute terms.
These relative numbers are sufficient to be able to assess the impact of the modification of the materials that make up the infrastructures studied. Materials made in Spain are used when their EPDs are available, and when not available, generic materials or materials from other countries are used in order to be able to make conclusive comparisons (such is the case of SR cements, where none with EPDs were found from Spanish suppliers). An effort was made to adhere as closely as possible to the context of the works, and these results must be analyzed within their geographic, social, and operational limits.
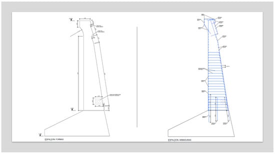
The chosen construction process was omitted; thus, the calculations are independent of the use of a floating dock or dry dock construction. The provisional materials and works necessary for the construction of the caisson are also excluded. Two cases are studied in this investigation. On the one hand, we studied the example of the breakwater wall already built in the port of Escombreras, Cartagena, Southeast of Spain, in which reinforcement with fiberglass bars was introduced on the seaside. The declared unit is the whole breakwater crown, which is 400 m long with the cross-section shown in Figure 1. The bill of quantities of the declared unit is shown In Table 2. Given that the design was made entirely in steel, as well as in GRP bars, before finally opting for a mixed solution (GRP and steel) solely for economic reasons, the three solutions (designed and calculated by the engineers who completed the project) were compared [25]) with regard to the life cycle and, thus, we can see which offers the best results. As a second example, one of the caissons built in the last of the extensions of the Port of Valencia, Eastern Spain was analyzed. This caisson was reinforced with steel bars, and the quantities were extracted from the construction plans for said expansion [26]. The declared unit is the whole caisson. The calculation of the reinforcements of said caisson with fiberglass bars was done, and the manufacturer’s preliminary LCA study of fiberglass bars [27] was used; the amounts with both materials were compared to calculate their life cycle.
As this is a basic investigation, the elements that allow conclusions to be drawn were compared. The most important elements involved were evaluated, comparing the variations in the representative units in order to obtain consistent and, above all, comparable results. Across calculation of the life cycle of different cases, it can be seen that there is indeed an improvement in the use of fiberglass reinforcements instead of steel; hence, it would only be left in the future to calculate the option of a caisson built entirely of composites, thus leaving aside traditional construction materials such as concrete and steel, and to check whether this allows an even more environmentally friendly life cycle or not.
For this, the amounts of fiber necessary to obtain an infrastructure with equivalent functionality must be properly sized. In this case, when analyzing the influence of each of the basic material on the result, it is possible to discern the improvement obtained with the fiber bars, as well as the importance of the other materials, thus opening additional avenues for improvement. As it is one of the largest emitters of CO2 in the industry [28], cement was also analyzed, making a comparison among different types of cements and, therefore, among the concretes made with these cements. This provides an additional element of improvement, in the indicated manner of minimizing the impact of maritime works. In both cases, the dosage is that of a concrete used in the construction of caissons in the Port of Barcelona in 2017, with a cement content of 350 kg/m3 and a water/cement ratio = 0.44. This dosage includes CEM I SR sulfate-resistant cement. As EPDs of sulfate-resistant cements are not available in Spain, we used the values of Swedish cement in the case of CEM I SR and German cement in the case of CEM III SR from the basis of oneClick software data.

4. Case Calculations

In the case of the Escombreras breakwater, during the construction planning, all solutions were dimensioned with the aim of finding the solution that combined the best behavior of the structure in an aggressive environment and the criterion of a balanced economic investment. The life cycle criterion was not used to drive the process, but the existing designs are useful for comparison.
In the case of the caisson of the port of Valencia, there was no calculated alternative to the reinforcement with steel bars; therefore, the manufacturer’s calculation of the reinforcement of the structure with fibers was considered [29].
In both cases, the same process was followed to analyze the results; the basic materials were introduced according to the dimensioning obtained, in both the base solutions and the alternatives. With these results, we can compare the values of the indicators in each of the situations and see which solution has the least impact. Given that the quantities of each of the materials are known, the influence of each can be estimated, and the improvements which could be additionally introduced can be catalogued in order of importance. This finally leads to comparisons between alternatives in order to search for the least environmentally impactful solution.

4.1. Escombreras Breakwater Crown

Since there were three reinforcement options available (steel only, fibers only, mixed steel and fibers), it was possible to calculate the life cycle of the three cases with the actual quantities predicted in the design. Figure 1 shows the type and reinforcement section of the breakwater crown (steel reinforcement case), which is maintained in the other cases with slight variations [25].
The measurements were extracted from the construction plans, in which the three possible cases were calculated, as broken down in Table 2.
From these values, the three structures were compared (Figure 2), without considering any type of maintenance (this is analyzed later). In all cases, it was considered that the materials will not be substituted throughout the service life of the structure (that is, 100 years), which is favorable in terms of life cycle for steel-reinforced structures. Despite this, better values were obtained for the fiber structure.
It can be seen in Figure 2 that, in the two solutions that include fiberglass reinforcement, the indicators improved. Specifically, and due to having a quantitative assessment, Table 3 shows the variation between the base case (3A reinforced with steel) and case 3B, reinforced with fiberglass.
Additional data to take into account are that, in the final construction, the mixed option was chosen due to economic considerations at the time of investment, since the solution offered a balance between benefits and cost. An attempt is made here to provide a broader view of the case. Quantitatively, impacts improved from 5.8% to 19%; thus, the improvement in the life cycle is evident (except in the formation of ozone of lower atmosphere), without even entering into possible improvements in maintenance due to the absence of corrosion.
Next, to better understand the elements that most influence the impacts, the bubble graphs are presented (Figure 3: in the case of global warming but they are analogous with the other indicators) that visually demonstrate the influence of each one of the materials in the life cycle assessment. We can see that the importance of reinforcement is relative, and that both aggregate and cement have a greater weight considering the impacts in the global warming indicator. The influence of the resins used for the anchor bars is also noteworthy.
Therefore, in the discussion of variants, possible improvements based on the cement used are analyzed in addition to other parameters.
The values of the three solutions are gathered in a single graph from the comparative impact table (Table 4 and Figure 4) in order to more clearly appreciate the comparisons.
Case 5 reinforced only with GFRP (solution 3B) is the one with the least impact but also the most expensive.
Another interesting conclusion that can be deduced from the bubble charts is the relative importance of the reinforcement; thus, there is room to further improve the impact of the breakwater crown, such as improving other components, like cement and aggregate.
Therefore, it is concluded that the structure reinforced with PRFV is optimal in terms of life cycle, but that there is the possibility of improving it even further through modifications to the characteristics of the other materials.

4.2. Caisson type I—Port of Valencia

In the case of caisson type I of the expansion of the Valencia dock (Figure 5), the procedure was similar, except here the data came from two different sources. Regarding the calculation of the reinforcements for the caisson with corrugated steel bars, the amounts stated in the construction project were used [26], and the manufacturer dimensioned the caisson in GFRP bars [29]; quantities in the Declared Unit are shown in Table 5.
Therefore, it was possible to calculate the life cycle of an actually built caisson, considering the reinforcements used, and comparing it with an alternative dimensioning in GFRP. Table 5 shows the summary of the most important materials of the structure:
It can be seen in Figure 6 that all the life cycle indicators analyzed improve when the GFRP solution was used. Quantitatively, the results in Table 6 show improvements from 5.6% in the case of the global warming indicator, to 27% in the case of depletion of the ozone potential. The formation of ozone of lower atmosphere, as in the splash wall case, shows worse impact.
In the case of the caisson, it can be seen in the bubble graphs (Figure 7) that the determining factor was cement; thus, there is also room for improvement by replacing cement with a material with better environmental performance.
In the results table (Table 7) and summary table (Table 8) it can be seen that the impacts of the caisson with steel reinforcements are greater than those of the caisson reinforced with fiberglass bars. The improvement of the reinforcement with fiber bars is seen both quantitatively and as a percentage (Figure 8). In addition, both are compared by changing the cement class to CEM III SR, which has better characteristics than CEM I SR in several aspects, except in the POCP (photochemical ozone creation potential), for which the values are extremely high (Table 7 and Figure 8).
In summary, in this case, the indicators also improve with the reinforcement of the structure with fiberglass bars, making it, without a doubt, in only environmental terms, the solution to be implemented. These values do not take into account other possible optimizations (some of them favored by the use of fiber reinforcements) such as the following:
-
Use of seawater in mixing.
-
Use of curing seawater (15 kg water/m3 [30]).
-
Use of a cement with better environmental characteristics [31].
-
Use of recycled aggregate in the dosage of concrete [10,11].

5. Additional Improvements

As previously mentioned, other components of the structure can be acted upon to further improve the indicators. This section studies them one by one, as well as their impact.

5.1. Choice of Cement

Reinforcements with GFRP could allow us to use less impactful cements, which should not necessarily be marine-based, if the fact that the structures do not have steel reinforcements is sufficient justification for their elimination. In this regard, there is a large bibliography that considers even the use of seawater as mixing water suitable when the reinforcement is GFRP [10,11].
Specifically, an analysis of the influence of the cement used was carried out, firstly taking into account the recommendations of the EHE-08 (Spanish concrete norms) [32] and then the comparative graph of the different types of cement, according to the EPDs available in Spain [33] (in other countries there are more EPDs available; however, to be consistent with the location of the works, we preferred local data as much as possible). Let us not forget that cement represents 7% of total emissions from the energy and industry sectors; hence, it is very important to act on this material, and anything that can be reduced will have a great impact [21].
The comparison is presented below, regarding environmental impacts, based on the EPDs available on the AIECA (Spanish Institute for Cement and Applications) website on the different types of cement [33], with cements III and V being those that offer better values both in terms of impacts and use of resources (Figure 9 and Figure 10).
The limitations of cement use according to the 2008 EHE must also be taken into account [32]. Based on Figure 9 and Figure 10, the cements with the lowest values of the indicators are studied, namely, type III and V, in addition to the base solution with I SR cement.

5.2. Concrete Dosage

The concrete initially considered in this theoretical study is that used in Spain to build HA-35/F/20/IIIc + Qb, which means that it has a minimum cement content of 350 kg/m3 and a maximum water/cement ratio of 0.5. The working formulas for the dosages of 1 m3 of concrete were compared, varying only the type of cement. A concrete mixture used in the construction of port caissons with a CEM I SR (sulfate-resistant) cement content of 350 kg/m3 and a water/cement ratio = 0.44 was taken as the base dosage (A = reinforced concrete 35 N/mm², F = fluid consistency, 20 mm = aggregate size, IIIc = marine environment in the splash zone, Qb = medium chemical attack).
CEM III produces less impact, regardless of cost, with CEM III SR being optimal, except in the case of ozone formation, for which it has a very high value (Figure 11). This was more fully discussed in the article by Tait [31]. Therefore, within the final optimization, the influence of replacing CEM I SR cement with CEM III SR cement is evaluated, although, if its use is possible, we would recommend CEM III, with more balanced values, especially regarding the POCP, and which, according to Spanish regulations, could be used (CEM IIIa-aerial zone and CEM IIIb-submerged).

5.3. Use of Recycled Aggregate

To improve the aggregate, the consumption and the energy mix of the quarry could be optimized, while materials from recycled concrete could also be used in the dosage of the new concrete. In the bibliography, there are references to concretes made with seawater and with materials from recycling with satisfactory results [10,11].

5.4. Other Improvements: Sea Water

The introduction of a reinforcement that is not attacked by chlorides has a series of consequences, including the possibility of using seawater in both mixing and curing (which would represent a reduction of the water footprint when consuming up to 315 m3 less fresh water in the manufacture of each caisson). While there is extensive research promoting the use of seawater in curing steel-reinforced concrete [30,34,35,36,37], numerous international regulations prohibit it. However, the main problem, which is the corrosion of the steel, would not affect the reinforcement with fiber bars; therefore, it could be assumed that the harmful effect of seawater on the reinforcement would no longer exist in this case.

6. Discussion

The obtained values show that the use of GFRP reinforcements improves the results with respect to reinforced concrete. There are benefits between 5.8% and 19% in the breakwater crown and between 5.6% and 27%, depending on the indicator, in the caisson at the port of Valencia. This environmental improvement will also be increased throughout the life of the structure since less maintenance will be required (possibly none), due to the durability of the composite materials.
However, it should not be forgotten that, in the case of the caisson, there is much room for further improvement due to the elements described below.
When steel is not used, the corrosion problem disappears, allowing curing with seawater. This facilitates the use of floating docks in construction, limited or with restrictions in use from regulations and international tenders with conventional reinforcements. The consequent savings in auxiliary means and occupancy areas in the ports would almost certainly result in a lower construction cost, as well as a lower impact, as the use of fresh water is not necessary. There would be improvements in other indicators in addition to that of the water footprint, since it would not be necessary to treat or transport the fresh water to the site.
One could go even further by using seawater as mixing water, which would also reduce the water footprint of the infrastructure, along with the improvement of the other indicators, since the water would be obtained directly in its place of use and would not need to be pre-treated.
There are numerous tests in this regard, and there is no impediment to the use of mixing water in mass concrete, with even positive results over steel-reinforced concrete [10,34]. As it can be seen in the graphs, the aggregates have a lot of weight in the impact of a caisson; thus, they should be oriented to measures that reduce the effect of its manufacture in the quarry or its quantity, such as the use of aggregate from recycled concrete. There are already some tests and life cycle calculations taking these considerations into account, with values favorable to the method [10,19].
The absence of corrosion also improves the behavior of the caisson in the long term, thus avoiding having to replace corroded reinforcements and making repairs to the concrete, which will have a very positive influence on its complete life cycle. The use of cements with life cycles of less impact, given the important weight of said material in the overall value, can produce very significant improvements. By virtue of all this, additional simulations were carried out to check the scope of modifying all these parameters, in order to learn where to focus future efforts.
In the charts (Figure 12, Figure 9 and Figure 10 for cement improvements, Figure 11 for concrete improvements, and Figure 13 radar chart) and Table 8, it can be seen that there are substantial improvements in most of the indicators, except for a clear worsening in the formation of ozone in the lower atmosphere, in kg of ethene; thus, before opting for this solution, it would be necessary to assess whether this unfavorable indicator is acceptable or not. A more conservative alternative would be the use of CEM III (a or b, able to be used with sea water).
The improvements that were included in this example are the following:
-
GFRP bars.
-
Cement III SR (sulfate-resistant).
-
Mixing and curing with sea water.
To analyze the sensitivity of the changes, the percentage change with respect to the initial solution (reinforced with steel and CEM I SR) can be seen in Figure 14.
Moreover, and as a final discussion, it was not considered, in all these examples, that there is a difference in maintenance between steel solutions and GFRP solutions, which is not realistic. Indeed, for the little corrosion that occurs, if a service life of 100 years is considered, some repair will be necessary in the steel-reinforced concrete structure, while, in structures with composite materials (fibers), it will not be necessary to make repairs. Therefore, an example was made with the following hypotheses:
  • Repair of 10% of the volume of concrete and steel every 25 years, throughout a service life of 100 years.
  • Repair of 10% of the volume of concrete and steel every 25 years in exterior walls and of 5% in partitions, with no repairs in footing or slabs.
As a guideline, we used the Life 365 software to evaluate the service life and cycle of repairs to be carried out, in the case of both the caisson and the breakwater crown, obtaining, in the caisson, a service life of 14.9 years with conventional concrete, and, in the best case scenario (cement with 70% slag), a service life of 21.3 years. In the case of the breakwater crown, it has a service life of 22.8 years. This service life was calculated by adding the elapsed period of propagation of the chlorides through the concrete until it reaches the steel, to which the period until the beginning of the corrosion is added [38].
It is still a rough estimate but is based on the idea or need for periodic maintenance and repair before 25 years of service. In the case of the breakwater crown, since the concentration of chlorides is not in the tidal zone, only in splashes, it is somewhat lower and, therefore, slightly higher shelf life values are obtained. For information purposes, the comparative graphs (Figure 15 and Figure 16) between the solutions studied so far, as well as two new solutions in which repair materials are included in the maintenance work, are presented. Immediately, the impacts diverge, with little periodic maintenance performed.
It is, for this reason, that the GFRP solution confirms its respect for the environment, with compliance with the 2030 Agenda and the Sustainable Development Goals (SDG), accentuating the differences with traditional alternatives. The lack of need for repair and maintenance costs makes it a more competitive solution economically. For this, it would be interesting to have the experience of the port authorities regarding the conservation of vertical breakwaters built with reinforced concrete caissons to be able to complete the investigation with real economic data.

7. Conclusions

Based on the two examples carried out with the life cycle in elements of outer maritime works subjected to the action of the waves, the conclusions below can be established.
Reinforcements with fiberglass-reinforced polyester bars improves the environmental impact and introduces new avenues of progress, both for the construction method and for the use of different materials than the usual ones, which increase the performance of the structure throughout its service life (decreasing maintenance, for example). This means that, after the great constructive progress made by the use of floating caissons in harbor works at great depth to replace traditional rubble mound breakwaters [21], it is possible to go one step further, improving the structures by replacing steel with GFRP.
In this research, calculations were carried out which show that such improvement exists (10% on average in the breakwater crown, and 11% in the caisson). As a result, we examined the breakdown of the values of the different indicators according to the materials that make up the structure, defining new methods for optimization. Thus, variants to the traditional components of concrete (cement, mixing and curing water, aggregates) were verified to obtain much more favorable results, which, if not for the alternative reinforcement in GFRP, in some cases, would be viable. This can lead to savings of up to 315 m3 of fresh water for each caisson manufactured and improvements of up to 75% in CO2 emissions, to name a representative example.
It was also verified that, by changing the type of cement, substantial improvements are achieved at the environmental level, reducing CO2 emissions (per cubic meter of concrete) by up to 78% and the use of primary energy by up to 59%.
Therefore, progress is being made toward the decrease in the use of traditional construction materials, and, as the results progress, it will allow us to think that a caisson made entirely of fiberglass can be a viable and sustainable solution within the objectives of the 2030 Agenda. The values obtained to date allow us to be optimistic in this regard; however, without a real dimensioning with these materials, it will be difficult to draw conclusions.
The evolution of the research should go in that direction, simulating a structure that performs the same function, made of steel-reinforced concrete, comparing it with the same structure built with a GFRP reinforcement, to finally study its equivalent, fully executed in composite material and weighted by means of a mass concrete filling to have the same functional benefits as the traditional structure. This example will allow building complete caissons in composite materials and verifying if the system is viable in terms of life cycle. The economic costs would then have to be evaluated and decisions could be made with a global vision of the impacts on both economy and durability. New cases to be studied in the future will be the intake towers in combined cycle power plants or desalination plants made of GFRP, which are very frequent in works in North Africa or the United Arab Emirates, which will increase knowledge of elements built or reinforced with composite materials.

Author Contributions

This paper will be included in the PhD thesis developed by E.C. at the Universidad Politécnica de Madrid, which forms the basis for the structure of the article and historical research from the techniques of steel and concrete caissons to the polymeric materials. The EPD research and the calculation of LCA cases were developed by E.C. The concrete properties and typologies were developed by J.M.d.C. The case study from the Escombreras splash wall and pathologies in reinforced concrete, either in splash zones in the caisson or in splash walls, was developed by V.N. All authors contributed toward choosing adequate figures and references to provide an accurate story. Conceptualization, V.N. and E.C.; funding acquisition, V.N.; investigation, E.C. and J.M.d.C.; methodology, V.N. and E.C.; software, E.C.; resources: E.C., V.N., and J.M.d.C.; supervision, V.N.; project administration, E.C.; validation, V.N.; writing—original draft, E.C.; writing—review and editing, V.N. All authors have read and agreed to the published version of the manuscript.

Funding

This research was funded by “Fundación Agustín de Betancourt (Spain)”.

Acknowledgments

The authors wish to thank all the persons that kindly contributed their support toward this paper, especially Aniello Giamundo from the ATP company, who led the calculation of caisson reinforcement with fiberglass bars, and who provided the preliminary LCA study of fiberglass rebars.

Conflicts of Interest

The authors declare no conflict of interest.

References

  1. Commission, E. The European Green Deal; European Commission: Brussels, Belgium, 2019. [Google Scholar]
  2. Union, E. EU Energy-Intensive Industries’ 2050 Masterplan; European Union: Brussels, Belgium, 2020. [Google Scholar]
  3. Trunzo, G.; Moretti, L.; D’Andrea, A. Life cycle analysis of road construction and use. Sustainability 2019, 11, 377. [Google Scholar] [CrossRef]
  4. Harvey, J.; Meijer, J.; Kendall, A. Life Cycle Assessment of Pavements; Federal Highway Administration (FHWA); U.S. Department of Transportation: Washington, DC, USA, 2014; p. 10.
  5. Achilleos, C.; Hadjimitsis, D.; Neocleous, K.; Pilakoutas, K.; Neophytou, P.; Kallis, S. Proportioning of steel fibre reinforced concrete mixes for pavement construction and their impact on environment and cost. Sustainability 2011, 3, 965–983. [Google Scholar] [CrossRef]
  6. Moretti, L.; Mandrone, V.; D’Andrea, A.; Caro, S. Comparative “from cradle to gate” life cycle assessments of hot mix asphalt (HMA) materials. Sustainability 2017, 9, 400. [Google Scholar] [CrossRef]
  7. Yang, S.-H.; Liu, J.; Tran, N. Multi-criteria life cycle approach to develop weighting of sustainability indicators for pavement. Sustainability 2018, 10, 2325. [Google Scholar] [CrossRef]
  8. Uihlein, A. Life cycle assessment of ocean energy technologies. Int. J. Life Cycle Assess. 2016, 21, 1425–1437. [Google Scholar] [CrossRef]
  9. Thomson, R.; Chick, J.; Harrison, G. An LCA of the Pelamis wave energy converter. Int. J. Life Cycle Assess. 2018, 24, 51–63. [Google Scholar] [CrossRef] [PubMed]
  10. Younis, A.; Ebead, U.; Judd, S. Life cycle cost analysis of structural concrete using seawater, recycled concrete aggregate, and GFRP reinforcement. Constr. Build. Mater. 2018, 175, 152–160. [Google Scholar] [CrossRef]
  11. Nanni, A. SEACON: Sustainable Concrete Using Seawater, Salt-Contaminated Aggregates, and Non-Corrosive Reinforcement; Buzzi Unicem, Ed.; University of Miami: Coral Gables, FL, USA, 2018; p. 44. [Google Scholar]
  12. European Standards. EN 15978:2011 Sustainability of Construction Works. Assessment of Environmental Performance of Buildings-Calculation Method; NSAI: Dublin, Ireland, 2012; p. 64. [Google Scholar]
  13. ISO. ISO 14040:2006 Environmental Management—Life Cycle Assessment—Principles and Framework; ISO: Geneva, Switzerland, 2006; p. 20. [Google Scholar]
  14. ISO. ISO 14044:2006 Environmental Management—Life Cycle Assessment—Requirements and Guidelines; ISO: Geneva, Switzerland, 2006. [Google Scholar]
  15. ISO. ISO 14025:2006 Environmental Labels and Declarations—Type III Environmental Declarations—Principles and procedures; ISO: Geneva, Switzerland, 2006; p. 25. [Google Scholar]
  16. Wolf, M.A.; Pant, R.; Chomkhamsri, K.; Sala, S.; Pennington, D. The International Reference Life Cycle Data System (ILDC) Handbook; European Commission: Luxembourg, 2012. [Google Scholar]
  17. Peeters, J. Composites in Infrastructure: Beyond Novelty; FiberCore Europe: Rotterdam, The Netherlands, 2015; p. 78. [Google Scholar]
  18. Bedon, C. Review on the use of FRP composites for façades and building skins. Am. J. Eng. Appl. Sci. 2016, 9, 713–723. [Google Scholar] [CrossRef]
  19. Nanni, A. SEACON. Sustainable Concrete Using Seawater, Salt-Contaminated Aggregates, and Non-Corrosive Reinforcement; Report on LCA, in SEACON; Milano, P.D., Ed.; Infravation: Milan, Italy, 2018; p. 65. [Google Scholar]
  20. Mistry, M.; Koffler, C.; Wong, S. LCA and LCC of the world’s longest pier: A case study on nickel-containing stainless steel rebar. Int. J. Life Cycle Assess. 2016, 21, 1637–1644. [Google Scholar] [CrossRef]
  21. Cejuela, E.; Negro, V.; Del Campo, J.M.; Martín-Antón, M.; Esteban, M.D.; López-Gutiérrez, J.S. Recent History, Types, and Future of Modern Caisson Technology: The Way to More Sustainable Practices. Sustainability 2018, 10, 3839. [Google Scholar] [CrossRef]
  22. Leiden, U. CML-IA Characterisation Factors. CML-IA is a Database that Contains Characterisation Factors for Life Cycle Impact Assessment (LCIA) and is Easily Read by the CMLCA Software Program; Institute of Environmental Sciences (CML): Leiden, The Netherlands, 2016. [Google Scholar]
  23. European Standards. EN 15804:2012+A2:2019 Sustainability of Construction Works. Environmental Product Declarations. Core Rules for the Product Category of Construction Products; BSI: London, UK, 2019; p. 76. [Google Scholar]
  24. LCA, O.C. Results for Building Life Cycle Assessment According to EN 15978-TEMPLATE; Bionova Ltd: helsinki, Finland, 2018. [Google Scholar]
  25. Ingeniería, A. Proyecto Constructivo del recrecido del espaldón del dique suroeste de Escombreras (Puerto de Cartagena); Autoridad Portuaria de Cartagena: Murcia, Spain, 2017.
  26. Consulting, I. Proyecto de Muelle de cruceros en la Ampliación del Puerto de Valencia: Fase 1; Puerto de Valencia: Valencia, Spain, 2011. [Google Scholar]
  27. Dotelli, G. Life Cycle Assessment of GFRP rebar (Preliminary document for Environmental Product Declaration EPD); Politecnico Milano 1863: Milan, Italy, 2016; p. 16. [Google Scholar]
  28. Economics, M. The Circular Economy. A Powerful Force for Climate Mitigation; Material Economics Sverige AB: Stockholm, Sweden, 2018; p. 176. [Google Scholar]
  29. Esposito, F. Definitive Report: Structural Concrete Reinforced with FRP Bar-Cajón Type 1; ATP: Milano, Italy, 2019; p. 11. [Google Scholar]
  30. Otsuki, N.; Hamada, H.; Takeda, N.; Imamoto, K.; Yamaji, T.; Habuchi, T.; Nishida, T. Technical Committee on the use of sea water in concrete. In Technical Committee Reports 2014; Japan Concrete Institute: Tokyo, Japan, 2014; p. 22. [Google Scholar]
  31. Tait, M.W.; Cheung, W.M. A comparative cradle-to-gate life cycle assessment of three concrete mix designs. Int. J. Life Cycle Assess. 2016, 21, 847–860. [Google Scholar] [CrossRef]
  32. Fomento, M.D. EHE 08. Instrucción de Hormigón Estructural; Técnica, S.G., Ed.; Centro de publicaciones Secretaría General Técnica Ministerio de Fomento: Madrid, Spain, 2010; p. 704.
  33. Aplicaciones, I.E.D.C.Y.S. Declaraciones Ambientales de Producto. Available online: https://www.ieca.es/declaraciones-ambientales-de-producto/ (accessed on 6 April 2020).
  34. Alaejos, P.; Bermudez, M.A. Influence of Seawater Curing in Standard and High-Strength Submerged Concrete. J. Mater. Civ. Eng. 2011, 23, 915–920. [Google Scholar] [CrossRef]
  35. Roxas, C.L.C.; Ongpeng, J.M.C.; Otsuki, N.; Nishida, T.; Demafelix, N.J.M.; Galan, J.L.A.; Gantuangco, G.A.L.; Vergara, D.M. Influence of curing period and curing medium on concrete mixed with seawater. In Proceedings of the DLSU ATTARS 2013, Manila, Philippines, 2–3 December 2013. [Google Scholar]
  36. Wegian, F.M. Effect of seawater for mixing and curing on structural concrete. IES J. Part A Civ. Struct. Eng. 2010, 3, 235–243. [Google Scholar] [CrossRef]
  37. Nishida, T.; Otsuki, N.; Ohara, H.; Garba-Say, Z.M.; Nagata, T. Some considerations for applicability of seawater as mixing water in concrete. J. Mater. Civ. Eng. 2013, 27, B4014004. [Google Scholar] [CrossRef]
  38. Bentz, C.E.; Thomas, M.D.A.; Ehlen, M.A. User Manual Life 365 v 2.2.3; Life-365™ Consortium III: Scottsdale, AZ, USA, 2018; p. 88. [Google Scholar]
Figure 1. Breakwater crown cross-section [25].
Figure 1. Breakwater crown cross-section [25].
Sustainability 12 04524 g001
Figure 2. Life cycle assessment (LCA) comparison in all categories.
Figure 2. Life cycle assessment (LCA) comparison in all categories.
Sustainability 12 04524 g002
Figure 3. Bubble charts of the three cases (example for global warming).
Figure 3. Bubble charts of the three cases (example for global warming).
Sustainability 12 04524 g003
Figure 4. Escombreras Breakwater crown radar chart solutions.
Figure 4. Escombreras Breakwater crown radar chart solutions.
Sustainability 12 04524 g004
Figure 5. Caisson type I plans and cross-section—Port of Valencia [26].
Figure 5. Caisson type I plans and cross-section—Port of Valencia [26].
Sustainability 12 04524 g005
Figure 6. Comparison of caissons with steel and GFRP reinforcement.
Figure 6. Comparison of caissons with steel and GFRP reinforcement.
Sustainability 12 04524 g006
Figure 7. Bubble charts, in terms of total life cycle impact by resource and global warming (caissons steel and GFRP).
Figure 7. Bubble charts, in terms of total life cycle impact by resource and global warming (caissons steel and GFRP).
Sustainability 12 04524 g007
Figure 8. Radar chart comparing different caisson solutions.
Figure 8. Radar chart comparing different caisson solutions.
Sustainability 12 04524 g008
Figure 9. Comparative graph of the impact of the different types of cement (AIECA (Spanish Institute for Cement and Applications) data [33]).
Figure 9. Comparative graph of the impact of the different types of cement (AIECA (Spanish Institute for Cement and Applications) data [33]).
Sustainability 12 04524 g009
Figure 10. Comparative GRAPH USE OF RESOURCES BY CLASS OF CEMENT (AIECA data [33]).
Figure 10. Comparative GRAPH USE OF RESOURCES BY CLASS OF CEMENT (AIECA data [33]).
Sustainability 12 04524 g010
Figure 11. Comparison of impacts between concretes made with different kinds of cement.
Figure 11. Comparison of impacts between concretes made with different kinds of cement.
Sustainability 12 04524 g011
Figure 12. Caisson impacts according to the materials used (cement class and type of reinforcement).
Figure 12. Caisson impacts according to the materials used (cement class and type of reinforcement).
Sustainability 12 04524 g012
Figure 13. Comparative caisson depending on the chosen cement.
Figure 13. Comparative caisson depending on the chosen cement.
Sustainability 12 04524 g013
Figure 14. Sensibility to changes from base case (steel CEM ISR).
Figure 14. Sensibility to changes from base case (steel CEM ISR).
Sustainability 12 04524 g014
Figure 15. Comparison of caisson impacts between base cases without maintenance and two hypothetical maintenance actions.
Figure 15. Comparison of caisson impacts between base cases without maintenance and two hypothetical maintenance actions.
Sustainability 12 04524 g015
Figure 16. Comparison of impacts of maintenance-free solutions and hypothetical maintenance.
Figure 16. Comparison of impacts of maintenance-free solutions and hypothetical maintenance.
Sustainability 12 04524 g016
Table 1. Life cycle indicator table according to EN 15978 [12].
Table 1. Life cycle indicator table according to EN 15978 [12].
Impact CategoryAcronymUnit
Global warmingGWPkg CO2 eq
Ozone layer depletionOPDkg CFC11 eq
AcidificationAPkg SO2 eq
EutrophicationEPkg PO4 eq
Photochemical oxidationPOCPkg C2H4 eq
Abiotic depletionADPEMJ
Table 2. Summary of alternative measurements of the Escombreras Breakwater crown [25].
Table 2. Summary of alternative measurements of the Escombreras Breakwater crown [25].
Quantities
ConceptUnitCase 3A (Steel)Case 3B (GFRP)Mixed Case
Concrete HA 35/20/B/IIIc+ Qb + E.m32988.003108.002960.00
Steel B-500-Skg194,220.000.0057,613.00
Connexion new/old breakwater Crown Steel B-500-SUd6000.00 2800.00
GFRP rebarskg 93,240.0065,121.00
Connexion new/old breakwater Crown GFRP rebar Ф20Ud 2400.003600.00
Connexion new/old breakwater Crown GFRP rebar Ф25Ud 6000.00
Steel amountkg/m365 19.5
GFRP rebars amountkg/m3 3022
Concrete HA 35/20/B/IIIc+ Qb + E.: A = reinforced concrete 35 N/mm², F = fluid consistency, 20 mm = aggregate size, IIIc = marine environment in the splash zone, Qb = medium chemical attack.
Table 3. Quantitative comparison of solutions 3A and 3B.
Table 3. Quantitative comparison of solutions 3A and 3B.
SectorGlobal WarmingAcidificationEutrophicationOzone Depletion PotentialFormation of Ozone of Lower AtmosphereTotal Use of Primary Energy ex. Raw Materials
kg CO2 eq kg SO2 eq kg PO4 eqkg CFC11 eqkg EtheneMJ
A1–A3Construction Materials1.09 × 106|+5.7%2.91 × 103|+18%7.05 × 102|+20%1.02 × 10−1|+8.4%2.81 × 102|+5%1.01 × 107|+15%
A4Transportation to site2.63 × 104|+9.1%1.18 × 102|+9.6%2.56 × 101|+9.6%5.18 × 10−3|+9.1%1.73 × 100|+6.6%7.51 × 105|+9%
Total1.12 × 1063.06 × 1037.37 × 1021.07 × 10−12.86 × 1021.10 × 107
Comparing total results with 3-Case 3B GFRP /m3
3-Case 3B GFRP /m3 Total1.06 × 1062.60 × 1036.17 × 1029.89 × 10−22.73 × 1029.59 × 106
3-Case 3A Steel compared with 3-Case 3B GFRP /m3 5.80%18%19%8.40%4.90%15%
Table 4. Escombreras Breakwater crown comparative table of solutions key indicators.
Table 4. Escombreras Breakwater crown comparative table of solutions key indicators.
Impact CategoryAcronymCASE 4 (3A)CASE 5 (3B)CASE 7 (MIXED)
Global warming (kg CO2 eq)GWP1.12 × 1061.06 × 1061.10 × 106
Ozone layer depletion (kg CFC11e)OPD1.07 × 10−19.89 × 10−21.06 × 10−1
Acidification (kg SO2 eq)AP3.06 × 1032.60 × 1032.99 × 103
Eutrophication (kg PO4 eq)EP7.37 × 1026.17 × 1027.25 × 102
Formation of ozone (kg ethene)POCP2.86 × 1022.73 × 1022.81 × 102
Use of primary energy (MJ)ADPE1.10 × 1079.59 × 1061.07 × 107
Table 5. Most important measurements of caisson type I in the Valencia dock.
Table 5. Most important measurements of caisson type I in the Valencia dock.
ReinforcementConcrete Volume (m3)Steel (kg)GFRP (kg)Amount (kg/m3)
Steel186476,003040.76
GFRP1864044,36123.8
Table 6. Comparative table of impact indicators for steel vs. GFRP.
Table 6. Comparative table of impact indicators for steel vs. GFRP.
SectorGlobal WarmingAcidificationEutrophicationOzone Depletion PotentialFormation of Ozone of Lower AtmosphereTotal Use of Primary Energy ex. Raw Materials
kg CO2 eq kg SO2 eq kg PO4 eq kg CFC11 eqkg Ethene MJ
A1-A3Construction Materials7.28 × 105|+6%1.52 × 103|+15%2.87 × 102|+20%7.51 × 10−3|+97%1.02 × 102|+13%4.06 × 106|+23%
A4Transportation to site4.55 × 104|+2.4%2.02 × 102|+2.5%4.38 × 101|+2.5%8.93 × 10−3|+2.4%3.09 × 100|+2%1.3 × 106|+2.4%
A5aSite operations and site waste handling8.39 × 100|0%4.54 × 10−2|0%2.3 × 10−2|0%9.16 × 10−7|0%2.04 × 10−3|0%1.77 × 102|0%
A5bSite waste transportation
A5Construction/installation process8.39 × 100|0%4.54 × 10−2|0%2.3 × 10−2|0 %9.16 × 10−7|0%2.04 × 10−3|0%1.77 × 102|0%
Total8.03 × 1051.78 × 1033.59 × 1021.82 × 10−21.13 × 1025.58 × 106
Comparing total results with 4-Caisson GFRP CEM I SR
4-Caisson GFRP CEM I SR Total7.60 × 1051.58 × 1033.10 × 1021.43 × 10−21.01 × 1024.80 × 106
4-Caisson Steel CEM I SR compared with 4-Caisson GFRP CEM I SR 5.60%13%16%27%11%16%
Table 7. Values of results in the life cycle for caisson solutions.
Table 7. Values of results in the life cycle for caisson solutions.
Impact CategoryAcronymSteel CEM I SRGFRP CEM I SRGFRP CEM III SR
Global warming (kg CO2 eq)GWP8.03 × 1057.60 × 1052.05 × 105
Ozone layer depletion (kg CFC11 eq)OPD1.82 × 10−21.43 × 10−21.72 × 10−2
Acidification (kg SO2 eq)AP1.78 × 1031.58 × 1033.85 × 102
Eutrophication (kg PO4 eq)EP3.59 × 1023.10 × 1023.10 × 102
Formation of ozone (kg ethene)POCP1.13 × 1021.02 × 1023.02 × 102
Use of primary energy (MJ)ADPE5.58 × 1064.81 × 1062.78 × 106
Table 8. Comparison between impacts: initial and optimized solution.
Table 8. Comparison between impacts: initial and optimized solution.
SectorGlobal WarmingAcidificationEutrophicationOzone Depletion PotentialFormation of Ozone of Lower AtmosphereTotal Use of Primary Energy ex. Raw Materials
kg CO2 eqkg SO2 eq kg PO4 eqkg CFC11 eqkg Ethene MJ
A1-A3Construction Materials1.58 × 105|−78%1.68 × 102|−89%2.63 × 102|−8.2%8.43 × 10−3|+12%2.97 × 102|+190%1.45 × 106|−64%
A4Transportation to site4.44 × 104|−2.4%1.97 × 102|−2.5%4.27 × 101|−2.5%8.72 × 10−3|−2.4%3.03 × 100|−2%1.27 × 106|−2.4%
A5aSite operations and site waste handling8.39 × 100|0%4.54 × 10−2|0%2.3 × 10−2|0%9.16 × 10−7|0%2.04 × 10−3|0%1.77 × 102|0%
A5bSite waste transportation
A5Construction/installation process8.39 × 100|0%4.54 × 10−2|0%2.3 × 10−2|0%9.16 × 10−7|0%2.04 × 10−3|0%1.77 × 102|0%
Total2.05 × 1053.84 × 1023.10 × 1021.72 × 10−23.02 × 1022.77 × 106
Comparing total results with 4-Caisson Steel CEM I SR
4-Caisson Steel CEM I SR Total8.03 × 1051.78 × 1033.59 × 1021.82 × 10−21.13 × 1025.58 × 106
4-CaiSSON GFRP CEM III SR compared with 4-Caisson Steel CEM I SR −75%−78%−14%−5.6%170%−50%

Share and Cite

MDPI and ACS Style

Cejuela, E.; Negro, V.; del Campo, J.M. Evaluation and Optimization of the Life Cycle in Maritime Works. Sustainability 2020, 12, 4524. https://doi.org/10.3390/su12114524

AMA Style

Cejuela E, Negro V, del Campo JM. Evaluation and Optimization of the Life Cycle in Maritime Works. Sustainability. 2020; 12(11):4524. https://doi.org/10.3390/su12114524

Chicago/Turabian Style

Cejuela, Eduardo, Vicente Negro, and Jose María del Campo. 2020. "Evaluation and Optimization of the Life Cycle in Maritime Works" Sustainability 12, no. 11: 4524. https://doi.org/10.3390/su12114524

APA Style

Cejuela, E., Negro, V., & del Campo, J. M. (2020). Evaluation and Optimization of the Life Cycle in Maritime Works. Sustainability, 12(11), 4524. https://doi.org/10.3390/su12114524

Note that from the first issue of 2016, this journal uses article numbers instead of page numbers. See further details here.

Article Metrics

Back to TopTop