Stochastic Unit Commitment and Optimal Power Trading Incorporating PV Uncertainty
Abstract
1. Introduction
- Implementation of the UC optimization problem along with the optimal power trading considering PV output power uncertainty on a large practical power system, which are vital issues from the economic and reliability points of view.
- Applying the proposed optimization problems to keep the connection between physically-functioning power system and theoretical simulations to indicate the actual market operation and constraints.
- The majority of the research works considered the fitness function to be the total operation cost of thermal units (for some studies, plus the reserve and energy not served); however, in the current study, as the practical power system suggests, import power tariffs are also analyzed.
- Most of the research work focused only on the wind power uncertainty integration in the UC optimization issue, but no research can be observed that has worked on just PV power uncertainty integration in optimal unit commitment and at the same time including optimal power trading.
- Instead of traditional Monte Carlo simulation, Latin-hypercube sampling along with Cholesky decomposition (LHS-CD) is used to generate forecasted PV scenarios.
2. Afghanistan’s Solar Energy Potential
3. Prediction and Scenario Formulation
3.1. Point Forecast Using a Neural Network
3.2. Scenario Generation
4. UC and Optimal Power Trading Problems Formulation
4.1. Objective Function
- is the total expected cost;
- s indicates scenarios ;
- is the probability of scenario s;
- i shows thermal generators, ;
- t is the index of time intervals in the planning horizon, ;
- is the fuel cost function of the thermal unit at time t in scenario s;
- is the output power of thermal unit i at hour t in scenario s;
- is the on/off [0,1] status of the thermal unit at time t;
- z is the index for countries from which Afghanistan imports, ;
- is the cost of importing power for Afghanistan from country z;
- is the power imported by Afghanistan from country z at hour t;
- is the cost of load not served;
- is the load not served at time t in scenario s;
- is the cost of reserve not served;
- is the reserve not served at hour t in scenario s;
- is the start-up cost of the thermal unit at hour t.
- is the hot start-up cost of the thermal unit;
- is the minimum down time of the thermal unit;
- is the duration of the thermal generator being continuously off;
- is the cold start-up hour of the thermal unit;
- is the cold start-up cost of thermal unit i.
4.2. Thermal Units’ Output Power Limit
4.3. Power Trading Limits
4.4. System Power Balance Constraint
- j indicates hydropower plants, ;
- is the power output of hydro unit j at hour t;
- is the generated power of PV at time t in scenario s;
- is the power demand of the system at hour t.
4.5. System Spinning Reserve Constraint
4.6. Thermal Units’ Minimum up and down Time Constraints
- is the total up-time of the unit;
- is the minimum up-time of unit i.
4.7. PV Power Generation
5. Binary-Real Coded Genetic Algorithm
5.1. Initialization
5.2. Repairing Procedures
5.3. Calculation of the Objective Function
5.4. Selection
5.5. Crossover
5.6. Mutation
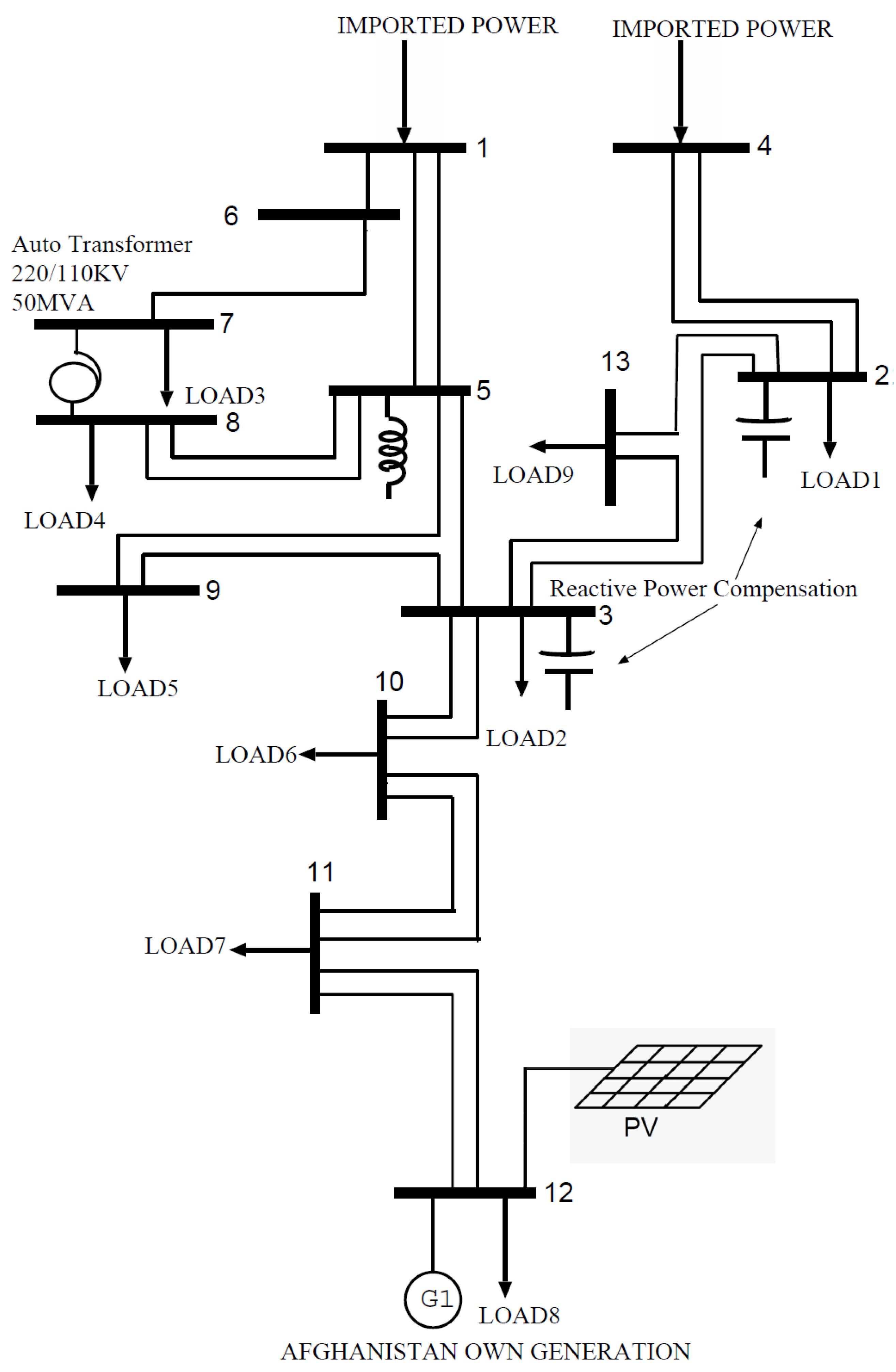
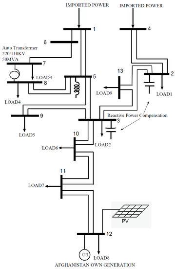
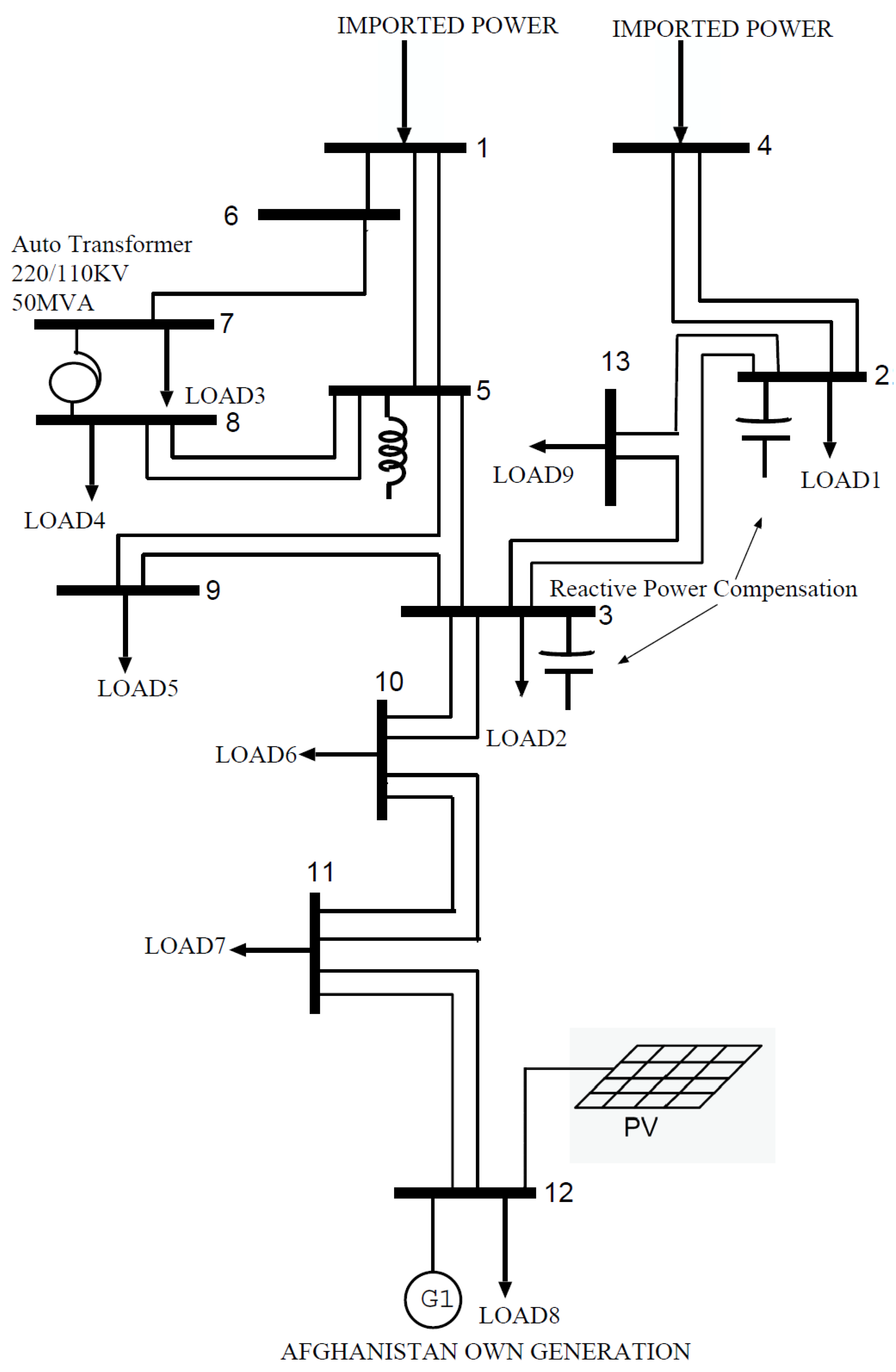
6. Simulation Conditions
- Case 1: The PV power is not injected into the power system; the existing three thermal generating units, three hydro units, and import power from Tajikistan and Uzbekistan are selected to meet the power demand (deterministic UC and optimal electricity trading).
- Case 2: The PV power point forecast is used along with the power generating system of Case 1.
- Case 3: The same as Case 2, all the power-generating units are connected, including PV forecasted power, but this time, the perfect forecast of PV generation is considered.
- Case 4: This case takes into account 50 predicted PV scenarios generated with the method described in the Prediction and Scenario Formulation section. The basic spinning reserve was assumed as 10% of the load demand (stochastic UC and optimal power trading).
- Case 5: The stochastic UC of case 4 with increasing the reserve requirement from 10%–15% of the system power demand.
7. Simulation Results and Discussions
- Case 1: This case was considered to analyze the impact of not integrating PV power generation into the proposed power system when dealing with deterministic UC and optimal power trading. The results for both day-ahead UC and intra-day operation included the total cost = $366,940 (fuel cost = $86,533, start-up cost = $1360, import power tariff = $279,050). As can be observed from Figure 6a, this case had the highest cost amongst all day-ahead UC costs, because more thermal units needed to be online (Figure 7) and more power was imported from Tajikistan and Uzbekistan (Figure 8a) to recover the unavailable output power of PV. Moreover, because of the large penalty from and , the operating reserve for the day-ahead UC was over the basic spinning reserve lines (Figure 9), meaning that the cost associated with the reserve and load curtailments was zero. Due to zero PV power penetration, the intra-day operation available reserve (Figure 10) was the same as the scheduled available reserve (Figure 9).
- Case 2: As PV electric power was added to the power system, the total cost (Figure 6a) decreased to = $310,340 (fuel cost = $81,340, start-up cost = $1270, import power tariff = $227,730), since compared to Case 1, it required less thermal units to be turned on (Figure 7) and less power to be imported from the two neighboring countries (Figure 8a). In addition, as the forecasted power was more than the actual power, hence among the deterministic cases, Case 2 had the least leading to lower available reserve capacity (Figure 9) and a high risk of reserve curtailment for the intra-day operation, as described below. For the intra-day operation (Figure 6b), despite the substantial contribution from import powers (Figure 8b), because of the reserve curtailment happening at Hour 11 due to the high deviation between the actual PV generation and the predicted power, Case 2 incurred the most enormous cost = $402,400 (fuel cost = $78,133, start-up cost = $1270, import power tariff = $261,120, reserve curtailment cost = $61,875). There was one very important point to be mentioned: although a much lower available reserve capacity existed from Hours 17–21, the risks of reserve curtailment did not exist in these hours, and this was because of the unavailability of the PV power in these hours.
- Case 3: The actual PV generation was used in Case 3; therefore, the day-ahead UC and intra-day operation costs were the same (no load and reserve curtailment happened). Furthermore, as discussed in Case 2, the actual PV power was less than the forecast generation; thus, for the day-ahead UC costs (Figure 6a), Case 3 incurred a higher total cost = $318,430 (fuel cost = $81,495, start-up cost = $1360, import power tariff = $235,580) than Case 2, resulting in extra thermal unit commitment (Figure 7) and much power imported (Figure 8a). However, among the intra-day operation costs (Figure 6b), it incurred the lowest cost since no reserve and load curtailment occurred (Figure 10).
- Case 4: The 50 scenarios of forecasted PV power were used to capture its uncertainty. For the day-ahead UC (Figure 6a), the total expected cost was = $313,050 (expected fuel cost = $79,635, start-up cost = $1300, expected import power tariff = $232,120). In this case, more thermal units were needed to be turned on to manage different PV power scenarios compared to the deterministic Cases 1 and 2, which considered only one scenario (Figure 7). Furthermore, due to the large penalty from , the available reserve was above the basic spinning reserve (Figure 11). Moreover, for the intra-day operation (Figure 6b), the total cost was = $334,740 (fuel cost = $78,047, start-up cost = $1300, expected import power tariff = $255,390), for which, unlike Case 2, the reserve curtailment cost was zero, also leading the available reserve for the intra-day operation to be over the basic spinning reserve requirement (Figure 11), which depicts the superiority of Case 4 (stochastic UC with inclusion of the optimal power trading).
- Case 5: In order to investigate the impact of different reserve needs and to further show the superiority of the stochastic UC including the optimal power trading, Case 5 with the reserve requirement of 15% of the power demand was studied. For the day-ahead UC (Figure 6a), the total expected cost = $320,020 (expected fuel cost = $83,759, start-up cost = $1210, expected import power tariff = $235,051) was higher than the stochastic Case 4 with the basic reserve requirement, therefore leading to more thermal units being turned on (Figure 7) and more power being imported (Figure 8a). In addition, for the intra-day operation (Figure 6b), the total cost was = $339,670 (fuel cost = $79,291, start-up cost = $1210, import power tariff = $259,170), in which the reserve curtailment cost was zero, and the same as the stochastic Case 4, the available reserve was over the reserve need of the system (Figure 12).
8. Conclusions
Author Contributions
Conflicts of Interest
References
- Ahmadzai, S.; McKinna, A. Afghanistan electrical energy and trans-boundary water systems analyses: Challenges and opportunities. Energy Rep. 2018, 4, 435–469. [Google Scholar] [CrossRef]
- Global Alliance for Clean Cookstoves. Available online: http://www.cleancookstoves.org/countries/asia/af ghanistan.html (accessed on 10 February 2018).
- Sediqi, M.M.; Furukakoi, M.; Lotfy, M.E.; Yona, A.; Senjyu, T. Optimal economical sizing of grid-connected hybrid renewable energy system. J. Energy Power Eng. 2017, 11, 244–253. [Google Scholar]
- Mantawy, A.H.; Magid, Y.L.A.; Selim, S.Z. A simulated annealing algorithm for unit commitment. IEEE Trans. Power Syst. 1998, 13, 197–204. [Google Scholar] [CrossRef]
- Simopoulos, D.N.; Kavatza, S.D.; Vournas, C.D. Reliability constrained unit commitment using simulated annealing. IEEE Trans. Power Syst. 2006, 21, 1699–1705. [Google Scholar] [CrossRef]
- Juste, K.A.; Kita, H.; Tunaka, E.; Hasegawa, J. An evolutionary programming solution to the unit commitment problem. IEEE Trans. Power Syst. 1999, 14, 1452–1459. [Google Scholar] [CrossRef]
- Simon, S.P.; Padhy, N.P.; Anand, R.S. An ant colony system approach for unit commitment problem. Electr. Power Energy Syst. 2006, 28, 315–323. [Google Scholar] [CrossRef]
- Carrión, M.; Arroyo, J.M. A computationally efficient mixed-integer linear formulation for the thermal unit commitment problem. IEEE Trans. Power Syst. 2006, 21, 1371–1378. [Google Scholar] [CrossRef]
- Frangioni, A.; Gentile, C.; Lacalandra, F. Sequential lagrangian-MILP approaches for unit commitment problems. Electr. Power Energy Syst. 2011, 33, 586–593. [Google Scholar] [CrossRef]
- Viana, A.; Pedroso, J.P. A new MILP-based approach for unit commitment in power production planning. Electr. Power Energy Syst. 2013, 44, 997–1005. [Google Scholar] [CrossRef]
- Sun, L.; Zhang, Y.; Jiang, C. A matrix real-coded genetic algorithm to the unit commitment problem. Electr. Power Syst. Res. 2006, 76, 716–728. [Google Scholar] [CrossRef]
- Kumar, V.S.; Mohan, M.R. Solution to security constrained unit commitment problem using genetic algorithm. Electr. Power Energy Syst. 2010, 32, 117–125. [Google Scholar] [CrossRef]
- Datta, D. Unit commitment problem with ramp rate constraint using a binary-real-coded genetic algorithm. Appl. Soft Comput. 2013, 13, 3873–3883. [Google Scholar] [CrossRef]
- Yuan, X.; Su, A.; Nie, H.; Yuan, Y.; Wang, L. Unit commitment problem using enhanced particle swarm optimization algorithm. Soft Comput. 2011, 15, 139–148. [Google Scholar] [CrossRef]
- Chandrasekarana, K.; Hemamalini, S.; Simon, S.P.; Padhy, N.P. Thermal unit commitment using binary/real coded artificial bee colony algorithm. Electr. Power Syst. Res. 2012, 84, 109–119. [Google Scholar] [CrossRef]
- Wang, Q.; Guan, Y.; Wang, J. A chance-constrained two-stage stochastic program for unit commitment with uncertain wind power output. IEEE Trans. Power Syst. 2012, 27, 206–215. [Google Scholar] [CrossRef]
- Wang, J.; Botterud, A.; Bessa, R.; Keko, H.; Carvalho, L.; Issicaba, D.; Sumaili, J.; Miranda, V. Wind power forecasting uncertainty and unit commitment. Appl. Energy 2011, 88, 4014–4023. [Google Scholar] [CrossRef]
- Ji, B.; Yuan, X.; Li, X.; Huang, Y.; Li, W. Application of quantum-inspired binary gravitational search algorithm for thermal unit commitment with wind power integration. Energy Convers. Manag. 2014, 87, 589–598. [Google Scholar] [CrossRef]
- Quan, H.; Srinivasan, D.; Khambadkone, A.M.; Khosravi, A. A computational framework for uncertainty integration in stochastic unit commitment with intermittent renewable energy sources. Appl. Energy 2015, 152, 71–82. [Google Scholar] [CrossRef]
- Shukla, A.; Singh, S.N. Clustering based unit commitment with wind power uncertainty. Energy Convers. Manag. 2016, 111, 89–102. [Google Scholar] [CrossRef]
- Wang, W.; Li, C.; Liao, X.; Qin, H. Study on unit commitment problem considering pumped storage and renewable energy via a novel binary artificial sheep algorithm. Appl. Energy 2017, 187, 612–626. [Google Scholar] [CrossRef]
- Lujano-Rojas, J.M.; Osório, G.J.; Catalão, J.P.S. New probabilistic method for solving economic dispatch and unit commitment problems incorporating uncertainty due to renewable energy integration. Electr. Power Energy Syst. 2016, 78, 61–71. [Google Scholar] [CrossRef]
- Min, Z.; Kun, Z.; Liang, W. Study on unit commitment problem considering wind power and pumped hydro energy storage. Electr. Power Energy Syst. 2014, 63, 91–96. [Google Scholar]
- Central Statistics Organization of Afghanistan. March 2019. Available online: www.cso.gov.af/en (accessed on 12 March 2019).
- National Renewable Energy Laboratory (NREL). Afghanistan Resource Maps and Toolkit. Available online: http://www.nrel.gov/international/ra Afghanistan.html (accessed on 5 May 2018).
- Ministry of Energy and Water. Renewable Energy Department. potential map-Solar. Islamic Republic of Afghanistan. Available online: http://www.red-mew.gov.af/media/complete-download-list/ (accessed on 15 May 2018).
- Alamyar, K.M. Renewable Energy for Sustainable Development; Economic Policy Directorate; Ministry of Economy, April 2014; Available online: https://econpapers.repec.org/paper/ekd006666/7828.htm (accessed on 15 August 2019).
- Musleh, A.J. Renewable Energy Department. Ministry of Energy andWater. In Proceedings of the SAARC Workshop on Application of on-Grid Biogas Technologies, Kabul, Afghanistan, 16–17 May 2016. [Google Scholar]
- Delawari, Q. Investment Opportunities in Energy Sector in Afghanistan. CEO, DABS Presentation. 24 October 2016. Available online: https://www.carecprogram.org/uploads/2016-EIF-Presentation-Session1-AFG-1.pdf (accessed on 10 March 2019).
- Kiartzis, S.J.; Bakirtzis, A.G.; Petridis, V. Short-term load forecasting using neural networks. Electr. Power Syst. Res. 1995, 33, 1–6. [Google Scholar] [CrossRef]
- Panapakidis, I.P. Clustering based day-ahead and hour-ahead bus load forecasting models. Int. J. Electr. Power Energy Syst. 2016, 80, 171–178. [Google Scholar] [CrossRef]
- Furukakoi, M.; Adewuyi, O.B.; Matayoshi, H.; Howlader, A.M.; Senjyu, T. Multi objective unit commitment with voltage stability and PV uncertainty. Appl. Energy 2018, 228, 618–623. [Google Scholar] [CrossRef]
- Yu, H.; Chung, C.Y.; Wong, K.P.; Lee, H.W.; Zhang, J.H. Probabilistic load flow evaluation with hybrid Latin Hypercube Sampling and Cholesky Decomposition. IEEE Trans. Power Syst. 2009, 24, 661–667. [Google Scholar] [CrossRef]
- Sediqi, M.M.; Howlader, H.O.R.; Ibrahimi, A.M.; Danish, M.S.S.; Sabory, N.R.; Senjyu, T. Development of renewable energy resources in Afghanistan for economically optimized cross-border electricity trading. Aims Energy 2017, 5, 691–717. [Google Scholar] [CrossRef]
- Gjorgiev, B.; Kančev, D.; Čepin, M.; Volkanovski, A. Multi-objective unit commitment with introduction of a methodology for probabilistic assessment of generating capacities availability. Eng. Appl. Artif. Intell. 2015, 37, 236–249. [Google Scholar] [CrossRef]
- Deb, K. Multi-Objective Optimization Using Evolutionary Algorithms; John Wiley & Sons, Ltd.: Chichester, UK, 2001. [Google Scholar]
- Sediqi, M.M.; Ibrahimi, A.M.; Danish, M.S.S.; Senjyu, T.; Chakraborty, S.; Mandal, P. An optimization analysis of cross-border electricity trading between Afghanistan and its neighbor countries. IFAC PapersOnLine 2018, 51, 25–30. [Google Scholar] [CrossRef]
- Sediqi, M.M.; Furukakoi, M.; Lotfy, M.E.; Yona, A.; Senjyu, T. An optimization approach for unit commitment of a power system integrated with renewable energy sources: A case study of Afghanistan. J. Energy Power Eng. 2017, 11, 528–536. [Google Scholar]











| Time (h) | 1 | 2 | 3 | 4 | 5 | 6 | 7 | 8 | 9 | 10 | 11 | 12 |
| (W/) | 0 | 0 | 0 | 0 | 0 | 0 | 50 | 145 | 270 | 405 | 593 | 687 |
| Time (h) | 13 | 14 | 15 | 16 | 17 | 18 | 19 | 20 | 21 | 22 | 23 | 24 |
| (W/) | 600 | 520 | 420 | 260 | 65 | 18 | 0 | 0 | 0 | 0 | 0 | 0 |
| TG-1 | TG-2 | TG-3 | |
|---|---|---|---|
| (MW) | 105 | 22 | 23 |
| (MW) | 15 | 5 | 5 |
| ($/h) | 680 | 660 | 665 |
| ($/MWh) | 16.5 | 25.92 | 27.27 |
| ($/MW) | 0.00211 | 0.00413 | 0.00222 |
| (h) | 4 | 1 | 1 |
| (h) | 4 | 1 | 1 |
| ($) | 560 | 30 | 30 |
| ($) | 1120 | 60 | 60 |
| (h) | 4 | 0 | 0 |
| (h) | 4 | 1 | −1 |
© 2019 by the authors. Licensee MDPI, Basel, Switzerland. This article is an open access article distributed under the terms and conditions of the Creative Commons Attribution (CC BY) license (http://creativecommons.org/licenses/by/4.0/).
Share and Cite
Sediqi, M.M.; Lotfy, M.E.; Ibrahimi, A.M.; Senjyu, T.; K, N. Stochastic Unit Commitment and Optimal Power Trading Incorporating PV Uncertainty. Sustainability 2019, 11, 4504. https://doi.org/10.3390/su11164504
Sediqi MM, Lotfy ME, Ibrahimi AM, Senjyu T, K N. Stochastic Unit Commitment and Optimal Power Trading Incorporating PV Uncertainty. Sustainability. 2019; 11(16):4504. https://doi.org/10.3390/su11164504
Chicago/Turabian StyleSediqi, Mohammad Masih, Mohammed Elsayed Lotfy, Abdul Matin Ibrahimi, Tomonobu Senjyu, and Narayanan. K. 2019. "Stochastic Unit Commitment and Optimal Power Trading Incorporating PV Uncertainty" Sustainability 11, no. 16: 4504. https://doi.org/10.3390/su11164504
APA StyleSediqi, M. M., Lotfy, M. E., Ibrahimi, A. M., Senjyu, T., & K, N. (2019). Stochastic Unit Commitment and Optimal Power Trading Incorporating PV Uncertainty. Sustainability, 11(16), 4504. https://doi.org/10.3390/su11164504

