Robust Day-Ahead Scheduling of Electricity and Natural Gas Systems via a Risk-Averse Adjustable Uncertainty Set Approach
Abstract
1. Introduction
2. Methodology
2.1. Risk-Averse Adjustable Uncertainty Set Approach
2.2. Robust Day-Ahead Scheduling Model for Electricity and Natural Gas System
2.2.1. First-Stage Constraints
2.2.2. Second-Stage Constraints
2.3. Solution Methodology
3. Numerical Results
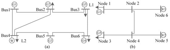
3.1. Six-Bus Power System with a 6-Node Natural Gas System
3.2. IEEE 118-Bus Power System with a 10-Node Natural Gas System
4. Conclusions
- (1)
- The proposed scheduling model can coordinate different energy infrastructures to improve the energy efficiency of the electricity and natural gas system. The gas shortage has a significant adverse impact on the economic efficiency.
- (2)
- The risk-averse adjustable uncertainty set approach can be a promising alternative method in particular cases when the conventional robust methods cannot provide a feasible solution.
- (3)
- Compared with the other two metrics, WM-metric helps to reduce the conservatism of risk-averse adjustable uncertainty set approach.
- (4)
- The proposed scheduling model can be solved efficiently via the C&CG algorithm.
Author Contributions
Funding
Conflicts of Interest
References
- Kung, C.C.; McCarl, B.A. Sustainable Energy Development under Climate Change. Sustainability 2018, 10, 3269. [Google Scholar] [CrossRef]
- Ntanos, S.; Kyriakopoulos, G.; Chalikias, M.; Arabatzis, G.; Skordoulis, M.; Galatsidas, S.; Drosos, D. A Social Assessment of the Usage of Renewable Energy Sources and Its Contribution to Life Quality: The Case of an Attica Urban Area in Greece. Sustainability 2018, 10, 1414. [Google Scholar] [CrossRef]
- Daneshi, H. Overview of Renewable Energy Portfolio in CAISO—Operational and Market Challenges. In Proceedings of the 2018 IEEE PES General Meeting (PESGM), Portland, OR, USA, 5–9 August 2018. [Google Scholar]
- Zhang, X.; Che, L.; Shahidehpour, M.; Alabdulwahab, A.; Abusorrah, A. Electricity-Natural Gas Operation Planning With Hourly Demand Response for Deployment of Flexible Ramp. IEEE Trans. Sustain. Energy 2016, 7, 996–1004. [Google Scholar] [CrossRef]
- Fedora, P.A. Reliability review of North American gas/electric system interdependency. In Proceedings of the 37th Annual Hawaii International Conference on System Sciences, Big Island, HI, USA, 5–8 January 2004; pp. 1–10. [Google Scholar]
- Ye, J.; Yuan, R. Integrated Natural Gas, Heat, and Power Dispatch Considering Wind Power and Power-to-Gas. Sustainability 2018, 9, 602. [Google Scholar] [CrossRef]
- Liu, C.; Shahidehpour, M.; Fu, Y.; Li, Z. Security-constrained unit commitment with natural gas transmission constraints. IEEE Trans. Power Syst. 2009, 24, 1523–1536. [Google Scholar]
- Correa-Posada, C.M.; Sánchez-Martín, P. Integrated Power and Natural Gas Model for Energy Adequacy in Short-Term Operation. IEEE Trans. Power Syst. 2017, 30, 3347–3355. [Google Scholar] [CrossRef]
- Correa-Posada, C.M.; Sánchez-Martín, P. Robust Constrained Operation of Integrated Electricity-Natural Gas System Considering Distributed Natural Gas Storage. IEEE Trans. Sustain. Energy 2018, 9, 1061–1071. [Google Scholar]
- Liu, C.; Lee, C.; Shahidehpour, M. Look Ahead Robust Scheduling of Wind-Thermal System With Considering Natural Gas Congestion. IEEE Trans. Power Syst. 2015, 30, 544–545. [Google Scholar] [CrossRef]
- Zhao, B.; Conejo, A.J.; Sioshansi, R. Unit Commitment Under Gas-Supply Uncertainty and Gas-Price Variability. IEEE Trans. Power Syst. 2017, 32, 2394–2405. [Google Scholar] [CrossRef]
- Alabdulwahab, A.; Abusorrah, A.; Zhang, X.; Shahidehpour, M. Coordination of Interdependent Natural Gas and Electricity Infrastructures for Firming the Variability of Wind Energy in Stochastic Day-Ahead Scheduling. IEEE Trans. Sustain. Energy 2015, 6, 606–615. [Google Scholar] [CrossRef]
- Alabdulwahab, A.; Abusorrah, A.; Zhang, X.; Shahidehpour, M. Operating Strategies for a GB Integrated Gas and Electricity Network Considering the Uncertainty in Wind Power Forecasts. IEEE Trans. Sustain. Energy 2013, 5, 128–138. [Google Scholar]
- Bai, L.; Li, F.; Cui, H.; Jiang, T.; Sun, H.; Zhu, J. Interval optimization based operating strategy for gas-electricity integrated energy systems considering demand response and wind uncertainty. Appl. Energy 2016, 167, 270–279. [Google Scholar] [CrossRef]
- He, C.; Wu, L.; Liu, T.; Shahidehpour, M. Robust co-optimization scheduling of electricity and natural gas systems via ADMM. IEEE Trans. Sustain. Energy 2017, 8, 658–670. [Google Scholar] [CrossRef]
- Bertsimas, D.; Litvinov, E.; Sun, X.A.; Zhao, J.; Zheng, T. Adaptive Robust Optimization for the Security Constrained Unit Commitment Problem. IEEE Trans. Power Syst. 2013, 28, 52–63. [Google Scholar] [CrossRef]
- Delage, E.; Ye, Y. Distributionally Robust Optimization Under Moment Uncertainty with Application to Data-Driven Problems. Oper. Res. 2010, 58, 595–612. [Google Scholar] [CrossRef]
- Wei, W.; Liu, F.; Mei, S. Distributionally Robust Co-Optimization of Energy and Reserve Dispatch. IEEE Trans. Sustain. Energy 2016, 7, 289–300. [Google Scholar] [CrossRef]
- Mohajerin Esfahani, P.; Kuhn, D. Data-driven distributionally robust optimization using the Wasserstein metric: Performance guarantees and tractable reformulations. Math. Program. 2018, 171, 1–52. [Google Scholar] [CrossRef]
- Zhao, C.; Guan, Y. Data-driven risk-averse stochastic optimization with Wasserstein metric. Oper. Res. Lett. 2018, 46, 262–267. [Google Scholar] [CrossRef]
- Duan, C.; Fang, W.; Jiang, L.; Yao, L.; Liu, J. Distributionally robust chance-constrained approximate ac-opf with wasserstein metric. IEEE Trans. Power Syst. 2018, 33, 4924–4936. [Google Scholar] [CrossRef]
- Wang, C.; Liu, F.; Wang, J.; Wei, W.; Mei, S. Risk-Based Admissibility Assessment of Wind Generation Integrated into a Bulk Power System. IEEE Trans. Sustain. Energy 2016, 7, 325–336. [Google Scholar] [CrossRef]
- Yao, L.; Wang, X.; Duan, C.; Guo, J.; Wu, X.; Zhang, Y. Data-driven distributionally robust reserve and energy scheduling over Wasserstein balls. IET Gener. Transm. Distrib. 2018, 12, 178–189. [Google Scholar] [CrossRef]
- Gao, R.; Kleywegt, A.J. Distributionally robust stochastic optimization with dependence structure. arXiv, 2017; arXiv:1701.04200. [Google Scholar]
- Yao, L.; Wang, X.; Duan, C.; Wu, X.; Zhang, W. Risk-based Distributionally Robust Energy and Reserve Dispatch with Wasserstein–Moment Metric. In Proceedings of the 2018 IEEE PES General Meeting (PESGM), Portland, OR, USA, 5–9 August 2018. [Google Scholar]
- Zeng, B.; Zhao, L. Solving two-stage robust optimization problems using a column-and-constraint generation method. Oper. Res. Lett. 2013, 41, 457–461. [Google Scholar] [CrossRef]
- 6-Bus Power System with a 6-Node Natural Gas System. Available online: https://docs.google.com/spreadsheets/d/1PL9pnwLO1hdkDmZFkTLIVNCA4P_5vgOqxXh24Y\xJEHk/edit?usp=sharing (accessed on 28 September 2018).
- Guan, Y.; Wang, J. Uncertainty Sets for Robust Unit Commitment. IEEE Trans. Power Syst. 2014, 291, 1439–1440. [Google Scholar] [CrossRef]








| Case | Production Cost | Estimated Total Cost | Simulated Total Cost | ||
|---|---|---|---|---|---|
| Operational Risk Cost | Total Cost | Expected Loss Cost | Total Cost | ||
| Case 1 | 589.7 | \ | 589.7 | 0.2 | 589.9 |
| Case 2 | 581.0 | 6.6 | 587.6 | 2.5 | 583.5 |
| Case 3 | 589.3 | 1.5 | 590.8 | 0.3 | 589.6 |
| Case 4 | 588.4 | 2.3 | 590.7 | 0.5 | 588.9 |
| Case | Production Cost | Estimated Total Cost | Simulated Total Cost | ||
|---|---|---|---|---|---|
| Operational Risk Cost | Total Cost | Expected Loss Cost | Total Cost | ||
| Case 1 (infeasible) | \ | \ | \ | \ | \ |
| Case 2 | 891.0 | 13.1 | 904.1 | 8.1 | 899.1 |
| Case 3 | 889.9 | 20.4 | 910.3 | 9.2 | 899.1 |
| Case 4 | 892.9 | 17.9 | 910.8 | 6.7 | 899.6 |
| Case | Production Cost | Estimated Total Cost | Simulated Total Cost | ||
|---|---|---|---|---|---|
| Operational Risk Cost | Total Cost | Expected Loss Cost | Total Cost | ||
| Case 1 | 10,262.4 | \ | 10,262.4 | 1.1 | 10,263.5 |
| Case 2 | 10,248.1 | 13.1 | 10,261.2 | 5.2 | 10,253.3 |
| Case 3 | 10,254.5 | 9.9 | 10,264.4 | 3.1 | 10,257.6 |
| Case 4 | 10,257.2 | 7.4 | 10,264.6 | 2.8 | 10,260.0 |
| Case | Time of Preparation (s) | Time of C & CG (s) |
|---|---|---|
| Case 1 | \ | 91.2 |
| Case 2 | 921 | 125.1 |
| Case 3 | 54 | 114.4 |
| Case 4 | 10.9 | 102.9 |
© 2018 by the authors. Licensee MDPI, Basel, Switzerland. This article is an open access article distributed under the terms and conditions of the Creative Commons Attribution (CC BY) license (http://creativecommons.org/licenses/by/4.0/).
Share and Cite
Yao, L.; Wang, X.; Qian, T.; Qi, S.; Zhu, C. Robust Day-Ahead Scheduling of Electricity and Natural Gas Systems via a Risk-Averse Adjustable Uncertainty Set Approach. Sustainability 2018, 10, 3848. https://doi.org/10.3390/su10113848
Yao L, Wang X, Qian T, Qi S, Zhu C. Robust Day-Ahead Scheduling of Electricity and Natural Gas Systems via a Risk-Averse Adjustable Uncertainty Set Approach. Sustainability. 2018; 10(11):3848. https://doi.org/10.3390/su10113848
Chicago/Turabian StyleYao, Li, Xiuli Wang, Tao Qian, Shixiong Qi, and Chengzhi Zhu. 2018. "Robust Day-Ahead Scheduling of Electricity and Natural Gas Systems via a Risk-Averse Adjustable Uncertainty Set Approach" Sustainability 10, no. 11: 3848. https://doi.org/10.3390/su10113848
APA StyleYao, L., Wang, X., Qian, T., Qi, S., & Zhu, C. (2018). Robust Day-Ahead Scheduling of Electricity and Natural Gas Systems via a Risk-Averse Adjustable Uncertainty Set Approach. Sustainability, 10(11), 3848. https://doi.org/10.3390/su10113848

