Previous Article in Journal
Short-Term Utilization Forecasting of Electric Vehicle Charging Infrastructures
 
 
Font Type:
Arial Georgia Verdana
Font Size:
Aa Aa Aa
Line Spacing:
Column Width:
Background:
Article

Optimization Algorithms Embedded in the Engine Control Unit for Energy Management and Hydrogen Fuel Economy in Fuel Cell Electric Vehicles

by
Ioan Sorin Sorlei
1,*,
Nicu Bizon
1,2,3,* and
Gabriel-Vasile Iana
2,4
1
Doctoral School of Electronics, Telecommunications & Information Technology, The National University of Science and Technology POLITEHNICA Bucharest, 060042 Bucharest, Romania
2
Pitești University Center, The National University of Science and Technology POLITEHNICA Bucharest, 110040 Pitești, Romania
3
ICSI Energy, National Research and Development Institute for Cryogenic and Isotopic Technologies, 240050 Ramnicu Valcea, Romania
4
R&D Department, Mira Technologies Group, 164 Ciorogârlei Street, Joița, 087151 Giurgiu, Romania
*
Authors to whom correspondence should be addressed.
World Electr. Veh. J. 2025, 16(12), 657; https://doi.org/10.3390/wevj16120657 (registering DOI)
Submission received: 28 October 2025 / Revised: 24 November 2025 / Accepted: 28 November 2025 / Published: 2 December 2025

Abstract

The controller of the energy management system must be capable of meeting the rapid and dynamic demands of fuel cell electric vehicles (FCEVs) without compromising its performance and durability. The performance of FCEVs can be enhanced through powertrain hybridization with battery and ultracapacitor systems. The overall dynamic optimization of the energy between the batteries/ultracapacitors and the Proton Exchange Membrane Fuel Cell (PEMFC) output can play an important role in hydrogen fuel economy and the durability of vehicle systems. The present study investigates the system’s efficiency and fuel consumption in European Drive Cycles when employing diverse energy management strategies. This investigation utilizes a novel switch real-time strategy (SWA_RTO), which is founded on an A-factor algorithm that alternates between the most effective Real Time Optimization (RTO) strategies. The objective of this paper is to underscore the significance of algorithmic optimization by presenting the optimal results obtained for the fuel economy of the SWA_RTO strategy. These results are compared with the basic RTO strategy and the static Feed-Forward (sFF) reference strategy. The load demand during driving cycles is primarily determined by the PEMFC system. Minor discrepancies in power balance are addressed by the hybrid battery and ultracapacitor system. Consequently, the lifespan of the subject will increase, and the state of charge (SOC) will no longer be a factor in monitoring.

1. Introduction

1.1. Current Challenges and Research Gap in Existing Literature

Fuel cell hybrid electric vehicles (FCEVs) are regarded as one of the most effective solutions for the medium- and long-term diversification of powertrain models within an automotive company. The global economic context, the implementation of greening policies, the Euro 7 pollution norm, and the application of the Corporate Average Fuel Economy (CAFE) standard have prompted major automotive companies to allocate increasing investments in Fuel Cell Electric Vehicles (FCEVs), in addition to hybrid, plug-in hybrid, and electric models. In order to address the aforementioned challenges, a significant number of automobile manufacturers are prioritizing the implementation of advanced control techniques. These techniques are designed to achieve two primary objectives: first, to reduce fuel consumption [1,2], and second, to enhance overall energy efficiency and system durability [3,4,5].
The powertrain of an FCHEV is designed from three energy sources: the Proton Exchange Membrane Fuel Cell (PEMFC) as the primary energy source and the energy storage system (ESS) consisting of lithium-ion batteries and ultracapacitors as the secondary energy source. From the standpoint of electrochemistry, enhancing the reliability and operating performance of Proton Exchange Membrane Fuel Cells (PEMFCs) stacks under varying relative humidity (RH) conditions and current densities necessitates a strategic trade-off between proton conductivity and mass transfer [6]. The employment of an optimal content of 15% POSS (polyhedral oligomeric silsesquioxane) for the cathodic catalyst layer has been demonstrated to yield superior performance, with a maximum power density of approximately 970 mW/cm2 [7], but recent research [8] has shown that the 1 W/cm2 threshold has been exceeded when using a mixture of polyvinylidene fluoride (PVDF) and polyethylene terephthalate (PET) in bipolar plates that are reinforced with electrically conductive materials, such as carbon black (CB), graphite (GR), carbon fiber (CF) and multi-walled carbon nanotubes (MWCNTs). This approach has also been shown to mitigate the side effects caused by increasing relative humidity (RH) from 50% to 80% at high current density. With regard to system performance, the PEMFC (Proton Exchange Membrane Fuel Cell) reliably generates net power in steady-state conditions [9]. However, it demonstrates a limited capacity to respond promptly to high load dynamics, a deficiency attributable to the substantial values of the response time constants associated with the power supply, mass transfer, and electrochemical phenomena. Integration of innovative energy management systems incorporating genetic algorithms to optimize decision-making during load transitions in a hybrid fuel cell and battery architecture reduces the stress and increases the lifespan of these components [10]. In addition to homologation and testing cycles such as the WLTP and NEDC [11,12], the Fully Analytical Fuel Consumption Estimation (FACE) method has been extended to fuel cell hybrid electric vehicles (FCHEVs). The aim is to reduce optimization to a single-level problem when determining fuel economy [13]. Therefore, in order to satisfy the balance of power flows on the DC bus, it is necessary to integrate energy storage systems in parallel.
The ESS-based hybrid topology has been demonstrated to enhance vehicle acceleration in dynamic regimes, such as 80–120 km/h repeated cycles. In addition to its primary function, this topology plays a crucial role in preserving regenerative energy during braking and in the generator phase of the electric motor. Furthermore, they guarantee ideal energy distribution on the DC bus, thereby enhancing the overall performance of the vehicle. In [14], an energy management system for ESS based on Mamdani fuzzy algorithms is proposed to improve the efficiency of the storage system and optimized using the Dung Beetle Optimizer (DBO). Classifying and evaluating EMS strategies emphasizes the importance of optimizing energy distribution to improve the overall efficiency and performance of fuel cell vehicles [15]. Nevertheless, it remains a technical challenge to ensure the efficiency and lifetime of the internal components in the PEMFC stack and batteries [16,17,18,19].
The development of energy management strategies that facilitate extended ESS and PEMFC system lifetimes to maximize overall FCHEV efficiency [20] is imperative in any vehicle design. In recent years, a number of researchers have been working to improve and optimize the energy management system through the use of multi-objective genetic optimization algorithms that take into account variations in road gradient [21]. These researchers have demonstrated a 12% increase in PEMFC operation in battery swapping in the New European Driving Cycle (NEDC) cycle. This increase aims to maintain the battery state of charge and the hydrogen consumption in a narrow band. In [22], the authors put forth a proposal for the incorporation of a Sea-Horse Optimization (SHO) algorithm. This integration was intended to reduce computation time and enhance energy efficiency within the system, with this objective being based on real-time data. The proposed integration was further complemented by a self-supervised contrastive graphical neural network (CSGNN) algorithm. The primary function of this algorithm was to predict vehicle autonomy. It accomplished this by conducting an analysis of various factors, including driving behavior and road conditions, among others.
To reduce the operating costs of an FCHEV, a new predictive EMS strategy that takes into account the health status of the fuel cell (PHC: predictive health-conscious) was proposed in [23]. This strategy integrates a multi-layer algorithm with a rule-based control at the upper level to determine the fuel cell start-up phases, taking into account the state of charge (SOC) of the battery and fuel cell (FC) degradation and also a real-time model predictive control (MPC) model at the lower level to predict the optimal power required on the DC bus between the two FC and battery systems in real time. This highlights the need for combined cycle performance indicators (city and highway) for the fuel cell.
Furthermore, paper [24] reduces the overall operating costs of fuel cell hybrid electric buses (FCHEBs) by 5.92%, using a predictive EMS (PEMS) with onboard energy systems health management based on the twin delayed deep deterministic policy gradient algorithm (TD3) to take into account future driving conditions and the number of passengers, as opposed to a fixed number, as used in conventional EMS.
Hybridization with ESSs has been demonstrated to improve the performance of FCHEVs, with increases of up to 8.43% in system efficiency [25]. This improvement is attributed to the application of the Arithmetic Optimization Algorithm (AOA). Additionally, an enhancement in fuel consumption has been observed through the implementation of Multi-Objective Particle Swarm Optimization (MOPSO) strategies [26].
The impact of different energy management strategies [27] on autonomy and fuel consumption was studied by applying various tests with a new real-time ‘switch’ strategy (SWA_RTO). This strategy is based on an algorithm that calculates a factor A, which switches between the best RTO strategies described in previous papers [28]. To improve fuel economy, the results obtained using the SW strategy were compared with those obtained using the basic sFF strategy [29], which uses the battery current to control the air and fuel regulators, demonstrating improved fuel economy.
Also, to improve scalability and reduce the number of components in hybrid electric systems, a series of GES_RTO strategies is defined and analyzed under variable load conditions within the extra-urban European driving cycle. The aim is to reduce fuel consumption and evaluate performance using indicators such as fuel consumption efficiency and fuel cell electrical efficiency for variable load demand.

1.2. Research Objectives and Main Contributions

This paper aims to implement the best RTO strategies from the previous studies and a novel SWA_RTO algorithm in a fuel economy evaluation procedure based on the Extra Urban Driving Cycle (EUDC) to scale the FCHEV model with two fuel cell (FC) systems of 30 kW and 100 kW, respectively, to demonstrate its adaptability to systems with different levels of electric power generated by the hybrid propulsion system. This implementation incorporates a detailed analysis of previous research, conducted through sensitivity analysis, into reducing the hybrid power system to FC and ultracapacitors only. This eliminates the battery system, thereby reducing the impact on the powertrain of both the hardware and the software. The insights and limitations on the applicability of advanced control and optimization techniques based on Global Extremum Seeking (GES) algorithms that are revealed through this analysis are of particular interest.

1.3. Structure of the Paper

The present paper is organized into six sections. The first section is devoted to system optimization. The second section presents the hybrid drivetrain architecture. The third section presents new SWA-RTO algorithms that reduce fuel consumption and increase performance indicators, as well as a sensitivity analysis of the prospects and limitations of advanced control techniques. The fourth section analyses the results of experiments on PEMFC system scalability in powertrain applications. The fifth section discusses perspectives, while the sixth section concludes the paper.

2. FC Hybrid Powertrain Architecture

The propulsion system under consideration incorporates a fuel cell system as the primary system and an electrical energy storage system, consisting of batteries and ultracapacitors, as the secondary system. The topology is coupled to a standard electric vehicle concept, as illustrated in Figure 1.

2.1. Powertrain 3DOF Vehicle Model

To ensure the most realistic modeling of a vehicle, an ideal mechanical rotational inertia block was implemented in Matlab/Simulink R2025a (see Figure 2). This block utilizes driveshaft angular velocities, torsional stiffness, and torsional damping to determine mechanical torques. It also utilizes a longitudinal wheel block to simulate longitudinal force behavior and rolling resistance, as well as brake type for a given driving cycle or braking event. Table 1 and Table 2 present the technical parameter values for the 3DOF vehicle model.
The driver model implements a parametric longitudinal speed tracking controller to generate normalized acceleration and braking commands based on reference and feedback speeds.

2.2. Fuel Cell and Battery/Ultracapacitor Hybrid Systems

The FCHEV comprises a PEMFC that serves as the primary energy source and an ESS that functions as the secondary energy source.
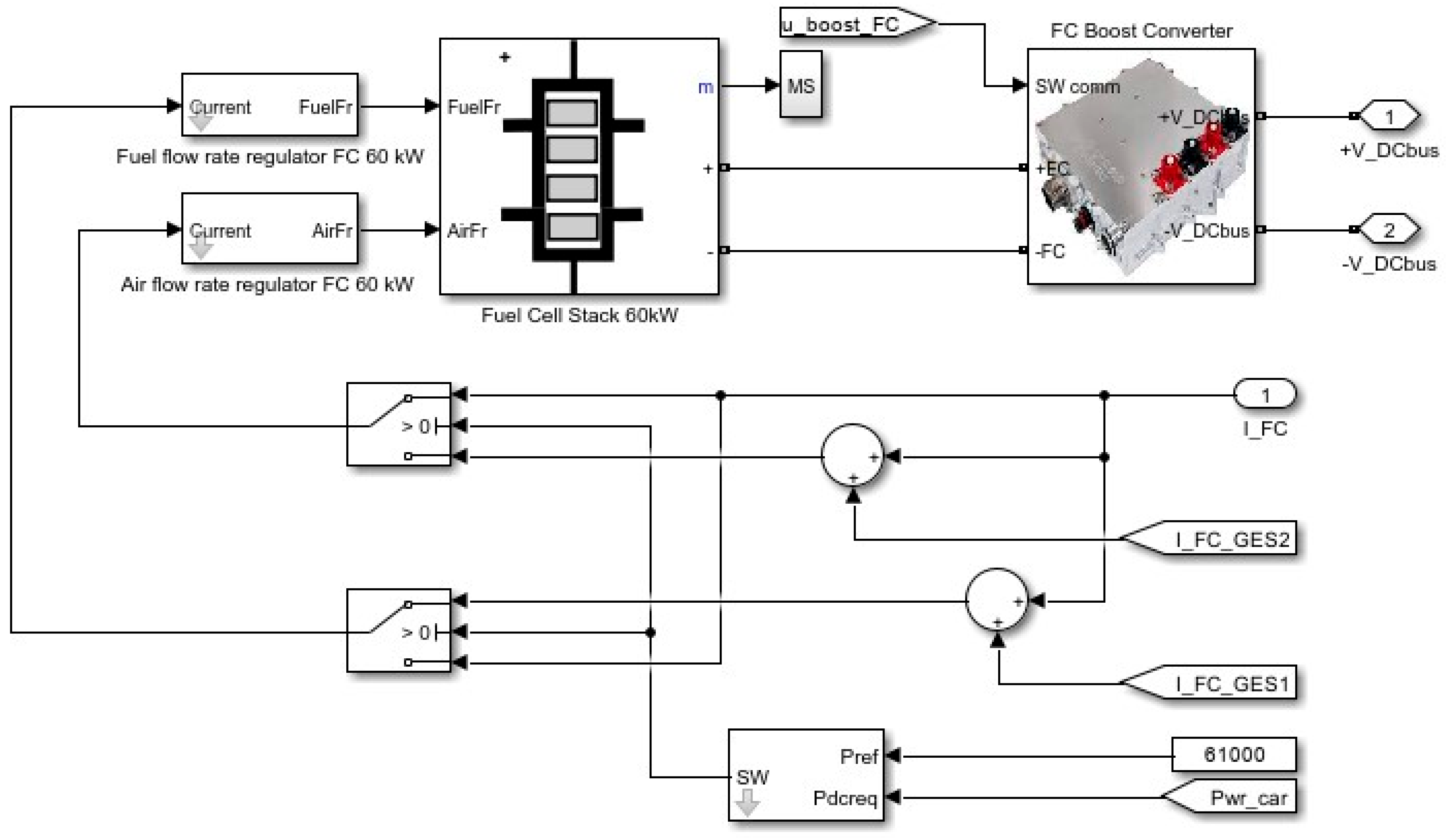
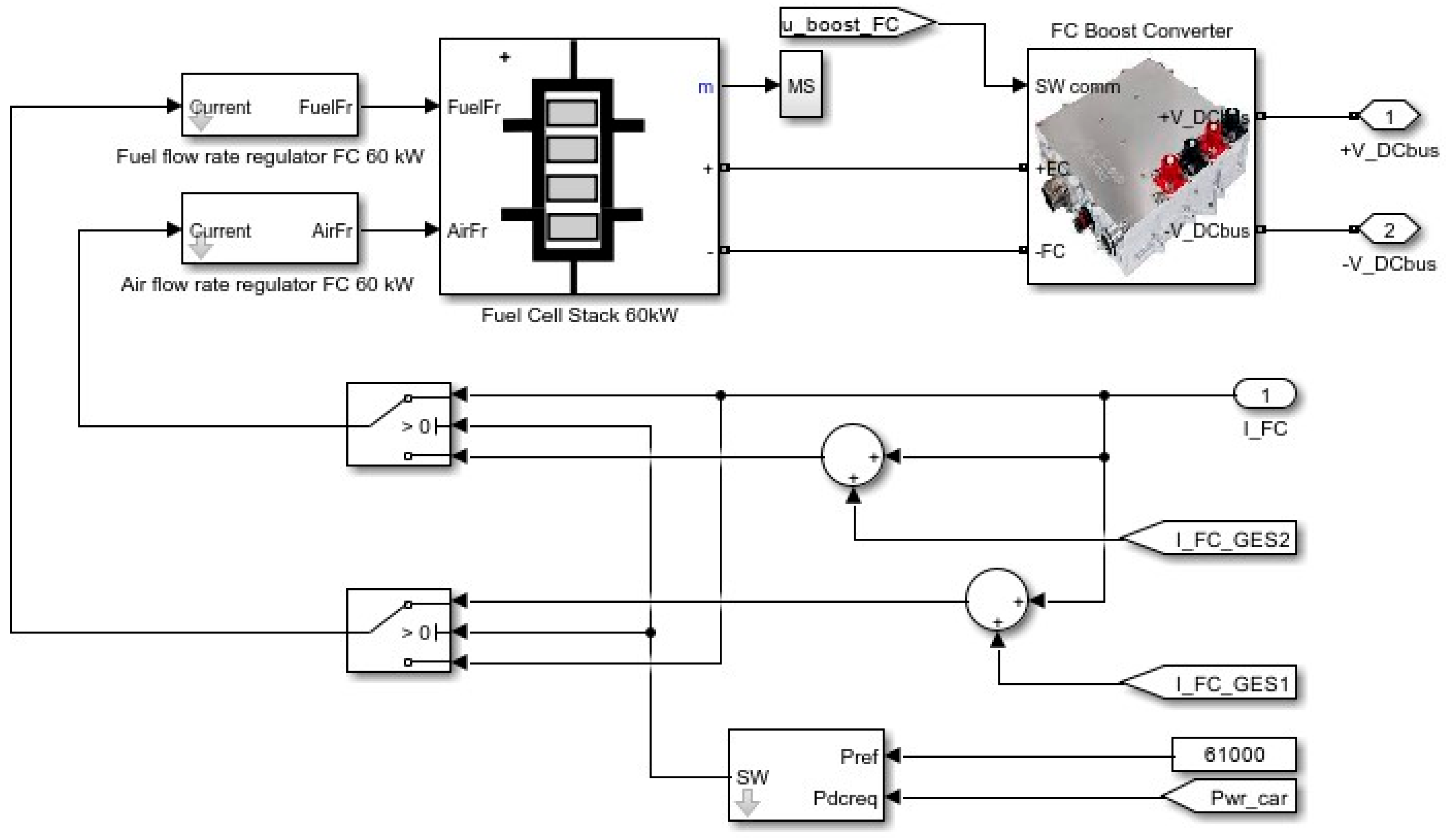
The 60 kW, 280 V PEMFC system has been demonstrated to provide reliable steady-state net power through a unidirectional boost converter. However, the system’s performance is constrained by the inherent time response, which is characterized by a protracted start-up time and a limited slope in response to instantaneous power demands [30]. Therefore, the integration of the fuel cell (FC) with the energy storage system (ESS) will yield an FCHEV architecture, which has been demonstrated to optimize the utilization of hybridized technologies (see Figure 3).
The ESS topology comprises a 232 Ah, 212 V Li-ion battery system and a 38.5 F, 200 V ultracapacitor system. These systems are connected in parallel to the DC bus via two bidirectional buck-boost DC/DC converters. The purpose of the converters is to dynamically compensate for the power flow during transient regimes in the driving cycles [31,32]. The voltage will be set to 400 volts on the direct current (DC) bus to ensure compatibility with the system architecture.

2.3. Engine Control Unit (ECU) for Energy Management

The energy management and control strategy (Figure 4) was developed to minimize fuel consumption and enhance overall system performance within a European Drive Cycle. This strategy is intended to extend the ESS lifetime and optimize the overall efficiency of the FCHEV [33,34,35].
The significance of fuel economy is evident in the present moment and will continue to be so in the future, as technological and environmental changes result in an increasing number of regulatory and safety standards [36]. Concurrently, the market for hybrid, electric vehicles (EVs), and fuel cell electric vehicles (FCEVs) is expanding, and manufacturers are becoming increasingly competitive. The development of a new vehicle model entails a substantial investment of time and resources, with research, development, and testing often taking up to two years.
The efficacy of the systems that comprise the drivetrain architecture is determined by performance indicators, which thereby ensure the competitiveness of the system. The hydrogen-to-electricity conversion efficiency is indicative of an enhanced lifespan for the proton exchange membrane and gas diffusion layers [37]. Through the integration of ESS [38], which facilitates dynamic energy management across driving cycles, the maintenance and diagnostics of the systems become more predictable [39]. This includes the provision of indicators that monitor the fuel cell’s variable airflow, excess oxygen ratio (OER), and the charge sustained (CS) mode of the battery and ultracapacitor systems [40].

3. Algorithms for Reducing Fuel Consumption in FCHEVs

3.1. Switch Strategy Control, SW_RTO, in ECE-15, EUDC and NEDC Drive Cycles

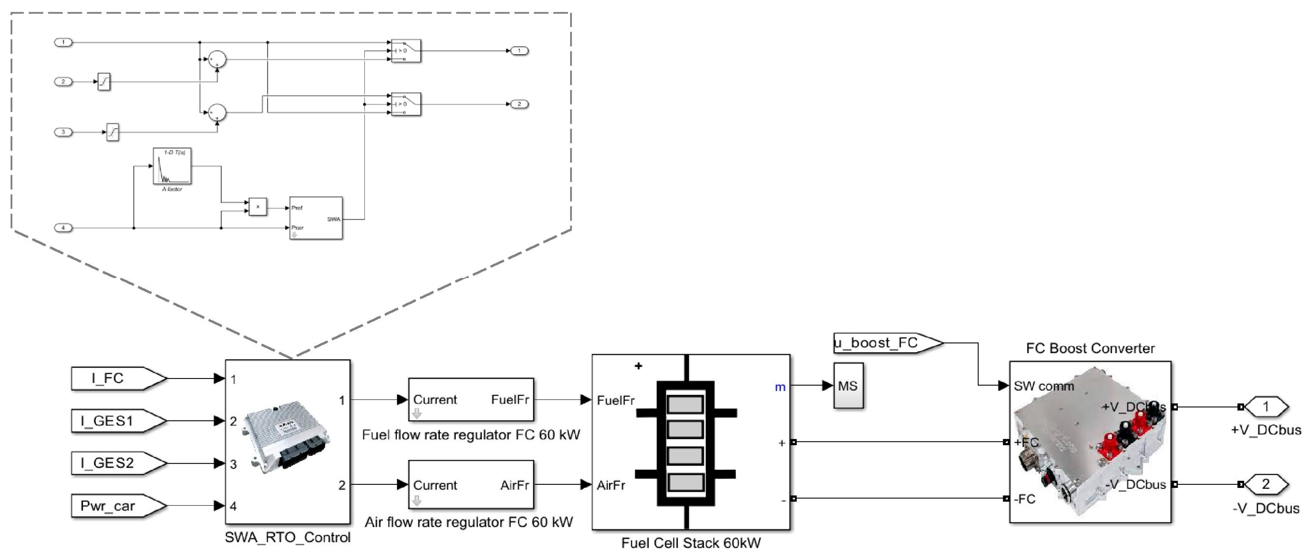
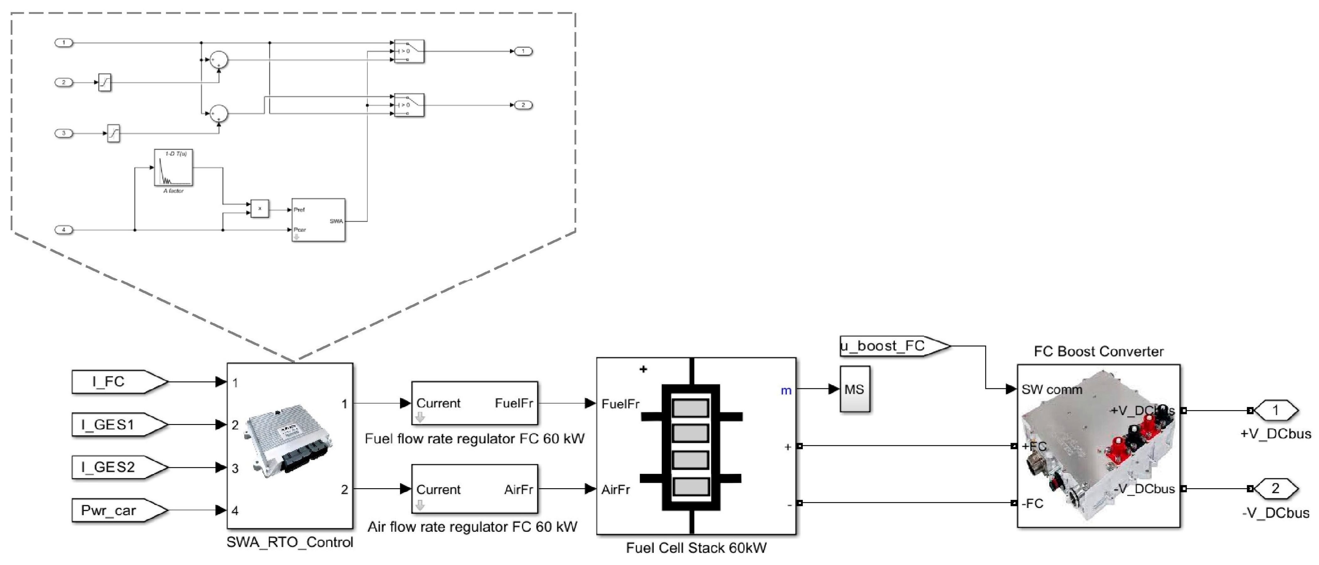
As outlined in previous works [27,28], the performance of the SW_RTO switch-type algorithm (see Figure 5) was evaluated and highlighted within the European driving cycles ECE-15, EUDC, and NEDC. Consequently, a series of tests was conducted to underscore the necessity of formulating a novel fuel consumption reduction strategy, namely the SWA_RTO algorithm (see Figure 6).
In previous studies [27,41], sensitivity analysis was performed to determine the optimal weighting coefficients for the optimization function: f x ,   A i r F r ,   F u e l F r , P c a r = K n e t ×   P F C n e t + K f u e l × F u e l e f f , where Pcar represents load power and AirFr and FuelFr represent the air and fuel supply flows of the fuel cell, PFCnet represents the net power of the fuel cell, Fueleff represents the fuel consumption efficiency (Fueleff = PFCnet/FuelFr), and Knet and Kfuel represent two weighting coefficients that can be selected or adjusted based on the Energy Management Unit (EMU)’s target setting, and the best values were achieved for Kfuel = 20 & Knet = 0.5. The same analyses were made for the GES algorithm, where the best value of the frequency that counts the maximum of the optimization function was achieved for fGES1 = 500 Hz & fGES2 = 1000 Hz.
Good results were obtained for the RTO_1, RTO_2, and RTO_1/2 strategies using Kfuel = 20, Knet = 0.5, fGES1 = 500 Hz, fGES2 = 1000 Hz, on all European cycles compared to the sFF reference strategy, as shown in Table 3.

3.2. New SWA_RTO Algorithm Based on GES Control (Global Extremum Seeking)

Following the positive results obtained in the European test cycles for the SW_RTO_1/2 strategy, the new SWA_RTO strategy was validated with the same parameters used to search the optimum of the optimization function: Kfuel = 20, Knet = 0.5, fGES1 = 500 Hz, fGES2 = 1000 Hz. Factor A was evaluated based on the ratio between reference power and power of the vehicle ( A = P r e f / P c a r ), taking into account strategies RTO_1 and RTO_2 from the previous section. Vector A was represented in Figure 6 into 1-D lookup table and determined in two stages: the first stage covered the entire power range of [0–60 kW] (according to [28]), while the second stage covered the power range of [11–21 kW], which was the optimal threshold of the SW_RTO_1/2 strategy (see Table 4). A detailed technical analysis of the values highlighted in red was presented in paper [28].
Consequently, the sensitivity analysis revealed that the SWA_RTO strategy achieved superior fuel efficiency in Stage 2 testing (see Table 4 and Table 5) compared with Stage 1 testing, for a dynamic load in the 11–21 kW power range. The optimal threshold was obtained at approximately Pref = 20 kW, with the GES algorithm optimally controlling the fuel cell power regulators. The result of the aforementioned conditions was the operation of the ESS in charge-sustaining (CS) mode. This ensured the maintenance of the advantages of the previously mentioned basic strategies for the new switching strategy.

4. Experimental Results of the Real-Time Switching Algorithm Under Extra European Drive Cycles

4.1. PEMFC System Scaling and SW_RTO Sensitivity Analysis Applied to the New Powertrain

This section undertakes a rigorous examination of the constraints and potentialities inherent in the implementation of advanced control [42] and optimization techniques [43], founded on GES algorithms, within the framework of EMS strategy (see Figure 4). These strategies were meticulously implemented and rigorously tested in Section 3.
In order to evaluate the limitations of the energy management system, the power-train was scaled and compared with two PEMFC systems with outputs of 30 kW and 100 kW, respectively.
The Matlab/Simulink MIL (model-in-the-loop) models underwent modifications to assess vehicle performance and fuel economy within the EUDC driving cycle. This assessment employed the RTO strategies outlined in Table 6, incorporating the novel parameters of the 30 kW and 100 kW PEMFC stacks, as well as the unidirectional boost converters, where I F C is the current of the PEM fuel cell, I G E S 1   a n d   I G E S 2   are the currents determined by the optimization loop based on the GES algorithm, and I r e f = P c a r ( A V ) / η F C b o o s t V F C ( A V ) is the FC current set by the LF (load-following) control for load tracking by the fuel cell throughout the European test drive cycle.

4.1.1. Scaling up the Energy Management System with a 30 kW PEM Fuel Cell

The experimental model was utilized to assess the performance of the system, which was equipped with a similar drivetrain and EMS system. It was determined that only adjustments to the RTO/SW_RTO algorithms and software calibration were necessary.
The 24 kW/80 V PEMFC system demonstrates the capacity to supply a load of up to 30 kW. The resultant nominal FC power was 24 kW, with supply flow, air flow (AirFr), and fuel flow (FuelFr) values of 1335 L per minute (LPM) and 210.7 LPM, respectively. A new unidirectional DC/DC boost converter model was also developed. The parameters of this model are presented in Table 7.
Figure 7 shows that, within the EUDC and under load-following control (LFC), the power profiles of P c a r , P F C , P B a t and P U C are modified for all strategies (RTO_1, RTO_3 and SW_RTO_1/2) with a load demand of 30 kW. Given that the maximum power of the stack is also 30 kW, the battery system dynamically compensates for the power demand during variable load times in order to complete the entire test cycle. As demonstrated in Figure 1, the FC power exhibits a direct correlation with the load profile, ranging from 3 to 30 kW. The battery system dynamically adjusts to meet the power demand between 30 and 60 kW. The ESS is only active during acceleration, deceleration, and rapid braking, without affecting the CS operating mode. The performance indicators are delineated in Figure 8. The total fuel consumption of 30 kW PEMFC for strategy SW_RTO_1/2 and P r e f under the EUDC (t = 400 s) is presented in Table 8. The fuel economy F u e l T _ s F F for the sFF strategy is presented as a reference in the third column of Table 9.
The fuel economy criteria for the RTO strategies selected in Table 9 are not met within the EUDC, in comparison to the sFF reference strategy. The RTO_2 and SW_RTO_1/2 strategies have been demonstrated to yield optimal outcomes. As demonstrated in the tables, there is a higher ΔFuel_T for the RTO_1 and RTO_3 strategies, as well as for the SW_RTO_1/2 strategy, for values Pref = 15 kW and 30 kW, respectively, in the range Pref = [5 kW; 10 kW; 15 kW; 20 kW; 25 kW; 30 kW] with an upper switching threshold of 2.5 kW and a lower threshold of 1 kW, according to Table 8 and Table 10. This underscores the inherent limitations and constraints within the system model, both in the GES optimization algorithm and in the processes of software adjustment and calibration. This would result in a protracted implementation period and supplementary expenditures without ensuring substantial fuel economy outcomes, which is a primary objective of this study. Figure 8 shows the performance indicator graphs.

4.1.2. Scaling up the Energy Management System with a 100 kW PEM Fuel Cell

The study proceeded with the implementation of an 85.5 kW/300 V PEMFC system capable of supplying loads of up to 100 kW. The experimental model was utilized to assess the system’s performance, employing the same powertrain and EMS system. It was determined that the only necessary adjustments were those to the RTO and SW_RTO algorithms, as well as the software calibration.
The nominal FC power was determined to be 85.5 kW, with supply flow values of 1698 lpm for air flow rate (AirFr) and 374.8 lpm for fuel flow rate (FuelFr). The model was also supplemented with a new unidirectional DC/DC boost converter. An exposition of the system parameters is provided in Table 11.
Figure 9 shows the strategy with the optimal reference economy (SW_RTO_1/2) within the EUDC extra-urban cycle, alongside the power profiles of P c a r , P F C , P B a t and P U C . It can be seen that FC power closely follows the load profile within the cycle. The ESS only intervenes during acceleration, deceleration, and rapid braking, demonstrating the CS mode ( P E S S ( A V )     0 ). Figure 10 shows the performance indicator graphs and total fuel consumption.
Total fuel consumption for strategy SW_RTO_1/2 and P_ref for the EUDC (t = 400 s) and 100 kW PEMFC is presented in Table 12. The fuel economy of RTO strategies compared to the sFF reference strategy for the EUDC (t = 400 s) and 100 kW PEMFC is presented in Table 13. The fuel economy F u e l T S W _ R T O _ 1 / 2 is shown in Table 14.
The fuel economy criteria for the RTO strategies selected in Table 13 are not met within the EUDC, compared to the sFF reference strategy. The best results are presented by the RTO_2 and SW_RTO_1/2 strategies. It can be seen that both the RTO_1 and RTO_3 strategies have a higher ΔFuel_T, as well as for the SW_RTO_1/2 strategy, for values of P r e f = 21   k W and 31   k W , respectively. At the same time, the MIL model did not compute correctly for input values of P r e f = 11   k W and 41   k W , respectively, in the range P r e f = [ 11   k W ;   21   k W ;   31   k W ;   41   k W ;   51   k W ;   61   k W ;   71   k W ;   81   k W ;   91   k W ] with upper and lower switching thresholds of 2.5 kW and 1 kW, according to Table 12 and Table 14.
The aforementioned aspects illustrate that the system model exhibits limitations with regard to the integration of propulsion systems with disparate PEM fuel cell power levels. Additionally, the model demonstrates constraints at the level of the GES optimization algorithm, as well as software adjustment and calibration.
It can be concluded that the fuel economy for a dynamic load across the 3–60 kW range highlights the potential of the SW_RTO_1/2 switching strategy for use in other applications with different PEMFC stack power values. The switching algorithm utilizes the optimal GES_RTO strategy, whereby power levels for the air and fuel regulators are adjusted throughout the entire driving cycle. This adjustment is made with the objective of maximizing fuel economy.
The sensitivity analysis revealed that the optimal threshold should be maintained for both 30 kW and 100 kW fuel cell systems around the nominal value for a variable load over power ranges. Nonetheless, the model exhibited a number of limitations and constraints at both the optimization algorithm (GES) and software adjustment and calibration levels, as substantiated by the data presented in previous subsections.

4.2. Analysis and Limitation of PEMFC System Scalability in Powertrain Applications

In Section 4.1, the scalability of two PEMFC systems was analyzed: one with a power output of 30 kW and the other with a power output of 100 kW. The sensitivity analysis indicated that fuel economy was optimized at the nominal operating power of each new FC system. This value was found to be approximately 60% of nominal power ( P r e f     60 %   ×   P n o m ) for the SW_RTO_1/2 strategy.
This raised the question of whether the SW_RTO and SWA_RTO algorithms still need to be integrated at the software level to search for the maximum optimization function over the entire load range, or whether they can be limited to 60 %   ×   P n o m from a system point of view.
To validate these uncertainties, a series of simulations was performed using the MIL model described in this paper. The results of the aforementioned simulations are displayed in Table 15.
It can be seen that, for each nominal power value and for each PEMFC system (30 kW, 60 kW, and 100 kW), ΔFuel_T is positive, except for the 100 kW fuel cell stack, when P r e f     60 %   ×   P n o m . This indicates an algorithmic limitation when the reference power is limited to 60% through calibration.
At the same time, we observe a limitation in the adaptability of the GES algorithm for the same tuning parameters in the case of a reference power of 60 %   ×   P n o m . However, comparing the results in Table 15 with those in Table 3 and Table 5 reveals that the new SWA_RTO algorithm achieves the best fuel economy value (ΔFuel_T: 53.33 L/h) for the 60 kW PEMFC.
In summary, the real-time switching strategy outlined in this paper has been shown to enhance the fuel economy of the PEMFC system and extend the lifetime of the energy storage system (ESS) throughout the entire EUDC. The future of this field lies in the development of novel solutions that enhance the existing algorithm by integrating it with machine learning-based algorithms. This approach would guarantee reduced development and implementation times without the necessity of diversity, and at a minimal cost, thereby fulfilling the primary objectives of this study.

5. Discussion and Perspectives

The significance of fuel economy has been thoroughly examined and substantiated in preceding sections. The performance of the hybrid propulsion system in the FCHEV has been enhanced through the implementation of novel energy management strategies and a novel SWA-RTO interval switching algorithm. The determination of factor A is achieved through the calculation of the total power demand on the DC bus ( P c a r ) and the optimally set reference threshold power ( P r e f ).
The efficiency of the powertrain’s architecture is determined by performance indicators. The conversion efficiency of hydrogen into electricity has been demonstrated to enhance the longevity of the proton exchange membrane and gas diffusion layers [44,45,46]. The integration of ESSs with hybrid vehicles ensures dynamic compensation within driving cycles through energy management. This integration also enables predictive maintenance and diagnosis of the systems. This encompasses the provision of indicators that facilitate the monitoring of the oxygen excess ratio (OER) of the variable air flow of the fuel cell [47] and the charging sustained mode of the battery and ultracapacitor systems.
Given that the ESS operated in CS mode in all the aforementioned cases, it was decided to reduce the ESS to ultracapacitors only [48], thereby eliminating the battery system. This reduction in weight, amounting to 350 kg, led to a decrease in the complexity of inter-system integration, both in terms of hardware and software. Furthermore, it resulted in a minimization of powertrain costs by approximately EUR 9000 [49]. As illustrated in Figure 11, this new high-voltage architecture is characterized by a specific topology. This configuration is based on a 100 kW fuel cell with a Pref of 61 kW, which is the optimal threshold value discussed in the paper, in conjunction with a 200 V, 38.5 F ultracapacitor. The calibration parameters that are currently in place within the MIL model are to be maintained in their current state.
As illustrated in Figure 12, the model exhibited no evident issues during operation. The ultracapacitor (UC) exhibited a consumption within the range of [−1; 1] kW, while the fuel cell (FC) power exhibited a close alignment with the entire load profile throughout the cycle, a feat facilitated by the LFC technique. The ultracapacitor system exhibited functionality exclusively during instances of acceleration/deceleration, instances of rapid braking, or periods of increased or decreased load demand. The consequence of this phenomenon was the injection of excess power into the DC bus when the FC current level was obtained with a delay. The results of the aforementioned simulations are displayed in Table 16.
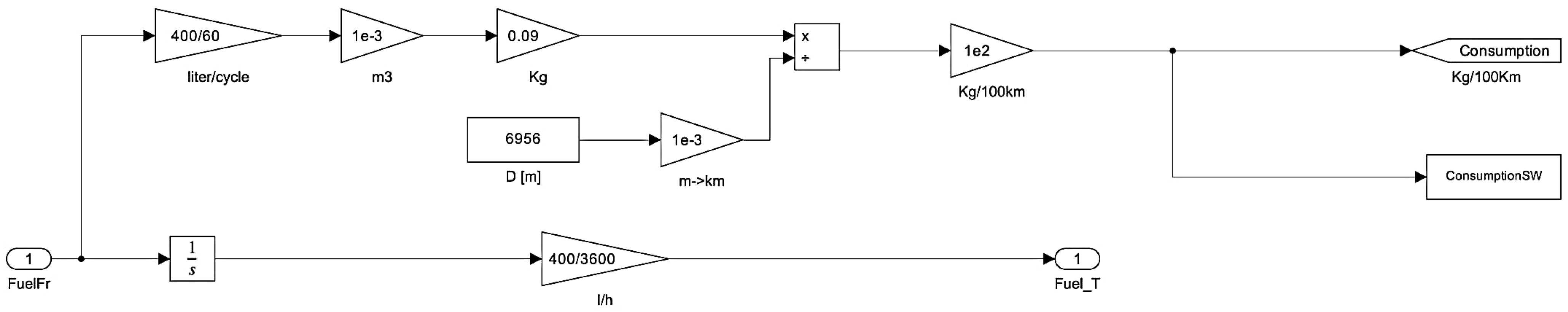
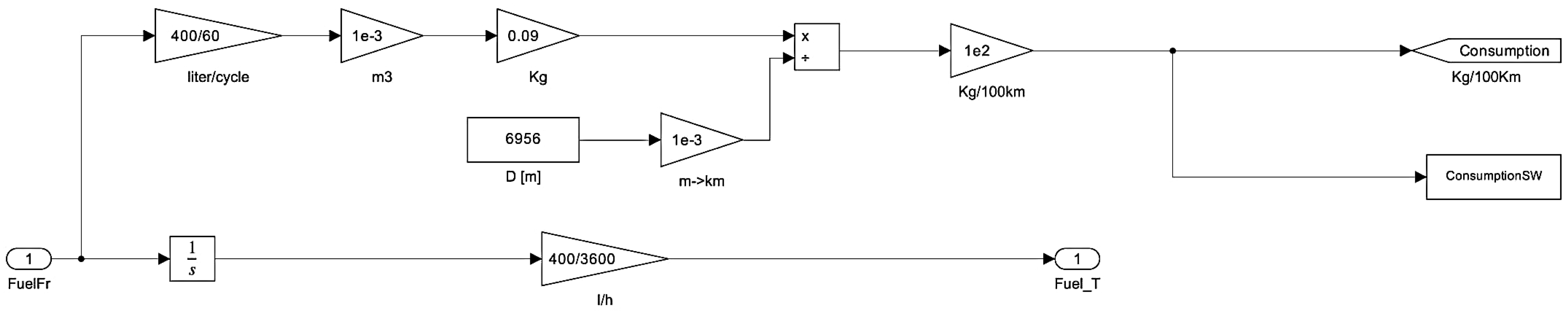
To facilitate comparison, the fuel consumption data for the architecture of an FCHEV with a 60 kW PEMFC + 48 kW ESS configuration (see Table 3 and Table 5) was calculated in kg/100 km (based on Figure 13) and compared with the actual values for an FCEV (Toyota Mirai with a FC of 114 kW). As stated in [50], the combined fuel consumption of the vehicle is reported to be between 0.76 and 0.89 kg of hydrogen per 100 km. Furthermore, the estimated driving range of the vehicle, as determined by the Worldwide Harmonized Light Vehicle Test Procedure (WLTP), is reported to be up to 650 km when the tank is filled to capacity.
The consumption on the EUDC with a PEMFC + ESS configuration is reported as an average of 0.45 kg/100 km (see Figure 14). At speeds exceeding 60 km/h, the vehicle’s fuel consumption ranges from 0.56 to 1.09 kg/100 km, which is comparable to the fuel consumption of the FC commercial vehicle.
Utilizing a tank with a hydrogen capacity of approximately 5 kg, the FCHEV is capable of covering a distance of approximately 1100 km in accordance with the EUDC consumption. At velocities ranging from 80 to 120 km per hour, the vehicle’s average fuel consumption is recorded as 0.825 kg per 100 km. This translates to a range of up to 600 km when the tank is filled to capacity with hydrogen. The findings indicate that the SWA_RTO strategy exhibited enhanced consumption in comparison to the reference sFF (Static Feed-Forward) strategy, with real consumption observed despite the EUDC being less severe than the WLTP cycle for commercial vehicles. The objective of this study is to validate the algorithm and integrate it into commercial vehicles.

6. Conclusions

The present study developed and tested a series of real-time strategies based on a global maximum search algorithm (GES) for an optimization function. The objective of this study was to minimize fuel consumption and enhance the longevity of PEMFCs and ESSs in a fuel cell hybrid electric vehicle (FCHEV).
As demonstrated in Section 4, the analysis indicates that the optimal threshold is sustained at approximately the nominal value for a variable load over power intervals for PEM fuel cell systems with 30 kW and 100 kW. However, it should be noted that the model exhibits certain limitations and constraints at the level of the GES optimization algorithm, as well as at the level of software adjustment and calibration.
Section 5 also underscored the notion that the comprehensive HV architecture can be distilled into the PEMFC + UC configuration exclusively. This approach has the potential to reduce expenditures related to production, hardware, and software implementation. A quantitative analysis was conducted to assess the consumption of the subject vehicle in kilograms per 100 km. This evaluation was then compared with the consumption of a commercial vehicle, specifically the Toyota Mirai, to provide a quantitative basis for the analysis. The results were highly favorable, resulting in a model that was deemed ready for the subsequent phase of inter-system validation.
The enhancement of the prevailing SWA_RTO strategy, founded on the GES algorithm, through the integration of machine learning-based algorithms, will guarantee its execution on any category of hybrid fuel cell vehicle.

Author Contributions

Conceptualization, N.B. and I.S.S.; methodology, I.S.S. and N.B.; software, I.S.S.; validation, N.B. and G.-V.I.; formal analysis, I.S.S., N.B., and G.-V.I.; investigation I.S.S., N.B., and G.-V.I.; resources, N.B. and G.-V.I.; data curation, N.B. and G.-V.I.; writing—original draft preparation, I.S.S.; writing—review and editing, N.B. and G.-V.I.; visualization, N.B.; supervision, N.B. and G.-V.I.; project administration, N.B.; funding acquisition, N.B. and G.-V.I. All authors have read and agreed to the published version of the manuscript.

Funding

The research was fully supported by the Experimental—Demonstration Project PN-IV-P7-7.1-PED-2024-0567 (Improving the Fuel Cell Hybrid Electric Vehicle Drivetrain by Implementing a Novel Optimal Real-Time Power Management Strategy), contract no. 58PED, 2024–2025.

Institutional Review Board Statement

Not applicable.

Informed Consent Statement

Not applicable.

Data Availability Statement

Data supporting this research have been included in the paper.

Acknowledgments

Additional infrastructure was accessed by the projects 345/2021, SMIS 125119, and “Increasing the research capacity of ICSI Ramnicu Vâlcea through the development of a CLOUD infrastructure connected to global information resources, 4C-ICSI”, funded from the European Regional Development Fund within the Competitiveness Operational Program.

Conflicts of Interest

Author Gabriel-Vasile Iana was employed by the company Mira Technologies Group, Bucharest, Romania. The remaining authors declare that the research was conducted in the absence of any commercial or financial relationships that could be construed as a potential conflict of interest.

Abbreviations

The following abbreviations are used in this manuscript:
AirFrAir Flow Rate
AOAArithmetic Optimization Algorithm
CAFECorporate Average Fuel Economy
CGCenter of Gravity
CSCharge Sustaining
ECUEngine Control Unit
EVElectric Vehicles
ESSEnergy Storage System
EUDCExtra Urban Driving Cycle
FCFuel Cell
FCEVFuel Cell Electric Vehicle
FuelFrFuel Flow Rate
GESGlobal Extremum Seeking
LFCLoad-Following Control
MOPSOMulti-Objective Particle Swarm Optimization
NEDCNew European Driving Cycle
OEROxygen Excess Ratio
PEMFCProton Exchange Membrane Fuel Cell
RTOReal Time Optimization
RHRelative Humidity
SOCState of Charge
sFFStatic Feed-Forward
UCUltracapacitor
WLTPWorldwide Harmonized Light Vehicle Test Procedure
FACEFully Analytical Fuel Consumption Estimation
DBODung Beetle Optimizer
PHCPredictive Health-Conscious
MPCModel Predictive Control

References

  1. George, S.; Rajeev, T. An optimal power management strategy for enhancing fuel economy in fuel cell-battery hybrid electric vehicles. Electr. Power Syst. Res. 2026, 251, 112256. [Google Scholar] [CrossRef]
  2. Luo, W.; Zou, K.; Ma, Y.; Lan, H. Real-time and optimal energy management strategy via explicit model predictive control for small fuel cell hybrid vehicles. J. Power Sources 2025, 660, 238499. [Google Scholar] [CrossRef]
  3. Shan, M.; Liu, S.; Wang, Y.; Wang, X.E.; Zeng, X.; Liu, Y.; Yu, L. Intelligent energy management strategy for fuel cell hybrid vehicles utilizing deep reinforcement learning and driving condition recognition. Int. J. Hydrogen Energy 2025, 180, 151769. [Google Scholar] [CrossRef]
  4. Gao, Y.; Liu, Y.; Tian, L.; Liu, Z.; Wang, R.; Yang, H.; Tang, H. Hybrid reinforcement learning for performance prediction and degradation analysis of proton exchange membrane fuel cells under real vehicle operating conditions. Energy Convers. Manag. 2025, 345, 120364. [Google Scholar] [CrossRef]
  5. Bizon, N. Optimization of the Fuel Cell Renewable Hybrid Power Systems; Springer International Publishing: Berlin/Heidelberg, Germany, 2020. [Google Scholar] [CrossRef]
  6. Dhimish, M.; Lazarov, V. Assessing durability in automotive fuel cells: Understanding the degradation patterns of PEM fuel cells under variable loads, temperature, humidity, and defective stack conditions. IEEE Trans. Transp. Electrif. 2024, 11, 3091–3101. [Google Scholar] [CrossRef]
  7. Stiegeler, J.; Kilian, S.K.; Viviani, M.; Liepold, H.; Klose, C.; Münchinger, A.; de Wild, T. Fluorine-free sulfonated polyhedral oligomeric silsesquioxanes: Replacing polymeric binder in fuel cell catalyst layers. J. Mater. Chem. A 2025, 13, 34696–34705. [Google Scholar] [CrossRef]
  8. Shojaei, S.; Rostami-Tapeh-Esmaeil, E.; Mighri, F.; Elkoun, S.; Brassard, M.; Oliaii, E.; Mikhailenko, S.; Shahgaldi, S.; Prasad, A.M.; Pelletier, P.; et al. Tailoring Carbon Additives Synergy in Co-Continuous PVDF/PET Nanocomposites for Enhanced PEM Fuel Cell Bipolar Plates. Polym. Eng. Sci. 2025, 1–16. [Google Scholar] [CrossRef]
  9. Mohammed, O.A.A.; Xiong, S.; Qingsheng, L.; Kai, M.; Wang, H.; Yakubu, A.U.; Hamid, G.H.A.; Ishag, A.M. Model-free adaptive fixed-time prescribed performance control for PEMFC air feeding system based on oxygen excess ratio reconstruction. Sci. Rep. 2025, 15, 35981. [Google Scholar] [CrossRef]
  10. Duan, F.; Han, B.; Bu, X. Achieving effective energy management in hybridized systems for fuel cell–battery vehicles using stochastic fractal search network. Energy 2025, 336, 138298. [Google Scholar] [CrossRef]
  11. Wu, Q.; Chen, H.; Liu, B. Optimization of Control Strategy for Fuel Cell Vehicles by Integrating Fuzzy Algorithm. IEEE Access 2024, 12, 141952–141965. [Google Scholar] [CrossRef]
  12. Zhang, Z.; Cai, S.J.; Cheng, J.H.; Guo, H.B.; Tao, W.Q. A comprehensive system simulation from PEMFC stack to fuel cell vehicle. Appl. Energy 2025, 401, 126678. [Google Scholar] [CrossRef]
  13. da Silva, D.C.; Kefsi, L.; Sciarretta, A. Closed-form expression to estimate the hydrogen consumption of a fuel cell hybrid electric vehicle. IEEE Trans. Veh. Technol. 2024, 73, 4717–4728. [Google Scholar] [CrossRef]
  14. Luo, X.; Chung, H.S.H. EMS for hydrogen fuel cell electric vehicles based on improved fuzzy control. Energy Convers. Manag. X 2025, 27, 101093. [Google Scholar] [CrossRef]
  15. Munsi, M.S.; Joshi, R.P. Comprehensive analysis of fuel cell electric vehicles: Challenges, powertrain configurations, and energy management systems. IEEE Access 2024, 12, 145459–145482. [Google Scholar] [CrossRef]
  16. Yang, D.; Wang, S.; Liao, Y.; Pan, R. An online energy management strategy for fuel cell vehicles based on fuzzy Q-learning and road condition recognition. IEEE Trans. Intell. Transp. Syst. 2024, 25, 12120–12130. [Google Scholar] [CrossRef]
  17. Uralde, J.; Barambones, O.; Calvo, I.; del Rio, A.; Silaa, M.Y. Neural network approach for the energy management and gear selection of a fuel cell electric vehicle. Int. J. Hydrogen Energy 2025, 171, 151196. [Google Scholar] [CrossRef]
  18. Vigneshwaran, P.; Dhayalini, K. Human Evolutionary Optimization Algorithm-based energy management in fuel cell, battery & super capacitor powered electric vehicle. J. Energy Storage 2025, 140, 118957. [Google Scholar] [CrossRef]
  19. Quan, S.; He, H.; Wei, Z.; Chen, J.; Zhang, Z.; Wang, Y.X. Customized energy management for fuel cell electric vehicle based on deep reinforcement learning-model predictive control self-regulation framework. IEEE Trans. Ind. Inform. 2024, 20, 13776–13785. [Google Scholar] [CrossRef]
  20. Sahin, H.; Esen, H. Performance and energy analysis of a fuel cell electric vehicle. IEEE Access 2025, 13, 29206–29219. [Google Scholar] [CrossRef]
  21. Sayah, A.; Saïd-Romdhane, M.B.; Skander-Mustapha, S. Advanced energy management system with road gradient consideration for fuel cell hybrid electric vehicles. Results Eng. 2024, 23, 102721. [Google Scholar] [CrossRef]
  22. Sivaramkrishnan, M.; Kathirvel, N.; Kumar, C.; Barua, S. Power management for fuel-cell electric vehicle using Hybrid SHO-CSGNN approach. Energy Rep. 2024, 11, 6069–6082. [Google Scholar] [CrossRef]
  23. Moghadari, M.; Kandidayeni, M.; Boulon, L.; Chaoui, H. Predictive health-conscious energy management strategy of a hybrid multi-stack fuel cell vehicle. IEEE Trans. Veh. Technol. 2024, 74, 5542–5557. [Google Scholar] [CrossRef]
  24. Jia, C.; He, H.; Zhou, J.; Li, J.; Wei, Z.; Li, K.; Li, M. A novel deep reinforcement learning-based predictive energy management for fuel cell buses integrating speed and passenger prediction. Int. J. Hydrogen Energy 2025, 100, 456–465. [Google Scholar] [CrossRef]
  25. Ghadbane, H.E.; Mohamed, A.F. Optimizing Fuel Economy in Hybrid Electric Vehicles Using the Equivalent Consumption Minimization Strategy Based on the Arithmetic Optimization Algorithm. Mathematics 2025, 13, 1504. [Google Scholar] [CrossRef]
  26. Abdeldjalil, D.; Negrou, B.; Youssef, T.; Samy, M.M. Incorporating the best sizing and a new energy management approach into the fuel cell hybrid electric vehicle design. Energy Environ. 2025, 36, 616–637. [Google Scholar] [CrossRef]
  27. Sorlei, I.S. Fuel economy and overall efficiency optimization of a Fuel Cell Electric Vehicle in a European Extra-Urban Drive Cycle (EUDC). In Proceedings of the 2024 16th International Conference on Electronics, Computers and Artificial Intelligence (ECAI), Iasi, Romania, 27–28 June 2024; IEEE: New York, NY, USA, 2024; pp. 1–7. [Google Scholar]
  28. Sorlei, S.I.; Bizon, N.; Varlam, M.; Raceanu, M.; Carcadea, E.; Raboaca, S.M. Performance Evaluation of a New Efficient Energy Management Strategy for Fuel Cell Hybrid Electric Vehicles. In Proceedings of the 2025 17th International Conference on Electronics, Computers and Artificial Intelligence (ECAI), Targoviste, Romania, 26 June 2025; IEEE: New York, NY, USA, 2025; pp. 1–14. [Google Scholar]
  29. Bizon, N.; Takorabet, N.; Thounthong, P.; Carcadea, E.; Raboaca, M.S.; Sorlei, S.I. Power-following strategy for microgrids based on multiple renewable/fuel cells systems. In Proceedings of the 2022 14th International Conference on Electronics, Computers and Artificial Intelligence (ECAI), Ploiesti, Romania, 30 June–1 July 2022; IEEE: New York, NY, USA, 2022; pp. 1–6. [Google Scholar]
  30. Nie, Z.; Shi, Z.; Lian, Y.; Song, H. Degradation-based predictive energy management for intelligent fuel cell hybrid electric vehicles with a novel deep reinforcement learning architecture. Eng. Appl. Artif. Intell. 2025, 161, 112222. [Google Scholar] [CrossRef]
  31. Yuan, S.; Hua, Q.; Shuai, Q.; Sun, L. Energy management and performance improvement for fuel cell hybrid electric vehicle with reinforcement learning-based dual model predictive control. Int. J. Hydrogen Energy 2025, 185, 151770. [Google Scholar] [CrossRef]
  32. Le, S.V.; Tran, D.Q.; Woo, J.; Yu, S. A High-Fidelity Simulation Platform for Performance Analysis of Light-Duty Fuel Cell Hybrid Electric Vehicles. Renew. Energy 2025, 256, 124472. [Google Scholar] [CrossRef]
  33. Kumar, S.; Bhattacharjee, A. Development and experimental validation of a novel rule-based energy management strategy for fuel cell-battery hybrid electric vehicle under dynamic drive-cycle. Int. J. Hydrogen Energy 2025, 162, 150695. [Google Scholar] [CrossRef]
  34. Molavi, A.; Prat, M.S.; Husar, A.P. Improved supervisory Controller design for a fuel cell hybrid electric vehicle. IEEE Trans. Veh. Technol. 2023, 73, 4918–4933. [Google Scholar] [CrossRef]
  35. Hu, J.; Fu, P.; Li, J.; Jiang, J.; Zhou, Q.; Liu, Y.; Chen, Z.; Zhang, Y. Intelligent Energy Management for the Fuel Cell Electric Vehicle: A Real-time, Deep Reinforcement Learning Application to Multi-Objective Optimization. Green Energy Intell. Transp. 2025. [Google Scholar] [CrossRef]
  36. Song, R.; Liu, X.; Wei, Z.; Pan, F.; Wang, Y.; He, H. Safety and longevity-enhanced energy management of fuel cell hybrid electric vehicle with machine learning approach. IEEE Trans. Transp. Electrif. 2023, 10, 2562–2571. [Google Scholar] [CrossRef]
  37. Zhou, S.; Ma, Y.; Ming, P.; Li, S.; Yuan, H.; Jiang, B.; Wei, X.; Dai, H. Health-aware adaptive energy management strategy for fuel cell vehicles based on variable horizon driving pattern recognition. IEEE Trans. Transp. Electrif. 2025, 11, 11463–11476. [Google Scholar] [CrossRef]
  38. Long, H.; Khalatbarisoltani, A.; Yang, Y.; Hu, X. Hierarchical control strategies for connected heavy-duty modular fuel cell vehicles via decentralized convex optimization. IEEE Trans. Veh. Technol. 2023, 73, 333–347. [Google Scholar] [CrossRef]
  39. Fu, Z.; Li, M.; Tao, F.; Zhu, L.; Wang, J. Predictive energy management strategy based on driving behavior identification for fuel cell hybrid electric vehicle in car-following scenario. Int. J. Hydrogen Energy 2025, 176, 151486. [Google Scholar] [CrossRef]
  40. Liu, Z.; Chang, G.; Jiang, S.; Wei, X.; Yuan, H.; Xie, J.; Dai, H. Adaptive anti-surge control strategy for PEM fuel cell vehicle with online surge detection. IEEE Trans. Transp. Electrif. 2023, 10, 844–858. [Google Scholar] [CrossRef]
  41. Bizon, N.; Oproescu, M.; Carcadea, E.; Raceanu, M.; Raboaca, M.S.; Sorlei, S. Performance of the Fuel Economy Strategies for Fuel Cell Systems under Power Tracking Control. In Proceedings of the 2021 13th International Conference on Electronics, Computers and Artificial Intelligence (ECAI), Pitesti, Romania, 1–3 July 2021; IEEE: New York, NY, USA, 2021; pp. 1–5. [Google Scholar]
  42. Khalatbarisoltani, A.; Zhou, H.; Tang, X.; Kandidayeni, M.; Boulon, L.; Hu, X. Energy management strategies for fuel cell vehicles: A comprehensive review of the latest progress in modeling, strategies, and future prospects. IEEE Trans. Intell. Transp. Syst. 2023, 25, 14–32. [Google Scholar] [CrossRef]
  43. Tümer, B.; Yıldız, D.Ş.; Arkun, Y. Real-Time Optimal Hierarchical Energy and Power Management System for Fuel Cell–Battery Hybrid Electric Vehicles. Comput. Chem. Eng. 2025, 202, 109313. [Google Scholar] [CrossRef]
  44. Guan, P.; Jiang, M.; Li, W.; Zhang, W.; Zhang, L.; Long, K.; Yuan, D.; Ma, T.; Wang, D.; Liu, H.K.; et al. Strategies for Lowering Hydrogen Permeation in Membranes for Proton Exchange Membrane Water Electrolyzers and Fuel Cells. Adv. Mater. 2025. [Google Scholar] [CrossRef]
  45. Haıdar, F.; Arora, D.; Soloy, A.; Bartoli, T. Study of Proton-Exchange Membrane Fuel Cell Degradation and its Counter Strategies: Flooding/drying, Cold Start and Carbon Monoxide Poisoning. Int. J. Automot. Sci. Technol. 2024, 8, 96–109. [Google Scholar] [CrossRef]
  46. Oproescu, M.; Bizon, N.; Mazare, A.G.; Raboaca, M.S.; Abrudan, C.I. Economic and Regulatory Aspects of Sustainable Shipping with Hydrogen Fuel Cells and Battery Energy Storage. In Proceedings of the 2025 17th International Conference on Electronics, Computers and Artificial Intelligence (ECAI), Targoviste, Romania, 26 June 2025; IEEE: New York, NY, USA, 2025; pp. 1–7. [Google Scholar]
  47. Li, J.; Liu, L.; Xie, L.; Zhang, L.; Fu, Z.; Chen, Q. Design of cascaded observer of internal oxygen mass for proton exchange membrane fuel cell system. Sustain. Energy Technol. Assess. 2024, 63, 103663. [Google Scholar] [CrossRef]
  48. Li, J.; Han, B.; Tian, X.; Bao, W.; Henry, C. Vehicle Peak Power Management System: Design, Development, and Testing of a Fuel Cell and Supercapacitor Hybrid. Case Stud. Therm. Eng. 2025, 75, 107178. [Google Scholar] [CrossRef]
  49. 54kWh CATL VW ID Battery Pack (Used) (No Date) EVShop.EU. Available online: https://evshop.eu/en/batteries/1390-12s2p-54kwh-vw-id-battery-pack.html (accessed on 14 October 2025).
  50. Toyota European Union (2023) LCA: 2nd Generation Toyota Mirai: Toyota Europe, Toyota EU. Available online: https://www.toyota-europe.com/sustainability/carbon-neutrality/vehicle-life-cycle-assessments/lca-2nd-generation-mirai#:~:text=The%20new%20Mirai%20can%20be,and%20a%20future%20hydrogen%20society (accessed on 14 October 2025).
Figure 1. Fuel cell hybrid power system architecture.
Figure 1. Fuel cell hybrid power system architecture.
Wevj 16 00657 g001
Figure 2. Fuel cell hybrid powertrain architecture.
Figure 2. Fuel cell hybrid powertrain architecture.
Wevj 16 00657 g002
Figure 3. Fuel cell and battery/ultracapacitor hybrid systems.
Figure 3. Fuel cell and battery/ultracapacitor hybrid systems.
Wevj 16 00657 g003
Figure 4. Energy management and control strategy for FCHEV.
Figure 4. Energy management and control strategy for FCHEV.
Wevj 16 00657 g004
Figure 5. SW_RTO algorithm diagram based on GES (Global Extremum Seeking).
Figure 5. SW_RTO algorithm diagram based on GES (Global Extremum Seeking).
Wevj 16 00657 g005
Figure 6. SWA_RTO algorithm diagram, real-time, based on GES (Global Extremum Seeking).
Figure 6. SWA_RTO algorithm diagram, real-time, based on GES (Global Extremum Seeking).
Wevj 16 00657 g006
Figure 7. Power profiles of P v e h . , P F C , P B a t , and P U C within an EUDC in a 30 kW fuel cell configuration.
Figure 7. Power profiles of P v e h . , P F C , P B a t , and P U C within an EUDC in a 30 kW fuel cell configuration.
Wevj 16 00657 g007
Figure 8. Profiles of the performance indicators used (oxygen excess ratio (OER), fuel efficiency (Fuel_eff), energy efficiency (η_eff), total fuel consumption (Fuel_T), and state of charge (SOC) of batteries and ultracapacitors) in a 30 kW fuel cell configuration.
Figure 8. Profiles of the performance indicators used (oxygen excess ratio (OER), fuel efficiency (Fuel_eff), energy efficiency (η_eff), total fuel consumption (Fuel_T), and state of charge (SOC) of batteries and ultracapacitors) in a 30 kW fuel cell configuration.
Wevj 16 00657 g008
Figure 9. Power profiles of P v e h . , P F C , P B a t , and P U C within an EUDC in a 100 kW fuel cell configuration.
Figure 9. Power profiles of P v e h . , P F C , P B a t , and P U C within an EUDC in a 100 kW fuel cell configuration.
Wevj 16 00657 g009
Figure 10. Profiles of performance indicators used, total fuel consumption, and state of charge (SOC) of batteries and ultracapacitors, in a 100 kW fuel cell configuration.
Figure 10. Profiles of performance indicators used, total fuel consumption, and state of charge (SOC) of batteries and ultracapacitors, in a 100 kW fuel cell configuration.
Wevj 16 00657 g010
Figure 11. PEMFC and ultracapacitor powertrain high voltage architecture.
Figure 11. PEMFC and ultracapacitor powertrain high voltage architecture.
Wevj 16 00657 g011
Figure 12. Power profiles of P v e h . , P F C , P B a t , and P U C within an EUDC in a 100 kW PEMFC + UC configuration.
Figure 12. Power profiles of P v e h . , P F C , P B a t , and P U C within an EUDC in a 100 kW PEMFC + UC configuration.
Wevj 16 00657 g012
Figure 13. Stack-condition flows conversion from LPM to Liter/h and from LPM to Kg/100 km over the entire EUDC for control strategies sFF, SW_RTO_1/2, and SWA_RTO for PEMFC + ESS configuration.
Figure 13. Stack-condition flows conversion from LPM to Liter/h and from LPM to Kg/100 km over the entire EUDC for control strategies sFF, SW_RTO_1/2, and SWA_RTO for PEMFC + ESS configuration.
Wevj 16 00657 g013
Figure 14. Comparison of fuel consumption in Kg/100 km for control strategies sFF, SW_RTO_1/2, and SWA_RTO for PEMFC + ESS configuration.
Figure 14. Comparison of fuel consumption in Kg/100 km for control strategies sFF, SW_RTO_1/2, and SWA_RTO for PEMFC + ESS configuration.
Wevj 16 00657 g014
Table 1. Vehicle and powertrain parameters used in 3DOF mathematical model [27].
Table 1. Vehicle and powertrain parameters used in 3DOF mathematical model [27].
ParametersNotationValueU.M.
Total mass of vehicle m 1500[Kg]
Horizontal distance from center of gravity (CG) to front axle a 1.118[m]
Horizontal distance from CG to rear axle b 1.512[m]
CG height above axles h 0.5[m]
Frontal air drag coefficient acting along vehicle-fixed x-axis C d 0.25-
Lateral air drag coefficient acting along vehicle-fixed z-axis C l 0.1-
Air drag pitch moment acting about vehicle-fixed y-axis C p m 0.1-
Frontal area A f 2.27[m2]
Rolling resistance coefficient f r 0.1-
Wheel radius r w h 0.327[m]
Wheel inertia J w h 0.8[kg m2]
Environmental absolute pressure P a b s 101,325[Pa]
Environmental air temperature T 273[K]
Gravitational acceleration g 9.81[m/s2]
Tilt angle α -
Auxiliary power P a u x 3000[W]
Table 2. Longitudinal driver model parameters.
Table 2. Longitudinal driver model parameters.
ConfigurationTypeValue
ControlPredictiv-
GearboxReverse, Neutral, Drive-
Driver response time-0.12 [s]
Safety distance-4 [m]
Table 3. Fuel economy of RTO1, RTO2, SW_RTO_1/2, and sFF strategies in ECE-15, EUDC, and NEDC drive cycles.
Table 3. Fuel economy of RTO1, RTO2, SW_RTO_1/2, and sFF strategies in ECE-15, EUDC, and NEDC drive cycles.
CycleRTO_1RTO_2 SW _ RTO _ 1 / 2
P r e f     20 k W
sFFFuel [L/h]
ECE-152472.222461.112459.172467.77−4.456.678.6
EUDC1721.111741.111702.221753.3332.2212.2251.11
NEDC8686.678853.338714.448907.77221.154.44193.33
Table 4. Determination of vector A for the SWA_RTO strategy: stage 2.
Table 4. Determination of vector A for the SWA_RTO strategy: stage 2.
P c a r 2 [ k W ]
(SWA-RTO)
111315171921A
Case1RTO1RTO1RTO2RTO2RTO1RTO1[20 10 5.45 4.62 0.2 0.176 3.16 2.86 0.125 0.1 0.083 0.071 0.0625 0.0555 0.05]
Case2RTO1RTO2RTO2RTO2RTO1RTO1[20 10 5.45 0.23 0.2 0.176 3.16 2.86 0.125 0.1 0.083 0.071 0.0625 0.0555 0.05]
Case3RTO1RTO1RTO2RTO2RTO2RTO1[20 10 5.45 4.62 0.2 0.176 0.158 2.86 0.125 0.1 0.083 0.071 0.0625 0.0555 0.05]
Case4RTO1RTO2RTO2RTO2RTO2RTO1[20 10 5.45 0.23 0.2 0.176 0.158 2.86 0.125 0.1 0.083 0.071 0.0625 0.0555 0.05]
Case5RTO1RTO2RTO1RTO2RTO1RTO2[20 10 5.45 0.23 4 0.176 3.16 0.143 0.125 0.1 0.083 0.071 0.0625 0.0555 0.05]
Case6RTO2RTO2RTO1RTO1RTO2RTO2[20 10 0.27 0.23 4 3.53 0.158 0.143 0.125 0.1 0.083 0.071 0.0625 0.0555 0.05]
Case7RTO2RTO1RTO1RTO1RTO2RTO2[20 10 0.27 4.62 4 3.53 0.158 0.143 0.125 0.1 0.083 0.071 0.0625 0.0555 0.05]
Case8RTO2RTO2RTO1RTO1RTO1RTO2[20 10 0.27 0.23 4 3.53 3.16 0.143 0.125 0.1 0.083 0.071 0.0625 0.0555 0.05]
Case9RTO2RTO1RTO1RTO1RTO1RTO2[20 10 0.27 4.62 4 3.53 3.16 0.143 0.125 0.1 0.083 0.071 0.0625 0.0555 0.05]
Case10RTO2RTO1RTO2RTO1RTO2RTO1[20 10 0.27 4.62 0.2 3.53 0.158 2.86 0.125 0.1 0.083 0.071 0.0625 0.0555 0.05]
Table 5. Fuel economy for the SWA_RTO strategy, for the EUDC (t = 400 s), in Stage 2.
Table 5. Fuel economy for the SWA_RTO strategy, for the EUDC (t = 400 s), in Stage 2.
CaseFuelT(sFF) [L/h]FuelT(SWA-RTO) [L/h]Fuel [L/h]
Case11753.331700.0053.33
Case21753.331700.0053.33
Case31753.331700.0053.33
Case41753.331701.1152.22
Case51753.331701.1152.22
Case61753.331700.0053.33
Case71753.331701.1152.22
Case81753.331701.1152.22
Case91753.331700.0053.33
Case101753.331700.0053.33
Table 6. Setting the RTO (Real-Time Optimization) strategy and the sFF (Static Feed-Forward) reference strategy for the hybrid fuel cell power system model.
Table 6. Setting the RTO (Real-Time Optimization) strategy and the sFF (Static Feed-Forward) reference strategy for the hybrid fuel cell power system model.
RTO StrategiesRTO_1RTO_2RTO_3SW_RTO_1/2sFF
I r e f ( A i r ) I F C I F C + I G E S 1 I F C + I G E S 2 I F C + I G E S 2 , i f P D C r e q P r e f I F C , i f P D C r e q > P r e f I F C
I r e f ( F u e l ) I F C + I G E S 1 I F C I F C + I G E S 1 I F C , i f P D C r e q P r e f I F C + I G E S 1 , i f P D C r e q > P r e f I F C
I r e f ( B o o s t ) I r e f I r e f I r e f I r e f I r e f
Table 7. Parameters of the unidirectional boost DC/DC converter of the 30 kW PEMFC system.
Table 7. Parameters of the unidirectional boost DC/DC converter of the 30 kW PEMFC system.
ParametersValueUnit
Input voltage60–110[V]
Output voltage400[V]
Electrical inductance102 × 10−5[H]
Electrical capacity197 × 10−5[F]
Series resistor of capacitor0.01[Ohm]
Converter efficiency97[%]
Table 8. Total fuel consumption for strategy SW_RTO_1/2 and P r e f for the EUDC (t = 400 s) and 30 kW PEMFC.
Table 8. Total fuel consumption for strategy SW_RTO_1/2 and P r e f for the EUDC (t = 400 s) and 30 kW PEMFC.
P r e f / F C = 30   k W [kW]51015202530
F u e l T S W _ R T O _ 1 / 2 [L/h]772377149629790283639131
Table 9. Fuel economy of RTO strategies compared to the sFF reference strategy for the EUDC (t = 400 s) and 30 kW PEMFC.
Table 9. Fuel economy of RTO strategies compared to the sFF reference strategy for the EUDC (t = 400 s) and 30 kW PEMFC.
Knet = 0.5; f_ GES1 = 500 Hz; f_GES2 = 1000 Hz
KfuelFuelT_sFF [L/h]FuelT_RTO [L/h]FuelT [L/h]Fueleff [W/lpm]ηsys [%]
RTO_137875710,170−141399.0297
RTO_2378757874413112.498.24
RTO_320; 37875710,200−1443117.496.13
SW_RTO_1/220; 37875777141043105.996.74
Table 10. Fuel economy for strategy SW_RTO_1/2 compared to reference strategy sFF for EUDC (t = 400 s) and 30 kW PEMFC.
Table 10. Fuel economy for strategy SW_RTO_1/2 compared to reference strategy sFF for EUDC (t = 400 s) and 30 kW PEMFC.
P r e f [kW]51015202530
Δ F u e l T [L/h]10341043−872855394−374
Table 11. Parameters of the unidirectional boost DC/DC converter of the 100 kW PEMFC system.
Table 11. Parameters of the unidirectional boost DC/DC converter of the 100 kW PEMFC system.
ParametersValueUnit
Input voltage280[V]
Output voltage400[V]
Electrical inductance233 × 10−5[H]
Electrical capacity120 × 10−5[F]
Series resistor of capacitor0.01[Ohm]
Converter efficiency97[%]
Table 12. Total fuel consumption for strategy SW_RTO_1/2 and P_ref for the EUDC (t = 400 s) and 100 kW PEMFC.
Table 12. Total fuel consumption for strategy SW_RTO_1/2 and P_ref for the EUDC (t = 400 s) and 100 kW PEMFC.
P r e f / F C = 100   k W [kW]112131415161718191
F u e l T S W _ R T O _ 1 / 2 [L/h]-42384132-39913970397739753970
Table 13. Fuel economy of RTO strategies compared to the sFF reference strategy for the EUDC (t = 400 s) and 100 kW PEMFC.
Table 13. Fuel economy of RTO strategies compared to the sFF reference strategy for the EUDC (t = 400 s) and 100 kW PEMFC.
Knet = 0.5; f_GES1 = 500 Hz; f_GES2 = 1000 Hz
KfuelFuelT_sFF [L/h]FuelT_RTO [L/h]FuelT [L/h]Fueleff [W/lpm]ηsys [%]
RTO_13740024612−61067.295.14
RTO_237400239841882.794.41
RTO_320; 3740024614−61266.3994.84
SW_RTO_1/220; 37400239703282.6294.06
Table 14. Fuel economy for strategy SW_RTO_1/2 compared to reference strategy sFF for EUDC (t = 400 s) and 100 kW PEMFC.
Table 14. Fuel economy for strategy SW_RTO_1/2 compared to reference strategy sFF for EUDC (t = 400 s) and 100 kW PEMFC.
P r e f [kW]112131415161718191
Δ F u e l T [L/h]-−236−130-1132252732
Table 15. Fuel economy for strategy SW_RTO_1/2 compared to reference strategy sFF.
Table 15. Fuel economy for strategy SW_RTO_1/2 compared to reference strategy sFF.
EUDCPEMFC
30 kW
PEMFC
60 kW
PEMFC
100 kW
sFF
30 kW/60 kW/100 kW
FuelT
[L/h]
SW_RTO_1/2
P r e f     10 / 20 / 60 k W
77141702397087571753400210435132
SW_RTO_1/2
P r e f     60 %   ×   P n o m
78491701405087571753400290852−48
Table 16. Fuel economy of SW_RTO_1/2 strategies compared to the sFF reference strategy for the EUDC (t = 400 s) and 100 kW PEMFC + UC configuration.
Table 16. Fuel economy of SW_RTO_1/2 strategies compared to the sFF reference strategy for the EUDC (t = 400 s) and 100 kW PEMFC + UC configuration.
Knet = 0.5; GES1 = 500 Hz; GES2 = 1000 Hz
PEMFC 100 kW KfuelFuelT_sFF [L/h]FuelT_RTO [L/h]FuelT [L/h]Fueleff [W/lpm]ηsys [%]
SW_RTO_1/220; 37400139851682.794
Disclaimer/Publisher’s Note: The statements, opinions and data contained in all publications are solely those of the individual author(s) and contributor(s) and not of MDPI and/or the editor(s). MDPI and/or the editor(s) disclaim responsibility for any injury to people or property resulting from any ideas, methods, instructions or products referred to in the content.

Share and Cite

MDPI and ACS Style

Sorlei, I.S.; Bizon, N.; Iana, G.-V. Optimization Algorithms Embedded in the Engine Control Unit for Energy Management and Hydrogen Fuel Economy in Fuel Cell Electric Vehicles. World Electr. Veh. J. 2025, 16, 657. https://doi.org/10.3390/wevj16120657

AMA Style

Sorlei IS, Bizon N, Iana G-V. Optimization Algorithms Embedded in the Engine Control Unit for Energy Management and Hydrogen Fuel Economy in Fuel Cell Electric Vehicles. World Electric Vehicle Journal. 2025; 16(12):657. https://doi.org/10.3390/wevj16120657

Chicago/Turabian Style

Sorlei, Ioan Sorin, Nicu Bizon, and Gabriel-Vasile Iana. 2025. "Optimization Algorithms Embedded in the Engine Control Unit for Energy Management and Hydrogen Fuel Economy in Fuel Cell Electric Vehicles" World Electric Vehicle Journal 16, no. 12: 657. https://doi.org/10.3390/wevj16120657

APA Style

Sorlei, I. S., Bizon, N., & Iana, G.-V. (2025). Optimization Algorithms Embedded in the Engine Control Unit for Energy Management and Hydrogen Fuel Economy in Fuel Cell Electric Vehicles. World Electric Vehicle Journal, 16(12), 657. https://doi.org/10.3390/wevj16120657

Article Metrics

Article metric data becomes available approximately 24 hours after publication online.
Back to TopTop