Analysis of Leakage Current in Dynamic Wireless Power Transfer Systems Based on LCC-S Architecture
Abstract
1. Introduction
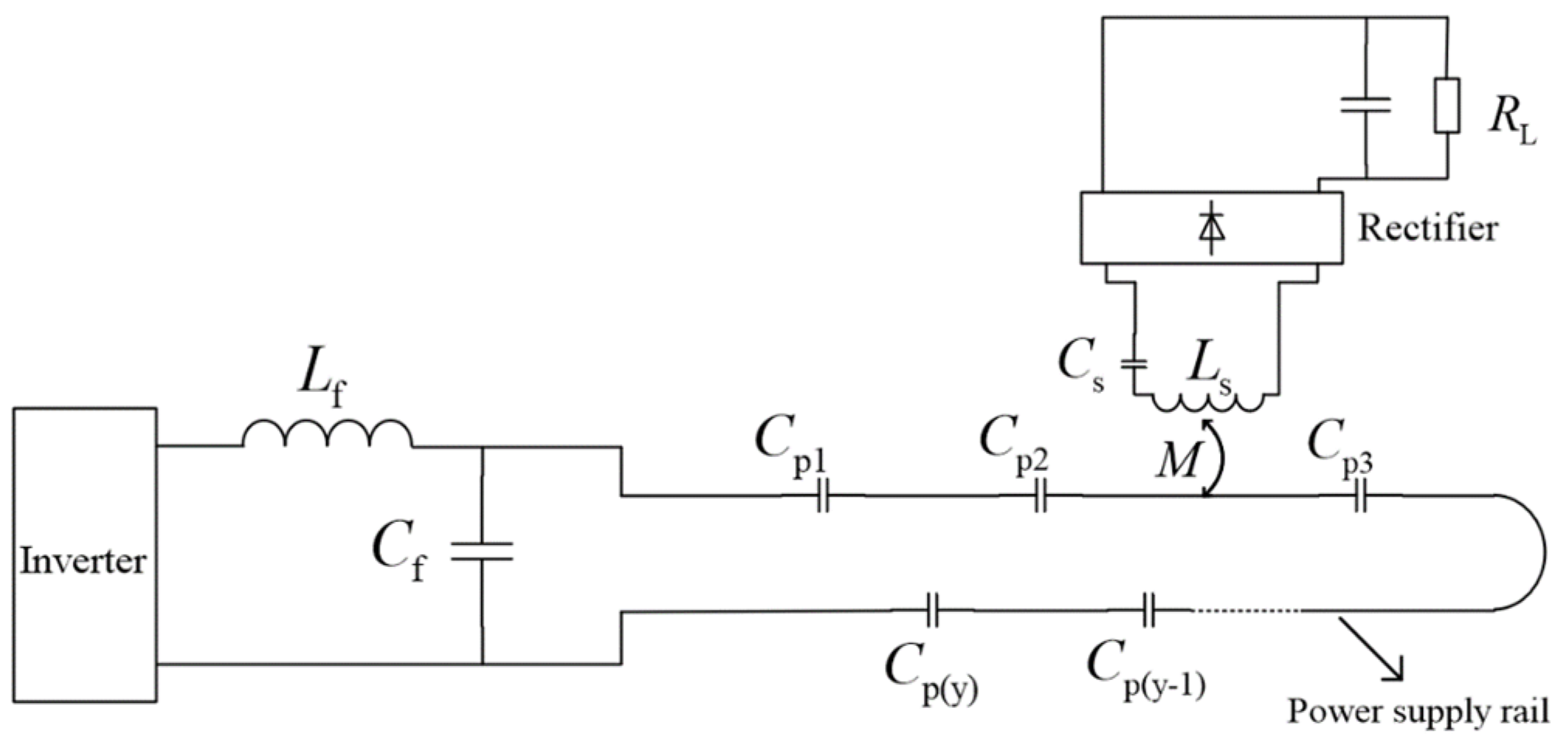
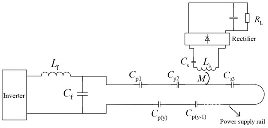
2. Theoretical Analysis of DWPT System Based on LCC-S Structure
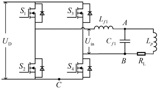
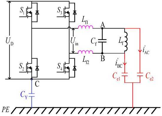
2.1. Unilateral Resonant Compensation Topology
2.2. Bilateral Resonant Compensation Topology
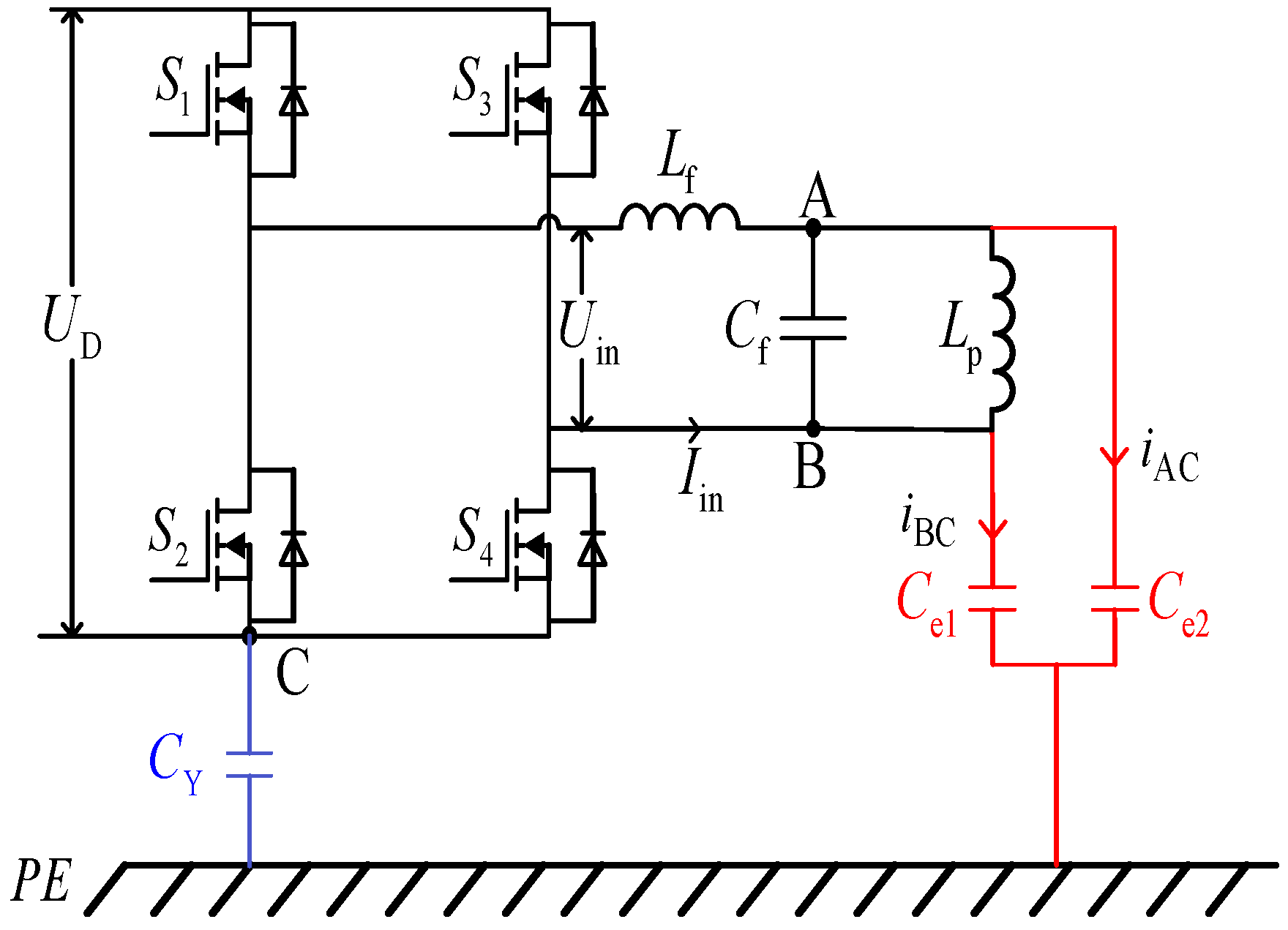
3. Analysis of Voltage to Earth
3.1. Theoretical Calculation
3.2. Simulation Verification
4. Experimental Testing
4.1. Experimental Platform
4.2. Experimental Results
5. Conclusions
Author Contributions
Funding
Data Availability Statement
Conflicts of Interest
References
- Basir, A.; Yoo, H. Efficient Wireless Power Transfer System with a Miniaturized Quad-Band Implantable Antenna for Deep-Body Multitasking Implants. IEEE Trans. Microw. Theory Tech. 2020, 68, 1943–1953. [Google Scholar] [CrossRef]
- Boys, J.T.; Covic, G.A. The Inductive Power Transfer Story at the University of Auckland. IEEE Circuits Syst. Mag. 2015, 15, 6–27. [Google Scholar] [CrossRef]
- Liu, W.; Chau, K.T.; Chow, C.C.T.; Lee, C.H.T. Wireless Energy Trading in Traffic Internet. IEEE Trans. Power Electron. 2021, 37, 4831–4841. [Google Scholar] [CrossRef]
- Geng, Y.; Li, B.; Yang, Z.; Lin, F.; Sun, H. A High Efficiency Charging Strategy for a Supercapacitor Using a Wireless Power Transfer System Based on Inductor/Capacitor/Capacitor (LCC) Compensation Topology. Energies 2017, 10, 135. [Google Scholar] [CrossRef]
- Hou, Y.; Sun, S.; Liu, Z.; Wei, X.; Qiao, S.; Feng, G.; Zhang, B. Wireless power transfer system based on LCC/LCL-S variable structure with constant output power. Energy Rep. 2022, 8, 850–862. [Google Scholar] [CrossRef]
- Hou, Y.; Feng, G.; Liu, Z.; Wei, X.; Qiao, S.; Luo, X.; Ding, R.; Sun, S.; Zhang, B. Research on Dual-LCC MCRWPT system based on controlled rectifier. Energy Rep. 2022, 8, 823–836. [Google Scholar] [CrossRef]
- CLiu, C.; Hu, A.P.; Wang, B.; Nair, N.-K.C. A Capacitively Coupled Contactless Matrix Charging Platform with Soft Switched Transformer Control. IEEE Trans. Ind. Electron. 2011, 60, 249–260. [Google Scholar] [CrossRef]
- Mohamed, A.A.; Shaier, A.A.; Metwally, H.; Selem, S.I. An Overview of Dynamic Inductive Charging for Electric Vehicles. Energies 2022, 15, 5613. [Google Scholar] [CrossRef]
- Choi, S.Y.; Jeong, S.Y.; Gu, B.W.; Lim, G.C.; Rim, C.T. Ultraslim S-Type Power Supply Rails for Roadway-Powered Electric Vehicles. IEEE Trans. Power Electron. 2015, 30, 6456–6468. [Google Scholar] [CrossRef]
- Tian, Y.; Sun, Y.; Su, Y.; Wang, Z.; Tang, C. Neural Network-based Constant Current Control of Dynamic Wireless Power Supply System for Electric Vehicles. Inf. Technol. J. 2012, 11, 876–883. [Google Scholar] [CrossRef]
- Lee, S.; Huh, J.; Park, C.; Choi, N.S.; Cho, G.H.; Rim, C.T. On-Line Electric Vehicle using inductive power transfer system. In Proceedings of the 2010 IEEE Energy Conversion Congress and Exposition, Atlanta, GA, USA, 12–16 September 2010; pp. 1598–1601. [Google Scholar]
- Liang, Z.; Jiang, Y. Calculation of Electric Field Under High Voltage Direct Current Transmission Lines by the Upstream Finite Element Method. In Proceedings of the 2020 IEEE 8th International Conference on Computer Science and Network Technology (ICCSNT), Dalian, China, 20–22 November 2020; pp. 46–49. [Google Scholar]
- Campi, T.; Cruciani, S.; Maradei, F.; Feliziani, M. Conducted emission of wireless power transfer charging system in electric vehicle. In Proceedings of the 2017 IEEE International Symposium on Electromagnetic Compatibility & Signal/Power Integrity (EMCSI), Washington, DC, USA, 7–11 August 2017; pp. 619–622. [Google Scholar]
- Xiao, T.; Chen, W.; Qi, H.; Zhao, Z.; Sha, Y. Conducted EMI analysis of double-side LCC compensated WPT system. In Proceedings of the 2017 Sixth Asia-Pacific Conference on Antennas and Propagation (APCAP), Xi’an, China, 16–19 October 2017; pp. 1–3. [Google Scholar]
- Mei, Y.; Wu, J.; He, X.; Zhang, H.; Lu, F. Study on Parasitic Capacitance Effect in High Power Inductive Power Transfer System. In Proceedings of the 2019 IEEE Energy Conversion Congress and Exposition (ECCE), Baltimore, MD, USA, 29 September–3 October 2019; pp. 129–134. [Google Scholar]
- Mei, Y.; Wu, J.; He, X. Common Mode Noise Analysis for Inductive Power Transfer System Based on Distributed Stray Capacitance Model. IEEE Trans. Power Electron. 2021, 37, 1132–1145. [Google Scholar] [CrossRef]
- Song, C.; Kim, H.; Kim, Y.; Kim, D.; Jeong, S.; Cho, Y.; Lee, S.; Ahn, S.; Kim, J. EMI Reduction Methods in Wireless Power Transfer System for Drone Electrical Charger Using Tightly Coupled Three-Phase Resonant Magnetic Field. IEEE Trans. Ind. Electron. 2018, 65, 6839–6849. [Google Scholar] [CrossRef]
- Park, J.; Shin, Y.; Kim, D.; Park, B.; Ahn, S. Planar Resonance Reactive Shield for Reducing the EMI in Portable WPT Device Application. In Proceedings of the 2018 IEEE Symposium on Electromagnetic Compatibility, Signal Integrity and Power Integrity (EMC, SI & PI), Long Beach, CA, USA, 30 July–3 August 2018; pp. 419–422. [Google Scholar]
- Kerekes, T.; Teodorescu, R.; Liserre, M.; Klumpner, C.; Sumner, M. Evaluation of Three-Phase Transformerless Photovoltaic Inverter Topologies. IEEE Trans. Power Electron. 2009, 24, 2202–2211. [Google Scholar] [CrossRef]
- Arai, N.; Toriumi, Y.; Okamoto, K.; Kato, J.; Akiyama, Y.; Sasaki, K. Unsymmetric voltage of conducted noise measurement system without grounding by estimation of ground capacitance. IEEE Trans. Instrum. Meas. 2021, 70, 1–7. [Google Scholar] [CrossRef]
- Qi, T.; Sun, J. DC bus grounding capacitance optimizatio for common-mode EMI minimization. In Proceedings of the 2011 Twenty-Sixth Annual IEEE Applied Power Electronics Conference and Exposition (APEC), Fort Worth, TX, USA, 6–11 March 2011; pp. 661–666. [Google Scholar]
- Xiao, T.; Chen, W.; Yang, Y.; Dai, L.; Wang, R. Conducted EMI Modeling and Filtering for Multi-load Magnetic Resonant WPT System. In Proceedings of the 2018 IEEE International Power Electronics and Application Conference and Exposition (PEAC), Shenzhen, China, 4–7 November 2018; pp. 1–6. [Google Scholar]














| Parameters | Symbol | Value |
|---|---|---|
| Transmitter coil inductance [µH] | Lp | 26 |
| Receiver coil inductance [µH] | Ls | 294.7 |
| Primary side compensation inductance [µH] | Lf | 26 |
| Primary side parallel compensation capacitance [nF] | Cf | 134.8 |
| Secondary side compensation inductance [nH] | Cs | 11.9 |
| Resonant frequency [kHz] | fs | 85 |
| mutual inductance [µF] | M | 16.763 |
| Load [Ω] | RL | 10 |
| Order | Impedance Value (Ω) |
|---|---|
| Z1 | 24.057 |
| Z3 | 7.032 × 10−4 + 36.422j |
| Z5 | 6.609 × 10−5 + 66.532j |
| Z7 | 1.582 × 10−5 + 95.174j |
| Order | UAC (V) | UBC (V) |
|---|---|---|
| 255.079–259.833i | 255.079 + 250 | |
| −96.595–3.313i × 10−3 | 75.026 + 250 | |
| −48.937–9.344i × 10−5 | 45.016 + 250 | |
| −33.524–1.092i × 10−5 | 32.154 + 250 |
| Order | (V) | (V) |
|---|---|---|
| 225.079–129.916i | 225.079–129.916i | |
| −10.784–1.657i × 10−3 | −10.784–1.654i × 10−3 | |
| −1.961–4.677i × 10−5 | −1.961–4.677i × 10−5 | |
| −0.685–5.458i × 10−6 | −0.685–5.458i × 10−6 |
| Parameters | Symbol | Value |
|---|---|---|
| Transmitter coil inductance [µH] | Lp | 26 |
| Receiver coil inductance [µH] | Ls | 294.7 |
| Primary side compensation inductance [µH] | Lf | 26 |
| Primary side parallel compensation capacitance [nF] | Cf | 2.84 |
| Secondary side compensation inductance [nH] | Cs | 251 |
| Supply rail coil internal resistance [Ω] | Rp | 0.06 |
| Receiving coil internal resistance [Ω] | Rs | 0.008 |
| Load [Ω] | 10 |
| (a) Unilateral Resonant Topology. | |||
| 351.0 V | 129.5 mA | 234.0 V | 204.5 mA |
| 385.0 V | 142.5 mA | 257.0 V | 249.1 mA |
| 414.0 V | 160.2 mA | 283.0 V | 280.5 mA |
| 453.0 V | 179.6 mA | 311.0 V | 314.8 mA |
| (b) Bilateral Resonant Topology. | |||
| 275.0 V | 124.0 mA | 273.0 V | 80.5 mA |
| 312.0 V | 130.5 mA | 300.0 V | 89.1 mA |
| 346.0 V | 158.2 mA | 332.0 V | 101.0 mA |
| 381.0 V | 160.5.6 mA | 358.0 V | 112.2 mA |
Disclaimer/Publisher’s Note: The statements, opinions and data contained in all publications are solely those of the individual author(s) and contributor(s) and not of MDPI and/or the editor(s). MDPI and/or the editor(s) disclaim responsibility for any injury to people or property resulting from any ideas, methods, instructions or products referred to in the content. |
© 2024 by the authors. Licensee MDPI, Basel, Switzerland. This article is an open access article distributed under the terms and conditions of the Creative Commons Attribution (CC BY) license (https://creativecommons.org/licenses/by/4.0/).
Share and Cite
Hou, S.; Zhang, B.; Hou, Y.; Sun, X.; Zhang, T.; Zhang, X.; Sun, Q. Analysis of Leakage Current in Dynamic Wireless Power Transfer Systems Based on LCC-S Architecture. World Electr. Veh. J. 2024, 15, 225. https://doi.org/10.3390/wevj15060225
Hou S, Zhang B, Hou Y, Sun X, Zhang T, Zhang X, Sun Q. Analysis of Leakage Current in Dynamic Wireless Power Transfer Systems Based on LCC-S Architecture. World Electric Vehicle Journal. 2024; 15(6):225. https://doi.org/10.3390/wevj15060225
Chicago/Turabian StyleHou, Siyu, Benhui Zhang, Yanjin Hou, Xuenan Sun, Tongkun Zhang, Xiaoyu Zhang, and Qianfang Sun. 2024. "Analysis of Leakage Current in Dynamic Wireless Power Transfer Systems Based on LCC-S Architecture" World Electric Vehicle Journal 15, no. 6: 225. https://doi.org/10.3390/wevj15060225
APA StyleHou, S., Zhang, B., Hou, Y., Sun, X., Zhang, T., Zhang, X., & Sun, Q. (2024). Analysis of Leakage Current in Dynamic Wireless Power Transfer Systems Based on LCC-S Architecture. World Electric Vehicle Journal, 15(6), 225. https://doi.org/10.3390/wevj15060225
