Research on the Smooth Switching Control Strategy of Electric Vehicle Charging Stations Based on Photovoltaic–Storage–Charging Integration
Abstract
1. Introduction
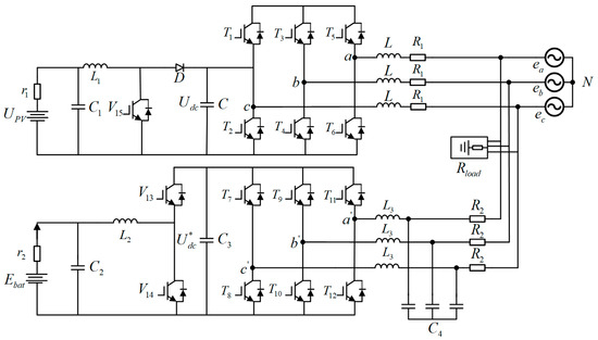
2. Photovoltaic Energy Storage Microgrid Structure
3. The Establishment of a Mathematical Model of Photovoltaic Energy Storage Microgrid Systems
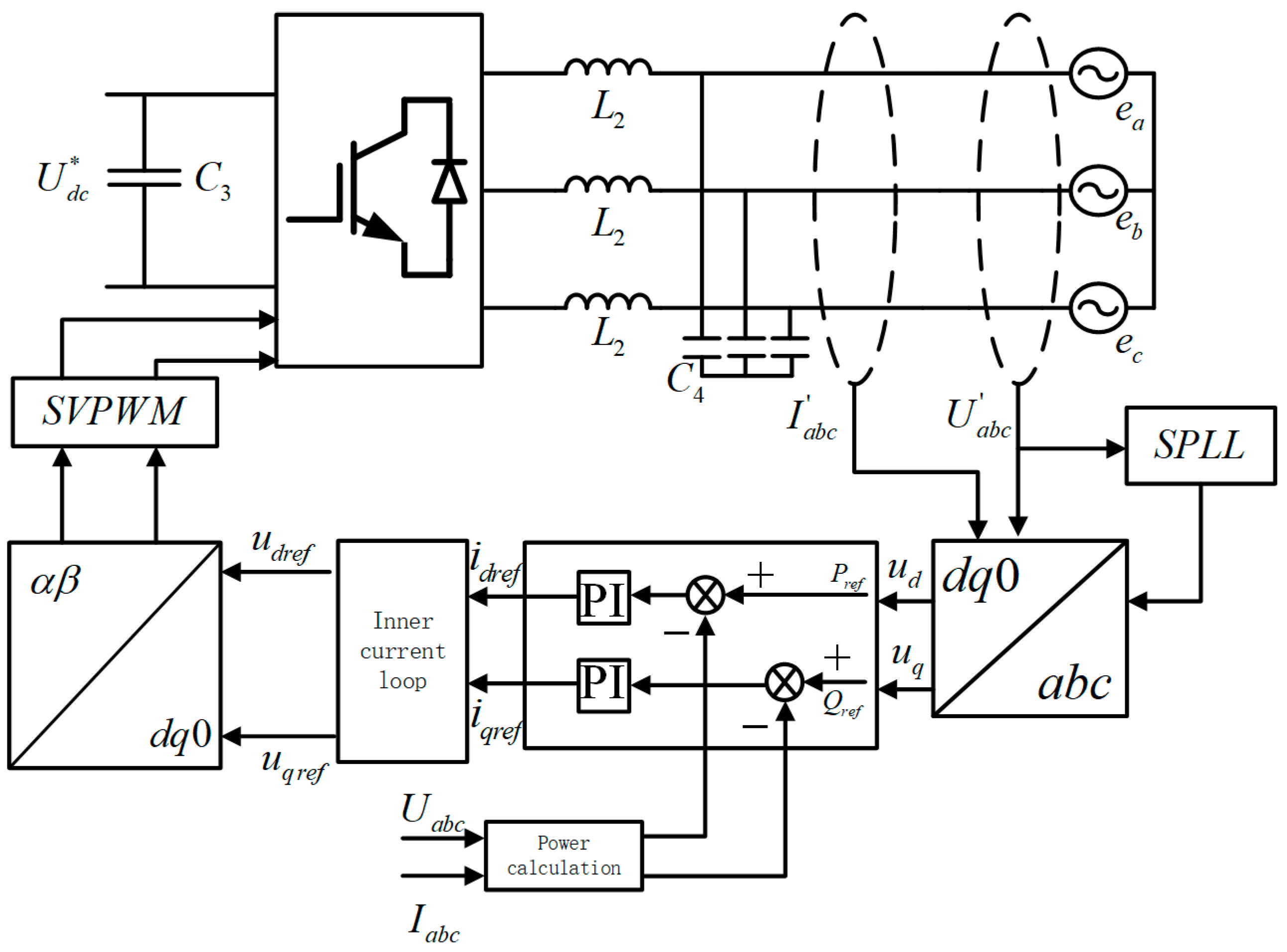
3.1. Three-Phase PWM Rectifier Structure and Mathematical Model
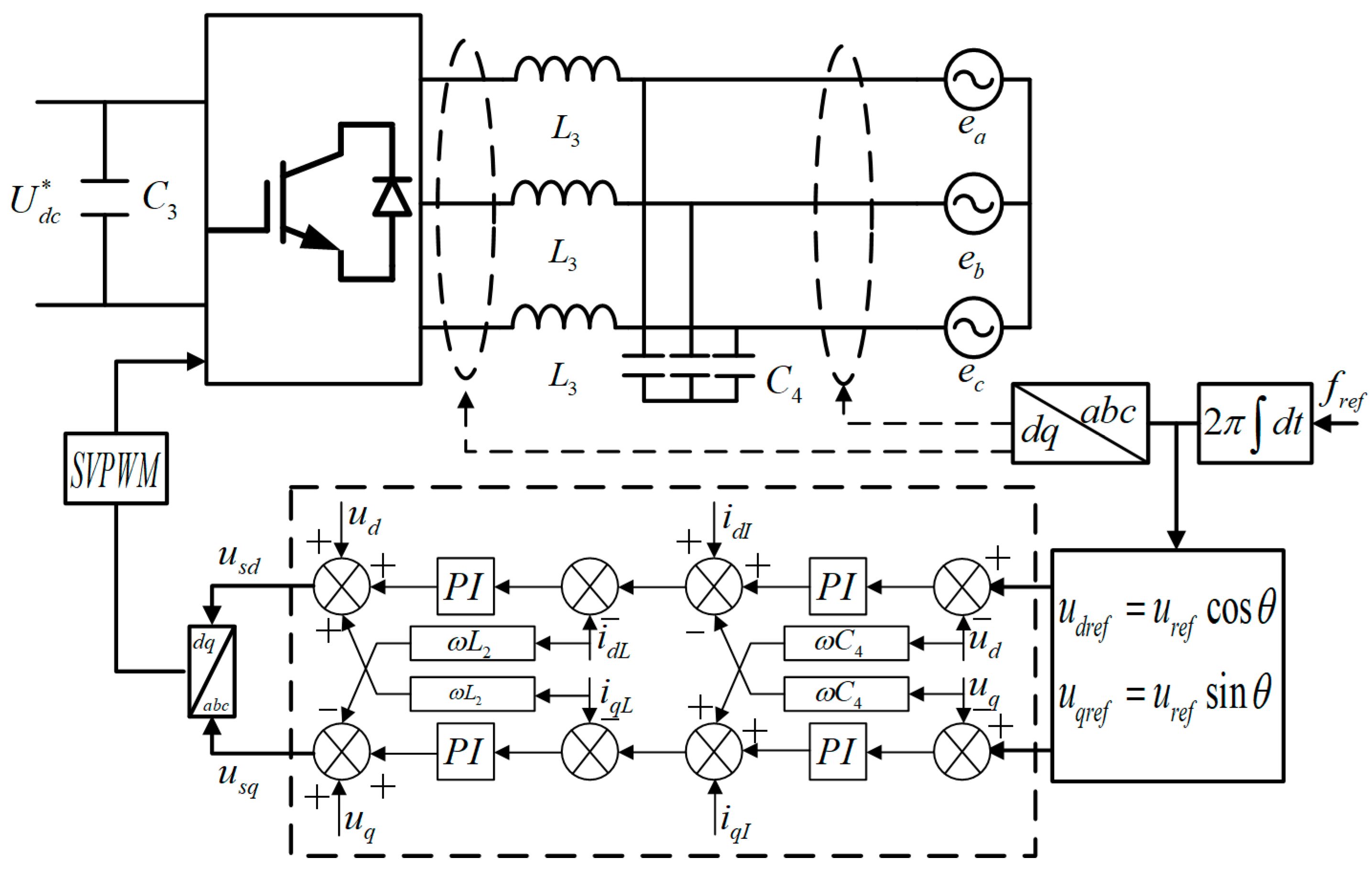
3.2. Bidirectional DC/DC Converter
3.3. Implementation of a PWM Converter Control Technique for a Three-Phase Voltage Source
3.3.1. When the Photovoltaic Energy Storage System Is Connected to the Grid
- When , , , the energy storage battery is in the charging state, the bidirectional DC/DC converter is in the step-down state, and the state of charge of the energy storage battery increases.
- When , , , the energy storage battery is in the discharge state, the bidirectional DC/DC converter is in the boost state, and the state of charge of the energy storage battery is reduced.
- When , , the state of charge of the energy storage battery remains unchanged.
3.3.2. When the Photovoltaic Energy Storage System Is in Off-Grid Operation
4. Grid-Connected and the Off-Grid Control Strategy of Photovoltaic Energy Storage Systems
4.1. Modulation Technique for PV System PWM Converters with Three-Phase Input Voltages
4.2. Control Strategy of a Bi-Directional DC/DC Converter for Energy Storage Systems
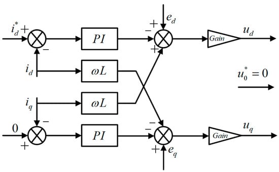
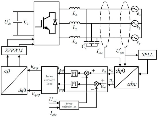
4.3. Methods for Controlling Energy Storage Inverters When Operating in Grid-Connected Mode
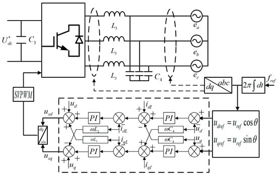
4.4. Inverter Control Strategy of Energy Storage Systems Under Off-Grid Operation Mode
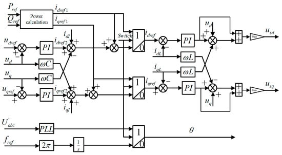
5. Energy Storage Inverter’s Smooth Switching Control Method
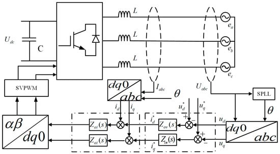
6. Simulation Analysis and Experimental Verification
6.1. Simulation Analysis
6.2. Experimental Verification
7. Discussion
- The maximum power point tracking problem of photovoltaic systems under partial shading is analyzed and verified to achieve tracking accuracy in more complex situations.
- The transformation from off-grid to grid-connected is analyzed in detail. At the same time, a pre-synchronization structure is added to reduce the phase or amplitude difference when the system is converted from the island to the grid to achieve a smooth grid connection.
- In order to reduce the high-order harmonics in the grid-connected mode and reduce the total harmonic distortion rate of the grid-connected current, a more advanced three-level grid-connected inverter is adopted.
- A more advanced virtual synchronous generator control strategy is adopted to improve the service life of the energy storage system, reduce the impact on the power grid, and increase the type and number of energy storage units.
8. Conclusions
Author Contributions
Funding
Data Availability Statement
Conflicts of Interest
Nomenclature
| Photovoltaic panel output voltage | |
| Output voltage of energy storage battery | |
| Internal resistance of photovoltaic panel | |
| Internal resistance of energy storage battery | |
| ~ | Power switches |
| ~ | DC-side power switch tube |
| Smoothing capacitance | |
| Filter inductance | |
| Photovoltaic side output power | |
| Energy storage battery side output power | |
| Grid output power | |
| Load consumption power | |
| The proportional gain and integral gain of the current inner loop | |
| Proportional gain and integral gain of voltage outer loop | |
| The proportional gain and integral gain of the power loop |
References
- Chen Yang, N.; Liang, J.; Ding, L. Integrated Optical Storage Charging Considering Reconstruction Expansion and Safety Efficiency Cost. Power Syst. Technol. 2023, 47, 3557–3569. [Google Scholar]
- Wang, T.; Lin, C.; Zheng, K.; Zhao, W.; Wang, X. Research on Grid-Connected Control Strategy of Photovoltaic (PV) Energy Storage Based on Constant Power Operation. Energies 2023, 16, 8056. [Google Scholar] [CrossRef]
- Zhao, J.; Gao, T.; Zhang, W. Black-start control strategy of optical storage microgrid based on improved V/f control and virtual oscillator. Electron. Meas. Technol. 2023, 46, 7–15. [Google Scholar]
- Kim, H.M.; Kinoshita, T. A multiagent system for microgrid operation in the grid-interconnected mode. J. Electr. Eng. Technol. 2010, 5, 246–254. [Google Scholar] [CrossRef]
- Wang, T.; An, J.; Wang, Z. Microgrid optical storage multi-source coordination and multi-mode smooth switching control. Power Electron. 2023, 57, 99–103. [Google Scholar]
- Song, D.; Zhang, W.; Wang, C. Energy coordination control strategy of microgrid with optical storage system. J. Harbin Univ. Sci. Technol. 2021, 26, 94–103. [Google Scholar]
- Pei, W.; Li, S.; Li, H.; Tang, X.; Zuo, W. Key technology and testbed for microgrid operation control. Autom. Electr. Power Syst. 2010, 34, 94–96. [Google Scholar]
- Wang, C.; Liu, M.; Guo, L. Cooperative operation and optimal design for islanded microgrid. In Proceedings of the 2012 IEEE PES Innovative Smart Grid Technologies (ISGT), Washington, DC, USA, 16–20 January 2012. [Google Scholar]
- Pogaku, N.; Prodanovic, M.; Green, T.C. Modeling, analysis and testing of autonomous operation of an inverter-based microgrid. IEEE Trans. Power Electron. 2007, 22, 613–625. [Google Scholar] [CrossRef]
- Wang, C.; Li, X.; Guo, L.; Li, Y. A seamless operation mode transition control strategy for a microgrid based on master-slave control. Sci. China Technol. Sci. 2012, 55, 11. [Google Scholar] [CrossRef]
- Wang, T.; Li, X.; Zhang, J.; Chen, S.; Ma, J.; Lin, C. Fractional Sliding Mode Observer Control Strategy for Three-Phase PWM Rectifier. World Electr. Veh. J. 2024, 15, 316. [Google Scholar] [CrossRef]
- Jiang, J.D.; Lu-Xia, L.; Cai, S.J.; Ke-Yong, H. Research of droop control strategy for parallel operation of multi-inverters in microgrid. J. Zhejiang Univ. Technol. 2014, 42, 132–136+161. [Google Scholar]
- Tian, L.; Tang, Z.; Tian, C. Research on smooth switching of microgrid based on state follower. Power Syst. Technol. 2017, 41, 1285–1290. [Google Scholar]
- Xu, G. Research on coordinated optimization strategy of photovoltaic and energy storage combined smart microgrid based on hierarchical control. Acta Energiae Solaris Sin. 2024, 45, 111–120. [Google Scholar]
- Chen, J.W.; Zhang, R.; Zhang, D.; Meng, Y.J. Research of optical storage DC micro-grid inverter. J. Shaanxi Univ. Sci. Technol. 2017, 35, 5. [Google Scholar]
- Pan, G.; Zeng, D.; Wang, G. Fault Analysis on Distribution Network with Inverter Interfaced Distributed Generations Based on PQ Control Strategy. Proc. Csee 2014, 34, 555–561. [Google Scholar]
- Mortezaei, A.; Lute, C.; Simoes, M.G.; Marafao, F.P.; Boglia, A. PQ, DQ and CPT control methods for shunt active compensators—A comparative study. In Proceedings of the 2014 IEEE Energy Conversion Congress and Exposition (ECCE), Pittsburgh, PA, USA, 14–18 September 2014. [Google Scholar]
- Wang, A.; Cai, Z.; Mu, X. Research on asynchronous island mode switching strategy of partitioned interconnected distribution network. Power Syst. Clean Energy 2024, 40, 59–69. [Google Scholar]
- Zhang, W.; Li, M.; Ren, W. Research on improved pre-synchronization control and off-grid switching strategy of microgrid based on optical storage control. Electron. Meas. Technol. 2022, 45, 8–14. [Google Scholar]
- Zhou, L.; Ren, Y.; Chen, Q. Research on operation control strategy of new master-slave control microgrid. Renew. Energy Resour. 2021, 39, 1100–1106. [Google Scholar]
- Bi, D.; Zhou, W.; Dai, Y. Seamless switching strategy of energy storage converter in AC/DC hybrid microgrid. Autom. Electr. Power Syst. 2016, 40, 84–89. [Google Scholar]
- Chtita, S.; Derouich, A.; Ghzizal, A.E.; Motahhir, S. An improved control strategy for charging solar batteries in off-grid photovoltaic systems. Sol. Energy 2021, 220, 927–941. [Google Scholar] [CrossRef]
- Zhang, C.; Xu, J.; Zong, H. Master-slave structure microgrid inverter off-grid whole process smooth switching control strategy. Autom. Electr. Power Syst. 2022, 46, 125–133. [Google Scholar]
- Yang, Y.; Yang, K.; Shao, Y. Research on grid-connected and off-grid smooth switching control strategy of microgrid. Renew. Energy Resour. 2018, 36, 36–42. [Google Scholar]
- Xu, J.; Lu, W.; Wu, L. Grid-connected and off-grid smooth switching control of low-voltage microgrid inverter. Sci. Technol. Eng. 2017, 17, 36–43. [Google Scholar]
- Chen, J.; Chen, X.; Feng, Z. Seamless switching control strategy for grid-connected/islanded operation mode of microgrid system. Proc. CSEE 2014, 34, 3089–3097. [Google Scholar]
- Liu, M.; Wang, S.; Wen, S. Research on grid-connected and off-grid smooth switching control strategy of photovoltaic energy storage microgrid. Renew. Energy Resour. 2020, 38, 1633–1639. [Google Scholar]
- Zheng, J.; Wang, Y.; Li, X. Control Methods and Strategies of Microgrid Smooth Switchover. Autom. Electr. Power Syst. 2017, 35, 17–24. [Google Scholar]
- Battula, S.; Panda, A.K.; Garg, M. Stand-alone PV connected system with energy storage with flexible operation. Electr. Eng. 2024, 106, 2893–2907. [Google Scholar] [CrossRef]
- Cheng, Q.; Cheng, Y.; Zhang, L. Grid-connected/off-grid Switching Control Strategy of MMC-PET AC/DC Hybrid Microgrid. Based on Disturbance Observer. High Volt. Eng. 2024, 50, 1196–1204. [Google Scholar]
- Luo, L.; Li, Y.; Li, Z. Microgrid based on Van der Pol oscillator and PQ control Grid-connected and off-grid coordinated control strategy. Electr. Power Autom. Equip. 2023, 43, 130–139. [Google Scholar]
- Carvalho, F.S.; Lessa, F.T.; Silveira L, M. Smart Protection System for Microgrids with Grid-Connected and Islanded Capabilities Based on an Adaptive Algorithm. Energies 2023, 16, 2273. [Google Scholar] [CrossRef]
- Silveira, D.R.; Silva, D.A.S.; Sampaio, P.L. Full-order models and dynamic assessment of droop-controlled grid-connected and off-grid DC microgrids. Sustain. Energy Technol. Assess. 2024, 64, 103685. [Google Scholar] [CrossRef]
- Wang, T.; Zheng, K.; Liu, W. Research on charging and discharging control strategy of electric vehicle in vehicle-grid interaction mode. Automob. Technol. 2023, 20–27. [Google Scholar] [CrossRef]






















| Attribute | Improved Smooth Switching | Conventional Smooth Switching | Control Strategy for Smooth Switching Between Island Operation Mode and Grid-Connection Operation Mode of Microgrid [24] |
|---|---|---|---|
| U(V) | 3.2% | 4.8% | 22% |
| I(A) | 26% | 66% | 80% |
| Frequency | 0.04 Hz | 0.2 Hz | 0.3 Hz |
Disclaimer/Publisher’s Note: The statements, opinions and data contained in all publications are solely those of the individual author(s) and contributor(s) and not of MDPI and/or the editor(s). MDPI and/or the editor(s) disclaim responsibility for any injury to people or property resulting from any ideas, methods, instructions or products referred to in the content. |
© 2024 by the authors. Published by MDPI on behalf of the World Electric Vehicle Association. Licensee MDPI, Basel, Switzerland. This article is an open access article distributed under the terms and conditions of the Creative Commons Attribution (CC BY) license (https://creativecommons.org/licenses/by/4.0/).
Share and Cite
Wang, T.; Ma, J.; Lin, C.; Li, X.; Chen, S.; Zhang, J. Research on the Smooth Switching Control Strategy of Electric Vehicle Charging Stations Based on Photovoltaic–Storage–Charging Integration. World Electr. Veh. J. 2024, 15, 528. https://doi.org/10.3390/wevj15110528
Wang T, Ma J, Lin C, Li X, Chen S, Zhang J. Research on the Smooth Switching Control Strategy of Electric Vehicle Charging Stations Based on Photovoltaic–Storage–Charging Integration. World Electric Vehicle Journal. 2024; 15(11):528. https://doi.org/10.3390/wevj15110528
Chicago/Turabian StyleWang, Tao, Jinghao Ma, Cunhao Lin, Xin Li, Shenhui Chen, and Jihui Zhang. 2024. "Research on the Smooth Switching Control Strategy of Electric Vehicle Charging Stations Based on Photovoltaic–Storage–Charging Integration" World Electric Vehicle Journal 15, no. 11: 528. https://doi.org/10.3390/wevj15110528
APA StyleWang, T., Ma, J., Lin, C., Li, X., Chen, S., & Zhang, J. (2024). Research on the Smooth Switching Control Strategy of Electric Vehicle Charging Stations Based on Photovoltaic–Storage–Charging Integration. World Electric Vehicle Journal, 15(11), 528. https://doi.org/10.3390/wevj15110528

