Review of Challenges and Opportunities in the Integration of Electric Vehicles to the Grid
Abstract
:1. Introduction
2. Categories of EVs
2.1. BEV
2.2. HEV
2.3. PHEV
2.4. FCEV
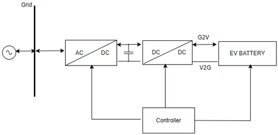
3. EV as a Source and Store of Energy-V2G, V2H, V2V
4. Vehicle-to-Grid
5. V2G Opportunities
- A.
- Renewable Energy Storage
- B.
- Peak Shaving and Valley Filling
- C.
- Frequency Regulation
- D.
- Benefits for Existing Power Generation Units
- E.
- Revenue Generation for EV Owners
| Aspects | Literature | Area of Study | Remarks |
|---|---|---|---|
| Environmental | [34,35] | PEV contributing to RES integration | Role of PEVs in integrating intermittent RES in the utility is discussed. |
| [35] | VGI impact on RES Integration | Performs a quantitative analysis of VGI aspects. V2G power required for stabilization of RES like solar and wind are calculated. | |
| [36] | V2G in a solar- hydrogen microgrid | Studies the effect of V2G technology in a solar-hydrogen microgrid. Results on real world data prove that daily operating costs can be reduced by up to 27.5%. | |
| [37] | EV-Wind-Energy Storage Integrated System | Fuzzy Logic Control employed to achieve the energy management between wind, EV, storage system and the utility. | |
| Technical | [15,43] | Peak Shaving and Valley Filling | Considering various EV power, battery pack SOC and user constraints, V2G optimization strategies are suggested. |
| [49] | Frequency Regulation | Quantitatively analyses the financial aspects of V2G in frequency regulation. | |
| [50,52] | Frequency Regulation | Aggregator based control strategies for V2G based regulation is presented. | |
| Financial | [53] | Savings on new generation units | Studies the impact of V2G in reducing operation costs and need for new generation units. |
| [54] | Savings by optimized charging. | Optimized energy consumption in a Solar incorporated household. | |
| [55] | Benefits from Ancillary Services | An optimization framework to maximize the economic benefits from selling ancillary services. |
6. V2G Challenges
- A.
- Battery Degradation
- B.
- Power Electronics—Charging Infrastructure
- C.
- Impacts on Grid Power Quality
| Aspects | Literatures | Area of Study | Remarks |
|---|---|---|---|
| Technical | [56,57,58] | Battery Degradation | Studies the effect of bidirectional power flow on the lifecycle of batteries. |
| [59,60,61,62] | Charging Infrastructure | Various Bidirectional topologies and associated Power Electronics challenges | |
| [63,64,65,66,67,68,69,70,71] | Grid Power Quality | VGI has a huge impact on the power quality. Issues like voltage instability, harmonics and undesired peaks due to non-coordinated charging are discussed. | |
| [94,95,96,97,98,99,100,101,102] | Communication Requirements | Discusses secure protocols for V2G communication. | |
| Environment | [103,104,105,106,107,108,109,110,111,112] | Impacts on environment | Environmental Concerns including extraction of rare earth minerals |
| Financial | [113] | Initial Cost | Grid Integration capabilities can cause an increase in the initial cost of EVs. |
| Socio-Cultural | [39,114] | Market Availability | Availability of GEVs is a concern discussed. |
| [115,116,117] | Consumer Interests | Studies the approaches of EV owners towards grid integration of their vehicles. |
| Literatures | Optimization Objective | Merits | Remarks |
|---|---|---|---|
| [75] | Minimize total cost and user discomfort | Cost-savings, flexibility in setting the trade-off between cost and user comfort, peak demand reduction | Centralized Scheduling Technique. Assumes there are no losses in the transmission between EV and residential system. |
| [76] | Minimize total cost | Both global and local optimal solutions computed. Local optimal solution gives a very practical and satisfying performance | Distributed Scheduling |
| [77] | Minimize total electricity cost of users as well as utility companies | Flattened demand response, reduced bills. Considers renewable generations also | Distributed Scheduling |
| [78] | Maximize parking lot revenue & Maximize the number of fully recharged EVs | Considers the mobility aspects of EVs. | Does not consider V2G aspects and Distributed Generation |
| [79] | Maximize Aggregator Revenue by optimizing Ancillary Services | Significant profits for aggregator, reduction in consumer cost and peak load reduction | Considerable battery degradation cost |
| [80] | Minimize total daily price incurred by CSO | Considers both V2G and G2V operations at an interval of at least 30 min | - |
| [81] | Minimize Average time cost, Minimize Average Charging Expense, Minimize the difference between final and expected SoC | Less run time cost | Charging scheduling carried out from the viewpoint of an EV-hailing company |
| Literatures | AI Technique Employed | Performance Metric | Results |
|---|---|---|---|
| [86] | Support Vector | MAPE, RMSE | Charging Load in kW is forecasted. MAPE: 3.69%, RMSE: 50.13 kW |
| [87] | Linear Regression, SVM, Random Forest, XGBoost | R2, RMSE | Charging Demand in kWh is predicted. XGBoost performs better with R2: 0.519, RMSE: 6.68 kWh |
| [88] | Multivariate LSTM | MAE, RMSE | Charging Power in kW is predicted. LSTM with calendar and weather features has the leading performance with MAE of 0.89 kW and RMSE of 1.92 kW |
| [89] | Multiple Linear Regression, Quantile Regression, SVM, LSTM, LSTM-Bayesian Deep Learning (LSTM-BDL) | RMSE, MAE, R2 | Charging Load in kWh is forecasted. LSTM-BDL with MAE: 2.78 kWh, RMSE: 4.367 kWh and R2: 0.918 outperforms the other models. |
| [90] | Transformer model | RMSE | Charging demand in kW is predicted. RMSE: 0.085 kW, 0.096 kW, and 0.112 kW for forecasting demand ahead of 30 days, 60 days and 90 days, respectively |
- D.
- Communication
- E.
- Environmental Concerns
- F.
- Initial Cost
- G.
- Availability and Suitability of EVs
- H.
- Non-cooperation from EV owners
7. Current Policies
8. Conclusions
9. Future Directions
Author Contributions
Funding
Institutional Review Board Statement
Informed Consent Statement
Data Availability Statement
Conflicts of Interest
References
- Olawebcdn. Available online: https://olawebcdn.com/ola-institute/OMI_White_Paper_Vehicle_to_Grid_(V2G)_in_India.pdf (accessed on 22 October 2022).
- Zolfagharinia, H.; Zangiabadi, M.; Hafezi, M. How much is enough? Government subsidies in supporting green product development. Eur. J. Oper. Res. 2023, 309, 1316–1333. [Google Scholar] [CrossRef]
- Song, S.; Lin, H.; Sherman, P.; Yang, X.; Chen, S.; Lu, X.; Lu, T.; Chen, X.; McElroy, M.B. Deep Decarbonization of the Indian Economy: 2050 Prospects for Wind, Solar, and Green Hydrogen. iScience 2022, 25, 104399. [Google Scholar] [CrossRef] [PubMed]
- Bistline, J.E.T.; Young, D.T. The Role of Natural Gas in Reaching Net-Zero Emissions in the Electric Sector. Nat. Commun. 2022, 13, 4743. [Google Scholar] [CrossRef] [PubMed]
- Shukla, P.R.; Skea, J.; Slade, R.; Al Khourdajie, A.; van Diemen, R.; McCollum, D.; Pathak, M.; Some, S.; Vyas, P.; Fradera, R.; et al. (Eds.) IPCC, 2022: Climate Change 2022: Mitigation of Climate Change: Contribution of Working Group III to the Sixth Assessment Report of the Intergovernmental Panel on Climate Change; Cambridge University Press: Cambridge, UK; New York, NY, USA, 2022. [Google Scholar] [CrossRef]
- Colmenar-Santos, A.; Muñoz-Gómez, A.-M.; Rosales-Asensio, E.; López-Rey, Á. Electric vehicle charging strategy to support renewable energy sources in Europe 2050 low-carbon scenario. Energy 2019, 183, 61–74. [Google Scholar] [CrossRef]
- Klingler, A.-L. The effect of electric vehicles and heat pumps on the market potential of PV + battery systems. Energy 2018, 161, 1064–1073. [Google Scholar] [CrossRef]
- Szinai, J.K.; Sheppard, C.J.; Abhyankar, N.; Gopal, A.R. Reduced grid operating costs and renewable energy curtailment with electric vehicle charge management. Energy Policy 2020, 136, 111051. [Google Scholar] [CrossRef]
- Eldho, R.P.; Deepa, K. A comprehensive overview on the current trends and technological challenges in energy storages and charging mechanism in electric vehicle. J. Green Eng. 2020, 10, 4679–6713. [Google Scholar]
- Poornesh, K.; Nivya, K.P.; Sireesha, K. A Comparative study on Electric Vehicle and Internal Combustion Engine Vehicles. In Proceedings of the 2020 International Conference on Smart Electronics and Communication (ICOSEC), Trichy, India, 10–12 September 2020. [Google Scholar]
- Chan, C.C. The state of the art of electric and hybrid vehicles. Proc. IEEE 2002, 90, 247–275. [Google Scholar] [CrossRef]
- Chan, C.C.; Chau, K.T.; Jiang, J.Z.; Xia, W.; Zhu, M.; Zhang, R. Novel permanent magnet motor drives for electric vehicles. IEEE Trans. Ind. Electron. 1996, 43, 331–339. [Google Scholar] [CrossRef]
- Bose, B.K.; Szczesny, P.M. A microcomputer-based control and simulation of an advanced IPM synchronous machine drive system for electric vehicle propulsion. IEEE Trans. Ind. Electron. 1988, 35, 547–559. [Google Scholar] [CrossRef]
- Pearre, N.S.; Ribberink, H. Review of research on V2X technologies, strategies, and operations. Renew. Sustain. Energy Rev. 2019, 105, 61–70. [Google Scholar] [CrossRef]
- Corchero, C.; Sanmarti, M. Vehicle-to-Everything (V2X): Benefits and Barriers. In Proceedings of the 2018 15th International Conference on the European Energy Market (EEM), Lodz, Poland, 27–29 June 2018; pp. 1–4. [Google Scholar] [CrossRef]
- Khezri, R.; Steen, D.; Tuan, L.A. A Review on Implementation of Vehicle to Everything (V2X): Benefits, Barriers and Measures. In Proceedings of the 2022 IEEE PES Innovative Smart Grid Technologies Conference Europe (ISGT-Europe), Novi Sad, Serbia, 10–12 October 2022; pp. 1–6. [Google Scholar]
- Global Electric Vehicle Market 2020 and Forecasts Canalys Newsroom. Available online: https://canalys.com/newsroom/canalys-global-electric-vehicle-sales-2020 (accessed on 13 February 2023).
- Biresselioglu, M.E.; Demirbag Kaplan, M.; Yilmaz, B.K. Electric Mobility in Europe: A Comprehensive Review of Motivators and Barriers in Decision Making Processes. Transp. Res. Part A Policy Pract. 2018, 109, 1–13. [Google Scholar] [CrossRef]
- Berkeley, N.; Jarvis, D.; Jones, A. Analysing the Take up of Battery Electric Vehicles: An Investigation of Barriers amongst Drivers in the UK. Transp. Res. Part D Transp. Environ. 2018, 63, 466–481. [Google Scholar] [CrossRef]
- Powell, S.; Cezar, G.V.; Min, L.; Azevedo, I.M.L.; Rajagopal, R. Charging infrastructure access and operation to reduce the grid impacts of deep electric vehicle adoption. Nat. Energy 2022, 7, 932–945. [Google Scholar] [CrossRef]
- Shemami, M.S.; Amrr, S.M.; Alam, M.S.; Asghar, M.S.J. Reliable and Economy Modes of Operation for Electric Vehicle-to-Home (V2H) System. In Proceedings of the 2018 5th IEEE Uttar Pradesh Section International Conference on Electrical, Electronics and Computer Engineering (UPCON), Gorakhpur, India, 2–4 November 2018; pp. 1–6. [Google Scholar] [CrossRef]
- Shin, H.; Baldick, R. Plug-In Electric Vehicle to Home (V2H) Operation Under a Grid Outage. IEEE Trans. Smart Grid 2017, 8, 2032–2041. [Google Scholar] [CrossRef]
- Datta, U.; Kalam, A.; Shi, J. The Strategies of EV Charge/Discharge Management in Smart Grid Vehicle-to-Everything (V2X) Communication Networks; IntechOpen eBooks: London, UK, 2019. [Google Scholar]
- Vempalli, S.K.; Deepa, K. Novel V2V Charging Method Addressing the Last Mile Connectivity. In Proceedings of the IEEE International Conference on Power Electronics, Drives and Energy Systems, Chennai, India, 18–21 December 2018. [Google Scholar]
- Han, S.; Han, S.; Sezaki, K. Development of an Optimal Vehicle-to-Grid Aggregator for Frequency Regulation. IEEE Trans. Smart Grid 2010, 1, 65–72. [Google Scholar]
- Ala, G.; Di Filippo, G.; Viola, F.; Giglia, G.; Imburgia, A.; Romano, P.; Castiglia, V.; Pellitteri, F.; Schettino, G.; Miceli, R. Different Scenarios of Electric Mobility: Current Situation and Possible Future Developments of Fuel Cell Vehicles in Italy. Sustainability 2020, 12, 564. [Google Scholar] [CrossRef]
- Sassi, H.B.; Errahimi, F.; Essbai, N.; Alaoui, C. V2G and Wireless V2G concepts: State of the Art and Current Challenges. In Proceedings of the 2019 International Conference on Wireless Technologies, Embedded and Intelligent Systems (WITS), Fez, Morocco, 3–4 April 2019; pp. 1–5. [Google Scholar] [CrossRef]
- Ali, H.; Hussain, S.; Khan, H.A.; Arshad, N.; Khan, I.A. Economic and Environmental Impact of Vehicle-to-Grid (V2G) Integration in an Intermittent Utility Grid. In Proceedings of the 2020 2nd International Conference on Smart Power & Internet Energy Systems (SPIES), Bangkok, Thailand, 15–18 September 2020; pp. 345–349. [Google Scholar] [CrossRef]
- Vineel Kumar, K.; Deepa, K. V2G/G2V Bi-Directional On-Board EV Charger Using Two Phase Interleaved DC-DC Converter. In Modeling, Simulation and Optimization; Springer: Berlin/Heidelberg, Germany, 2022; pp. 49–61. [Google Scholar] [CrossRef]
- Karthick, A.; Mohanavel, V.; Chinnaiyan, V.K.; Karpagam, J.; Baranilingesan, I.; Rajkumar, S. State of charge prediction of battery management system for electric vehicles. In Active Electrical Distribution Network; Academic Press: Cambridge, MA, USA, 2022; pp. 163–180. [Google Scholar]
- Ahmadian, A.; Sedghi, M.; Mohammadi-ivatloo, B.; Elkamel, A.; Golkar, M.A.; Fowler, M. Cost-Benefit Analysis of V2G Implementation in Distribution Networks Considering PEVs Battery Degradation. IEEE Trans. Sustain. Energy 2018, 9, 961–970. [Google Scholar] [CrossRef]
- Kelly, H.; Weinberg, C.J. Utility strategies for using renewables. In Renewable Energy: Sources for Fuels and Electricity; Johansson, T.B., Kelly, H., Burnham, L., Reddy, A.K.N., Williams, R., Eds.; Island Press: Washington, DC, USA, 1993. [Google Scholar]
- Vehicle-to-Grid (V2G). Available online: https://www.ceew.in/cef/masterclass/explains/vehicle-to-grid (accessed on 13 February 2023).
- Bharathwaaj, R.; Mohanavel, V.; Karthick, A.; Vasanthaseelan, S.; Ravichandran, M.; Sakthi, T.; Rajkumar, S. Modeling of permanent magnet synchronous motor for zero-emission vehicles. In Active Electrical Distribution Network; Academic Press: Cambridge, MA, USA, 2022; pp. 121–144. [Google Scholar]
- Ota, Y.; Taniguchi, H.; Nakajima, T.; Liyanage, K.M.; Baba, J.; Yokoyama, A. Autonomous Distributed V2G (Vehicle-To-Grid) Satisfying Scheduled Charging. IEEE Trans. Smart Grid 2012, 3, 559–564. [Google Scholar] [CrossRef]
- Hou, L.; Dong, J.; Herrera, O.E.; Mérida, W. Energy Management for Solar-Hydrogen Microgrids with Vehicle-To-Grid and Power-To-Gas Transactions. Int. J. Hydrogen Energy 2023, 48, 2013–2029. [Google Scholar] [CrossRef]
- Khorramdel, H.; Gitizadeh, M.; Chung, C.Y.; Othman, M.M.; Alhelou, H.H. An Adjustable Robust Economic Energy and Reserve Dispatch Problem Incorporating Large-Scale Wind Farms. IEEE Access 2022, 10, 73969–73987. [Google Scholar] [CrossRef]
- Kempton, W.; Letendre, S.E. Electric Vehicles as a New Power Source for Electric Utilities. Transp. Res. Part D Transp. Environ. 1997, 2, 157–175. [Google Scholar] [CrossRef]
- Das, S.; Deb, S. Vehicle-Grid Integration—A New Frontier for Electric Mobility in India. Alliance for an Energy Efficient Economy. Available online: https://aeee.in/wp-content/uploads/2020/10/Full-Report-Vehicle-Grid-Integration-AEEE.pdf (accessed on 30 October 2022).
- Bai, X.; Clark, K.; Jordan, G.A.; Miller, N.W.; Piwko, R.J. Intermittency Analysis Project: Appendix B Impact of Intermittent Generation on Operation of California Power Grid; California Energy Commission: Sacramento, CA, USA, 2007. [Google Scholar]
- IEA. Prospects for Large-Scale Energy Storage in Decarbonised Power Grids; IEA: Paris, France, 2009; Available online: https://www.iea.org/reports/prospects-for-large-scale-energy-storage-in-decarbonised-power-grids (accessed on 20 August 2023).
- Li, X.; Tan, Y.; Liu, X.; Liao, Q.; Sun, B.; Cao, G.; Li, C.; Yang, X.; Wang, Z. A Cost-Benefit Analysis of V2G Electric Vehicles Supporting Peak Shaving in Shanghai. Electr. Power Syst. Res. 2020, 179, 106058. [Google Scholar] [CrossRef]
- Ghosh, A. Possibilities and challenges for the inclusion of the electric vehicle (EV) to reduce the carbon footprint in the transport sector: A review. Energies 2020, 13, 2602. [Google Scholar] [CrossRef]
- Koubaa, R.; Yoldas, Y.; Goren, S.; Krichen, L.; Onen, A. Implementation of Cost Benefit Analysis of Vehicle to Grid Coupled Real Micro-Grid by Considering Battery Energy Wear: Practical Study Case. Energy Environ. 2020, 32, 1292–1314. [Google Scholar] [CrossRef]
- Chandran, V.; Patil, C.K.; Karthick, A.; Ganeshaperumal, D.; Rahim, R.; Ghosh, A. State of charge estimation of lithium-ion battery for electric vehicles using machine learning algorithms. World Electr. Veh. J. 2021, 12, 38. [Google Scholar] [CrossRef]
- Clement-Nyns, K.; Haesen, E.; Driesen, J. The Impact of Vehicle-To-Grid on the Distribution Grid. Electr. Power Syst. Res. 2011, 81, 185–192. [Google Scholar] [CrossRef]
- Tomić, J.; Kempton, W. Using Fleets of Electric-Drive Vehicles for Grid Support. J. Power Sources 2007, 168, 459–468. [Google Scholar] [CrossRef]
- Peterson, S.B.; Whitacre, J.F.; Apt, J. The Economics of Using Plug-in Hybrid Electric Vehicle Battery Packs for Grid Storage. J. Power Sources 2010, 195, 2377–2384. [Google Scholar] [CrossRef]
- White, C.D.; Zhang, K.M. Using Vehicle-To-Grid Technology for Frequency Regulation and Peak-Load Reduction. J. Power Sources 2011, 196, 3972–3980. [Google Scholar] [CrossRef]
- Liu, H.; Hu, Z.; Song, Y.; Wang, J.; Xie, X. Vehicle-to-Grid Control for Supplementary Frequency Regulation Considering Charging Demands. IEEE Trans. Power Syst. 2015, 30, 3110–3119. [Google Scholar] [CrossRef]
- Iqbal, S.; Xin, A.; Jan, M.U.; Salman, S.; Zaki, A.U.M.; Rehman, H.U.; Shinwari, M.F.; Abdelbaky, M.A. V2G Strategy for Primary Frequency Control of an Industrial Microgrid Considering the Charging Station Operator. Electronics 2020, 9, 549. [Google Scholar] [CrossRef]
- Liang, H.; Liu, Y.; Li, F.; Shen, Y. Dynamic Economic/Emission Dispatch Including PEVs for Peak Shaving and Valley Filling. IEEE Trans. Ind. Electron. 2019, 66, 2880–2890. [Google Scholar] [CrossRef]
- Weis, A.; Jaramillo, P.; Michalek, J. Estimating the Potential of Controlled Plug-in Hybrid Electric Vehicle Charging to Reduce Operational and Capacity Expansion Costs for Electric Power Systems with High Wind Penetration. Appl. Energy 2014, 115, 190–204. [Google Scholar] [CrossRef]
- Kern, T.; Dossow, P.; Morlock, E. Revenue Opportunities by Integrating Combined Vehicle-To-Home and Vehicle-To-Grid Applications in Smart Homes. Appl. Energy 2022, 307, 118187. [Google Scholar] [CrossRef]
- Zhou, C.; Xiang, Y.; Huang, Y.; Wei, X.; Liu, Y.; Liu, J. Economic Analysis of Auxiliary Service by V2G: City Comparison Cases. Energy Rep. 2020, 6, 509–514. [Google Scholar] [CrossRef]
- Dubarry, M.; Devie, A.; McKenzie, K. Durability and Reliability of Electric Vehicle Batteries under Electric Utility Grid Operations: Bidirectional Charging Impact Analysis. J. Power Sources 2017, 358, 39–49. [Google Scholar] [CrossRef]
- Uddin, K.; Jackson, T.; Widanage, W.D.; Chouchelamane, G.; Jennings, P.A.; Marco, J. On the Possibility of Extending the Lifetime of Lithium-Ion Batteries through Optimal V2G Facilitated by an Integrated Vehicle and Smart-Grid System. Energy 2017, 133, 710–722. [Google Scholar] [CrossRef]
- Uddin, K.; Dubarry, M.; Glick, M.B. The Viability of Vehicle-To-Grid Operations from a Battery Technology and Policy Perspective. Energy Policy 2018, 113, 342–347. [Google Scholar] [CrossRef]
- Sharma, A.; Sharma, S. Review of Power Electronics in Vehicle-To-Grid Systems. J. Energy Storage 2019, 21, 337–361. [Google Scholar] [CrossRef]
- Jung, C. Power up with 800-V Systems: The Benefits of Upgrading Voltage Power for Battery-Electric Passenger Vehicles. IEEE Electrif. Mag. 2017, 5, 53–58. [Google Scholar] [CrossRef]
- Wang, J.; Wang, B.; Zhang, L.; Wang, J.; Shchurov, N.I.; Malozyomov, B.V. Review of Bidirectional DC-DC Converter Topologies for Hybrid Energy Storage System of New Energy Vehicles. Green Energy Intell. Transp. 2022, 1, 100010. [Google Scholar] [CrossRef]
- Ibuchi, T.; Funaki, T. EMI Noise Source Characterization for SiC and GaN Power Transistors in Synchronous Rectification DC-DC Converter. Trans. Inst. Electr. Eng. Jpn. A 2020, 140, 565–572. [Google Scholar] [CrossRef]
- Yusuf, J.; Hasan, A.S.M.J.; Ula, S. Impacts of Plug-in Electric Vehicles on a Distribution Level Microgrid. In Proceedings of the 2019 North American Power Symposium (NAPS), Wichita, KS, USA, 13–15 October 2019. [Google Scholar] [CrossRef]
- Yang, Z.; Li, K.; Niu, Q.; Xue, Y. A Comprehensive Study of Economic Unit Commitment of Power Systems Integrating Various Renewable Generations and Plug-in Electric Vehicles. Energy Convers. Manag. 2017, 132, 460–481. [Google Scholar] [CrossRef]
- Mao, D.; Gao, Z.; Wang, J. An integrated algorithm for evaluating plug-in electric vehicle’s impact on the state of power grid assets. Int. J. Electr. Power Energy Syst. 2019, 105, 793–802. [Google Scholar] [CrossRef]
- Mojumder, M.R.H.; Ahmed Antara, F.; Hasanuzzaman, M.; Alamri, B.; Alsharef, M. Electric Vehicle-to-Grid (V2G) Technologies: Impact on the Power Grid and Battery. Sustainability 2022, 14, 13856. [Google Scholar] [CrossRef]
- Elliott, M.; Kittner, N. Operational grid and environmental impacts for a V2G-enabled electric school bus fleet using DC fast chargers. Sustain. Prod. Consum. 2022, 30, 316–330. [Google Scholar] [CrossRef]
- Gomez, J.A.; Morcos, M.M. Impact of EV battery chargers on the power quality of distribution systems. IEEE Trans. Power Deliv. 2002, 18, 975–981. [Google Scholar] [CrossRef]
- Qian, K.; Zhou, C.; Allan, M.; Yuan, Y. Modeling of Load Demand due to EV Battery Charging in Distribution Systems. IEEE Trans. Power Syst. 2011, 26, 802–810. [Google Scholar] [CrossRef]
- Available online: https://www.niti.gov.in/sites/default/files/2021-08/Handbook-forEVChargingInfrastructureImplementation081221.pdf (accessed on 30 October 2022).
- Li, H.-L.; Bai, X.-M.; Tan, W. Impacts of plug-in hybrid electric vehicles charging on distribution grid and smart charging. In Proceedings of the 2012 IEEE International Conference on Power System Technology (POW-ERCON), Auckland, New Zealand, 30 October–2 November 2012; pp. 1–5. [Google Scholar] [CrossRef]
- Clement-Nyns, K.; Haesen, E.; Driesen, J. The Impact of Charging Plug-in Hybrid Electric Vehicles on a Residential Distribution Grid. IEEE Trans. Power Syst. 2010, 25, 371–380. [Google Scholar] [CrossRef]
- Al-Ogaili, A.S.; Tengku Hashim, T.J.; Rahmat, N.A.; Ramasamy, A.K.; Marsadek, M.B.; Faisal, M.; Hannan, M.A. Review on Scheduling, Clustering, and Forecasting Strategies for Controlling Electric Vehicle Charging: Challenges and Recommendations. IEEE Access 2019, 7, 128353–128371. [Google Scholar] [CrossRef]
- Mukherjee, J.C.; Gupta, A. A Review of Charge Scheduling of Electric Vehicles in Smart Grid. IEEE Syst. J. 2015, 9, 1541–1553. [Google Scholar] [CrossRef]
- Nguyen, D.T.; Le, L.B. Joint Optimization of Electric Vehicle and Home Energy Scheduling Considering User Comfort Preference. IEEE Trans. Smart Grid 2014, 5, 188–199. [Google Scholar] [CrossRef]
- He, Y.; Venkatesh, B.; Guan, L. Optimal Scheduling for Charging and Discharging of Electric Vehicles. IEEE Trans. Smart Grid 2012, 3, 1095–1105. [Google Scholar] [CrossRef]
- Tan, Z.; Yang, P.; Nehorai, A. An Optimal and Distributed Demand Response Strategy with Electric Vehicles in the Smart Grid. IEEE Trans. Smart Grid 2014, 5, 861–869. [Google Scholar] [CrossRef]
- Kuran, M.S.; Carneiro Viana, A.; Iannone, L.; Kofman, D.; Mermoud, G.; Vasseur, J.P. A Smart Parking Lot Management System for Scheduling the Recharging of Electric Vehicles. IEEE Trans. Smart Grid 2015, 6, 2942–2953. [Google Scholar] [CrossRef]
- Sortomme, E.; El-Sharkawi, M.A. Optimal Scheduling of Vehicle-To-Grid Energy and Ancillary Services. IEEE Trans. Smart Grid 2012, 3, 351–359. [Google Scholar] [CrossRef]
- Das, S.; Acharjee, P.; Bhattacharya, A. Charging Scheduling of Electric Vehicle Incorporating Grid-To-Vehicle (G2V) and Vehicle-To-Grid (V2G) Technology Considering in Smart-Grid. IEEE Trans. Ind. Appl. 2021, 57, 1688–1702. [Google Scholar] [CrossRef]
- Liu, W.; Gong, Y.-J.; Chen, W.-N.; Liu, Z.; Wang, H.; Zhang, J. Coordinated Charging Scheduling of Electric Vehicles: A Mixed-Variable Differential Evolution Approach. IEEE Trans. Intell. Transp. Syst. 2019, 21, 5094–5109. [Google Scholar] [CrossRef]
- Jahangir, H.; Gougheri, S.S.; Vatandoust, B.; Golkar, M.A.; Ahmadian, A.; Hajizadeh, A. Plug-in Electric Vehicle Behavior Modeling in Energy Market: A Novel Deep Learning-Based Approach With Clustering Technique. IEEE Trans. Smart Grid 2020, 11, 4738–4748. [Google Scholar] [CrossRef]
- Xiong, Y.; Wang, B.; Chu, C.-C.; Gadh, R. Electric Vehicle Driver Clustering Using Statistical Model and Machine Learning. In Proceedings of the Power and Energy Society General Meeting, Portland, OR, USA, 5–10 August 2018. [Google Scholar] [CrossRef]
- Xing, Q.; Chen, Z.; Zhang, Z.; Xu, X.; Zhang, T.; Huang, X.; Wang, H. Urban Electric Vehicle Fast-Charging Demand Forecasting Model Based on Data-Driven Approach and Human Decision-Making Behavior. Energies 2020, 13, 1412. [Google Scholar] [CrossRef]
- Moon, H.; Park, S.Y.; Jeong, C.; Lee, J. Forecasting electricity demand of electric vehicles by analyzing consumers’ charging patterns. Transp. Res. Part D Transp. Environ. 2018, 62, 64–79. [Google Scholar] [CrossRef]
- Xydas, E.S.; Marmaras, C.E.; Cipcigan, L.M.; Hassan, A.S.; Jenkins, N. Forecasting Electric Vehicle charging demand using Support Vector Machines. In Proceedings of the 2013 48th International Universities’ Power Engineering Conference (UPEC), Dublin, Ireland, 2–5 September 2013; pp. 1–6. [Google Scholar] [CrossRef]
- Almaghrebi, A.; Aljuheshi, F.; Rafaie, M.; James, K.; Alahmad, M. Data-Driven Charging Demand Prediction at Public Charging Stations Using Supervised Machine Learning Regression Methods. Energies 2020, 13, 4231. [Google Scholar] [CrossRef]
- Van Kriekinge, G.; De Cauwer, C.; Sapountzoglou, N.; Coosemans, T.; Messagie, M. Day-Ahead Forecast of Electric Vehicle Charging Demand with Deep Neural Networks. World Electr. Veh. J. 2021, 12, 178. [Google Scholar] [CrossRef]
- Zhou, D.; Guo, Z.; Xie, Y.; Hu, Y.; Jiang, D.; Feng, Y.; Liu, D. Using Bayesian Deep Learning for Electric Vehicle Charging Station Load Forecasting. Energies 2022, 15, 6195. [Google Scholar] [CrossRef]
- Koohfar, S.; Woldemariam, W.; Kumar, A. Prediction of Electric Vehicles Charging Demand: A Transformer-Based Deep Learning Approach. Sustainability 2023, 15, 2105. [Google Scholar] [CrossRef]
- Pal, S.; Kumar, R. Electric Vehicle Scheduling Strategy in Residential Demand Response Programs with Neighbor Connection. IEEE Trans. Ind. Inform. 2018, 14, 980–988. [Google Scholar] [CrossRef]
- Topel, M.; Grundius, J. Load Management Strategies to Increase Electric Vehicle Penetration—Case Study on a Local Distribution Network in Stockholm. Energies 2020, 13, 4809. [Google Scholar] [CrossRef]
- Haider, Z.M.; Mehmood, K.K.; Khan, S.U.; Khan, M.O.; Wadood, A.; Rhee, S.-B. Optimal Management of a Distribution Feeder During Contingency and Overload Conditions by Harnessing the Flexibility of Smart Loads. IEEE Access 2021, 9, 40124–40139. [Google Scholar] [CrossRef]
- Aggarwal, S.; Kumar, N.; Gope, P. An Efficient Blockchain-Based Authentication Scheme for Energy-Trading in V2G Networks. IEEE Trans. Ind. Inform. 2020, 17, 6971–69801. [Google Scholar] [CrossRef]
- Irshad, A.; Usman, M.; Chaudhry, S.A.; Naqvi, H.; Shafiq, M. A Provably Secure and Efficient Authenticated Key Agreement Scheme for Energy Internet Based Vehicle-To-Grid Technology Framework. IEEE Trans. Ind. Appl. 2020, 56, 4425–4435. [Google Scholar] [CrossRef]
- Gil, A.; Taiber, J. A Literature Review in Dynamic Wireless Power Transfer for Electric Vehicles: Technology and Infrastructure Integration Challenges. In Sustainable Automotive Technologies; Lecture Notes in Mobility; Wellnitz, J., Subic, A., Trufin, R., Eds.; Springer: Cham, Switzerland, 2013. [Google Scholar] [CrossRef]
- Araniti, G.; Campolo, C.; Condoluci, M.; Iera, A.; Molinaro, A. LTE for Vehicular Networking: A Survey. IEEE Commun. Mag. 2013, 51, 148–157. [Google Scholar] [CrossRef]
- Molina-Masegosa, R.; Gozalvez, J. LTE-V for Sidelink 5G V2X Vehicular Communications: A New 5G Technology for Short-Range Vehicle-To-Everything Communications. IEEE Veh. Technol. Mag. 2017, 12, 30–39. [Google Scholar] [CrossRef]
- Xu, Z.; Li, X.; Zhao, X.; Zhang, M.H.; Wang, Z. DSRC versus 4G-LTE for Connected Vehicle Applications: A Study on Field Experiments of Vehicular Communication Performance. J. Adv. Transp. 2017, 2017, 2750452. [Google Scholar] [CrossRef]
- Abboud, K.; Omar, H.A.; Zhuang, W. Interworking of DSRC and Cellular Network Technologies for V2X Communications: A Survey. IEEE Trans. Veh. Technol. 2016, 65, 9457–9470. [Google Scholar] [CrossRef]
- Shi, M.; Lu, C.; Zhang, Y.; Yao, D. DSRC and LTE-V Communication Performance Evaluation and Improvement Based on Typical V2X Application at Intersection. In Proceedings of the 2017 Chinese Automation Congress (CAC), Jinan, China, 20–22 October 2017; pp. 556–561. [Google Scholar] [CrossRef]
- Vishnu, P.; Sivraj, P. Smart Parking and Charging Management of Electric Vehicles in Public Parking Space. In Proceedings of the International Conference Intelligent Computing and Control Systems, Madurai, India, 14–15 June 2018. [Google Scholar] [CrossRef]
- Sovacool, B.K.; Noel, L.; Axsen, J.; Kempton, W. The Neglected Social Dimensions to a Vehicle-To-Grid (V2G) Transition: A Critical and Systematic Review. Environ. Res. Lett. 2018, 13, 013001. [Google Scholar] [CrossRef]
- Sovacool, B.K.; Axsen, J.; Kempton, W. The Future Promise of Vehicle-to-Grid (V2G) Integration: A Sociotechnical Review and Research Agenda. Annu. Rev. Environ. Resour. 2017, 42, 377–406. [Google Scholar] [CrossRef]
- Hall, D.; Lutsey, N. Effects of Battery Manufacturing on Electric Vehicle Life-Cycle Greenhouse Gas Emissions; The International Council on Clean Transportation: Washington, DC, USA, 2018. [Google Scholar]
- Hawkins, T.R.; Singh, B.; Majeau-Bettez, G.; Strømman, A.H. Comparative Environmental Life Cycle Assessment of Conventional and Electric Vehicles. J. Ind. Ecol. 2012, 17, 53–64. [Google Scholar] [CrossRef]
- Butt, F.S.; Lewis, A.; Chen, T.; Mazlan, N.A.; Wei, X.; Hayer, J.; Chen, S.; Han, J.; Yang, Y.; Yang, S.; et al. Lithium Harvesting from the Most Abundant Primary and Secondary Sources: A Comparative Study on Conventional and Membrane Technologies. Membranes 2022, 12, 373. [Google Scholar] [CrossRef]
- Ramoni, M.O.; Zhang, H.-C. End-of-Life (EOL) Issues and Options for Electric Vehicle Batteries. Clean Technol. Environ. Policy 2013, 15, 881–891. [Google Scholar] [CrossRef]
- Chen, M.; Ma, X.; Chen, B.; Arsenault, R.; Karlson, P.; Simon, N.; Wang, Y. Recycling End-of-Life Electric Vehicle Lithium-Ion Batteries. Joule 2019, 3, 2622–2646. [Google Scholar] [CrossRef]
- Meegoda, J.N.; Malladi, S.; Zayas, I.C. End-of-Life Management of Electric Vehicle Lithium-Ion Batteries in the United States. Clean Technol. 2022, 4, 1162–1174. [Google Scholar] [CrossRef]
- Hoehne, C.G.; Chester, M.V. Optimizing Plug-in Electric Vehicle and Vehicle-To-Grid Charge Scheduling to Minimize Carbon Emissions. Energy 2016, 115, 646–657. [Google Scholar] [CrossRef]
- King, C.W.; Webber, M.E. The Water Intensity of the Plugged-in Automotive Economy. Environ. Sci. Technol. 2008, 42, 4305–4311. [Google Scholar] [CrossRef] [PubMed]
- Britto, A.B.; Krannich, K. What Is Vehicle to Grid (V2G) Technology? Elektrobit: Erlangen, Germany, 2022; Available online: https://www.elektrobit.com/trends/vehicle-to-grid-technology (accessed on 13 February 2023).
- Bailey, J.; Axsen, J. Anticipating PEV Buyers’ Acceptance of Utility Controlled Charging. Transp. Res. Part A Policy Pract. 2015, 82, 29–46. [Google Scholar] [CrossRef]
- Axsen, J.; Langman, B.; Goldberg, S. Confusion of Innovations: Mainstream Consumer Perceptions and Misperceptions of Electric-Drive Vehicles and Charging Programs in Canada. Energy Res. Soc. Sci. 2017, 27, 163–173. [Google Scholar] [CrossRef]
- Geske, J.; Schumann, D. Willing to Participate in Vehicle-To-Grid (V2G)? Why Not! Energy Policy 2018, 120, 392–401. [Google Scholar] [CrossRef]
- Wong, S.D.; Shaheen, S.A.; Martin, E.; Uyeki, R. Do Incentives Make a Difference? Understanding Smart Charging Program Adoption for Electric Vehicles. Transp. Res. Part C—Emerg. Technol. 2023, 151, 104123. [Google Scholar] [CrossRef]
- Ahmad, S.Y.; Sivasubramani, S. Feasibility of V2G Ideology in Developing Economy: Operation, Analysis and Impact. In Proceedings of the 2016 National Power Systems Conference (NPSC), Bhubaneswar, India, 19–21 December 2016. [Google Scholar] [CrossRef]
- IEA. Global EV Policy Explorer; IEA: Paris, France, 2023; Available online: https://www.iea.org/data-and-statistics/data-tools/global-ev-policy-explorer. (accessed on 24 August 2023).
- Grid Integration of Electric Vehicles. A Manual for Policy Makers. Available online: https://iea.blob.core.windows.net/assets/21fe1dcb-c7ca-4e32-91d4-928715c9d14b/GridIntegrationofElectricVehicles.pdf (accessed on 30 August 2023).
- NITI Aayog. Available online: https://www.niti.gov.in/draft-battery-swapping-policy (accessed on 24 August 2023).
- IEA. Available online: https://www.iea.org/policies/12517-faster-adoption-and-manufacturing-of-hybrid-and-electric-vehicles-fame-scheme-phase-i-ii (accessed on 30 August 2023).













Disclaimer/Publisher’s Note: The statements, opinions and data contained in all publications are solely those of the individual author(s) and contributor(s) and not of MDPI and/or the editor(s). MDPI and/or the editor(s) disclaim responsibility for any injury to people or property resulting from any ideas, methods, instructions or products referred to in the content. |
© 2023 by the authors. Licensee MDPI, Basel, Switzerland. This article is an open access article distributed under the terms and conditions of the Creative Commons Attribution (CC BY) license (https://creativecommons.org/licenses/by/4.0/).
Share and Cite
Vishnu, G.; Kaliyaperumal, D.; Jayaprakash, R.; Karthick, A.; Kumar Chinnaiyan, V.; Ghosh, A. Review of Challenges and Opportunities in the Integration of Electric Vehicles to the Grid. World Electr. Veh. J. 2023, 14, 259. https://doi.org/10.3390/wevj14090259
Vishnu G, Kaliyaperumal D, Jayaprakash R, Karthick A, Kumar Chinnaiyan V, Ghosh A. Review of Challenges and Opportunities in the Integration of Electric Vehicles to the Grid. World Electric Vehicle Journal. 2023; 14(9):259. https://doi.org/10.3390/wevj14090259
Chicago/Turabian StyleVishnu, Gayathry, Deepa Kaliyaperumal, Ramprabhakar Jayaprakash, Alagar Karthick, V. Kumar Chinnaiyan, and Aritra Ghosh. 2023. "Review of Challenges and Opportunities in the Integration of Electric Vehicles to the Grid" World Electric Vehicle Journal 14, no. 9: 259. https://doi.org/10.3390/wevj14090259
APA StyleVishnu, G., Kaliyaperumal, D., Jayaprakash, R., Karthick, A., Kumar Chinnaiyan, V., & Ghosh, A. (2023). Review of Challenges and Opportunities in the Integration of Electric Vehicles to the Grid. World Electric Vehicle Journal, 14(9), 259. https://doi.org/10.3390/wevj14090259

