Design Methodology and Circuit Analysis of Wireless Power Transfer Systems Applied to Electric Vehicles Wireless Chargers
Abstract
1. Introduction
2. Design Methodology for WPT System
2.1. The Resonant WPT System for SS Topology
- Static charging: this mode involves charging the vehicle at specific locations with the engine turned off, either at home or in charging stations.
- Stationary charging: Vehicles can be charged in dedicated zones such as traffic lights while the engine of the vehicle is still running. This mode is particularly useful for public transportation, such as taxis and buses.
- Dynamic charging: This mode involves charging the vehicle when it is in motion, and the road is equipped with electronics to facilitate the charging process.
- The off-board part is situated on the ground outside the vehicle and spans from the Electric Vehicle Supply Equipment (EVSE) to the primary coil.
- The on-board part is located within the vehicle and extends from the receiving coil into the battery of the vehicle.
2.2. Calculation of the Design-Related Parameters
2.2.1. The Design Parameters of the Pad
- The wire diameter , which is selected according to the current of the coil.
- The pitch of the coil represents the height of one complete turn.
- Above Ground Mounting involves mounting the pad assembly on the surface.
- Flush Ground Mounting involves mounting the pad assembly within the surface, with the top of the pad flush with the surface.
- Buried Mounting involves mounting the pad with the top of the pad below the surface.
2.2.2. The Electrical Parameters and the Transferred Power Expression
2.3. Magnetic Core and Shielding Plate: Analysis and Design
2.3.1. Magnetic Core
- Scenario 1: circular coreless model.
- Scenario 2: circular core model using ferrite bars.
- Scenario 3: circular core model using a ferrite plate.
2.3.2. Shielding Plate
2.4. Design Methodology for WPT System for SS Compensation Topology
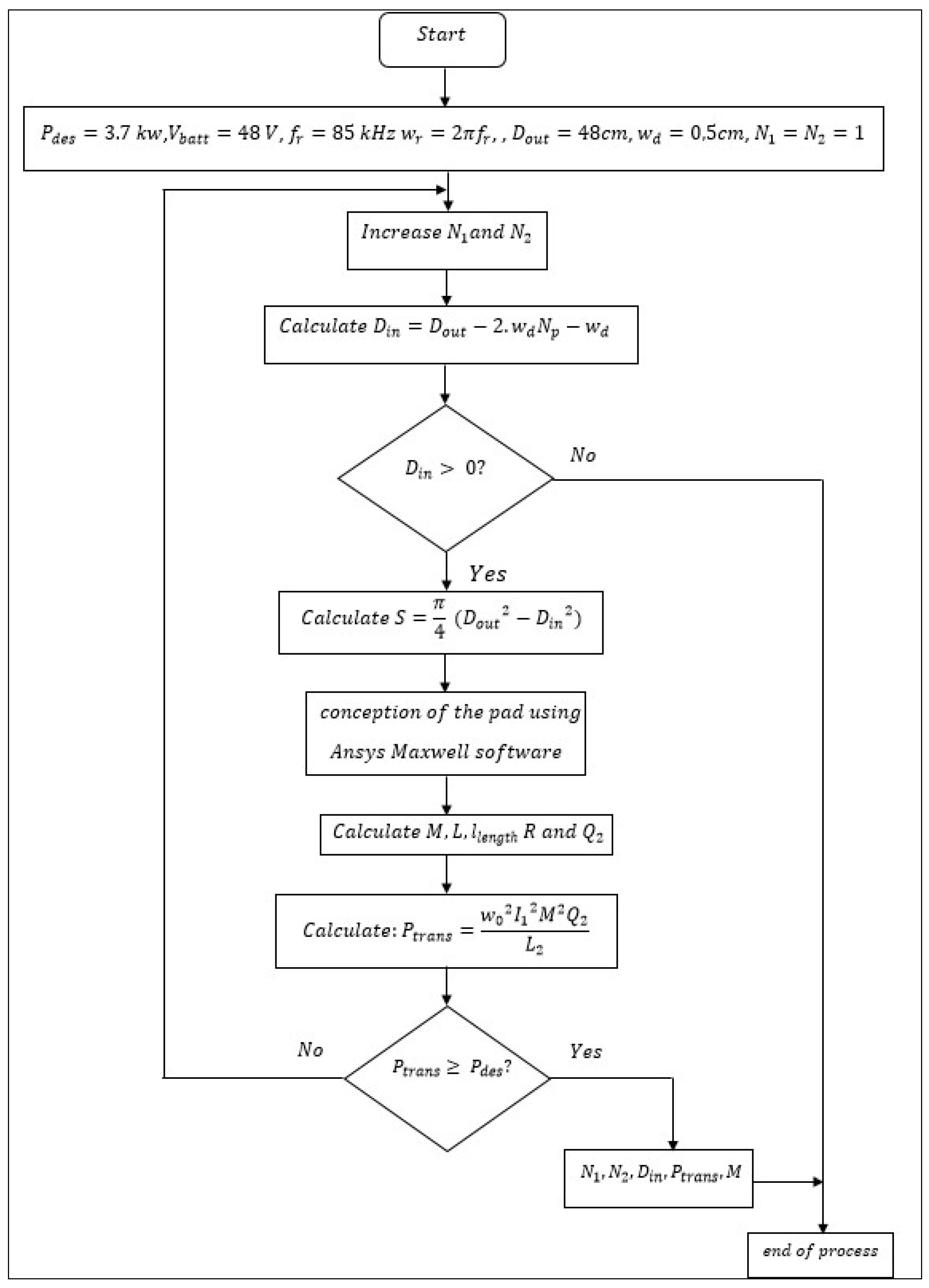
2.4.1. Flow Chart of Pad Dimension Optimization
2.4.2. The Results of Coil Dimensions and Design Parameters for a 3.7 kW WPT System
- Minimizing the length of the cable (Equation (16)).
- Verifying the bifurcation condition (Equation (35)).
3. Verification and Analysis of the Magnetic Design
3.1. Finite Element Modeling
3.2. The Distribution of Magnetic Flux Density
3.3. Types of Losses of the Magnetic Coupler
3.3.1. Losses of the Litz Wire Coil
3.3.2. Losses of the Ferrite Core
3.3.3. Losses of Aluminum Shield
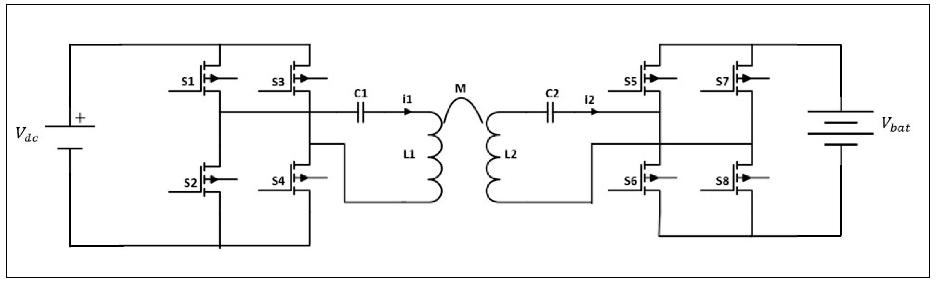
4. Circuit Analysis of the WPT System
4.1. Presentation of the Simulation Circuit
4.2. Simulation Results for 3.7 kW
- Number of turns = 19.
- Mutual inductance = 74.8 .
- Dimensions of ferrite bars = 230 (mm) × 30 (mm) × 20 (mm).
- Dimensions of the aluminium plate = 600 (mm) × 600 (mm) × 1 (mm).
4.3. Bifurcation Phenomenon in WPT System
5. Conclusions
- The importance of ferrite and aluminum in the system.
- The exact dimensions of the ferrite and aluminum plate bars.
- A clear methodology based on FEA software that provides optimized pad dimensions such as the length of the litz wire needed for coil construction, the outer diameter Dout, the inner diameter Din, and the number of turns N.
- The study incorporates a circuit analysis to confirm the identified dimensions and enhance the efficiency of the system.
Author Contributions
Funding
Acknowledgments
Conflicts of Interest
References
- Hwang, Y.J.; Kim, J.M. A Double Helix Flux Pipe-Based Inductive Link for Wireless Charging of Electric Vehicles. World Electr. Veh. J. 2020, 11, 33. [Google Scholar] [CrossRef]
- Olukotun, B.; Partridge, J.; Bucknall, R. Finite Element Modeling and Analysis of High Power, Low-Loss Flux-Pipe Resonant Coils for Static Bidirectional Wireless Power Transfer. Energies 2019, 12, 3534. [Google Scholar] [CrossRef]
- Zhang, X.; Zhu, C.; Song, H. Wireless Power Transfer Technologies for Electric Vehicles; Key Technologies on New Energy Vehicles; Springer Nature: Singapore, 2022; ISBN 9789811683473. [Google Scholar] [CrossRef]
- Bouanou, T.; El Fadil, H.; Lassioui, A.; Assaddiki, O.; Njili, S. Analysis of Coil Parameters and Comparison of Circular, Rectangular, and Hexagonal Coils Used in WPT System for Electric Vehicle Charging. World Electr. Veh. J. 2021, 12, 45. [Google Scholar] [CrossRef]
- Bouanou, T.; Fadil, H.E.; Lassioui, A. Analysis and Design of Circular Coil Transformer in a Wireless Power Transfer System for Electric Vehicle Charging Application. In Proceedings of the 2020 International Conference on Electrical and Information Technologies (ICEIT), Rabat, Morocco, 4–7 March 2020; pp. 1–6. [Google Scholar] [CrossRef]
- Alsayegh, M.; Saifo, M.; Clemens, M.; Schmuelling, B. Magnetic and Thermal Coupled Field Analysis of Wireless Charging Systems for Electric Vehicles. IEEE Trans. Magn. 2019, 55, 1–4. [Google Scholar] [CrossRef]
- Liang, C.; Yang, G.; Yuan, F.; Huang, X.; Sun, Y.; Li, J.; Song, K. Modeling and Analysis of Thermal Characteristics of Magnetic Coupler for Wireless Electric Vehicle Charging System. IEEE Access 2020, 8, 173177–173185. [Google Scholar] [CrossRef]
- Vaka, R.; Keshri, R.K. Design Considerations for Enhanced Coupling Coefficient and Misalignment Tolerance Using Asymmetrical Circular Coils for WPT System. Arab. J. Sci. Eng. 2019, 44, 1949–1959. [Google Scholar] [CrossRef]
- Triviño-Cabrera, A.; González-González, J.M.; Aguado, J.A. Wireless Power Transfer for Electric Vehicles: Foundations and Design Approach; Power Systems; Springer International Publishing: Cham, Switzerland, 2020; ISBN 978-3-030-26705-6. [Google Scholar] [CrossRef]
- Ahmad, A.; Alam, M.S.; Mohamed, A.A.S. Design and Interoperability Analysis of Quadruple Pad Structure for Electric Vehicle Wireless Charging Application. IEEE Trans. Transp. Electrif. 2019, 5, 934–945. [Google Scholar] [CrossRef]
- Yang, Y.; El Baghdadi, M.; Lan, Y.; Benomar, Y.; Van Mierlo, J.; Hegazy, O. Design Methodology, Modeling, and Comparative Study of Wireless Power Transfer Systems for Electric Vehicles. Energies 2018, 11, 1716. [Google Scholar] [CrossRef]
- Kalwar, K.A.; Aamir, M.; Mekhilef, S. A Design Method for Developing a High Misalignment Tolerant Wireless Charging System for Electric Vehicles. Measurement 2018, 118, 237–245. [Google Scholar] [CrossRef]
- Yang, Y.; Cui, J.; Cui, X. Design and Analysis of Magnetic Coils for Optimizing the Coupling Coefficient in an Electric Vehicle Wireless Power Transfer System. Energies 2020, 13, 4143. [Google Scholar] [CrossRef]
- Sallan, J.; Villa, J.L.; Llombart, A.; Sanz, J.F. Optimal Design of ICPT Systems Applied to Electric Vehicle Battery Charge. IEEE Trans. Ind. Electron. 2009, 56, 2140–2149. [Google Scholar] [CrossRef]
- Siroos, A.; Sedighizadeh, M.; Afjei, E.; Sheikhi Fini, A.; Yarkarami, S. System Identification and Control Design of a Wireless Charging Transfer System with Double-Sided LCC Converter. Arab. J. Sci. Eng. 2021, 46, 9735–9751. [Google Scholar] [CrossRef]
- Kim, H.; Song, C.; Kim, D.-H.; Jung, D.H.; Kim, I.-M.; Kim, Y.-I.; Kim, J.; Ahn, S.; Kim, J. Coil Design and Measurements of Automotive Magnetic Resonant Wireless Charging System for High-Efficiency and Low Magnetic Field Leakage. IEEE Trans. Microw. Theory Tech. 2016, 64, 383–400. [Google Scholar] [CrossRef]
- Lassioui, A.; Fadil, H.E.; Rachid, A.; El-Idrissi, Z.; Bouanou, T.; Belhaj, F.Z.; Giri, F. Modelling and Sliding Mode Control of a Wireless Power Transfer System for BEV Charger. Int. J. Model. Identif. Control 2020, 34, 171–186. [Google Scholar] [CrossRef]
- J2954 (WIP) Wireless Power Transfer for Light-Duty Plug-In/Electric Vehicles and Alignment Methodology—SAE International. Available online: https://www.sae.org/standards/content/j2954/ (accessed on 7 September 2020).
- Patil, D.; McDonough, M.K.; Miller, J.M.; Fahimi, B.; Balsara, P.T. Wireless Power Transfer for Vehicular Applications: Overview and Challenges. IEEE Trans. Transp. Electrif. 2018, 4, 3–37. [Google Scholar] [CrossRef]
- Aditya, K. Design and Implementation of an Inductive Power Transfer System for Wireless Charging of Future Electric Transportation. Ph.D. Dissertation, University of Ontario Institute of Technology, Oshawa, ON, Canada, 2016. [Google Scholar]
- Bentalhik, I.; Lassioui, A.; EL Fadil, H.; Bouanou, T.; Rachid, A.; EL Idrissi, Z.; Hamed, A.M. Analysis, Design and Realization of a Wireless Power Transfer Charger for Electric Vehicles: Theoretical Approach and Experimental Results. World Electr. Veh. J. 2022, 13, 121. [Google Scholar] [CrossRef]
- Onar, O.C.; Chinthavali, M.; Campbell, S.L.; Seiber, L.E.; White, C.P.; Galigekere, V.P. Modeling, Simulation, and Experimental Verification of a 20-KW Series-Series Wireless Power Transfer System for a Toyota RAV4 Electric Vehicle. In Proceedings of the 2018 IEEE Transportation Electrification Conference and Expo (ITEC), Long Beach, CA, USA, 13–15 June 2018; pp. 874–880. [Google Scholar] [CrossRef]
- Covic, G.A.; Boys, J.T. Inductive Power Transfer. Proc. IEEE 2013, 101, 1276–1289. [Google Scholar] [CrossRef]
- Mude, K.N. Wireless Power Transfer for Electric Vehicle. Doctoral Dissertation, University of Padova, Padova, Italy, 2015. [Google Scholar]
- Zhang, W.; White, J.C.; Abraham, A.M.; Mi, C.C. Loosely Coupled Transformer Structure and Interoperability Study for EV Wireless Charging Systems. IEEE Trans. Power Electron. 2015, 30, 6356–6367. [Google Scholar] [CrossRef]
- Budhia, M.; Covic, G.A.; Boys, J.T. Design and Optimization of Circular Magnetic Structures for Lumped Inductive Power Transfer Systems. IEEE Trans. Power Electron. 2011, 26, 3096–3108. [Google Scholar] [CrossRef]
- Jiao, C.; Xu, Y.; Li, X.; Zhang, X.; Zhao, Z.; Pang, C. Electromagnetic Shielding Techniques in the Wireless Power Transfer System for Charging Inspection Robot Application. Int. J. Antennas Propag. 2021, 2021, 9984595. [Google Scholar] [CrossRef]
- Cui, H.; Zhong, W.; Li, H.; He, F.; Chen, M.; Xu, D. A Study on the Shielding for Wireless Charging Systems of Electric Vehicles. In Proceedings of the 2018 IEEE Applied Power Electronics Conference and Exposition (APEC), San Antonio, TX, USA, 4–8 March 2018; pp. 1336–1343. [Google Scholar] [CrossRef]
- Kim, H.; Cho, J.; Ahn, S.; Kim, J.; Kim, J. Suppression of Leakage Magnetic Field from a Wireless Power Transfer System Using Ferrimagnetic Material and Metallic Shielding. In Proceedings of the 2012 IEEE International Symposium on Electromagnetic Compatibility, Pittsburgh, PA, USA, 6–10 August 2012; pp. 640–645. [Google Scholar] [CrossRef]
- ICNIRP|LF (1 Hz–100 KHz). Available online: https://www.icnirp.org/en/frequencies/low-frequency/index.html (accessed on 6 September 2020).
- Wojda, R.P.; Kazimierczuk, M.K. Winding Resistance and Power Loss of Inductors With Litz and Solid-Round Wires. IEEE Trans. Ind. Appl. 2018, 54, 3548–3557. [Google Scholar] [CrossRef]
- Lee, S.-H.; Lorenz, R.D. Development and Validation of Model for 95%-Efficiency 220-W Wireless Power Transfer Over a 30-Cm Air Gap. IEEE Trans. Ind. Appl. 2011, 47, 2495–2504. [Google Scholar] [CrossRef]
- Moghaddami, M.; Sarwat, A. Time-Dependent Multi-Physics Analysis of Inductive Power Transfer Systems. In Proceedings of the 2018 IEEE Transportation Electrification Conference and Expo (ITEC), Long Beach, CA, USA, 13–15 June 2018; pp. 130–134. [Google Scholar] [CrossRef]
- Kim, K.Y. (Ed.) Wireless Power Transfer—Principles and Engineering Explorations; InTech: London, UK, 2012; ISBN 978-953-307-874-8. [Google Scholar] [CrossRef]
- Wang, G.-S.; Covic, G.A.; Stielau, O.H. Power Transfer Capability and Bifurcation Phenomena of Loosely Coupled Inductive Power Transfer Systems. IEEE Trans. Ind. Electron. 2004, 51, 148–157. [Google Scholar] [CrossRef]
















| Ferrite | (mm) |
|---|---|
| Dimensions of ferrite bar | 225 × 30 × 20 |
| Dimensions of ferrite plate (radius × thickness) | 250 × 20 |
| Gap Variation (mm) | The Coupling Coefficient | ||
|---|---|---|---|
| Case 1 | Case 2 | Case 3 | |
| 100 | 0.254742 | 0.369677 | 0.385042 |
| 120 | 0.209370 | 0.305432 | 0.316385 |
| 140 | 0.173810 | 0.253880 | 0.261800 |
| 160 | 0.145391 | 0.212085 | 0.217908 |
| 180 | 0.122344 | 0.178019 | 0.180967 |
| 200 | 0.103442 | 0.149973 | 0.153215 |
| Parameters | (mm) |
|---|---|
| Dimensions of ferrite bars | 230 × 30 × 20 |
| Dimensions of ferrite plate | 600 × 600 × 1 |
| N = 11 | N = 13 | N = 16 | N = 17 | N = 18 | N = 19 | |
|---|---|---|---|---|---|---|
| 26.38 | 36.13 | 54.86 | 62.40 | 68.07 | 74.80 | |
| 1.4 | 1.92 | 2.92 | 3.29 | 3.61 | 3.97 |
| Title 1 | Title 2 |
|---|---|
| 285 mm | |
| 239.30 µH | |
| 239.24 µH | |
| 74.80 µH | |
| 0.31 | |
| 14.65 nF | |
| 14.65 nF |
| Operating Frequency | Strand Gauge | Strand Diameter | Number of Strands | Nominal Outside Diameter | Construction Type |
|---|---|---|---|---|---|
| 50 KHz to 100 kHz | AWG 38 | 0.1007 mm | 1050 | 0.189 inches | 2 |
Disclaimer/Publisher’s Note: The statements, opinions and data contained in all publications are solely those of the individual author(s) and contributor(s) and not of MDPI and/or the editor(s). MDPI and/or the editor(s) disclaim responsibility for any injury to people or property resulting from any ideas, methods, instructions or products referred to in the content. |
© 2023 by the authors. Licensee MDPI, Basel, Switzerland. This article is an open access article distributed under the terms and conditions of the Creative Commons Attribution (CC BY) license (https://creativecommons.org/licenses/by/4.0/).
Share and Cite
Bouanou, T.; El Fadil, H.; Lassioui, A.; Bentalhik, I.; Koundi, M.; El Jeilani, S. Design Methodology and Circuit Analysis of Wireless Power Transfer Systems Applied to Electric Vehicles Wireless Chargers. World Electr. Veh. J. 2023, 14, 117. https://doi.org/10.3390/wevj14050117
Bouanou T, El Fadil H, Lassioui A, Bentalhik I, Koundi M, El Jeilani S. Design Methodology and Circuit Analysis of Wireless Power Transfer Systems Applied to Electric Vehicles Wireless Chargers. World Electric Vehicle Journal. 2023; 14(5):117. https://doi.org/10.3390/wevj14050117
Chicago/Turabian StyleBouanou, Tasnime, Hassan El Fadil, Abdellah Lassioui, Issam Bentalhik, Mohamed Koundi, and Sidina El Jeilani. 2023. "Design Methodology and Circuit Analysis of Wireless Power Transfer Systems Applied to Electric Vehicles Wireless Chargers" World Electric Vehicle Journal 14, no. 5: 117. https://doi.org/10.3390/wevj14050117
APA StyleBouanou, T., El Fadil, H., Lassioui, A., Bentalhik, I., Koundi, M., & El Jeilani, S. (2023). Design Methodology and Circuit Analysis of Wireless Power Transfer Systems Applied to Electric Vehicles Wireless Chargers. World Electric Vehicle Journal, 14(5), 117. https://doi.org/10.3390/wevj14050117

