LMS/RLS/OCTAVE Vibration Controls of Cold Orbital Forging Machines for Improving Quality of Forged Vehicle Parts
Abstract
1. Introduction
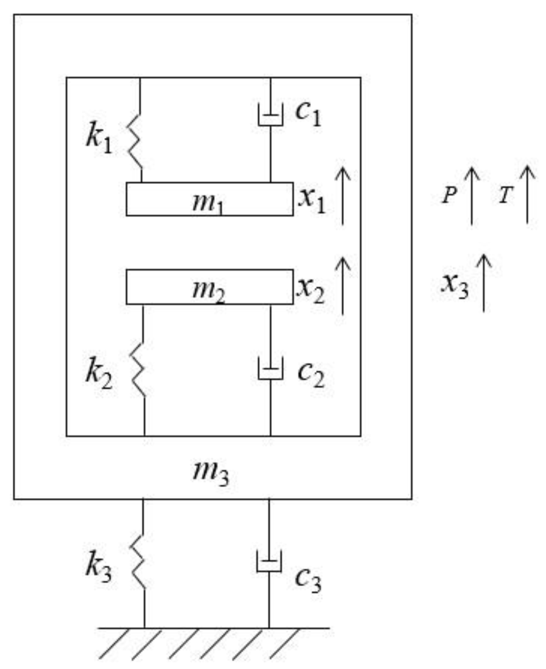
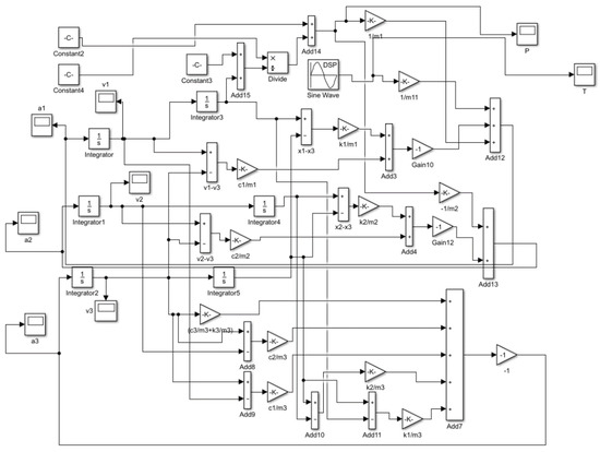
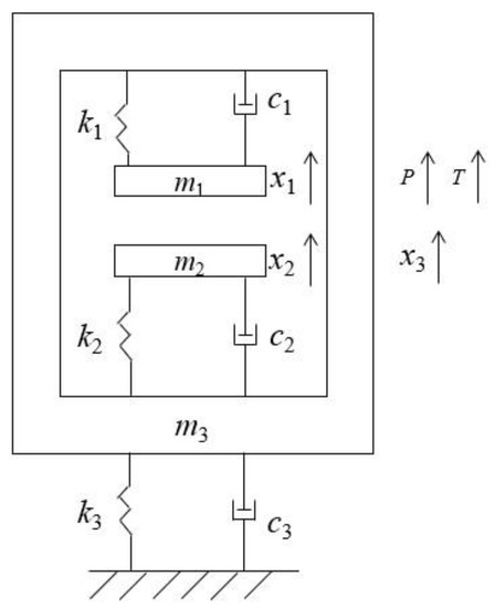
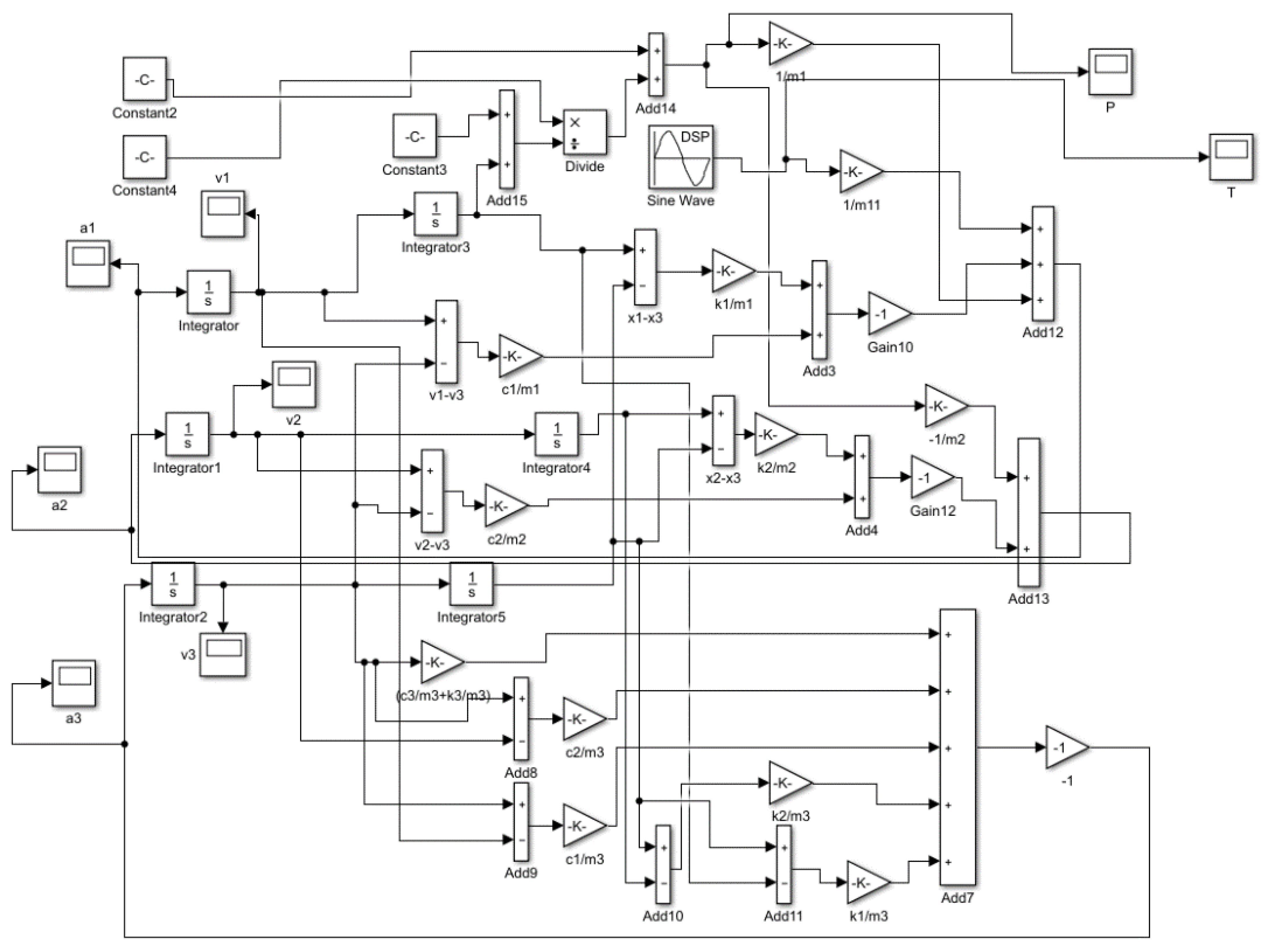
2. Dynamics Analyses of the COF Machine
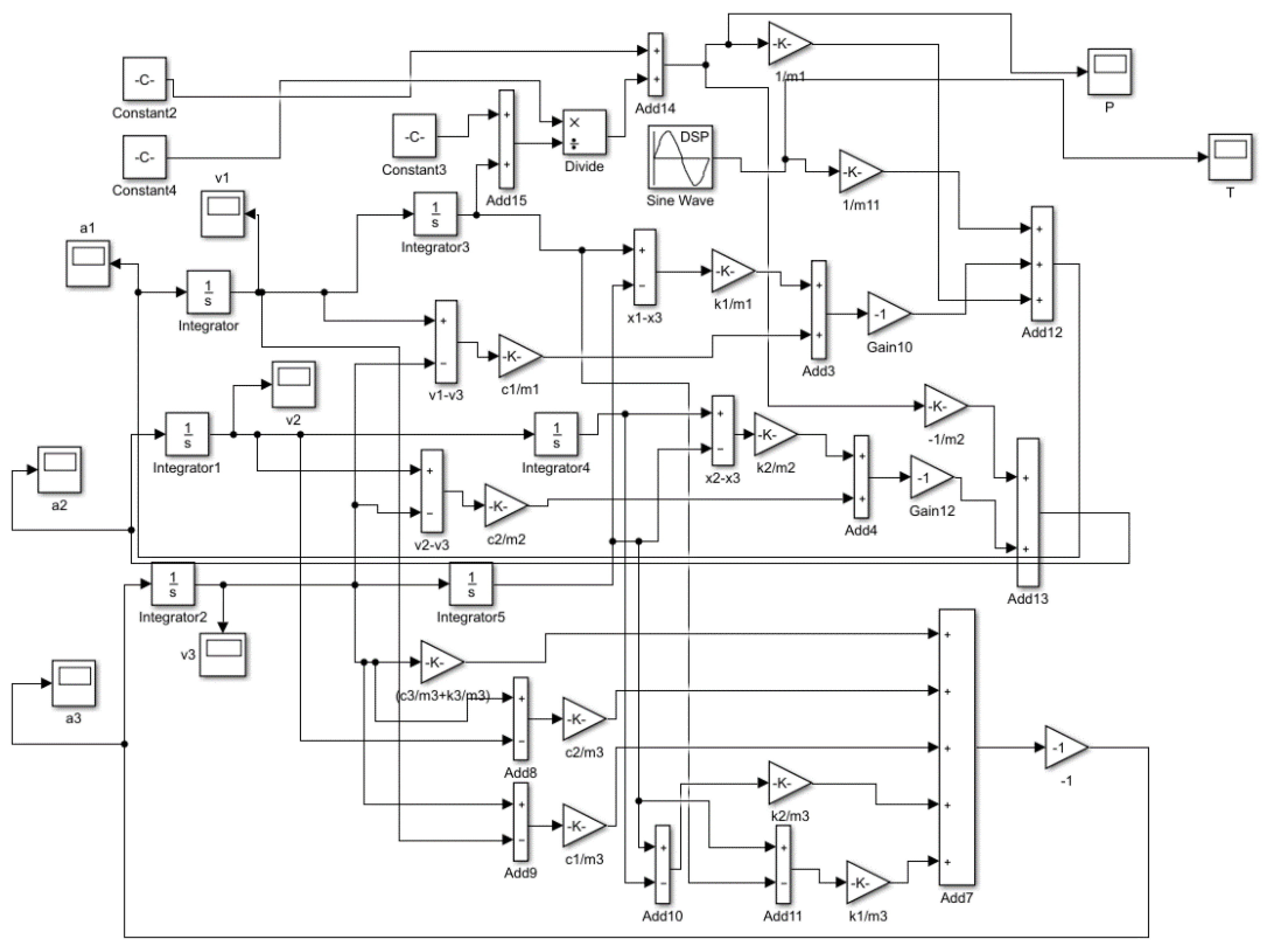
3. Vibration Controls of the COF Machine
3.1. LMS Vibration Control of the COF Machine
3.2. RLS Vibration Control of the COF Machine
3.3. OCTAVE Vibration Control of the COF Machine
4. Conclusions
- (1)
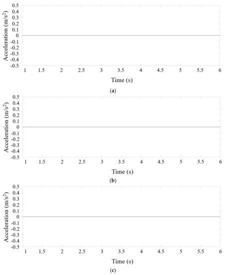
- The vibration on the swing shaft severely affects the quality of the forged part because the swing shaft directly contacts the part and the vibration on the swing shaft is fiercer than the other positions.
- (2)
- The vibration amplitudes of the swing shaft applying LMS and RLS vibration controls are close to zero m/s2, and the effects of these two kinds of vibration controls are good.
- (3)
- The effect of the OCTAVE vibration control is worse than the LMS and RLS, but it still obviously reduces the vibration of the COF machine.
Author Contributions
Funding
Data Availability Statement
Conflicts of Interest
References
- Han, X.H.; Zhang, X.C.; Hua, L. Calculation method for rocking die motion track in cold orbital forging. J. Manuf. Sci. Eng. 2016, 138, 014501. [Google Scholar] [CrossRef]
- Han, X.H.; Zhang, X.C.; Hua, L. Calculation of kinetic locus of upper tool in cold orbital forging machine with two eccentricity rings. J. Mech. Sci. Technol. 2015, 29, 4351–4358. [Google Scholar] [CrossRef]
- Yang, X.; Li, Q.; Tong, C.N.; Liu, Q.H. Vertical vibration model for unsteady lubrication in rolls-strip interface of cold rolling mills. Adv. Mech. Eng. 2012, 2012, 1432–1437. [Google Scholar] [CrossRef]
- Wang, L.; Frayman, Y. A dynamically generated fuzzy neural network and its application to torsional vibration control of tandem cold rolling mill spindles. Eng. Appl. Artif. Intell. 2002, 15, 541–550. [Google Scholar] [CrossRef]
- Liu, Z.Q.; Fu-Cai, L.I.; Chen, K. Vibration data acquisition and alarm judgment system of cold-rolling mills. Noise Vib. Control. 2014, 34, 225–231. [Google Scholar]
- Kim, Y.; Kim, C.W.; Lee, S. Dynamic modeling and numerical analysis of a cold rolling mill. Int. J. Precis. Eng. Manuf. 2013, 14, 407–413. [Google Scholar] [CrossRef]
- Kim, Y.; Kim, C.W.; Lee, S. Experimental and numerical investigation of the vibration characteristics in a cold rolling mill using multibody dynamics. ISIJ Int. 2012, 52, 2042–2047. [Google Scholar] [CrossRef]
- Paul, P.S.; Kumar, C.; Joshua, M. Study on the influence of magnetorheological fluid on tool vibration during end milling process. Int. J. Dyn. Control 2017, 5, 1–8. [Google Scholar] [CrossRef]
- Rashid, A.; Nicolescu, C.M. Design and implementation of tuned viscoelastic dampers for vibration control in milling. Int. J. Mach. Tools Manuf. 2008, 48, 1036–1053. [Google Scholar] [CrossRef]
- Nagaya, K.; Kobayasi, J.; Imai, K. Micro-vibration control of milling machine by using auto tuning absorber for anti-resonance and damping and its cutting tests. Proc. Jpn. Mech. Soc. 1999, 65, 113–120. [Google Scholar] [CrossRef][Green Version]
- Liu, Y.X.; Shu, Y.W.; Hu, W.T. Active vibration control of mechanical servo high speed fine-blanking press. Stroj. Vestn.-J. Mech. Eng. 2021, 67, 445–457. [Google Scholar] [CrossRef]
- Richiedei, D.; Tamellin, I.; Trevisani, A. Unit-rank output feedback control for antiresonance assignment in lightweight systems. Mech. Syst. Signal Processing 2022, 164, 108250. [Google Scholar] [CrossRef]
- Richiedei, D.; Tamellin, I.; Trevisani, A. Pole-zero assignment by the receptance method: Multi-input active vibration control. Mech. Syst. Signal Processing 2022, 172, 108976. [Google Scholar] [CrossRef]
- Francisco, B.C.; Gerardo, S.N. Output feedback dynamic control for trajectory tracking and vibration suppression. Appl. Math. Model. 2020, 79, 793–808. [Google Scholar]
- Francisco, B.C.; Gerardo, S.N. Generalized nonlinear stiffness identification on controlled mechanical vibrating systems. Asian J. Control 2019, 21, 1281–1292. [Google Scholar]
- Zhou, K.; Zhang, J.W.; Li, Q.S. Control performance of active tuned mass damper for mitigating wind-induced vibrations of a 600-m-tall skyscraper. J. Build. Eng. 2021, 45, 103646. [Google Scholar] [CrossRef]
- Hua, L.; Chen, M.Z.; Han, X.H. Research on vibration model and vibration performance of cold orbital forging machines. Proc. Inst. Mech. Eng. Part B J. Eng. Manuf. 2021, 236, 828–843. [Google Scholar] [CrossRef]
- Gu, Z.Q.; Chen, M.Z.; Wang, C.Y. Static and dynamic analysis of a 6300 KN cold orbital forging machine. Processes 2021, 9, 7. [Google Scholar] [CrossRef]












| Parameter | Value |
|---|---|
| Mass of swing shaft (m1, kg) | 689.1356 |
| Total mass of lower die and lower table (m2, kg) | 887.3640 |
| Mass of frame (m3, kg) | 11,000 |
| Equivalent stiffness (k1, N/m) | 9.763 × 107 |
| Equivalent stiffness (k2, N/m) | 1.341 × 108 |
| Equivalent stiffness (k3, N/m) | 4.703 × 107 |
| Equivalent damping (c1, N·S/m) | 1.073 × 104 |
| Equivalent damping (c2, N·S/m) | 2.257 × 104 |
| Equivalent damping (c3, N·S/m) | 6.092 × 103 |
Publisher’s Note: MDPI stays neutral with regard to jurisdictional claims in published maps and institutional affiliations. |
© 2022 by the authors. Licensee MDPI, Basel, Switzerland. This article is an open access article distributed under the terms and conditions of the Creative Commons Attribution (CC BY) license (https://creativecommons.org/licenses/by/4.0/).
Share and Cite
Chen, M.; Ning, X.; Zhou, Z.; Shu, Y.; Tang, Y.; Cao, Y.; Shang, X.; Han, X. LMS/RLS/OCTAVE Vibration Controls of Cold Orbital Forging Machines for Improving Quality of Forged Vehicle Parts. World Electr. Veh. J. 2022, 13, 76. https://doi.org/10.3390/wevj13050076
Chen M, Ning X, Zhou Z, Shu Y, Tang Y, Cao Y, Shang X, Han X. LMS/RLS/OCTAVE Vibration Controls of Cold Orbital Forging Machines for Improving Quality of Forged Vehicle Parts. World Electric Vehicle Journal. 2022; 13(5):76. https://doi.org/10.3390/wevj13050076
Chicago/Turabian StyleChen, Mingzhang, Xinfei Ning, Zijian Zhou, Yuwen Shu, Yun Tang, Yang Cao, Xuebing Shang, and Xinghui Han. 2022. "LMS/RLS/OCTAVE Vibration Controls of Cold Orbital Forging Machines for Improving Quality of Forged Vehicle Parts" World Electric Vehicle Journal 13, no. 5: 76. https://doi.org/10.3390/wevj13050076
APA StyleChen, M., Ning, X., Zhou, Z., Shu, Y., Tang, Y., Cao, Y., Shang, X., & Han, X. (2022). LMS/RLS/OCTAVE Vibration Controls of Cold Orbital Forging Machines for Improving Quality of Forged Vehicle Parts. World Electric Vehicle Journal, 13(5), 76. https://doi.org/10.3390/wevj13050076

