Parity–Time Symmetric Model and Analysis for Stable Multi-Load Wireless Power Transfer
Abstract
:1. Introduction
2. Materials and Methods
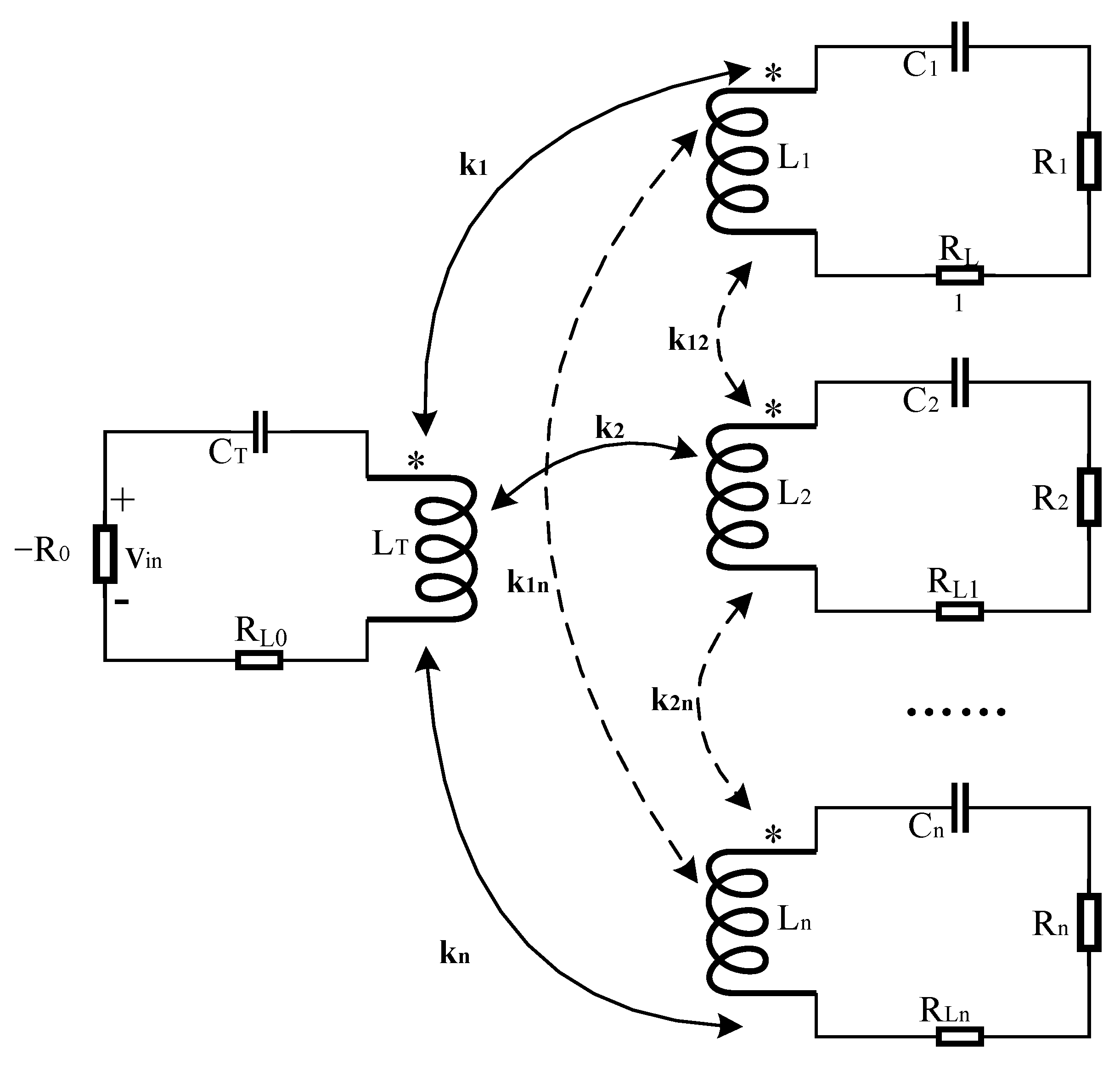
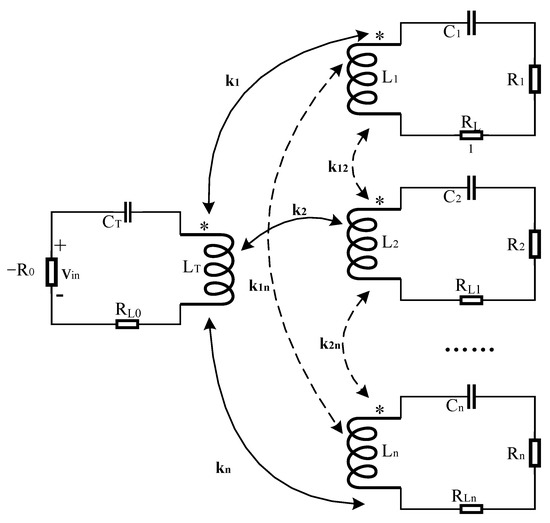
2.1. Coupled Mode Equation of the Multi-Load WPT System
2.2. High-Order Multi-Load PT-WPT System
3. Analysis of the Eigenfrequency of the Multi-Load PT-WPT System
4. The Efficiency of the PT-WPT System
5. Conclusions
Author Contributions
Funding
Institutional Review Board Statement
Informed Consent Statement
Data Availability Statement
Conflicts of Interest
References
- Du, S.; Chan, E.K.; Wen, B.; Hong, J.; Widmer, H.; Wheatley, C.E. Wireless power transfer using oscillating magnets. IEEE Trans. Ind. Electron. 2017, 65, 6259–6269. [Google Scholar] [CrossRef]
- Li, Z.; Zhu, C.; Jiang, J.; Song, K.; Wei, G. A 3-kw wireless power transfer system for sightseeing car supercapacitor charge. IEEE Trans. Power Electron. 2017, 32, 3301–3316. [Google Scholar] [CrossRef]
- Hasaba, R.; Okamoto, K.; Kawata, S.; Eguchi, K.; Koyanagi, Y. Magnetic Resonance Wireless Power Transfer Over 10 m With Multiple Coils Immersed in Seawater. IEEE Trans. Microw. Theory Tech. 2019, 67, 4505–4513. [Google Scholar] [CrossRef]
- Li, K.; Ni, W.; Duan, L.; Abolhasan, M.; Niu, J. Wireless power transfer and data collection in wireless sensor networks. IEEE Trans. Veh. Technol. 2017, 67, 2686–2697. [Google Scholar] [CrossRef] [Green Version]
- Elkhatiri, A.; Oumidou, N.; Labbadi, M.; Lhayani, M.; Cherkaoui, M. Magnetic Chargers in Electrical Models: Operating Principle and Efficiency Analysis of an Inductively Coupled Power Transfer System. In Proceedings of the Digital Technologies and Applications. ICDTA 2021, Fez, Morocco, 29–30 January 2021; Volume 211, pp. 1561–1572. [Google Scholar]
- Oumidou, N.; Elkhatiri, A.; Khalil, S.; Labbadi, M.; Cherkaoui, M. Comparison Study of the Resonant Inductive Power Transfer for Recharging Electric Vehicles. In Proceedings of the Digital Technologies and Applications. ICDTA 2021, Fez, Morocco, 29–30 January 2021; Volume 211, pp. 1549–1559. [Google Scholar]
- Ahn, D.; Kim, S.M.; Kim, S.W.; Moon, J.I.; Cho, I.K. Wireless power transfer receiver with adjustable coil output voltage for multiple receivers application. IEEE Trans. Power Electron. 2019, 66, 4003–4012. [Google Scholar] [CrossRef]
- Fu, M.; Yin, H.; Ma, C. Megahertz Multiple-Receiver Wireless Power Transfer Systems with Power Flow Management and Maximum Efficiency Point Tracking. IEEE Trans. Microw. Theory Tech. 2017, 65, 4285–4293. [Google Scholar] [CrossRef]
- Kim, S.; Lee, B. Control of magnetic field distribution by excitation phases of transmitters in MIMO WPT system. In Proceedings of the URSI Asia-Pacific Radio Science Conference (URSI AP-RASC), Seoul, Korea, 21–25 August 2016; pp. 861–863. [Google Scholar]
- Lin, D.; Zhang, C.; Hui, S.Y.R. Mathematic analysis of omnidirectional wireless power transfer—Part-I: Two-Dimensional Systems. IEEE Trans. Power Electron. 2017, 32, 625–633. [Google Scholar] [CrossRef]
- Lin, D.; Zhang, C.; Hui, S.Y.R. Mathematic analysis of omnidirectional wireless power transfer—part-II three-dimensional systems. IEEE Trans. Power Electron. 2017, 32, 613–624. [Google Scholar] [CrossRef]
- Zhu, Q.; Su, M.; Sun, Y.; Tang, W.; Hu, A.P. Field Orientation Based on Current Amplitude and Phase Angle Control for Wireless Power Transfer. IEEE Trans. Ind. Electron. 2018, 65, 4758–4770. [Google Scholar] [CrossRef]
- Han, H.; Mao, Z.; Zhu, Q.; Su, M.; Hu, A.P. A 3D Wireless Charging Cylinder With Stable Rotating Magnetic Field for Multi-Load Application. IEEE Access 2019, 7, 35981–35997. [Google Scholar] [CrossRef]
- Feng, J.; Li, Q.; Lee, F.C. Coil and Circuit Design of Omnidirectional Wireless Power Transfer System for Portable Device Application. In Proceedings of the 2018 IEEE Energy Conversion Congress and Exposition (ECCE), Portland, OR, USA, 23–27 September 2018; pp. 914–920. [Google Scholar]
- Kawabata, K.; Shiozaki, K.; Ueda, M.; Sato, M. Symmetry and Topology in Non-Hermitian Physics. Phys. Rev. X 2018, 9, 041015. [Google Scholar] [CrossRef] [Green Version]
- Assawaworrarit, S.; Yu, X.; Fan, S. Robust wireless power transfer using a nonlinear parity-time-symmetric circuit. Nature 2017, 546, 387–390. [Google Scholar] [CrossRef]
- Zhou, J.; Zhang, B.; Xiao, W.; Qiu, D.; Chen, Y. Nonlinear Parity-Time-Symmetric Model for Constant Efficiency Wireless Power Transfer: Application to a Drone-in-Flight Wireless Charging Platform. IEEE Trans. Ind. Electron. 2018, 66, 4097–4107. [Google Scholar] [CrossRef]
- Zeng, C.; Sun, Y.; Li, G.; Li, Y.; Jiang, H.; Yang, Y.; Chen, H. High-Order Parity-Time Symmetric Model for Stable Three-Coil Wireless Power Transfer. Phys. Rev. Appl. 2020, 13, 034054. [Google Scholar] [CrossRef]
- Luo, C.; Qiu, D.; Lin, M.; Zhang, B. Circuit Model and Analysis of Multi-Load Wireless Power Transfer System Based on Parity-Time Symmetry. Energies 2020, 13, 3260. [Google Scholar] [CrossRef]
- Bou-Balust, E.; Hu, A.P.; Alarcon, E. Scalability Analysis of SIMO Non-Radiative Resonant Wireless Power Transfer Systems Based on Circuit Models. IEEE Trans. Circuits Syst. I Regul. Pap. 2015, 62, 2574–2583. [Google Scholar] [CrossRef]
- Vinko, D.; Pavlović, I.; Runac, K. Application of DC-DC converters in loosely coupled wireless power transmission systems. In Proceedings of the 2017 International Conference on Smart Systems and Technologies (SST), Osijek, Croatia, 18–20 October 2017; pp. 51–54. [Google Scholar]
- Lee, K.; Cho, D.H. Analysis of Wireless Power Transfer for Adjustable Power Distribution among Multiple Receivers. IEEE Antennas Wirel. Propag. Lett. 2015, 14, 950–953. [Google Scholar] [CrossRef]
- Zeng, C.; Sun, Y.; Li, G.; Li, Y.; Jiang, H.; Yang, Y.; Chen, H. Enhanced sensitivity at high-order exceptional points in a passive wireless sensing system. J. Opt. Express 2019, 27, 27562–27572. [Google Scholar] [CrossRef] [PubMed]







Publisher’s Note: MDPI stays neutral with regard to jurisdictional claims in published maps and institutional affiliations. |
© 2021 by the authors. Licensee MDPI, Basel, Switzerland. This article is an open access article distributed under the terms and conditions of the Creative Commons Attribution (CC BY) license (https://creativecommons.org/licenses/by/4.0/).
Share and Cite
Zhu, Z.; Yuan, H.; Zhang, R.; Yang, A.; Wang, X.; Rong, M. Parity–Time Symmetric Model and Analysis for Stable Multi-Load Wireless Power Transfer. World Electr. Veh. J. 2021, 12, 226. https://doi.org/10.3390/wevj12040226
Zhu Z, Yuan H, Zhang R, Yang A, Wang X, Rong M. Parity–Time Symmetric Model and Analysis for Stable Multi-Load Wireless Power Transfer. World Electric Vehicle Journal. 2021; 12(4):226. https://doi.org/10.3390/wevj12040226
Chicago/Turabian StyleZhu, Zhenghao, Huan Yuan, Renjie Zhang, Aijun Yang, Xiaohua Wang, and Mingzhe Rong. 2021. "Parity–Time Symmetric Model and Analysis for Stable Multi-Load Wireless Power Transfer" World Electric Vehicle Journal 12, no. 4: 226. https://doi.org/10.3390/wevj12040226
APA StyleZhu, Z., Yuan, H., Zhang, R., Yang, A., Wang, X., & Rong, M. (2021). Parity–Time Symmetric Model and Analysis for Stable Multi-Load Wireless Power Transfer. World Electric Vehicle Journal, 12(4), 226. https://doi.org/10.3390/wevj12040226

