Magnetic Coupling Common Mode Conducted EMI Analysis and Improvement in a Boost Converter
Abstract
:1. Introduction
2. Boost Converter and Its Abnormal Common Mode Conducted Emission
2.1. Boost Converter and Its Conducted Emission Test Layout
2.2. New Near-Field Coupling EMI Phenomenon and Its Diagnosis
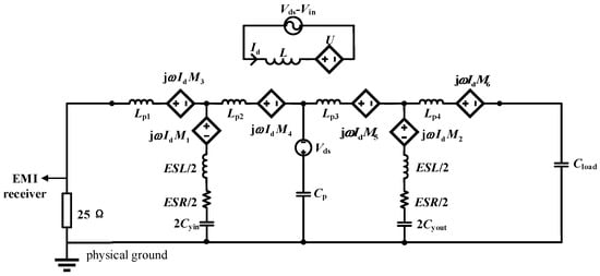
3. Common Mode Conducted Emission Theory Model Including Magnetic Coupling
3.1. Stray Magnetic Field of the Toroidal Inductor
3.2. CM Conducted Emission Circuit Model including Magnetic Coupling Effect
4. Suppression Deigns of Magnetic Coupling
4.1. The Placement Angle Design of the Toroidal Inductor
4.2. The Low Leakage Flux Designs of the Inductor
5. Conclusions
Author Contributions
Funding
Conflicts of Interest
References
- Jian, H.; Xiao, X.; Dongdong, C.; Guibin, L. Analysis and optimization of electromagnetic compatibility for electric vehicle. IEEE Electromagn. Compat. Mag. 2019, 8, 50–55. [Google Scholar]
- Robert, S.; Marcin, J.; Grzegorz, B.; Adam, K. AC/DC/DC Interfaces for V2G Applications—EMC Issues. IEEE Trans. Ind. Electron. 2013, 60, 930–935. [Google Scholar]
- Ruoxi, T.; Shangbing, T.; Cheng, Y.; Chenghao, D.; Anjian, Z. Research on electromagnetic-radiated emission of multi-in-one electric derive system. World Electr. Veh. J. 2021, 12, 127. [Google Scholar]
- Wang, S.; Lee, F.C.; Chen, D.Y.; Odendaal, W.G. Effects of parasitic parameters on EMI filter performance. IEEE Trans. Power Electron. 2004, 19, 869–877. [Google Scholar] [CrossRef]
- Junping, H.; Jianguo, J.; Wei, C. Identification and model of near field magnetic coupling in a PFC converter. In Proceedings of the 2005 IEEE 36th Power Electronics Specialists Conference, Dresden, Germany, 16 June 2005; pp. 323–327. [Google Scholar]
- Ashok, B. Wide-bandgap power devics: Adoption gathers moentum. IEEE Power Electron. Mag. 2018, 5, 22–27. [Google Scholar]
- Jianfei, C.; Minh-Khai, N.; Zhigang, Y.; Caisheng, W.; Le, G.; Gangyi, H. DC-DC Converters for Transportation Electrification: Topologies, Control, and Future Challenges. IEEE Electrif. Mag. 2021, 9, 10–22. [Google Scholar]
- Takahashi, K.; Murata, Y.; Tsubaki, Y.; Fujiwara, T.; Maniwa, H.; Uehara, N. Mechanism of near-field coupling between noise source and EMI filter in power electronic converter and its required shielding. IEEE Trans. Electromagn. Compat. 2018, 61, 1663–1672. [Google Scholar] [CrossRef]
- Hariya, A.; Koga, T.; Matsuura, K.; Yanagi, H.; Tomioka, S.; Ishizuka, Y.; Ninomiya, T. Circuit design techniques for reducing the effects of magnetic flux on GaN-HEMTs in 5-MHz 100-W high power-density LLC resonant DC–DC converters. IEEE Trans. Power Electron. 2016, 32, 5953–5963. [Google Scholar] [CrossRef]
- Wang, S.; Chen, R.; Van Wyk, J.D.; Lee, F.C.; Odendaal, W.G. Developing parasitic cancellation technologies to improve EMI filter performance for switching mode power supplies. IEEE Trans. Electromagn. Compat. 2005, 47, 921–929. [Google Scholar] [CrossRef]
- Chen, H.; Qian, Z.; Zeng, Z.; Wolf, C. Modeling of parasitic inductive couplings in a pi-shaped common mode EMI filter. IEEE Trans. Electromagn. Compat. 2008, 50, 71–79. [Google Scholar] [CrossRef]
- He, J.; Chen, W.; Jiang, J. Identification and improvement of stray coupling effect in an LCL common mode EMI filter. In Proceedings of the 2006 CES/IEEE 5th International Power Electronics and Motion Control Conference, Shanghai, China, 14–16 August 2006; pp. 1–5. [Google Scholar]
- Chen, H.; Qian, Z. Modeling and characterization of parasitic inductive coupling effects on differential-mode EMI performance of a boost converter. IEEE Trans. Electromagn. Compat. 2011, 53, 1072–1080. [Google Scholar] [CrossRef]
- Zhang, B.; Wang, S. Analysis and reduction of the near magnetic field emission from toroidal inductors. IEEE Trans. Power Electron. 2019, 35, 6251–6268. [Google Scholar] [CrossRef]
- Kharanaq, F.A.; Emadi, A.; Bilgin, B. Modeling of conducted emissions for EMI analysis of power converters: State-of-the-art review. IEEE Access 2020, 8, 189313–189325. [Google Scholar] [CrossRef]
- Kovačević, I.; Müsing, A.; Kolar, J.W. PEEC modelling of toroidal magnetic inductor in frequency domain. In Proceedings of the 2010 International Power Electronics Conference-ECCE ASIA, Sapporo, Japan, 21–24 June 2010; pp. 3158–3165. [Google Scholar]
- Kovačević, I.F.; Friedli, T.; Müsing, A.M.; Kolar, J.W. 3-D electromagnetic modeling of parasitics and mutual coupling in EMI filters. IEEE Trans. Power Electron. 2013, 29, 135–149. [Google Scholar] [CrossRef]













Publisher’s Note: MDPI stays neutral with regard to jurisdictional claims in published maps and institutional affiliations. |
© 2021 by the authors. Licensee MDPI, Basel, Switzerland. This article is an open access article distributed under the terms and conditions of the Creative Commons Attribution (CC BY) license (https://creativecommons.org/licenses/by/4.0/).
Share and Cite
He, J.; Liu, Y.; Wang, C.; Cao, L. Magnetic Coupling Common Mode Conducted EMI Analysis and Improvement in a Boost Converter. World Electr. Veh. J. 2021, 12, 225. https://doi.org/10.3390/wevj12040225
He J, Liu Y, Wang C, Cao L. Magnetic Coupling Common Mode Conducted EMI Analysis and Improvement in a Boost Converter. World Electric Vehicle Journal. 2021; 12(4):225. https://doi.org/10.3390/wevj12040225
Chicago/Turabian StyleHe, Junping, Yujin Liu, Cong Wang, and Lingling Cao. 2021. "Magnetic Coupling Common Mode Conducted EMI Analysis and Improvement in a Boost Converter" World Electric Vehicle Journal 12, no. 4: 225. https://doi.org/10.3390/wevj12040225
APA StyleHe, J., Liu, Y., Wang, C., & Cao, L. (2021). Magnetic Coupling Common Mode Conducted EMI Analysis and Improvement in a Boost Converter. World Electric Vehicle Journal, 12(4), 225. https://doi.org/10.3390/wevj12040225
