Research on Load and Mutual Inductance Identification Method of WPT System Based on a LCC-S Type Compensation Network
Abstract
:1. Introduction
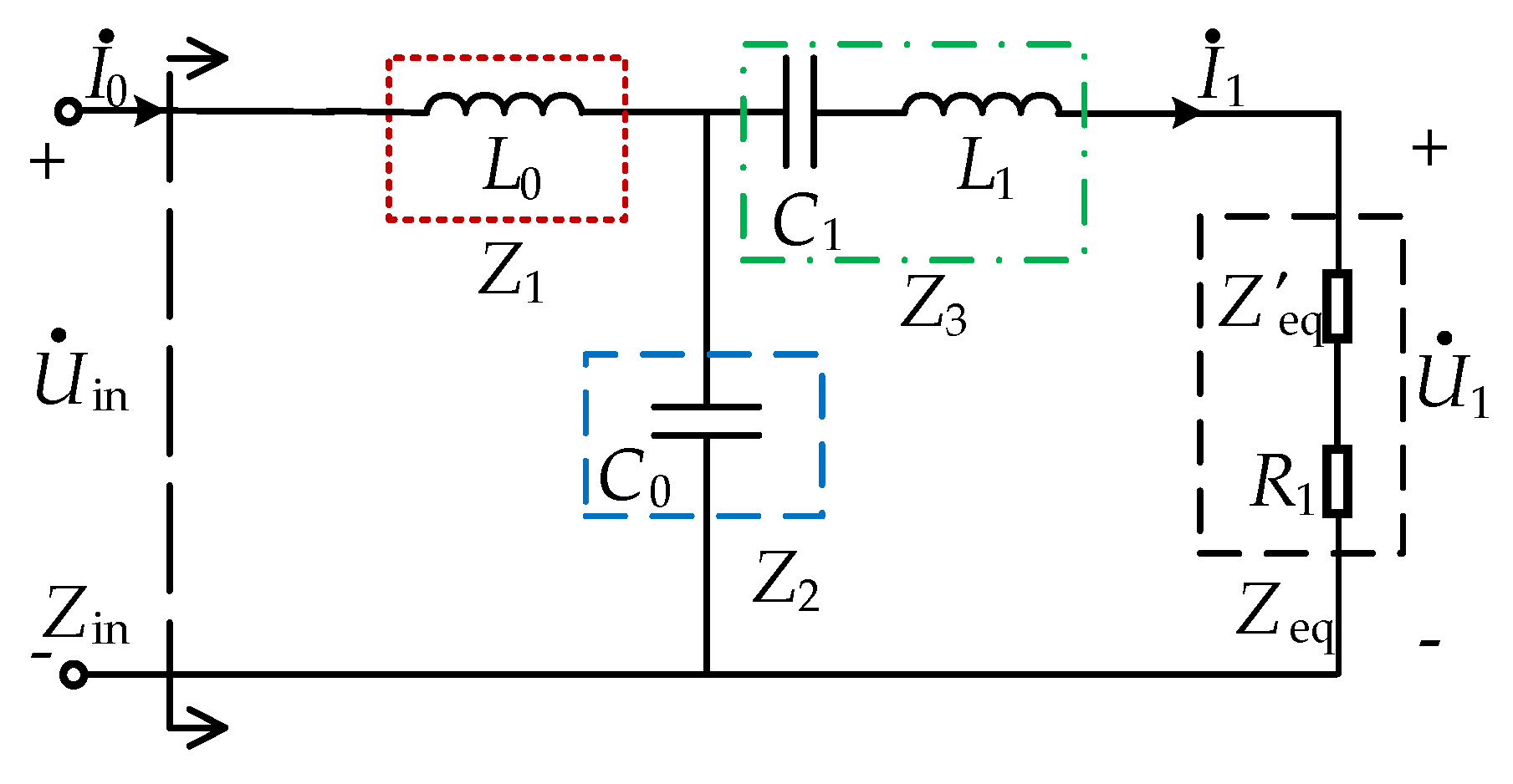
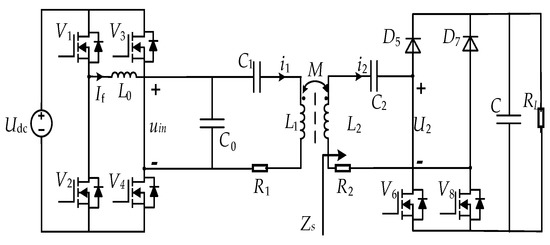
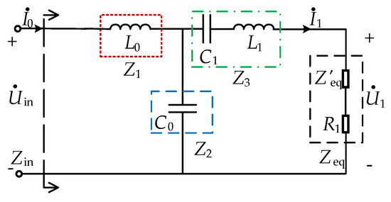
2. Theory Analysis of Parameter Identification
2.1. Mathematial Model
2.2. Mathematial Model Verification
3. Simulation of Parameter Identification
3.1. Simulation Theory
- Set the initial population size to 100, iterate 50 times, and take the value of mutual inductance in the range of [0, 100 μH].
- Collect the actual system primary-side output current if.
- Calculate the fitness value of each particle, the fitness function in this paper is selected as the error between the output current if of the primary side of the system model and the current if′ of the discriminative model.
- 4.
- Compare the fitness value e (i) of each particle with the individual extreme value pbest (i). If e (i) < pbest (i), replace e (i) with pbest (i). Similarly obtain the global extreme value gbest for the whole population.
- 5.
- Update the velocity and position of the particles and perform boundary condition processing.
- 6.
- Determine whether the number of iterations is reached. If yes, the algorithm ends and outputs the optimization results; otherwise, it returns to step 3. and continues the optimization search until the identification of mutual inductance parameters is completed. Finally, the load parameters can be calculated by Equation (15) to complete the system mutual inductance and load identification.
3.2. Simulation Results Analysis
4. Experimental Verification
5. Conclusions
- Based on the equivalent circuit of WPT system, the identification model is established using two-port theorem and fundamental wave analysis method to obtain the relationship between inverter output current and load and between mutual inductance and load.
- The Simulink platform is used to compare the established state-space equations as the identification model with the actual model, and the accuracy of the proposed model is proved. The particle swarm optimization algorithm is introduced to transform the parameter identification problem of the transmission system into an optimization problem, which completes the identification of parameters and makes the identification results more accurate.
- The corresponding simulation models are built using MATLAB/Simulink. The simulation results show that the maximum error between the identified and actual values of mutual inductance and load is respectively 1.66% and 1.39%. The system experimental platform is also built. The experimental results show that the errors between the identified and actual values of load and mutual inductance do not exceed 5%, which verifies the effectiveness and reliability of the method.
Author Contributions
Funding
Conflicts of Interest
References
- Huang, X.; Wang, W.; Tan, L. Technical Progress and Application Development of Magnetic Coupling Resonant Wireless Power Transfer. Power Syst. Autom. 2017, 41, 2–14, 141. [Google Scholar]
- Bo, Z.; Xujian, S.; Lihao, W.; Chao, R. Problems and countermeasures of radio energy transmission technology. Autom. Electr. Power Syst. 2019, 43, 1–12. [Google Scholar]
- Huang, C.; Lu, Y. Frequency Tracking Detuning Control of Magnetic Resonant Wireless Power Transfer System. Electr. Eng. Mag. 2019, 34, 3102–3111. [Google Scholar]
- Yang, Q.; Zhang, P.; Zhu, L.; Xue, M.; Zhang, X.; Li, Y. Key Fundamental Problems and Technical Bottlenecks of the Wireless Power Transmission Technology. Electr. Eng. Mag. 2015, 30, 1–8. [Google Scholar]
- Lin, D.; Yin, J.; Hui, S.Y. Parameter identification of wireless power transfer systems using input voltage and current. In Proceedings of the 2014 IEEE Energy Conversion Congress and Exposition, Pittsburgh, PA, USA, 14–18 September 2014. [Google Scholar]
- Dai, X.; Sun, Y.; Tang, C.; Wang, Z.; Su, Y.; Li, Y. Dynamic Parameters Identification Method for Inductively Coupled Power Transfer System. In Proceedings of the 2010 IEEE International Conference on Sustainable Energy Technologies, Kandy, Sri Lanka, 6–9 December 2010. [Google Scholar]
- Zhou, S. Research on Energy Modeling and Application for Wireless Power Transfer System. Ph.D. Thesis, Chongqing University, Chongqing, China, 2012. [Google Scholar]
- Su, Y.; Zhang, H.; Wang, Z. Steady State Load Identification Method of Inductive Power Transfer System Based on Switching Capacitors. IEEE Trans. Power Electron. 2015, 30, 6349–6355. [Google Scholar] [CrossRef]
- Su, Y.; Chen, L.; Wu, X.; Qing, X. Load and Mutual Inductance Identification Method of SS-Type Magnetically-Coupled WPT System Based om Genetic Algorithm. Electr. Eng. Mag. 2018, 33, 4199–4206. [Google Scholar]
- Su, Y.-G.; Chen, L.; Wu, X.; Hu, A.P.; Tang, C.-S.; Dai, X.; Hu, P. Load and Mutual Inductance Identification from the Primary Side of Inductive Power Transfer System With Parallel-Tuned Secondary Power Pickup. IEEE Trans. Power Electron. 2018, 33, 9952–9962. [Google Scholar] [CrossRef]
- Yin, J.; Lin, D.; Thomas, P.; Hui, S.Y. Front-end monitoring of the mutual inductance and load resistance in a series-series compensated wireless power transfer system. IEEE Trans. Power Electron. 2016, 31, 7339–7352. [Google Scholar] [CrossRef]
- Song, P. Research on Control Strategy for Parameter Identification and Disturbance Rejection Technology of Wireless Power Transfer. Master’s Thesis, Shanghai University of Electric Power, Shanghai, China, 2018. [Google Scholar]
- Xiang, Y. Research on Parameter Identification and Control Simulation of Inductively Coupled Power Transfer System. Master’s Thesis, Hunan University, Changsha, China, 2016. [Google Scholar]
- Chow, J.; Henry, S.; Cheng, C. Use of transmitter-side electrical information to estimate mutual inductance and regulate receiver side power in wireless inductive link. IEEE Trans. Power Electron. 2016, 31, 6079–6091. [Google Scholar] [CrossRef]
- Zhang, W.; Qin, W.; Song, J.; Lin, L.; Bi, L. Development of constant current and constant voltage wireless charging system with mutual inductance identification function in primary side. Electr. Eng. Mag. 2021, 25, 52–60. [Google Scholar]
- Liu, J.; Wang, G.; Xu, G.; Peng, J.; Jiang, H. A Parameter Identification Approach with Primary-Side Measurement for DC-DC Wireless-Power-Transfer Converters with Different Resonant Tank Topologies. IEEE Trans. Transp. Electrif. 2021, 7, 1219–1235. [Google Scholar] [CrossRef]
- Sheng, X.; Shi, L. Mutual Inductance and Load Identification Method for Inductively Coupled Power Transfer System Based on Auxiliary Inverter. IEEE Trans. Veh. Technol. 2020, 69, 1533–1541. [Google Scholar] [CrossRef]
- Xue, M.; Ma, S. Identification method WPT system load and mutual inductance based on SS-type compensation network. China Sci. 2020, 15, 1277–1282. [Google Scholar]
- Su, Y.; Yang, J. TensorFlow Neural Network Based Load and Mutual Inductance Identification Method for Magnetic Coupling Resonant Wireless Power Transfer System. Autom. Electr. Power Syst. 2021, 45, 162–169. [Google Scholar]










| Parameter | Value |
|---|---|
| Primary/secondary-side coil internal resistance R1,2 | 0.13/0.13 Ω |
| Primary-side coil inductance L1 | 108.47 µH |
| Secondary-side coil inductance L2 | 108 µH |
| Primaryside compensation capacitor C1 | 114 nF |
| Secondary-side compensation capacitor C2 | 93.8 nF |
| Resonance frequency f | 50 kHz |
| Operating frequency f0 | 50 kHz |
| Compensation of resonant coil inductance L0 | 20 µH |
| Primary-side shunt compensation capacitor C0 | 507 nF |
| Compensation of resonant coil internal resistance R0 | 0.1 Ω |
| Load Resistance (Ω) | Mutual Inductance M (μH) | Relative Error (%) |
|---|---|---|
| 15 | 30.12 | 0.99 |
| 20 | 30.42 | 0.23 |
| 25 | 30.66 | 0.78 |
| 30 | 30.97 | 1.8 |
| 35 | 31.06 | 2.1 |
| Lateral offset Distance s (cm) | Mutual Inductance M (μH) | Load Resistance RL (Ω) |
|---|---|---|
| 10 | 19.13 | 15 |
| 5 | 26.76 | 15 |
| 15 | 11.36 | 20 |
| 10 | 19.13 | 20 |
| 5 | 26.76 | 25 |
| 0 | 30.49 | 25 |
| 10 | 19.13 | 30 |
| 15 | 26.76 | 30 |
| Lateral Offset Distance s (cm) | Real Measurement of Mutual Inductance Mr (µH) | Identify Mutual Inductance Mi (µH) | Identify Load RL (Ω) |
|---|---|---|---|
| 0 | 30.4951 | 29.3668 | 29.93 |
| 5 | 26.7625 | 25.6652 | 28.85 |
| 10 | 19.1275 | 18.4007 | 28.99 |
| 15 | 11.2875 | 10.7457 | 29.36 |
Publisher’s Note: MDPI stays neutral with regard to jurisdictional claims in published maps and institutional affiliations. |
© 2021 by the authors. Licensee MDPI, Basel, Switzerland. This article is an open access article distributed under the terms and conditions of the Creative Commons Attribution (CC BY) license (https://creativecommons.org/licenses/by/4.0/).
Share and Cite
Xue, M.; Lu, K.; Zhu, L. Research on Load and Mutual Inductance Identification Method of WPT System Based on a LCC-S Type Compensation Network. World Electr. Veh. J. 2021, 12, 197. https://doi.org/10.3390/wevj12040197
Xue M, Lu K, Zhu L. Research on Load and Mutual Inductance Identification Method of WPT System Based on a LCC-S Type Compensation Network. World Electric Vehicle Journal. 2021; 12(4):197. https://doi.org/10.3390/wevj12040197
Chicago/Turabian StyleXue, Ming, Keyan Lu, and Lihua Zhu. 2021. "Research on Load and Mutual Inductance Identification Method of WPT System Based on a LCC-S Type Compensation Network" World Electric Vehicle Journal 12, no. 4: 197. https://doi.org/10.3390/wevj12040197
APA StyleXue, M., Lu, K., & Zhu, L. (2021). Research on Load and Mutual Inductance Identification Method of WPT System Based on a LCC-S Type Compensation Network. World Electric Vehicle Journal, 12(4), 197. https://doi.org/10.3390/wevj12040197

