Comparative Verification of Radiation Noise Reduction Effect Using Spread Spectrum for Inductive Power Transfer System
Abstract
1. Introduction
2. Radiation Noise Reduction Method
2.1. Generation Method of Pseudorandom Numbers
2.2. Probability Distributions for Reduction Method
3. Design of Transmission Coil
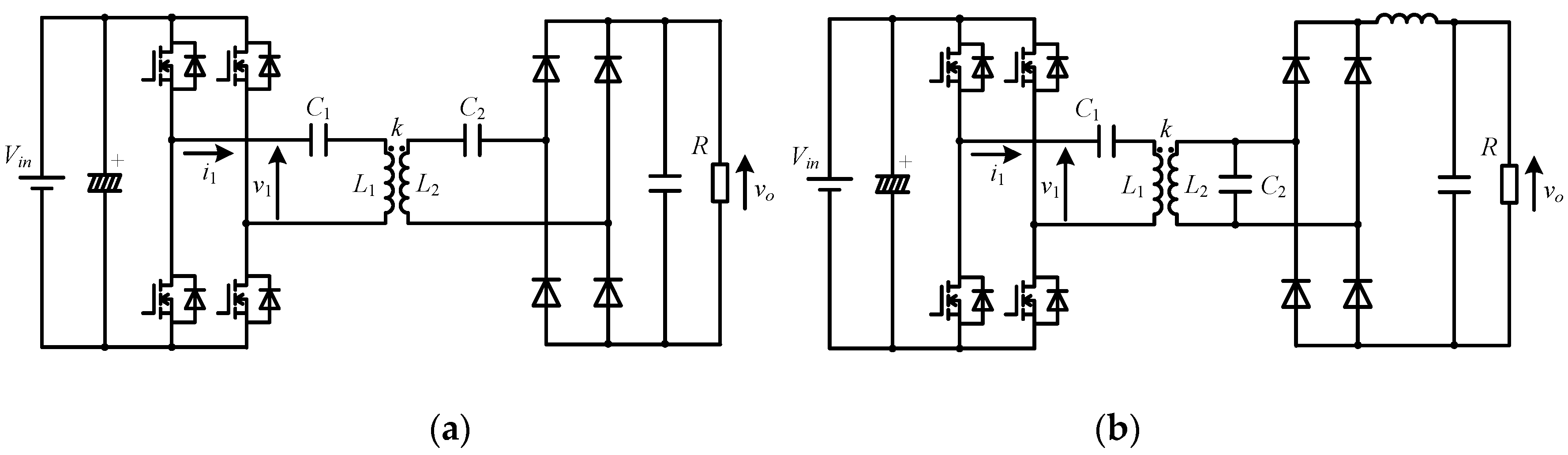
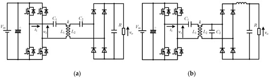
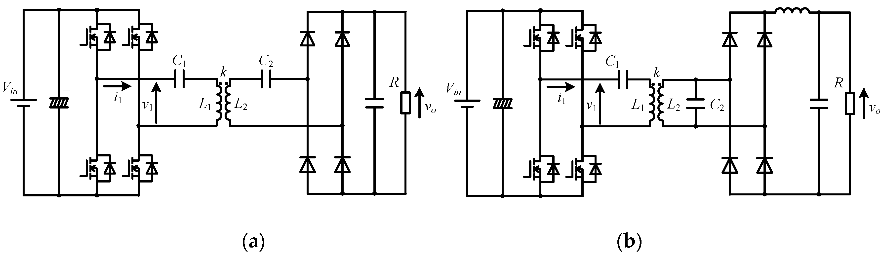
3.1. SS Compensation Method
3.2. SP Compensation Method
4. Experimental Results
4.1. Experimental Setup
4.2. Operation Waveform
4.3. Radiation Noise Measurement Conditions
4.4. Efficiency Evaluation
5. Conclusions
Author Contributions
Funding
Conflicts of Interest
References
- Hui, S.Y.R.; Zhong, W.; Lee, C.K. A Critical Review of Recent Progress in Mid-Range Wireless Power Transfer. IEEE Trans. Power Electron. 2014, 29, 4500–4511. [Google Scholar] [CrossRef]
- Shimode, D.; Mura, T.; Fujiwara, S. A Study of Structure of Inductive Power Transfer Coil for Railway Vehicles. IEE Jpn. J. Ind. Appl. 2015, 4, 550–558. [Google Scholar] [CrossRef][Green Version]
- Hayashi, Y.; Chiku, Y. Contactless DC Connector Concept for High-Power—Density 380-V DC Distribution System. IEE Jpn. J. Ind. Appl. 2015, 4, 49–58. [Google Scholar] [CrossRef]
- Kusaka, K.; Orikawa, K.; Itoh, J.; Hasegawa, I.; Morita, K.; Kondo, T. Galvanic Isolation System with Wireless Power Transfer for Multiple Gate Driver Supplies of a Medium-voltage Inverter. IEEJ J. Ind. Appl. 2016, 5, 206–214. [Google Scholar] [CrossRef]
- Mizuno, T.; Ueda, T.; Yashi, S.; Ohtomo, R.; Goto, Y. Dependence of Efficiency on Wire Type and Number of strands of Litz Wire for Wireless Power Transfer of Magnetic Resonant Coupling. IEEJ J. Ind. Appl. 2014, 3, 35–40. [Google Scholar] [CrossRef][Green Version]
- Trung, N.K.; Ogata, T.; Tanaka, S.; Akatsu, K. Analysis and PCB Design of Class D Inverter for Wireless Power Transfer Systems Operating a 13.5 MHz. IEEJ J. Ind. Appl. 2015, 4, 703–713. [Google Scholar]
- Boys, J.T.; Covic, G.A.; Xu, Y. DC Analysis Technique for Inductive Power Transfer Pick-Ups. IEEE Trans. Power Electron. 2003, 1, 51–53. [Google Scholar] [CrossRef]
- Ministry of Internal Affairs and Communications. Inquiry of Technical Requirements for Wireless Power Transfer System for EVs in Technical Requirements for Wireless Power Transfer System in Standards of International Special Committee on Radio Interference (CISPR); Ministry of Internal Affairs and Communications: Tokyo, Japan, 2015.
- Jo, M.; Sato, Y.; Kaneko, Y.; Abe, S. Methods for Reducing Leakage Electric Field of a Wireless Power Transfer System for Electric Vehicles. In Proceedings of the 2014 IEEE Energy Conversion Congress and Exposition (ECCE), Pittsburgh, PA, USA, 14–18 September 2014; pp. 1762–1769. [Google Scholar]
- Kim, H.; Cho, J.; Ahn, S.; Kim, J.; Kim, J. Suppression of Leakage Magnetic Field from a Wireless Power Transfer System using Ferrimagnetic Material and Metallic Shielding. In Proceedings of the 2012 IEEE International Symposium on Electromagnetic Compatibility, Pittsburgh, PA, USA, 6–10 August 2012; pp. 640–645. [Google Scholar]
- Campi, T.; Cruciani, S.; Feliziani, M. Magnetic Shielding of Wireless Power Transfer Systems. In Proceedings of the 2014 International Symposium on Electromagnetic Compatibility, Tokyo, Japan, 12–16 May 2014; pp. 422–425. [Google Scholar]
- Maikawa, K.; Imai, K.; Minagawa, Y.; Arimitsu, M.; Iwao, H. Magnetic Field Reduction Technology of Wireless Charging System. In JSAE Annual Congress Autumn 2013; JSAE: Tokyo, Japan, 2013. [Google Scholar]
- Kusaka, K.; Inoue, K.; Itoh, J. Reduction in Radiation Noise Level for Inductive Power Transfer System with Spread Spectrum. In Proceedings of the International Electric Vehicle Technology & Automotive Power Electronics Japan Conference, Yokohama, Japan, 25–30 May 2016. No. 20169063. [Google Scholar]
- Inoue, K.; Kusaka, K.; Itoh, J. Reduction in Radiation Noise Level for Inductive Power Transfer Systems using Spread Spectrum Techniques. IEEE Trans. Power Electron. 2018, 33, 3076–3085. [Google Scholar] [CrossRef]
- Kusaka, K.; Inoue, K.; Itoh, J. Comparative Verification of Radiation Noise Reduction Effect using Spread Spectrum for Inductive Power Transfer System. In Proceedings of the 31st International Electric Vehicles Symposium & Exhibition & International Electric Vehicle Technology Conference 2018 (EVS 31 & EVTeC), Kobe, Japan, 30 September–3 October 2018. No. 20189223. [Google Scholar]
- Bosshard, R.; Kolar, J.W.; Muhlethaler, J.; Stevanovic, I.; Wunsch, B.; Canales, F. Modeling and η-α-Pareto Optimization of Inductive Power Transfer Coils for Electric Vehicles. IEEE J. Power Electron. 2014, 3, 50–64. [Google Scholar]
- Kusaka, K.; Inoue, K.; Itoh, J. Radiation noise reduction using spread spectrum for inductive power transfer systems considering misalignment of coils. In Proceedings of the 2017 IEEE Energy Conversion Congress and Exposition (ECCE), Cincinnati, OH, USA, 1–5 October 2017; pp. 5507–5514. [Google Scholar]












| Symbol | Value | |
|---|---|---|
| Input DC voltage | Vin | 420 V |
| Rated power | P | 3.0 kW |
| Coupling coefficient | k | 0.20 |
| Primary inductance | L1 | 392 H |
| Secondary inductance | L2 | 401 μH (SS) 24.2 μH (SP) |
| Primary capacitance | C1 | 8.96 nF |
| Secondary capacitance | C2 | 8.78 nF (SS) 145 nF (SP) |
| Transmission distance | l | 150 mm |
© 2019 by the authors. Licensee MDPI, Basel, Switzerland. This article is an open access article distributed under the terms and conditions of the Creative Commons Attribution (CC BY) license (http://creativecommons.org/licenses/by/4.0/).
Share and Cite
Kusaka, K.; Inoue, K.; Itoh, J.-i. Comparative Verification of Radiation Noise Reduction Effect Using Spread Spectrum for Inductive Power Transfer System. World Electr. Veh. J. 2019, 10, 40. https://doi.org/10.3390/wevj10020040
Kusaka K, Inoue K, Itoh J-i. Comparative Verification of Radiation Noise Reduction Effect Using Spread Spectrum for Inductive Power Transfer System. World Electric Vehicle Journal. 2019; 10(2):40. https://doi.org/10.3390/wevj10020040
Chicago/Turabian StyleKusaka, Keisuke, Kent Inoue, and Jun-ichi Itoh. 2019. "Comparative Verification of Radiation Noise Reduction Effect Using Spread Spectrum for Inductive Power Transfer System" World Electric Vehicle Journal 10, no. 2: 40. https://doi.org/10.3390/wevj10020040
APA StyleKusaka, K., Inoue, K., & Itoh, J.-i. (2019). Comparative Verification of Radiation Noise Reduction Effect Using Spread Spectrum for Inductive Power Transfer System. World Electric Vehicle Journal, 10(2), 40. https://doi.org/10.3390/wevj10020040

