Manufacturing and Testing the Panels with a Transverse Texture Obtained from Branches of Norway Spruce (Picea abies L. Karst.)
Abstract
1. Introduction
2. Materials and Method
3. Results
3.1. Results Regarding Manufacturing Technology
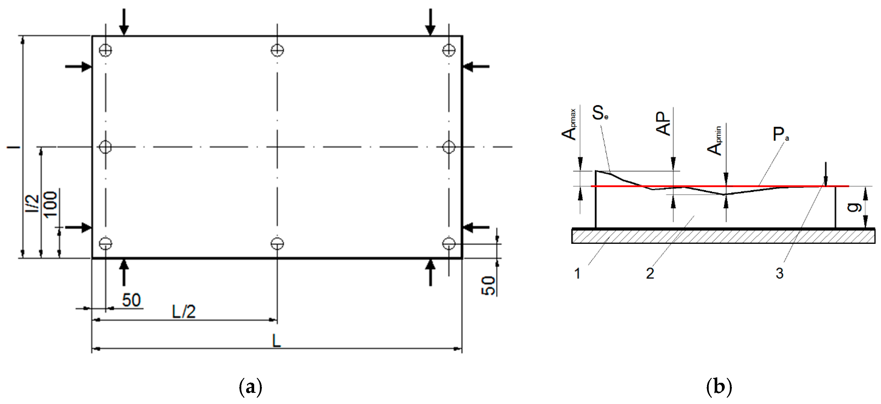
3.2. Results Regarding Dimensional and Flatness Deviations
3.3. Bonding Strength Results
3.4. The Modulus of Elasticity (MOE) and Resistance (MOR) to Static Bending
3.5. Shear Resistance Parallel to the Panel Plane
3.6. Shear Resistance Perpendicular to the Panel Plane
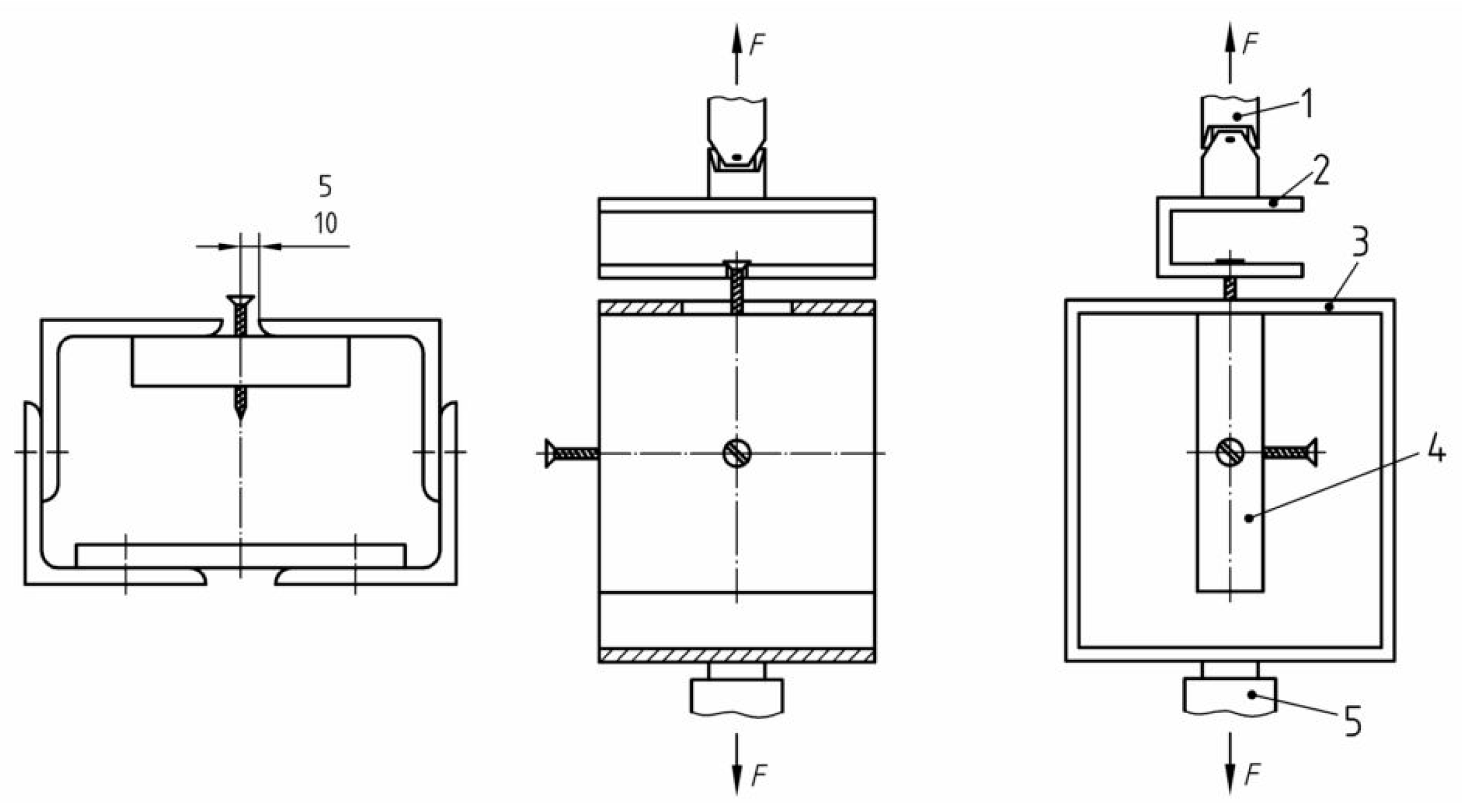
3.7. Results Regarding the Pull-Out Resistance of the Screws
3.8. Coefficient of Swelling on the Thickness and Width of the Panels
4. Discussion
5. Conclusions
Author Contributions
Funding
Institutional Review Board Statement
Informed Consent Statement
Data Availability Statement
Acknowledgments
Conflicts of Interest
References
- Hakkila, P. Utilization of residual forest biomass. In Utilization of Residual Forest Biomass; Springer Series in Wood Science; Springer: Berlin/Heidelberg, Germany, 1989. [Google Scholar] [CrossRef]
- English, B. Wastes into wood: Composites are a promising new resource. Environ. Health Perspect. 1994, 102, 168–170. [Google Scholar] [CrossRef] [PubMed]
- Jahan-Latibari, A.; Roohnia, M. Potential of utilization of the residues from poplar plantation for particleboard production in Iran. J. For. Res. 2010, 21, 503–508. [Google Scholar] [CrossRef]
- Tichi, A.H. Investigation of the use of old railroad ties (Fagus orientalis) and citrus branches (orange tree) in the particleboard industry. Bioresources 2021, 16, 6984–6992. [Google Scholar] [CrossRef]
- Olarescu, A.M.; Lunguleasa, A.; Radulescu, L. Using deciduous branch wood and conifer spindle wood to manufacture panels with transverse structure. Bioresources 2022, 17, 6445–6463. [Google Scholar] [CrossRef]
- Zhao, X.; Guo, P.; Zhang, Z.; Wang, X.; Peng, H.; Wang, M. Wood density and fiber dimensions of root, stem, and branch wood of Populus ussuriensis Kom. Trees. Bioresources 2018, 13, 7026–7036. [Google Scholar] [CrossRef]
- Pulido-Rodríguez, E.; López-Camacho, R.; Tórres, J. Traits and trade-offs of wood anatomy between trunks and branches in tropical dry forest species. Trees 2020, 34, 497–505. [Google Scholar] [CrossRef]
- Vurdu, H.; Bensend, D.W. Proportions and types of cells in stems, branches, and roots of European black alder (Alnus glutinosa L. Gaertn.). J. Wood Sci. 1980, 13, 36–40. [Google Scholar]
- Luan, S.-J.; Yang, R.-P. Predetermination stem wood quality with the branch wood index of Korean pine. J. Northeast For. Univ. 1992, 3, 54–61. [Google Scholar] [CrossRef]
- Shmulsky, R.; Jones, P.D. Forest Products and Wood Science: An Introduction, 7th ed.; Wiley-Blackwell Publishing: Hoboken, NY, USA, 2011. [Google Scholar]
- USDA Forest Service. Wood Handbook, Wood as an Engineering Material; Forest Products Laboratory. United States Department of Agriculture Forest Service: Madison, WI, USA, 2010.
- Petrovici, V.; Popa, V. Chemistry and Chemical Processing of Wood; Lux Libris Print House: Brasov, Romania, 1997. [Google Scholar]
- Nielsen, P. Integration of environmental aspects in product development: A stepwise procedure based on quantitative lifecycle assessment. J. Clean. Prod. 2002, 10, 247–257. [Google Scholar] [CrossRef]
- Zeng, Y. Environment-Based design (EBD): A methodology for transdisciplinary Design. J. Integr. Des. Process. Sci. 2015, 19, 5–24. [Google Scholar] [CrossRef]
- Brezet, H.; van Hemel, C. Ecodesign—A Promising Approach to Sustainable Production and Consumption; United Nations Environment Program: Paris, France, 1997. [Google Scholar]
- Bras, B. Incorporating environmental issues in product design and realization. Ind. Environ. 1997, 20, 7–13. [Google Scholar]
- Suansa, N.I.; Al-Mefarrej, H.A. Branch wood properties and potential utilization of this variable resource. Bioresources 2020, 15, 479–491. [Google Scholar] [CrossRef]
- Moreira, L.d.S.; Andrade, F.W.C.; Balboni, B.M.; Moutinho, V.H.P. Wood from Forest Residues: Technological Properties and Potential Uses of Branches of Three Species from Brazilian Amazon. Sustainability 2022, 14, 11176. [Google Scholar] [CrossRef]
- Zayed, M.Z.; Wu, A.; Sallam, S. Comparative phytochemical constituents of Leucaena leucocephala (Lam.) leaves, fruits, stem barks, and wood branches grown in Egypt using GC-MS method coupled with multivariate statistical approaches. Bioresources 2019, 14, 996–1013. [Google Scholar] [CrossRef]
- EN 13353:2022; Solid Wood Panels (SWP). Requirements. European Committee for Standardization: Brussels, Belgium, 2022.
- DD CEN/TS 13354:2003; Solid Wood Panels—Bonding Quality—Test Method. European Committee for Standardization: Brussels, Belgium, 2003.
- EN 1995-1-1:2004+A 1; Eurocode 5: Design of Timber Structures—Part 1-1: General—Common Rules and Rules for Buildings. European Committee for Standardization: Brussels, Belgium, 2004.
- EN 335-2:2006; Durability of Wood and Wood-Based Products—Definition of Use Classes—Part 2: Application to Solid Wood. European Committee for Standardization: Brussels, Belgium, 2006.
- EN 310:1996; Wood Based Panels—Determination of Modulus of Elasticity in Bending and of Bending Strength. European Committee for Standardization: Brussels, Belgium, 1996.
- EN 324-1:1996; Wood Based Panels—Determination of Dimensions of Boards—Part 1: Determination of Thickness, Width and Length. European Committee for Standardization: Brussels, Belgium, 1996.
- Mantanis, G.I.; Young, R.A.; Rowell, R.M. Swelling of wood. Wood Sci. Technol. 1994, 28, 119–134. [Google Scholar] [CrossRef]
- EN 13354:2008; Wood Based Panels—Small Scale Indicative Test Methods for Certain Mechanical Properties. European Committee for Standardization: Brussels, Belgium, 2008.
- EN 326-1:1996; Wood Based Panels—Sampling, Cutting and Inspection—Part 1: Sampling and Cutting of Test Pieces an Expression of Test Results. European Committee for Standardization: Brussels, Belgium, 1996.
- ISO 1478:1999; Tapping Screws Thread. International Organization for Standardization: Geneva, Switzerland, 1999.
- EN 322:1993; Wood-Based Panels. Determination of Moisture Content. European Committee for Standardization: Brussels, Belgium, 1993.
- EN 13446:2004; Wood Based Panels—Determination of Withdrawal Capacity of Fasteners. European Committee for Standardization: Brussels, Belgium, 2004.
- Barbu, M.C. Wooden Composite Materials; Lux Libris Print House: Brasov, Romania, 1999. [Google Scholar]
- Istrate, V. Technology of Wooden Agglomerated Products; Didactical and Pedagogical Print-House: Brasov, Romania, 1983. [Google Scholar]
- Giese-Hinz, J.; Jahn, F.; Weller, B. Experimental study of the pull-out resistance of alternative high-strength fasteners for wood-based materials. Wood Mater. Sci. Eng. 2018, 14, 226–233. [Google Scholar] [CrossRef]
- Wood Database 2023. Available online: https://www.wood-database.com/?s=white+spruce (accessed on 5 July 2022).
- Salem, M.Z.M.; Zayed, M.Z.; Ali, H.M.; El-Kareem, M.S.M.A. Chemical composition, antioxidant and antibacterial activities of extracts from Schinus molle wood branch growing. Egypt. J. Wood Sci. 2016, 62, 548–561. [Google Scholar] [CrossRef]
- EN 325:2012; Wood-Based Panels—Determination of Dimensions of Test Pieces. European Committee for Standardization: Brussels, Belgium, 2012.
- EN 323:1993; Wood-Based Panels—Determination of Density. European Committee for Standardization: Brussels, Belgium, 1993.















| Type | Conditions of Use Conform EN 13353: 2022 | Type of Prior Treatment |
|---|---|---|
| T1 | SWP/1 Dry medium (interior) | Immersion in water (20 °C, 24 h) |
| T2 | SWP/2 Wet medium | Boiling, 6 h Cooling in water (20 °C, 1 h) |
| T3 | SWP/3 Exterior medium | Boiling, 4 h Drying in oven (60 °C, 16–20 h) Boiling, 4 h Cooling in water (20 °C, 1 h) |
| No. | Name of the Mechanical Test | Justification of the Choice | Norm | Number of Specimens |
|---|---|---|---|---|
| 1. | Dimensions of the panels | It reflects the dimensional accuracy of panel manufacturing | EN 324-1:1993 | 6 |
| 2. | Flatness | The basic technological property of panels | Mantanis et al., 1994 [27] | 6 |
| 3. | Bonding strength | The basic property of any glued product. It influences most of the mechanical properties | EN 13354:2008 | minim 10 |
| 4. | Modulus of elasticity and resistance to static bending | Important for horizontal elements in furniture construction (boards, shelves, etc.) | EN 310:1996 | 6 EN 326-1:1996 |
| 5. | Shear resistance in the plane of the plate | Important for vertical or horizontal elements subject to shear (side walls, uprights, crossbars, etc.) | EN 13354:2008 | 8 EN 326-1:1996 |
| 6. | Shear resistance perpendicular to the face plate | |||
| 7. | The pull-out resistance of the screws | Screw assemblies are frequently used in furniture construction | EN 13446:2004 | 6 |
| 8. | Determination of the swelling coefficient | It determines the stability of structures in various environmental conditions | Mantanis et al., 1994 | 14 |
| No. | Panel Number | |||||
|---|---|---|---|---|---|---|
| Panel P1 | Panel P2 | Panel P3 | Panel P4 | Panel P5 | Panel P6 | |
| Dmax mm | −0.2 | 0.23 | 0.05 | 0.16 | −0.05 | 0.14 |
| Dmin mm | −1.19 | −0.09 | −0.67 | −0.51 | −0.61 | −0.51 |
| Dmean mm | 1.19 | 0.32 | 0.72 | 0.67 | 0.61 | 0.65 |
| Variance | 0.063 | 0.031 | 0.051 | 0.047 | 0.045 | 0.046 |
| No. | Dimension MC = 9.1% | Dimensions after Immersion in Water | Maxim Force [N] | Bonding Strength [N/mm2] | Time [s] | ||
|---|---|---|---|---|---|---|---|
| g [mm] | l [mm] | g [mm] | l [mm] | ||||
| Mean | 19.746 | 25.023 | 20.040 | 25.738 | 2403 | 4.88 | 46.7 |
| SD | 0.089 | 0.120 | 0.104 | 0.259 | 120 | 1.40 | 2.33 |
| Except 5% | 19.707 | 24.970 | 19.995 | 25.624 | 2360 | 4.22 | 45.1 |
| Variance | 0.0045 | 0.0047 | 0.0051 | 0.0101 | 0.0499 | 0.0286 | 0.0498 |
| Admissible | Minim 2.5 N/mm2 EN 13353 2022 | ||||||
| No. | Density [kg/m3] | MOR [N/mm2] | MOE [N/mm2] | Maximum Arrow [mm] | ||||
|---|---|---|---|---|---|---|---|---|
| T1 | T2 | T1 | T2 | T1 | T2 | T1 | T2 | |
| Mean | 693.2 | 692.3 | 6.09 | 6.10 | 1129.97 | 1006 | 7.15 | 7.58 |
| SD [%] | 14.16 | 3.1 | 1.12 | 0.41 | 102.58 | 44.17 | 1.24 | 0.59 |
| Except 5% | 682.8 | 657.7 | 5.27 | 5.79 | 1054.68 | 956.1 | 6.24 | 7.20 |
| Variance | 0.020 | 0.004 | 0.018 | 0.067 | 0.090 | 0.043 | 0.023 | 0.077 |
| No. | Length, [mm] | Width, [mm] | Force, [N] | Shear Resistance Parallel to Face, [N/mm2] | Time, [s] |
|---|---|---|---|---|---|
| Mean | 50.443 | 50.426 | 10541.25 | 4.141 | 46.212 |
| SD | 0.257 | 0.293 | 2036.04 | 0.781 | 16.472 |
| No. | Thickness 1 [mm] | Thickness 2 [mm] | Mean Thickness | Maximum Force [N] | Shearing Resistance [N/mm2] | Breaking Time, [s] |
|---|---|---|---|---|---|---|
| Mean | 19.788 | 19.782 | 19.785 | 2240 | 1.886 | 33.97 |
| SD | 0.049 | 0.051 | 0.046 | 488.6 | 0.411 | 2.374 |
| Variance | 0.002 | 0.002 | 0.0023 | 0.0217 | 0.0212 | 0.067 |
| Sample Type | No. | Screw Pull-Out, Parallel to the Panel Face | |||||
|---|---|---|---|---|---|---|---|
| lp, [mm] | d [mm] | Force, [N] | Time, [s] | τs [N/mm2] | τs1 [N/mm] | ||
| Type A | Mean | 19.707 | 4.2 | 2624 | 6.308 | 31.704 | 133.158 |
| SD | 0.071 | 347.4 | 0.932 | 4.189 | 17.596 | ||
| Type B | Mean | 19.675 | 2701 | 5.43 | 32.684 | 137.275 | |
| SD | 0.0302 | 261.1 | 1.445 | 3.168 | 13.306 | ||
| Type C | Mean | 19.675 | 2439 | 9.595 | 29.520 | 123.984 | |
| SD | 0.030 | 617.4 | 3.066 | 7.486 | 31.444 | ||
| Total | Mean | 19.685 | 2588 | 7.111 | 31.303 | 131.473 | |
| SD | 0.047 | 424.8 | 2.653 | 5.143 | 21.601 | ||
| Sample Type | No. | Edge 1 | Edge 2 | ||||
|---|---|---|---|---|---|---|---|
| τs [N/mm2] | τs1 [N/mm] | F [N] | t [s] | τs [N/mm2] | τs1 [N/mm] | ||
| Type B | Mean | 27.111 | 113.888 | 2482 | 5.442 | 27.358 | 114.907 |
| SD | 14.942 | 62.758 | 474.462 | 4.01 | 10.335 | 43.410 | |
| Type C | Mean | 33.090 | 115.817 | 962.001 | 9.223 | 28.549 | 119.907 |
| SD | 5.989 | 25.154 | 474.462 | 0.992 | 4.134 | 17.365 | |
| Total | Mean | 30.327 | 119.655 | 1843.333 | 7.332 | 26.300 | 105.001 |
| SD | 9.926 | 46.306 | 665.001 | 3.072 | 7.330 | 30.218 | |
| No. | Dimension MC = 9.1% | Dimension after Immersion in Water | Swelling Coefficient on Thickness, [%] | Swelling Coefficient on Width, [%] | ||
|---|---|---|---|---|---|---|
| g, [mm] | l, [mm] | g, [mm] | l, [mm] | |||
| Mean | 19.74 | 25.023 | 20.04 | 25.738 | 1.487 | 2.858 |
| SD [%] | 0.089 | 0.12 | 0.104 | 0.259 | 0.351 | 1.028 |
| Except 5% | 19.707 | 24.97 | 19.995 | 25.624 | 1.334 | 2.407 |
| Variance | 0.0045 | 0.0048 | 0.0052 | 0.0097 | 0.0237 | 0.0357 |
| No. | Characteristics | Methodology According to which the Test was Carried Out | Value | SD | UM | |
|---|---|---|---|---|---|---|
| 1. | Deviation from nominal length | EN 324-1:1993; EN 324-2:1993; EN 13353:2022 | Mean | 0.03 | 0.001 | mm |
| Admissible | ±2 | - | ||||
| 2. | Deviation from the nominal width | EN 324-1:1993; EN 324-2:1993; EN 13353:2022 | Mean | −0.62 | −0.003 | mm |
| Admissible | ±2 | - | ||||
| 3. | Deviation from the nominal thickness | EN 324-1:1993; EN 324-2:1993; EN 13353:2022 | Mean | 0.47 | 0.023 | mm |
| Admissible | ±1 | - | ||||
| 4. | Deviation from flatness | [27] | Mean | 1.304 | 0.065 | mm |
| Admissible | 2 | - | ||||
| 5. | Apparent density at MC = 9.1% | EN 323:1993 | Mean | 687.05 | 14.1 | kg/m3 |
| Admissible | - | - | ||||
| 6. | Internal bond resistance at MC = 9.1% | EN 13354:2008 | Mean | 5.61 | 0.25 | N/mm2 |
| Admissible | 2.5 | - | ||||
| 7. | Bonding strength after 24-h immersion | EN 13354:2008; EN 13353:2022 | Mean | 4.22 | 0.21 | N/mm2 |
| Admissible | 2.5 | |||||
| 8. | Modulus of elasticity (MOE) | EN 310:1996; EN 13353:2022 | Mean | 1027.38 | 102.5 | N/mm2 |
| Admissible | 600 | - | ||||
| 9. | Static bending resistance (MOR) | EN 310:1996 EN 13353:2022 | Mean | 5.57 | 1.12 | N/mm2 |
| Admissible | 5 | - | ||||
| 10. | Shear resistance parallel to the panel plane | EN 13354:2008 | Mean | 4.14 | 0.78 | N/mm2 |
| Admissible | - | - | ||||
| 11. | Shear resistance perpendicular | EN 13354:2008 | Mean | 1.88 | 0.41 | N/mm2 |
| Admissible | - | - | ||||
| 12. | Pull-out resistance of screws perpendicular | EN 13446:2004 | Mean | 31.30 | 5.14 | |
| Admissible | - | - | N/mm2 | |||
| 13. | Pull-out strength of screws parallel | EN 13446:2004 | Mean | 30.82 | 9.9 | N/mm2 |
| Admissible | - | - | ||||
| 14. | Coefficient of swelling in thickness | [12,36] | Mean | 1.33 | 0.35 | % |
| Admissible | - | - | ||||
| 15. | Coefficient of swelling in width | [12,36] | Mean | 2.40 | 1.00 | % |
| Admissible | - | - | ||||
Disclaimer/Publisher’s Note: The statements, opinions and data contained in all publications are solely those of the individual author(s) and contributor(s) and not of MDPI and/or the editor(s). MDPI and/or the editor(s) disclaim responsibility for any injury to people or property resulting from any ideas, methods, instructions or products referred to in the content. |
© 2023 by the authors. Licensee MDPI, Basel, Switzerland. This article is an open access article distributed under the terms and conditions of the Creative Commons Attribution (CC BY) license (https://creativecommons.org/licenses/by/4.0/).
Share and Cite
Olarescu, A.M.; Lunguleasa, A.; Radulescu, L.; Spirchez, C. Manufacturing and Testing the Panels with a Transverse Texture Obtained from Branches of Norway Spruce (Picea abies L. Karst.). Forests 2023, 14, 665. https://doi.org/10.3390/f14040665
Olarescu AM, Lunguleasa A, Radulescu L, Spirchez C. Manufacturing and Testing the Panels with a Transverse Texture Obtained from Branches of Norway Spruce (Picea abies L. Karst.). Forests. 2023; 14(4):665. https://doi.org/10.3390/f14040665
Chicago/Turabian StyleOlarescu, Alin M., Aurel Lunguleasa, Loredana Radulescu, and Cosmin Spirchez. 2023. "Manufacturing and Testing the Panels with a Transverse Texture Obtained from Branches of Norway Spruce (Picea abies L. Karst.)" Forests 14, no. 4: 665. https://doi.org/10.3390/f14040665
APA StyleOlarescu, A. M., Lunguleasa, A., Radulescu, L., & Spirchez, C. (2023). Manufacturing and Testing the Panels with a Transverse Texture Obtained from Branches of Norway Spruce (Picea abies L. Karst.). Forests, 14(4), 665. https://doi.org/10.3390/f14040665

