A Robust Lyapunov-Based Control Strategy for DC–DC Boost Converters
Abstract
1. Introduction
- An extended system representation that includes integral errors in both the current and voltage control loops, achieved by hierarchically designing both CLFs under a common stability framework, where the inner current loop dynamics explicitly define the virtual control input of the outer voltage loop, ensuring coherent and stable interaction between both subsystems;
- A hierarchical control design, in which each loop (current and voltage) is governed by its own CLF and associated control law;
- A nonlinear control law with explicit compensation for external disturbances;
- A rigorous experimental validation conducted under realistic conditions, including variations in load, input voltage, and reference voltage.
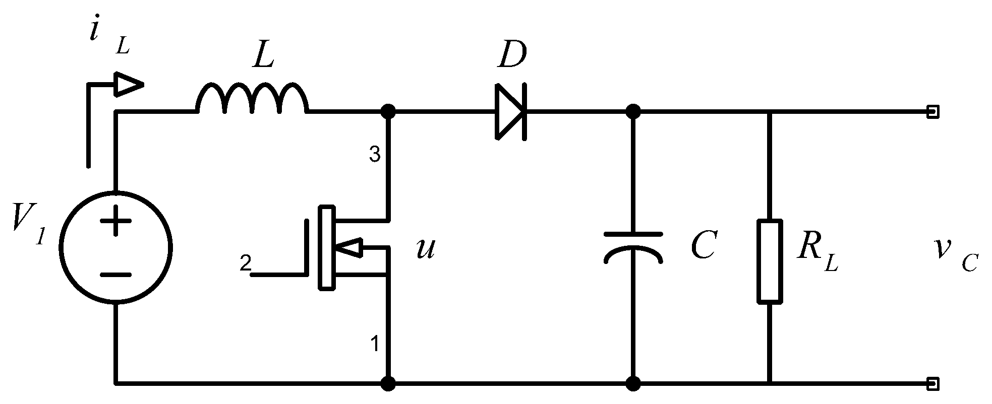
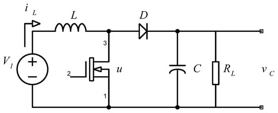
2. Nonlinear Averaged Model of the DC-DC Boost Converter
3. Control Design Based on Control Lyapunov Functions
3.1. CLF-Based Inner Current Loop Control
- Trace:which implies that the sum of the eigenvalues is zero. Therefore, if one eigenvalue is positive, the other must be negative.
- Determinant:This expression is strictly negative for all , as it consists of negative-definite terms and a negative constant.
- Stability and convergence cannot be guaranteed without active control input.
- The autonomous term alone cannot ensure equilibrium stability.
- Global asymptotic stability can only be achieved through appropriate design of the control input .
- : saturated damping coefficient,
- : gain of the hyperbolic core,
- : additional linear gain.
- : Effective dissipation when is large (saturation regime).
- : Strictly positive dissipation over the entire domain, including near the equilibrium.
3.2. CLF-Based Control of the Outer Voltage Loop
- The term accounts for the resistive dissipation through the load.
- The term reflects the capacitor discharge due to conduction.
- The term represents energy transfer from the input source to the capacitor, modulated by the action of the inner current loop.
- The outer voltage loop generates the reference current .
- The inner current loop ensures that .
- Negative trace:
- Positive determinant:
- It is continuous and smoothly differentiable.
- It is naturally saturated, enhancing robustness to disturbances.
- It guarantees that for all , since and the product −sign is negative.
- A structural compensation term that cancels the perturbation from the original dynamics, allowing the system to take an affine form with respect to .
- A nonlinear stabilizing term based on tanh, ensuring dissipation in the Lyapunov derivative while adapting to the sign of a across any operating region.
4. Global Asymptotic Stability Analysis of the Proposed Control Strategy
4.1. Stability of the Internal Current Loop
- Positive definiteness: it is the sum of two quadratic terms and vanishes only at .
- Radially unbounded: it increases indefinitely as .
4.2. Stability of the Outer Voltage Loop
- Positive definiteness: it vanishes only at the origin.
- Radially unbounded: it tends to infinity as .
4.3. Conclusion of the Multiloop System
5. Experimental Results
5.1. Voltage Regulation Test
5.2. Test 1: Input Voltage Variation
5.3. Test 2: Reference Voltage Changes
5.4. Test 3: Change in Resistive Load
5.5. Discussion and Analysis
- The multi-loop architecture ensures effective dynamic decoupling, allowing each loop to fulfill its specific function optimally.
- The CLF-based design provides theoretical guarantees of global stability, overcoming the local limitations inherent to conventional PI/PID regulators.
- The inclusion of integral errors in the extended system representation enables accurate reference tracking and robust disturbance rejection.
- The practical implementation demonstrated that the derived control laws are not only theoretically sound but also computationally feasible and stable in real hardware, even under demanding operating conditions.
6. Conclusions
Author Contributions
Funding
Data Availability Statement
Acknowledgments
Conflicts of Interest
References
- Sahraoui, H.; Meghriche, K.; Ayad, M.Y.; Meziane, A. Lyapunov-Based Adaptive Sliding Mode Control of a DC–DC Boost Converter. Machines 2025, 13, 734. [Google Scholar] [CrossRef]
- Vazani, A.; Salmasi, F.R.; Shamsi, P. Composite Nonlinear Feedback Control of a DC–DC Boost Converter. Int. J. Electr. Power Energy Syst. 2024, 162, 108204. [Google Scholar] [CrossRef]
- Wang, M.; Li, X.; Wu, J.; Wang, L.; Yang, Y. A Nonlinear Control Strategy for DC–DC Converters with Constant Power Loads Based on Improved Passivity and Disturbance Observation. Energies 2021, 14, 3031. [Google Scholar] [CrossRef]
- Ortega, R.; van der Schaft, A.J.; Mareels, I.; Maschke, B. Putting Energy Back in Control. IEEE Control Syst. Mag. 2002, 21, 18–33. [Google Scholar] [CrossRef]
- Konstantopoulos, G.C.; Papadopoulos, G.D.; Alexandridis, A.T.; Alexandridis, A. Nonlinear Control of DC/DC Power Converters with Inherent Current Limiting. In Proceedings of the 2016 24th Mediterranean Conference on Control and Automation (MED), Athens, Greece, 21–24 June 2016; pp. 949–954. [Google Scholar] [CrossRef]
- Mansouri, A.; Gavagsaz-Ghoachani, R.; Phattanasak, M.; Pierfederici, S. Nonlinear Cascaded Control for a DC-DC Boost Converter. Available online: https://pdfs.semanticscholar.org/804d/62de4bd0186bc0f376071a394f06bf9d980b.pdf (accessed on 5 September 2025).
- Komurcugil, H.; Guler, N.; Bayhan, S. Lyapunov-Function-Based Control Strategy for Four-Switch Buck–Boost DC–DC Converters. In Proceedings of the 2022 IEEE 31st International Symposium on Industrial Electronics (ISIE), Anchorage, AK, USA, 1–3 June 2022; pp. 546–551. [Google Scholar] [CrossRef]
- Nava-Bustamante, M.I.; Loera-Palomo, R.; Meza-Medina, J.L. Control strategy based on Control Lyapunov Functions applied to a DC-DC Boost Converter. In Proceedings of the 2023 IEEE International Autumn Meeting on Power, Electronics and Computing (ROPEC), Ixtapa, Mexico, 18–20 October 2023. [Google Scholar]
- Nava-Bustamante, M.I.; Loera-Palomo, R.; Meza-Medina, J.L. Lyapunov-Based Current Control Applied to a DC-DC Boost Converter. In Proceedings of the 2024 IEEE International Autumn Meeting on Power, Electronics and Computing (ROPEC), Ixtapa, Mexico, 11–13 November 2024. [Google Scholar]
- Parada-Salado, J.G.; Herrera-Ramírez, C.A.; Soriano-Sánchez, A.G.; Rodríguez-Licea, M.A. Nonlinear Stabilization Controller for the Boost Converter with a Constant Power Load in Both Continuous and Discontinuous Conduction Modes. Micromachines 2021, 12, 522. [Google Scholar] [CrossRef] [PubMed]
- Gavagsaz-Ghoachani, R.; Phattanasak, M.; Martin, J.-P.; Pierfederici, S. Lyapunov function-based improved switching command for a boost converter with an inductor–capacitor input filter. IET Power Electron. 2020, 13, 3940–3953. [Google Scholar] [CrossRef]
- Sabzi, S.; Asadi, M.; Moghbelli, H. Design and Analysis of Lyapunov Function-Based Controller for DC-DC Boost Converter. Indian J. Sci. Technol. 2016, 9, 1–6. [Google Scholar] [CrossRef]
- Álvarez, J.; Ruiz, J.; Bernal, M. A family of Lyapunov-based control schemes for maximum power point tracking in buck converters. Kybernetika 2023, 59, 294–313. [Google Scholar] [CrossRef]
- Alam, M.Z.; Ghosh, S.K.; Alkhateeb, A.F.; Roy, T.K.; Islam, M.S.; Saha, S.; Hussain, M.A. Robust hybrid nonlinear control approach for stability enhancement of a constant power load DC-DC boost converter. Alex. Eng. J. 2023, 74, 535–545. [Google Scholar] [CrossRef]
- Erickson, R.W.; Maksimović, D. Fundamentals of Power Electronics, 2nd ed.; Springer: Berlin/Heidelberg, Germany, 2001. [Google Scholar]
- Ortega, R.; Schaft, A.V.; Maschke, B.; Escobar, G. Interconnection and damping assignment passivity-based control of port-controlled Hamiltonian systems. Automatica 2002, 38, 585–596. [Google Scholar] [CrossRef]
- Khalil, H.K. Nonlinear Systems, 3rd ed.; Prentice Hall: Hoboken, NJ, USA, 2002. [Google Scholar]
- den Bossche, A.V.; Keybus, J.V.d.; Melkebeek, J. Averaged modeling of PWM converters operating in discontinuous conduction mode. In Proceedings of the 2000 IEEE 31st Annual Power Electronics Specialists Conference, Galway, Ireland, 18–23 June 2000; pp. 1092–1097. [Google Scholar]
- Krein, P.T. Elements of Power Electronics; Oxford University Press: Oxford, UK, 1998. [Google Scholar]
- Isidori, A. Nonlinear Control Systems, 3rd ed.; Springer: Berlin/Heidelberg, Germany, 1995. [Google Scholar]
- Ortega, R.; García-Canseco, L. Interconnection and damping assignment passivity-based control: A survey. Eur. J. Control 2004, 10, 432–450. [Google Scholar] [CrossRef]
- Artstein, Z. Stabilization with relaxed controls. Nonlinear Anal. Theory Methods Appl. 1983, 7, 1163–1173. [Google Scholar] [CrossRef]
- Sontag, E.D. A Lyapunov-like characterization of asymptotic controllability. SIAM J. Control Optim. 1983, 21, 462–471. [Google Scholar] [CrossRef]
- Bacciotti, A.; Rosier, L. Lyapunov Functions and Stability in Control Theory, 2nd ed.; Springer: Berlin/Heidelberg, Germany, 2005. [Google Scholar]
- Cai, X.; Wang, X.; Zhang, H. Universal construction of control Lyapunov functions for a class of nonlinear systems. J. Syst. Eng. Electron. 2007, 18, 598–602. [Google Scholar] [CrossRef]











Disclaimer/Publisher’s Note: The statements, opinions and data contained in all publications are solely those of the individual author(s) and contributor(s) and not of MDPI and/or the editor(s). MDPI and/or the editor(s) disclaim responsibility for any injury to people or property resulting from any ideas, methods, instructions or products referred to in the content. |
© 2025 by the authors. Licensee MDPI, Basel, Switzerland. This article is an open access article distributed under the terms and conditions of the Creative Commons Attribution (CC BY) license (https://creativecommons.org/licenses/by/4.0/).
Share and Cite
Nava-Bustamante, M.I.; Meza-Medina, J.L.; Loera-Palomo, R.; Hernández-Jacobo, C.A.; Morales-Saldaña, J.A. A Robust Lyapunov-Based Control Strategy for DC–DC Boost Converters. Algorithms 2025, 18, 705. https://doi.org/10.3390/a18110705
Nava-Bustamante MI, Meza-Medina JL, Loera-Palomo R, Hernández-Jacobo CA, Morales-Saldaña JA. A Robust Lyapunov-Based Control Strategy for DC–DC Boost Converters. Algorithms. 2025; 18(11):705. https://doi.org/10.3390/a18110705
Chicago/Turabian StyleNava-Bustamante, Mario Ivan, José Luis Meza-Medina, Rodrigo Loera-Palomo, Cesar Alberto Hernández-Jacobo, and Jorge Alberto Morales-Saldaña. 2025. "A Robust Lyapunov-Based Control Strategy for DC–DC Boost Converters" Algorithms 18, no. 11: 705. https://doi.org/10.3390/a18110705
APA StyleNava-Bustamante, M. I., Meza-Medina, J. L., Loera-Palomo, R., Hernández-Jacobo, C. A., & Morales-Saldaña, J. A. (2025). A Robust Lyapunov-Based Control Strategy for DC–DC Boost Converters. Algorithms, 18(11), 705. https://doi.org/10.3390/a18110705

