Effect of Mucin and Bicarbonate Ion on Corrosion Behavior of AZ31 Magnesium Alloy for Airway Stents
Abstract
:1. Introduction
2. Results and Discussion



| Solutions | C | O | Mg | Al | P | Cl | Ca | Zn |
|---|---|---|---|---|---|---|---|---|
| #1 | 6.51 | 42.10 | 0.95 | 0.23 | 18.42 | 0.00 | 31.06 | 0.25 |
| #2 | 6.46 | 46.24 | 18.04 | 0.16 | 12.81 | 0.06 | 16.03 | 0.00 |
| #3 | 3.89 | 50.24 | 21.40 | 0.34 | 11.75 | 0.09 | 12.16 | 0.00 |
| #4 | 5.58 | 44.94 | 29.60 | 0.98 | 9.96 | 0.50 | 8.42 | 0.00 |




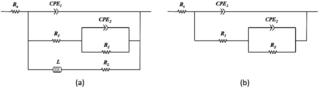
after fitting with Figure 7a as suggested by King et al. [32], and Rp of Nyquist plots without inductive response was calculated by Rp = R1 + R2 after fitting with Figure 7b, which were summarized in Figure 10. In solution #1 and #5 which did not include NaHCO3, the inductive response was observed and Rp was increased up to 10 and 15 h respectively and then decreased during immersion. However, Rp increased with increasing the concentration of NaHCO3 in solution during immersion, and Rp more sharply increased with addition of 0.1 g·L−1 mucin than in those solutions that did not. Relative lower increment of Rp in solution #1 and #5 in comparison with other solution and the inductive response could be caused by the formation of porous corrosion products on the surface of AZ31 magnesium alloy. The increment of Rp and no inductive response with increase of NaHCO3 in solution was caused by formation of dense corrosion product layer [32,33]. More increment of Rp with addition of mucin in solution although the corrosion product layer is thinner as shown in Figure 5 might result from the adsorption of mucin on the surface and the formation of more dense corrosion product layer than the corrosion product layer formed in solution without mucin.




3. Experimental Section
3.1. Sample Preparation
3.2. Test Solution
3.3. Immersion Tests
| Chemicals | Chemical Formula | Concentration |
|---|---|---|
| Magnesium Chloride | MgCl2 | 0.095 g·L−1 |
| Sodium Chloride | NaCl | 6.019 g·L−1 |
| Potassium Chloride | KCl | 0.298 g·L−1 |
| Disodium Hydrogen Phosphate | Na2HPO4 | 0.126 g·L−1 |
| Sodium Sulfate | Na2SO4 | 0.063 g·L−1 |
| Calcium Chloride Dihydrate | CaCl2·2H2O | 0.368 g·L−1 |
| Sodium Acetate | CH3COONa | 0.574 g·L−1 |
| Sodium Hydrogen Carbonate | NaHCO3 | 2.604 g·L−1 * |
| Sodium Citrate Dihydrate | C6H5Na3O7·2H2O | 0.097 g·L−1 |
| NaHCO3 (g·L−1) | 0 | 1 | 2.6 | 4 | |
|---|---|---|---|---|---|
| Mucin (g·L−1) | |||||
| 0 | Solution #1 | Solution #2 | Solution #3 | Solution #4 | |
| 0.1 | Solution #5 | Solution #6 | Solution #7 | Solution #8 | |
3.4. Electrochemical Tests
3.5. Corrosion Characterization
3.6. Adhesion Test of Porcine Tracheal Epithelial (PTE) Cells
4. Conclusions
Acknowledgments
Author Contributions
Conflicts of Interest
References
- Collard, P.; Freitag, L.; Reynaert, M.S.; Rodenstein, D.O.; Francis, C. Respiratory failure due to tracheobronchomalacia. Thorax 1996, 51, 224–226. [Google Scholar] [CrossRef] [PubMed]
- Nuutinen, J. Acquired tracheobronchomalacia. A clinical study with bronchological correlations. Ann. Clin. Res. 1977, 9, 350–355. [Google Scholar]
- Chin, C.S.; Litle, V.; Yun, J.; Weiser, T.; Swanson, S.J. Airway stents. Ann. Thorac. Surg. 2008, 85, S792–S796. [Google Scholar] [PubMed]
- Murgu, S.D.; Colt, H.G. Tracheobronchomalacia and excessive dynamic airway collapse. Respirology 2006, 11, 388–406. [Google Scholar] [CrossRef] [PubMed]
- Dumon, J. A dedicated tracheobronchial stent. CHEST J. 1990, 97, 328–332. [Google Scholar] [CrossRef]
- Saito, Y.; Imamura, H. Airway stenting. Surg. Today 2005, 35, 265–270. [Google Scholar] [CrossRef] [PubMed]
- Virtanen, S. Biodegradable Mg and Mg alloys: Corrosion and biocompatibility. Mater. Sci. Eng. B 2011, 176, 1600–1608. [Google Scholar] [CrossRef]
- Luffy, S.A.; Chou, D.T.; Waterman, J.; Wearden, P.D.; Kumta, P.N.; Gilbert, T.W. Evaluation of magnesium-yttrium alloy as an extraluminal tracheal stent. J. Biomed. Mater. Res. A 2013, 102, 611–620. [Google Scholar] [CrossRef] [PubMed]
- Zheng, Y.; Gu, X.; Witte, F. Biodegradable metals. Mater. Sci. Eng. R: Rep. 2014, 77, 1–34. [Google Scholar]
- Willbold, E.; Kalla, K.; Bartsch, I.; Bobe, K.; Brauneis, M.; Remennik, S.; Shechtman, D.; Nellesen, J.; Tillmann, W.; Vogt, C. Biocompatibility of rapidly solidified magnesium alloy RS66 as a temporary biodegradable metal. Acta Biomater. 2013, 9, 8509–8517. [Google Scholar] [CrossRef] [PubMed]
- Dziuba, D.; Meyer-Lindenberg, A.; Seitz, J.M.; Waizy, H.; Angrisani, N.; Reifenrath, J. Long-term in vivo degradation behaviour and biocompatibility of the magnesium alloy ZEK100 for use as a biodegradable bone implant. Acta Biomater. 2013, 9, 8548–8560. [Google Scholar] [CrossRef] [PubMed]
- Peng, Q.M.; Huang, Y.D.; Zhou, L.; Hort, N.; Kainer, K.U. Preparation and properties of high purity Mg-Y biomaterials. Biomaterials 2010, 31, 398–403. [Google Scholar] [CrossRef] [PubMed]
- Xin, Y.; Liu, C.; Zhang, X.; Tang, G.; Tian, X.; Chu, P.K. Corrosion behavior of biomedical AZ91 magnesium alloy in simulated body fluids. J. Mater. Res. 2007, 22, 2004–2011. [Google Scholar] [CrossRef]
- Yamamoto, A.; Hiromoto, S. Effect of inorganic salts, amino acids and proteins on the degradation of pure magnesium in vitro. Mater. Sci. Eng. C 2009, 29, 1559–1568. [Google Scholar] [CrossRef]
- Gu, X.; Zheng, Y.; Chen, L. Influence of artificial biological fluid composition on the biocorrosion of potential orthopedic Mg-Ca, AZ31, AZ91 alloys. Biomed. Mater. 2009, 4. [Google Scholar] [CrossRef]
- Rose, M.C.; Voynow, J.A. Respiratory tract mucin genes and mucin glycoproteins in health and disease. Physiol. Rev. 2006, 86, 245–278. [Google Scholar] [CrossRef] [PubMed]
- Jang, Y.; Collins, B.; Sankar, J.; Yun, Y. Effect of biologically relevant ions on the corrosion products formed on alloy AZ31B: An improved understanding of magnesium corrosion. Acta Biomater. 2013, 9, 8761–8770. [Google Scholar] [CrossRef] [PubMed]
- Xin, Y.C.; Huo, K.F.; Tao, H.; Tang, G.Y.; Chu, P.K. Influence of aggressive ions on the degradation behavior of biomedical magnesium alloy in physiological environment. Acta Biomater. 2008, 4, 2008–2015. [Google Scholar] [PubMed]
- Mueller, W.D.; Fernández Lorenzo de Mele, M.; Nascimento, M.L.; Zeddies, M. Degradation of magnesium and its alloys: Dependence on the composition of the synthetic biological media. J. Biomed. Mater. Res. A 2009, 90, 487–495. [Google Scholar] [CrossRef] [PubMed]
- Liu, C.; Xin, Y.; Tian, X.; Chu, P.K. Degradation susceptibility of surgical magnesium alloy in artificial biological fluid containing albumin. J. Mater. Res. 2007, 22, 1806–1814. [Google Scholar]
- Dorozhkin, S.V.; Dorozhkina, E.I. The influence of bovine serum albumin on the crystallization of calcium phosphates from a revised simulated body fluid. Colloids Surf. A Physicochem. Eng. Asp. 2003, 215, 191–199. [Google Scholar] [CrossRef]
- Israel, O.K.; Patricia, E.A.; Gaba, E.E.; Mary, A.A. A comparative study of the adsorptive characteristics of mucin to calcium hydroxyapatite and titanium implants. Am. Chem. Sci. J. 2011, 1, 89–96. [Google Scholar] [CrossRef]
- Lori, J.A.; Ayeni, M.B.; Jasper, E.E.; Ekanem, E.J. Kinetic study of the adsorption of mucin onto titanium surface. Res. J. Appl. Sci. Eng. Technol. 2011, 3, 792–797. [Google Scholar]
- Dorozhkin, S.V.; Epple, M. Biological and medical significance of calcium phosphates. Angew. Chem. Int. Ed. 2002, 41, 3130–3146. [Google Scholar] [CrossRef]
- Gao, J.; Guan, S.; Chen, J.; Wang, L.; Zhu, S.; Hu, J.; Ren, Z. Fabrication and characterization of rod-like nano-hydroxyapatite on mao coating supported on Mg-Zn-Ca alloy. Appl. Surf. Sci. 2011, 257, 2231–2237. [Google Scholar]
- Kuwahara, H.; Al-Abdullat, Y.; Mazaki, N.; Tsutsumi, S.; Aizawa, T. Precipitation of magnesium apatite on pure magnesium surface during immersing in hank's solution. Mater. Trans. Jpn. 2001, 42, 1317–1321. [Google Scholar] [CrossRef]
- Yang, L.; Zhang, E.L. Biocorrosion behavior of magnesium alloy in different simulated fluids for biomedical application. Mater. Sci. Eng. C 2009, 29, 1691–1696. [Google Scholar] [CrossRef]
- Shadanbaz, S.; Dias, G.J. Calcium phosphate coatings on magnesium alloys for biomedical applications: A review. Acta Biomater. 2012, 8, 20–30. [Google Scholar] [CrossRef] [PubMed]
- Müller, L.; Müller, F.A. Preparation of sbf with different HCO3− content and its influence on the composition of biomimetic apatites. Acta Biomater. 2006, 2, 181–189. [Google Scholar]
- Baril, G.; Pebere, N. The corrosion of pure magnesium in aerated and deaerated sodium sulphate solutions. Corros. Sci. 2001, 43, 471–484. [Google Scholar] [CrossRef]
- Lévesque, J.; Hermawan, H.; Dubé, D.; Mantovani, D. Design of a pseudo-physiological test bench specific to the development of biodegradable metallic biomaterials. Acta Biomater. 2008, 4, 284–295. [Google Scholar]
- King, A.; Birbilis, N.; Scully, J. Accurate electrochemical measurement of magnesium corrosion rates; a combined impedance, mass-loss and hydrogen collection study. Electrochim. Acta 2014, 121, 394–406. [Google Scholar] [CrossRef]
- Xin, Y.; Hu, T.; Chu, P.K. Degradation behaviour of pure magnesium in simulated body fluids with different concentrations of HCO3−. Corros. Sci. 2011, 53, 1522–1528. [Google Scholar] [CrossRef]
- Mueller, H.; Hirthe, R. Electrochemical characterization and immersion corrosion of a consolidated silver dental biomaterial. Biomaterials 2001, 22, 2635–2646. [Google Scholar] [CrossRef] [PubMed]
- Hornberger, H.; Witte, F.; Hort, N.; Mueller, W.D. Effect of fetal calf serum on the corrosion behaviour of magnesium alloys. Mater. Sci. Eng. B 2011, 176, 1746–1755. [Google Scholar] [CrossRef]
- Valero Vidal, C.; Olmo Juan, A.; Igual Muñoz, A. Adsorption of bovine serum albumin on cocrmo surface: Effect of temperature and protein concentration. Colloids Surf. B 2010, 80, 1–11. [Google Scholar]
- Clark, G.; Williams, D. The effects of proteins on metallic corrosion. J. Biomed. Mater. Res. 1982, 16, 125–134. [Google Scholar] [CrossRef] [PubMed]
- Marques, M.R.C.; Loebenberg, R.; Almukainzi, M. Simulated biological fluids with possible application in dissolution testing. Dissolution Technol. 2011, 18, 15–28. [Google Scholar]
© 2014 by the authors; licensee MDPI, Basel, Switzerland. This article is an open access article distributed under the terms and conditions of the Creative Commons Attribution license (http://creativecommons.org/licenses/by/3.0/).
Share and Cite
Jang, Y.; Owuor, D.; Waterman, J.T.; White, L.; Collins, B.; Sankar, J.; Gilbert, T.W.; Yun, Y. Effect of Mucin and Bicarbonate Ion on Corrosion Behavior of AZ31 Magnesium Alloy for Airway Stents. Materials 2014, 7, 5866-5882. https://doi.org/10.3390/ma7085866
Jang Y, Owuor D, Waterman JT, White L, Collins B, Sankar J, Gilbert TW, Yun Y. Effect of Mucin and Bicarbonate Ion on Corrosion Behavior of AZ31 Magnesium Alloy for Airway Stents. Materials. 2014; 7(8):5866-5882. https://doi.org/10.3390/ma7085866
Chicago/Turabian StyleJang, Yongseok, Daniel Owuor, Jenora T. Waterman, Leon White, Boyce Collins, Jagannathan Sankar, Thomas W. Gilbert, and Yeoheung Yun. 2014. "Effect of Mucin and Bicarbonate Ion on Corrosion Behavior of AZ31 Magnesium Alloy for Airway Stents" Materials 7, no. 8: 5866-5882. https://doi.org/10.3390/ma7085866
APA StyleJang, Y., Owuor, D., Waterman, J. T., White, L., Collins, B., Sankar, J., Gilbert, T. W., & Yun, Y. (2014). Effect of Mucin and Bicarbonate Ion on Corrosion Behavior of AZ31 Magnesium Alloy for Airway Stents. Materials, 7(8), 5866-5882. https://doi.org/10.3390/ma7085866
