Evaluation of Physico-Chemical Characteristics of Cement Superplasticizer Based on Polymelamine Sulphonate
Abstract
1. Introduction
2. Materials and Methods
2.1. Compositional Analysis of Cement
2.2. Preparation of Concrete Samples
2.3. BET Analysis
2.4. Scanning Electron Microscopy (SEM)
2.5. Chemical Analysis by Wavelength-Dispersive X-ray Fluorescence (WD-XRF) Spectroscopic Method
2.6. Thermo-Gravimetric Analysis (TGA)
2.7. Preparation of Aqueous Solutions of Superplasticizer PMS
2.8. Analysis of PMS Hydrolytic Solutions by Spectroscopic (Raman and UV/Vis) Techniques
2.9. Statistical Analysis
3. Results and Discussion
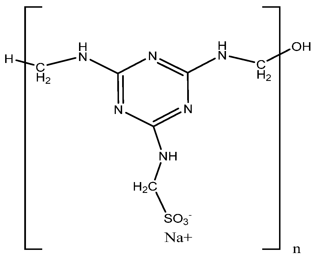
3.1. The Chemical and Physical Characteristics of a Commercial Cement Superplasticizer Based on Polymelamine Sulphonate
3.2. Chemical and Physical Characteristics of Commercial Cement
3.3. Characterization of Cementitious Material by Scanning Electron Microscopy (SEM)
3.4. Chemical Composition of Peramin ® SMF10
3.5. Raman Spectroscopic Analysis of Polymelamine Sulphonate (PMS) Powder (Commercial Product Peramin SMF 10)
3.6. Thermo-Gravimetric Analysis (TGA) of Peramin ® SMF10
3.7. Analysis of PMS Hydrolytic Solutions
3.7.1. Spectrophotometric Analysis of PMS Hydrolytic Samples
3.7.2. Raman Spectroscopic Analysis of PMS Hydrolytic Samples
4. Conclusions
Author Contributions
Funding
Institutional Review Board Statement
Informed Consent Statement
Data Availability Statement
Acknowledgments
Conflicts of Interest
References
- Wieland, E.; Lothenbach, B.; Glaus, M.A.; Thoenen, T.; Schwyn, B. Influence of superplasticizers on the long-term properties of cement pastes and possible impact on radionuclide uptake in a cement-based repository for radioactive waste. Appl. Geochem. 2014, 49, 126–142. [Google Scholar] [CrossRef]
- Tits, J.; Wieland, E.; Müller, C.J.; Landesman, C.; Bradbury, M.H. Strontium binding by calcium silicate hydrates. J. Colloid Interface Sci. 2006, 300, 78–87. [Google Scholar] [CrossRef] [PubMed]
- Harfouche, M.; Wieland, E.; Dähn, R.; Fujita, T.; Tits, J.; Kunz, D.; Tsukamoto, M. EXAFS study of U(VI) uptake by calcium silicate hydrates. J. Colloid Interface Sci. 2006, 303, 195–204. [Google Scholar] [CrossRef] [PubMed]
- Gaona, X.; Dähn, R.; Tits, J.; Scheinost, A.C.; Wieland, E. Uptake of Np(IV) by C-S-H phases and cement paste: An EXAFS study. Environ. Sci. Technol. 2011, 45, 8765–8771. [Google Scholar] [CrossRef]
- Li, K.; Pang, X. Sorption of radionuclides by cement-based barrier materials. Cem. Concr. Res. 2014, 65, 52–57. [Google Scholar] [CrossRef]
- Grambow, B.; López-García, M.; Olmeda, J.; Grivé, M.; Marty, N.C.M.; Grangeon, S.; Claret, F.; Lange, S.; Deissmann, G.; Klinkenberg, M.; et al. Retention and diffusion of radioactive and toxic species on cementitious systems: Main outcome of the CEBAMA project. Appl. Geochem. 2020, 112, 104480. [Google Scholar] [CrossRef]
- Kittnerová, J.; Drtinová, B.; Štamberg, K.; Vopálka, D.; Evans, N.; Deissmann, G.; Lange, S. Comparative study of radium and strontium behaviour in contact with cementitious materials. Appl. Geochem. 2020, 122, 104713. [Google Scholar] [CrossRef]
- Reijonen, H.M.; Alexander, W.R.; Norris, S. Resilience in knowledge management—The case of natural analogues in radioactive waste management. Process Saf. Environ. Prot. 2023, 180, 205–222. [Google Scholar] [CrossRef]
- Ferreira, E.G.A.; Marumo, J.T.; Franco, M.K.K.D.; Yokaichiya, F.; Vicente, R. 10000 years cement—Can hydrated cement last as much as long-lived radionuclides? Cem. Concr. Compos. 2019, 103, 339–352. [Google Scholar] [CrossRef]
- Tyupina, E.A.; Kozlov, P.P.; Krupskaya, V.V. Application of cement-based materials as a component of an engineered barrier system at geological disposal facilities for radioactive waste—A review. Energies 2023, 16, 605. [Google Scholar] [CrossRef]
- Burešová, M.; Kittnerová, J.; Drtinová, B. Comparative study of Eu and U sorption on cementitious materials in the presence of organic substances. J. Radioanal. Nucl. Chem. 2023, 332, 1499–1504. [Google Scholar] [CrossRef]
- Kittnerová, J.; Drtinová, B.; Štamberg, K.; Deissmann, G.; Lange, S.; Evans, N. Study of radium behavior in contact with calcium-silicate-hydrates. ASME J. Nucl. Radiat. Sci. 2022, 9, 011901. [Google Scholar] [CrossRef]
- Drtinová, B.; Kittnerová, J.; Bergelová, K.; Burešová, M.; Baborova, L. Sorption of lead on cementitious materials in presence of organics. Front. Nucl. Eng. 2023, 1, 1095233. [Google Scholar] [CrossRef]
- Stockdale, A.; Bryan, N.D. The influence of natural organic matter on radionuclide mobility under conditions relevant to cementitious disposal of radioactive wastes: A review of direct evidence. Earth Sci. Rev. 2013, 121, 1–17. [Google Scholar] [CrossRef]
- Tasi, A.; Gaona, X.; Fellhauer, D.; Bottle, M.; Rothe, J.; Dardenne, K.; Polly, R.; Grive, M.; Colas, E.; Bruno, J.; et al. Thermodynamic description of the plutonium—α-D-isosaccharinic acid system I: Solubility, complexation and redox behavior. Appl. Geochem. 2018, 98, 247–264. [Google Scholar] [CrossRef]
- Darweesh, H.H.M. Black liquor waste as a cement admixture or cement and concrete admixtures. In Biopolymers and Biotech Admixtures for Eco-Efficient Construction Materials; Pacheco-Torgal, F., Ivanov, V., Karak, N., Jonkers, H., Eds.; Elsevier Ltd.: Amsterdam, The Netherlands, 2016; pp. 99–130. [Google Scholar] [CrossRef]
- Mollah, M.Y.A.; Adams, W.J.; Schennach, R.; Cocke, D.L. A review of cement—Superplasticizer interactions and their models. Adv. Cem. Res. 2000, 12, 153–161. [Google Scholar] [CrossRef]
- Hewlett, P.C.; Justnes, H.; Edmeades, R.M. Cement and concrete admixtures. In Lea’s Chemistry of Cement and Concrete, 5th ed.; Hewlett, P.C., Liska, M., Eds.; Elsevier Ltd.: Amsterdam, The Netherlands, 2019; pp. 641–698. [Google Scholar] [CrossRef]
- Levy, S.M. Calculations relating to concrete and masonry. In Construction Calculations Manual; Elsevier Ltd.: Amsterdam, The Netherlands, 2012; pp. 211–264. [Google Scholar] [CrossRef]
- González-Sánchez, J.F.; Taşcı, B.; Fernández, J.M.; Navarro-Blasco, Í.; Alvarez, J.I. Combination of polymeric superplasticizers, water repellents and pozzolanic agents to improve air lime-based grouts for historic masonry repair. Polymers 2020, 12, 887. [Google Scholar] [CrossRef] [PubMed]
- Singh, V.K. The Science and Technology of Cement and Other Hydraulic Binders, 1st ed.; Elsevier Ltd.: Amsterdam, The Netherlands, 2023; pp. 499–570. ISBN 9780323950800. [Google Scholar]
- Pothinathan, S.K.M.; Millar, J.; Gnanaraj, S.C. Effect of sulfonated-melamine formaldehyde as superplasticizer in cementitious systems. In Materials Research Proceedings; Materials Research Forum LLC: Millersville, PA, USA, 2021; Volume 19, pp. 51–59. [Google Scholar] [CrossRef]
- Flatt, R.; Schober, I. Superplasticizers and the rheology of concrete. In Understanding the Rheology of Concrete; Roussel, N., Ed.; Woodhead Publishing Limited: Cambridge, UK, 2012; pp. 144–208. [Google Scholar]
- Breilly, D.; Fadlallah, S.; Froidevaux, V.; Colas, A.; Allais, F. Origin and industrial applications of lignosulfonates with a focus on their use as superplasticizers in concrete. Constr. Build. Mater. 2021, 301, 124065. [Google Scholar] [CrossRef]
- Gelardi, G.; Mantellato, S.; Marchon, D.; Palacios, M.; Eberhardt, A.B.; Flatt, R.J. Chemistry of chemical admixtures. In Science and Technology of Concrete Admixtures; Aïtcin, P.-C., Flatt, R.J., Eds.; Elsevier Ltd.: Amsterdam, The Netherlands, 2016; pp. 149–218. [Google Scholar] [CrossRef]
- El Hilal, B.; Khudhair, M.H.; El Harfi, A. Review on different families of polymeric superplasticizers used as adjuvants in the cementitious materials in civil engineering. Appl. J. Environ. Eng. Sci. 2018, 4, 158–170. [Google Scholar] [CrossRef]
- Chandra, S.; Björnström, J. Influence of superplasticizer type and dosage on the slump loss of Portland cement mortars—Part I. Cem. Concr. Res. 2002, 32, 1605–1611. [Google Scholar] [CrossRef]
- Bassioni, G. The influence of cement composition on superplasticizers’ efficiency. Int. J. Eng. (IJE) 2010, 3, 577–587. [Google Scholar]
- Anonymous. Industry ARC. Concrete Superplasticizers Market—Forecast (2024–2030). Available online: https://www.industryarc.com/Report/11683/concrete-superplasticizers-market.html (accessed on 12 February 2024).
- Kanagaraj, J.; Senthilvelan, T.; Panda, R.C.; Kavitha, S. Eco-friendly waste management strategies for greener environment towards sustainable development in leather industry: A comprehensive review. J. Clean. Prod. 2015, 89, 1–17. [Google Scholar] [CrossRef]
- Wang, H.; Yang, X.; Xiong, W.; Liu, X.; Zhang, Z. Synthesis and the effects of new melamine superplasticizer on the properties of concrete. Int. Sch. Res. Not. Chem. Eng. 2013, 2013, 708063. [Google Scholar] [CrossRef]
- Lothenbach, B.; Winnefeld, F. Thermodynamic modelling of the hydration of Portland cement. Cem. Conc. Res. 2006, 36, 209–226. [Google Scholar] [CrossRef]
- Wieland, E.; Kosakowski, G.; Lothenbach, B.; Kulik, D.A. Geochemical modelling of the effect of waste degradation processes on the long-term performance of waste forms. Appl. Geochem. 2020, 115, 104539. [Google Scholar] [CrossRef]
- Randall, M.; Rigby, B.; Thompson, O.; Trivedi, D. Assessment of the Effects of Cellulose Degradation Products on the Behaviour of Europium and Thorium; National Nuclear Laboratory (NNL): Sellafield, UK, 2013; pp. 1–178. [Google Scholar]
- Jacques, D.; Wang, L.; Martens, E.; Mallants, D. Modelling chemical degradation of concrete during leaching with rain and soil water types. Cem. Concr. Res. 2010, 40, 1306–1313. [Google Scholar] [CrossRef]
- Smith, K.F.; Bryan, N.D.; Swinburne, A.N.; Bots, P.; Shaw, S.; Natrajan, L.S.; Mosselmans, J.F.W.; Livens, F.R.; Morris, K. U(VI) behaviour in hyperalkaline calcite systems. Geochim. Cosmochim. Acta 2015, 148, 343–359. [Google Scholar] [CrossRef]
- Lothenbach, B.; Zajac, M. Application of thermodynamic modelling to hydrated cements. Cem. Conc. Res. 2019, 123, 105779. [Google Scholar] [CrossRef]
- John, E.; Lothenbach, B. Cement hydration mechanisms through time—A review. J. Mater. Sci. 2023, 58, 9805–9833. [Google Scholar] [CrossRef]
- Pernicova, R.; Citek, D.; Dobias, D.; Kolisko, J.; Mandlik, T.; Hausmannova, L. Development of a low-pH concrete intended for deep geological repository for radioactive waste. Buildings 2023, 13, 182. [Google Scholar] [CrossRef]
- Baston, G.M.N.; Clacher, A.P.; Heath, T.G.; Hunter, F.M.I.; Smith, V.; Swanton, S.W. Calcium silicate hydrate (C-S-H) gel dissolution and pH buffering in a cementitious near field. Mineral. Mag. 2012, 76, 3045–3053. [Google Scholar] [CrossRef]
- Utepov, Y.; Tulebekova, A.; Aldungarova, A.; Mkilima, T.; Zharassov, S.; Shakhmov, Z.; Bazarbayev, D.; Tolkynbayev, T.; Kaliyeva, Z. Investigating the influence of initial water pH on concrete strength gain using a sensors and sclerometric test combination. Infrastructures 2022, 7, 159. [Google Scholar] [CrossRef]
- Natkunarajah, K.; Masilamani, K.; Maheswaran, S.; Lothenbach, B.; Amarasinghe, D.A.S.; Attygalle, D. Analysis of the trend of pH changes of concrete pore solution during the hydration by various analytical methods. Cem. Concr. Res. 2022, 156, 106780. [Google Scholar] [CrossRef]
- Anonymous. Report on Carcinogens, 2011. National Toxicology Program, 12th ed.; National Institute of Health, DIANE Publ.: Bethesda, MD, USA, 2011; pp. 1–498. [Google Scholar]
- An, N.T.T.; Dao, D.Q.; Nam, P.C.; Huy, B.T.; Tran, H.N. Surface enhanced Raman scattering of melamine on silver substrate: An experimental and DFT study. Spectrochim. Acta A Mol. Biomol. Spectrosc. 2016, 169, 230–237. [Google Scholar] [CrossRef]
- Chen, X.; Hu, Y.; Gao, J.; Zhang, Y.; Li, S. Interaction of melamine molecules with silver nanoparticles explored by surface-enhanced Raman scattering and density functional theory calculations. Appl. Spectrosc. 2013, 67, 491–497. [Google Scholar] [CrossRef]







| Sample Name | Area of BET Surface, m2/g | Area of Micro-Pores, m2/g | Area of External Surface, m2/g | Volume of Pores, cm3/g | Pore Diameter Range, nm | Average Pore Diameter, nm |
|---|---|---|---|---|---|---|
| CEM I | 13.2 ± 1.3 | 7.1 ± 0.2 | 6.1 ± 0.1 | 0.00 | 2.6 ± 0.3–86.5 ± 3.3 | 14.6 ± 2.5 |
| No. | Compound | Percentage (Mass %) |
|---|---|---|
| 1. | CO2 | 13.90 ± 0.18 |
| 2. | O | 5.93 ± 0.04 |
| 3. | CaO | 52.51 ± 1.37 |
| 4. | SiO2 | 14.98 ± 0.12 |
| 5. | Al2O3 | 3.19 ± 0.01 |
| 6. | SO3 | 2.98 ± 0.03 |
| 7. | Fe2O3 | 2.78 ± 0.05 |
| 8. | MgO | 2.13 ± 0.01 |
| No. | Compound | Percentage (Mass %) |
|---|---|---|
| 1. | PMS | 99.824 ± 0.102 |
| 2. | P2O5 | 0.054 ± 0.004 |
| 3. | ZnO | 0.033 ± 0.019 |
| 4. | Na2O | 0.021 ± 0.001 |
| 5. | SiO2 | 0.021 ± 0.003 |
| 6. | Al2O3 | 0.017 ± 0.001 |
| 7. | CaO | 0.017 ± 0.008 |
| 8. | K2O | 0.006 ± 0.001 |
| 9. | Fe2O3 | 0.005 ± 0.001 |
| 10. | Cl− | 0.004 ± 0.001 |
Disclaimer/Publisher’s Note: The statements, opinions and data contained in all publications are solely those of the individual author(s) and contributor(s) and not of MDPI and/or the editor(s). MDPI and/or the editor(s) disclaim responsibility for any injury to people or property resulting from any ideas, methods, instructions or products referred to in the content. |
© 2024 by the authors. Licensee MDPI, Basel, Switzerland. This article is an open access article distributed under the terms and conditions of the Creative Commons Attribution (CC BY) license (https://creativecommons.org/licenses/by/4.0/).
Share and Cite
Judžentienė, A.; Zdaniauskienė, A.; Ignatjev, I.; Druteikienė, R. Evaluation of Physico-Chemical Characteristics of Cement Superplasticizer Based on Polymelamine Sulphonate. Materials 2024, 17, 1940. https://doi.org/10.3390/ma17091940
Judžentienė A, Zdaniauskienė A, Ignatjev I, Druteikienė R. Evaluation of Physico-Chemical Characteristics of Cement Superplasticizer Based on Polymelamine Sulphonate. Materials. 2024; 17(9):1940. https://doi.org/10.3390/ma17091940
Chicago/Turabian StyleJudžentienė, Asta, Agnė Zdaniauskienė, Ilja Ignatjev, and Rūta Druteikienė. 2024. "Evaluation of Physico-Chemical Characteristics of Cement Superplasticizer Based on Polymelamine Sulphonate" Materials 17, no. 9: 1940. https://doi.org/10.3390/ma17091940
APA StyleJudžentienė, A., Zdaniauskienė, A., Ignatjev, I., & Druteikienė, R. (2024). Evaluation of Physico-Chemical Characteristics of Cement Superplasticizer Based on Polymelamine Sulphonate. Materials, 17(9), 1940. https://doi.org/10.3390/ma17091940

