Magnetron-Sputtered Lead Titanate Thin Films for Pyroelectric Applications: Part 2—Electrical Characteristics and Characterization Methods
Abstract
1. Introduction
2. Measurement of the Electrical Characteristics
2.1. Measurement of the Hysteresis Curves

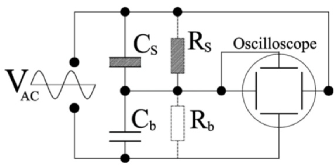
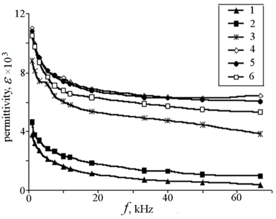
2.2. Measurement of the Dielectric Permittivity


2.3. Measurement of Capacitance-Voltage Characteristics



2.4. Measurement of Leakage Current Characteristics in PT-Based Materials
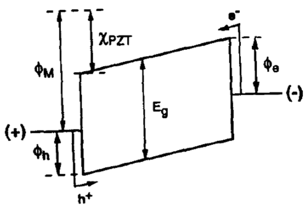
2.4.1. Metal/PZT Band Diagram
- fine-grained films, with grain boundaries (GB) parallel and perpendicular to the current flow, and
- columnar grain structures, with GBs parallel to the current flow.
2.4.2. Leakage Mechanisms in PT-Based Materials
- The transient current: This is the initial decrease in current with time.
- The saturation (“true” leakage), which becomes pronounced after current transients are died out and predominates leakage for a certain period.
- The resistance degradation regime, where I(t) increases until a maximum value is reached.
- The dielectric breakdown region.
- The data on I(V) and I(t) measurements depend on the separation technique used for the “true” leakage current from the dielectric relaxation current. In perovskites, the current comprises a time-dependent component dielectric relaxation, which is strongly dependent on the measurement technique, prior history of the sample, and other factors, as seen in Figure 12.
- Often, different conduction mechanisms result in similar I(V) curves, especially when the analysis is carried out on a limited voltage interval.
- Different processing factors and physical parameters including microstructure, thickness, doping level, and electrode materials affect conduction behavior in polycrystalline films.
- Dielectric relaxation regime.
- 2.
- The saturation region.
- 3.
- Resistance degradation and restoration region.
2.4.3. The Effect of Dielectric Thickness on Leakage Current Mechanisms
2.4.4. Case Study: Leakage Current Mechanisms in Au/PCT/Pt Structure

2.5. Measurement of Fatigue in PT Based Materials
2.6. Poling of Pyroelectric Thin Films
2.7. Pyroelectric Measurement
- Changes in the permanent polarization along the x direction ,
- Changes in dielectric permittivity of medium leading to the electric field induced polarization ,
- Changes in the piezoelectricity , and
- Changes in the flexoelectric polarization .
2.7.1. Measurement of the Pyroelectric Effect
Direct Measurement of the Polarization and/or Dielectric Constant at Two or More Fixed Temperatures
- A.1. Sawyer-Tower (ST) Bridge Technique
- A.2. Modified ST bridge (Liu) method
Measurement of the Pyroelectric Current Induced by Ramping Temperature Up (or Down)
- B.1. Measurement of the pyroelectric voltage developed across the film by ramping temperature up (or down):
Measurement of the Short Circuit Current Produced by a Continuous Temperature Ramping (Up or Down)
Temperature Oscillation (Dynamic) Method
- Creation and measurement of a large (dT/dt) with low noise.
- Thermoelectric effect is due to contacts which contribute to measured current.
- Thermally activated current due to non-uniformly distributed charged traps [75] is indistinguishable from and may dominate, especially in the poled ferroelectrics. Depletion of the traps requires a large number of repetitions (e.g., in electrets).
- Very long trap time response.
- Measurements of the current through a short circuit require (for all Ts).
- Depending on their preparation details, thin films generally contain pinholes which decrease the “apparent” resistivity of the sample.
- When the trap concentration , where is the trap concentration in the bulk, it is possible that , where is the pyroelectric current.
- It is possible that the current due to the thermoelectric effect .
- Periodic pulse techniques, and
- The continuous oscillation method.
- C.1. Temperature Changes Using Periodic Pulse Techniques
- A lump model can be devised for the DUT (Figure 32). Accurate prediction of the pyroelectric device behavior under broad range of frequencies requires distributed parameter modeling of the thermal gradients. However, if temperature differences within the DUT are much smaller than the temperature changes induced by the input energy (where, is the fraction of absorbed IR power, is the input power, and is the duration period), a reasonably accurate lumped parameter modelling approach is also possible to create. This requires identification of the thermal capacitance and heat conductance to the environment for the DUT if temperature differences within the DUT are much smaller than the temperature changes induced by the input energy. Otherwise, one can introduce “pseudo-lumped” parameters if the temperature rise and fall obey the following:
- 2.
- The recording of the pyroelectric current transients and averaging of the output signal is possible over many cycles to improve the signal to noise ratio (SNR).
Temperature Change Using Continuous Oscillation Method
- D.1. Extended version of continuous oscillation technique
- D.2. Temperature change using continuous oscillation method as applied to substrate supported thin films
- D.2.1. Applying Bulk Techniques to Measure Pyroelectric Coefficient Using the Continuous Oscillation Method
- D.2.2. Holeman Periodic Temperature Change Method
Pyroelectric Current Generated in a Film Supported by a Substrate (Heat Sink) in Response to Sinusoidally Modulated, Uniform, and Lateral Heating
2.8. Interaction between the Processing and Electrical Properties of the PT-Based Titanate Thin Films
2.8.1. The Influence of the Ca Content on Morphology and Electrical Characteristics of PCT Thin Films
- Polycrystalline ceramic showed tetragonal structure with c/a ratio close to that of the pure PT, which decreased with increasing Ca mole percent.
- Tetragonality disappeared at about 20 mole % of Ca.
- The lattice parameters and volume of the unit cell decreases by increasing Ca content.
- DC conductivity values at room temperature and around phase transition temperature (Tc), are thermally activated and are affected by Ca content.
- Increase in Ca concentration lowers the curie temperature of the Ca-modified PT ceramic.
- As the Ca concentration increases, grain size first increases up to 10 mol% but decreases consequently. This has been attributed to the solubility limit of Ca in PT.
- The relative permittivity of the films increases 148 to 356,
- The dissipation factor increases from 2.5 to 2.84,
- At , the pyroelectric coefficient increases from to ,
- The coercive field decreases from for thin films to for ,
- The remnant polarization decreases from for to for thin films, and
- thin film showed highest values for the figure of merit for voltage and the figure of merit for detectivity .
2.8.2. The Effect of Interfacial Diffusion across the Film Interfaces
2.8.3. The Effect of Contacts
- The choice of contact composition.
- The modification of the contact’s Schottky barrier height (if a blocking contact is formed).
The Choice of Contact Composition
- is a non-reactive metal and hence suppresses formation of interfacial oxide with the oxygen containing during high temperature steps of the fabrication processes.
- The lattice spacing in the (111) Pt closely matches the (001) plane of , and as a bottom electrode, it acts as a favorable growth template yielding highly textured [001] , with the P directed normal to the electrode surfaces [90].
- Iridium oxide has good IR absorption properties, eliminating the need for a separate absorption layer such as electrochemically deposited ‘black’ (with an absorption coefficient of [98]). This design would reduce the effective sensor’s thermal mass and hence provide faster response to the heat compared to [57]. Iridium oxide serves a dual purpose as a top electrode/absorber that provides high polarization of the pyroelectric material, optimizes IR absorption, and minimizes the overall thermal mass.
- Given the same top electrode area, iridium oxide provides a far higher pyroelectric coefficient for films.
Ohmic versus Blocking Contacts
The Choice of Electrode Layout
3. Future Trends
Author Contributions
Funding
Institutional Review Board Statement
Informed Consent Statement
Data Availability Statement
Conflicts of Interest
Appendix A
Appendix A.1. P(E) Loops: Development, Artifacts, and Measurement

| Appearance of the Hysteresis Curve | Description |
|---|---|
![]() | Dead short in a Sawyer-Tower bridge type measurement. This kind of result is obtained when the conductivity of the dielectric under test is high. |
![]() | Linear lossy dielectric. The points where the loop crosses are often misinterpreted as values. The elliptical shape is achieved because of the phase shift caused by the dielectric loss. |
![]() | Saturation of the amplifier in the measurement system leads to an apparently perfectly square hysteresis loop, particularly when the conductivity in (5) is large. When dipole reversal saturates, should not change with in a true hysteresis curve. |
![]() | resembles a real hysteresis curve for a nonlinear lossy dielectric even if it is phase-compensated. One can verify whether it is real or an artifact only by varying the measuring frequency. Artifacts due to dielectric loss are apt to be highly frequency dependent [111]. |
Appendix A.2. Measurement of the Dielectric Permittivity
Appendix A.3. Transport Mechanisms in Thin Films
Appendix A.3.1. Contact-Limited Conduction Mechanisms

Thermionic (Schottky) Emission

Thermionic-Field Emission
Fowler-Nordheim (F-N) Tunneling

Appendix A.3.2. Bulk-Limited Conduction Mechanisms
Poole-Frenkel (P-F)

Hopping Conduction

Trap-Assisted Tunneling (TAT)
Ohmic Conduction

Space-Charge-Limited Current (SCLC)
| Regime | Conditions | Characteristics | Schematic of the Physical Process |
|---|---|---|---|
| Very weak injection | : slow | Space charge exists next to the contact. | ![]() |
| Dielectric relaxation | , thus . For charge neutrality and injected carriers. Redistributed relaxed in a time | The injected carriers cannot travel across the insulator. | ![]() |
| Weak injection | , , Traps are partially filled. | , marks border between the ohmic and SCLC (1st square law) regimes. | ![]() |
| Regime | Conditions | Conclusion | Schematic of the Physical Process |
|---|---|---|---|
| Onset of square law: , , is too short for charges due to to be relaxed by those due to | , , both and decrease as is increased. , traps remain empty, and dielectric is not relaxed. | Injected carriers transit the device without noticing the traps. applies. | ![]() |
| Trap-limited: , while reaches , the traps are progressively filled. | For , as increases, also increases. Thus moves up in energy but still . Some of the traps are filled with injected carriers. | Trapped-filled limited trapped behavior: dielectric becomes partially relaxed in a time . | ![]() |
| Trap-free SCLC: once all traps are filled, a space charge builds up for causing a jump in at . | , approaches . Electric field is no longer constant across the dielectric. SCLC limits further injection of free carriers in the dielectric. | The conduction becomes fully space-charge-limited (Child’s law: ), with a jump from a low trap-limited value to a high trap-free SCLC. | ![]() |
Ionic Conduction

Grain-Boundary-Limited Conduction

Direct Tunneling
Transition from Electrode-Limited to Bulk-Limited Conduction Processes
Appendix A.3.3. Electrical Breakdown
Ionic Conduction
Thermal Breakdown (Thermal Runaway)
Appendix A.4. Leakage Current Characterization Protocol





References
- Scott, J.F.; Carlos, A.P. Ferroelectric memories. Science 1989, 246, 1400–1405. [Google Scholar] [CrossRef] [PubMed]
- Pintilie, L.; Lisca, M.; Alexe, M. Polarization reversal and capacitance-voltage characteristic of epitaxial Pb (Zr, Ti) O3 layers. Appl. Phys. Lett. 2005, 86, 192902-2–192903-3. [Google Scholar] [CrossRef]
- Tang, X.G.; Wang, J.; Zhang, Y.W.; Chan, H.L.W. Leakage current and relaxation characteristics of highly (111)-oriented lead calcium titanate thin films. J. Appl. Phys. 2003, 94, 5163–5166. [Google Scholar] [CrossRef]
- Warren, W.L.; Dimos, D.; Waser, R.M. Degradation mechanisms in ferroelectric and high-permittivity perovskites. MRS Bull. 1996, 21, 40–45. [Google Scholar] [CrossRef]
- Ichinose, H.M. Preparation and properties of (Pb,Ca)TiO3 thin films by multiple-cathode sputtering. Jpn. J. Appl. Phys. 1997, 36, 5825. [Google Scholar] [CrossRef]
- Guo, H.Y.; Xu, J.B.; Wilson, I.H.; Xie, Z.; Luo, E.Z. Study of microscopic piezoelectricity of (Pb0.76Ca0.24) TiO3 thin films. Phys. Lett. A 2002, 294, 217–221. [Google Scholar] [CrossRef]
- Liu, F.; Fina, I.; Bertacco, R.; Fontcuberta, J. Unravelling and controlling hidden imprint fields in ferroelectric capacitors. Sci. Rep. 2016, 6, 25028. [Google Scholar] [CrossRef]
- Lo, V.C.; Chen, Z.J. Simulation of the effects of space charge and Schottky barriers on ferroelectric thin film capacitor using Landau Khalatnikov theory. IEEE Trans. Ultrason. Ferroelectr. Freq. Control 2002, 49, 980–986. [Google Scholar] [CrossRef]
- Tagantsev, A.K.; Stolichnov, I.; Setter, N.; Cross, J.S. Nature of nonlinear imprint in ferroelectric films and long-term prediction of polarization loss in ferroelectric memories. J. Appl. Phys. 2004, 96, 6616–6623. [Google Scholar] [CrossRef]
- Pandya, S.; Wilbur, J.; Kim, J.; Gao, R.; Dasgupta, A.; Dames, C.; Martin, L.W. Pyroelectric energy conversion with large energy and power density in relaxor ferroelectric thin films. Nat. Mater. 2018, 17, 432–438. [Google Scholar] [CrossRef]
- Sidorkin, S.; Nesterenko, L.P.; Bocharova, I.A.; Smirnov, G.L.; Sidorkin, V.A.; Ryabtsev, S.V.; Smirnov, A.L. Dispersion of dielectric permittivity in thin ferroelectric lead titanate films. Solid State Phenom. 2006, 115, 236–237. [Google Scholar] [CrossRef]
- Shaw, T.M.; Trolier-McKinstry, S.; McIntyre, P.C. The properties of ferroelectric films at small dimensions. Annu. Rev. Mater. Sci. 2000, 30, 263–298. [Google Scholar] [CrossRef]
- Dahl, Ø.; Grepstad, J.K.; Tybell, T. Crystalline and dielectric properties of sputter deposited PbTiO3 thin films. J. Appl. Phys. 2008, 103. [Google Scholar] [CrossRef]
- Ku, H.Y.; Ullman, F.G. Capacitance of thin dielectric structures. J. Appl. Phys. 1964, 35, 265–267. [Google Scholar] [CrossRef]
- Okuyama, M.; Matsui, Y.; Nakano, H.; Nakagawa, T.; Hamakawa, Y. Preparation of PbTiO3 ferroelectric thin film by RF sputtering. Jpn. J. Appl. Phys. 1979, 18, 1633–1634. [Google Scholar] [CrossRef]
- Larsen, P.K.; Dormans, G.J.M.; Taylor, D.J.; Van Veldhoven, P.J. Ferroelectric properties and fatigue of PbZr0.51Ti0.49O3 thin films of varying thickness: Blocking layer model. J. Appl. Phys. 1994, 76, 2405–2413. [Google Scholar] [CrossRef]
- Fujisawa, H.; Nakashima, S.; Kaibara, K.; Shimizu, M.; Niu, H. Size effects of epitaxial and polycrystalline Pb (Zr, Ti) O3 thin films grown by metalorganic chemical vapor deposition. Jpn. J. Appl. Phys. 1999, 38, 5392–5396. [Google Scholar] [CrossRef]
- Pintilie, L.; Vrejoiu, I.; Hesse, D.; LeRhun, G.; Alexe, M. Extrinsic contributions to the apparent thickness dependence of the dielectric constant in epitaxial Pb (Zr, Ti) O3 thin films. Phys. Rev. B 2007, 75, 224113. [Google Scholar] [CrossRef]
- Bolten, D.; Böttger, U.; Waser, R. Reversible and irreversible polarization processes in ferroelectric ceramics and thin films. J. Appl. Phys. 2003, 93, 1735–1742. [Google Scholar] [CrossRef]
- Basceri, C.; Streiffer, S.K.; Kingon, A.I.; Waser, R. The dielectric response as a function of temperature and film thickness of fiber-textured (Ba, Sr)TiO3 thin films grown by chemical vapor deposition. J. Appl. Phys. 1997, 82, 2497–2504. [Google Scholar] [CrossRef]
- Outzourhit, A.; Naziripour, A.; Trefny, J.U.; Kito, T.; Yarar, B.; Yandrofski, R.; Cuchiaro, J.D.; Hermann, A.M. A comparative study of tunable Ba1−xSrxTiO3 thin film capacitors prepared by rf-sputtering and liquid-phase deposition. Integr. Ferroelectr. 1995, 9, 227–241. [Google Scholar] [CrossRef]
- Wouters, D.J.; Willems, G.J.; Maes, H.E. Electrical conductivity in ferroelectric thin films. Microelectron. Eng. 1995, 29, 249–256. [Google Scholar] [CrossRef]
- Sze, S.M.; Li, Y.; Ng, K.K. Physics of Semiconductor Devices, 3rd ed.; Walker, J., Ed.; Wiley-Interscience: Hoboken, NJ, USA, 2007. [Google Scholar]
- Dixit, A.V.; Rajopadhye, N.R.; Bhoraskar, S.V. Secondary electron emission of doped PZT ceramics. J. Mater. Sci. 1986, 21, 2798–2802. [Google Scholar] [CrossRef]
- Hanrahan, B.; Sanchez, L.; Waits, C.M.; Polcawich, R.G. Improved pyroelectric performance for thin film lead zirconate titanate (PZT) capacitors with IrO2 electrodes. Smart Mater. Struct. 2016, 25, 015025. [Google Scholar] [CrossRef]
- Nagaraj, B.; Aggarwal, S.; Song, T.K.; Sawhney, T.; Ramesh, R. Leakage current mechanisms in lead-based thin-film ferroelectric capacitors. Phys. Rev. B 1999, 59, 16022–16027. [Google Scholar] [CrossRef]
- Chentir, M.T.; Bouyssou, E.; Ventura, L.; Anceau, C. Leakage current evolution versus dielectric thickness in lead zirconate titanate thin film capacitors. J. Appl. Phys. 2009, 105, 061605. [Google Scholar] [CrossRef]
- Lau, W.S. An extended unified Schottky-Poole-Frenkel theory to explain the current-voltage characteristics of thin film metal-insulator-metal capacitors with examples for various high-k dielectric materials. ECS J. Solid State Sci. Technol. 2012, 1, N139–N148. [Google Scholar] [CrossRef]
- Mihara, T.; Watanabe, H.W.H. Electronic Conduction Characteristics of Sel-Gel Ferroelectric Pb (Zr0.4Ti0.6) O3 Thin-Film Capacitors: Part II. Jpn. J. Appl. Phys. 1995, 34, 5674–5682. [Google Scholar] [CrossRef]
- Sudhama, C.; Campbell, A.C.; Maniar, P.D.; Jones, R.E.; Moazzami, R.; Mogab, C.J.; Lee, J.C. A model for electrical conduction in metal-ferroelectric-metal thin-film capacitors. J. Appl. Phys. 1994, 75, 1014–1022. [Google Scholar] [CrossRef]
- Desu, S.B.; Yoo, I.K. Electrochemical models of failure in oxide perovskites. Integr. Ferroelectr. 1993, 3, 365–376. [Google Scholar] [CrossRef]
- Boukamp, B.A.; Pham, M.T.; Blank, D.H.; Bouwmeester, H.J. Ionic and electronic conductivity in lead–zirconate–titanate (PZT). Solid State Ion. 2004, 170, 239–254. [Google Scholar] [CrossRef]
- Cross, J.S.; Tomotani, M.; Kotaka, Y. (Pb, La) (Zr, Ti) O3 Film Grain-Boundary Conduction with SrRuO3 Top Electrodes. Jpn. J. Appl. Phys. 2001, 40, L346–L348. [Google Scholar] [CrossRef]
- Maity, A.K.; Lee, J.Y.M.; Sen, A.; Maiti, H.S. Negative differential resistance in ferroelectric lead zirconate titanate thin films: Influence of interband tunneling on leakage current. Jpn. J. Appl. Phys. 2004, 43, 7155–7158. [Google Scholar] [CrossRef]
- Hu, H.; Krupanidhi, S.B. Current-voltage characteristics of ultrafine-grained ferroelectric Pb (Zr, Ti) O3 thin films. J. Mater. Res. 1994, 9, 1484–1498. [Google Scholar] [CrossRef]
- Moazzami, R.; Hu, C.; Shepherd, W.H. Electrical characteristics of ferroelectric PZT thin films for DRAM applications. IEEE Trans. Electron. Devices 1992, 39, 2044–2049. [Google Scholar] [CrossRef]
- Scott, J.F.; Araujo, C.A.; Melnick, B.M.; McMillan, L.D.; Zuleeg, R. Quantitative measurement of space-charge effects in lead zirconate-titanate memories. J. Appl. Phys. 1991, 70, 382–388. [Google Scholar] [CrossRef]
- Pintilie, L.; Stancu, V.; Trupina, L.; Pintilie, I. Ferroelectric schottky diode behavior from a SrRuO3-Pb (Zr0.2Ti0.8)O3-Ta structure. Phys. Rev. B 2010, 82, 085319. [Google Scholar] [CrossRef]
- Zafar, S.; Hradsky, B.; Gentile, D.; Chu, P.; Jones, R.E.; Gillespie, S. Resistance degradation in barium strontium titanate thin films. J. Appl. Phys. 1999, 86, 3890–3894. [Google Scholar] [CrossRef]
- Stolitchnov, I. Interface-Controlled Mechanisms of Degradation in Ferroelectric Thin Films. PhD Thesis, Swiss Federal Institute of Technology Lausanne, Lausanne, Switzerland, 2000. [Google Scholar] [CrossRef]
- Zafar, S.; Jones, R.E.; Jiang, B.; White, B.; Kaushik, V.; Gillespie, S. The electronic conduction mechanism in barium strontium titanate thin films. Appl. Phys. Lett. 1998, 73, 3533–3535. [Google Scholar] [CrossRef]
- Bouyssou, E.; Jérisian, R.; Cézac, N.; Leduc, P.; Guégan, G.; Anceau, C. Wafer level reliability and leakage current modeling of PZT capacitors. Mater. Sci. Eng. B 2005, 118, 28–33. [Google Scholar] [CrossRef]
- Jonscher, A.K. Dielectric relaxation in solids. J. Phys. D Appl. Phys. 1999, 32, R57. [Google Scholar] [CrossRef]
- Stolichnov, I.; Tagantsev, A. Space-charge influenced-injection model for conduction in Pb (ZrxTi1−x) O3 thin films. J. Appl. Phys. 1998, 84, 3216–3225. [Google Scholar] [CrossRef]
- Chen, X.; Kingon, A.I.; Al-Shreef, H.; Bellur, K.R. Electrical transport and dielectric breakdown in Pb(Zr, Ti)O3 thin films. Ferroelectrics 1994, 151, 133–138. [Google Scholar] [CrossRef]
- Nagaraj, B.; Aggarwal, S.; Ramesh, R. Influence of contact electrodes on leakage characteristics in ferroelectric thin films. J. Appl. Phys. 2001, 90, 375–382. [Google Scholar] [CrossRef]
- Simmons, J.G. Transition from electrode-limited to bulk-limited conduction processes in metal-insulator-metal systems. Phys. Rev. 1968, 166, 912–920. [Google Scholar] [CrossRef]
- Nishida, K.; Kishi, H.; Funakubo, H.; Takeuchi, H.; Katoda, T.; Yamamoto, T. Evaluation of residual strain and oxygen vacancy in multilayer ceramic capacitor using laser raman spectroscopy. Jpn. J. Appl. Phys. 2007, 46, 7005–7007. [Google Scholar] [CrossRef]
- Dimos, D.; Al-Shareef, H.N.; Warren, W.L.; Tuttle, B.A. Photoinduced changes in the fatigue behavior of SrBi2Ta2O9 and Pb (Zr, Ti) O3 thin films. J. Appl. Phys. 1996, 80, 1682–1687. [Google Scholar] [CrossRef]
- Desu, S.B. Minimization of fatigue in ferroelectric films. Phys. Status Solidi (a) 1995, 151, 467–480. [Google Scholar] [CrossRef]
- Ramesh, R.; Keramidas, V.G. Metal-oxide heterostructures. Annu. Rev. Mater. Sci. 1995, 25, 647–678. [Google Scholar] [CrossRef]
- Sadashivan, S.; Aggarwal, S.; Song, T.K.; Ramesh, R.; Evans, J.T., Jr.; Tuttle, B.A.; Dimos, D.W. Evaluation of imprint in fully integrated (La, Sr) CoO3/Pb (Nb, Zr, Ti) O3/ (La, Sr) CoO3 ferroelectric capacitors. J. Appl. Phys. 1998, 83, 2165–2171. [Google Scholar] [CrossRef]
- Chen, H.M.; Lan, J.M.; Chen, J.L.; Ya-min Lee, J. Time-dependent and trap-related current conduction mechanism in ferroelectric Pb (ZrxTi1−x) O3 films. Appl. Phys. Lett. 1996, 69, 1713–1715. [Google Scholar] [CrossRef]
- Bhatt, H.D.; Desu, S.B.; Vijay, D.P.; Hwang, Y.S.; Zhang, X.; Nagata, M.; Grill, A. Novel high temperature multilayer electrode-barrier structure for high-density ferroelectric memories. Appl. Phys. Lett. 1997, 71, 719–721. [Google Scholar] [CrossRef]
- Arlt, G. The role of domain walls on the dielectric, elastic and piezoelectric properties of ferroelectric ceramics. Ferroelectrics 1987, 76, 451–458. [Google Scholar] [CrossRef]
- Kohli, M.; Seifert, A.; Muralt, P. Poling of pyroelectric thin films. Integr. Ferroelectr. 1998, 22, 453–463. [Google Scholar] [CrossRef]
- Muralt, P. Micromachined infrared detectors based on pyroelectric thin films. Rep. Prog. Phys. 2001, 64, 1339–1388. [Google Scholar] [CrossRef]
- Arlt, G.; Pertsev, N.A. Force constant and effective mass of 90° domain walls in ferroelectric ceramics. J. Appl. Phys. 1991, 70, 2283–2289. [Google Scholar] [CrossRef]
- Siegel, E.; Müller, K.A. Local position of Fe 3+ in ferroelectric BaTiO3. Phys. Rev. B 1979, 20, 3587–3596. [Google Scholar] [CrossRef]
- Warren, W.L.; Pike, G.E.; Vanheusden, K.; Dimos, D.; Tuttle, B.A.; Robertson, J. Defect-dipole alignment and tetragonal strain in ferroelectrics. J. Appl. Phys. 1996, 79, 9250–9257. [Google Scholar] [CrossRef]
- Kohli, M.; Muralt, P.; Setter, N. Removal of 90° domain pinning in (100) Pb(Zr0.15Ti0.85)O3 thin films by pulsed operation. Appl. Phys. Lett. 1998, 72, 3217–3219. [Google Scholar] [CrossRef]
- Lubomirsky, I.; Stafsudd, O. Invited review article: Practical guide for pyroelectric measurements. Rev. Sci. Instrum. 2012, 83, 051101. [Google Scholar] [CrossRef]
- Shorrocks, N.M.; Whatmore, R.W.; Osbond, P.C. Lead scandium tantalate for thermal detector applications. Ferroelectrics 2011, 106, 387–392. [Google Scholar] [CrossRef]
- Zubko, P.; Catalan, G.; Tagantsev, A.K. Flexoelectric effect in solids. Annu. Rev. Mater. Res. 2013, 43, 387–421. [Google Scholar] [CrossRef]
- Sawyer, C.B.; Tower, C.H. Rochelle salt as a dielectric. Phys. Rev. 1930, 35, 269–273. [Google Scholar] [CrossRef]
- Jona, F.; Shirane, G. Ferroelectric Crystals; Dover Publications: New York, NY, USA, 1962. [Google Scholar] [CrossRef]
- Hatano, J.; Takeuchi, H.; Watanabe, M.H. Compensation for ferroelectric hysteresis loop distortion and its application to phase transition studies. Jpn. J. Appl. Phys. 1992, 31, 3235. [Google Scholar] [CrossRef]
- Pintilie, L.; Alexe, M. Ferroelectric-like hysteresis loop in nonferroelectric systems. Appl. Phys. Lett. 2005, 87, 112903. [Google Scholar] [CrossRef]
- Liu, W.C.Y. Differential Method for the Measurement of the Spontaneous Polarization in Ferroelectric Materials with Large Parallel Conductance. Doctoral Dissertation, University of California, Los Angeles, CA, USA, 1983. [Google Scholar]
- Lang, S.B.; Steckel, F. Method for the measurement of the pyroelectric coefficient, dc dielectric constant, and volume resistivity of a polar material. Rev. Sci. Instrum. 1965, 36, 929–932. [Google Scholar] [CrossRef]
- Glass, A.M. Investigation of the electrical properties of Sr1−xBaxNb2O6 with special reference to pyroelectric detection. J. Appl. Phys. 1969, 40, 4699–4713. [Google Scholar] [CrossRef]
- Byer, R.L.; Roundy, C.B. Pyroelectric coefficient direct measurement technique and application to a nsec response time detector. Ferroelectrics 1972, 3, 333–338. [Google Scholar] [CrossRef]
- Davis, M.; Damjanovic, D.; Setter, N. Pyroelectric properties of (1−x) Pb (Mg1/3Nb2/3) O3-xPbTiO3 and (1−x) Pb (Zn1/3Nb2/3) O3-xPbTiO3 single crystals measured using a dynamic method. J. Appl. Phys. 2004, 96, 2811–2815. [Google Scholar] [CrossRef]
- Daglish, M. A dynamic method for determining the pyroelectric response of thin films. Integr. Ferroelectr. 1998, 22, 473–488. [Google Scholar] [CrossRef]
- Li, Z.; Sun, A.; Wu, J.; Xu, G.; Li, Y.; Jiang, J.; Cui, P. Thermally stimulated currents of Lanthanum metaniobate ceramics. Mater. Lett. 2009, 63, 2070–2073. [Google Scholar] [CrossRef]
- Chynoweth, A.G. Dynamic method for measuring the pyroelectric effect with special reference to barium titanate. J. Appl. Phys. 1956, 27, 78–84. [Google Scholar] [CrossRef]
- Muralt, P. Pyroelectricity. In Encyclopedia of Condensed Matter Physics; Franco, B., Gerald, L.L., Peter, W., Eds.; Elsevier: Amsterdam, The Netherlands, 2005; pp. 441–448. ISBN 9780123694010. [Google Scholar] [CrossRef]
- Holeman, B.R. Sinusoidally modulated heat flow and the pyroelectric effect. Infrared Phys. 1972, 12, 125–135. [Google Scholar] [CrossRef]
- Sharp, E.J.; Garn, L.E. Use of low-frequency sinusoidal temperature waves to separate pyroelectric currents from nonpyroelectric currents. Part II. Experiment. J. Appl. Phys. 1982, 53, 8980–8987. [Google Scholar] [CrossRef]
- Whatmore, R.W.; Molter, O.; Shaw, C.P. Electrical properties of sb and cr-doped pbzro3–pbtio3–pbmg1/3nb2/3o3 ceramics. J. Eur. Ceram. Soc. 2003, 23, 721–728. [Google Scholar] [CrossRef]
- Lang, S.B. Pyroelectricity: From ancient curiosity to modern imaging tool. Phys. Today 2005, 58, 31–36. [Google Scholar] [CrossRef]
- Garn, L.E.; Sharp, E.J. Use of low-frequency sinusoidal temperature waves to separate pyroelectric currents from nonpyroelectric currents. Part I. Theory. J. Appl. Phys. 1982, 53, 8974–8979. [Google Scholar] [CrossRef]
- Phermpornsakul, Y.; Muensit, S.; Guy, I.L. Determination of piezoelectric and pyroelectric coefficients and thermal diffusivity of 1-3 PZT/epoxy composites. IEEE Trans. Dielectr. Electr. Insul. 2004, 11, 280–285. [Google Scholar] [CrossRef]
- Mojarad, S.A.; Kwa, K.S.; Goss, J.P.; Zhou, Z.; Ponon, N.K.; Appleby, D.J.; Al-hamadany, R.; O’Neill, A. A comprehensive study on the leakage current mechanisms of Pt/SrTiO3/Pt capacitor. J. Appl. Phys. 2012, 111, 014503. [Google Scholar] [CrossRef]
- Lee, K.; Rhee, B.R.; Lee, C. Leakage current-voltage characteristics of ferroelectric thin film capacitors. J. Korean Phys. Soc. 2001, 38, 723–728. [Google Scholar] [CrossRef]
- Nagarbawadi, M.A.; Jangade, P.S.; Bagwan, S.T. The influence of Calcium doping on structural and electrical properties of ferroelectric Lead Titanate ceramic. IOSR J. Appl. Phys. 2014, 6, 15–19. [Google Scholar] [CrossRef]
- Huffman, M.; Schuele, P.J. Morphology and electrical characterization of calcium modified ferroelectric lead zirconate titanate films. Ferroelectrics 1993, 143, 251–262. [Google Scholar] [CrossRef]
- Chang, C.C.; Lai, Y.C. The fabrication and characterization of (Pb, Ca) TiO3 pyroelectric thin films with different Ca contents. J. Appl. Phys. 2007, 101, 104106. [Google Scholar] [CrossRef]
- Chi, Q.G.; Wang, X.; Li, W.L.; Fei, W.D.; Lei, Q.Q. Enhanced performance of Pb0.8La0.1Ca0.1Ti0.975O3/Pb (Nb0.01Zr0.2Ti0.8) O3 multilayer thin films for pyroelectric applications. Appl. Phys. Lett. 2011, 98, 242903. [Google Scholar] [CrossRef]
- Sanchez, L.M.; Potrepka, D.M.; Fox, G.R.; Takeuchi, I.; Wang, K.; Bendersky, L.A.; Polcawich, R.G. Optimization of PbTiO3 seed layers and Pt metallization for PZT-based piezoMEMS actuators. J. Mater. Res. 2013, 28, 1920–1931. [Google Scholar] [CrossRef]
- Ramesh, R.; Chan, W.K.; Wilkens, B.; Gilchrist, H.; Sands, T.; Tarascon, J.M.; Keramidas, V.G.; Fork, D.K.; Lee, J.; Safari, A. Fatigue and retention in ferroelectric Y-Ba-Cu-O/Pb-Zr-Ti-O/Y-Ba-Cu-O heterostructures. Appl. Phys. Lett. 1992, 61, 1537–1539. [Google Scholar] [CrossRef]
- Prisedsky, V.V.; Shishkovsky, V.I.; Klimov, V.V. High-temperature electrical conductivity and point defects in lead zirconate-titanate. Ferroelectrics 1977, 17, 465–468. [Google Scholar] [CrossRef]
- Donnelly, N.J.; Randall, C.A. Impedance spectroscopy of PZT ceramics-measuring diffusion coefficients, mixed conduction, and Pb loss. IEEE Trans. Ultrason. Ferroelectr. Freq. Control 2012, 59, 1883–1887. [Google Scholar] [CrossRef]
- Bouyssou, E.; Leduc, P.; Guégan, G.; Jérisian, R. Leakage current conduction in IrO2/PZT/Pt structures. J. Phys. Conf. Ser. 2005, 10, 317–320. [Google Scholar] [CrossRef]
- Combette, P.; Nougaret, L.; Giani, A.; Pascal-delannoy, F. RF magnetron-sputtering deposition of pyroelectric lithium tantalate thin films on ruthenium dioxide. J. Cryst. Growth 2007, 304, 90–96. [Google Scholar] [CrossRef]
- Nakamura, T.; Nakao, Y.; Kamisawa, A.; Takasu, H. Preparation of Pb (Zr, Ti) O3 thin films on electrodes including IrO2. Appl. Phys. Lett. 1994, 65, 1522–1524. [Google Scholar] [CrossRef]
- Fox, G.R.; Sun, S.; Takamatsu, T. Properties of reactively sputtered IrOx for PZT electrode applications. Integr. Ferroelectr. 2000, 31, 47–56. [Google Scholar] [CrossRef]
- Lang, W.; Kühl, K.; Sandmaier, H. Absorbing layers for thermal infrared detectors. Sens. Actuators A Phys. 1992, 34, 243–248. [Google Scholar] [CrossRef]
- Hanrahan, B.; Espinal, Y.; Neville, C.; Rudy, R.; Rivas, M.; Smith, A.; Kesim, M.T.; Alpay, S.P. Accounting for the various contributions to pyroelectricity in lead zirconate titanate thin films. J. Appl. Phys. 2018, 123, 124104. [Google Scholar] [CrossRef]
- Rivas, M.; Rudy, R.Q.; Sanchez, B.; Graziano, M.B.; Fox, G.R.; Sunal, P.; Hanrahan, B. Iridium oxide top electrodes for piezo-and pyroelectric performance enhancements in lead zirconate titanate thin-film devices. J. Mater. Sci. 2020, 55, 10351–10363. [Google Scholar] [CrossRef]
- Assegehegn, G.; Brito-de la Fuente, E.; Franco, J.M.; Gallegos, C. Use of a temperature ramp approach (TRA) to design an optimum and robust freeze-drying process for pharmaceutical formulations. Int. J. Pharm. 2020, 578, 119116. [Google Scholar] [CrossRef]
- Macdonald, J.R. Impedance spectroscopy. Ann. Biomed. Eng. 1992, 20, 289–305. [Google Scholar] [CrossRef]
- Bhuiyan, R.H.; Dougal, R.A.; Ali, M. Proximity coupled interdigitated sensors to detect insulation damage in power system cables. IEEE Sens. J. 2007, 7, 1589–1596. [Google Scholar] [CrossRef]
- Costa, C.M.; Cardoso, V.F.; Martins, P.; Correia, D.M.; Goncalves, R.; Costa, P.; Correia, V.; Ribeiro, C.; Fernandes, M.; Martins, P.; et al. Smart and multifunctional materials based on electroactive poly (vinylidene fluoride): Recent advances and opportunities in sensors, actuators, energy, environmental, and biomedical applications. Chem. Rev. 2023, 123, 11392–11487. [Google Scholar] [CrossRef]
- Li, S.; Zhao, Z.; Zhao, J.; Zhang, Z.; Li, X.; Zhang, J. Recent advances of ferro-, piezo-, and pyroelectric nanomaterials for catalytic applications. ACS Appl. Nano Mater. 2020, 3, 1063–1079. [Google Scholar] [CrossRef]
- Tsikriteas, Z.M.; Roscow, J.I.; Bowen, C.R.; Khanbareh, H. Flexible ferroelectric wearable devices for medical applications. Iscience 2021, 24, 101987. [Google Scholar] [CrossRef]
- Mondal, R.; Hasan, M.A.M.; Baik, J.M.; Yang, Y. Advanced pyroelectric materials for energy harvesting and sensing applications. Mater. Today 2023, 6, 273–301. [Google Scholar] [CrossRef]
- Yun, J.; Lee, S.S. Human movement detection and idengification using pyroelectric infrared sensors. Sensors 2014, 14, 8057–8081. [Google Scholar] [CrossRef]
- Stewart, M.G.C.M.; Cain, M.G.; Hall, D.A. Ferroelectric Hysteresis Measurement and Analysis; National Physical Laboratory: Teddington, UK, 1999; pp. 1–57. [Google Scholar]
- Dawber, M.; Rabe, K.M.; Scott, J.F. Physics of thin-film ferroelectric oxides. Rev. Mod. Phys. 2005, 77, 1083–1130. [Google Scholar] [CrossRef]
- Lines, M.E.; Glass, A.M. Principles and Applications of Ferroelectrics and Related Materials; Oxford University Press: Oxford, UK, 2001; ISBNs 10: 019850778X/13: 9780198507789. [Google Scholar]
- Griffiths, D. Chapter 4 Electric Fields in Matter. Introduction to Electrodynamics, 3rd ed.; Reeves, A., Dellas, K., Eds.; Prentice Hall, Inc.: Hillsdale, NJ, USA, 1999; pp. 160–193. [Google Scholar]
- Chiu, F.C. A review on conduction mechanisms in dielectric films. Adv. Mater. Sci. Eng. 2014, 2014, 578168. [Google Scholar] [CrossRef]
- Chiang, T.H.; Wager, J.F. Electronic conduction mechanisms in insulators. IEEE Trans. Electron Devices 2018, 65, 223–230. [Google Scholar] [CrossRef]
- Scott, J.F. Depletion width in SrTiO3 and BaxSr1−xTiO3 films. Ferroelectrics 1999, 232, 25–34. [Google Scholar] [CrossRef]
- Dietz, G.W.; Waser, R. Charge injection in SrTiO3 thin films. Thin Solid Film. 1997, 299, 53–58. [Google Scholar] [CrossRef]
- Lee, J.Y.M.; Chiu, F.C.; Juan, P.C. The application of high-dielectric-constant and ferroelectric thin films in integrated circuit technology. Handb. Nanoceramics Their Based Nanodevices 2009, 4, 159–214. [Google Scholar]
- Murphy, E.L.; Good, R.H., Jr. Thermionic emission, field emission, and the transition region. Phys. Rev. 1956, 102, 1464–1473. [Google Scholar] [CrossRef]
- Sumets, M. Charge transport in LiNbO3-based heterostructures. J. Nonlinear Opt. Phys. Mater. 2017, 26, 1750011. [Google Scholar] [CrossRef]
- Lim, E.W.; Ismail, R. Conduction mechanism of valence change resistive switching memory: A survey. Electronics 2015, 4, 586–613. [Google Scholar] [CrossRef]
- Rose, A. Space-charge-limited currents in solids. Phys. Rev. 1955, 97, 1538–1544. [Google Scholar] [CrossRef]
- Rodrıguez Contreras, J.; Kohlstedt, H.; Poppe, U.; Waser, R.; Buchal, C.; Pertsev, N.A. Resistive switching in metal–ferroelectric–metal junctions. Appl. Phys. Lett. 2003, 83, 4595–4597. [Google Scholar] [CrossRef]
- Gerson, R.; Marshall, T.C. Development and Comparison of Two X-Ray Methods for Determining the Crystallinity of Cotton Cellulose. J. Appl. Phys. 1959, 30, 1650–1653. [Google Scholar] [CrossRef]
- Forlani, F.; Minnaja, N. Thickness influence in breakdown phenomena of thin dielectric films. Phys. Status Solidi (B) 1964, 4, 311–324. [Google Scholar] [CrossRef]
- Band, T.; Mälzer, T.; Wickert, S.; Leipner, H.S.; Ebbinghaus, S.G.; Dörr, K.; Diestelhorst, M. Three different mechanisms of self-discharge behavior in poly (vinylidene fluoride-hexafluoropropylene) for dielectric energy storage. J. Phys. Energy 2009, 1, 025001. [Google Scholar] [CrossRef]
































| Orientation, PCT Composition | Substrate | Fabrication Process | ) | Coercive Field (kV/cm) | Reference |
|---|---|---|---|---|---|
| PCT (24), (111) | Ti/Si/Si (100) | Sol–gel, 10min RTA 600 °C in oxygen@100 °C/s. | 18.2 | 210 | [3] |
| PCT (30), c-axis | Pt-coated MgO | Multiple cathode sputtering | 41 | 400 | [5] |
| PCT (24) | Pt-coated silicon | Sol-gel | 6 | 54 | [6] |
| Interface-Controlled | Bulk-Controlled | Mixed Model |
|---|---|---|
| Schottky emission [3,22,25,27] | Poole-Frenkel emission [26,27] | Mixed Schottky and Poole-Frenkel [28,29] |
| Two-carrier injection over Schottky-type [30] | Ionic conduction [22,31,32] | Internal-grain-boundary controlled conduction [33] |
| Carrier tunneling [34] | Space-charge limited conduction (SCLC) [3,35,36,37] | FE Schottky diode (for pure PT films) [38] |
| Method | Problem(s) That May Arise |
|---|---|
| 1-Temperature ramping technique [101] | The detection of blocking contacts is challenging because obstruction of the current leaves no signature. |
| 2-Chynoweth method [76] | Blocking contacts behave as a series capacitor and act as a ‘differentiating circuit’ leading to a sharp peak on and plots that is evident at the beginning of the heating or cooling cycle with a time constant * |
| Initiation of non-symmetric pyroelectric response that are otherwise symmetric with respect to heating and cooling | |
| 3-Continuous oscillation technique [62] | Blocking contacts distort the frequency dependence of the pyroelectric currents, but diagnosis is difficult from the appearance of the pyroelectric data. The appropriate measurement technique is the impedance spectroscopy [102]. |
| Formation of very high resistance blocking contacts with a capacitance typically much larger than the capacitance of the pyroelectric sample itself is common for pyroelectric materials with highly mobile ions. The influence of the contacts is minimized by conducting measurements at a sufficiently high frequency. | |
| For thin films where the capacitance of the blocking layer is comparable with that of the sample, no general solution is known. |
Disclaimer/Publisher’s Note: The statements, opinions and data contained in all publications are solely those of the individual author(s) and contributor(s) and not of MDPI and/or the editor(s). MDPI and/or the editor(s) disclaim responsibility for any injury to people or property resulting from any ideas, methods, instructions or products referred to in the content. |
© 2024 by the authors. Licensee MDPI, Basel, Switzerland. This article is an open access article distributed under the terms and conditions of the Creative Commons Attribution (CC BY) license (https://creativecommons.org/licenses/by/4.0/).
Share and Cite
Fathipour, M.; Xu, Y.; Rana, M. Magnetron-Sputtered Lead Titanate Thin Films for Pyroelectric Applications: Part 2—Electrical Characteristics and Characterization Methods. Materials 2024, 17, 589. https://doi.org/10.3390/ma17030589
Fathipour M, Xu Y, Rana M. Magnetron-Sputtered Lead Titanate Thin Films for Pyroelectric Applications: Part 2—Electrical Characteristics and Characterization Methods. Materials. 2024; 17(3):589. https://doi.org/10.3390/ma17030589
Chicago/Turabian StyleFathipour, Morteza, Yanan Xu, and Mukti Rana. 2024. "Magnetron-Sputtered Lead Titanate Thin Films for Pyroelectric Applications: Part 2—Electrical Characteristics and Characterization Methods" Materials 17, no. 3: 589. https://doi.org/10.3390/ma17030589
APA StyleFathipour, M., Xu, Y., & Rana, M. (2024). Magnetron-Sputtered Lead Titanate Thin Films for Pyroelectric Applications: Part 2—Electrical Characteristics and Characterization Methods. Materials, 17(3), 589. https://doi.org/10.3390/ma17030589











