Next Article in Journal
Corrosion Behavior of Copper Foil on PCB Substrates Under Atmospheric Environment in Sichuan-Tibet Region of China
Previous Article in Journal
Enhancing Mid-Term Strength and Microstructure of Fly Ash–Cement Paste Backfill with Silica Fume for Continuous Mining and Backfilling Operations
Previous Article in Special Issue
Characterization of Silver Conductive Ink Screen-Printed Textile Circuits: Effects of Substrate, Mesh Density, and Overprinting
 
 
Font Type:
Arial Georgia Verdana
Font Size:
Aa Aa Aa
Line Spacing:
Column Width:
Background:
Article

Electret Nonwoven Structures for High-Efficiency Air Filtration, Produced Using the Blow Spinning Technique

Faculty of Chemical and Process Engineering, Warsaw University of Technology, 00-645 Warsaw, Poland
*
Author to whom correspondence should be addressed.
Materials 2024, 17(24), 6038; https://doi.org/10.3390/ma17246038
Submission received: 18 October 2024 / Revised: 3 December 2024 / Accepted: 6 December 2024 / Published: 10 December 2024
(This article belongs to the Special Issue Properties of Textiles and Fabrics and Their Processing)

Abstract

This study explores the fabrication of electret nonwoven structures for high-efficiency air filtration, utilizing the blow spinning technique. In response to the growing need for effective filtration systems, we aimed to develop biodegradable materials capable of capturing fine particulate matter (PM2.5) without compromising environmental sustainability. Polylactic acid (PLA) was used as the primary polymer, with the addition of SiO2 and MoS2 to enhance the fibers’ charge retention and filtration performance. The fibers were charged electrostatically to improve particle capture efficiency. The experimental results showed that fibers containing 5% MoS2 exhibited the highest filtration efficiency, surpassing those with SiO2, despite MoS2 being a semiconductor and SiO2 a dielectric. Furthermore, the addition of MoS2 improved the filtration efficiency across a range of particle sizes (0.2–1 µm) while maintaining a manageable pressure drop. These findings suggest that incorporating MoS2 in electret nonwoven structures can significantly improve filtration performance, making it a promising material for advanced air filtration applications. This study contributes to the development of eco-friendly filtration materials with high performance, essential in reducing exposure to airborne pollutants.

Graphical Abstract

1. Introduction

Air pollution caused by solid particles, both of natural origin, such as desert dust or volcanic ash, and anthropogenic ones (e.g., soot aggregates, microplastics), is one of the most significant problems faced by humanity. Every year, nearly 1 million people die prematurely due to exposure to high concentrations of PM2.5 [1]. Prolonged exposure to particulate matter leads to cardiac, respiratory, and neurological problems. It may also cause an increased risk of developing cancer [2,3]. Depending on their size, solid particles can be carried over long distances by the wind, thus affecting the environment and people, not only in the place of origin [4]. Providing adequate protection against particulate matter, either in the form of high-efficiency filters in ventilation systems or high-efficiency filtration materials used in personal protective equipment, is an important issue. Nowadays, in the era of ubiquitous microplastics and the ever-increasing amount of waste produced, when introducing a product to the market, one should ensure that it is made from biodegradable or recyclable waste and that its production has minimal impact on the environment. This also applies to filter materials, especially those used in disposable personal protective equipment. One disposable N95 filtering half-mask contains approximately 11 g of polypropylene and 4.5 g of other polymers [5]. During the COVID-19 pandemic, 129 billion masks were used per month around the world [5]. Kwak and An estimated that, if at least 1% of the masks used had not been properly disposed of, approximately 30–40 tons of plastic would have been released into the environment each month [6].
There are three main techniques for producing fibers and filter materials: melt blowing, electrospinning, and solution blowing. The most popular of them is melt blowing. In this technique, fibers are created by stretching a molten polymer stream in hot air [7,8]. Melt blowing is the most efficient of the three methods. Still, the high temperatures required during the process limit this technique’s applicability to polymers and additives resistant to temperatures of around 200 °C. Due to the need to use low polymer flow rates, the least effective technique is electrospinning. Nonetheless, this technique allows for the production of fibers from natural polymers such as silk, collagen, gluten, casein, or gelatin [9]. A key limitation of electrospinning is the need to use a high voltage. The third technique mentioned—solution blowing—balances the advantages and disadvantages of the two previously described fiber production methods. Solution blowing enables the production of fibers with nanometric diameters (although not as small as in the case of electrospinning) but without the use of a high voltage and with greater efficiency (though not as high as in the case of melt blowing). Additionally, since high temperatures are not used, it is possible to work with polymers and temperature-sensitive compounds. This makes solution blowing a promising technique that can be used to effectively produce biodegradable structures from natural materials modified at the production stage with additional compounds to impart the desired properties. Introducing essential oils of coriander or cumin at the fiber production stage makes it possible to grant the fibers antibacterial properties [10]. The surface of the fibers can be modified using propolis, beeswax, wasabi, Mauka honey, and many other natural additives [11,12,13].
When looking for natural and/or biodegradable polymers to produce filter materials, it should also be borne in mind that the produced filtration structure must be characterized by a high filtration efficiency, with a simultaneous low-pressure drop and long lifetime.
Increasing filtration efficiency can be achieved in several ways. The filtration efficiency will increase as the average fiber diameter decreases, but at the same time, the flow resistance will also increase. A solution that can improve efficiency and, at the same time, slightly increase pressure drop is the incorporation of nanofibers [14]. To increase the filtration efficiency, one could use layered filters, in which each subsequent layer will have a different filtration efficiency [15]. Another method is to introduce an electric charge onto the surface of the fibers [16]. Polarization effects (caused by the uneven electric field in the electret) and Coulomb interactions make it possible to retain neutral and charged particles on the surface of the electret fibers [17]. Since the charge is accumulated on the surface of the fibers, the smaller the average diameter of the fiber, the greater the collected charge will be. Hence, the polarization effect and Coulomb interactions increase while the fibers’ diameter decreases [18]. However, the initial filtration efficiency of electrets is reduced by temperature, humidity, and organic solvents [19,20,21,22]. Electrets tend to lose their charge quickly, so, at the production stage, it is worth using additives to ensure that the charge is retained. This function can be performed, for example, by SiO2 and BaTiO3 (dielectrics), but also by various nucleating agents (e.g., 1,4-phenylene-bisamides, sodium 2,2′-methylene-bis(4,6-di-tert-butylphenyl)-phosphate, and N,N′-dicyclo-hexyl-2,6-naphthalene-dicarbox-amide), antioxidants, or light stabilizers [23,24,25,26]. Moreover, other additives that cause changes in the fiber structure may also influence charge retention.
Our research aimed to create a high-efficiency filtration structure by blowing from a polymer solution made of biodegradable material containing SiO2 and MoS2. The process of charging fibers was used to increase the filtration efficiency. The selected additives ensured charge stability on the fiber surface and granted the obtained fibers additional properties.

2. Materials and Methods

2.1. Solution Blow Spinning

An 8% (w/w) polylactide PLA (Ingeo™ 6202D, NatureWorks® LLC, Minneapolis, MN, USA) solution in a 3:1 chloroform/acetone (Sigma-Aldrich, Poznań, Poland) mixture was used in the polymer solution-blowing process. The solution was prepared 24 h before the blowing process. The appropriate mass of PLA was placed in a chloroform/acetone mixture in a tightly closed container on a magnetic stirrer.
Depending on the experiment variant, MoS2 (2% and 5% [w/w]) (eLube, Lublin, Poland) and SiO2 (0.5%, 1%, 2%, and 5% [w/w]) (CAS 7631-86-9, Warchem, Zakręt, Poland) were added to the PLA solution in the chloroform/acetone mixture.
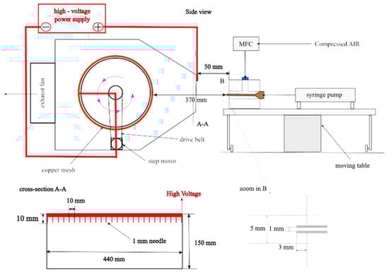
The apparatus for fiber production and electrostatic charging utilized the conventional solution blow spinning (SBS) technique. The research set-up consisted of the following elements: a syringe pump (Legato270, KDScientific, Holliston, MA, USA) equipped with a 60 mL syringe, a compressed air supply system, a mass flow controller (SFC5500–200 slm, Sensirion, Zurich, Switzerland), a collector, and coaxial nozzles with an internal diameter of 1 mm and an external diameter of 5 mm. A detailed description of the research set-up can be found in our previous works [13]. The system was modified with an advanced fiber-forming head, which was continuously fed with a polylactic acid (PLA) solution via a precision-controlled syringe pump. This head was mounted on a linear actuator that facilitated controlled reciprocating movement. The head-to-collector distance was precisely set to 37 cm. The collector itself was a grounded, copper mesh drum housed in a ventilated enclosure, equipped with an exhaust fan for effective airflow management. At a distance of 5 cm from the nozzle, an array of 44 uniformly spaced needles, each 1 cm in length and separated by 1 cm, were positioned. This needle array was connected to a high-voltage power supply, delivering a stable direct current of 13 kV to induce the necessary electrostatic forces for fiber formation and deposition. The scheme of the research system is shown in Figure 1. Blowing was carried out at an airflow rate of 200 L/min and a 0.5 mL/min polymer flow. The blowing time was 40 min. A minimum of three fibrous structures were created for each tested additive, concentration, and current condition.

2.2. Viscosity Measurement

The apparent viscosity of the PLA solution and PLA with additives was determined using an oscillating rheometer (MCR 102, Anthon Paar, Vienna, Austria) equipped with a Peltier system and an attachment limiting the evaporation of solvents in a plate–plate system (50 mm). The test was carried out at a temperature of 22 °C. Each solution was tested at least four times, and the results presented are the average value.

2.3. TGA Analysis

Thermogravimetric analysis (TGA) measurements were performed using a TGA/DSC 3+ system (Mettler Toledo, Greifensee, Switzerland). The analysis was performed within a temperature range of 30–1000 °C, at a heating rate of 5 °C/min·, under a synthetic air flux of 60 mL/min (≥99.999%, Multax, Zielonki-Parcela, Poland) to provide an oxidizing atmosphere for the analysis. An aluminum sample holder was used for the measurements.

2.4. Fiber Morphology

The morphology of the fibers was determined based on photos from a scanning electron microscope (TM-1000, Hitachi, Tokyo, Japan). Before taking the picture, the fibers were sputtered with a 25 nm layer of gold (K550X EMITECH Quorum, East Sussex, UK). To determine the fiber size distribution and the average fiber diameter, approximately 100 fibers were analyzed.
The produced fibers were also characterized in terms of the porosity of the entire layer and its thickness. The thickness of the produced fiber layer was measured using an optical microscope (PCE-MM, PCE Instruments, Sosnowiec, Poland). The porosity (α) of the fiber layer was determined based on the mass of deposited fibers (m), the measured thickness of the fiber layer (L), the collector area (A = 871.5 cm2), and the density of PLA (ρ = 1.24 g/cm3), according to the following relationship:
α = ( A · L m ϱ ) A · L

2.5. Experimental Filtration Efficiency and Stability Test

The impact of adding silicon oxide (SiO2) and molybdenum disulfide (MoS2) particles to PLA on the amount of charge accumulated during the production process was evaluated by assessing the filtration efficiency. The filtration efficiency of the materials in their initial state was analyzed using the Palas MFP 2000 system (Palas GmbH, Karlsruhe, Germany). The primary parameters considered during the design of the filtration materials, specifically filtration efficiency and pressure drop, were evaluated at the beginning of the process.
In the filtration experiments, Arizona Fine Test Dust ISO 12103-1 [27], a polydisperse silica-based test dust (Powder Technology Incorporated, Arden Hills, MN, USA), was used. This dust consists of particles with diameters ranging from 0.2 to 16 μm, with the most common particle sizes falling between 0.35 and 0.45 μm.
The experimental set-up MFP 2000 included the following equipment: a piston-brush particle generator (RBG 1000, Palas GmbH, Karlsruhe, Germany), a pneumatic filter holder, an optical particle counter (PCS 2010, Palas GmbH, Karlsruhe, Germany), a charge neutralizer (CD 2000, Palas GmbH, Karlsruhe, Germany), and a vacuum pump (ASP 2000, Palas GmbH, Karlsruhe, Germany) to collect solid aerosol samples for analysis. Clean air was drawn into a pressurized vessel, where it was filtered and then split into two streams: one directed to the aerosol generator and the other to a mass flow controller. The rotating brush in the generator ensured the uniform dispersion of dust particles within the airstream. Aerosol particles that became electrostatically charged while passing through the brush generator, piston, and connecting tubes were neutralized by mixing the aerosol stream with bipolarly ionized gas. This step was essential to ensure that any electrical charge measured originated exclusively from the intentionally charged fibers in the filter material. The neutralized aerosol was then introduced into a column containing the tested filter material, secured within a pneumatic holder with a circular cross-section of 14 cm in diameter, resulting in an effective test area of approximately 150 cm2. The pressure drop across the filter was continuously monitored using a digital differential manometer. Simultaneously, the particle concentration and size distribution in the airflow were measured using an optical particle counter, with equal aerosol samples drawn in by the vacuum pump.
For each tested filter material, both charged and uncharged, three separate measurements of the initial filtration efficiency and pressure drop were conducted. These repeated measurements confirmed the consistency and repeatability of the results. The filtration efficiency values presented in this study represent the average of three samples for each material. All tests were conducted under identical process conditions, including an aerosol flow velocity of 0.2 m/s and a consistent silica particle concentration.
Due to the configuration of the testing apparatus, which was equipped with only one sampling probe and one particle counter, the measurement procedure was as follows. First, the particle concentration in the incoming aerosol stream was measured. Then, the filter material was placed in the pneumatic holder, and the number of particles downstream of the filter was recorded. To verify the stability of the particle generator, an additional measurement of the upstream particle concentration was performed after the filter was removed from the holder. Each measurement lasted for 40 s, and the results confirmed the stability of the silica particle source throughout the tests.
Before conducting the main filtration efficiency tests, an initial investigation was carried out to determine the distribution and adhesion of the added particles within the PLA fibers. Specifically, the aim was to establish whether the particles were encapsulated within the fibers or situated on their surface, and, if on the surface, whether they were securely attached or prone to being re-entrained by the airflow. To address this, a stream of clean air (without any particles) at varying flow velocities was passed through the filter material. The optical particle counter continuously monitored for any particles downstream of the filter. If particles were detected in the air behind the filter during this test, it would mean that the SiO2 and MoS2 particles were not permanently attached to the fiber and detached from it as the air flowed through the filter. Thus, the filter could not be used in research. The results of this experiment demonstrated that the added particles of SiO2 and MoS2 remained firmly attached to the surface of the PLA fibers during the airflow.

2.6. Theoretical Filtration Efficiency

The theoretical initial filter efficiency was calculated based on classical filtration theory, summarized by Podgórski [28] as follows:
P = 1 e x p ( λ L )
where L is the filter media thickness. The filter coefficient, λ, is related to single-fiber efficiency, E, as follows:
λ = 4 α E π d f ( 1 α )
where α is the fiber’s packing density, and df is the fiber diameter. The single-fiber efficiency (defined as a ratio of the flux of particles depositing onto the fiber to the flux of particles passing a surface, being the projection of the fiber onto a plane perpendicular to the direction of mean motion) was calculated assuming that the deposition efficiency due to deterministic mechanisms, Edet (inertial impaction, interception, sedimentation, and electrostatic forces), and stochastic mechanism (Brownian diffusion), Ediff, was independent:
E = 1 ( 1 E d e t ) ( 1 E d i f f )
Particle collection by interception occurs when a particle follows a gas streamline that happens to come within a particle radius from the surface of a fiber. The particle hits the fiber and is captured due to its finite size. The single-fiber deposition efficiency due to interception depends on the dimensionless parameter R, defined as follows:
R = d p d f
where dp is the aerosol particle diameter.
The single-fiber efficiency due to interception, ER, was given by Lee and Ramamurthi [29] as follows:
E R = ( 1 α ) R 2 K u ( 1 + R )
where the Kuwabara factor, Ku, is defined as
K u = 0.5 l n α 0.75 + α 0.25 α 2
Inertial impaction occurs when the particle, because of its inertia, is unable to adjust quickly to the abruptly changing streamlines near the fiber and crosses those streamlines to hit the fiber. The parameter that governs this mechanism is Stokes number, Stk:
S t k = d p 2 ρ p C C U 18 μ d F
where μ is the fluid viscosity, ρp is the density of the particle sand, and U is the superficial velocity of flow.
The Cunningham slip correction factor, Cc, which corrects for reduced drag force on particles in gas flow, is calculated as follows [30]:
C C = 1 + λ g d p [ 2.33 + 0.966 e x p ( 0.4985 d p λ g ) ]
where λg is the mean free path of gas molecules.
The single-fiber efficiency for inertia, EI, is given by Stenhouse [31]:
E I = ( 1 + R E R ) ( 1 J 1 )   f o r   J 1
E I = 0   f o r   J < 1
J = 0.45 + 1.4 α + ( 1.3 + 0.5 l o g α ) S t k
Finally, the deposition efficiency due to inducted forces, Ein, [32] is taken into account:
E i n = ( 1 α K u ) 2 / 5 π K i n 1 + 2 π K i n 2 / 3
The inducted force parameter, Kin, is given by the following:
K i n =   2 C C Q f 2 d p 2 3 μ ε 0 ( 1 + ε f ) 2 d f U ε p 1 ε p + 2
where Qf is the charge density on fiber, ε0 is the dielectric constant of vacuum, and εf and εp are the relative dielectric constants of fibers and particles, respectively.

3. Results

3.1. Theoretical Filtration Efficiency

The calculated penetration of particles of diameter 0.25 µm through filter media as a function of fibers’ surface charge density (Qf) is shown in Figure 2. The charge densities of order 10−5 C/m2 are typical for electret fibers [33]. The filter structure was assumed to be similar to the PLA filters obtained in previous research [15]. The fiber diameter was 0.8 μm, the packing density 0.95, the filter depth 0.15 mm, and the superficial air velocity 0.2 m/s. The results show that the immobilization of electric charge on the fiber surface leads to a significant decrease in the penetration of submicron particles though filter media even for uncharged particles, when only inducted force is taken into account and Coulomb force is neglected. It is particularly important as, for such particles, neither inertial nor diffusive mechanisms of deposition are effective.

3.2. Rheological Properties

All analyzed solutions were non-Newtonian shear-thinning fluids. An increase in the MoS2 concentration in the PLA solution led to an increase in the apparent viscosity. In contrast, an increase in the SiO2 concentration in the range of 0.5–2% led to a decrease in the apparent viscosity. However, the apparent viscosity of 5% SiO2 was higher than the apparent viscosity of pure PLA. Figure 3 shows the relationship between apparent viscosity and shear rate. Due to the scale, the characteristic course of changes in apparent viscosity as a function of shear rate for non-Newtonian shear-thinning fluid is clearly visible only for 5% SiO2.

3.3. TGA

The TGA of the obtained fibers (Figure 4) showed that samples made from PLA materials began to degrade after exceeding 270 °C, while samples containing SiO2 and MoS2 began to degrade after 285 °C and 300 °C, respectively. At 360 °C, PLA was completely oxidized, leaving only SiO2 and MoS2 in the samples. Above 700 °C, MoS2 started to sublime. Based on the TGA results, it was observed that, in the PLA/MoS2 sample, MoS2 constituted 19.0% of the total, and, in the PLA/SiO2 sample, SiO2 constituted 0.5% of the total. The high MoS2 content in the sample might have resulted from MoS2 oxidation occurring above 250 °C.

3.4. Morphology of Fibers

Fiber materials produced via the polymer solution-blowing process from PLA solutions containing various additives with different concentrations were characterized by their thickness, porosity, and average fiber diameter. The blowing process was carried out each time under the same conditions of airflow, polymer flow, and blowing time; therefore, the differences in the fiber characteristics (average fiber diameter, porosity, and fiber layer thickness) resulted from the use of an external electric field and the properties of the additive used.
It was observed that the addition of MoS2 caused a decrease in the average fiber diameter compared to the value obtained for pure PLA, both in the case of fibers charged and uncharged in an electric field. In turn, the addition of SiO2 increased the average diameter of the fiber compared to fibers obtained from pure PLA in conditions without an external electric field. The opposite effect was observed when the fibers were charged in an external electric field. The average diameters of charged fibers containing SiO2 were smaller than the average diameters of fibers obtained from pure PLA. Average fiber diameters and diameter ranges are shown in Table 1 and Figure 5.
The external electric field did not significantly affect the average fiber diameter within the additives and concentrations used. Only for the pure PLA solution was there almost a two-fold increase in the average diameter of the fibers when an electric field was used.
Applying an external electric field did not affect the thickness of the produced fiber layer (Figure 6A). Similarly, the use of SiO2 (regardless of the concentration) did not increase the thickness of the fiber layer. Only the addition of 5% MoS2 caused an almost two-fold increase in the thickness of the fiber layer but did not lead to a significant change in the porosity of the fiber layer (Figure 6B). The porosity of all produced fiber layers was similar (94.88 ± 0.61), regardless of using an external electric field or additives.
Figure 7 shows SEM photos of sample structures. MoS2 particles are visible on the fiber surface. Still, despite more than doubling the MoS2 concentration in samples 2% MoS2 and 5% MoS2, the concentration of particles on the surface of the fibers (qualitatively assessed based on the photo) is at a similar level. SiO2 particles are much less present on the fiber surface, but, as in the case of MoS2, an increase in the SiO2 concentration in the sample does not translate into a higher concentration of SiO2 particles on the fibers. These observations are consistent with the results of the TGA, which showed that the SiO2 content in the fibers, at the same SiO2 and MoS2 concentration in the blown sample, was two orders of magnitude lower.
MoS2 and SiO2 particles on the fiber surface were permanently bonded to it. No detachment of particles from the fiber surface was observed during the test, which involved passing a clean airstream through the produced fiber layer.

3.5. Experimental Filtration Efficiency

The deposition of particles on the fiber surface occurs due to the interaction of four mechanisms. As the particle diameter increases, the efficiency of its deposition on the fiber surface increases due to direct engagement, inertia, and gravitational interactions. The smaller the particle, the more crucial Brownian motion (diffusion) is in its effective deposition. Electrostatic interactions induced by fiber charging improve the filtration efficiency of particles in the nanometer range. However, the charge must be retained on the fiber surface. Dielectrics such as SiO2 are used for this purpose. The tests showed (Figure 8) that the initial filtration efficiency was higher for PLA fibers containing SiO2 that had been charged in an electric field than for PLA fibers also containing SiO2 that had not been charged in an electric field. However, it could be seen that the increase in the initial filtration efficiency with increasing SiO2 concentrations for fibers charged in an electric field reached the limit value for the concentration of 2% SiO2. A further increase in the SiO2 concentration did not increase the filtration efficiency for fibers charged in an electric field. In the case of fibers containing SiO2 not charged in an electric field, an increase in SiO2 concentration caused an increase in filtration efficiency, but only for a concentration of 5% SiO2 the value of the initial filtration efficiency was higher than in the case of pure PLA. The results of experimental studies are included in Supplementary Materials.
The addition of MoS2 (in both concentrations) caused an increase in filtration efficiency above the filtration efficiency of pure PLA. Still, the effect of charging the fibers in an electric field on the rise in filtration efficiency was visible only at a concentration of 5% MoS2. The initial filtration efficiency for fibers charged in an electric field for 5% MoS2 was even higher than the highest filtration efficiency obtained for SiO2, even though SiO2 is a dielectric and MoS2 is a semiconductor.
Moreover, fibers with the addition of MoS2 also achieved much higher initial fractional filtration efficiencies in the filtered particle size range from 0.2 to 1 µm (Figure 9A). These filtration efficiencies were higher than those achieved by pure PLA fibers, reaching almost twice the filtration efficiency for particles with a size of 0.2–0.3 µm.
For fibers with the addition of SiO2, a higher initial filtration efficiency in the particle size range of 0.2–1 µm than for fibers made of pure PLA was achieved in the case of fibers charged in an electric field containing 1%, 2%, and 5% SiO2 and 5% SiO2 without charging (Figure 9B). Compared to pure PLA fibers, the maximum increase in filtration efficiency was 1.5 times greater.

4. Discussion

A high filtration efficiency is desirable, but often, if achieved due to reduced porosity, increased thickness of the filtration structure, and a significant reduction in the average fiber diameter, it is accompanied by a high pressure drop when air flows through the tested structure. The fibrous layers containing additives produced by us were characterized by a pressure drop that did not exceed the pressure drop for fibers made of pure PLA (Figure 10). Higher pressure drops were recorded for fibers with the addition of MoS2 than for fibers with the addition of SiO2.
The pressure drop increased with decreasing average fiber diameters (Figure 11A) but was not affected by the presence of charges on the fiber surface. However, due to the similar porosity of the structures produced, the pressure drop did not change with their thickness (Figure 11B).
The thickness of the fiber layers also did not affect the initial filtration efficiency (Figure 12A). According to filtration theory, it was influenced by the average fiber diameter: the thinner the fiber, the higher the filtration efficiency (Figure 12B). However, it was visible that, in the case of charged fibers, the filtration efficiency increased slower with a decrease in fiber diameter than in the case of uncharged fibers. The small angle of inclination of the fitting lines for electrets indicated that electrostatic interactions had a much more significant impact on filtration efficiency than the average fiber diameter. Increasing the average fiber diameter, which reduced the filtration efficiency, was compensated in electrets by electrostatic interactions, increasing the deposition of particles on the fibers. However, for filters without charging, the angle of inclination of the curve was significant, and even a small change in the average fiber diameter caused a substantial reduction in filtration efficiency. Unfavorable fitting lines and corresponding low R2 values were characteristic features of solution blowing, a susceptible and multi-parameter process.
The tests showed that adding MoS2 and SiO2 affected the filtration efficiency of particles in the range of 0.2–1 µm. In the case of SiO2, there were optimal concentrations above which no significant improvement in filtration efficiency was observed; in the case of MoS2, there were too few concentrations analyzed to identify such a relationship. When comparing both additives at the same concentrations, it could be seen that higher filtration efficiencies were achieved for MoS2 than for SiO2 at the same concentrations (Figure 13A,B), which may indicate that MoS2 is a better additive.
The addition of MoS2 to PLA fibers resulted in a higher filtration efficiency compared to fibers containing SiO2. This could be attributed to several key properties of MoS2: (i) Among these were its layered structure and high surface area-to-volume ratio. MoS2 has a characteristic two-dimensional structure, which provides a large specific surface area. This feature enhances filtration efficiency by improving particle capture. Studies have shown that layered materials, such as MoS2, can significantly improve filtration properties due to their increased active surface area [34]. (ii) MoS2 addition to the PLA solution resulted in thinner fibers. The layered structure of MoS2 allowed its particles to align parallel to the direction of the stretching flow, potentially reducing flow resistance and facilitating the formation of thinner fibers, which increased the active surface area for the filtration process [35]. In contrast, SiO2 has a three-dimensional (3D) and often spherical or irregularly shaped structure, which can lead to an increased solution viscosity and the formation of thicker fibers. Additionally, MoS2, due to its 2D structure, exhibited minimal agglomeration and better dispersion within the polymer solution, allowing for a lower viscosity even at higher additive concentrations. In contrast, SiO2, especially in nano form, tends to aggregate within solutions, which can increase viscosity and hinder the stretching of the flow during fiber formation. (iii) Another important aspect were electrostatic interactions and polarization in an electric field. As a semiconductor, MoS2 can undergo polarization in the presence of an electric field, leading to localized changes in charge distribution. These dynamic interactions can enhance the attraction and retention of contaminant particles, thereby increasing filtration efficiency [36]. (iv) Finally, increased electron mobility and surface conductivity were also observed. MoS2 exhibited high electron mobility, allowing for a better response to the electric field and the formation of localized electrostatic effects on the fiber surface. This facilitated a more effective attraction of contaminant particles. Studies on composites containing MoS2 have demonstrated that its conductive properties can improve filtration efficiency [37].
In summary, the higher filtration efficiency of PLA fibers with MoS2 addition resulted from the synergy of its unique structural and electrostatic properties, making it a more effective additive compared to SiO2. In addition, MoS2 also has increased sorption properties compared to oil [38], so using it for fiber production can grant said fibers additional desirable properties.

5. Conclusions

The results show that the presence of MoS2 (semiconductor) particles on the surface of PLA fibers obtained in the solution-blowing process significantly increased the filtration efficiency without generating a significant increase in airflow resistance. An increase in filtration efficiency was observed in both electrets and nonwoven filters. The achieved values of the initial filtration efficiency were higher than the filtration efficiency of filters and electrets containing SiO2 particles (dielectric).
These findings suggest that MoS2 particles are promising additives for producing eco-friendly materials for advanced air filtration applications.

Supplementary Materials

The supporting information can be downloaded at: www.mdpi.com/article/10.3390/ma17246038/s1.

Author Contributions

Conceptualization, A.P. and A.M. (Arkadiusz Moskal); methodology, A.P., A.M. (Arkadiusz Moskal), and A.J.-Z.; formal analysis, A.P., N.B. and A.M. (Artur Małolepszy); investigation, N.B., A.M. (Artur Małolepszy), A.P. and R.P.; writing—original draft preparation, A.P., A.M. (Arkadiusz Moskal), R.P., A.J.-Z. and A.M. (Artur Małolepszy); writing—review and editing, A.P., A.M. (Arkadiusz Moskal), R.P., A.J.-Z. and A.M. (Artur Małolepszy); visualization, A.P., A.M. (Artur Małolepszy), R.P. and A.M. (Arkadiusz Moskal); and supervision, A.M. (Arkadiusz Moskal). All authors have read and agreed to the published version of the manuscript.

Funding

This research received no external funding.

Informed Consent Statement

Not applicable.

Data Availability Statement

The raw data supporting the conclusions of this article will be made available by the authors on request.

Conflicts of Interest

The authors declare no conflicts of interest.

References

  1. Yu, W.; Xu, R.; Ye, T.; Abramson, M.J.; Morawska, L.; Jalaludin, B.; Johnston, F.H.; Henderson, S.B.; Knibbs, L.D.; Morgan, G.G.; et al. Estimates of Global Mortality Burden Associated with Short-Term Exposure to Fine Particulate Matter (PM2·5). Lancet Planet. Health 2024, 8, e146–e155. [Google Scholar] [CrossRef] [PubMed]
  2. Schraufnagel, D.E. The Health Effects of Ultrafine Particles. Exp. Mol. Med. 2020, 52, 311–317. [Google Scholar] [CrossRef] [PubMed]
  3. Thangavel, P.; Park, D.; Lee, Y.-C. Recent Insights into Particulate Matter (PM2.5)-Mediated Toxicity in Humans: An Overview. Int. J. Environ. Res. Public Health 2022, 19, 7511. [Google Scholar] [CrossRef]
  4. Fussell, J.C.; Kelly, F.J. Mechanisms Underlying the Health Effects of Desert Sand Dust. Environ. Int. 2021, 157, 106790. [Google Scholar] [CrossRef]
  5. Wang, L.; Li, S.; Ahmad, I.M.; Zhang, G.; Sun, Y.; Wang, Y.; Sun, C.; Jiang, C.; Cui, P.; Li, D. Global Face Mask Pollution: Threats to the Environment and Wildlife, and Potential Solutions. Sci. Total Environ. 2023, 887, 164055. [Google Scholar] [CrossRef]
  6. Kwak, J.I.; An, Y.-J. Post COVID-19 Pandemic: Biofragmentation and Soil Ecotoxicological Effects of Microplastics Derived from Face Masks. J. Hazard. Mater. 2021, 416, 126169. [Google Scholar] [CrossRef]
  7. Hao, X.; Zeng, Y. A Review on the Studies of Air Flow Field and Fiber Formation Process during Melt Blowing. Ind. Eng. Chem. Res. 2019, 58, 11624–11637. [Google Scholar] [CrossRef]
  8. Banerji, A.; Jin, K.; Mahanthappa, M.K.; Bates, F.S.; Ellison, C.J. Porous Fibers Templated by Melt Blowing Cocontinuous Immiscible Polymer Blends. ACS Macro Lett. 2021, 10, 1196–1203. [Google Scholar] [CrossRef]
  9. Babitha, S.; Rachita, L.; Karthikeyan, K.; Shoba, E.; Janani, I.; Poornima, B.; Sai, K.P. Electrospun Protein Nanofiber in Healthcare: A Review. Int. J. Pharm. 2017, 523, 52–90. [Google Scholar] [CrossRef]
  10. Bag, A.; Chattopadhyay, R.R. Evaluation of Synergistic Antibacterial and Antioxidant Efficacy of Essential Oils of Spices and Herbs in Combination. PLoS ONE 2015, 10, e0131321. [Google Scholar] [CrossRef]
  11. Dias, C.; Aires, A.; Saavedra, M. Antimicrobial Activity of Isothiocyanates from Cruciferous Plants against Methicillin-Resistant Staphylococcus Aureus (MRSA). Int. J. Mol. Sci. 2014, 15, 19552–19561. [Google Scholar] [CrossRef] [PubMed]
  12. Watanabe, K.; Rahmasari, R.; Matsunaga, A.; Haruyama, T.; Kobayashi, N. Anti-Influenza Viral Effects of Honey In Vitro: Potent High Activity of Manuka Honey. Arch. Med. Res. 2014, 45, 359–365. [Google Scholar] [CrossRef]
  13. Penconek, A.; Kilarski, M.; Soczewka, A.; Wojasiński, M.; Moskal, A. Production of Nanofibers by Blow Spinning from Polylactide Containing Propolis and Beeswax. Fibers 2024, 12, 8. [Google Scholar] [CrossRef]
  14. Przekop, R.; Gradoń, L. Deposition and Filtration of Nanoparticles in the Composites of Nano- and Microsized Fibers. Aerosol Sci. Technol. 2008, 42, 483–493. [Google Scholar] [CrossRef]
  15. Penconek, A.; Jackiewicz-Zagórska, A.; Przekop, R.; Moskal, A. Fibrous Structures Produced Using the Solution Blow-Spinning Technique for Advanced Air Filtration Process. Materials 2023, 16, 7118. [Google Scholar] [CrossRef]
  16. Penconek, A.; Jackiewicz-Zagórska, A.; Moskal, A. Penetration of diesel exhaust particles (DEPs) through fibrous filters produced using melt-blown technology. KONA Powder Part. J. 2015, 32, 184–195. [Google Scholar] [CrossRef]
  17. Myers, D.L.; Arnold, B.D. Electret Media for HVAC Filtration Applications. Int. Nonwovens J. 2003, 12, 43–54. [Google Scholar] [CrossRef]
  18. Thakur, R.; Das, D.; Das, A. Electret Air Filters. Sep. Purif. Rev. 2013, 42, 87–129. [Google Scholar] [CrossRef]
  19. Choi, H.-J.; Park, E.-S.; Kim, J.-U.; Kim, S.H.; Lee, M.-H. Experimental Study on Charge Decay of Electret Filter Due to Organic Solvent Exposure. Aerosol Sci. Technol. 2015, 49, 977–983. [Google Scholar] [CrossRef]
  20. Schumacher, S.; Spiegelhoff, D.; Schneiderwind, U.; Finger, H.; Asbach, C. Performance of New and Artificially Aged Electret Filters in Indoor Air Cleaners. Chem. Eng. Technol. 2018, 41, 27–34. [Google Scholar] [CrossRef]
  21. Walsh, D.C.; Stenhouse, J.I.T. The Effect of Particle Size, Charge, and Composition on the Loading Characteristics of an Electrically Active Fibrous Filter Material. J. Aerosol Sci. 1997, 28, 307–321. [Google Scholar] [CrossRef]
  22. Kerner, M.; Schmidt, K.; Schumacher, S.; Asbach, C.; Antonyuk, S. Electret Filters—From the Influence of Discharging Methods to Optimization Potential. Atmosphere 2021, 12, 65. [Google Scholar] [CrossRef]
  23. Guliakova, A.A.; Galikhanov, M.F.; Galeeva, L.R.; Gilfanova, S.V.; Fang, P. Investigation of Electret and Filtering Properties of Polypropylene-Based Nonwoven Fabrics and Its Composites with 2 Vol% of Silicon Dioxide Inclusions. IEEE Trans. Dielect. Electr. Insul. 2020, 27, 1656–1661. [Google Scholar] [CrossRef]
  24. Kilic, A.; Shim, E.; Pourdeyhimi, B. Electrostatic Capture Efficiency Enhancement of Polypropylene Electret Filters with Barium Titanate. Aerosol Sci. Technol. 2015, 49, 666–673. [Google Scholar] [CrossRef]
  25. Mohmeyer, N.; Schmidt, H.-W.; Kristiansen, P.M.; Altstädt, V. Influence of Chemical Structure and Solubility of Bisamide Additives on the Nucleation of Isotactic Polypropylene and the Improvement of Its Charge Storage Properties. Macromolecules 2006, 39, 5760–5767. [Google Scholar] [CrossRef]
  26. Behrendt, N.; Mohmeyer, N.; Hillenbrand, J.; Klaiber, M.; Zhang, X.; Sessler, G.M.; Schmidt, H.-W.; Altstädt, V. Charge Storage Behavior of Isotropic and Biaxially-oriented Polypropylene. J. Appl. Polym. Sci. 2005, 99, 650–658. [Google Scholar] [CrossRef]
  27. ISO 12103-1; Road Vehicles—Test Contaminants for Filter Evaluation. ISO: Geneva, Switzerland, 2016.
  28. Podgórski, A. On the Transport, Deposition and Filtration of Aerosol Particles in Fibrous Filters: Selected Problems; Oficyna Wydawnicza PW: Warsaw, Poland, 2002. [Google Scholar]
  29. Lee, K.W.; Ramamurthi, M. Filter collection. In Aerosol Measurements: Principles, Techniques and Applications; Willeke, K., Baron, M., Eds.; Van Nostrand Reinhold: New York, NY, USA, 1993; p. 188. [Google Scholar]
  30. Allen, M.D.; Raabe, O.G. Slip correction measurements of spherical solid aerosol particles in an improved Millikan apparatus. Aerosol Sci. Technol. 1985, 4, 269–286. [Google Scholar] [CrossRef]
  31. Stenhouse, J.I.T. Filtration of air by fibrous filters. Filtr. Sep. 1975, 12, 268–274. [Google Scholar]
  32. Lathrache, R.; Fissan, H. Enhancement of particle deposition in filters due to electrostatic effects. Filtr. Sep. 1987, 24, 418–422. [Google Scholar]
  33. Lee, W.J.; Kim, H.B.; Eom, H.; Hwang, J.; Lee, M.-H. Effect of surface charge density on electret filters charge degradation by organic solvent exposure. Environ. Eng. Res. 2023, 28, 210523. [Google Scholar] [CrossRef]
  34. Amaral, L.O.; Daniel-da-Silva, A.L. MoS2 and MoS2 Nanocomposites for Adsorption and Photodegradation of Water Pollutants: A Review. Molecules 2022, 27, 6782. [Google Scholar] [CrossRef] [PubMed]
  35. Yang, X.; Wu, H.; Zhou, Z.; Zhao, Y.; Li, Y. Modification of a MoS2 Composite Membrane Using Nano-Silica for High-Efficiency Dye Separation. New J. Chem. 2024, 48, 7439–7448. [Google Scholar] [CrossRef]
  36. Tian, H.; Wu, X.; Zhang, K. Polydopamine-Assisted Two-Dimensional Molybdenum Disulfide (MoS2)-Modified PES Tight Ultrafiltration Mixed-Matrix Membranes: Enhanced Dye Separation Performance. Membranes 2021, 11, 96. [Google Scholar] [CrossRef] [PubMed]
  37. Xicong, Y.; Chao, Y.; Bin, O.; Qi, G.; Haihua, W.; Enyi, H.; Yongsheng, Y. Graphene-enhanced electromagnetic wave absorbing properties of FeSiAl-MoS2/PLA composites. Acta Mater. Compos. Sin. 2023, 40, 911–928. [Google Scholar] [CrossRef]
  38. Krasian, T.; Punyodom, W.; Worajittiphon, P. A hybrid of 2D materials (MoS2 and WS2) as an effective performance enhancer for poly(lactic acid) fibrous mats in oil adsorption and oil/water separation. Chem. Eng. J. 2019, 369, 563–575. [Google Scholar] [CrossRef]
Figure 1. The scheme of the solution-blowing set-up (MFC—mass flow controller).
Figure 1. The scheme of the solution-blowing set-up (MFC—mass flow controller).
Materials 17 06038 g001
Figure 2. The calculated penetration of particles as a function of surface charge density.
Figure 2. The calculated penetration of particles as a function of surface charge density.
Materials 17 06038 g002
Figure 3. Apparent viscosity of analyzed PLA solution. The curve for pure PLA coincides with the curve for MoS2 2%; therefore, it is invisible in the graph.
Figure 3. Apparent viscosity of analyzed PLA solution. The curve for pure PLA coincides with the curve for MoS2 2%; therefore, it is invisible in the graph.
Materials 17 06038 g003
Figure 4. TGA showing the decomposition of PLA and PLA with SiO2 and MoS2 mixtures.
Figure 4. TGA showing the decomposition of PLA and PLA with SiO2 and MoS2 mixtures.
Materials 17 06038 g004
Figure 5. Mean fiber diameter.
Figure 5. Mean fiber diameter.
Materials 17 06038 g005
Figure 6. (A) Thickness and (B) porosity of fiber layers.
Figure 6. (A) Thickness and (B) porosity of fiber layers.
Materials 17 06038 g006
Figure 7. SEM photos of fibers. The units on the scale are in micrometres.
Figure 7. SEM photos of fibers. The units on the scale are in micrometres.
Materials 17 06038 g007aMaterials 17 06038 g007b
Figure 8. Initial filtration efficiency.
Figure 8. Initial filtration efficiency.
Materials 17 06038 g008
Figure 9. Initial fractional filtration efficiency for (A) PLA and PLA-MoS2 fibers and (B) PLA and PLA-SiO2 fibers.
Figure 9. Initial fractional filtration efficiency for (A) PLA and PLA-MoS2 fibers and (B) PLA and PLA-SiO2 fibers.
Materials 17 06038 g009
Figure 10. Initial pressure drop.
Figure 10. Initial pressure drop.
Materials 17 06038 g010
Figure 11. Initial pressure drop as a function of (A) mean fiber diameter and (B) thickness of fiber layer.
Figure 11. Initial pressure drop as a function of (A) mean fiber diameter and (B) thickness of fiber layer.
Materials 17 06038 g011
Figure 12. Initial filtration efficiency as a function of (A) thickness of fiber layer and (B) mean fiber diameter.
Figure 12. Initial filtration efficiency as a function of (A) thickness of fiber layer and (B) mean fiber diameter.
Materials 17 06038 g012
Figure 13. Comparing fractional filtration efficiency for (A) 2% MoS2 and 2% SiO2 and (B) 5% MoS2 and 5% SiO2.
Figure 13. Comparing fractional filtration efficiency for (A) 2% MoS2 and 2% SiO2 and (B) 5% MoS2 and 5% SiO2.
Materials 17 06038 g013
Table 1. Average fiber diameters and diameter ranges.
Table 1. Average fiber diameters and diameter ranges.
Mean Fiber Diameter, µmDiameter Range, µm
Without ChargingWith ChargingWithout ChargingWith Charging
PLA0.5250.8410.162–3.0810.140–4.445
MoS2 2%0.4480.4780.156–2.2950.144–1.987
MoS2 5%0.4800.3900.143–1.8930.219–1.157
SiO2 0.5%0.6050.6860.125–2.5280.165–2.496
SiO2 1%0.6200.5640.145–4.5100.184–2.404
SiO2 2%0.5960.5940.178–2.5050.164–3.214
SiO2 5%0.5620.5890.184–2.0160.173–2.558
Disclaimer/Publisher’s Note: The statements, opinions and data contained in all publications are solely those of the individual author(s) and contributor(s) and not of MDPI and/or the editor(s). MDPI and/or the editor(s) disclaim responsibility for any injury to people or property resulting from any ideas, methods, instructions or products referred to in the content.

Share and Cite

MDPI and ACS Style

Penconek, A.; Bąkała, N.; Jackiewicz-Zagórska, A.; Małolepszy, A.; Przekop, R.; Moskal, A. Electret Nonwoven Structures for High-Efficiency Air Filtration, Produced Using the Blow Spinning Technique. Materials 2024, 17, 6038. https://doi.org/10.3390/ma17246038

AMA Style

Penconek A, Bąkała N, Jackiewicz-Zagórska A, Małolepszy A, Przekop R, Moskal A. Electret Nonwoven Structures for High-Efficiency Air Filtration, Produced Using the Blow Spinning Technique. Materials. 2024; 17(24):6038. https://doi.org/10.3390/ma17246038

Chicago/Turabian Style

Penconek, Agata, Natalia Bąkała, Anna Jackiewicz-Zagórska, Artur Małolepszy, Rafał Przekop, and Arkadiusz Moskal. 2024. "Electret Nonwoven Structures for High-Efficiency Air Filtration, Produced Using the Blow Spinning Technique" Materials 17, no. 24: 6038. https://doi.org/10.3390/ma17246038

APA Style

Penconek, A., Bąkała, N., Jackiewicz-Zagórska, A., Małolepszy, A., Przekop, R., & Moskal, A. (2024). Electret Nonwoven Structures for High-Efficiency Air Filtration, Produced Using the Blow Spinning Technique. Materials, 17(24), 6038. https://doi.org/10.3390/ma17246038

Note that from the first issue of 2016, this journal uses article numbers instead of page numbers. See further details here.

Article Metrics

Back to TopTop