The Machinability of Different Albromet W130 Plates Thicknesses by WEDM to the Required Surface Roughness Value
Abstract
1. Introduction
2. Materials and Methods
2.1. Experimental Material
2.2. WEDM Machine Setup and Design of Experiment
2.3. Experimental Methods
3. Results and Discussion
3.1. Cutting Speed Evaluation
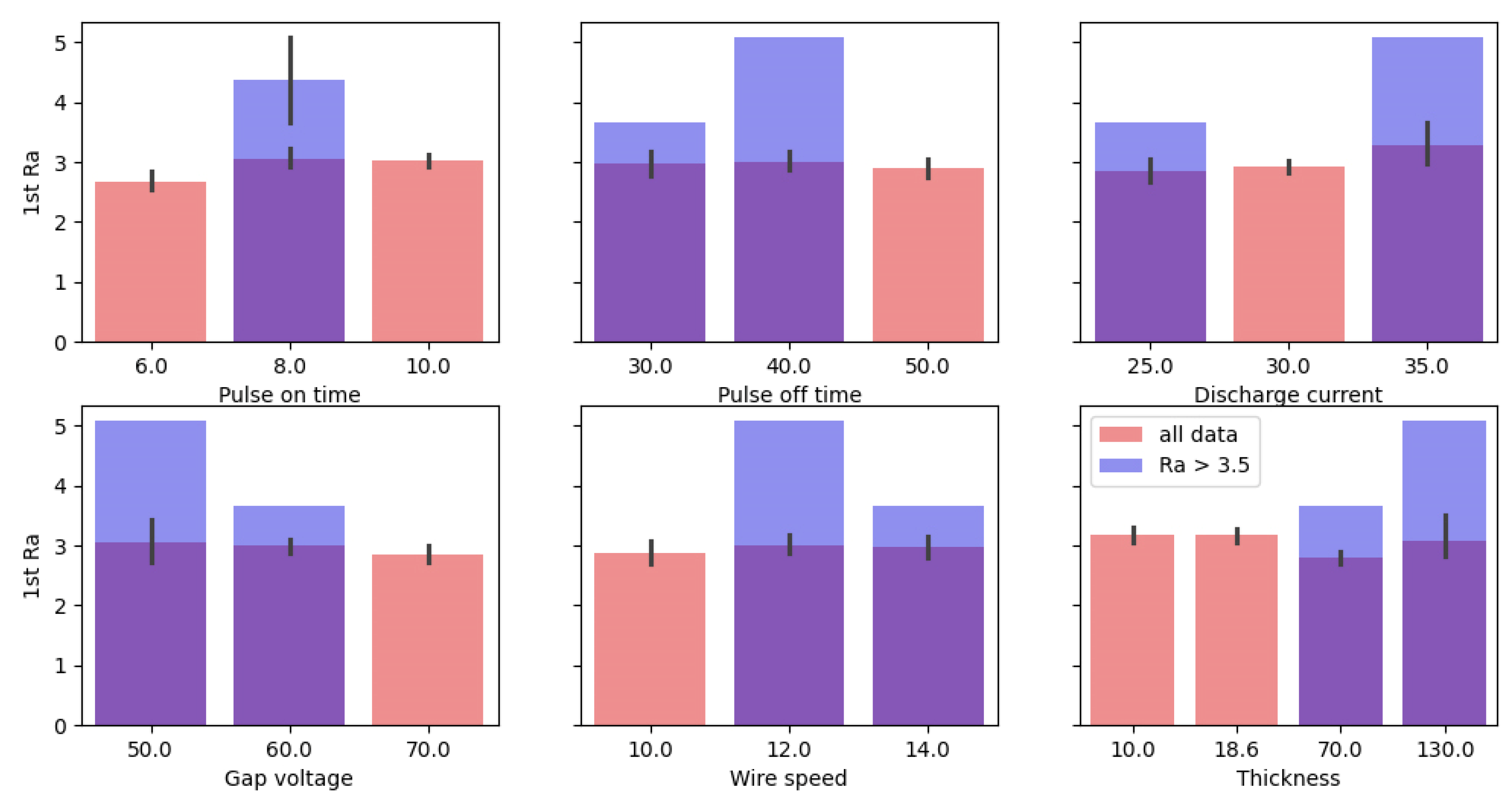
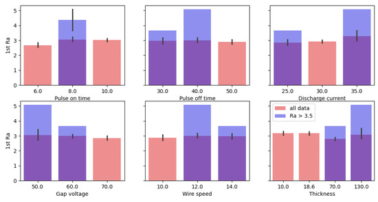
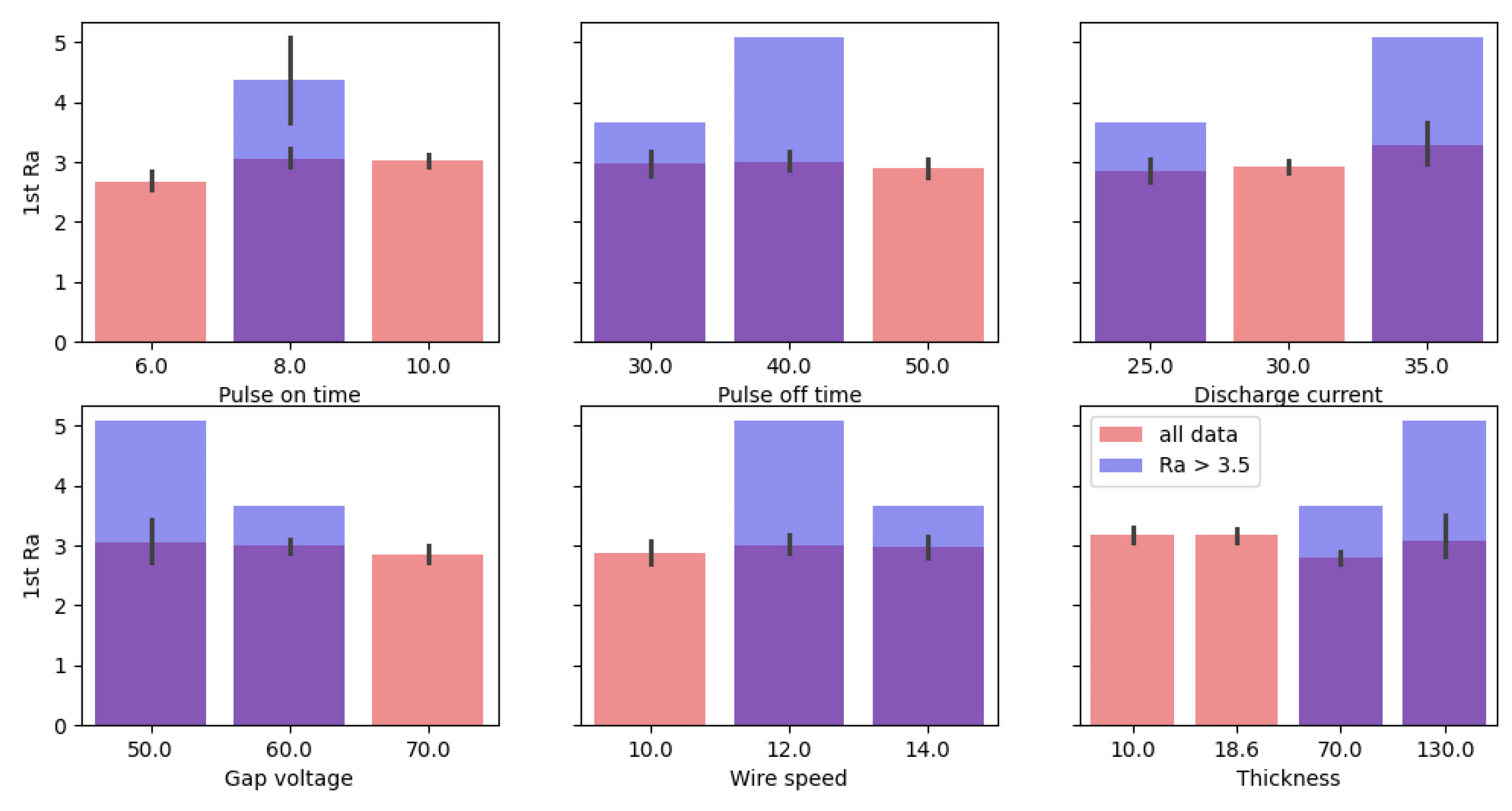
3.2. Evaluation of the Surfaces’ Topography
3.3. Optimisation
3.4. Morphology of Machined Surfaces and Chemical Composition Analysis
3.5. Subsurface Area Analysis
4. Conclusions
- As the thickness increased, the cutting speed decreased; the highest cutting speed of 11.6 mm/min was seen in sample No. 28 with the following machining parameters: Ton = 10 µs, Toff = 50 µs, I = 25 A, U = 70 V, and v = 12 m/min.
- The required Ra values from 4.5 to 5 µm were reached in four cases; that is, for the thicknesses of 10, 50, 90, and 100 mm.
- An adequate model for response behaviour, that is, for the cutting speed and surface roughness, was established, along with the corresponding equations.
- An optimisation according to the set criteria was performed, and the machining parameters for the thicknesses of 10 to 100 mm (past 10 mm) were established for the samples to meet the required surface roughness range.
- The surface and subsurface layer analysis did not discover any defects, which is very positive, as it means that the expected service life and correct functionality of the produced workpieces will not be affected.
Author Contributions
Funding
Institutional Review Board Statement
Informed Consent Statement
Data Availability Statement
Conflicts of Interest
References
- Ho, K.H.; Newman, S.T.; Rahimifard, S.; Allen, R.D. State of the art in wire electrical discharge machining (WEDM). Int. J. Mach. Tools Manuf. 2004, 44, 1247–1259. [Google Scholar] [CrossRef]
- Abbas, N.M.; Solomon, D.G.; Bahari, M.F. A review on current research trends in electrical discharge machining (EDM). Int. J. Mach. Tools Manuf. 2007, 47, 1214–1228. [Google Scholar] [CrossRef]
- Ukey, K.; Sahu, A.R.; Gajghate, S.S.; Behera, A.K.; Limbadri, C.; Majumder, H. Wire electrical discharge machining (WEDM) review on current optimization research trends. Mater. Today Proc. 2023; in press. [Google Scholar] [CrossRef]
- Kumar, N.; Kumari, S.; Abhishek, K.; Nandi, G.; Ghosh, N. Study on various parameters of WEDM using different optimization techniques: A review. Mater. Today Proc. 2022, 62, 4018–4024. [Google Scholar] [CrossRef]
- Davis, J.R. Copper and Copper Alloys; ASM International: Materials Park, OH, USA, 2001; Volume 446, ISBN 0-87170-726-8. [Google Scholar]
- Sathiyaraj, S.; Venkatesan, S.; Ashokkumar, S. Wire electrical discharge machining (WEDM) analysis into MRR and SR on copper alloy. Mater. Today Proc. 2020, 33, 1079–1084. [Google Scholar] [CrossRef]
- Thankachan, T.; Soorya Prakash, K.; Loganathan, M. WEDM process parameter optimization of FSPed copper-BN composites. Mater. Manuf. Process. 2018, 33, 350–358. [Google Scholar] [CrossRef]
- Katiyar, J.K.; Sharma, A.K.; Pandey, B. Synthesis of iron-copper alloy using electrical discharge machining. Mater. Manuf. Process. 2018, 33, 1531–1538. [Google Scholar] [CrossRef]
- Li, W.; Li, Z. Experimental research on WEDM of copper tungsten alloy based on orthogonal test. J. Phys. Conf. Ser. 2022, 2262, 012008. [Google Scholar] [CrossRef]
- Li, W.M. Experimental study on cutting speed and surface roughness of pure copper in WEDM. J. Phys. Conf. Ser. 2020, 1605, 012054. [Google Scholar] [CrossRef]
- Ahmed, N.; Mughal, M.P.; Shoaib, W.; Farhan Raza, S.; Alahmari, A.M. WEDM of copper for the fabrication of large surface-area micro-channels: A prerequisite for the high heat-transfer rate. Micromachines 2020, 11, 173. [Google Scholar] [CrossRef]
- Ali, M.A.; Samsul, M.; Hussein NI, S.; Rizal, M.; Izamshah, R.; Hadzley, M.; Kasim, M.S.; Sulaiman, M.A.; Sivarao, S. The effect of EDM die-sinking parameters on material removal rate of beryllium copper using full factorial method. Middle-East J. Sci. Res. 2013, 16, 44–50. [Google Scholar]
- Bhuiyan, M.; Shihab, B. Development of copper based miniature electrostatic actuator using WEDM with low actuation voltage. Microsyst. Technol. 2016, 22, 2749–2756. [Google Scholar] [CrossRef]
- Mouralova, K.; Benes, L.; Zahradnicek, R.; Bednar, J.; Hrabec, P.; Prokes, T.; Matousek, R.; Fiala, Z. Quality of surface and subsurface layers after WEDM aluminum alloy 7475-T7351 including analysis of TEM lamella. Int. J. Adv. Manuf. Technol. 2018, 99, 2309–2326. [Google Scholar] [CrossRef]
- Mouralova, K.; Benes, L.; Zahradnicek, R.; Bednar, J.; Zadera, A.; Fries, J.; Kana, V. WEDM Used for machining high entropy alloys. Materials 2020, 13, 4823. [Google Scholar] [CrossRef]
- Mouralova, K.; Benes, L.; Bednar, J.; Zahradnicek, R.; Prokes, T.; Fiala, Z.; Fries, J. Precision machining of nimonic C 263 super alloyusing WEDM. Coatings 2020, 10, 590. [Google Scholar] [CrossRef]
- Mouralova, K.; Bednar, J.; Benes, L.; Prokes, T.; Zahradnicek, R.; Fries, J. Mathematical models for machining optimization of Ampcoloy 35 with different thicknesses using WEDM to improve the surface properties of mold parts. Materials 2022, 16, 100. [Google Scholar] [CrossRef]
- Liao, Y.S.; Chuang, T.J.; Yu, Y.P. On-line workpiece height estimation and its application in servo feed control of WEDM process. Procedia CIRP 2013, 6, 226–231. [Google Scholar] [CrossRef]
- Manoj, I.V.; Joy, R.; Narendranath, S. Investigation on the effect of variation in cutting speeds and angle of cut during slant type taper cutting in WEDM of Hastelloy X. Arab. J. Sci. Eng. 2020, 45, 641–651. [Google Scholar] [CrossRef]
- Singh, B.; Misra, J.P. Empirical modeling of average cutting speed during WEDM of gas turbine alloy. MATEC Web Conf. 2018, 221, 01002. [Google Scholar] [CrossRef][Green Version]
- Gowd, G.H.; Reddy, M.G.; Sreenivasulu, B.; Ravuri, M. Multi objective optimization of process parameters in WEDM during machining of SS304. Procedia Mater. Sci. 2014, 5, 1408–1416. [Google Scholar] [CrossRef][Green Version]
- Reddy, B.S.; Rao, A.K.; Janardhana, G.R. Multi-objective optimization of surface roughness, recast layer thickness and surface crack density in WEDM of Al2124/SiCp using desirability approach. Mater. Today Proc. 2021, 39, 1320–1326. [Google Scholar] [CrossRef]
- Kavimani, V.; Prakash, K.S.; Thankachan, T. Multi-objective optimization in WEDM process of graphene–SiC-magnesium composite through hybrid techniques. Measurement 2019, 145, 335–349. [Google Scholar] [CrossRef]
- Tosun, N.; Pihtili, H. The effect of cutting parameters on wire crater sizes in wire EDM. Int. J. Adv. Manuf. Technol. 2003, 21, 857–865. [Google Scholar] [CrossRef]
- Esteves, P.M.; Wiessner, M.; Costa, J.V.; Sikora, M.; Wegener, K. WEDM single crater asymmetry. Int. J. Adv. Manuf. Technol. 2021, 117, 2421–2427. [Google Scholar] [CrossRef]
- Bisaria, H.; Shandilya, P. Study on crater depth during material removal in WEDC of Ni-rich nickel–titanium shape memory alloy. J. Braz. Soc. Mech. Sci. Eng. 2019, 41, 157. [Google Scholar] [CrossRef]
- Tahir, W.; Jahanzaib, M.; Ahmad, W.; Hussain, S. Surface morphology evaluation of hardened HSLA steel using cryogenic-treated brass wire in WEDM process. Int. J. Adv. Manuf. Technol. 2019, 104, 4445–4455. [Google Scholar] [CrossRef]
- Chaudhari, R.; Vora, J.J.; Patel, V.; Lacalle LL, D.; Parikh, D.M. Effect of WEDM process parameters on surface morphology of nitinol shape memory alloy. Materials 2020, 13, 4943. [Google Scholar] [CrossRef]
- Kumar, A.; Kumar, V.; Kumar, J. Surface crack density and recast layer thickness analysis in WEDM process through response surface methodology. Mach. Sci. Technol. 2016, 20, 201–230. [Google Scholar] [CrossRef]
- Rouniyar, A.K.; Shandilya, P. Study of surface crack density and microhardness of Aluminium 6061 alloy machined by EDM with mixed powder and assisted magnetic field. J. Micromanufacturing 2022, 5, 156–163. [Google Scholar] [CrossRef]
- Salvati, E.; Korsunsky, A.M. Micro-scale measurement & FEM modelling of residual stresses in AA6082-T6 Al alloy generated by wire EDM cutting. J. Mater. Process. Technol. 2020, 275, 116373. [Google Scholar]
- Zhang, G.; Li, W.; Zhang, Y.; Huang, Y.; Zhang, Z.; Chen, Z. Analysis and reduction of process energy consumption and thermal deformation in a micro-structure wire electrode electric discharge machining thin-wall component. J. Clean. Prod. 2020, 244, 118763. [Google Scholar] [CrossRef]
- Guo, C.; Wu, Z.; Wang, X.; Zhang, J. Comparison in performance by emulsion and SiC nanofluids HS-WEDM multi-cutting process. Int. J. Adv. Manuf. Technol. 2021, 116, 3315–3324. [Google Scholar] [CrossRef]









| No. of Sample | Type | Pulse-OnTime (µs) | Pulse-Off Time (µs) | Discharge Current (A) | Gap Voltage (V) | Wire Speed (m/min) | Thickness (mm) |
|---|---|---|---|---|---|---|---|
| 1 | Model | 9 | 45 | 28 | 55 | 12 | 100 |
| 2 | Model | 7 | 30 | 35 | 50 | 12 | 10 |
| 3 | Model | 6 | 37 | 32 | 70 | 12 | 130 |
| 4 | Replicate | 9 | 45 | 33 | 65 | 12 | 100 |
| 5 | Centre | 8 | 40 | 30 | 60 | 12 | 70 |
| 6 | Model | 7 | 45 | 28 | 65 | 12 | 40 |
| 7 | Lack of Fit | 6 | 50 | 25 | 50 | 12 | 130 |
| 8 | Model | 6 | 50 | 25 | 57 | 12 | 10 |
| 9 | Model | 7 | 35 | 33 | 65 | 12 | 40 |
| 10 | Model | 10 | 37 | 28 | 70 | 12 | 130 |
| 11 | Model | 6 | 37 | 35 | 50 | 12 | 50 |
| 12 | Lack of Fit | 10 | 50 | 35 | 70 | 12 | 10 |
| 13 | Lack of Fit | 10 | 50 | 35 | 50 | 12 | 130 |
| 14 | Model | 9 | 35 | 33 | 55 | 12 | 40 |
| 15 | Lack of Fit | 6 | 50 | 25 | 70 | 12 | 10 |
| 16 | Model | 9 | 30 | 32 | 50 | 12 | 130 |
| 17 | Lack of Fit | 10 | 30 | 25 | 70 | 12 | 10 |
| 18 | Model | 10 | 37 | 32 | 70 | 12 | 10 |
| 19 | Model | 10 | 50 | 25 | 70 | 12 | 10 |
| 20 | Model | 7 | 50 | 25 | 50 | 12 | 10 |
| 21 | Replicate | 9 | 45 | 28 | 55 | 12 | 100 |
| 22 | Lack of Fit | 6 | 30 | 35 | 70 | 12 | 10 |
| 23 | Centre | 8 | 40 | 30 | 60 | 12 | 70 |
| 24 | Model | 9 | 45 | 33 | 65 | 12 | 100 |
| 25 | Lack of Fit | 10 | 30 | 25 | 50 | 12 | 130 |
| 26 | Model | 10 | 50 | 25 | 50 | 12 | 130 |
| 27 | Model | 6 | 30 | 35 | 70 | 12 | 90 |
| 28 | Model | 10 | 30 | 35 | 70 | 12 | 10 |
| 29 | Lack of Fit | 6 | 30 | 35 | 50 | 12 | 130 |
| 30 | Model | 7 | 45 | 33 | 65 | 12 | 100 |
| 31 | Model | 9 | 35 | 33 | 65 | 12 | 100 |
| 32 | Centre | 8 | 40 | 30 | 60 | 12 | 70 |
| 33 | Model | 9 | 45 | 28 | 55 | 12 | 40 |
| 34 | Model | 6 | 50 | 35 | 70 | 12 | 10 |
| 35 | Model | 6 | 50 | 25 | 63 | 12 | 130 |
| 36 | Replicate | 7 | 35 | 28 | 55 | 12 | 100 |
| 37 | Lack of Fit | 10 | 50 | 25 | 70 | 12 | 130 |
| 38 | Model | 10 | 50 | 25 | 57 | 12 | 10 |
| 39 | Lack of Fit | 6 | 30 | 25 | 70 | 12 | 130 |
| 40 | Model | 7 | 35 | 28 | 65 | 12 | 100 |
| 41 | Model | 6 | 43 | 25 | 50 | 12 | 50 |
| 42 | Centre | 8 | 40 | 30 | 60 | 12 | 70 |
| 43 | Model | 6 | 37 | 28 | 50 | 12 | 10 |
| 44 | Model | 6 | 50 | 35 | 50 | 12 | 130 |
| 45 | Model | 10 | 50 | 35 | 50 | 12 | 10 |
| 46 | Model | 7 | 35 | 33 | 55 | 12 | 100 |
| 47 | Model | 6 | 50 | 35 | 50 | 12 | 10 |
| 48 | Model | 9 | 50 | 35 | 63 | 12 | 130 |
| 49 | Replicate | 7 | 45 | 33 | 55 | 12 | 40 |
| 50 | Model | 7 | 35 | 28 | 55 | 12 | 100 |
| 51 | Model | 6 | 30 | 25 | 63 | 12 | 50 |
| 52 | Model | 7 | 45 | 33 | 55 | 12 | 40 |
| 53 | Model | 6 | 30 | 25 | 50 | 12 | 130 |
| 54 | Replicate | 7 | 45 | 28 | 65 | 12 | 40 |
| 55 | Model | 10 | 30 | 28 | 57 | 12 | 10 |
| 56 | Model | 6 | 37 | 28 | 70 | 12 | 10 |
| 57 | Model | 10 | 30 | 35 | 50 | 12 | 90 |
| 58 | Model | 9 | 35 | 28 | 65 | 12 | 40 |
| 59 | Model | 6 | 30 | 35 | 57 | 12 | 10 |
| 60 | Model | 10 | 30 | 25 | 50 | 12 | 10 |
| Factor | Name | Units | Min | Max | Lower Limit | Upper Limit | Centre Point |
|---|---|---|---|---|---|---|---|
| A | Pulse-on time | µs | 6.00 | 10.00 | −1 ↔ 6.00 | +1 ↔ 10.00 | 7.91 |
| B | Pulse-off time | µs | 30.00 | 50.00 | −1 ↔ 30.00 | +1 ↔ 50.00 | 40.04 |
| C | Discharge current | A | 25.00 | 35.00 | −1 ↔ 25.00 | +1 ↔ 35.00 | 30.02 |
| D | Gap voltage | V | 50.00 | 70.00 | −1 ↔ 50.00 | +1 ↔ 70.00 | 59.71 |
| E | Thickness | mm | 10.00 | 130.00 | −1 ↔ 10.00 | +1 ↔ 130.00 | 67.72 |
| Source | Sum of Squares | df | Mean Square | F-Value | p-Value | |
|---|---|---|---|---|---|---|
| Block | 1.07 | 1 | 1.07 | |||
| Model | 118.85 | 36 | 3.30 | 1563.65 | <0.0001 | significant |
| A—Pulse-on time | 0.0043 | 1 | 0.0043 | 2.03 | 0.1588 | |
| B—Pulse-off time | 0.4571 | 1 | 0.4571 | 216.49 | <0.0001 | |
| C—Discharge current | 0.0147 | 1 | 0.0147 | 6.97 | 0.0101 | |
| D—Gap voltage | 0.0122 | 1 | 0.0122 | 5.76 | 0.0188 | |
| E—Thickness | 2.12 | 1 | 2.12 | 1003.35 | <0.0001 | |
| AB | 0.0016 | 1 | 0.0016 | 0.7441 | 0.3911 | |
| AC | 0.0031 | 1 | 0.0031 | 1.46 | 0.2307 | |
| AD | 0.0024 | 1 | 0.0024 | 1.12 | 0.2931 | |
| AE | 0.0165 | 1 | 0.0165 | 7.82 | 0.0066 | |
| BC | 0.0193 | 1 | 0.0193 | 9.14 | 0.0034 | |
| BD | 0.0105 | 1 | 0.0105 | 4.99 | 0.0285 | |
| BE | 0.0110 | 1 | 0.0110 | 5.23 | 0.0250 | |
| CD | 0.0022 | 1 | 0.0022 | 1.04 | 0.3106 | |
| CE | 0.0537 | 1 | 0.0537 | 25.45 | <0.0001 | |
| DE | 0.0003 | 1 | 0.0003 | 0.1314 | 0.7180 | |
| A2 | 0.0009 | 1 | 0.0009 | 0.4184 | 0.5197 | |
| B2 | 0.0016 | 1 | 0.0016 | 0.7518 | 0.3886 | |
| C2 | 7.400 × 10−6 | 1 | 7.400 × 10−6 | 0.0035 | 0.9529 | |
| D2 | 0.0000 | 1 | 0.0000 | 0.0077 | 0.9302 | |
| E2 | 9.18 | 1 | 9.18 | 4346.13 | <0.0001 | |
| ABC | 0.0231 | 1 | 0.0231 | 10.94 | 0.0014 | |
| ABE | 0.0218 | 1 | 0.0218 | 10.34 | 0.0019 | |
| ADE | 0.0117 | 1 | 0.0117 | 5.54 | 0.0212 | |
| BCD | 0.0206 | 1 | 0.0206 | 9.75 | 0.0025 | |
| BCE | 0.0239 | 1 | 0.0239 | 11.31 | 0.0012 | |
| A2C | 0.0080 | 1 | 0.0080 | 3.77 | 0.0558 | |
| A2E | 0.0337 | 1 | 0.0337 | 15.96 | 0.0001 | |
| AB2 | 0.0229 | 1 | 0.0229 | 10.85 | 0.0015 | |
| AD2 | 0.0168 | 1 | 0.0168 | 7.95 | 0.0061 | |
| B2E | 0.0188 | 1 | 0.0188 | 8.89 | 0.0038 | |
| BC2 | 0.0109 | 1 | 0.0109 | 5.15 | 0.0260 | |
| C2E | 0.0264 | 1 | 0.0264 | 12.48 | 0.0007 | |
| D2E | 0.0329 | 1 | 0.0329 | 15.59 | 0.0002 | |
| A3 | 0.0175 | 1 | 0.0175 | 8.30 | 0.0052 | |
| C3 | 0.0145 | 1 | 0.0145 | 6.86 | 0.0106 | |
| E3 | 0.3247 | 1 | 0.3247 | 153.79 | <0.0001 | |
| Residual | 0.1605 | 76 | 0.0021 | |||
| Lack of Fit | 0.1214 | 51 | 0.0024 | 1.53 | 0.1264 | not significant |
| Pure Error | 0.0390 | 25 | 0.0016 | |||
| Cor Total | 120.08 | 113 |
| Std. Dev. | 0.046 | R2 | 0.9987 |
| Mean | 0.37 | Adjusted R2 | 0.9980 |
| C.V. % | 12.43 | Predicted R2 | 0.9966 |
| Adeq Precision | 128.4728 |
| Source | Sum of Squares | df | Mean Square | F-Value | p-Value | |
|---|---|---|---|---|---|---|
| Block | 0.0196 | 1 | 0.0196 | |||
| Model | 0.0793 | 18 | 0.0044 | 5.51 | <0.0001 | significant |
| A—Pulse-on time | 0.0187 | 1 | 0.0187 | 23.36 | <0.0001 | |
| B—Pulse-off time | 0.0036 | 1 | 0.0036 | 4.54 | 0.0357 | |
| C—Discharge current | 0.0060 | 1 | 0.0060 | 7.50 | 0.0074 | |
| D—Gap voltage | 0.0003 | 1 | 0.0003 | 0.3875 | 0.5351 | |
| E—Thickness | 0.0065 | 1 | 0.0065 | 8.10 | 0.0054 | |
| AC | 0.0005 | 1 | 0.0005 | 0.6335 | 0.4281 | |
| BC | 3.157 × 10−6 | 1 | 3.157 × 10−6 | 0.0039 | 0.9500 | |
| CD | 0.0002 | 1 | 0.0002 | 0.2178 | 0.6418 | |
| CE | 0.0002 | 1 | 0.0002 | 0.3015 | 0.5843 | |
| A2 | 0.0006 | 1 | 0.0006 | 0.7292 | 0.3953 | |
| B2 | 0.0004 | 1 | 0.0004 | 0.5283 | 0.4691 | |
| D2 | 0.0002 | 1 | 0.0002 | 0.2321 | 0.6311 | |
| E2 | 0.0008 | 1 | 0.0008 | 0.9395 | 0.3349 | |
| A2C | 0.0110 | 1 | 0.0110 | 13.71 | 0.0004 | |
| B2C | 0.0036 | 1 | 0.0036 | 4.44 | 0.0377 | |
| CD2 | 0.0077 | 1 | 0.0077 | 9.58 | 0.0026 | |
| CE2 | 0.0120 | 1 | 0.0120 | 15.05 | 0.0002 | |
| B3 | 0.0034 | 1 | 0.0034 | 4.28 | 0.0414 | |
| Residual | 0.0752 | 94 | 0.0008 | |||
| Lack of Fit | 0.0619 | 69 | 0.0009 | 1.68 | 0.0740 | not significant |
| Pure Error | 0.0133 | 25 | 0.0005 | |||
| Cor Total | 0.1741 | 113 |
| Std. Dev. | 0.0283 | R2 | 0.5133 |
| Mean | 0.1380 | Adjusted R2 | 0.4201 |
| C.V. % | 20.50 | Predicted R2 | 0.2158 |
| Adeq Precision | 14.2098 |
| Name | Goal | Lower Limit | Upper Limit | Lower Weight | Upper Weight | Importance |
|---|---|---|---|---|---|---|
| Pulse-on time | Is in range | 6 | 10 | 1 | 1 | 3 |
| Pulse-off time | Is in range | 30 | 50 | 1 | 1 | 3 |
| Discharge current | Is in range | 25 | 35 | 1 | 1 | 3 |
| Gap voltage | Is in range | 50 | 70 | 1 | 1 | 3 |
| Thickness | Is target = X | 10 | 100 | 1 | 1 | 3 |
| Cutting speed | None | 0.38 | 11.6 | 1 | 1 | 3 |
| Mean Ra (median) | Is target = 4.5 | 4.5 | 5 | 10 | 1 | 5 |
| Pulse-On Time (µs) | Pulse-Off Time (µs) | Discharge Current (A) | Gap Voltage (V) | Wire Speed (m/min) | Thickness (mm) | Cutting Speed (mm/min) | Mean Ra (µm) | |
|---|---|---|---|---|---|---|---|---|
| 1 | 10 | 50 | 25 | 70 | 12 | 10 | 5.5 | 4.6 |
| 2 | 10 | 42.4 | 34.9 | 50 | 12 | 20 | 7.2 | 5.05 |
| 3 | 9.8 | 41.8 | 35 | 50 | 12 | 30 | 3.3 | 5.05 |
| 4 | 9.6 | 45.4 | 35 | 50.5 | 12 | 40 | 2.0 | 5.05 |
| 5 | 9.8 | 43.5 | 34.1 | 50 | 12 | 50 | 1.6 | 5.05 |
| 6 | 9.8 | 47 | 34.4 | 50 | 12 | 60 | 1.2 | 5.05 |
| 7 | 9.8 | 45.6 | 34.4 | 51.1 | 12 | 70 | 1.1 | 5.08 |
| 8 | 9.9 | 44.7 | 34.9 | 52.9 | 12 | 80 | 0.9 | 5.05 |
| 9 | 10 | 45.3 | 34.8 | 51.7 | 12 | 90 | 0.8 | 5.05 |
| 10 | 9 | 45 | 33 | 65 | 12 | 100 | 0.7 | 4.56 |
Disclaimer/Publisher’s Note: The statements, opinions and data contained in all publications are solely those of the individual author(s) and contributor(s) and not of MDPI and/or the editor(s). MDPI and/or the editor(s) disclaim responsibility for any injury to people or property resulting from any ideas, methods, instructions or products referred to in the content. |
© 2024 by the authors. Licensee MDPI, Basel, Switzerland. This article is an open access article distributed under the terms and conditions of the Creative Commons Attribution (CC BY) license (https://creativecommons.org/licenses/by/4.0/).
Share and Cite
Mouralova, K.; Benes, L.; Zahradnicek, R.; Fries, J.; Manova, A. The Machinability of Different Albromet W130 Plates Thicknesses by WEDM to the Required Surface Roughness Value. Materials 2024, 17, 5520. https://doi.org/10.3390/ma17225520
Mouralova K, Benes L, Zahradnicek R, Fries J, Manova A. The Machinability of Different Albromet W130 Plates Thicknesses by WEDM to the Required Surface Roughness Value. Materials. 2024; 17(22):5520. https://doi.org/10.3390/ma17225520
Chicago/Turabian StyleMouralova, Katerina, Libor Benes, Radim Zahradnicek, Jiří Fries, and Andrea Manova. 2024. "The Machinability of Different Albromet W130 Plates Thicknesses by WEDM to the Required Surface Roughness Value" Materials 17, no. 22: 5520. https://doi.org/10.3390/ma17225520
APA StyleMouralova, K., Benes, L., Zahradnicek, R., Fries, J., & Manova, A. (2024). The Machinability of Different Albromet W130 Plates Thicknesses by WEDM to the Required Surface Roughness Value. Materials, 17(22), 5520. https://doi.org/10.3390/ma17225520

