Deformation Performance of Longitudinal Non-Uniformly Corroded Reinforced Concrete Columns
Abstract
1. Introduction
2. Materials and Methods
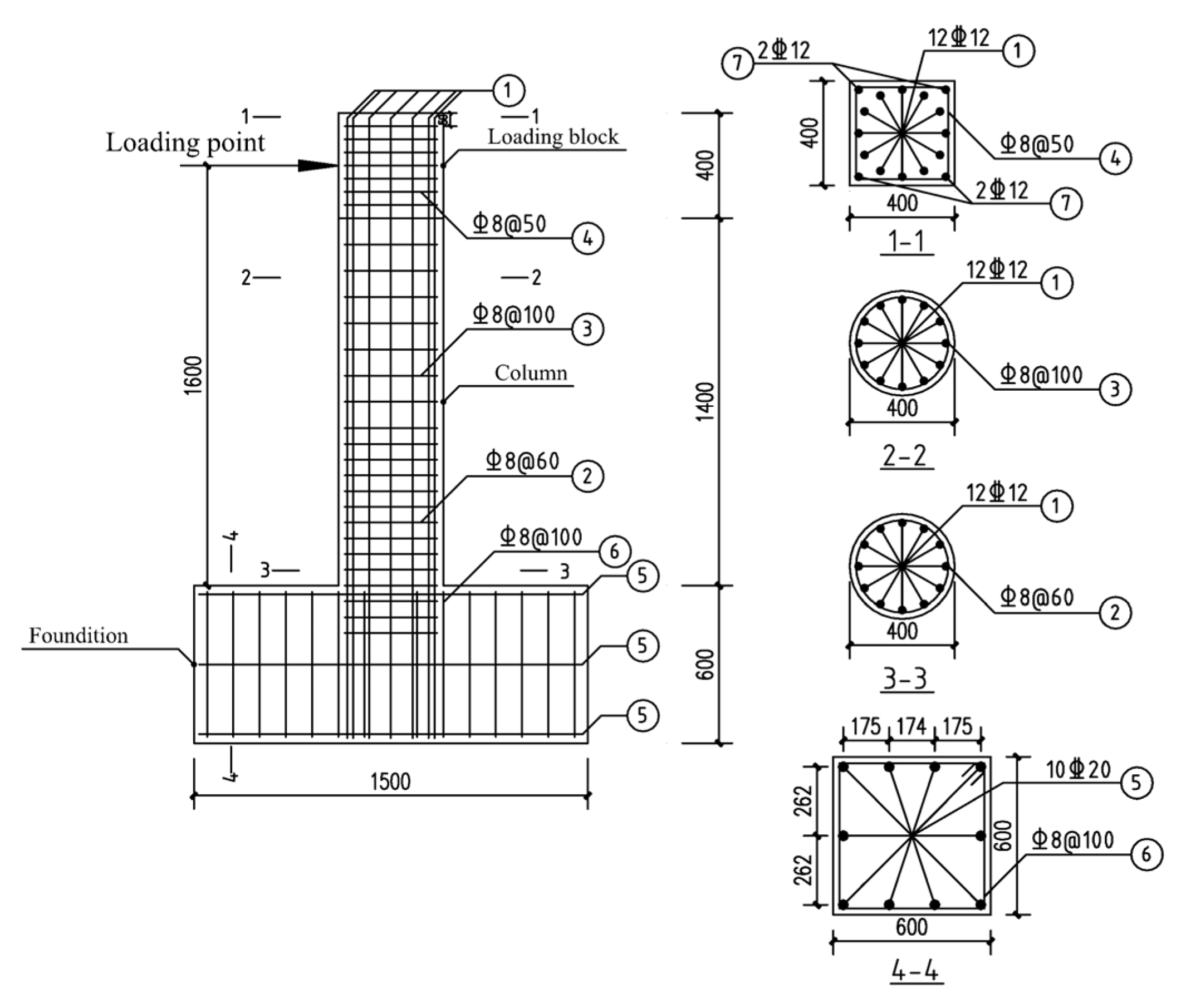
2.1. Numerical Model
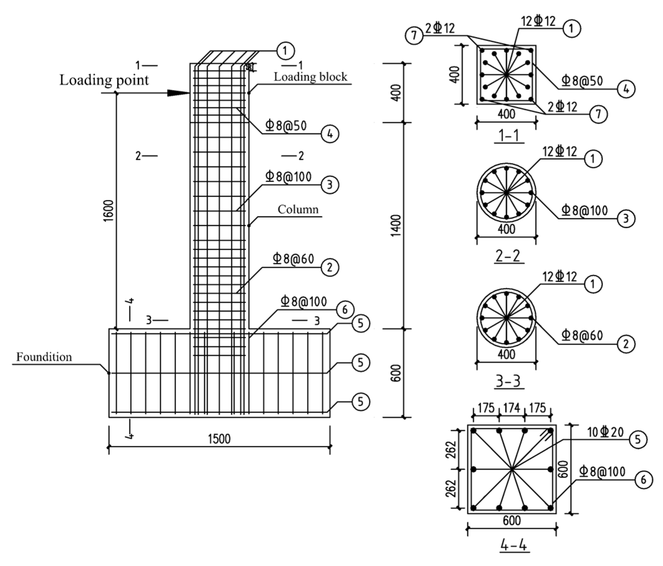
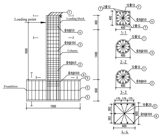
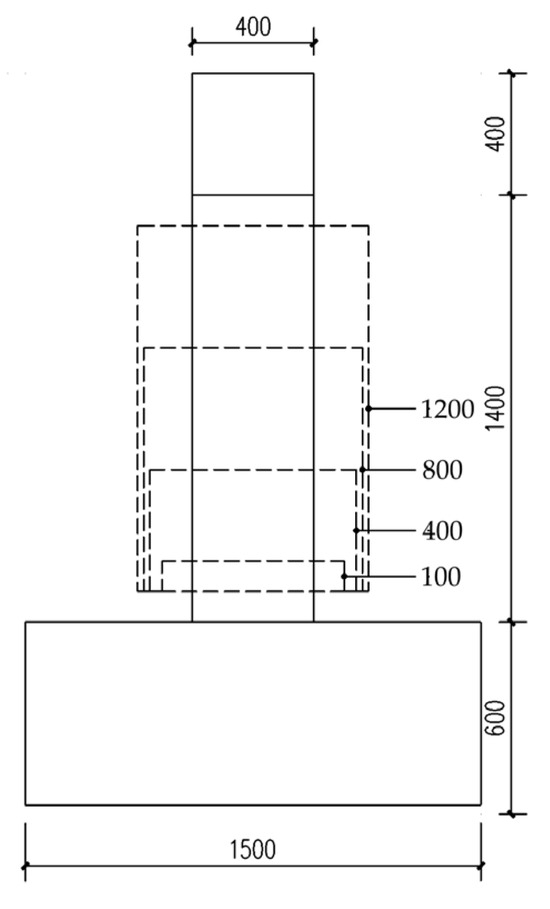
2.2. Columns Designed for Analysis
3. Results and Discussion
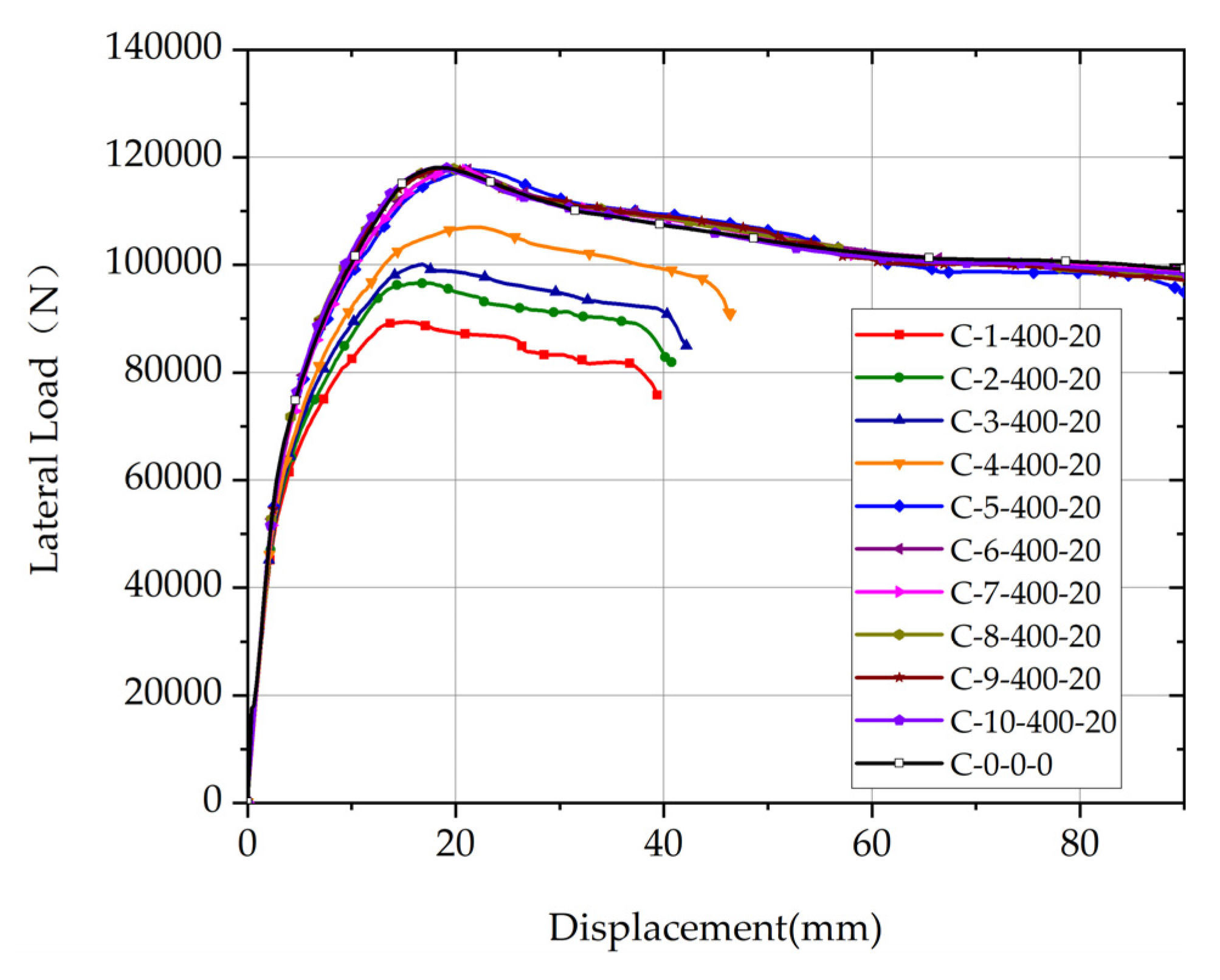
3.1. Influence of the Position of Longitudinal Non-Uniformly Corroded Segment
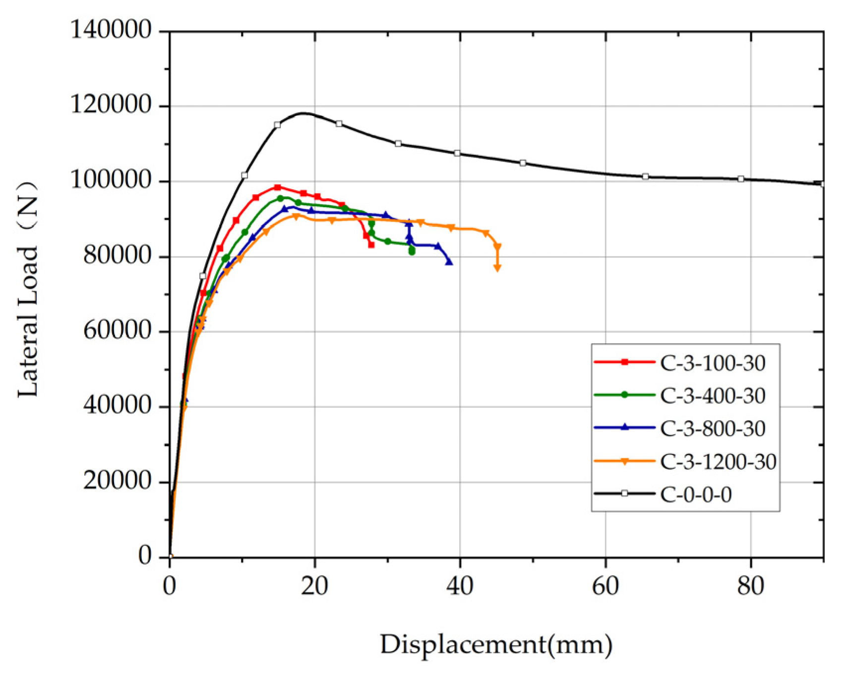
3.2. Influence of the Length of Longitudinal Non-Uniformly Corroded Segment
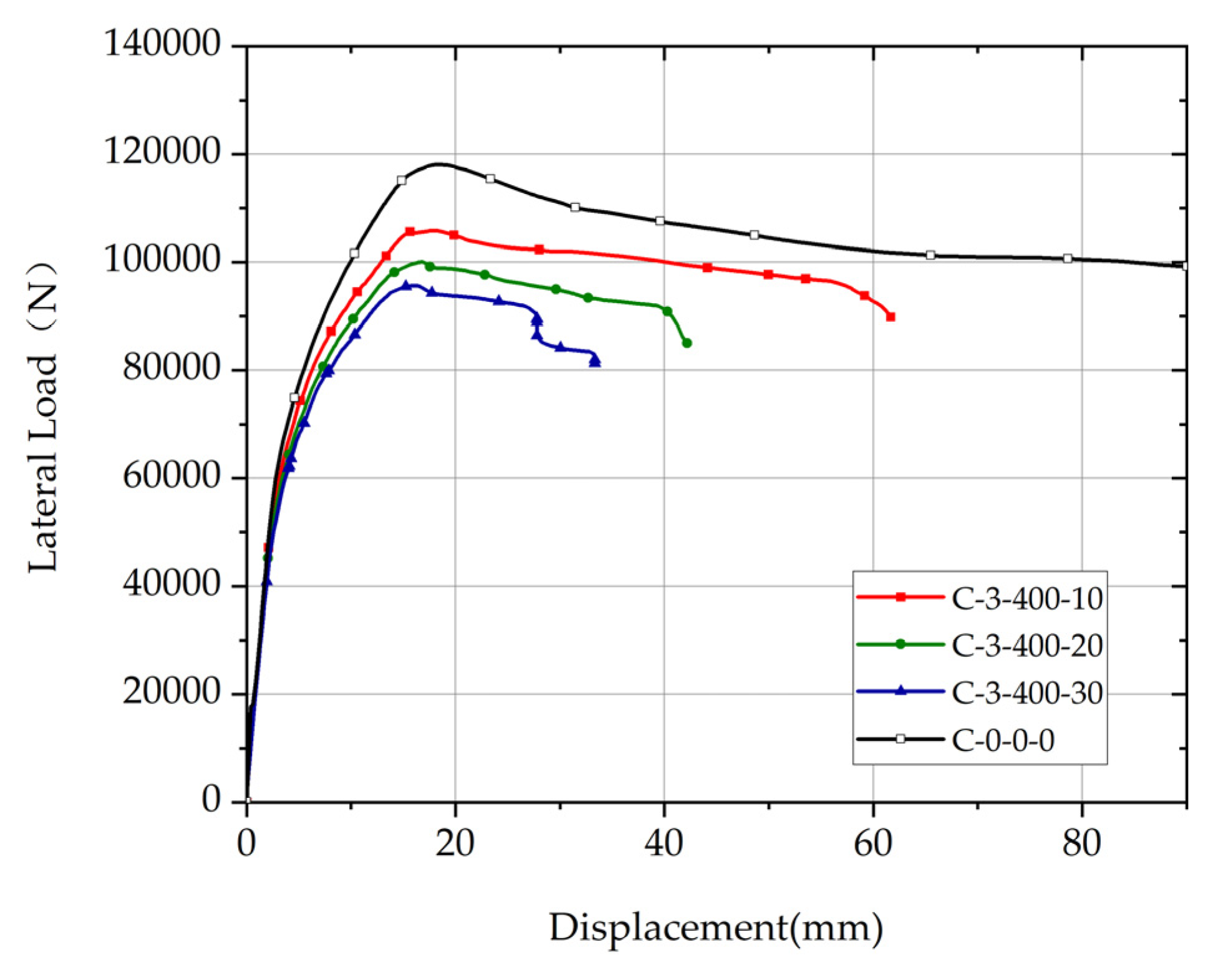
3.3. Influence of the Rebar Corrosion Ratio of Longitudinal Non-Uniformly Corroded Segment
4. Conclusions
Author Contributions
Funding
Institutional Review Board Statement
Informed Consent Statement
Data Availability Statement
Conflicts of Interest
References
- Sommer, H. Durability of High Performance Concrete; Science Press: Beijing, China, 1998; p. 4. (In Chinese) [Google Scholar]
- Torres-Acosta, A.A.; Navarro-Gutierrez, S.; Teran-Guillen, J. Residual flexure capacity of corroded reinforced concrete beams. Eng. Struct. 2006, 29, 1145–1152. [Google Scholar] [CrossRef]
- Wang, L.; Zhang, X.; Zhang, J.; Ma, Y.; Liu, Y. Effects of stirrup and inclined bar corrosion on shear behavior of RC beams. Constr. Build. Mater. 2015, 98, 537–546. [Google Scholar] [CrossRef]
- Okada, K.; Kobayashi, K.; Miyagawa, T. Influence of longitudinal cracking due to reinforcement corrosion on characteristics of reinforced concrete members. ACI Struct. J. 1988, 85, 134–140. [Google Scholar]
- Ou, Y.; Chen, H. Cyclic Behavior of Reinforced Concrete Beams with Corroded Transverse Steel Reinforcement. J. Struct. Eng. 2014, 140, 04014050. [Google Scholar] [CrossRef]
- GB/T 50476-2019; Standard for Design of Concrete Structure Durability. Ministry of Housing and Urban-Rural Development of the People’s Republic of China: Beijing, China, 2019.
- Zhou, H.; Chen, S.; Du, Y.; Lin, Z.; Liang, X.; Liu, J.; Xing, F. Field test of a reinforced concrete bridge under marine environmental corrosion. Eng. Fail. Anal. 2020, 115, 104669. [Google Scholar] [CrossRef]
- Guo, A.; Li, H.; Ba, X.; Guan, X.; Li, H. Experimental investigation on the cyclic performance of reinforced concrete piers with chloride-induced corrosion in marine environment. Eng. Struct. 2015, 105, 1–11. [Google Scholar] [CrossRef]
- Yuan, W.; Guo, A.; Li, H. Experimental investigation on the cyclic behaviors of corroded coastal bridge piers with transfer of plastic hinge due to non-uniform corrosion. Soil Dyn. Earthq. Eng. 2017, 102, 112–123. [Google Scholar] [CrossRef]
- Zhou, H.; Xu, Y.; Peng, Y.; Liang, X.; Li, D.; Xing, F. Partially corroded reinforced concrete piers under axial compression and cyclic loading: An experimental study. Eng. Struct. 2019, 203, 109880. [Google Scholar] [CrossRef]
- GB 50010-2010; Code for Design of Concrete Structures. Ministry of Housing and Urban-Rural Development of the People’s Republic of China: Beijing, China, 2015.
- Vecchio, F.J.; Collins, M.P. The modified compression-field theory for reinforced concrete elements subjected to shear. ACI Mater. J. 1986, 83, 219–231. [Google Scholar]
- Coronelli, D.; Gambarova, P. Structural assessment of corroded reinforced concrete beams: Modeling guidelines. J. Struct. Eng. 2004, 130, 1214–1224. [Google Scholar] [CrossRef]
- Vu, N.S.; Yu, B.; Li, B. Prediction of strength and drift capacity of corroded reinforced concrete columns. Constr. Build. Mater. 2016, 115, 304–318. [Google Scholar] [CrossRef]
- Liu, X.; Jiang, H.; Ye, Y.; Guo, Z. Deformation-based performance index of corroded reinforced concrete beams. J. Build. Eng. 2021, 34, 101940. [Google Scholar] [CrossRef]
- Kallias, A.N.; Rafiq, M.I. Finite element investigation of the structural response of corroded RC beams. Eng. Struct. 2010, 32, 2984–2994. [Google Scholar] [CrossRef]
- Lim, S.; Akiyama, M.; Frangopol, D.M. Assessment of the structural performance of corrosion-affected RC members based on experimental study and probabilistic modeling. Eng. Struct. 2016, 127, 189–205. [Google Scholar] [CrossRef]
- Cape, M. Residual Service-Life Assessment of Existing RC Structures. Master’s Thesis, Chalmers University of Technology, Goteborg, Sweden, Milan University of Technology, Milano, Italy, 1999. [Google Scholar]
- Zhang, W.; Shang, D.; Gu, X. Stress-strain relationship of corroded steel bars. J. Tongji Univ. (Nat. Sci. Ed.) 2006, 34, 586–592. (In Chinese) [Google Scholar]
- Bhargava, K.; Ghosh, A.K.; Mori, Y.; Ramanujam, S. Suggested empirical models for corrosion-induced bond degradation in reinforced concrete. J. Struct. Eng. 2008, 134, 221–230. [Google Scholar] [CrossRef]
- GB 50011-2010; Code for Seismic Design of Buildings. Ministry of Housing and Urban-rural Development of the People’s Republic of China: Beijing, China, 2016.
- JTG/T 2231-01—2020; Specifications for Seismic Design of Highway Bridges. Ministry of Transport of the People’s Republic of China: Beijing, China, 2020.


















| Specimens | Test | Simulation | EF | E∆ | ||
|---|---|---|---|---|---|---|
| Fmax (kN) | Δu (mm) | Fmax (kN) | Δu (mm) | |||
| S1 | 64.13 | >90 | 64.75 | >90 | 1.0% | - |
| S2 | 55.09 | 86.61 | 55.28 | 83.49 | 0.3% | −3.6% |
| S3 | 48.77 | 77.75 | 51.93 | 79.62 | 6.5% | 2.4% |
| S4 | 46.68 | 37.50 | 47.07 | 39.74 | 0.8% | 5.6% |
| Parameters | Values |
|---|---|
| p | 1, 2, 3, …, pmax |
| L | 100, 400, 800, 1200 |
| η | 10%, 20%, 30% |
Disclaimer/Publisher’s Note: The statements, opinions and data contained in all publications are solely those of the individual author(s) and contributor(s) and not of MDPI and/or the editor(s). MDPI and/or the editor(s) disclaim responsibility for any injury to people or property resulting from any ideas, methods, instructions or products referred to in the content. |
© 2024 by the authors. Licensee MDPI, Basel, Switzerland. This article is an open access article distributed under the terms and conditions of the Creative Commons Attribution (CC BY) license (https://creativecommons.org/licenses/by/4.0/).
Share and Cite
Sun, G.; Jiang, H. Deformation Performance of Longitudinal Non-Uniformly Corroded Reinforced Concrete Columns. Materials 2024, 17, 5303. https://doi.org/10.3390/ma17215303
Sun G, Jiang H. Deformation Performance of Longitudinal Non-Uniformly Corroded Reinforced Concrete Columns. Materials. 2024; 17(21):5303. https://doi.org/10.3390/ma17215303
Chicago/Turabian StyleSun, Guoyao, and Huanjun Jiang. 2024. "Deformation Performance of Longitudinal Non-Uniformly Corroded Reinforced Concrete Columns" Materials 17, no. 21: 5303. https://doi.org/10.3390/ma17215303
APA StyleSun, G., & Jiang, H. (2024). Deformation Performance of Longitudinal Non-Uniformly Corroded Reinforced Concrete Columns. Materials, 17(21), 5303. https://doi.org/10.3390/ma17215303

