Effect of Filler Wire Composition on Weld Metal Microstructure and Mechanical Properties in X80 Steel Laser Welds
Abstract
1. Introduction
2. Experimental Section
3. Results and Discussion
3.1. Weld Morphologies
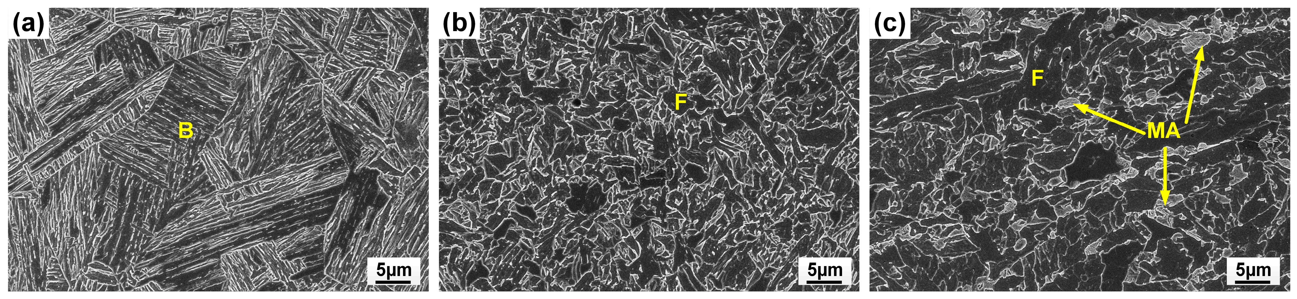
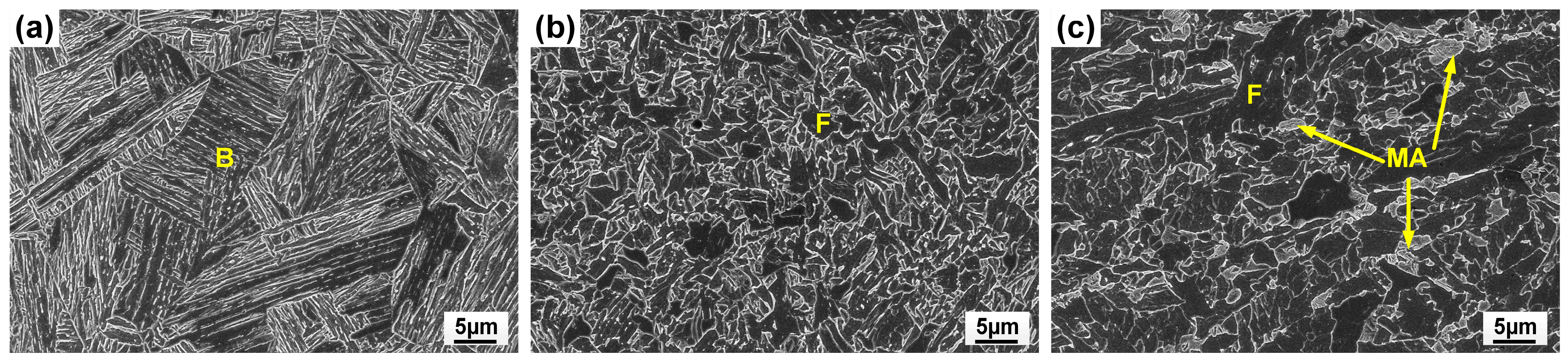
3.2. Elemental Distribution and Microstructure
3.3. Microhardness
3.4. Yield Strength
4. Conclusions
- (1)
- Specifically designed for the welding of low alloyed steels, ER70S filler metal promoted a more desired acicular ferrite microstructure in the laser weld without sacrificing the strength, compared to the autogenous laser weld. Although the filler material was not uniformly distributed along the thickness direction, the local mechanical properties did not differ significantly.
- (2)
- The addition of pure iron wire offers a solution to reduce the weld metal hardness in an X80 laser weld, where the maximum hardness is restricted to not exceed 275 HV in some industrial standards. Despite a 30 HV difference being found between upper and lower portions of the weld metal, hardness and yield strength remained close to the base material. The strategy of diluting alloying elements in the weld metal provides a solution to meet the hardness requirement, before a standard can be developed for laser welding of pipeline steel, or a commercial wire can be specifically modified for the fast-cooling laser welding process. The cracking sensitivity and uneven local mechanical properties make feeding Ni wire not suitable for laser welding of X80 steel; however, it provides a clear tracer element in the case of weld metal flow studies.
Author Contributions
Funding
Institutional Review Board Statement
Informed Consent Statement
Data Availability Statement
Acknowledgments
Conflicts of Interest
References
- Witek, M. Possibilities of using X80, X100, X120 high-strength steels for onshore gas transmission pipelines. J. Nat. Gas Sci. Eng. 2015, 27, 374–384. [Google Scholar] [CrossRef]
- Yapp, D.; Blackman, S. Recent Developments in High Productivity Pipeline Welding. J. Braz. Soc. Mech. Sci. Eng. 2004, 26, 89–97. [Google Scholar] [CrossRef]
- Bunaziv, I.; Dørum, C.; Nielsen, S.E.; Suikkanen, P.; Ren, X.; Nyhus, B.; Eriksson, M.; Akselsen, O.M. Root formation and mechanical properties in laser keyhole welding of 15 mm thick HSLA steel. IOP Conf. Ser. Mater. Sci. Eng. 2021, 1135, 012011. [Google Scholar] [CrossRef]
- Yang, H.; Chen, J.; Huda, N.; Zhao, X.; Gerlich, A.P. Effect of wire preheat and feed rate in X80 steel laser root welds: Part 2—Mechanical properties. Weld. J. 2024, 4, 107s–116s. [Google Scholar] [CrossRef]
- Zhenglong, L.; Caiwang, T.; Yanbin, C.; Zhongshao, S. Microstructure and mechanical properties of fiber laser-metal active gas hybrid weld of X80 pipeline steel. J. Press. Vessel Technol. Trans. ASME 2013, 135, 011403. [Google Scholar] [CrossRef]
- Yang, H.; Chen, J.; Huda, N.; Zhao, X.; Gerlich, A.P. Effect of wire preheat and feed rate in X80 steel laser root welds: Part 1—Microstructure. Weld. J. 2024, 4, 95s–106s. [Google Scholar] [CrossRef]
- Üstündağ, Ö.; Avilov, V.; Gumenyuk, A.; Rethmeier, M. Improvement of filler wire dilution using external oscillating magnetic field at full penetration hybrid laser-arc welding of thick materials. Metals 2019, 9, 594. [Google Scholar] [CrossRef]
- Zhang, Z.; Farrar, R.A. Influence of Mn and Ni on the microstructure and toughness of C-Mn-Ni weld metals. Weld. J. 1997, 76, 183s–196s. [Google Scholar]
- Mao, G.; Cao, R.; Yang, J.; Jiang, Y.; Wang, S.; Guo, X.; Yuan, J.; Zhang, X.; Chen, J. Effect of Nickel Contents on the Microstructure and Mechanical Properties for Low-Carbon Bainitic Weld Metals. J. Mater. Eng. Perform. 2017, 26, 2057–2071. [Google Scholar] [CrossRef]
- Yang, H.; Chen, J.; Zhao, X.; Huda, N.; Midawi, A.R.H.; Gerlich, A.P. Effect of laser beam wobbling and welding speed in X80 steel wire-fed laser root welds. J. Mater. Process. Technol. 2024, 327, 118383. [Google Scholar] [CrossRef]
- Schaeffler, A.L. Constitution Diagram for Stainless Steel Weld Metal. Met. Prog. 1949, 56, 680. [Google Scholar]
- Ramon, J.; Basu, R.; Voort, G.V.; Bolar, G. A comprehensive study on solidification (hot) cracking in austenitic stainless steel welds from a microstructural approach. Int. J. Press. Vessels Pip. 2021, 194, 104560. [Google Scholar] [CrossRef]
- Lippold, J.C.; Kiser, S.D.; DuPont, J.N. Welding Metallurgy and Weldability of Nickel-Base Alloys; John Wiley & Sons: Hoboken, NJ, USA, 2011; ISBN 978-1-118-21003-1. [Google Scholar]
- Lippold, J.C.; Kotecki, D.J. Welding Metallurgy and Weldability of Stainless Steels; John Wiley & Sons: Hoboken, NJ, USA, 2005. [Google Scholar]
- Babu, S.S. The mechanism of acicular ferrite in weld deposits. Curr. Opin. Solid State Mater. Sci. 2004, 8, 267–278. [Google Scholar] [CrossRef]
- Beidokhti, B.; Koukabi, A.H.; Dolati, A. Influences of titanium and manganese on high strength low alloy SAW weld metal properties. Mater. Charact. 2009, 60, 225–233. [Google Scholar] [CrossRef]
- Zhang, Z.; Farrar, R.A. Role of non-metallic inclusions in formation of acicular ferrite in low alloy weld metals. Mater. Sci. Technol. 1996, 12, 237–260. [Google Scholar] [CrossRef]
- Yan, H.; Zhao, D.; Qi, T.; Leng, X.; Fu, K. Relationship of the Microstructure and Toughness of the Coarse Grain Heat-Affected Zone of TiNbV Microalloyed Steels Based on Electron Backscatter Diffraction Analysis. J. Mater. Eng. Perform. 2022, 31, 201–210. [Google Scholar] [CrossRef]
- Li, J.; Sun, Q.; Liu, Y.; Zhen, Z.; Sun, Q.; Feng, J. Melt flow and microstructural characteristics in beam oscillation superimposed laser welding of 304 stainless steel. J. Manuf. Process. 2020, 50, 629–637. [Google Scholar] [CrossRef]
- Jiang, Z.; Chen, X.; Li, H.; Lei, Z.; Chen, Y.; Wu, S.; Wang, Y. Grain refinement and laser energy distribution during laser oscillating welding of Invar alloy. Mater. Des. 2020, 186, 108195. [Google Scholar] [CrossRef]
- Jiang, Z.; Chen, X.; Yu, K.; Lei, Z.; Chen, Y.; Wu, S.; Li, Z. Improving fusion zone microstructure inhomogeneity in dissimilar-metal welding by laser welding with oscillation. Mater. Lett. 2020, 261, 126995. [Google Scholar] [CrossRef]













| Element | C | Si | Mn | Ti | Cu | Ni | Nb | Mo | Fe | Pcm |
|---|---|---|---|---|---|---|---|---|---|---|
| Content (wt.%) | 0.051 | 0.18 | 1.73 | 0.01 | 0.12 | 0.13 | 0.04 | 0.21 | Bal. | 0.166 |
| Element | C | Si | Mn | Ti | Cu | Ni | Mo | Al | Zr | Fe | Pcm |
|---|---|---|---|---|---|---|---|---|---|---|---|
| Content (wt.%) | 0.07 | 0.94 | 1.58 | 0.01 | 0.17 | 0.01 | 0.01 | 0.01 | 0.01 | Bal. | 0.190 |
| Sample | Laser Power P (kW) | Wire Feed Rate WFR (m/min) | Welding Speed v (m/min) | Wire Type | Wire Diameter d (mm) | Defocused Distance Df (mm) |
|---|---|---|---|---|---|---|
| 1 | 8 | - | 1.0 | - | - | −3 |
| 2 | 8 | 6 | 1.0 | ER70S-6 | 0.9 | −3 |
| 3 | 8 | 6 | 1.0 | Pure iron (99.95%) | 0.9 | −3 |
| 4 | 8 | 6 | 1.0 | Pure nickel (99%) | 0.9 | −3 |
| Mn | Si | Ni | |
|---|---|---|---|
| Autogenous laser weld, upper portion | 1.79 | 0.27 | 0.13 |
| Autogenous laser weld, lower portion | 1.72 | 0.27 | 0.13 |
| Laser weld with ER70S wire, upper portion | 1.74 | 0.48 | 0.09 |
| Laser weld with ER70S wire, lower portion | 1.72 | 0.34 | 0.15 |
| Laser weld with pure iron wire, upper portion | 1.24 | 0.19 | 0.10 |
| Laser weld with pure iron wire, lower portion | 1.30 | 0.20 | 0.12 |
| Laser weld with pure nickel wire, upper portion | 1.14 | 0.22 | 37.78 |
| Laser weld with pure nickel wire, lower portion | 1.56 | 0.26 | 11.53 |
| Upper Fusion Zone | Lower Fusion Zone | Base Metal | |
|---|---|---|---|
| Autogenous laser weld | 328 ± 1 HV | 314 ± 2 HV | - |
| Laser weld with ER70S wire | 321 ± 1 HV | 317 ± 2 HV | - |
| Laser weld with pure iron wire | 237 ± 1 HV | 267 ± 2 HV | - |
| Laser weld with pure nickel wire | 163 ± 1 HV | 362 ± 1 HV | - |
| X80 base metal | - | - | 246 ± 1 HV |
Disclaimer/Publisher’s Note: The statements, opinions and data contained in all publications are solely those of the individual author(s) and contributor(s) and not of MDPI and/or the editor(s). MDPI and/or the editor(s) disclaim responsibility for any injury to people or property resulting from any ideas, methods, instructions or products referred to in the content. |
© 2024 by the authors. Licensee MDPI, Basel, Switzerland. This article is an open access article distributed under the terms and conditions of the Creative Commons Attribution (CC BY) license (https://creativecommons.org/licenses/by/4.0/).
Share and Cite
Yang, H.; Chen, J.; Zhao, X.; Huda, N.; Gerlich, A.P. Effect of Filler Wire Composition on Weld Metal Microstructure and Mechanical Properties in X80 Steel Laser Welds. Materials 2024, 17, 5235. https://doi.org/10.3390/ma17215235
Yang H, Chen J, Zhao X, Huda N, Gerlich AP. Effect of Filler Wire Composition on Weld Metal Microstructure and Mechanical Properties in X80 Steel Laser Welds. Materials. 2024; 17(21):5235. https://doi.org/10.3390/ma17215235
Chicago/Turabian StyleYang, Hanwen, James Chen, Xiaoye Zhao, Nazmul Huda, and Adrian P. Gerlich. 2024. "Effect of Filler Wire Composition on Weld Metal Microstructure and Mechanical Properties in X80 Steel Laser Welds" Materials 17, no. 21: 5235. https://doi.org/10.3390/ma17215235
APA StyleYang, H., Chen, J., Zhao, X., Huda, N., & Gerlich, A. P. (2024). Effect of Filler Wire Composition on Weld Metal Microstructure and Mechanical Properties in X80 Steel Laser Welds. Materials, 17(21), 5235. https://doi.org/10.3390/ma17215235

